变压器功率与机型对应表
- 格式:xls
- 大小:142.50 KB
- 文档页数:15
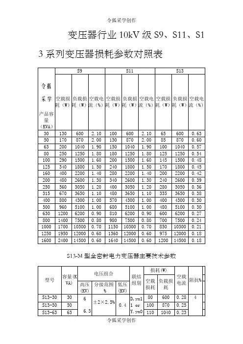
变压器行业10kV级S9、S11、S13系列变压器损耗参数对照表S13-M型全密封电力变压器主要技术参数负载损耗:即可变损失。
与通过的电流的平方成正比。
负载损耗是额定电流下与参考温度下的负载损耗。
展开些说,所谓额定电流是指一次侧分接位置必须是主分接,不能是其它分接的额定电流。
对参考温度而言,要看变压器的绝缘材料的耐热等级。
对油浸式变压器而言,不论是自冷、风冷或强油风冷,都有是A级绝缘材料,其参考温度是根据传统概念加以规定的,都是75℃。
1900年左右,经研究发现在铁中加入少量的硅或铝可大大降低磁路损耗,增大导磁率,且使电阻率增大,涡流损耗降低。
经多次改进,用0.35mm厚的硅钢片来代替铁线制作变压器铁芯。
1903来世界各国都在积极研究生产节能材料,变压器的铁芯材料已发展到现在最新的节能材料——非晶态磁性材料如2605S2,非晶合金铁芯变压器便应运而生。
使用2605S2制作的变压器,其铁损仅为硅钢变压器的1/5,铁损大幅度降低。
(2)变压器系列的节能效果上述非晶合金铁芯变压器,具有低噪音、低损耗等特点,其空载损耗仅为常规产品的1/5,且全密封免维护,运行费用极低。
我国S7系列变压器是1980年后推出的变压器,其效率较SJ、SJL、SL、SL1系列的变压器高,其负载损耗也较高。
80年代中期又设计生产出S9系列变压器,其价格较S7系列平均高出20%,空载损耗较S7系列平均降低8%,负载损耗平均降低24%,并且国家已明令在1998年底前淘汰S7、SL7系列,推广应用S9系列。
S11是推广应用的低损耗变压器。
S11型变压器卷铁心改变了传统的叠片式铁心结构。
硅钢片连续卷制,铁心无接缝,大大减少了磁阻,空载电流减少了60~80,提高了功率因数,降低了电网线损,改善了电网的供电品质。
连续卷绕充分利用了硅钢片的取向性,空载损耗降低20~35。
运行时的噪音水平降低到30~45dB,保护了环境。
非晶合金铁心的S11系列配电变压器系列的空载损耗较S9系列降低75%左右,但其价格仅比S9系列平均高出30%,其负载损耗与S9系列变压器相等。
长虹回扫变压器适用机型对照表高压公司回扫变压器适用机型对照表序号机型机芯 FBT型号显像管名称 PF1581DV CH-16DV BSC60H 东芝BSC60W/BSC60H2 彩虹BSC60H4 北松AT1310 CN-2C1 BSC60T 彩虹BSC60T2 北松、泰国、LGSF1487DV CH-16DV BSC60H 东芝BSC60W/BSC60H2 彩虹AT1321DV CH-12DV BSC60T 彩虹BSC60T2 北松、泰国、LG、中华映管 C1400DV CH-16DV BSC60H 东芝BSC60W/BSC60H2 彩虹C1401DV CH-16DV BSC60H 东芝BSC60W/BSC60H2 彩虹AT1320DV CN-12DV BSC60T 彩虹BSC60T2 北松、泰国、LG、中华映管 14C27EU EX-1A4S BSC60H2 彩虹BSC604H 北松、泰国、LG、中华映管 BSC52H5 立陶宛14C27 EX-1A4 BSC60H2 彩虹BSC60H4 北松、泰国、LG、中华映管 PF15C18EU EX-1A3S BSC60W 彩虹BSC60H 北松、东芝14C19 EX-1A1 BSC60H2 彩虹BSC52W 三星BSC60H4 北松、彩虹、LG、中华映管 C1400 CH-16DV BSC60H4 北松BSC60H2 彩虹H14C11 EX-1A4 BSC60H2 彩虹BSC60H4 北松、泰国、LG、中华映管 14C12 EX-1A4 BSC60H2 彩虹BSC60H4 北松、泰国、LG、中华映管 14C14 EX-1A4 BSC60H2 彩虹BSC60H4 北松、泰国、LG、中华映管 14C98 EX-1A1 BSC60H2 彩虹BSC52W 三星BSC60H4 北松、泰国、LG、中华映管 H14C99 EX-1A1 BSC60H2 彩虹BSC52W 三星BSC60H4 北松、泰国、LG、中华映管14C18 EX-1A3S BSC60H2 彩虹BSC60H4 北松、泰国、LG、中华映管H18K8 CN-12 BSC60T 彩虹BSC60T2/BSC60S 北松、LG、泰国PF1518K CN-12 BSC60J/BSC60J1 彩虹BSC60T2/BSC60S 北松、LG、泰国14C99EU EX-1A2 BSC60H2 彩虹BSC60H4 北松、泰国、LG、中华映管14C06 EX-1A1 BSC60H2 彩虹BSC52W 三星BSC60H4 北松、泰国、LG、中华映管14C99N CH-16CA BSC60H4 北松BSC60H3 中华BSC60T 彩虹H14K8 CN-12 BSC60T2/BSC60S 北松、LG、泰国 BSC60H 东芝PF1517DV CH-16DV BSC60W/BSC60H2 彩虹BSC60H4 北松SF2166K CH-13A BSC60J2 赛格、三星、LG、福地、泰国、中华、彩虹PF2117DV CH-16DV BSC60K 三星、LG、华飞AT2120 CN-12C1 BSC60J/BSC66J 赛格、三星、泰国、彩虹、上永BSC66G 华飞、北松SF2118E(M) CN-18EA BSC60U 泰国、彩虹、上永、中华映管、LGBSC62V1 北松、三星21C51N CH-16CA BSC60H3 三星、泰国、中华、北松、华飞21C32EU EX-1A BSC60H 赛格、三星、LG、北松、泰国、中华映、华飞21C39 EX-1A1 BSC60H 赛格、三星、LG、北松、泰国、中华映、华飞PF2198N CH-16CA BSC60H3 松下、东芝、三星、LG、马松铁、大宇PF21E19 CN-18EA(V2) BSC60U 福地BSC60V1 北松、三星、华飞、彩虹、马松铁 H21C51 EX-1A1 BSC60H 赛格、三星、LG、北松、泰国、中华映、华飞G21C36 EX-1A1 BSC60H 赛格、三星、LG、北松、泰国、中华映、华飞H21C18 EX-1A1 BSC60H 赛格、三星、LG、北松、泰国、中华映、华飞21C19 EX-1A1 BSC60H 赛格、三星、LG、北松、泰国、中华映、华飞PF21C95 EX-1A1 BSC60H 赛格、三星、LG、北松、泰国、中华映、华飞SF21E38 CN-18EA(V2) BSC60U 福地BSC62V1 北松、三星、华飞、彩虹、马松铁 PF21E91 CN-18EA(V2) BSC60U 彩虹、上永、中华映、泰国、LGBSC60V1 北松、三星SF21E15 CN-18EA(V2) BSC60U 福地BSC62V1 北松、三星、华飞、彩虹、马松铁 21C60 EX-1A1 BSC60H 赛格、三星、LG、北松、泰国、中华映、华飞PF21E55 CN-18EA(V2) BSC60U 福地BSC60V1 北松、三星、华飞、彩虹、马松铁 H21C35 EX-1A1 BSC60H 赛格、三星、LG、北松、泰国、中华映、华飞21C70 EX-1A1 BSC60H 赛格、三星、LG、北松、泰国、中华映、华飞21C15 EX-1A1 BSC60H 赛格、三星、LG、北松、泰国、中华映、华飞21C98 EX-1A1 BSC60H 赛格、三星、LG、北松、泰国、中华映、华飞21C68 EX-1A1 BSC60H 赛格、三星、LG、北松、泰国、中华映、华飞21C36EU EX-1A2 BSC60H 赛格、三星、LG、北松、泰国、中华映、华飞H21C CN-18EA BSC60U 彩虹、上永、中华映、泰国、LGBSC62V1 北松、三星PF21156 CH-16A BSC60K 三星、北松、大宇、华飞、马松铁、LGBSC60H LG、赛格、华飞、三星、福地、泰国、中华映PF21C25 EX-1A1 BSC60K 北松、三星、LG、东芝、大宇、泰国、华飞H21A EX-1A1 BSC60H 赛格、三监理所、LG、北松、泰国、中华映、华飞H2111K CN-12 BSC66J LG、赛格、上永、三星、福地、泰国、中华映、彩虹、北松BSC66G 北松、LGH2183K CN-12 BSC66J LG、上永、福地、彩虹、华飞H2123K CN-12 BSC66J/BSC60J LG、赛格、上永、三星、福地、泰国、中华映、彩虹、北松、飞利蒲BSC66G 北松(粗)、LG(粗)PF2198 CH-16A BSC60K 彩虹、三星、北松、大宇、LG、华飞、马松管BSC60H 赛格、福地、泰国、中华映管SF2119 CH-16A BSC60K 彩虹、三星、北松、大宇、LG、华飞、马松管BSC60H 赛格、福地、泰国、中华映管、上永、彩虹PF2183 CH-16A BSC60K 彩虹、三星、北松、大宇、LG、华飞、马松管BSC60H 赛格、福地、泰国、中华映管SF2199 CH-16A BSC60K 彩虹、三星、北松、大宇、LG、华飞、马松管BSC60H 赛格、福地、泰国、中华映管、上永(细)、彩虹(细)SF2198 CH-16A BSC60K 彩虹、三星、北松、大宇、LG、华飞、马松管BSC60H 赛格、福地、泰国、中华映管、上永、彩虹SF2183 CH-16A BSC60K 彩虹、三星、北松、大宇、LG、华飞、马松管BSC60H 赛格、福地、泰国、中华映管、上永、彩虹H2121K CN-12 BSC66J/BSC60J 彩虹、上永、三星、北松、大宇、LG、福地、飞利蒲、赛格、泰国、中华映BSC66G 北松(粗)、LG(粗)PF2123K CN-12 BSC66J/BSC60J 彩虹、上永、三星、北松、大宇、LG、福地、飞利蒲、赛格、泰国、中华映BSC66G 北松(粗)、LG(粗)、马松铁SF2166K CH-13A BSC60J2 彩虹、三星、LG、赛格、泰国、中华映PF2181DV CH-16DV BSC60K 三星、LGPF2193E CN-18EA BSC62V1 北松、马松铁、三星、彩虹PF2155 CH-16A BSC60K 彩虹、三星、北松、大宇、LG、华飞、马松管BSC60H 赛格、福地、泰国、中华映SF2111 CH-16A BSC60K 彩虹、三星、北松、大宇、LG、华飞、马松管BSC60H 赛格、福地、泰国、中华映、上永、彩虹(细)PF2195 CH-16A BSC60K 彩虹、三星、北松、大宇、LG、华飞、马松管BSC60H 赛格、福地、泰国、中华映SF2115 CH-16A BSC60K 彩虹、三星、北松、大宇、马松管BSC60H 赛格、福地、泰国、中华映、上永、彩虹(细)H2119KB(A) CN-12 BSC66J 赛格、福地、泰国、中华映、上永、彩虹、三星BSC66G 北松、中华PF2188K CN-12 BSC66J/BSC60J 彩虹、三星、福地、飞利浦、赛格、泰国、中华映、北松、LGBSC66G 北松(粗)、LG(粗)、马松铁PF21C17DV EX-FA5 BSC60K 三星、华飞、LG PF21118 CH-16A BSC60K 彩虹、三星、北松、大宇、LG、华飞、马松管BSC60H 赛格、福地、泰国、中华映H2598K CN-12 BSC62J 上永、福地、华飞、LG SF2518E CN-18ED BSC68I 三星、彩虹BSC62D1 LGBSC62D 彩虹、上永、LGBSC62D2 福地PF2588 CH-16 BSC59B 三星BSC59A/BSC62A 福地、华飞、LG、彩虹、上永BSC59B/BSC68Z 彩虹、福地PF2595 CH-16D BSC59A/BSC62A 华飞、LG、彩虹、上永BSC59B/BSC68Z 彩虹、福地、三星PF2515A CH-16 BSC59B 三星BSC59A/BSC62A 福地、华飞、LG、彩虹、上永BSC59B/BSC68Z 彩虹、福地SF2566E CN-18ED BSC62D 上永、彩虹、福地 CHD2590 DT-7A BSC75L 三星BSC75M3 三星、LGPF25E15 CN-18ED(V2) BSC68I 三星、彩虹BSC62D1 LGBSC62D2 福地PF25156 CH-16D BSC59A/BSC62A 华飞、LG、彩虹、上永BSC59B/BSC68Z 彩虹、福地、三星PF25118 CH-169D BSC59A/BSC62A 华飞、LG、彩虹、上永BSC59B/BSC68Z 彩虹、福地、三星PF25E99 CN-18ED(V2) BSC68I 三星、彩虹BSC62D1 LGBSC62D2 福地CHD25158 CN-18ED(V2) BSC68I 三星、彩虹BSC62D1 LGBSC62D2 福地H2583K CN-12 BSC62J 彩虹、上永、福地、华飞、LGBSC68J 三星、RCA、LG、大宇BSC59J 三星、LGPF2583 CN-18ED BSC68I 三星、彩虹BSC62D LGBSC62D2 福地SF2519 CH-16 BSC59B/BSC68Z 三星、彩虹、福地BSC59A/BSC62A 华飞、上永、LGSF2583 CH-16 BSC59B/BSC68Z 三星、彩虹、福地BSC59A/BSC62A 三星、彩虹、福地H2599KB(A) CN-12E BSC62J 彩虹、福地、上永、华飞、LGBSC68J 三星、大宇、RCAH2535K CN-12 BSC62J LG、三星BSC68J 三星、大宇、RCABSC59J LG、三星SF2511 CH-16 BSC59B/BSC68Z 三星、彩虹、福地BSC59A/BSC62A 三星、彩虹、福地PF2518E CN-18ED BSC68I 三星、彩虹BSC62D 上永BSC62D1 LGBSC62D2 福地SF2591E CN-18ED BSC68I 三星、彩虹BSC62D 上永BSC62D1 LGBSC62D2 福地PF2581DV CH-16DVD BSC70V 三星BSC62A LGPF25T18 CH-20 BSC62Z1 三星、LG25T18/H25T18 CH-20 BSC68Z2 LG、上永、华飞 CHD2919 DT-5 BSC75M6 上永、三星、LGSF2966E CN-18ED BSC68I LG、华飞、三星、北松、福地、汤姆逊CHD29166 DT-7A BSC75M3 三星、LGSF2987DV CH-16DVD BSC68Z2 汤姆逊BSC70V 东芝BSC73L 三星、大宇、LGPF2989S CH-16S BSC73K 三星、大宇、LG、上永、华飞BSC59B/BSC68Z 彩虹、汤姆逊、大宇、北松、福地、上永、华飞、三星、LGH2999KB(A) CN-12 BSC68J 三星、大宇PF29E98 CN-18ED(V2) BSC68I 汤姆逊、三星 SF29E91 CN-18ED(V2) BSC68I 上永、大宇、北松、福地、华飞、三星、汤姆逊、东芝BSC73W LG(双聚焦)、三星(双聚焦)、大宇(双聚焦)、上永(双聚焦)PF29E95 CN-18ED(V2) BSC68I 汤姆逊、三星 SF29E15 CN-18ED(V2) BSC68I 上永、大宇、北松、福地、华飞、三星、汤姆逊、东芝BSC73W LG(双聚焦)、三星(双聚焦)、大宇(双聚焦)、上永(双聚焦)CHD29168 CHD-2 BSC75M6 三星、上永SF29E70F CN-18ED(V2) BSC68I 上永、大宇、北松、福地、华飞、三星、汤姆逊、东芝BSC73W LG(双聚焦)、三星(双聚焦)、大宇(双聚焦)、上永(双聚焦)PF29E55 CN-18ED(V2) BSC68I 汤姆逊、三星 PF29118 CH-16D BSC73K 三星、大宇、LG、上永、华飞BSC59B/BSC68Z 彩虹、汤姆逊、北松、福地、上永、华飞、三星、LGCHD29156 DT-7A BSC75M3 LG、三星PF29T18 CH-20 BSC73X 三星、上永、大宇、LG BSC68Z1 LG(单聚焦)PF2988H CH-19 BSC68Z3 汤姆逊、三星CHD29100 CHD-2 BSC75M6 三星、上永CHD2917DV CHD-2DVD BSC75M6 三星、上永H2912K CN-12E BSC68J 三星、大宇、RCASF2915 CH-16E BSC73K 三星、大宇、上永、华飞、LGBSC59B/BSC68Z 彩虹、汤姆逊、北松、福地、上永、华飞、三星、LGSF2911F CH-16 BSC73K 三星、大宇、上永、华飞、LGBSC59B/BSC68Z 彩虹、汤姆逊、北松、福地、上永、华飞、三星、LGSF2939(A) CH-16 BSC73K 三星、大宇、上永、华飞、LGBSC59B/BSC68Z 彩虹、汤姆逊、北松、福地、上永、华飞、三星、LGPF2939(A) CH-16 BSC73K 三星、大宇、上永、华飞、LGBSC59B/BSC68Z 彩虹、汤姆逊、北松、福地、上永、华飞、三星、LGPF2918E CN-18ED BSC73W 上永、三星、LGBSC68I 东芝、华飞SF2951E CN-16 BSC73K 三星、大宇、上永、华飞、LGBSC59B/BSC68Z 彩虹、汤姆逊、北松、福地、上永、华飞、三星、LGSF2998 CH-16 BSC73K 三星、大宇、上永、华飞、LGBSC59B/BSC68Z 彩虹、汤姆逊、北松、福地、上永、华飞、三星、LGPF29008 CH-16D BSC73K 三星、大宇、上永、华飞、LGBSC59B/BSC68Z 彩虹、汤姆逊、北松、福地、上永、华飞、三星、大宇CHD2990 CDT-1A BSC75A1 东芝(细节距)、彩虹(细节距)BSC75M1 北松(细节距)PF2993E CN-18ED BSC59C 东芝、华飞、LG(单聚焦)、三星(单聚焦)BSC63W LGCHD2988 DT-5 BSC75M6 上永、三星、LGPF2955E CN-18ED BSC68I 三星、汤姆逊、北松、福地PF2983(A) CH-16 BSC73K 三星、大宇、上永、华飞、LGBSC59B/BSC68Z 彩虹、汤姆逊、北松、福地、上永、华飞、三星、LGPF2986 CH-16 BSC73K 三星、大宇、上永、华飞、LGBSC59B 彩虹、北松、汤姆逊、三星、华飞、LGPF2917DV CH-16DVD BSC73L LG、大宇、三星 BSC70V 东芝PF2955 CH-16D BSC73K 三星、大宇、上永、华飞、LGBSC59B/BSC68Z 彩虹、汤姆逊、北松、福地、上永、华飞、三星、大宇CHD2995 DT-7A BSC75M3 三星、LGSF2911/SF2911F CH-16D BSC73K 三星、大宇、上永、华飞、LGBSC59B/BSC68Z 彩虹、汤姆逊、北松、福地、上永、华飞、三星、LGCHD3418(T) DT-7A BSC75M3 华飞SF3466E CN-18ED BSC70X1 北松、赛格、汤姆逊H34D80E CN-18ED BSC70X1 北松、赛格、汤姆逊CHD34166 DT-7A BSC75M3 华飞CHD3615 CDT-1A BSC75A2 东芝BSC75N1 松下BSC75A 东芝(W86LQQ350X9)CHD3418 CDT-1A BSC75A2 东芝BSC72M2 三星CHD34156 DT-7A BSC75M3 华飞SF3418E CH-18ED BSC70X 东芝BSC70X1 北松BSC73W 赛格BSC73W1 华飞、三星SF3498F(A) CH-16 BSC73Z 北松、三星、华飞BSC70I 赛格、汤姆逊BSC70X LGBSC70K1 上永BSC70J 东芝CHD34100 CHD-2 BSC75N3 华飞、三星CHD3215 CDT-1A BSC75A 东芝CHD3490 CDT-1A BSC75A2 东芝(细节距)BSC75M2 三星(细节距)CHD3495 DT-7A BSC75M3 华飞CHD34156 DT-5 BSC75C1 东芝BSC75N2 华飞、三星PF3498(A) CH-16 BSC73Z 北松、三星、华飞 BSC70I 汤姆逊、赛格BSC70S LGBSC70K1 上永BSC70J 东芝SF3415 CH-16 BSC73Z 北松、三星、华飞BSC70I 汤姆逊、赛格BSC70S LGBSC70K1 上永BSC70J 东芝PF3493E CN-18ED BSC63X 三星PF3415(A) CH-16 BSC73Z 北松、三星、华飞BSC70I 汤姆逊、赛格BSC70S LGBSC70K1 上永BSC70J 东芝SF3495 CH-16D BSC73Z 北松、三星、华飞 BSC70I 汤姆逊、赛格BSC70S LGBSC70K1 上永BSC70J 东芝CHD3488 DT-5 BSC75C1 东芝BSC75N2 华飞、三星SF3418EF CN-18ED BSC70X 东芝BSC70X1 北松BSC73W 赛格BSC73W1 三星、华飞PF3415 CH-16 BSC73Z 北松、三星、华飞 BSC70I 汤姆逊、赛格BSC70S LGBSC70K1 上永BSC70J 东芝G3478 BSC70B 汤姆逊、LGCHD70B5 PDT-3B BSD70CCHD55B5W PDT-3B BSD70CCHD5155W PDT-3 BSD70CCHD51B5 PDT-3B BSD70CCHD4388 PDT-3 BSD70CCHD3891S PC-5 BSD70A51EP90 PE-5 BSC70A43EP90 PE-5 BSC70AJP5186 PDT-3A BSD69XJP7025 PDT-3A BSD69XJP6125 PDT-3A BSD69XJP5625 PDT-3A BSD69XCHD4011W PDT-3 BSC70EJP5185 PDT-3A BSD69XJP5195 PDT-3A BSD69XCHD4391 PDT-3 BSC70ZCHD5175 PDT-3 BSD70CCHD5190 PDT-3 BSC70Z43EP11W PE-5 BSD70ACHD4311W PDT-3 BSC70Z38EP91 PE-5 BSD70A43EP41W PE-5 BSD70ACHD38C1/HP38C1 PDT-3 BSD70CJP7025 PDT-3A BSD69XJP6125 PDT-3A BSD69XCHD38A1/HP38A1 PDT-3 BSD70C CHD4890/HP4390 PDT-3 BSD70C CHD3891 PDT-3 BSC70ZCHD3851 PDT-3 BSC70ZCHD4395/KP4395 PDT-3 BSC70Z 40EP11W PE-5 BSD70ACHD4351 PDT-3 BSC70ZCHD5166W PDT-3 BSD70CCHD4375/HP4375 PDT-3 BSD70C 51EP89 PE-5 BSD70A43EP89 PE-5 BSD70A。
变压器行业10kV级S9、S11、S13系列变压器损耗参数对照表S13-M型全密封电力变压器主要技术参数负载损耗:即可变损失。
与通过的电流的平方成正比。
负载损耗是额定电流下与参考温度下的负载损耗。
展开些说,所谓额定电流是指一次侧分接位置必须是主分接,不克不及是其它分接的额定电流。
对参考温度而言,要看变压器的绝缘资料的耐热等级。
对油浸式变压器而言,不管是自冷、风冷或强油风冷,都有是A 级绝缘资料,其参考温度是根据传统概念加以规定的,都是75℃。
1 变压器损耗大致为两项:铁损和线损。
其中铁损主要为变压器铁芯在工作时的磁滞损耗所造成的,其大小与电压相关较大,变压器空载还是带负载对于铁损影响不大;2 负载电流流过变压器线圈,由于线圈自己的电阻,将有一部分功率损耗在线圈中,这部分损耗为“线损”,电流越大,损耗越大,所以负荷越大,线损也越大;3 空载时,只有励磁电流流过变压器,所以线损很小;4 上述“铁损”和“线损”之和就是变压器的大部分损耗,负载时的线损与铁损之和就是变压器的负载损耗,而空载损耗意义也是如此。
相关知识:1)推广使用低损耗变压器(1)铁芯损耗的控制变压器损耗中的空载损耗,即铁损,主要发生在变压器铁芯叠片内,主要是因交变的磁力线通过铁芯发生磁滞及涡流而带来的损耗。
最早用于变压器铁芯的资料是易于磁化和退磁的软熟铁,为了克服磁回路中由周期性磁化所发生的磁阻损失和铁芯由于受交变磁通切割而发生的涡流,变压器铁芯是由铁线束制成,而不是由整块铁构成。
1900年左右,经研究发现在铁中加入少量的硅或铝可大大降低磁路损耗,增大导磁率,且使电阻率增大,涡流损耗降低。
经多次改进,用0.35mm厚的硅钢片来代替铁线制作变压器铁芯。
1903来世界各国都在积极研究生产节能资料,变压器的铁芯资料已发展到现在最新的节能资料——非晶态磁性资料如2605S2,非晶合金铁芯变压器便应运而生。
使用2605S2制作的变压器,其铁损仅为硅钢变压器的1/5,铁损大幅度降低。
变压器行业10kV级S9、S11、S13系列变压器损耗参数对照表S13-M型全密封电力变压器主要技术参数公文写作公文写作是指根据公务活动的客观现实和需求,运用科学的逻辑思路和写作手法完成公文的撰写。
没有一篇公文不是为了解决工作中所遇到的实际问题,所以公文的写作具有很强的现实效用,对写作者的综合能力要求较高。
公文的现实效用成为公文和其他常见文学作品最大的区别。
部分文学作品虽然能够给我们带来思想上的启迪,影响我们的生活,但是没有一纸公文的影响力来得快,带来的波动大。
写作一篇合格的公文对于撰写人员的综合要求是很高的,因为公文写作本身就是一项综合性的脑力劳动.撰写人员往往需要具备大量的知识储备、工作经验以及熟练的写作技巧。
公文写作的语言特征公文的语言是非常讲究的。
一篇公文如果没有规范的语言作为载体,那么在上传下达的过程中可能无法达到预期的效果。
以下是笔者根据多年的公文写作经验总结出的五个要点。
1.真实准确真实准确的用语是公文写作的底线,是一个公文撰写者必备的职业技能,也是公文写作中最重要的一点。
写进公文中的材料必须是能够真实展现实际工作中真实发生的事件,不能有任何的虚构和编造。
因此在撰写公文的时候应该做到内容不真实的不写,材料没有落实的不写,没了解清楚的不写。
2.严谨庄重在处理公务的时候,应该保持公正的立场和严肃的态度,这一点在公文中也应该得到很好的体现。
怎样才能让公文的表达显得严谨和庄重呢?少用口语,不用方言,多用陈述性的语言,少用描绘性的语言。
在行文的过程中,要保持逻辑性,前后内容不能相互矛盾,全文要做到严谨周密。
3.简单明了公文的内容应简明扼要,让人能够直截了当地明白其中传达的意思,要做到言之有物,简而不空。
因此在写作公文前就要了解公文的核心思想和目的,整理出公文的重点,做到成竹在胸。
4.平实易懂公文中的语言只有平实易懂,才能有效地在各级机关中传播。
如果在公文中使用华丽或者带有修饰性的语言,则需要格外注意使用场合和公文的内容。
变压器行业10kV级S9、S11、S1 3系列变压器损耗参数对照表S13-M型全密封电力变压器主要技术参数负载损耗:即可变损失。
与通过的电流的平方成正比。
负载损耗是额定电流下与参考温度下的负载损耗。
展开些说,所谓额定电流是指一次侧分接位置必须是主分接,不能是其它分接的额定电流。
对参考温度而言,要看变压器的绝缘材料的耐热等级。
对油浸式变压器而言,不论是自冷、风冷或强油风冷,都有是A级绝缘材料,其参考温度是根据传统概念加以规定的,都是75℃。
1 变压器损耗大致为两项:铁损和线损。
其中铁损主要为变压器铁芯在工作时的磁滞损耗所造成的,其大小与电压相关较大,变压器空载还是带负载对于铁损影响不大;2 负载电流流过变压器线圈,由于线圈本身的电阻,将有一部分功率损耗在线圈中,这部分损耗为“线损”,电流越大,损耗越大,所以负荷越大,线损也越大;3 空载时,只有励磁电流流过变压器,所以线损很小;4 上述“铁损”和“线损”之和就是变压器的大部分损耗,负载时的线损与铁损之和就是变压器的负载损耗,而空载损耗意义也是如此。
相关知识:1)推广使用低损耗变压器(1)铁芯损耗的控制变压器损耗中的空载损耗,即铁损,主要发生在变压器铁芯叠片内,主要是因交变的磁力线通过铁芯产生磁滞及涡流而带来的损耗。
最早用于变压器铁芯的材料是易于磁化和退磁的软熟铁,为了克服磁回路中由周期性磁化所产生的磁阻损失和铁芯由于受交变磁通切割而产生的涡流,变压器铁芯是由铁线束制成,而不是由整块铁构成。
1900年左右,经研究发现在铁中加入少量的硅或铝可大大降低磁路损耗,增大导磁率,且使电阻率增大,涡流损耗降低。
经多次改进,用0.35mm厚的硅钢片来代替铁线制作变压器铁芯。
1903来世界各国都在积极研究生产节能材料,变压器的铁芯材料已发展到现在最新的节能材料——非晶态磁性材料如2605S2,非晶合金铁芯变压器便应运而生。
使用2605S2制作的变压器,其铁损仅为硅钢变压器的1/5,铁损大幅度降低。
变压器型号及参数大全1. 引言变压器是一种重要的电力设备,能够将交流电能以不同的电压进行转换。
在电力系统中广泛应用,对于电力传输和分配起着至关重要的作用。
本文将介绍常见的变压器型号及其相关参数,以便读者更好地了解和选择适合自己需求的变压器。
2. 型号分类根据不同的标准和用途,变压器可以分为多个不同的型号。
以下是常见的几种变压器型号的简要介绍:2.1. 功率变压器功率变压器主要用于输电和配电系统中,根据输电和配电路线的需求选择不同容量和电压等级的变压器。
常见的功率变压器型号有:•YD系列:单相变压器,适用于小型家庭和商业用途,功率范围在0.05kVA至2kVA之间。
•YB系列:三相变压器,适用于工业用途,功率范围在2kVA至12MVA之间。
•YZB系列:非屏蔽型三相变压器,适用于低压配电系统,功率范围在50kVA至10MVA之间。
2.2. 整流变压器整流变压器主要用于电力电子设备中的整流电路,将交流电转换为直流电。
常见的整流变压器型号有:•Z系列:单相整流变压器,适用于小功率的电子设备,如电子继电器和交流电机驱动器。
•ZU系列:单相自耦变压器,适用于大功率的电子设备,如电力电子变频器和电力调速器。
•ZK系列:三相整流变压器,适用于大型电力电子设备,如电弧炉和电力变频器。
2.3. 调压变压器调压变压器主要用于调整电力系统中的电压,以满足不同设备和用户的需求。
常见的调压变压器型号有:•ZSW系列:可自动调压的单相变压器,适用于电力系统中电压波动较大的地区。
•ZYW系列:可调节输出电压的单相变压器,适用于需要精确电压控制的设备。
•ZG系列:油浸可调电压变压器,适用于大型工业用途,如电弧炉和电焊机。
3. 参数说明变压器的参数决定了其性能和使用范围。
以下是常见的几个变压器参数及其说明:3.1. 额定容量变压器的额定容量是指它所能提供的最大功率输出。
通常以千伏安(kVA)为单位进行表示,表示变压器能够稳定工作的最大负载。
变压器参数及型号大全一览变压器bian ya qi利用电磁感应的原理来改变交流电压的装置,变压器研究报告指出:主要构件是初级线圈、次级线圈和铁心(磁芯)。
在电器设备和无线电路中,常用作升降电压、匹配阻抗,安全隔离等。
下面来看看变压器参数。
1 额定容量se:指变压器在出厂时铭牌标定的额定电压、额定电流下连续运行时能输送的容量,单位kva。
其计算公式为:三相变压器se=1.732ueie 单相变压器量se=ueie2、额定电压ue“指变压器长时间运行时所能承受的工作电压(铭牌上的ue 值,是指调压分接开关在中间分头时的额定电压);单位为kv。
3、额定电流ie:在额定容量se和允许温升条件下,允许长期通过的工作电流,单位为a。
4、短路电压ud%:也称阻抗电压(uk%),将变压器的二次绕组短路,一次侧施加电压,至额定电流值时,原边的电压和额定电压ue之比的百分数。
即:ud%=ud/ue;100%变压器的并列运行要求ud%值相同,当变压器二次侧短咱时,ud%值将决定短路电流大小,所以是考虑短路电流热稳定和动稳定及继电保护整定的重要依据。
5、空载电流i。
;当变压器在一次侧额定电压下,二次侧绕组空载时,在一次绕组中通过的电流,称空载电流。
它起变压器的激磁作用,故又称激磁电流;一般以其占额定电流的百分数表示。
空载电流的大小决定于变压器容量、磁路结构和硅钢片质量等。
6、空载损耗(铁损)δp0:指变压器二次侧开路,一次侧加额定电压时,变压器的损耗。
它等于变压器铁芯的涡流损耗和激磁损耗,是变压器的重要性能指标。
7、短路损耗(铜损)δpd:变压器的铁损包括两个方面。
一是磁滞损耗,当交流电流通过变压器时,通过变压器硅钢片的磁力线其方向和大小随之变化,使得硅钢片内部分子相互摩擦,放出热能,从而损耗了一部分电能,这便是磁滞损耗。
另一是涡流损耗,当变压器工作时。
铁芯中有磁力线穿过,在与磁力线垂直的平面上就会产生感应电流,由于此电流自成闭合回路形成环流,且成旋涡状,故称为涡流。
变压器行业10kV级S9、S11、S13系列变压器损耗参数对照表S13-M型全密封电力变压器主要技术参数负载损耗:即可变损失。
与通过的电流的平方成正比。
负载损耗是额定电流下与参考温度下的负载损耗。
展开些说,所谓额定电流是指一次侧分接位置必须是主分接,不能是其它分接的额定电流。
对参考温度而言,要看变压器的绝缘材料的耐热等级。
对油浸式变压器而言,不论是自冷、风冷或强油风冷,都有是A级绝缘材料,其参考温度是根据传统概念加以规定的,都是75℃。
1 变压器损耗大致为两项:铁损和线损。
其中铁损主要为变压器铁芯在工作时的磁滞损耗所造成的,其大小与电压相关较大,变压器空载还是带负载对于铁损影响不大;2 负载电流流过变压器线圈,由于线圈本身的电阻,将有一部分功率损耗在线圈中,这部分损耗为“线损”,电流越大,损耗越大,所以负荷越大,线损也越大;3 空载时,只有励磁电流流过变压器,所以线损很小;4 上述“铁损”和“线损”之和就是变压器的大部分损耗,负载时的线损与铁损之和就是变压器的负载损耗,而空载损耗意义也是如此。
相关知识:1)推广使用低损耗变压器(1)铁芯损耗的控制变压器损耗中的空载损耗,即铁损,主要发生在变压器铁芯叠片内,主要是因交变的磁力线通过铁芯产生磁滞及涡流而带来的损耗。
最早用于变压器铁芯的材料是易于磁化和退磁的软熟铁,为了克服磁回路中由周期性磁化所产生的磁阻损失和铁芯由于受交变磁通切割而产生的涡流,变压器铁芯是由铁线束制成,而不是由整块铁构成。
1900年左右,经研究发现在铁中加入少量的硅或铝可大大降低磁路损耗,增大导磁率,且使电阻率增大,涡流损耗降低。
经多次改进,用0.35mm厚的硅钢片来代替铁线制作变压器铁芯。
1903来世界各国都在积极研究生产节能材料,变压器的铁芯材料已发展到现在最新的节能材料——非晶态磁性材料如2605S2,非晶合金铁芯变压器便应运而生。
使用2605S2制作的变压器,其铁损仅为硅钢变压器的1/5,铁损大幅度降低。
变压器技术参数表序号名称卖方供应值一变压器基本技术参数1型式及型号2额定容量 (MVA)3 额定电压 (kV) 高压 / 低压4 额定电流 (A) 高压 / 低压5额定电压比 (kV)6短路阻抗 (%)7联系组标号8额定频率 (Hz)9绝缘耐热等级额定绝缘水平雷电冲击耐受电压峰值(kV) 高压侧(kV) 10 短时工频耐受电压有效值雷电冲击耐受电压峰值(kV) 低压侧(kV)短时工频耐受电压有效值空载耗费 (W)11耗费负载耗费 (W)75℃12效率 (%)13局部放电量 (pC)14无线电搅乱电压 (μV)15噪音水平 (dB)二其他技术要求1轨距( mm )(纵向×横向)2运输重( T)3总重( T)4变压器壳体外形尺寸( mm )长、宽、高SC10-20/10/2010/10±2×%/4Dyn1150F7535/51705005/42550×5501100*1000*1140一变压器基本技术参数1型式及型号2额定容量 (MVA)3 额定电压 (kV) 高压 / 低压4 额定电流 (A) 高压 / 低压5额定电压比 (kV)6短路阻抗 (%)7联系组标号8额定频率 (Hz)9绝缘耐热等级额定绝缘水平雷电冲击耐受电压峰值(kV) 高压侧10短时工频耐受电压有效值(kV)雷电冲击耐受电压峰值(kV) 低压侧短时工频耐受电压有效值(kV)空载耗费 (W)11耗费负载耗费 (W)75℃12效率 (%)13局部放电量 (pC)14无线电搅乱电压 (μV)15噪音水平 (dB)二其他技术要求1轨距( mm )(纵向×横向)2运输重( T)3总重( T)4变压器壳体外形尺寸( mm )长、宽、高SC10-30/10/3010/10±2×%/4Dyn1150F7535/51906105/44550*5501100*1000*1140一变压器基本技术参数1型式及型号2额定容量 (MVA)3 额定电压 (kV) 高压 / 低压4 额定电流 (A) 高压 / 低压5额定电压比 (kV)6短路阻抗 (%)7联系组标号8额定频率 (Hz)9绝缘耐热等级额定绝缘水平雷电冲击耐受电压峰值(kV) 高压侧10短时工频耐受电压有效值(kV)雷电冲击耐受电压峰值(kV) 低压侧短时工频耐受电压有效值(kV)空载耗费 (W)11耗费负载耗费 (W)75℃12效率 (%)13局部放电量 (pC)14无线电搅乱电压 (μV)15噪音水平 (dB)二其他技术要求1轨距( mm )(纵向×横向)2运输重( T)3总重( T)4变压器壳体外形尺寸( mm )长、宽、高SC10-50/10/5010/10±2×%/4Dyn1150F7535/52708605/44550*5501330*1100*1200一变压器基本技术参数1型式及型号2额定容量 (MVA)3 额定电压 (kV) 高压 / 低压4 额定电流 (A) 高压 / 低压5额定电压比 (kV)6短路阻抗 (%)7联系组标号8额定频率 (Hz)9绝缘耐热等级额定绝缘水平雷电冲击耐受电压峰值(kV) 高压侧10短时工频耐受电压有效值(kV)雷电冲击耐受电压峰值(kV) 低压侧短时工频耐受电压有效值(kV)空载耗费 (W)11耗费负载耗费 (W)75℃12效率 (%)13局部放电量 (pC)14无线电搅乱电压 (μV)15噪音水平 (dB)二其他技术要求1轨距( mm )(纵向×横向)2运输重( T)3总重( T)4变压器壳体外形尺寸( mm )长、宽、高SC10-63/10/6310/9110±2×%/4Dyn1150F7535/534011005/44550*5501450*1200*1280一变压器基本技术参数1型式及型号2额定容量 (MVA)3 额定电压 (kV) 高压 / 低压4 额定电流 (A) 高压 / 低压5额定电压比 (kV)6短路阻抗 (%)7联系组标号8额定频率 (Hz)9绝缘耐热等级额定绝缘水平雷电冲击耐受电压峰值(kV) 高压侧10短时工频耐受电压有效值(kV)雷电冲击耐受电压峰值(kV) 低压侧短时工频耐受电压有效值(kV)空载耗费 (W)11耗费负载耗费 (W)75℃12效率 (%)13局部放电量 (pC)14无线电搅乱电压 (μV)15噪音水平 (dB)二其他技术要求1轨距( mm )(纵向×横向)2运输重( T)3总重( T)4变压器壳体外形尺寸( mm )长、宽、高SC10-80/10/8010/10±2×%/4Dyn1150F7535/536012005/44550*5501450*1200*1280一变压器基本技术参数1型式及型号2额定容量 (MVA)3 额定电压 (kV) 高压 / 低压4 额定电流 (A) 高压 / 低压5额定电压比 (kV)6短路阻抗 (%)7联系组标号8额定频率 (Hz)9绝缘耐热等级额定绝缘水平雷电冲击耐受电压峰值(kV) 高压侧10短时工频耐受电压有效值(kV)雷电冲击耐受电压峰值(kV) 低压侧短时工频耐受电压有效值(kV)空载耗费 (W)11耗费负载耗费 (W)75℃12效率 (%)13局部放电量 (pC)14无线电搅乱电压 (μV)15噪音水平 (dB)二其他技术要求1轨距( mm )(纵向×横向)2运输重( T)3总重( T)4变压器壳体外形尺寸( mm )长、宽、高SC10-100/10/ 10010/10±2×%/4Dyn1150F7535/540013705/45550*5501500*1200*1300一变压器基本技术参数1型式及型号2额定容量 (MVA)3 额定电压 (kV) 高压 / 低压4 额定电流 (A) 高压 / 低压5额定电压比 (kV)6短路阻抗 (%)7联系组标号8额定频率 (Hz)9绝缘耐热等级额定绝缘水平雷电冲击耐受电压峰值(kV) 高压侧10短时工频耐受电压有效值(kV)雷电冲击耐受电压峰值(kV) 低压侧短时工频耐受电压有效值(kV)空载耗费 (W)11耗费负载耗费 (W)75℃12效率 (%)13局部放电量 (pC)14无线电搅乱电压 (μV)15噪音水平 (dB)二其他技术要求1轨距( mm )(纵向×横向)2运输重( T)3总重( T)4变压器壳体外形尺寸( mm )长、宽、高SC10-125/10/ 12510/10±2×%/4Dyn1150F7535/547016105/45820*8201500*1200*1300一变压器基本技术参数1型式及型号2额定容量 (MVA)3 额定电压 (kV) 高压 / 低压4 额定电流 (A) 高压 / 低压5额定电压比 (kV)6短路阻抗 (%)7联系组标号8额定频率 (Hz)9绝缘耐热等级额定绝缘水平雷电冲击耐受电压峰值(kV) 高压侧10短时工频耐受电压有效值(kV)雷电冲击耐受电压峰值(kV) 低压侧短时工频耐受电压有效值(kV)空载耗费 (W)11耗费负载耗费 (W)75℃12效率 (%)13局部放电量 (pC)14无线电搅乱电压 (μV)15噪音水平 (dB)二其他技术要求1轨距( mm )(纵向×横向)2运输重( T)3总重( T)4变压器壳体外形尺寸( mm )长、宽、高SCB10-160/10/ 16010/10±2×%/4Dyn1150F7535/554018505/46550*5501600*1250*1480一变压器基本技术参数1型式及型号2额定容量 (MVA)3 额定电压 (kV) 高压 / 低压4 额定电流 (A) 高压 / 低压5额定电压比 (kV)6短路阻抗 (%)7联系组标号8额定频率 (Hz)9绝缘耐热等级额定绝缘水平雷电冲击耐受电压峰值(kV) 高压侧10短时工频耐受电压有效值(kV)雷电冲击耐受电压峰值(kV) 低压侧短时工频耐受电压有效值(kV)空载耗费 (W)11耗费负载耗费 (W)75℃12效率 (%)13局部放电量 (pC)14无线电搅乱电压 (μV)15噪音水平 (dB)二其他技术要求1轨距( mm )(纵向×横向)2运输重( T)3总重( T)4变压器壳体外形尺寸( mm )长、宽、高SCB10-200/10/ 20010/10±2×%/4Dyn1150F7535/562022005/43660*6601600*1250*1480一变压器基本技术参数1型式及型号2额定容量 (MVA)3 额定电压 (kV) 高压 / 低压4 额定电流 (A) 高压 / 低压5额定电压比 (kV)6短路阻抗 (%)7联系组标号8额定频率 (Hz)9绝缘耐热等级额定绝缘水平雷电冲击耐受电压峰值(kV) 高压侧10短时工频耐受电压有效值(kV)雷电冲击耐受电压峰值(kV) 低压侧短时工频耐受电压有效值(kV)空载耗费 (W)11耗费负载耗费 (W)75℃12效率 (%)13局部放电量 (pC)14无线电搅乱电压 (μV)15噪音水平 (dB)二其他技术要求1轨距( mm )(纵向×横向)2运输重( T)3总重( T)4变压器壳体外形尺寸( mm )长、宽、高SCB10-250/10/ 25010/36110±2×%/4Dyn1150F7535/572024005/43660*6601710*1250*1670序号名称卖方供应值一变压器基本技术参数1型式及型号2额定容量 (MVA)3 额定电压 (kV) 高压 / 低压4 额定电流 (A) 高压 / 低压5额定电压比 (kV)6短路阻抗 (%)7联系组标号8额定频率 (Hz)9绝缘耐热等级额定绝缘水平雷电冲击耐受电压峰值(kV) 高压侧(kV) 10 短时工频耐受电压有效值雷电冲击耐受电压峰值(kV) 低压侧(kV)短时工频耐受电压有效值空载耗费 (W)11耗费负载耗费 (W)75℃12效率 (%)13局部放电量 (pC)14无线电搅乱电压 (μV)15噪音水平 (dB)二其他技术要求1轨距( mm )(纵向×横向)2运输重( T)3总重( T)4变压器壳体外形尺寸( mm )长、宽、高SCB10-315/10/ 31510/45510±2×%/4Dyn1150F7535/588030305/44660*6601750*1250*1550一变压器基本技术参数1型式及型号2额定容量 (MVA)3 额定电压 (kV) 高压 / 低压4 额定电流 (A) 高压 / 低压5额定电压比 (kV)6短路阻抗 (%)7联系组标号8额定频率 (Hz)9绝缘耐热等级额定绝缘水平雷电冲击耐受电压峰值(kV) 高压侧10短时工频耐受电压有效值(kV)雷电冲击耐受电压峰值(kV) 低压侧短时工频耐受电压有效值(kV)空载耗费 (W)11耗费负载耗费 (W)75℃12效率 (%)13局部放电量 (pC)14无线电搅乱电压 (μV)15噪音水平 (dB)二其他技术要求1轨距( mm )(纵向×横向)2运输重( T)3总重( T)4变压器壳体外形尺寸( mm )长、宽、高SCB10-400/10/ 40010/10±2×%/4Dyn1150F7535/597034805/44660*6601800*1250*1600一变压器基本技术参数1型式及型号2额定容量 (MVA)3 额定电压 (kV) 高压 / 低压4 额定电流 (A) 高压 / 低压5额定电压比 (kV)6短路阻抗 (%)7联系组标号8额定频率 (Hz)9绝缘耐热等级额定绝缘水平雷电冲击耐受电压峰值(kV) 高压侧10短时工频耐受电压有效值(kV)雷电冲击耐受电压峰值(kV) 低压侧短时工频耐受电压有效值(kV)空载耗费 (W)11耗费负载耗费 (W)75℃12效率 (%)13局部放电量 (pC)14无线电搅乱电压 (μV)15噪音水平 (dB)二其他技术要求1轨距( mm )(纵向×横向)2运输重( T)3总重( T)4变压器壳体外形尺寸( mm )长、宽、高SCB10-500/10/ 50010/10±2×%/4Dyn1150F7535/5116042605/46660*6601850*1250*1650一变压器基本技术参数1型式及型号2额定容量 (MVA)3 额定电压 (kV) 高压 / 低压4 额定电流 (A) 高压 / 低压5额定电压比 (kV)6短路阻抗 (%)7联系组标号8额定频率 (Hz)9绝缘耐热等级额定绝缘水平雷电冲击耐受电压峰值(kV) 高压侧10短时工频耐受电压有效值(kV)雷电冲击耐受电压峰值(kV) 低压侧短时工频耐受电压有效值(kV)空载耗费 (W)11耗费负载耗费 (W)75℃12效率 (%)13局部放电量 (pC)14无线电搅乱电压 (μV)15噪音水平 (dB)二其他技术要求1轨距( mm )(纵向×横向)2运输重( T)3总重( T)4变压器壳体外形尺寸( mm )长、宽、高SCB10-630/10/ 63010/10±2×%/6Dyn1150F7535/5129052005/47660*6601900*1350*1750一变压器基本技术参数1型式及型号2额定容量 (MVA)3 额定电压 (kV) 高压 / 低压4 额定电流 (A) 高压 / 低压5额定电压比 (kV)6短路阻抗 (%)7联系组标号8额定频率 (Hz)9绝缘耐热等级额定绝缘水平雷电冲击耐受电压峰值(kV) 高压侧10短时工频耐受电压有效值(kV)雷电冲击耐受电压峰值(kV) 低压侧短时工频耐受电压有效值(kV)空载耗费 (W)11耗费负载耗费 (W)75℃12效率 (%)13局部放电量 (pC)14无线电搅乱电压 (μV)15噪音水平 (dB)二其他技术要求1轨距( mm )(纵向×横向)2运输重( T)3总重( T)4变压器壳体外形尺寸( mm )长、宽、高SCB10-800/10/ 80010/10±2×%/6Dyn1150F7535/5152060705/48820*8202000*1400*1850一变压器基本技术参数1型式及型号2额定容量 (MVA)3 额定电压 (kV) 高压 / 低压4 额定电流 (A) 高压 / 低压5额定电压比 (kV)6短路阻抗 (%)7联系组标号8额定频率 (Hz)9绝缘耐热等级额定绝缘水平雷电冲击耐受电压峰值(kV) 高压侧10短时工频耐受电压有效值(kV)雷电冲击耐受电压峰值(kV) 低压侧短时工频耐受电压有效值(kV)空载耗费 (W)11耗费负载耗费 (W)75℃12效率 (%)13局部放电量 (pC)14无线电搅乱电压 (μV)15噪音水平 (dB)二其他技术要求1轨距( mm )(纵向×横向)2运输重( T)3总重( T)4变压器壳体外形尺寸( mm )长、宽、高SCB10-1000/10/ 100010/10±2×%/6Dyn1150F7535/5176071005/48820*82002100*1400*1900一变压器基本技术参数1型式及型号2额定容量 (MVA)3 额定电压 (kV) 高压 / 低压4 额定电流 (A) 高压 / 低压5额定电压比 (kV)6短路阻抗 (%)7联系组标号8额定频率 (Hz)9绝缘耐热等级额定绝缘水平雷电冲击耐受电压峰值(kV) 高压侧10短时工频耐受电压有效值(kV)雷电冲击耐受电压峰值(kV) 低压侧短时工频耐受电压有效值(kV)空载耗费 (W)11耗费负载耗费 (W)75℃12效率 (%)13局部放电量 (pC)14无线电搅乱电压 (μV)15噪音水平 (dB)二其他技术要求1轨距( mm )(纵向×横向)2运输重( T)3总重( T)4变压器壳体外形尺寸( mm )长、宽、高SCB10-1250/10/ 125010/10±2×%/6Dyn1150F7535/5208084605/48820*82002100*1400*2050一变压器基本技术参数1型式及型号2额定容量 (MVA)3 额定电压 (kV) 高压 / 低压4 额定电流 (A) 高压 / 低压5额定电压比 (kV)6短路阻抗 (%)7联系组标号8额定频率 (Hz)9绝缘耐热等级额定绝缘水平雷电冲击耐受电压峰值(kV) 高压侧10短时工频耐受电压有效值(kV)雷电冲击耐受电压峰值(kV) 低压侧短时工频耐受电压有效值(kV)空载耗费 (W)11耗费负载耗费 (W)75℃12效率 (%)13局部放电量 (pC)14无线电搅乱电压 (μV)15噪音水平 (dB)二其他技术要求1轨距( mm )(纵向×横向)2运输重( T)3总重( T)4变压器壳体外形尺寸( mm )长、宽、高SCB10-1600/10/ 160010/10±2×%/6Dyn1150F7535/52440102405/48820*8202200*1450*2050一变压器基本技术参数1型式及型号2额定容量 (MVA)3 额定电压 (kV) 高压 / 低压4 额定电流 (A) 高压 / 低压5额定电压比 (kV)6短路阻抗 (%)7联系组标号8额定频率 (Hz)9绝缘耐热等级额定绝缘水平雷电冲击耐受电压峰值(kV) 高压侧10短时工频耐受电压有效值(kV)雷电冲击耐受电压峰值(kV) 低压侧短时工频耐受电压有效值(kV)空载耗费 (W)11耗费负载耗费 (W)75℃12效率 (%)13局部放电量 (pC)14无线电搅乱电压 (μV)15噪音水平 (dB)二其他技术要求1轨距( mm )(纵向×横向)2运输重( T)3总重( T)4变压器壳体外形尺寸( mm )长、宽、高SCB10-2000/10/ 200010/10±2×%/6Dyn1150F7535/53320126205/491070*1070 2450*1600*2100一变压器基本技术参数1型式及型号2额定容量 (MVA)3 额定电压 (kV) 高压 / 低压4 额定电流 (A) 高压 / 低压5额定电压比 (kV)6短路阻抗 (%)7联系组标号8额定频率 (Hz)9绝缘耐热等级额定绝缘水平雷电冲击耐受电压峰值(kV) 高压侧10短时工频耐受电压有效值(kV)雷电冲击耐受电压峰值(kV) 低压侧短时工频耐受电压有效值(kV)空载耗费 (W)11耗费负载耗费 (W)75℃12效率 (%)13局部放电量 (pC)14无线电搅乱电压 (μV)15噪音水平 (dB)二其他技术要求1轨距( mm )(纵向×横向)2运输重( T)3总重( T)4变压器壳体外形尺寸( mm )长、宽、高SCB10-2500/10/ 250010/10±2×%/6Dyn1150F7535/54000149005/501070*1070 2500*1600*2200一变压器基本技术参数1型式及型号2额定容量 (MVA)3 额定电压 (kV) 高压 / 低压4 额定电流 (A) 高压 / 低压5额定电压比 (kV)6短路阻抗 (%)7联系组标号8额定频率 (Hz)9绝缘耐热等级额定绝缘水平雷电冲击耐受电压峰值(kV) 高压侧(kV) 10 短时工频耐受电压有效值雷电冲击耐受电压峰值(kV) 低压侧(kV)短时工频耐受电压有效值空载耗费 (W)11耗费负载耗费 (W)12效率 (%)13局部放电量 (pC)14无线电搅乱电压 (μV)15噪音水平 (dB)二其他技术要求1轨距( mm )(纵向×横向)2运输重( T)3总重( T)4变压器壳体外形尺寸( mm )长、宽、高SC10-400/10/10kV 40010/1010±2×%/104Dyn1150F75357535106058005/55660*6601750*1250*1750一变压器基本技术参数1型式及型号2额定容量 (MVA)3 额定电压 (kV) 高压 / 低压4 额定电流 (A) 高压 / 低压5额定电压比 (kV)6短路阻抗 (%)7联系组标号8额定频率 (Hz)9绝缘耐热等级额定绝缘水平雷电冲击耐受电压峰值(kV) 高压侧(kV) 10 短时工频耐受电压有效值雷电冲击耐受电压峰值(kV) 低压侧(kV)短时工频耐受电压有效值空载耗费 (W)11耗费负载耗费 (W)12效率 (%)13局部放电量 (pC)14无线电搅乱电压 (μV)15噪音水平 (dB)二其他技术要求1轨距( mm )(纵向×横向)2运输重( T)3总重( T)4变压器壳体外形尺寸( mm )长、宽、高SC10-500/10/10kV 50010/1010±2×%/104Dyn1150F75357535126069005/55820*8201790*1250*1800一变压器基本技术参数1型式及型号2额定容量 (MVA)3 额定电压 (kV) 高压 / 低压4 额定电流 (A) 高压 / 低压5额定电压比 (kV)6短路阻抗 (%)7联系组标号8额定频率 (Hz)9绝缘耐热等级额定绝缘水平雷电冲击耐受电压峰值(kV) 高压侧(kV) 10 短时工频耐受电压有效值雷电冲击耐受电压峰值(kV) 低压侧(kV)短时工频耐受电压有效值空载耗费 (W)11耗费负载耗费 (W)12效率 (%)13局部放电量 (pC)14无线电搅乱电压 (μV)15噪音水平 (dB)二其他技术要求1轨距( mm )(纵向×横向)2运输重( T)3总重( T)4变压器壳体外形尺寸( mm )长、宽、高SC10-630/10/10kV 63010/1010±2×%/10Dyn1150F75357535124085005/56820*8201850*1400*1880序号名称卖方供应值一变压器基本技术参数1型式及型号2额定容量 (MVA)3 额定电压 (kV) 高压 / 低压4 额定电流 (A) 高压 / 低压5额定电压比 (kV)6短路阻抗 (%)7联系组标号8额定频率 (Hz)9绝缘耐热等级额定绝缘水平雷电冲击耐受电压峰值(kV) 高压侧(kV) 10 短时工频耐受电压有效值雷电冲击耐受电压峰值(kV) 低压侧(kV)短时工频耐受电压有效值空载耗费 (W)11耗费负载耗费 (W)12效率 (%)13局部放电量 (pC)14无线电搅乱电压 (μV)15噪音水平 (dB)二其他技术要求1轨距( mm )(纵向×横向)2运输重( T)3总重( T)4变压器壳体外形尺寸( mm )长、宽、高SC10-800/10/10kV 80010/1010±2×%/106Dyn1150F75357535160064605/56820*8201850*1450*1950序号名称卖方供应值一变压器基本技术参数1型式及型号2额定容量 (MVA)3 额定电压 (kV) 高压 / 低压4 额定电流 (A) 高压 / 低压5额定电压比 (kV)6短路阻抗 (%)7联系组标号8额定频率 (Hz)9绝缘耐热等级额定绝缘水平雷电冲击耐受电压峰值(kV) 高压侧(kV) 10 短时工频耐受电压有效值雷电冲击耐受电压峰值(kV) 低压侧(kV)短时工频耐受电压有效值空载耗费 (W)11耗费负载耗费 (W)12效率 (%)13局部放电量 (pC)14无线电搅乱电压 (μV)15噪音水平 (dB)二其他技术要求1轨距( mm )(纵向×横向)2运输重( T)3总重( T)4变压器壳体外形尺寸( mm )长、宽、高SC10-1000/10/10kV 100010/1010±2×%/106Dyn1150F75357535192076405/57820*8201900*1500*2040。
变压器的型号命名方法国产变压器型号命名由三部分组成,各部分的含义见表13。
第一部分用字母表示变压器的主称。
第二部分用数字表示变压器的额定功率。
第三部分用数字表示序号。
表13 变压器的型号命名及含义(1)中频变压器的命名方法晶体管收音机(调幅) 中的中频变压器命名方法由三部分组成:第一部分:主称,用几个字母组合表示名称、特征、用途。
第二部分:外形尺寸,用数字表示。
第三部分:序号,用数字表示。
"1"表示第一中放电用中频变压器,"2"表示第二中放电路用中频变压器;"3"表示和三中放电路用中频变压器,型号中的主称所用字母、外形尺寸所用数字的意义,如表1所示.表1所示中频变压器型号主称用字母与外形尺寸用数字的意义表例如:ttf一1一1表示调幅收音机用的磁性瓷心式中频变压器,外形尺寸为7x7x12,是第一级中放用中频变压器。
(2)低频变压器的型号命名方法低频变压器的型号命名法由三部分组成:第一部分:主称,用字母表示。
第二部分:功率,用数字表示。
第三部分:序号,用数字表示。
表2是低频变压器型号主称所用字母的意义。
表2所示型号中主称所用字母的含义例如:db一20一3表示2ow的电源变压器。
高频变压器技术参数类型规格功率衰耗工作频率Type Specification Power Loss Work FreqencyEP变压器EP TYPE TRANSFORMER EP20 ≤ 1W 20-500KHz EP17 ≤ 0.7W 20-500KHz EP13 ≤ 0.5W 20-500KHz EP10 ≤ 0.3W 20-500KHz EP7 ≤ 0.2W 20-500KHz类型规格传输功率工作频率Type Specification TransmissionPowerWork FreqencyETD型变压器ETD-TYPE ETD59 ≥ 350W 10-500KHz ETD54 ≥ 300W 10-500KHz ETD49 ≥ 260W 10-500KHz。