方形铝扣板吊顶施工工艺标准(附示意图)
- 格式:doc
- 大小:3.24 MB
- 文档页数:7
二、操作工艺1、弹线用水准仪在房间内每个墙(柱)角上抄出水平点(若墙体较长,中间也应适当抄几个点),弹出水准线(水准线距地面一般为500 mm),从水准线量至吊顶设计高度加上12 mm(一层石膏板的厚度),用粉线沿墙(柱)弹出水准线,即为吊顶次龙骨的下皮线。
同时,按吊顶平面图,在混凝土顶板弹出主龙骨的位置。
主龙能应从吊顶中心向两边分,最大间距为1000 mm,并标出吊杆的固定点,吊杆的固定点间距900-1000 mm。
如遇到梁和管道固定点大于设计和规程要求,应增加吊杆的固定点。
2、固定吊挂杆件采用膨胀螺栓固定吊挂杆件。
不上人的吊顶,吊杆长度小于1000 mm,可以采用Φ6的吊杆,如果大于1000 mm,应采用Φ8的吊杆,还应设置反向支撑。
吊杆可以采用冷拔钢筋和盘圆钢筋,但采用盘圆钢筋应采用机械将其拉直。
上人的吊顶,吊杆长度小于1000 mm,可以采用Φ8的吊杆,如果大于1000 mm,应采用Φ10的吊杆,还应设置反向支撑。
吊杆的一端同L30*30*3角码焊接(角码的孔径应根据吊杆和膨胀螺栓的直径确定),另一端可以用攻丝套出大于100 mm 的丝杆,也可以买成品丝杆焊接。
制作好的吊杆应做防锈处理,吊杆用膨胀螺栓固定在楼板上,用冲击电锤打孔,孔径应稍大于膨胀螺栓的直径。
3、在梁上设置吊挂杆件吊挂杆件应通直并有足够的承载能力。
当预埋的杆件需要接长时,必须搭接焊牢,焊缝要均匀饱满。
吊杆距主龙骨端部距离不得超过300 mm,否则应增加吊杆。
吊顶灯具、风口及检修口等应设附加吊杆。
4、安装边龙骨边龙骨的安装应按设计要求弹线,沿墙(柱)上的水平龙骨线把L形镀锌轻钢条用自攻螺丝固定在预埋木砖上;如为混凝土墙(柱),可用射钉固定,射钉间距应不大于吊顶次龙骨的间距。
5、安装主龙骨主龙骨应吊挂在吊杆上。
主龙骨间距900-1000 mm。
主龙骨分为轻钢龙骨和T形龙骨。
轻钢龙骨可选用UC50中龙骨和UC38小龙骨。
主龙骨应平行房间长向安装,同时应起拱,起拱高度为房间跨度的1/200-1/300。
二、操作工艺
1、弹线
用水准仪在房间内每个墙(柱)角上抄出水平点(若墙体较长,中间也应适当抄几个点),弹出水准线(水准线距地面一般为500mm),从水准线量至吊顶设计高度加上12mm(一层石膏板的厚度),用粉线沿墙(柱)弹出水准线,即为吊顶次龙
2
Φ6
3、在梁上设置吊挂杆件
吊挂杆件应通直并有足够的承载能力。
当预埋的杆件需要接长时,必须搭接焊牢,焊缝要均匀饱满。
吊杆距主龙骨端部距离不得超过300mm,否则应增加吊杆。
吊顶灯具、风口及检修口等应设附加吊杆。
4、安装边龙骨
边龙骨的安装应按设计要求弹线,沿墙(柱)上的水平龙骨线把L形镀锌轻钢条用自攻螺丝固定在预埋木砖上;如为混凝土墙(柱),可用射钉固定,射钉间距应不大于吊顶次龙骨的间距。
5、安装主龙骨
T形
,
固。
6
300-600mm。
次龙骨分为T形烤漆龙骨、T形铝合金龙骨,和各种条形扣板厂家配带的专用龙骨。
用T形镀锌铁片连接件把次龙骨固定在主龙骨上时,次龙骨的两端应搭在L形边龙骨的水平翼缘上,条形扣板有专用的阴角线做边龙骨。
7、罩面板安装
扣板安装
规格一般为100mm*100mm;150mm*150mm;200*mm200mm;600mm*600mm等多种方形塑料板,还有宽度为100mm;150mm;200mm;300mm;600mm等多种条形塑料板;一般用卡具将饰面板板材卡在龙骨上。
铝扣板吊顶工程施工技术和标准一、施工准备(一)作业条件1、安装完顶棚内的各种管线及设备,确定好灯位、通风口及各种照明孔口的位置。
2、顶棚罩面板安装前,应作完墙、地湿作业工程项目。
3、搭好顶棚施工操作平台架子。
4、轻钢骨架顶棚在大面积施工前,应做样板间,对顶棚的起拱度、灯槽、窗帘盒、通风口等处进行构造处理,经鉴定后再大面积施工。
(二)材质准备铝合金方板板材、龙骨、吊杆等。
(三)施工机具冲击钻、无齿锯、钢锯、射钉枪、刨子、螺丝刀、吊线锤、角尺、锤子、水平尺、白线、墨斗等。
二、质量要求具体要求参照本节“石膏板吊顶”相应部分。
三、工艺流程基层弹线→安装吊杆→安装主龙骨→安装边龙骨→安装次龙骨→安装铝合金方板→饰面清理→分项、检验批验收四、施工工艺1、弹线:根据楼层标高水平线,按照设计标高,沿墙四周弹顶棚标高水平线,并找出房间中心点,并沿顶棚的标高水平线,以房间中心点为中心在墙上画好龙骨分档位置线。
2、安装主龙骨吊杆:在弹好顶棚标高水平线及龙骨位置线后,确定吊杆下端头的标高,安装预先加工好的吊杆,吊杆安装用φ8膨胀螺栓固定在顶棚上。
吊杆选用φ8圆钢,吊筋间距控制在1200mm范围内。
3、安装主龙骨:主龙骨一般选用C38轻钢龙骨,间距控制在1200mm范围内。
安装时采用与主龙骨配套的吊件与吊杆连接。
4、安装边龙骨:按天花净高要求在墙四周用水泥钉固定25×25mm烤漆龙骨,水泥钉间距不大于300mm。
5、安装次龙骨:根据铝扣板的规格尺寸,安装与板配套的次龙骨,次龙骨通过吊挂件吊挂在主龙骨上。
当次龙骨长度需多根延续接长时,用次龙骨连接件,在吊挂次龙骨的同时,将相对端头相连接,并先调直后固定。
6、安装金属板:铝扣板安装时在装配面积的中间位置垂直次龙骨方向拉一条基准线,对齐基准线向两边安装。
安装时,轻拿轻放,必须顺着翻边部位顺序将方板两边轻压,卡进龙骨后再推紧。
7、清理:铝扣板安装完后,需用布把板面全部擦拭干净,不得有污物及手印等。
铝扣板吊顶工程施工工艺一、施工准备(一)作业条件1、安装完顶棚内的各种管线及设备,确定好灯位、通风口及各种照明孔口的位置。
2、顶棚罩面板安装前,应作完墙、地湿作业工程项目.3、搭好顶棚施工操作平台架子。
4、轻钢骨架顶棚在大面积施工前,应做样板间,对顶棚的起拱度、灯槽、窗帘盒、通风口进行的构造处理,经鉴定后再大面积施工。
(二)材料准备铝合金方板板材、龙骨、吊杆等(三)施工工具冲击钻、无齿锯、钢锯、射钉枪、刨子、螺丝刀、吊线锤、角尺、锤子、水平尺、白线、墨斗等二、质量要求符合《建筑装饰装修工程质量验收规范》(GB350210-2001)的规定三、工艺流程基层弹线——安装吊杆—-安装主龙骨——安装边龙骨——安装次龙骨——安装铝合金方板——饰面清理——分项、检验批验收四、施工工艺1、弹线:根据楼层标高水平线,按照设计标高,沿墙四周弹顶棚标高水平线,并找出房间中心点,并沿顶棚的标高水平线,以房间中心点为中心在墙上画好龙骨分档位置线.2、安装主龙骨吊杆:在弹好顶棚标高水平线及龙骨位置线后,确定吊杆下端头的标高,安装预先加工好的吊杆,吊杆安装用膨胀螺栓固定在顶棚上,吊杆选用Φ8钢筋,吊筋间距控制在1200mm范围内。
3、安装主龙骨:主龙骨一般选用C38轻钢龙骨,间距控制在1200mm范围内,安装时采用与主龙骨配套的吊件与吊杆连接。
4、安装边龙骨:按天花净高要求在墙四周用水泥钉固定25*25mm烤漆龙骨,水泥钉间距不大于300mm。
5、安装次龙骨:根据铝扣板的规格尺寸,安装与板配套的次龙骨,次龙骨通过吊挂件吊挂在主龙骨上,当次龙骨长度需多根延续接长时,用次龙骨连接件,在吊挂次龙骨的同时,将相对端头相连接,并先调直后固定。
6、安装金属板:铝扣板安装时在装配面积的中间位置垂直次龙骨方向拉一条基准线,对齐基准线向两边安装。
安装时,轻拿轻放,必须顺着翻边部位顺序将方板两边轻压,卡进龙骨后再推紧。
7、清理:铝扣板安装完后,需用布把板面全部擦拭干净,不得有污物及手印等。
3.1 铝合金方板吊顶3.1.1 施工准备1、材料准备罩面板按设计要求选用,材料的品种、规格、质量应符合设计要求。
2、主要机具:电锯、无齿锯、射钉枪、手锯、手刨子、钳子、螺丝刀、扳子、方尺、钢尺、钢水平等。
3、作业条件:(1)结构施工时,应在现浇混凝土楼板中,按设计要求间距预埋φ10钢筋吊杆,间距≦1200mm。
(2)安装完顶棚内的各种管线及设备,确定好灯位、通风口及各种露明孔口位置。
(3)顶棚罩面板安装前,应做完墙、地湿作业工程项目。
(4)搭好顶棚施工操作手台架子。
3.1.2 工艺流程:弹顶棚标高水平线→划龙骨分档线→安装主龙骨吊杆→安装主龙骨→安装次龙骨→安装罩面板→刷防锈漆3.1.3 操作工艺1、弹顶棚标高水平线:根据楼层标高水平线,用尺竖向量至顶棚设计标高,沿墙、往四周弹顶棚标高水平线。
2、划龙骨分档线:按设计要求的主、次龙骨间距布置,在已弹好的顶棚标高水平线上划龙骨分档线。
3、安装主龙骨吊杆:弹好顶棚标高水平线及龙骨分档位置线后,确定吊杆下端头的标高,按主龙骨位置及吊挂间距,将吊杆无螺栓丝扣的一端与楼板预埋钢筋连接固定。
4、安装主龙骨(1)配装吊杆螺母。
(2)在主龙骨上安装吊挂件。
(3)安装主龙骨:将组装好吊挂件的主龙骨,按分档线位置使吊挂件穿入相应的吊杯螺栓,拧好像母。
(4)主龙骨相接处装好连接件,拉线调整标高、起拱和平直。
(5)安装洞口附加主龙骨,按图集相应节点构造,设置连接卡固件。
(6)钉固边龙骨,采用射钉固定。
设计无要求时,射钉间距为1000mm。
5、安装次龙骨(1)按已弹好的次龙骨分档线,卡放次龙骨吊挂件。
(2)吊挂次龙骨:按设计规定的次龙骨间距,将次龙骨通过吊挂件吊挂在大龙骨上,设计无要求时,一般间距为500mm~600mm。
(3)当次龙骨长度需多根延续接长时,用次龙骨连接件,在吊挂次龙骨的同时相接,调整固定。
(4)次龙骨的卡档龙骨应在安装罩面板时,每装一块罩面板先后各装一根卡档次龙骨。
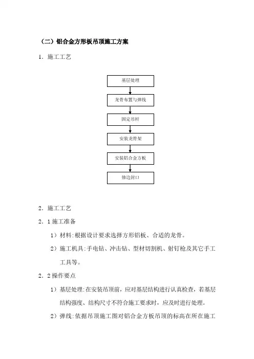
(二)铝合金方形板吊顶施工方案
1.施工工艺
2.施工工艺
2.1施工准备
1)材料:根据设计要求选择方形铝板、合适的龙骨。
2)施工机具:手电钻、冲击钻、型材切割机、射钉枪及其它手工工具等。
2.2操作要点
1)基层处理:在安装吊顶前,应对基层结构进行认真检查,若基层结构强度、结构尺寸不符合施工要求时,应及时进行处理。
2)弹线:依据吊顶施工图对铝合金方板吊顶的标高在所在施工
墙面弹出水平控制线,为保证吊顶饰面的完整性和可安装可靠性(板块组合的图案要完整,四周留边尺寸要对称或均匀),根据铝合金板的尺寸规格,以及吊顶面积尺寸来安排吊顶骨架的结构尺寸,将安排布置好的龙骨架位置线画在标高线上边。
3)固定吊杆:铝合金方板吊顶采用简易伸缩φ8吊杆、φ8膨胀螺丝固定采用焊接方式。
4)安装、调平龙骨架:施工中为保证吊顶面的平整度,安装龙骨架时从一端开始,边安装边调节,最后再统一调平。
5)铝合金板块的安装:铝合金板的安装采用M5自攻螺丝钉固定,安装时应整体安排布置线,从一个方向开始依次安装。
安装时应轻拿轻放,保护面板不受损失、刮伤.。
铝合金方板吊顶施工1。
操作工艺(1)吊顶顶棚工艺流程:施工准备→吊杆制作→弹吊顶标高水平线→弹、划龙骨分档线→安装龙骨吊杆→安装主龙骨→吊装窗帘盒→安装次龙骨→安装罩面板。
1)根据每个房间的具体尺寸结合设计吊顶蓝图进行再细化翻样,原则是以房间中划十字线往四周边返(明龙骨吊顶板及暗龙骨的铝扣板均不能出现小于半块板的现象),房间内有独立框架时,板缝(明龙骨)必须赶在柱边,出现非整板时用两块板切割拼缝,明龙骨拼接在柱中位置.柱与柱之间出现小于半板时也用两块板拼接,到墙边亦同。
灯具、喷淋头、烟感、通风口、检修口位置要求对称、适中、一条线,经审核无误后再进行施工.2)吊杆制作:本工程吊杆现场加工制作,吊杆长≤1.4m 采用ф6 钢筋加工,1。
4<吊杆≤2.5m 采用ф8 钢筋加工。
吊杆一端套丝扣80mm 长,另一端焊在40×40×4 长40mm 的角铁上,角铁钻ф8孔.加工完毕随即除锈刷防锈漆,按型号分别摆放晾干并按使用部位编号。
3)弹顶棚标高水平线:根据各楼层500mm 水平标高线,用尺竖向量至顶棚设计标高,沿墙、柱四周用细线红土子弹顶棚标高水平线,其水平允许误差±3mm。
4)弹、划龙骨分档线:按主龙骨间距≤1。
2m 在顶棚上弹出主龙骨位置线在已弹好的顶棚标高水平线上根据图示罩面板的尺寸划出主、次龙骨档线.拉线找出风口等具体位置以便确定吊点位置。
5)安装主龙骨吊杆:弹好顶棚标高水平线及龙骨位置线后根据吊杆型号,按主龙骨位置及吊挂间距,将有角铁吊杆端部与顶棚预埋铁件焊牢,焊接要求均匀饱满焊缝长度≥40mm.当铁件预埋位置不能满足吊点尺寸时采用M6 胀管螺栓与顶板固定,有预应力筋楼板利用探测仪器,先进行探测后再打孔,避免碰伤钢筋。
遇到风道、设备管线等吊点间距不能满足≤1。
2m 时,增加40×40×4 角钢横梁处理。
吊杆距主龙骨端部不得超过300mm,否则应增设吊杆.安装龙骨前所有焊点均要除药皮刷二遍防锈漆。
(二)铝合金方形板吊顶施工方案
1.施工工艺
2.施工工艺
2.1施工准备
1)材料:根据设计要求选择方形铝板、合适的龙骨。
2)施工机具:手电钻、冲击钻、型材切割机、射钉枪及其它手工工具等。
2.2操作要点
1)基层处理:在安装吊顶前,应对基层结构进行认真检查,若基层结构强度、结构尺寸不符合施工要求时,应及时进行处理。
2)弹线:依据吊顶施工图对铝合金方板吊顶的标高在所在施工
墙面弹出水平控制线,为保证吊顶饰面的完整性和可安装可靠性(板块组合的图案要完整,四周留边尺寸要对称或均匀),根据铝合金板的尺寸规格,以及吊顶面积尺寸来安排吊顶骨架的结构尺寸,将安排布置好的龙骨架位置线画在标高线上边。
3)固定吊杆:铝合金方板吊顶采用简易伸缩φ8吊杆、φ8膨胀螺丝固定采用焊接方式。
4)安装、调平龙骨架:施工中为保证吊顶面的平整度,安装龙骨架时从一端开始,边安装边调节,最后再统一调平。
5)铝合金板块的安装:铝合金板的安装采用M5自攻螺丝钉固定,安装时应整体安排布置线,从一个方向开始依次安装。
安装时应轻拿轻放,保护面板不受损失、刮伤。
第节方形铝扣板吊顶施工工艺标准1.分项工程简介及适用范围方形铝扣板有很多规格,包括板材的面板宽度、厚度、折边的高度等。
方形铝扣板分为表面有冲孔和平面两种。
表面冲孔可以通气吸音,扣板内部铺一层薄膜软垫,潮气可透过冲孔被薄膜吸收,所以它最适合水分较多的厨房和卫生间使用。
市面上一般规格多为600mm×600mm和300mm×300mm方形铝扣板,也可根据设计要求定制不同规格的产品。
方形铝扣板吊顶具有耐腐蚀,耐衰变,易清洁,优雅大方,安装容易,检修方便等优点。
可广泛用于机场、宾馆、办公楼、写字楼、商场、车站、厨房间、卫生间、大型会场及家居等场所天花装饰。
2.施工准备2.1.技术准备及要求1)方形铝扣板吊顶在大面积施工前,应做样板间,对顶棚的起拱度、灯槽、窗帘盒、通风口进行构造处理,经鉴定后再大面积施工。
2)方形铝扣板吊顶工程在施工前应熟悉施工图纸及设计说明书,并应熟悉施工现场情况。
3)深化设计图纸已完成,并通过审批。
4)施工方案已编制完成,并通过审批。
5)所需要的技术人员已到位,并具有上岗证书。
2.2.材料准备及要求2.2.1.材料种类1)面层材料:按设计要求选用合适的、经过确认的铝合金方形板材。
如下图所示:图2.2.1-1 方形铝板样品1 图2.2.1-2 方形铝板样品2 2)其他材料:龙骨、吊杆、钢材等。
如下表所示:三角龙骨L30X30角钢三角龙骨挂件L形边角拉爆锚栓吊顶丝杆38系列、50系列主龙骨主吊件钢钉木针1)龙骨主件:主龙骨、三角龙骨均应符合设计要求。
2)骨架配件:支撑卡、卡托、角托、连接件、固定件、附墙龙骨、压条等附件应符合设计要求。
3)紧固材料:射钉、膨胀螺栓、镀锌自攻螺丝、木螺丝和粘结嵌缝料应符合设计要求。
4)方形铝扣板板材:方形铝扣板规格、厚度需符合设计要求。
以上材料均应有齐全的厂家三证(经营许可证、税务登记证、资质证)和产品合格证、质保书、检验报告。
2.2.3.材料的运输、储存及领用扣板运输、存放应用硬纸盒封装;根据安装需用数量进行领用。
扣板安装之后再撕掉面层保护膜。
2.3.主要机具11 剪刀方形铝板剪切12铝合金靠尺检测平整度2.4.作业条件1)安装完顶棚内的各种管线及设备,确定好灯位、通风口及各种照明孔口的位置。
2)顶棚罩面板安装前,应作完墙、地湿作业工程项目。
3)搭好顶棚施工操作平台架子。
3.施工工艺3.1.工艺流程序号工艺流程图片序号工艺流程图片1 基层弹线2安装吊杆3 安装主龙骨4安装边龙骨5 安装三角龙骨6龙骨调平7 安装铝合金方板8 清理第3页共3页3.2.操作工艺1)弹线:根据楼层标高水平线,按照设计标高,沿墙四周弹顶棚标高水平线,并找出房间中心点,并沿顶棚的标高水平线,以房间中心点为中心在墙上画好龙骨分档位置线。
2)安装主龙骨吊杆:在弹好顶棚标高水平线及龙骨位置线后,确定吊杆下端头的标高,安装预先加工好的吊杆,吊杆安装用帕膨胀螺栓固定在顶棚上。
吊杆选用帕圆钢,吊筋间距控制在1200mm范围内。
3)安装主龙骨:主龙骨一般选用C38轻钢龙骨,间距控制在1200mm范围内。
安装时采用与主龙骨配套的吊件与吊杆连接。
4)安装边龙骨:按天花净高要求在墙四周用水泥钉固定25×25mm烤漆龙骨,水泥钉问距不大于300mm。
5)安装三角龙骨:根据铝扣板的规格尺寸,安装与板配套的三角龙骨,三角龙骨通过配套三角吊挂件吊挂在主龙骨上。
当三角龙骨长度需多根延续接长时,用三角龙骨连接件,在吊挂三角龙骨的同时,将相对端头相连接,并先调直后固定。
6)安装金属板:方形铝扣板安装时在装配面积的中间位置垂直次龙骨方向拉一条基准线,对齐基准线向两边安装。
安装时,轻拿轻放,必须顺着翻边部位顺序将方板两边轻压,卡进龙骨后再推紧。
7)清理:方形铝扣板安装完后,需用布把板面全部擦拭干净,不得有污物及手印等。
8)吊顶工程验收时应检查下列文件和记录:(1)吊顶工程的施工图、设计说明及其他设计文件;(2)材料的产品合格证书、性能检测报告、进场验收记录和复验报告;(3)隐蔽工程验收记录;(4)施工记录。
图3.2-1 方形铝扣板吊顶安装示意图1——吊顶丝杆;2——三角龙骨;3——主吊件;4——方形铝扣板;5——主龙骨3.3.施工操作要点及特殊部位做法3.3.1.天花测量放线天花的控制性标高、轴线平面放线结合楼地面放线和墙柱面放线一同进行。
标高放线和平面控制线引自墙、柱面500线和轴线,将天花设计标高和平面总的形态,特别是造型高差起浮的标志点在墙柱面上部或采用天花固定吊杆的方式进行标记,要求保证一定的密度,能反应天花造型折起浮。
这项工作一方面是为下一步工作创造条件,另一方面是对现有天花情况,如风管、水管、电管、结构梁柱等情况的一次复核。
3.3.2.细化设计在取得了第一手的现场实测资料后,首先开始进行天花吊顶的调整和细化设计。
这方面工作要与材料供应商密切配合,特别注意材料的加工工艺和构造方式。
细化设计一方面要确定天花铝单板、灯槽、金属天花材料的分隔尺寸,为施工提供必要的依据;第二方面是通过细化设计,确定材料的加工图和加工清单。
3.3.3.放样绷线在细化设计的基础上进行详细的放样绷线工作。
对特别复杂的天花造型和构件要制作1:1的模型,与此同时根据图纸在天花的节点部分,如吊挂处、支架边缘,天花转达折处,吊筋位置、板面楼口处进行绷线工作,以便标识出以上控制点(线)的位置。
对复杂的部位,应在顶部制作1:1的木制大样,以上工作须反复进行标高、平面尺寸、垂直度等方面核对工作,以确保放样绷线的准确性。
放线和放样绷线工作须要采用的仪器和工具:经纬仪、吊线锤、水准仪、塔尺、标杆、卷尺、线绳、水平管、靠尺、冲击钻、电焊机、角铁、钢筋头。
放线和放样绷线工作应认真做好记录,有关数据报设计室以便设计调整或修改设计。
其它测量、放线、放样绷线工作同墙柱面铝板工作。
3.3.4.天花钢支架安装天花钢支架采用角铁和槽钢,主要是为天花吊顶吊挂点跨越风管等设备或为天花铝板龙骨提供支撑之用。
金属吊顶支架跨度超过1.5M,采用Φ8吊筋和6#槽钢,跨度为1.5M内采用Φ8吊筋和L40*4角钢,支架间距根据龙骨吊筋间距定。
天花金属单板、灯槽支架主要采用L50*4角钢,一方面为龙骨提供支撑点,另一方面要有一定的强度,可结合金属板,灯槽龙骨安装一同进行。
天花钢支架与楼板连接采用楼板钻孔,膨胀螺栓固定角钢角码,与吊杆或角钢焊接。
所有钢构件均为镀锌,焊点部位须补刷防锈漆。
3.4.应注意的质量问题及防治措施1)吊顶不平:原因在于大龙骨安装时吊杆调平不认真,造成各吊杆点的标高不一致。
施工时应检查各吊点的紧挂程度,并接通线检查标高与平整度是否符合设计和施工规范要求。
2)轻钢骨架局部节点构造不合理:在留洞、灯具口、通风口等处,应按图相应节点构造设置龙骨及连接件,使构造符合图册及设计要求。
3)轻钢骨架吊固不牢:顶棚的轻钢骨架应吊在主体结构上,并应拧紧吊杆螺母以控制固定设计标高;顶棚内的管线、设备件不得吊固在轻钢骨架上。
4)方形铝扣板分块间隙缝不直:施工时注意板块规格,拉线找正,安装固定时保证平正对直。
5)压缝条、压边条不严密平直:施工时应拉线,对正后固定、压粘。
4.质量标准质量要求符合《建筑装饰装修工程质量验收规范》(GB50210—2001)的规定。
4.1.主控项目1)轻钢骨架和罩面板的材质、品种、式样、规格应符合设计要求。
2)轻钢骨架的吊杆,大、中、小龙骨安装必须安装位置正确,连接牢固,无松动。
3)罩面板应无脱层、翘曲、折裂、缺棱掉角等缺陷,安装必须牢固、平整色泽一致。
4)粘结剂必须符合国家有关环保规范要求。
4.2.一般项目1)轻钢骨架应顺直、无弯曲、无变形;吊挂件、连接件应符合产品组合的要求。
2)罩面板表面平整、洁净、颜色一致。
无污染,反锈等缺陷。
3)罩面板接缝形式符合设计要求,拉缝和压条宽窄一致,平直、整齐、接逢应严密。
4)轻钢骨架金属罩面板顶棚允许偏差项目表(见下表)第5页共5页5.1)应做好隐蔽工程记录,技术交底记录。
2)轻钢龙骨、金属面板、硅胶等应有材料合格证,国家有关环保规范要求的检测报告。
3)工程验收应有质量验评资料。
6.成品保护1)轻钢骨架、罩面板及其他吊顶材料在入场存放、使用过程中应严格管理,保证不变形、不受潮、不生锈。
2)装修吊顶用吊杆严禁挪做机电管道、线路吊挂用;机电管道、线路如与吊顶吊杆位置矛盾,须经过项目技术人员同意后更改,不得随意改变、挪动吊杆。
3)吊顶龙骨上禁止铺设机电管道、线路。
4)轻钢骨架及罩面板安装应注意保护顶棚内各种管线,轻钢骨架的吊杆、龙骨不准固定在通风管道及其他设备件上。
5)为了保护成品,罩面板安装必须在棚内管道试水、保温等一切工序全部验收后进行o6)设专人负责成品保护工作,发现有保护设施损坏的,要及时恢复。
7)工序交接全部采用书面形式由双方签字认可,由下道工序作业人员和成品保护负责人同时签字确认,并保存工序交接书面材料,下道工序作业人员对防止成品的污染、损坏或丢失负直接责任,成品保护专人对成品保护负监督、检查责任。
7.安全、环保措施7.1.安全措施1)现场临时水电设专人管理,防止长明灯、长流水。
用水、用电分开计量,通过对数据的分析得到节能效果并逐步改进。
2)工人操作地点和周围必须清洁整齐,做到活完脚下清,工完场地清,制定严格的成品保护措施。
3)持证上岗制:特殊工种必须持有在有效期内的上岗操作证,严禁无证上岗。
4)中小型机具必须经检验合格,履行验收手续后方可使用。
同时应由专门人员使用操作并负责维修保养。
必须建立中小型机具的安全操作制度.,并将安全操作制度牌挂在机具旁明显处。
5)中小型机具的安全防护装置必须保持齐全、完好、灵敏有效。
6)使用人字梯攀高作业时只准一人使用,禁止同时两人作业。
7.2.环保措施1)施工过程中防止粉尘污染应采取相应的防护措施。
2)电、气焊的特殊工种,应注意对施工人员健康劳动保护设备配备齐全。
3)在施工过程中应符合《民用建筑工程室内环境污染控制规范》GB50325-2001。
4)在施工过程中应防止噪音污染,在施工场界噪音敏感区域宜选择使用低噪音的设备,也可以采取其他降低噪音的措施。
样例一样例二样例三样例四第7页共7页。