建筑工程安全生产自查自纠表
- 格式:docx
- 大小:18.51 KB
- 文档页数:2
施工单位自查自纠报告表格单位名称:XXXX建筑工程有限公司报告时间:XXXX年XX月XX日一、发现的问题1. 施工现场环境整洁度不高:施工现场存在垃圾堆放不及时、道路不畅、材料堆放不整齐等问题,影响了施工效率和施工安全。
2. 安全生产管理不到位:存在职工未佩戴安全帽、未系安全带等现象,缺乏安全教育培训和安全意识。
3. 施工设备维护不及时:存在设备未定期检查维护、维修记录不清晰等问题,存在安全隐患。
4. 环保措施不完善:部分工地存在施工污染水源、废弃物处理不规范等问题,对周围环境造成了一定污染。
5. 质量管理不到位:存在部分施工节点质量不符合要求,施工人员责任心不强等问题。
二、整改措施1. 加强现场管理:要求所有施工人员严格遵守现场管理规定,做到材料堆放整齐,垃圾及时清理,道路畅通。
2. 强化安全教育培训:加强对施工人员的安全培训,提高安全意识,督促佩戴安全帽、系好安全带等安全措施。
3. 设备维护完善:建立设备定期检查维护制度,明确维护人员及时处理设备故障和维修记录,保障施工设备的正常运作。
4. 完善环保措施:加强现场环保管理,做好施工污染水源、废弃物处理等环保工作,严格控制施工对周围环境的影响。
5. 提升质量管理:加强对施工节点的质量管理,严格把关质量标准,提高施工人员责任心和施工质量。
三、整改情况1. 环境整洁度得到了明显改善,施工现场更加整洁、有序,施工效率得到提高。
2. 安全生产管理工作取得初步成效,职工佩戴安全帽、系安全带等行为得到了规范。
3. 设备维护及时,设备故障得到了及时处理,施工设备运行稳定。
4. 环保措施得到了改善,施工污染水源得到了治理,废弃物处理更加规范。
5. 质量管理得到了加强,施工节点质量得到了提高,施工人员责任心更加强。
四、存在问题1. 仍需加强现场管理,进一步提高施工现场环境整洁度。
2. 安全管理工作还需继续加强,提高职工安全意识和遵守安全规定的自觉性。
3. 设备维护仍存在一定漏洞,需要进一步完善维护制度,保证设备的正常运作。
施工自查自纠记录表格项目名称:____________________日期:______________________参与人员:____________________项目负责人:__________________施工单位:____________________自查内容:1. 安全生产:- 是否严格执行施工安全操作规程?- 是否设置了安全警示标识?- 是否每日进行施工安全检查?- 施工人员是否按照安全操作流程进行作业?自纠措施:- 加强安全教育培训,提高员工安全意识;- 加强现场巡查,及时发现并解决安全隐患;- 加强安全设施的设置和完善。
2. 施工质量:- 施工过程中是否按照设计要求进行?- 施工过程中是否及时处理出现的质量问题?- 施工材料是否符合质量标准?- 是否定期进行工程质量检查?自纠措施:- 完善质量管理制度,严格执行标准;- 加强对施工材料的把控,保证施工质量;- 加强与监理单位的沟通,及时处理质量问题。
3. 文明施工:- 施工现场是否保持整洁?- 是否正确处理施工废弃物?- 是否遵守当地相关环保法规?- 是否规范管理施工垃圾?自纠措施:- 加强对施工现场的管理,保持整洁;- 建立废弃物处理制度,分类处理垃圾;- 遵守环保法规,保护环境。
4. 合同管理:- 是否按照合同要求进行施工?- 是否及时处理合同变更事项?- 是否保证施工周期?- 是否按照合同约定进行验收?自纠措施:- 加强合同管理,确保按合同要求施工;- 及时处理合同变更事项,避免纠纷发生;- 做好施工计划,保证施工周期;- 严格执行合同约定,确保验收合格。
5. 物资管理:- 施工现场是否合理使用物资?- 是否对物资进行清点和保管?- 是否合理选择物资供应商?- 是否定期进行物资调配?自纠措施:- 合理使用物资,避免浪费;- 定期清点和保管物资,防止遗失;- 选择信誉好的物资供应商,保证物资质量;- 定期进行物资调配,保证施工进度。
建筑工程自查自纠表自查人员:[填写自查人员名称]自查日期:[填写自查日期]项目名称:项目地点:项目负责人:一、施工现场环境和卫生1. 施工现场是否保持整洁,无垃圾、杂物堆放?2. 是否设置了合适的卫生设施,如洗手器具和卫生间?3. 是否进行了施工垃圾、废弃物的分类和处理?4. 是否存在污水、噪音、粉尘等环境污染问题?二、安全生产管理1. 是否建立了安全生产管理制度,并加以执行?2. 是否制定了施工现场安全操作规程,工人是否按规程施工?3. 是否进行了安全教育和培训,提高工人的安全意识?4. 是否落实了施工现场的安全防护措施,如安全帽、防护眼镜等?5. 是否存在未及时整改的安全隐患?三、施工质量1. 是否按照设计图纸、技术规范和施工方案进行施工?2. 施工过程中是否进行了必要的质量检查和监控?3. 是否存有施工过程中的质量问题,如尺寸偏差、工艺失误等?4. 是否进行了材料的检验和验收,是否存在使用不合格材料的行为?四、施工进度和组织管理1. 施工进度是否按照计划进行,是否存在延期问题?2. 是否进行了施工组织设计和施工方案编制?3. 是否合理安排了施工人员和施工机械设备?4. 是否存在施工过程中的协调和配合问题?五、合同履行情况1. 是否按照合同要求执行施工工期?2. 是否按照合同约定使用合格的材料和施工工艺?3. 是否按照合同要求提供必要的技术、质量和安全资料?六、其他问题及整改情况说明[此处可根据实际情况添加相关问题和整改情况的说明]备注:[填写其他需要说明的情况]自查人员签名:日期:项目负责人签名:日期:以上为建筑工程自查自纠表,请根据实际情况填写并进行整改,以确保施工质量和工程安全。
施工安全自查自纠表格项目名称:xxx施工项目施工单位:xxx施工公司项目地址:xxx施工期间:20xx年x月x日至20xx年x月x日负责人:xxx施工安全自查自纠表格序号检查内容问题描述整改措施整改情况责任人完成时间备注1 安全防护设施1.1 施工现场是否设置了警示标志和安全警示牌1.2 施工现场是否设置了安全警戒线1.3 施工现场是否设置了安全网和围挡1.4 施工现场是否设置了安全通道和紧急疏散通道2 作业人员安全2.1 作业人员是否佩戴统一颜色的安全帽2.2 作业人员是否佩戴统一颜色的安全服2.3 作业人员是否佩戴防护手套和安全鞋2.4 作业人员是否接受过安全培训和教育3 机械设备安全3.1 机械设备是否经过定期检查和维护3.2 机械设备是否有使用手册和操作规范3.3 机械设备是否符合安全标准和规定3.4 机械设备是否在正规施工单位购买和租赁4 施工现场管理4.1 施工现场是否整洁、有序、无障碍物4.2 施工现场是否有安全管理员和安全巡视员4.3 施工现场是否有应急救援设施和人员4.4 施工现场是否定期进行安全例会和安全演练5 特种作业安全5.1 特种作业人员是否具有特种作业证书5.2 特种作业人员是否遵守特种作业安全规定5.3 特种作业作业场所是否设置了安全警示牌5.4 特种作业人员是否接受过特种作业培训和考核6 用电安全 6.1 用电设备是否经过检测和鉴定合格6.2 用电设备是否定期维护和保养6.3 用电设备是否符合安全用电标准和规范6.4 用电设备是否有漏电保护和短路防护装置以上内容为例,可根据实际施工情况进行添加与修改。
整改措施与整改情况应详细记录,责任人需明确并落实。
施工安全自查自纠表格是施工单位对施工安全管理的一个重要工具,只有认真执行并落实整改工作,才能确保施工过程中的安全。
希望各施工单位根据实际情况制定并执行相关安全管理措施,共同营造安全、和谐的施工环境。
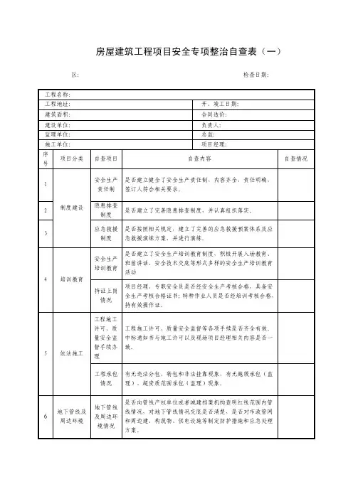
房屋建筑工程项目安全专项整治自查表(一)区:检查日期:
房屋建筑工程项目安全专项整治自查表(二)
单体工程项目名称:形象进度:
填表说明:1、填报单位应严格按照自查内容进行排查,确保所填内容真实、准确。
2、表(一)中工程名称按施工合同填写,表(二)应按该工程实际单体数填写。
3、表中自查项目根据工程实际情况进行自查,缺项的应在相应的自查情况中注明。
4、自查结论应为整个工程项目的综合评价,结论分为:符合、基本符合、不符合。
对基本符合、不符合项目应详细列出具体问题和整改措施及完成时间。
5、未开工建设的单体工程项目应提供相应的附件证明材料。
建设单位落实安全生产主体责任自查表
建设单位:
填表说明:1、填报单位应严格按照自查内容进行排查,确保所填内容真实、准确。
2、自查结论应为本单位自查情况的综合评价,结论分为:符合、基本符合、不符
合。
对基本符合、不符合项目应详细列出具体问题和整改措施及完成时间。
填表说明:1、填报单位应严格按照自查内容进行排查,确保所填内容真实、准确。
2、自查结论应为本单位自查情况的综合评价,结论分为:符合、基本符合、不符合。
对基本符合、不符合项目应详细列出具体问题和整改措施及完成时间。
3、监理单位应提供在宁所监理工程项目清单(附件)。
填表说明:1、填报单位应严格按照自查内容进行排查,确保所填内容真实、准确。
2、自查结论应为本单位自查情况的综合评价,结论分为:符合、基本符合、不符
合。
对基本符合、不符合项目应详细列出具体问题和整改措施及完成时间。
3、施工单位应提供在宁所承建的工程项目清单(附件)。
安全生产自查自纠检查表一、场所安全1. 建筑结构和设施:- 检查建筑物的承重墙、柱、梁以及其他承重构件是否存在开裂、腐蚀等问题;- 检查楼梯、通道、门窗等设施是否完好,并清理阻碍通行的障碍物。
2. 电气设备:- 检查电气线路的绝缘是否完好;- 检查插座、开关等电器设备是否损坏;- 确保所有电气设备有地线连接。
3. 灭火设施:- 检查消防器材的数量和种类是否符合要求,并保证其在正常工作状态;- 检查灭火器、消防栓等灭火设施是否易于识别、操作。
二、作业安全1. 作业环境:- 检查作业场所是否有足够的照明和通风设备;- 检查作业区域的地面是否平整、无滑倒、坍塌等危险。
2. 机械设备:- 检查机械设备的安装是否牢固,是否存在松动、断裂等问题;- 检查机械设备的使用是否符合操作规范。
3. 个人防护:- 检查员工是否佩戴必要的安全防护用品,如头盔、安全带等;- 检查紧急救援设备是否齐全并易于获取。
三、化学品管理1. 储存与使用:- 检查化学品的储存环境是否符合要求,并确保防火、防爆措施得以有效实施;- 检查化学品的标识是否清晰可见,容器是否完好。
2. 泄漏处理:- 检查是否建立了应急处理预案,并进行相关演练;- 确保泄漏物的清理处理符合相关规范。
四、员工培训与安全意识1. 培训计划:- 检查是否建立了员工安全培训计划,并按计划进行培训;- 检查培训记录的完整性和有效性。
2. 安全意识:- 检查员工是否具备安全操作意识,并落实安全规章制度; - 通过沟通交流、安全奖励等方式提升员工的安全意识。
五、风险评估与改进1. 安全监测:- 定期进行场所安全和作业安全巡查,并记录相关问题; - 对发现的问题进行分类评估,确定风险等级。
2. 改进措施:- 制定改进措施的具体计划,并明确责任人和时间表;- 督促改进措施的实施,并检查改进效果的有效性。
六、其他1. 法律法规:- 检查相关法律法规的合规性,并及时更新;- 确保公司的安全生产工作符合国家标准与要求。
精选文档建筑工地安全生产自查自纠表工程名称横山中心小学综合楼检查日期:年月日施工单位:芜湖市赫店建筑有限企业监理单位:芜湖市同力建设工程监理有限企业检查内容现场施工状况和存在问题整顿状况安全生产责任制成立和落实已成立,并落实到人切合要求安全生产花费的提取和使用专款专用切合要求生产一线员工三级教育对进场工人已进行三级教育,有切合要求书面记录分项、专项有针对性的安全技有交底记录,但针对性不强。
已增强了针对性术交底危险性较大工程施工方案编切合要求切合要求制、审批、专家论证和落实起重机械的存案、登记、安装、暂未使用/拆卸、检测、查收、使用、保养(按建设部 166 命令)履行暂时用电能否依据(施工现场有少量电线存在混接现象已按要求接线,现已无混接现象暂时用电安全检查技术规范)JGJ46-2005 规范履行基坑支护施工方案的编制、审//批、专家论证、交底查收洞口临边消防管理履行状况切合要求切合要求高处作业的接料平台、防备棚、钢筋加工棚口号被风吹坏已改换口号操作平台、防备栏杆、交错作业能否按( JGJ80-91)履行特别工种作业人员持证上岗现场电工、电焊工、架子工、持切合要求证上岗脚手架、模板支撑施工方案编切合要求切合要求制、审批、专家论证、交底、查收施工现场能否认期用《建筑施按检查标准按期检查切合要求工安全检查标准》 JGJ59-2011进行检查安全帽、安全带、安全网、安切合要求切合要求全防备用品能否按建质【 2007】施工机具的安装、查收、交底有交底记录切合要求状况悬挑式钢平台、搭设方案、计不波及/算书、安全交底、查收、检查重要危险源的公示有切合要求现场警示、警示标牌设置状况按现场实质状况,已设置。
切合要求单体施工进度(注明每个单体的施工进度)基础施工项目经理:项目总监:日期:日期:建筑工地安全生产自查自纠表工程名称横山中心小学综合楼检查日期:年月日施工单位:芜湖市赫店建筑有限企业监理单位:芜湖市同力建设工程监理有限企业检查内容现场施工状况和存在问题整顿状况安全生产责任制成立和落实已成立,并落实到人切合要求安全生产花费的提取和使用专款专用切合要求生产一线员工三级教育对进场工人已进行三级教育,有切合要求书面记录分项、专项有针对性的安全技有交底记录,但针对性不强。
工程自查自纠表项目名称:XXXXXXXX工程编制单位:XXXX公司施工单位:XXXX施工总承包公司监理单位:XXXX监理有限公司一、工程质量管理1.1项目自检验收情况1.1.1按照工程验收标准和规范要求,工程质量达到验收标准,无重大质量问题。
1.1.2所有工程材料的合格证明、质量检测报告等符合要求,且与项目实际使用相符。
1.1.3施工过程中产生的废料及其处理情况符合环保要求,符合国家相关法规。
1.2施工过程质量检查1.2.1工程现场质量检查记录完整,每一项工程施工过程都有相应的检查记录。
1.2.2对施工过程中出现的质量问题,及时采取纠正措施,并记录在案。
1.2.3检查过程中发现的施工人员操作不符合要求或质量问题,及时提出整改意见并跟踪整改情况。
1.3施工图纸及设计变更1.3.1审查施工图纸和设计变更,确保符合施工要求并落实到现场。
1.3.2对建筑结构和设备安装等重要部位进行专项复核,确保设计符合规范要求。
1.3.3所有设计变更都经过审批程序,并及时通知施工单位和监理单位。
1.4施工工艺管理1.4.1施工工艺流程符合施工规范和要求,工序合理、安全。
1.4.2分包单位的工艺管理与主承包单位的工艺管理衔接良好,协调运作。
1.4.3施工现场组织与管理合理,有关的安全措施不断完善。
1.5施工设备管理1.5.1施工设备及机械的维护、保养工作按计划执行,确保设备在良好状态下运行。
1.5.2设备使用人员经过培训,具备合格证书和资格。
1.5.3设备运行保障措施到位,避免设备故障对施工进度影响。
1.6工程进度管理1.6.1工程进度计划符合实际施工情况,及时调整并通知有关单位。
1.6.2分包单位的进度与主承包单位的进度衔接协调,确保整体施工进度。
1.6.3对工程进度不达标的原因进行分析,并及时采取措施予以解决。
二、工程安全管理2.1施工环境管理2.1.1施工现场环境整洁,危险物品及遗留物得到及时清理。
2.1.2安全警示标识齐全,安全通道、消防通道畅通无阻。
附件1
建筑施工安全生产自查自纠表(2-1)
工程所在县(市、区):赣州开发区日期:
联系电话:联系电话:联系电话:
(公章)(公章)(公章)
- 1 -
建筑施工安全生产自查自纠表(2-2)
- 2 -
建设单位监理单位施工单位
法人代表签名:法人代表签名:法人代表签名:
联系电话:联系电话:联系电话:
(公章)(公章)(公章)
- 3 -
附件2
建筑施工安全生产督查和隐患排查整改情况汇总表填报单位:填报人:填报时间:
附表3:
危险性较大的分部分项工程验收意见表
2、专家组参加复核验收应不少于两人,经“双验收”合格后,施工单位提交市安监站
备案。
- 5 -。
建设工程安全自查表项目名称:____________________自查日期:____________________自查单位:____________________自查内容:一、现场环境安全1. 工地周边是否设置了明显的安全警示标志?(是/否)2. 是否存在地面凸起、下凹、杂物堆放等导致人员行走受阻的情况?(是/否)3. 施工现场是否存在明显的地下管道、电缆等隐患?(是/否)4. 是否设置了安全防护网、防护栏等防止物体坠落的措施?(是/否)5. 是否对施工现场进行定期清理,并及时处理垃圾?(是/否)二、施工设备安全1. 是否对使用的机械设备进行定期维护、保养,并保证其完好无损?(是/否)2. 是否使用过时、老化的工作设备?(是/否)3. 是否严格按照设备操作规范执行操作步骤?(是/否)4. 是否对机械设备使用人员进行了安全培训?(是/否)5. 有无超载、过度工作等现象?(有/无)三、用电安全1. 是否按照相关法规要求设置接地保护措施?(是/否)2. 是否进行过电气线路和设备的巡视检查?(是/否)3. 是否存在电线老化、插座松动等隐患?(是/否)4. 是否设置了避雷设施并进行了定期检查维护?(是/否)5. 使用的电气设备是否通过验收并具备合法合规的标志?(是/否)四、安全作业管理1. 是否制定了施工操作规范,并进行了专项培训?(是/否)2. 是否设置了作业人员的安全防护措施,并有合适的使用说明?(是/否)3. 是否对作业人员进行了相关安全培训并持证上岗?(是/否)4. 是否进行过事故应急演练并建立了应急预案?(是/否)5. 是否定期组织安全会议,及时传达安全管理要求和经验交流?(是/否)五、安全防护设施1. 是否设置了消防器材,并进行了定期检查维护?(是/否)2. 是否配备了应急疏散通道,并保持畅通无阻?(是/否)3. 是否设置了紧急停电开关,保证用电安全?(是/否)4. 施工现场是否设置了安全警示标识,并进行了更新维护?(是/否)5. 是否建立了施工现场监控系统,及时发现并处理安全问题?(是/否)六、其他安全问题请在这里列出其他需要自查的安全问题,并进行勾选:1. 临时设施是否符合建设工程安全要求?2. 是否存在危险化学品的储存和使用隐患?3. 是否存在夜间施工的安全措施?4. 是否存在高空作业的安全措施和人员防护措施?5. 是否建立了现场事故报告制度并规定了应急处置流程?自查结论:请在此处总结自查结果,并提出改善措施和建议,确保建设工程的安全施工。