配电箱负荷计算书
- 格式:xls
- 大小:29.50 KB
- 文档页数:2
末端配电箱负荷计算在供配电系统设计中负荷统计计算是至关重要的一个环节,负荷计算的第一步就是确定设备容量(亦称安装容量),而确定末端设备容量是整个供配电系统设计和计算的依据和基础资料,因此末端配电箱负荷计算是否准确会直接影响到整个供配电系统的质量品质。
在能源告急,急需节能降耗增效的情况下,很有必要在供配电系统设计的末端部分下功夫。
据调查,在民用建筑末端负荷计算中不同的人计算的方法和结果不同,甚至偏差较大,其中主要是照明回路、插座回路和电梯供电回路的设备容量确定方式不一,导致同一个项目的同一配电箱乃至变压器容量大家得出不一样的数据来。
有的为计算方便,所有照明一律按每回路1.0KW计,插座一律按每回路2.0KW计,更有甚者连电梯的计算容量和计算电流都统一按连续工作制而直接由铭牌给出的设备容量计算得出,其结果对一个配电箱而言似乎误差不太大,但对配电箱较多的大中型项目,负荷归算到配电干线和变配电所后总量偏差就比较大了,必然导致干线截面、开关和变压器容量过大。
笔者认为采用“技措”7.2.11条给出的单个设备容量统计计算方法比较适宜,即:配置电子型镇流器的荧光灯取1.1倍的灯管功率作为安装容量(若配的是电感型镇流器则为1.2倍);气体放电灯取1.5倍的灯功率作为安装容量;风机盘管按100W/台计;电烘手器插座按2KW/台计;一般插座按100W/组计,计算机较多的办公室插座按150W/组计;对于宾馆饭店的清扫插座(吸尘器用,一台吸尘器0.25KW),由于一般一个楼层(或防火分区)用一个回路,可能同时会有1~3台吸尘器工作,这就需要根据楼层建筑面积进行归算,即清扫插座按0.25KW~0.75KW/回路计,这样比直接叠加插座数量更贴合实际。
每个末端分支回路均详细按此办法对照平面图作代数叠加(容量较大的用电设备设备容量都是确定的,不需赘述),这样所得的较基础的计算数据是相对比较真实可靠的,也是切实可行的。
对末端箱的功率因数,“技措”和“民规”都给出了一些措施或规定,很大一部分设计师盲目全盘套用,如此有所不妥。
配电箱负荷计算书目的针对某甲公司XX工厂电缆配套工程中的配电箱负荷进行计算,确定配电箱数量及型号规格,确保电力供应可靠、安全、稳定。
计算方法按照《规划设计电气工程基础规范》(GB 50052-2019)中标准规定,配电箱的负荷计算应按照以下步骤进行:1.确定用电设备的视在功率对于每个用电设备,根据其使用说明书或者电气参数确定其视在功率,单位为千伏安(kVA)。
如下表所示:设备名称视在功率(kVA)设备110设备220设备352.计算负载总视在功率将所有用电设备的视在功率相加,得到负载总视在功率,记做S。
S = 10 + 20 + 5 = 35 kVA3.计算负载总有功功率根据功率因数和负载总视在功率计算负载总有功功率,记做P。
选择功率因数为0.8,有功功率因数修正系数Kp = 1,无功功率因数修正系数Kq = 1。
P = Kp * S= 1 * 35 = 35 kW4.选取配电箱型号和数量根据计算结果,选取适当的配电箱型号和数量,保证其额定电流大于等于所需有功功率和所需无功功率对应的电流值,同时符合现场使用和规范标准要求。
根据工厂的实际情况,选取品牌为ABB,型号为MA-E250G和MA-E125G两款配电箱。
MA-E250G型号的额定电流为250A,最大容纳40个开关-c灭弧室插件或20个断路器;MA-E125G型号的额定电流为125A,最大容纳10个开关-c灭弧室插件或5个断路器。
根据以上信息,选择MA-E250G型号1个,MA-E125G型号2个。
结论针对某甲公司XX工厂电缆配套工程中的配电箱负荷进行计算,确定需要1个MA-E250G型号配电箱和2个MA-E125G型号配电箱,可以满足所需负载的安全、稳定、可靠供电要求。
参考文献•《规划设计电气工程基础规范》(GB 50052-2019)备注本文档是计算书格式范例,具体计算必须依据实际情况进行,仅供参考。
220V低压配电柜整定计算书(综保整定计
算)
一、工程概述
该文档旨在进行220V低压配电柜的整定计算,特别是综保整
定计算。
二、整定计算方法
根据综保整定的要求,我们采用以下计算方法:
1. 确定负荷参数:确定需要供电的负荷参数,包括电流、功率
因数等。
2. 计算总电流:根据负荷参数计算总电流的大小。
3. 确定电源容量:根据总电流和负荷参数确定所需的电源容量。
4. 确定电缆尺寸:根据电源容量和安装条件确定电缆的尺寸。
5. 计算短路电流:根据负荷参数和电缆尺寸计算短路电流的大小。
6. 根据短路电流确定保护设备:根据短路电流的大小选择合适
的保护设备,如断路器、熔断器等。
三、计算示例
以下是一个简单的计算示例:
1. 负荷参数:
- 电流:30A
- 功率因数:0.9
2. 总电流计算:
总电流 = 电流 / 功率因数 = 30A / 0.9 = 33.33A
3. 电源容量:
假设我们选择一个50A的电源容量。
4. 电缆尺寸:
根据电源容量和安装条件,确定适合的电缆尺寸。
5. 短路电流计算:
根据负荷参数和电缆尺寸,计算短路电流的大小。
6. 保护设备选择:
根据短路电流的大小选择合适的保护设备。
四、结论
根据综保整定计算的方法和示例,我们可以得出合适的220V 低压配电柜整定计算结果。
以上是对220V低压配电柜整定计算的简要描述,请根据实际情况进行具体计算。
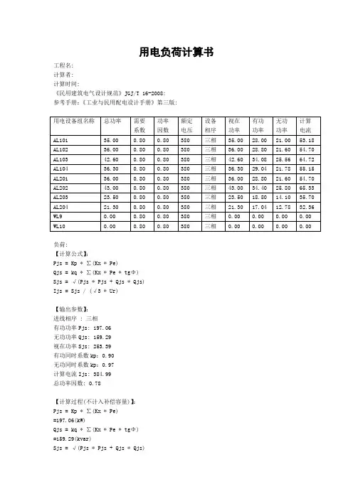
配电箱负荷计算:
1、出线全是三相的时候:全部三相直接相加得到设备容
量Pe,然后再乘以需要系数Kx,得到计算负荷Pjs,再用三相计算电流公式,计算出电流Ijs,查载流量表,最后选用电线型号
2、出线全是同一单相的时候:全部单相直接相加得到设
备容量Pe,然后再乘以需要系数Kx,得到计算负荷Pjs,再用单相计算电流公式,计算出电流Ijs,查载流量表,最后选用电线型号
3、如果出线有单相和三相时,或者仅是不同的单相时(没
有三相):
先判断全部单相之和是否大于三相之和的15%,(全部单相之和就是把全部的L1+L2+L3)
1)小于时,配电箱设备容量=全部单相之和+三相之和,得到设备容量后重复1、步骤
2)○1大于等于时,配电箱设备容量=等效三相+三相之和
找出最大单相,然后这个数的3倍得到的就是全部单相的用电量了,称为等效三相
具体作法:把各个单相分别相加,(即单相L1的数值相加,单相L2的数值相加,单相L3的数值相加),看看是哪相的最大,假设是L1相最大为P1,那么3×P1得到的数值就是等效三相了
○2得到设备容量后重复1、步骤,可以计算出。
动力配电箱负荷计算 计算方法动力负荷计算一般采用需要系数法,有功计算负荷的基本公式为 30P =d K e P (3.1)30P ------三相用电设备组的有功计算负荷 d K ------用电设备组的需要系数;e P -------用电设备组的额定容量。
在求出有功计算负荷30P 后,按下列各式分别求出其余的计算负荷。
无功计算负荷为30Q =30P ϕtan (3.2)式中,ϕtan 为对应于用电设备组cos ϕ的正切值。
视在计算负荷为30S =30P / cos ϕ (3.3) 式中,cos ϕ为用电设备组的平均功率因数。
计算电流为30I =30S /3N U (3.4)式中,N U 为用电设备组的额定电压。
动力负荷计算1.地下一层AP-(-1)-1动力设备负荷计算,由系统图:Pwp1=3kW, Iwp1=30S / 3N U =ϕcos 330N U P = 3/(3×0.38×0.8)=5.7APwp2=0.75kW, Iwp2=0.75/(3×0.38×0.8)=1.42A Pwp3=5.5kW, Iwp3=5.5/(3×0.38×0.8)=10.4APwp4=5.5kW, Iwp4=5.5/(3×0.38×0.8)=10.4A (备用) Pwp5=1.5kW, Iwp3=1.5/(3×0.38×0.8)=2.9A 配电箱容量为e P =3+0.75+5.5+1.5=10.75kW 计算负荷为 30P =d K e P =0.8×10.75=8.6kW 计算电流为 30I =ϕcos 330N U P =8.6/(3×0.38×0.8)=16.3A2.地下一层AP-(-1)-2动力设备负荷计算,由系统图:动力设备负荷计算,由系统图:Pwp1=5.5kW, Iwp1=5.5/(3×0.38×0.8)=10.5APwp2=5.5kW, Iwp2=5.5/(3×0.38×0.8)=10.5A (备用) 配电箱容量为e P =5.5kW计算负荷为 30P =d K e P =1×5.5=5.5kW 计算电流为 30I =ϕcos 330N U P =5.5/(3×0.38×0.8)=10.5A3.其余动力配电箱负荷计算列表:动力配电箱负荷计算表配电箱容量(kW)计算负荷(kW) 计算电流(A) AP-(-1)-3 11 8.8 16.72AP-(-1)-4 6.6 5.28 8.4AP-(-1)-5 2.2 1.76 3.34AP-(-1)-6 1.1 1.1 2.1AP-(-1)-7 0.75 0.75 1.4AP-(-1)-8 90 72 136.7AP-(-1)-9 269 269 511AP-(-1)-10 269 269 511AP-(-1)-11 6.25 5 9.52AP-(-1)-12 75 75 142AP-(-1)-13 55 55 104.5AP-(-1) 44.15 35.3 67 AP-1-1…AP-4-1 0.75 0.75 1.4 AP-1 9.35 7.48 14.2 AP-2-2…AP-15-2 5 5 9.5 AP-2-3 2.2 2.2 4.2AP-2 8.7 6.96 13.2AP-3 9.05 7.24 13.75AP-4-3 22 17.6 33.44AP-4 28.1 22.48 43.3 AP-5…AP-15 6.1 4.88 9.28 AP-16 3 2.1 4.56 AP-17-1..AP-17-3 25 25 47.5 AP-18-1 20.15 20.15 38.3AP-18-2 19.6 19.6 37.2 3.2干线负荷计算3.2.1计算方法确定拥有多组用电设备的干线上或车间变电所低压母线上的计算负荷时,应考虑各组用电设备的最大负荷不同时出现的因素。
1.计算原则--单相用电设备应均衡分配到三相上,使各相的计算负荷尽量相近。
单相用电设备接于线电压或相电压时的负荷,相应的叫线间负荷和相负荷。
1)单相负荷与三相负荷同时存在时,应将单相负荷换算成等效三相负荷,再与三相负荷相加。
2)进行单相负荷换算中,采用计算功率。
对需要系数法,计算功率即为需要功率,当相间负荷为同类用电设备时,可采用设备功率计算。
3)在计算范围内,当单相设备的总容量小于三相用电设备总容量的15%时,设备容量按三相平衡分配负荷计算。
4)当单相用电设备不对称容量大于三相用电设备总容量的15%时,设备容量按3倍最大相负荷计算。
2.精确换算一般单相用电设备,既有相电压又有线电压的,其等效三相负荷设备容量的计算有两步:1)既有相负荷又有线负荷时,应先将线负荷换算为相负荷。
2)各个相负荷分别相加,选取最大相负荷X3为等效三相负荷。
3.近似估算1)只有相负荷时,等效三相负荷取最大负荷的3倍。
2)只有线负荷时,等效三相负荷为:a) 单台时取线间负荷的1.732倍。
b) 多台时取最大线间负荷P1的1。
732倍加上次大线间负荷P2的(3-1.732)倍。
其计算公式为:Pe = 1.732 P1 + (3-1.732) P2Q2 =1.732 P1tanΦ1 + (3-1.732) P2 tanΦ2S2 = √PE2 + Qe24.照明负荷计算1)分支回路负荷计算Pjs1 = Kx1 (Pe1 +Pe2 +…Pen)式中Pjs1 ---- 分支回路的计算负荷(KW)Pe1,Pe2, Pen ---- 各个照明器的设备容量(KW)n ---- 照明器的数量Kx1 ---- 分支回路的需要系数2) 干线负荷计算PjsL = KxL (Pjsl1 +Pjsl2 +…Pjsln)式中PjsL ---- 干线回路的计算负荷(KW)Pjsl1,Pjsl2, Pjsln ---- 各个分支回路的计算负荷(KW)n ---- 分支回路的数量KxL ---- 干线回路的需要系数3) 进户线、低压总干线负荷计算Pjs = Kx (PjsL1 +PjsL2 +…PjsLn)式中Pjs ---- 进户线、低压总干线的计算负荷(KW)PjsL1,PjsL2, PjsLn ---- 干线的计算负荷(KW)n ---- 干线的数量Kx ---- 进户线、低压总干线的需要系数4) 线路电流计算根据国家设计规范要求,三相照明线路的各相负荷的分配应尽量保持平衡,其配电箱中各相的最大和最小负荷电流不超过30%。