作业成本法例子
- 格式:ppt
- 大小:89.00 KB
- 文档页数:20
作业成本法举例
嘿,朋友们!今天咱来唠唠作业成本法。
比如说,咱就拿生产手机壳来举例。
生产一个手机壳,那可不是简单的事儿呀!从采购原材料,到加工制作,再到包装和运输,这一系列的过程都有成本呢!这就好像盖房子,一砖一瓦都得花钱。
咱来仔细瞅瞅作业成本法在这当中怎么起作用。
采购原材料,这就是一个单独的作业吧,那花在这上面的钱就是这个作业的成本。
然后加工制作呢,工人花费的时间和精力,机器的损耗,这些也都要算进来呀!就好比你跑马拉松,每一步都是在付出努力。
再说说包装,精美的包装纸、包装盒,那也是有成本的嘛!这就跟给手机壳穿上漂亮衣服一样重要呢。
运输就更不用说了,运费可不能少呀!
如果咱不用作业成本法,那可能就会稀里糊涂地把成本算错咯!那后果可严重了,搞不好会亏大本呢!但如果咱用了作业成本法,就能清楚地知道每个环节花了多少钱,这不就能更好地控制成本,做出明智的决策了嘛!
你想想看,要是不搞清楚这些,咋能知道哪个环节可以优化,哪个环节可以省省钱呢?就如同走路,你得知道哪条路好走,哪条路有坑呀!所以说,作业成本法真的超重要的好不好!咱得重视起来呀!
我的观点就是:作业成本法就是我们在成本核算和管理中的一把利器,能帮助我们更精细、更准确地了解和掌控成本,从而让我们的经营和生产更加高效和有利可图。
咱可不能小瞧了它呀!。
1、什么是作业?材料订购——材料检验——生产准备——发放材料——材料切割——车床加工——铣床加工——刨床加工——产品组装——产品质量检验——包装——车间管理2、作业分类(1)批次作业。
指同时服务于每批产品或许多产品的作业,例如生产前机器调试、成批产品转移至下一工序的运输、成批采购和检验等。
它们的成本取决于批次,而不是每批中单位产品的数量。
(2)产品作业。
是指服务于某种型号或样式产品的作业。
例如产品设计、产品生产工艺规程制定、工艺改造、产品更新等。
这些作业的成本依赖于某一产品线的存在,而不是产品数量或生产批次。
(3)生产维持作业。
是指服务于整个工厂的作业,例如工厂保安、维修、行政管理、保险、财产税等。
它们是为了维护生产能力而进行的作业,不依赖于产品的数量、批次和种类。
作业成本法举例A公司的主要业务是生产服装服饰。
该公司的服装车间生产3种款式的夹克衫和2种款式的休闲西服。
夹克衫和西服分别有两个独立的生产线进行加工,每个生产线有自己的工厂技术部门。
5款服装均按批次组织生产,每批100件。
1、成本资料该公司本月每种款式的产量和直接成本如下表产品品种夹克西服合计型号夹克1夹克2夹克3西服1西服2本月批次810642每批产量100100100100100产量每批直接人工33003400350044004200直接人工总成本62006300640070008000每批直接材料成本直接材料总成本产品型号夹克1夹克2夹克3西服1西服2合计直接人工 直接材料 制造费用分配率 制造费用 总成本 每批成本 每件成本本月制造费用发生额如下表项目金额生产准别、检验和供应成本(批次作业成本)84000夹克产品线成本(产品作业成本)54000西服产品线成本66000其他成本(生产维持成本)10800制造费用合计制造费用分配率(直接人工)一、传统成本计算传统成本计算法汇总成本计算单2、 作业成本法计算型号 本月批次 直接人工 直接材料 生产准备、检验等成本(不填) 分配率(元/批) 批次相关总成本 产品相关成本(不填)分配率(元/批) 产品相关总成本 生产维持成本(不填)分配率(元/直接人工)1、计算作业成本的分配率作业成本分配率的计算作业成本批次直接人工分配率(元/批)批次作业成本84000 夹克产品线成本54000 西服产品线成本66000生产维持成本108002、 将作业成本分配到产品作业成本法汇总计算单生产维持成本间接费用合计总成本每批成本每件成本(作业成本法)每件成本(传统成本法)差异(作业成本-传统成本)。
作业成本法的应用举例一、某企业生产A、B两种产品成本,有关资料如下(一)产量及直接成本等资料表(见表)1-1 产量及直接成本等资料(二)制造费用明细及成本动因表(见表3-2)表3-2 制造费用明细及成本动因(三)传统成本系统与作业成本系统(ABCM)的比较图3-3传统成本系统与作业成本系统(ABCM )的比较解析1.在传统成本计算法下求A 、B 两种产品所负担的制造费用:制造费用分配率=制造费用总额÷机器制造工时=2352÷(400+160)=4.2(元/工时) A 产品负担的制造费用=400×4.2÷200=8.4(元) B 产品负担的制造费用=160×4.2÷40=16.8(元)2.作业成本法下求A 、B 两种产品成本应负担的制造费用总额:①定购次数分配率=(300+470+220)÷(2+5)=141.30 A 产品负担定购次数单位成本=141.3×2÷200=1.413(元) B 产品负担定购次数单位成本=141.3×5÷40=17.66(元) ②产量制造费用分配率=(230+100)÷(200+40)=1.375 A 产品负担产量单位成本=200×1.375÷200=1.375(元) B 产品负担产量单位成本=40×1.375÷40=1.375(元)③机器工时制造费用分配率=(402+300)÷(400+160)=1.254 A 产品机器工时单位成本=400×1.254÷200=2.508(元) B 产品机器工时单位成本=160×1.254÷40=5.016(元) ④人工成本分配率=190÷(3000+600)=0.795A 产品负担人工单位成本=3000×0.053÷200=0.795(元)B 产品负担人工单位成本=600×0.053÷40=0.795(元) ⑤材料成本分配率=140÷(24000+2000)=0.005A 产品负担材料单位成本=24000×0.005÷200=0.6(元)B 产品负担材料单位成本=20000×0.005÷40=0.25(元)·产品层次 ·单位层次 ·客户层次 ·批次层次 ·企业层次表3-4 传统成本核算法和作业成本核算法单位成本核算对比二、某企业生产A、B两种产品成本,有关资料如下(一)产量及直接成本等资料表(见表)3-5 产量及直接成本等资料表3-6 制造费用明细及成本动因请分别用传统成本核算法和作业成本核算法计算产品成本,要求写出计算步骤,并将数据填入下表中。
作业成本法公式作业成本法是一种将间接成本和辅助资源更准确地分配到作业、生产过程、产品、服务及顾客中的成本计算方法。
它的公式看起来可能有点复杂,但其实理解起来也没那么难。
咱们先来说说作业成本法的基本公式:作业成本分配率 = 作业成本库归集的总成本÷作业动因总量。
然后呢,某产品应分配的作业成本 =该产品耗用的作业动因量×作业成本分配率。
举个例子吧,就说咱们常见的学校小卖部。
小卖部老板为了算清楚每种商品的成本和利润,就可以用作业成本法。
比如说进货这件事儿,老板每次去进货都要花费时间、精力还有车费。
这进货的过程就是一个“作业”,车费、时间成本等加起来就是这个作业的总成本。
而作业动因呢,可能就是进货的次数或者进货的商品种类数量。
假如老板这个月进货一共花了 500 块钱,一共进了 10 次货,那作业成本分配率就是 50 元/次。
如果某种饮料这个月进货了 3 次,那这种饮料在进货这个作业上分配的成本就是 3×50 = 150 元。
再比如说,小卖部里整理货架也是一个作业。
整理货架需要花费人力和时间,这部分成本算在一起是 300 元。
而整理货架的作业动因是整理的次数,这个月一共整理了 15 次。
那作业成本分配率就是 20 元/次。
如果某种零食这个月因为上新货整理了 4 次货架,那这种零食在整理货架这个作业上分配的成本就是 4×20 = 80 元。
通过这样的计算,小卖部老板就能更清楚地知道每种商品在进货、整理货架等各个环节上的成本,从而更好地制定价格,控制成本,获取更多的利润。
在实际的企业生产或者服务提供中,作业成本法的应用就更加复杂和多样化了。
比如说一家制造企业,生产线上有多个工序,每个工序都可以看作是一个作业。
像原材料搬运、机器调试、产品组装等等。
计算每个作业的成本,再把这些成本合理地分配到最终的产品上,企业就能更准确地知道每个产品的真实成本,做出更明智的决策,比如哪些产品要加大生产,哪些产品要优化或者淘汰。
作业成本法趣味故事从前有个小老板,叫老王,开了一家小小的蛋糕店。
这蛋糕店啊,看起来不大,但是里面的事儿可不少呢。
老王以前算账特别简单,就用传统的成本计算方法。
他觉得做一个蛋糕嘛,成本就是原材料加上一点水电费,再平摊一下房租就好了。
比如说,一个月房租1000块,这个月做了100个蛋糕,那每个蛋糕平摊10块钱房租成本。
原材料每个蛋糕算下来20块,水电费一个月200块,平摊到每个蛋糕就是2块,所以他觉得每个蛋糕成本就是20 + 10+ 2 = 32块。
但是呢,老王慢慢发现有点不对劲。
有些蛋糕特别复杂,像那种好几层的婚礼蛋糕,上面还有超级精美的雕花,做起来可费劲了,要花好多时间,而且得用专门的工具。
可有些小蛋糕呢,简简单单,几下就做好了。
但是按照之前的算法,成本都一样。
这时候啊,有个聪明的年轻人,小李,来给老王出主意了。
小李说:“王老板啊,你得用作业成本法来算成本才行呢。
”老王一脸疑惑:“啥是作业成本法啊?听起来怪复杂的。
”小李就开始解释了:“您看啊,咱们店里做蛋糕有好多不同的‘作业’。
比如说,做蛋糕胚是一个作业,给蛋糕雕花又是一个作业,包装也是一个作业。
每个作业都有自己的成本。
”“就拿那个婚礼蛋糕来说,做蛋糕胚可能和普通蛋糕用的材料和时间差不多,算它成本10块。
但是雕花这个作业啊,得专门请手艺好的师傅,这师傅工钱一小时50块,做那个雕花花了2个小时,那雕花这个作业成本就是100块。
包装呢,因为婚礼蛋糕大,得用特制的盒子,这个盒子成本5块,包装作业成本就是5块。
再加上其他的一些小成本,这个婚礼蛋糕的成本可就比普通蛋糕高多了。
”“而普通小蛋糕呢,做蛋糕胚8块成本,没有雕花这个作业,包装用普通盒子2块成本,算下来总共成本10块。
”老王听了,眼睛一下子就亮了:“原来是这样啊!我之前都算错了,怪不得有些蛋糕感觉卖便宜了还不赚钱呢。
”从那以后啊,老王就按照作业成本法来计算蛋糕成本了。
他发现这样算成本,每个蛋糕的定价就更合理了。
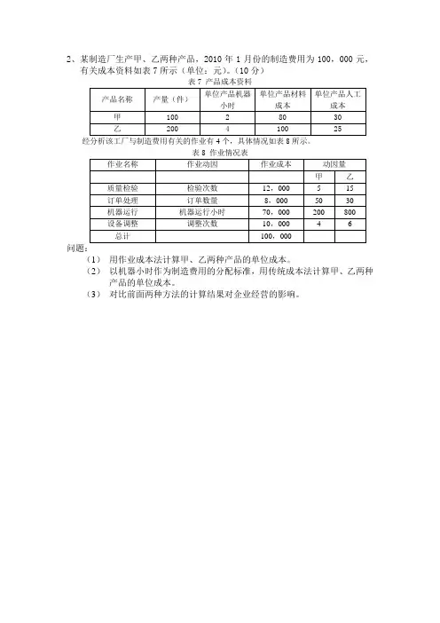
2、某制造厂生产甲、乙两种产品,2010年1月份的制造费用为100,000元,
有关成本资料如表7所示(单位:元)。
(10分)
表8 作业情况表
(1)用作业成本法计算甲、乙两种产品的单位成本。
(2)以机器小时作为制造费用的分配标准,用传统成本法计算甲、乙两种产品的单位成本。
(3)对比前面两种方法的计算结果对企业经营的影响。
解:(1)作业成本法:(4分)
×200+1000×4=26,000(元)乙产品的制造费用为:600×15+100×30+70×800+1000×6=74,000(元)
甲产品的单位费用=单位制造费用+单位材料费用+单位人工费用
26000/100+80+30=370(元)
乙产品的单位费用=单位制造费用+单位材料费用+单位人工费用
74000/200+100+25=495(元)
(2)用传统法计算成本:(4分)
制造费用分配率=100000/(200+800)=100(元/小时)
甲分摊的制造费用:100*200=20000(元)
乙分摊的制造费用:100*800=80000(元)
甲的单位成本=20000/100+80+30=310(元)
乙的单位成本=80000/200+100+25=525(元)
(3)用传统方法计算的产品的成本与用作业成本法计算的产品成本相比较,甲产品少了60元,乙产品多了30元。
这样会导致甲乙两种产品的成本不能很好地体现它们消耗的企业资源,不利于管理决策和生产优化的调整。
(2分)。
作业成本法中产品成本多出非制造费用的例子
作业成本法是一种计算产品成本的方法,该方法将直接材料、直接人工和制造费用按作业或产品批次分配到每个制造产品或作业中。
而非制造费用是指与生产过程无关或无法直接分配的费用,包括管理费用、销售费用、研发费用等。
下面是一个例子:
假设某制造公司生产一批货物,当中使用了100件A零部件,每个A零部件的成本为10元。
在该批货物生产过程中,执行了以下非制造费用:
- 工厂经理工资:10000元
- 销售费用(广告、促销、市场调研等):5000元
- 纸张、文具等办公用品:500元
此时使用作业成本法计算出的产品成本为:
直接材料:100件A零部件× 10元/件 = 1000元
直接人工:暂无数据
制造费用:暂无数据
非制造费用:10000元(工厂经理工资) + 5000元(销售费用) + 500元(办公用品)= 15500元
因此,该批货物的成本为1000元(直接材料)+ 15500元(非制造费用)= 16500元。
这个例子明显展示了作业成本法中产品成本多出非制造费用的情况。
作业成本法在生活中的事例
作业成本法是一种计算成本的方法。
在生活中,我们可以通过作
业成本法来计算一些日常生活中的成本。
1. 餐饮行业:餐厅运营中,可以通过作业成本法来计算每份菜
品的成本。
该方法可以将食材、燃料、人工等因素考虑进去,以确定
每道菜品的制作成本。
2. 制造业:制造行业中,作业成本法可以用于计算每个产品的
成本。
常规作业成本法会考虑原材料、加工成本、劳动力成本等要素,以便制定合理的售价和预算。
3. 纺织业:在纺织业中,作业成本法可以用于计算每件成衣的
制作成本。
这包括纱线成本、加工成本、面料成本、配件成本等,有
助于企业进行成本控制和盈利预测。
4. 运输业:如果有人经营运输业务,作业成本法可以帮助他们
计算每次运输任务的成本。
这包括燃料成本、人工成本、车辆维护成
本等因素,有助于提高运营效率和争取合理运价。
5. 教育行业:在教育领域中,一所学校可以使用作业成本法来
计算每位学生的教育成本。
这涉及到教学资源、教师工资、学生用品
等费用,有助于制定学费和教育投资计划。
以上是几个关于作业成本法在生活中的事例,通过这种计算方法,我们能更准确地了解和控制各个领域的成本,有助于进行决策和规划。
举例说明作业成本法举例说明作业成本法作业成本法是一种用于计算产品成本的方法,它在管理会计领域中得到广泛应用。
在作业成本法中,成本直接与产品的生产过程相关联,通过将成本分配到不同的作业中心或作业订单上,可以准确计算出每个作业的成本,并最终计算出整个产品的成本。
本文将通过几个具体的例子来说明作业成本法的应用。
例1:ABC 餐厅制作汉堡包ABC 餐厅是一家快餐连锁店,它以制作汉堡包为主要业务。
为了计算每个汉堡包的成本,ABC 餐厅使用作业成本法。
它将整个生产过程划分为几个作业步骤,包括面团制作、烘烤、肉饼煎煮、配料准备和包装。
每个作业步骤都会产生一些成本,例如原材料费用、人工费用和能源费用。
ABC 餐厅根据每个作业步骤的成本来计算每个汉堡包的成本,从而确定合理的销售价格。
例2:汽车制造公司生产小轿车一家汽车制造公司使用作业成本法来计算每辆小轿车的成本。
该公司将生产过程划分为不同的作业中心,包括车身制造、发动机制造、座椅制造、电气设备制造等。
每个作业中心都会产生一些直接和间接成本,如原材料费用、人工费用、设备折旧费用等。
通过将这些成本分配到每辆小轿车上,该公司可以计算出每辆小轿车的成本,并用于定价和业绩评估。
例3:建筑公司建造一座大楼一家建筑公司使用作业成本法来计算建造一座大楼的成本。
在这个案例中,作业指的是各个施工阶段,如地基施工、结构施工、装饰施工等。
每个施工阶段都会产生一些成本,包括材料费用、人工费用、机械设备使用费用等。
建筑公司根据每个施工阶段的成本来计算整个大楼的成本,并与客户达成合适的合同金额。
例4:制药公司生产一种药物一家制药公司使用作业成本法来计算生产一种药物的成本。
该公司将生产过程划分为几个作业步骤,包括原料采购、研发、生产、包装等。
每个步骤都会产生一些成本,如原材料费用、研发费用、劳动力费用等。
通过将这些成本分配到每种药物上,该公司可以计算出每种药物的成本,并在市场上制定合理的定价。
时间驱动作业成本法应用案例咱先来说说一家小工厂的事儿。
这工厂不大,但生产的东西还挺多样的。
以前呢,这工厂用传统成本法算成本,那叫一个乱。
比如说,他们生产两种小零件,A零件和B零件。
传统成本法就简单粗暴地按照机器工时之类的分摊制造费用。
结果就是,A零件老是觉得自己成本算高了,B零件呢,成本又好像算低了。
为啥呢?因为A零件虽然机器工时多,但它有些特殊工序,费的人力、物力不是光靠机器工时就能体现的。
这时候啊,时间驱动作业成本法就闪亮登场了。
他们得确定各个作业的单位时间产能成本。
就像有个老师傅,他一天工作8小时,一个月工资是这么多钱,那他每小时的成本就能算出来了。
这还包括他用的设备、场地啥的分摊到每小时的成本,这就是单位时间产能成本。
然后呢,再看每个零件在每个作业上花费的时间。
比如说A零件,它在装配这个作业上,需要老师傅专门花30分钟,而且这个装配作业每次启动还得花点准备时间,这准备时间也得算进去啊。
对于B零件呢,它虽然机器加工时间短,但是检验工序特别麻烦。
以前按照传统成本法,根本没把这个检验的复杂程度体现出来。
现在按照时间驱动作业成本法,就把检验员检验B零件花的额外时间都算进去了。
这么一算下来,可不得了。
A零件的成本准确了很多,不再被冤枉地抬高成本了。
B零件的成本也合理了,不再被低估。
老板一看这成本算得这么清楚,就可以做很多明智的决策了。
比如说,A零件如果成本合理了,发现利润空间还挺大,就可以加大生产。
B零件呢,发现成本比想象中高,那就可以看看能不能优化检验工序,降低成本。
再讲讲一家快递公司的例子吧。
快递公司以前按照传统方法算成本,就把什么运输费、分拣费啥的简单分摊到每个包裹上。
可是有些包裹啊,是那种需要特殊处理的,比如易碎品,要特别小心包装,还得单独存放运输,这花费的时间和精力可比普通包裹多多了。
用了时间驱动作业成本法后呢,他们先确定快递员每小时的工作成本,包括他的工资、交通工具的折旧、油费啥的分摊到每小时。
作业成本法例题例一:ART公司生产三种电子产品,分别是产品X、产品Y、产品Z。
产品X是三种产品中工艺最简单的一种,公司每年销售10000件;产品丫工艺相对复杂一些,公司每年销售20000件,在三种产品中销量最大;产品Z工艺最复杂,公司每年销售4000件。
公司设有一个生产车间,主要工序包括零部件排序准备、自动插件、手工插件、压焊、技术冲洗及烘干、质量检测和包装。
原材料和零部件均外购。
ART公司一直采用传统成本计算法计算产品成本1. 1传统成本计算法1、公司有关的成本资料如下:1.2公司的定价策略及产品销售方面的困境1、公司的定价策略公司采用成本加成定价法作为定价策略,按照产品成本的125%设定目标售价,如下表所示:2、产品销售方面的困境近几年,公司在产品销售方面出现了一些问题。
产品X按照目标售价正常出售。
但来自外国公司的竞争迫使公司将产品丫的实际售价降低到328元,远远低于目标售价377.5元。
产品Z的售价定于157.5元时,公司收到的订单的数量非常多,超过其生产能力,因此公司将产品Z 的售价提高到250元。
即使在250元这一价格下,公司收到订单依然很多,其他公司在产品Z的市场上无力与公司竞争。
上述情况表明,产品X的销售及盈利状况正常,产品Z是一种高盈利低产量的优势产品,而产品丫是公司的主要产品,年销售量最高,但现在却面临困境,因此产品丫成为公司管理人员关注的焦点。
在分析过程中,管理人员对传统成本计算法提供的成本资料的正确性产生了怀疑。
他们决定使用作业成本计算法重新计算产品成本。
1. 3作业成本计算法1、管理人员经过分析,认定了公司发生的主要作业并将其划分为几个同质作业成本库,然后将间接费用归集到各作业成本库中。
归集的结果如下表所示:成本动因:单位作业成本:3、将作业成本库的制造费用按单位作业成本分摊到各产品4、经过重新计算,管理人员得到的产品成本资料如下:1.4问题的解决采用作业成本计算法取得的产品成本资料令人吃惊。
作业成本法应用指南案例一、案例背景。
咱们就说有个小工厂,叫超酷小厂,主要生产两种超级酷的小玩意儿,一个是超炫小零件A,另一个是超棒小零件B。
这小厂之前一直用传统成本法算成本,但是最近发现,这成本算得好像有点不太对劲儿,利润老是跟预期差那么一丢丢,老板就寻思着是不是成本核算方法有问题呢。
二、传统成本法下的成本核算。
1. 成本分配基础。
在传统成本法里,超酷小厂就按照直接人工工时来分配制造费用。
为啥呢?因为老板觉得这人工工时好统计,就这么定了呗。
生产超炫小零件A要用3个直接人工工时,超棒小零件B要用2个直接人工工时。
2. 制造费用总额。
这个月制造费用总共是100,000元。
3. 成本计算。
直接人工总工时是5,000小时(超炫小零件A生产1,000个,共3,000小时;超棒小零件B生产1,000个,共2,000小时)。
制造费用分配率就是100,000÷5,000 = 20元/小时。
超炫小零件A的制造费用就是3×20 = 60元/个,超棒小零件B的制造费用就是2×20 = 40元/个。
但是呢,老板总感觉超炫小零件A的价格在市场上好像有点高,不太好卖,可按照这个成本算下来,不标这个价就得赔本啊。
超棒小零件B呢,价格倒是挺有竞争力,但是利润也没有想象中那么高。
老板就很纳闷儿,到底咋回事呢?三、作业成本法下的成本核算。
1. 确定作业和作业中心。
经过一番研究,超酷小厂发现生产这两个小零件其实有好几个不同的作业环节。
比如说有机器准备作业、生产加工作业、质量检验作业这三个主要的作业中心。
2. 成本动因分析。
机器准备作业。
成本动因是机器准备次数。
超炫小零件A每次生产前要准备机器5次,超棒小零件B每次生产前要准备机器3次。
这个月机器准备作业的成本是20,000元。
那机器准备作业的成本分配率就是20,000÷(5×1,000 + 3×1,000)=2.5元/次。
超炫小零件A分配到的机器准备成本就是2.5×5 = 12.5元/个,超棒小零件B分配到的机器准备成本就是2.5×3 = 7.5元/个。
作业成本法应用指南案例一、案例背景。
咱就说有这么个小工厂,叫酷玩小厂,专门生产超酷的玩具。
以前啊,这厂计算成本就用传统方法,简单粗暴。
老板呢,总感觉这成本算得不太对劲儿,利润好像没自己想的那么多,但是又不知道问题出在哪。
二、传统成本计算方法下的问题。
酷玩小厂生产两种玩具,一种是超级英雄玩偶,一种是魔法精灵小摆件。
传统成本计算就是按照直接人工工时来分配制造费用。
比如说,这个月总的制造费用是10万块钱,超级英雄玩偶用了600个人工工时,魔法精灵小摆件用了400个人工工时。
那按照这个算法,制造费用就这么分给两种产品了。
但是呢,超级英雄玩偶老是卖得不太好,价格也不敢往上提,因为按照这个成本算出来的利润空间小得可怜。
可老板觉得这超级英雄玩偶制作过程挺复杂的啊,咋就不赚钱呢?三、作业成本法的引入。
后来啊,有个聪明的会计小哥就说,咱们试试作业成本法呗。
于是呢,他们就开始分析生产过程中的各种作业。
1. 作业识别。
首先是设计作业。
超级英雄玩偶的设计可复杂了,要根据各种超级英雄的形象来设计,还要不断修改,魔法精灵小摆件相对来说设计就简单多了。
然后是原材料采购作业。
超级英雄玩偶的原材料供应商少,采购起来麻烦,魔法精灵小摆件的原材料到处都能买到,采购成本低而且简单。
还有生产作业。
超级英雄玩偶生产的时候,工序多,而且每一道工序都得小心翼翼,像给超级英雄玩偶的衣服上色,那可得很精细;魔法精灵小摆件工序就少些,简单得多。
最后是包装作业。
超级英雄玩偶因为个头大,包装材料用得多,包装起来也费事儿;魔法精灵小摆件小巧玲珑,包装起来就轻松多了。
2. 成本动因确定。
对于设计作业,成本动因就是设计的小时数。
超级英雄玩偶设计用了100个小时,魔法精灵小摆件设计只用了20个小时。
原材料采购作业的成本动因就是采购订单的数量。
超级英雄玩偶的原材料采购订单有10个,魔法精灵小摆件的采购订单就3个。
生产作业的成本动因是生产批次。
超级英雄玩偶一个月生产5批,魔法精灵小摆件生产3批。