勘察设计单位施工图考核评分表(1)
- 格式:docx
- 大小:15.52 KB
- 文档页数:1
附件1:勘察设计单位施工图考核评分表勘察设计单位负责人签字:日期:建设单位负责人签字:日期:填表说明:一、本表的考核总分设定为300分,打分采用扣分制,不设基础分,扣完为止。
二、本表检查结果必须经勘察设计单位签认方为有效(勘察设计单位不签认的,应经项目管理机构或客运专线公司考核组组长或副组长签字确认并注明原因)。
三、建设单位在考核表中应注明扣分原因,并归档保存。
四、为保证全路考核标准的统一性,建设单位和项目管理机构不得更改打分标准。
附件2:勘察设计单位施工图考核计分原则一、建设单位内勘察设计单位考核分数计算(一)勘察设计单位在一个建设单位内只承担一个建设项目勘察设计任务时,建设单位对勘察设计单位考核分数即为该项目的考核分数。
(二)勘察设计单位在一个铁路局管辖范围内承担多个建设项目勘察设计任务时,铁路局对勘察设计单位的考核分数为所有项目考核分数的加权平均值。
加权平均值=∑(a i×b i)/n其中:a i为项目考核分数,b i为项目权重,n为权数, n=∑b i。
国家重点建设项目、客运专线、铁道部确定的重点控制项目的权重为1.5,当一个项目同时具备上述两个或三个特征时,只计一次权重;初步设计批复的静态投资额在50亿元(含)以上的其他项目权重为1.2;初步设计批复的静态投资额在50亿元以下的其他项目权重为1.0。
(三)客运专线公司对勘察设计单位的考核结果,为该勘察设计单位在公司管辖内承担所有项目考核分数的平均值。
二、全路考核分数计算勘察设计单位在全路考核的最终得分=基准分+均衡分。
考核最终得分保留两位小数。
(一)基准分计算方法1. 在考核期内,勘察设计单位承担的项目只由一个建设单位考核时,勘察设计单位本考核期基准分按下式计算:基准分=(0.6F×G+0.4K)/(0.6G+0.4)2. 在考核期内,勘察设计单位承担的项目由两个建设单位考核时,勘察设计单位本考核期基准分按下式计算:基准分= (0.4F1×G1+0.4F2×G2+0.2K)/(0.4G1+0.4G2+0.2)3. 在考核期内,勘察设计单位承担的项目由三个建设单位考核时,勘察设计单位本考核期基准分按下式计算:基准分= [0.3(F1×G1+F2×G2+F3×G3)+0.1K] /[0.3(G1+G2+G3)+0.1]4. 在考核期内,勘察设计单位承担的项目由四个及以上建设单位考核时,勘察设计单位本考核期基准分按下式计算:基准分=∑(F i×G i)/NF为建设单位内各勘察设计单位考核分数,G为建设单位权重(客运专线公司为1.2,其他建设单位为1),K为所有建设单位对勘察设计单位考核分数的平均值,N为权数, N=∑G i。
项目编号: 项目名称:
项目编号:
备注:记分办法:表中“具体要求”一栏所列内容为计分单项,如无某一单项内容,则不参加计分,在评分栏注记“无”。
“最后得分”=(“合计”÷“参加计分单项标准分之和”)×100。
以“最后得分”评定等级。
水文地质勘查成果报告质量等级评分表项目编号:
环境地质勘查成果报告质量等级评分表项目编号:
矿产资源勘查项目野外验收评分表
项目编号:
项目名称:
“最后得分”=(“合计”÷“参加计分单项标准分之和”)×100。
以“最后得分”评定等级。
水文地质勘查项目野外验收评分表项目编号:
项目名称:
环境地质勘查野外验收评分表项目编号:
项目名称:
地质调查科技项目成果报告质量等级评分表
项目编号:
项目名称:
计分办法说明:表中“考评内容及标准”一栏所列内容为考评计分单项,如无某一单项内容,则划去“分值”一栏对应的分数,并在“得分”栏注记“无”。
“最后得分”=(“得分合计数”÷“分值合计数”)×100。
以“最后得分”评定报告质量等级。
科研项目成果报告质量等级评分表
项目名称:
计分办法说明:表中“考评内容及标准”一栏所列内容为考评计分单项,如无某一单项内容,则划去“分值”一栏对应的分数,并在“得分”栏注记“无”。
“最后得分”=(“得分合计数”÷“分值合计数”)×100。
以“最后得分”评定报告质量等级。
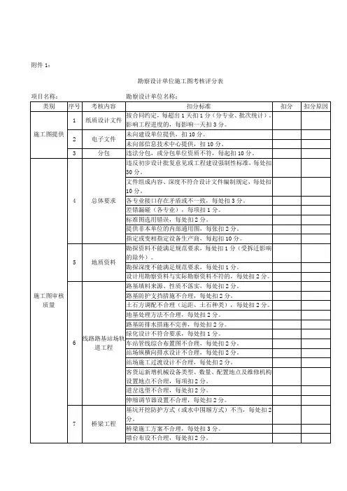
附件1:勘察设计单位施工图考核评分表项目名称:勘察设计单位名称:类别序号考核内容扣分标准扣分扣分原因施工图提供1 纸质设计文件按合同约定,每超出1天扣1分(分专业、批次统计)。
影响工程进度的,每影响一天扣3分。
2 电子文件未向建设单位提供,扣10分。
未向部信息技术中心提供,扣10分。
3 分包违法分包,或分包单位资质不符,每起扣10分。
施工图审核质量4 总体要求违反初步设计批复意见或工程建设强制性标准,每处扣30分。
文件组成内容、深度不符合设计文件编制规定,每处扣10分。
各专业接口存在矛盾或不一致,每处扣3分。
差错漏碰(各专业),每项扣1分。
标准图选用错误,每处扣2分。
提供非本单位的内部通用图,每张扣2分。
指定或变相指定设备生产商,每起扣10分。
5 地质资料勘探资料不能满足规范要求,每处扣1分(受拆迁影响的除外)。
勘探深度不能满足规范要求,每处扣1分。
设计用勘察资料与实际勘察资料不符的,每处扣2分。
6线路路基站场轨道工程路基填料来源、性质不落实,每处扣2分。
路基防护支挡措施不合理,每处扣2分。
土石方调配不合理(运距、土石种类),每处扣2分。
地基处理方法不合理,每处扣2分。
路基防排水措施不完善,每处扣2分。
绿化设计不符合要求,每处扣1分。
车站管线综合布置图不合理,每处扣2分。
站场纵横向排水设计不合理,每处扣2分。
站场施工过渡设计不合理,每处扣2分。
客货运新增机械设备类型、数量、配置地点及维修机构设置地点不合理,每项扣2分。
道岔选型不合理,每处扣2分。
伸缩调节器设置不合理,每处扣2分。
7 桥梁工程基坑开挖防护方式(或水中围堰方式)不当,每处扣2分。
桥梁施工方案不合理,每处扣3分。
墩台布设不合理,每处扣2分。
作用相同、外界条件一致的墩台形式不统一,扣3分。
基础(桩基)埋置深度不足或过长,每处扣3分。
人行通道设置不合理,每处扣2分。
桥涵设置未满足防洪要求,每处扣2分。
8 隧道工程工程措施与地质勘察的地质条件不对应,每处扣5分。
工程施工测量检查评分表序号项目内容扣分标准检查结果得分1 工程测量前的准备工作1.1 测量前的准备工作是否完整1.2 测量工具是否准确、完整的校准1.3 测量人员是否具备较高的测量技能1.4 是否有详细的测量方案和程序1.5 是否具备测量安全措施1.6 是否有遵守相关法规的证明文件2 测量过程中的操作2.1 测量是否按照方案和程序进行2.2 测量人员是否严格按照规范进行操作2.3 测量人员是否互相配合,沟通顺畅2.4 是否及时记录测量数据2.5 是否采用正确的测量方法和仪器2.6 是否对测量过程进行必要的记录和备份2.7 是否有测量过程中出现的致命错误的处理方案3 测量后的数据处理3.1 测量数据是否准确、完整3.2 是否进行数据质量的分析和校核3.3 是否对数据进行有效的存储和管理3.4 是否能够及时提供测量数据的初步处理成果3.5 是否能够根据需要调整数据处理方案和程序4 测量结果的验证4.1 是否对测量结果进行验证和核实4.2 是否保留相关的验证记录和资料5 施工现场管理5.1 施工现场是否有清晰的测量标志5.2 施工现场测量设备是否齐全、完好5.3 是否对施工现场进行定期清理和维护5.4 施工现场管理人员是否具备测量知识6 安全检查6.1 是否有安全检查记录和检查结果6.2 施工现场是否采取必要的安全措施6.3 是否对施工现场的安全状况进行评估和改善7 环境保护7.1 是否有环境保护监测计划7.2 是否对施工现场的环境状况进行评估和改善8 质量管理8.1 施工现场是否有质量管理措施8.2 是否对施工现场的质量状况进行评估和改善9 完工验收9.1 是否进行工程完工验收9.2 是否有验收记录和结论9.3 是否能够按时交付验收成果总分:评分标准:90-100分优秀80-89分良好70-79分中等60-69分合格60分以下不合格评分说明:1. 按照项目列出的扣分标准对每个项目进行评分,合计得出总分2. 根据得分标准评定项目的优良中差,得到总体评分结果备注:________________________________________编制人:_____________ 审核人:_____________日期:年月日。
设计单位考核情形评分表工程名称:设计单位名称:“建筑规划、结构、设备设计先进合理、安全经济,图面表达清楚,下确无误”给5分。
“建筑规划、结构、设计先进合理、安全经济,图面基本表达清楚、无明显错误”给4分。
“建筑规划、结构、设备设计基本做到先进合理、安全经济,图面基本表达清楚,关键性错误不多”给3分。
“建筑规划、结构、设备设计不合理且影响安全使用,图面表达不清楚,错误很多”给0分。
提前交图3天以上给5分。
按合同交力期±3天(含3天)给4分。
延期3至5天(含5天)给3分。
延期5天以上给0分。
“与各方配合主动、协调默契”给5分。
“与各主配合较主动、协调较默契”给4分。
“与各方配合、协调效果一般”给3分。
“与各方配合不主动、协调不默契”给0分。
“与各方配合主动、协调默契”给5分。
“与各方配合较主动、协调较默契”给4分。
“与各方配合、协调效果一般”给3分。
“与各方配合不主动、协调不默契”给0分。
制表:审批:日期:说明:以上考核分项中,凡有一项评为0分,那么总评分为0分。
监理单位考核评分表项目名称:监理单位名称:获“白玉兰”以上质量奖给5分。
评为“优良工程”给4分。
评为“合格工程”给3分。
评为“不合格工程”给0分。
提前竣工5天以上给5分。
按合同工期±5天(含5天)给4分。
延期5至10天(含10天)给3分。
延期10天以上给0分。
“监督措施得力,配合协调到位”给5分。
“监督措施较得力,配合协调较到位”给4分。
“监督措施效果一般,配合协调作用一般”给3分。
“监督措施不得力,配合协调不到位”给0分。
“监督措施得力,配合协调到位”给5分。
“监督措施较得力,配合协调较到位”给4分。
“监督措施效果一般,配合协调作用一般”给3分。
“监督措施不得力,配合协调不到位”给0分。
制表:审批:日期:说明:以上考核分项中,凡有一项评为0分,那么总评分为0分。
施工单位考核评分表项目名称:施工单位名称:获“白玉兰”以上质量奖给5分。