吊篮联合验收表
- 格式:docx
- 大小:11.13 KB
- 文档页数:3
吊篮联合验收表五方盖章一、引言吊篮联合验收表是指在吊篮工程竣工阶段,由吊篮制造商、施工单位、监理单位、验收单位和业主单位等五方共同参与进行吊篮工程的验收工作,并在验收表上加盖各方单位的公章,以确认吊篮工程的合格性和安全可靠性。
本文将对吊篮联合验收表五方盖章进行详细探讨。
二、吊篮联合验收表的含义和作用2.1 吊篮联合验收表的含义吊篮联合验收表是指在吊篮工程竣工阶段,各相关方共同填写、签署并加盖公章的一份文件,用于确认吊篮工程的合格性和安全可靠性,以便正式交付使用。
2.2 吊篮联合验收表的作用吊篮联合验收表的主要作用包括: - 确认吊篮工程的安全使用可行性; - 检查吊篮工程的合规性及质量; - 解决吊篮工程中的纠纷和问题; - 提升吊篮工程管理和质量控制水平。
三、吊篮联合验收表五方盖章的意义和要求3.1 吊篮联合验收表五方盖章的意义吊篮联合验收表五方盖章是指由吊篮制造商、施工单位、监理单位、验收单位和业主单位等五方共同参与填写、签署并加盖单位的公章,以确认吊篮工程的合格性和安全可靠性。
盖章的意义在于: - 显示各方单位对吊篮工程的认可和承诺; - 确保各方单位在吊篮工程中的责任和义务; - 划定各方单位在吊篮工程中的权益和责任。
3.2 吊篮联合验收表五方盖章的要求吊篮联合验收表五方盖章的要求包括: 1. 各方单位必须真实填写吊篮联合验收表各项内容; 2. 各方单位必须在合适的位置签署并加盖单位的公章; 3. 各方单位盖章后需确认盖章的真实性和有效性; 4. 各方单位盖章后需保证文件的机密性和安全性。
四、吊篮联合验收表的内容和格式4.1 吊篮联合验收表的基本内容吊篮联合验收表的基本内容包括: 1. 吊篮工程的基本信息,如项目名称、地点、批准文号等; 2. 吊篮制造商的信息,如名称、地址、联系方式等; 3. 施工单位、监理单位、验收单位和业主单位的信息,包括名称、地址、联系方式等; 4. 各方单位签署和盖章的位置; 5. 附录:吊篮工程的相关证件和文件复印件。
吊篮验收表3正式资料doc 正式版文档资料可直接使用,可编辑,欢迎下载
注:本表有产权单位,监理,总包,分包,产权单位各存一份。
高处作业吊篮验收表
吊篮安装(移位)检查验收表QR822-02 吊篮编号:
津建安—施-76 高处作业吊篮安装验收表
备案编号:验收日期:年月日
注:量化的参数应填实测值。
验收结果代号:√=合格,○=整改后合格,×=不合格,无=无此项
津建安-施-77
高处作业吊篮安全检查表
栋号:年月
此表按栋号填写,超出台数另加本表。
检查结果:√=合格○=整改后合格×=不合格无=无此项
津建安-施-78
高处作业吊篮作业前安全隐患排查表
津建安—施-49
安装(拆卸)监控记录表
填表单位(盖章):作业名称:
此表为起重机械、高处作业吊篮、附着脚手架、整体提升模板的安装(含附着、加高、拆卸)施工作业过程监督;安装单位、施工总承包单位分别填写。
附件2 高处作业吊篮日常检查表附件3 高处作业吊篮租赁安全承诺书使用单位:(以下称甲方)出租单位:(以下称乙方)根据工程的需要,经甲、乙双方共同协商,自年月日起,甲方租用乙方的型吊篮台,为明确责任,便于管理,确保安全,利于生产,双方共同签订本承诺书。
一、甲、乙双方共同执行国家和山东省、临沂市有关吊篮租赁、安拆、使用的安全管理规定。
二、乙方必须保障出租的吊篮具备出厂合格证、型式检验报告并取得备案证明,保障吊篮完好和安全,安全锁在检验标定有效期内,提升、制动、限位等装置齐全有效。
三、乙方必须保障按照吊篮生产厂家的技术文件负责组织吊篮的安装、拆除。
安装单位应具备起重设备安装工程资质,安装人员应取得特种作业资格证,安装方案应报总承包单位审批、总监理工程师审核。
四、乙方安装吊篮后,总承包单位负责组织乙方、安装、分包、监理单位联合验收,联合验收合格后方准投入使用。
五、乙方在吊篮安装、拆除过程中发生的安全事故,责任由乙方负责。
施工吊篮在安装、拆除作业时,甲方负责协调总承包单位给乙方划分作业区并现场协调。
五、甲方在租用期间不得随意拆除和损坏设备的安全装置,吊篮安装完毕后不得随意改动。
六、甲方在吊篮使用过程中应根据根据不同施工阶段、周围环境以及季节、气候的变化做好吊篮安全防护工作,吊篮出现故障或发生异常情况时应立即停止使用。
七、甲方在吊篮使用过程中,操作人员的安全带必须扣在生命安全绳上,使用人员因违反高处作业吊篮有关技术标准和操作规程发生的事故,责任由甲方负责。
但因吊篮本身的缺陷或安全装置失效发生的事故由乙方负责。
八、甲方在吊篮使用过程中应按有关技术标准要求对吊篮进行维护、保养,应按规定进行日常巡查并做好记录,因日常维护、保养不当等原因造成的安全事故,责任由甲方负责。
九、甲、乙双方应共同组织吊篮操作人员教育培训,使用之前做好安全技术交底并记录。
十、施工吊篮在作业中发生事故时,甲、乙双方均应保护现场,积极抢救并向上级主管部门报告,配合上级部门调查处理。
吊篮联合验收表五方盖章吊篮联合验收表五方盖章一、引言吊篮联合验收表是在吊篮安装和使用过程中进行的一项重要工作。
吊篮是建筑施工中常用的设备,用于高空作业和运输材料。
为了确保施工安全和质量,吊篮必须经过严格的验收程序,并由相关方进行盖章确认。
二、验收内容1. 吊篮结构:检查吊篮的整体结构是否牢固,无明显变形或损坏。
2. 吊篮悬挂系统:检查悬挂系统是否完好,无松动或磨损现象。
3. 吊篮安全装置:检查安全装置是否齐全、灵敏可靠,并能正常工作。
4. 吊篮电气系统:检查电气系统是否符合安全标准,无漏电或短路现象。
5. 吊篮防护设施:检查吊篮周边的防护设施是否完善,能有效避免人员或物体坠落。
三、验收流程1. 准备工作:组织验收人员,包括建设单位代表、监理单位代表、施工单位代表、制造厂家代表和专业技术人员。
2. 验收前检查:由制造厂家代表对吊篮进行全面检查,确保吊篮符合相关标准和要求。
3. 验收过程:验收人员按照验收内容逐项进行检查,并记录相关问题和意见。
4. 问题处理:对于发现的问题,制造厂家代表和施工单位代表应及时协商解决,并确保问题得到妥善处理。
5. 验收结果确认:经过全面检查和问题处理后,验收人员共同确认吊篮的合格性,并签署确认文件。
6. 盖章确认:建设单位代表、监理单位代表、施工单位代表、制造厂家代表和专业技术人员分别盖章确认。
四、盖章意义1. 建设单位盖章:表示建设单位对吊篮的安全性和质量进行了认可,并承担相应责任。
2. 监理单位盖章:表示监理单位对吊篮的安装和使用过程进行了监督,并认可其符合相关标准和要求。
3. 施工单位盖章:表示施工单位对吊篮的安装和使用负责,并承诺按照规定操作,确保施工安全。
4. 制造厂家盖章:表示制造厂家对吊篮的设计和制造负责,并承诺提供售后服务和维护支持。
5. 专业技术人员盖章:表示专业技术人员对吊篮的技术性能进行了评估,并认可其合格性。
五、总结吊篮联合验收表五方盖章是确保吊篮安全和质量的重要环节。
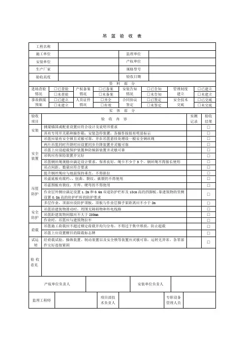
高处作业吊篮安装后验收表
工程名称:东岳鑫城2# 3#楼
使用单位山东美联工程投资有限公司设备型号ZLP630
产权单位泰安市强能建筑机械有限公司额定荷载630KG
标定日期验收日期2014年4月4日检验项目检查内容检查结果
技术资料经过审批合格的安装、技术方案符合产权单位营业执照、产品合格证齐全符合安全锁标定证书符合安装人员操作证书符合
产品标牌内容是否齐全(产品名称、主要技术性能、
制造日期、出厂编号、制造厂名称)
符合
平台防护吊篮主结构有无开焊或明显锈蚀,螺栓有无松动、
缺损,外框有无明显变形、锈蚀
无
平台使用所需长度不能超过厂家使用说明书所规
定长度
符合
平台底板四周是否装有标准高度的踢脚板、平台底
板是否有防滑措施
有
提升机构提升机构所有装置外露部分是否装防护装置已装提升机构连接螺母是否紧固紧固电磁制动器和机械制动器是否灵敏有效灵敏有效
安全装置
上、下行程限位装置是否灵敏可靠灵敏可靠
超高限位器止挡安装在距顶端80cm处固定符合
安全锁灵敏可靠,在标定有效期内,离心触发式制
动距离100cm,摆臂防倾3~8度锁绳
符合
独立设置保险绳,直径不小于16mm锦纶绳,锁绳
器符合要求
符合
钢丝绳无断丝、磨损、扭结、断丝、变形、锈蚀、无沙砾、
灰尘附着
符合固定是否符合要求符合坠重应距地15cm垂直绷紧符合
悬挂机构悬挂机构的零部件是否齐全正确,安装是否符合要
求,钢结构有无开焊、变形、裂纹、破损
符合配重应固定牢固,重量及块数(是否符合要求) 符合
挑梁外伸长度及两根挑梁之间的距离是否符合标
准,悬挂机构前高后低设置,纤维张紧度为前端上
翘2-3cm,抗倾覆系数是否符合安全使用要求(X≥
2)
符合
电气系统电动吊篮专用箱必须达到一机、一闸、一漏符合配电箱外壳的绝缘电阻不小于兆欧符合电线、电缆有无破损,供电电压380±10% 符合电气系统各种安全保护装置是否齐全、可靠符合电气元件是否灵敏可靠灵敏可靠
验收结论
建设单位验收意见:
负责人签章:总承包单位验
收意见:
负责人签章:
监理单位验收意
见:
负责人签章:
使用单位验收意
见:
负责人签章:
租赁单位验收意
见:
负责人签章:。