中频感应炉工艺篇
- 格式:pptx
- 大小:753.54 KB
- 文档页数:103
中频感应电炉烘炉曲线(英赛德材料)
图一
10吨中频感应炉筑炉操作工艺规程
1.筑炉前应检查炉衬材料是否符合要求,筑炉中不得有杂物掉落到炉衬材料中。
2.筑炉时钢丝网和石棉布应按要求对接好,保证搭接平整无皱折。
3.漏炉报警钢丝应用规定型号的钢丝,并连接牢靠,防止断开。
4.感应炉筑炉尺寸:炉体直径Φ1080毫米;深度1940毫米;炉底厚度340毫米;炉壁厚150毫米。
5.每个炉体需要材料约3200-3300公斤。
6.先将保温等附料铺好在炉体上后,检查完好后,开始筑炉。
7.先筑炉底,分三次筑打(用料约900-1000公斤),一次加料12包(300公斤),手叉出气2遍,再放12包,再叉气2遍,三次加料。
放入震动板,连续震动30-40分钟。
测量炉底厚度,达到要求。
把多余的料刮到四周取出,四周200毫米一圈叉松。
8.筑炉四周炉衬,放入坩埚,坩埚保证在正中,四周均匀并固定。
每次加料150公斤(6袋),手工叉出气2遍,重复以上工序,直到炉衬达到炉口。
放入震动板,由下至上每隔100毫米遍震,旋转提升6-8分钟,再次加满料,每隔200
毫米提升再震5分钟。
9.修好炉口,按要求修好炉嘴。
在坩埚内装满干净废机体作为烘炉铁,并安装好热电偶插杆及显示屏,检查电器和循环水,一切正常即可按工艺要求通电烘炉,烧结。
10.炉盖与炉体紧密覆盖,尽可能没有间隙。
作业文件中频炉打炉烘炉工艺文件编号:XGG-070(第一版)(受控)2008-03-31 发布2008-04-01实施新兴铸管股份有限公司钢管部发布目录第一节打炉 (3)第二节烘炉 (4)第三节拆炉 (4)第四节附录 (5)中频炉打炉烘炉工艺第一节打炉一、使用范围本工艺适用于中频炉干打碱性炉衬料的打炉操作。
二、打炉前检查、准备1、设备检查、准备检查感应圈是否漏水、绝缘漆有无剥落;检查感应线圈之间的距离,不得太近;检查耐火胶泥永久层有无破损,炉底永久层有无缺陷;若安装透气砖,则检查炉底小孔的位置及氩气安装连接方式;2、物料检查、准备打炉所用物料:坩锅、耐火石棉布、炉衬干打料、玻璃水、透气砖等;根据不同炉型按照附录表1和表2 中的尺寸和数量准备坩锅和其它各种物料;坩锅要求椭圆度符合附录表1 的要求,外表面不得有较大的凸起,应具有大量的透气孔,坩锅应在清理完外表面的铁锈后使用;干打料的包装使用前不得破损,不得受潮;检查干打料中是否存在小铁块等磁性物质、是否含有大量杂质;若有,应及时向领导汇报情况,并在处理后使用或不用,严禁磁性物质及大量夹杂物带入炉衬料中;透气砖安装前检查是否透气,是否存在破损等影响使用的不安全因素,要求透气砖完整无缺陷,透气管采用不锈钢制作;3、工器具准备打炉烘炉应准备的工器具:震动器、盒尺、钢板、铁锹、铝丝等;检查震动器是否完好可用,其它工器具是否准备到位;最好不要使用钢板、铁锹等铁磁性材料,除非没有其它合适的工具;三、打炉操作1、检查耐火料永久层是否有破损,破损处采用玻璃水与耐火材料填补;2、将剪裁好的石棉布整齐摆放在炉底及炉壁,在炉口用铁块将石棉布固定,相互交叠不得有漏缝;3、向炉底均匀添加打炉料,用震动器均匀打结;4、炉底分层打结,每一层打结厚度控制在60伽左右;5、硬度检查合格,刮毛后加入下批打炉料;6、炉底打结完后加入坩锅,将坩锅四周刮毛;7、坩锅外表面应清理干净,不得有铁锈、油渍等影响炉衬质量的杂物;8、坩锅内加入部分废钢料,然后装入炉内;9、将坩锅摆放在炉子的中心位置,用铝丝测量不同位置、相同高度的坩锅外壁与炉体内壁的距离,若厚度均匀,则用木块在炉口将坩锅固定;10、炉衬同样分层打结,炉衬打结一层的高度不得超过100伽,一般控制在50〜60伽左右,层与层之间刮毛后加入下批打炉料;11 、若炉口没有用木块将坩锅固定,每打结一层炉衬,用铝丝测量炉衬厚度是否均匀,尤其在炉衬打结的最底部;12、炉衬最上一层采用玻璃水炉衬料打结,但须注意,熔化造渣位置不得用玻璃水炉衬料打结;13、出钢口做圆滑过渡;14、炉衬与炉嘴连接位置不得有缝隙,防止出钢时漏钢;第二节烘炉一、烘炉前检查1、检查水冷系统是否工作正常,电缆冷却水、感应线圈冷却水、配电柜冷却水的水温、流量、压力;2、检查液压系统是否工作正常、油箱液面高度;3、检查电器是否工作正常;4、热电偶及温度显示仪表工作是否正常;5、其它参见中频炉熔化工艺中的安全检查要求;二、烘炉工艺碱性炉衬中频炉的烘炉曲线为:第三节拆炉一、使用范围本工艺适用于中频炉拆炉操作。
中频感应炉技术参数
摘要:
1.中频感应炉简介
2.中频感应炉的标准
3.中频感应热处理工艺参数的确定
4.中频感应炉的工作原理
5.中频感应炉的应用领域
正文:
一、中频感应炉简介
中频感应炉是一种将工频50HZ交流电转变为中频(300HZ以上至1000HZ)的电源装置。
它通过整流将三相工频交流电变成直流电,再将直流电变为可调节的中频电流。
中频电流在感应圈中产生高密度的磁力线,并切割感应圈里盛放的金属材料,从而在金属材料中产生很大的涡流。
二、中频感应炉的标准
虽然中频感应炉属于非标准电磁感应加热设备,但其设计制造仍有相应的标准可供参考。
我国针对中频感应炉生产制造制定了国标和部颁标准,如
GB10067.3-88、GB10066.1-88、GB10066.2-88、GB10066.3-88等。
三、中频感应热处理工艺参数的确定
中频感应热处理工艺参数的确定需考虑工件硬化层深度要求、设备能力(频率、功率大小)、材料及工件需淬火面积等因素。
具体的工艺参数要经过试验后才能真正确定下来。
四、中频感应炉的工作原理
中频感应炉利用中频电源建立中频磁场,使铁磁材料内部产生感应涡流并发热,达到加热材料的目的。
其工作原理主要包括电磁感应、涡流产生、热量传递等环节。
五、中频感应炉的应用领域
中频感应炉在机械、冶金、化工等行业具有广泛的应用,主要用于熔炼、透热、保温、高频淬火等领域。
其设备体积小、重量轻、效率高、耗电少、熔化升温快、炉温易控制等优点,使其成为现代工业生产中不可或缺的加热设备。
综上所述,中频感应炉作为一种先进的加热设备,在各个领域具有广泛的应用。
中频感应电炉熔炼操作规程一.熔化前的准备:1检查熔炼所使用的工具,确保齐备、干燥,计量器误差是否符合标准。
2仔细检查炉体及部件是否完好。
3仔细检查炉衬、炉口烧损情况,如发现问题及时处理4检查和维修熔炼时所用的工器具是否齐全。
5检查感应线圈冷却水系统和液压系统是否畅通,压力、流量是否正常,有无渗水滴漏现象。
6检查各个部位的仪表和显示是否正常。
7检查金属炉料是否清理干净和数量充足,有无不符合安全和质量要求的金属炉料存在其中。
8检查铁水包及输送电胡芦是否完好。
9检查各控制系统是否正常,灵活可靠。
10检查漏炉报警装置是否灵敏、可靠,电气绝缘情况是否达到要求。
11检查倾炉系统是否灵活、可靠。
12检查中频炉电源柜系统及纯水冷却系统是否畅通,压力、流量是否正常,有无渗水滴漏现象。
二.熔炼操作:1.检查无误后,先加入坩埚容量的1/3干净炉料方可起动中频电源;加料原则是小块、厚实料放入坩埚底部,有了熔池后再加入轻薄料和大块料,要求装料时坩埚中的金属炉料密度尽量最大。
2. 通电4~8min内供给60%左右的功率,待电流冲击停止后,逐渐将功率增至最大值。
3. 熔炼过程中要经常检查炉衬的烧损情况、中频电源柜上各种仪表、冷却水循环状况;炉膛里不准有炉料架空棚料现象,如有此现象,随时注意捣料,防止“搭桥”。
4. 95%的炉料熔毕时,取钢样进行成分分析,并将其余5%的炉料加入炉内继续熔化。
5.全部炉料溶毕后,降低功率至40%~60%,倾炉扒渣;为防止铁水溢出,铁水液面与炉沿保持50mm的距离。
6. 往铁水液面上加脱氧剂(质量比为:石灰粉:铝粉=2:1)进行扩散脱氧;脱氧过程中可用石灰粉和氟石粉调整炉渣的粘度,使炉渣具有良好的流动性。
7.根据化学分析结果,调整钢液化学成分,其中含硅量应在出钢前10min以内进行调整。
8. 测温,做圆杯试样:测量钢液温度,并作圆杯试样,检查钢液脱氧情况。
9. 钢液温度达到1630~1650°C(高锰钢1520~1560℃),圆杯试样收缩良好时,扒除一半炉渣后,加硅锰各0.15%,镇静一分钟,每吨钢液插铝0.15-0.25%终脱氧,插铝后2~3min以内停电倾炉出钢。
中频电炉烤炉的流程工艺
以下是中频电炉烤炉的流程介绍:
1.准备工作:首先,需要准备好需要烤制的工件,确保工件的数量、尺寸和材
质符合工艺要求。
同时,检查烤炉是否处于正常工作状态,确保电源、控制系统等设备完好无损。
2.预热:打开烤炉电源,启动加热系统,将烤炉内的温度逐渐升高至预定的温
度范围。
预热过程中,需要注意观察温度变化,确保温度稳定上升。
3.装料:当烤炉温度达到预定值时,将准备好的工件放入烤炉内。
根据工件的
大小和材质,选择合适的摆放方式和位置,确保工件受热均匀。
4.加热:关闭烤炉门,启动加热系统,对工件进行加热。
加热过程中,需要根
据工件材质和工艺要求,控制加热功率和时间。
同时,需要注意观察工件的颜色、变形等情况,及时调整加热参数。
5.保温:当工件加热到预定温度后,关闭加热系统,进入保温阶段。
保温过程
中,需要注意观察工件的状态,防止工件出现开裂、变形等情况。
6.出炉:当保温时间达到预定值后,打开烤炉门,将工件取出。
取出时需要注
意安全,避免烫伤等意外情况发生。
7.冷却:将取出的工件放置在冷却架上,自然冷却至室温。
冷却过程中需要注
意观察工件的变形情况,及时采取措施防止变形。
以上就是中频电炉烤炉的详细流程介绍。
需要注意的是,具体的工艺参数需要根据实际情况进行调整和优化,以达到最佳的烤制效果。
中频感应电炉熔炼工艺1、总则1.1、本工艺文件是我公司用中频炉炼钢、炼铁的一般性工艺文件。
1.2、本工艺文件是我公司用5t、3t、1t中频感应炉炼钢、炼铁的过程中指导性文件,是检查、验收的主要依据。
1.3、凡我公司从事炼钢、炼铁、备料人员、主管领导、技术人员、检查人员必须熟练和掌握本守则。
2、炉体、电气、水冷系统的维护2.1、炉体2.1.1开炉之前或停炉都要认真检查炉体的侵蚀情况,如有局部侵蚀过深(炉壳厚<60~70)则需用补炉糕修补。
如果侵蚀面积较大可考虑整圈补炉,最好是用局部钢圈炉胆干补。
补炉时必须事先清除渗入炉壳的金属及钢渣。
2.1.2炉壳如果上下周围都侵蚀严重,再继续熔炼有漏炉危险时,则应重新打结炉壳。
2.1.3破除旧炉壳时可用风铲、铁钎等工具,但要注意不要碰坏感应圈和耐火胶泥。
首先打掉里面烧结层,外层就很容易清除。
2.1.4如果耐火胶泥或感应圈绝缘局部被破坏要修补好,清理干净残砂。
2.1.5炉胆的准备:炉胆的尺寸和要求如下各图:衬适用于冶炼普通碳素钢和低合金钢;碱性炉衬适用于冶炼高锰钢和合金钢;中性炉衬(天津联矿供料)可熔炼各种牌号的钢。
2.1.7酸性炉衬的材料配比如下表:2.1.8酸性炉衬用硅砂做耐火材料,对化学成分要求为:SiO299~99.5%杂质含量:Fe2O3≤0.5%,CaO≤0.25%,Al2O3≤0.2%,水份≤0.5%。
2.1.9打结炉衬的粘结材料为硼酸,其加入量质量分数为1.7~2.0%。
对硼酸的化学成分要求是:B2O3≥98%;水≤0.5%;粒度要求应小于5mm。
2.1.10炉衬材料的配制:将各种规格石英粉混在一起与硼酸干混均匀,不加湿润剂。
最好是用搅拌机或混砂机混合均匀。
打结炉衬时最好是干法打结炉衬质量好。
炉领用强度较高的材料打结。
一般用10%水玻璃或20%的粘土加少量水玻璃为粘结剂。
2.1.11碱性炉衬用镁砂做耐火材料,镁砂有重烧镁砂和电熔镁砂两种。
所用镁砂须经过磁选,清除其中含铁杂质。
中频感应电炉熔炼的工艺规程中频感应电炉熔炼的工艺规程1范围本规程规定了中频感应电炉的修炉、烘炉及熔炼铸铁的工艺规程.本规程适用于中频感应电炉.2引用标准下列标准包还的条文,通过在标准中引用而构成为本标准的条文,在标准出版时,所示版本均为有效.所有标准都会被修订,使用本标准的各方应探讨,使用下列标准最新版本的可能性.ATL/JB001-010/01-2008铸造用金属原材料;ATL/JB001-011/01-2008铸造用辅助原材料;3修炉3.1修炉准备3.1.1修炉用原材料的规格按表1选用。
表1 修炉用原材料及规格名称规格用途玻璃丝布δ=0.1mm铺炉底,炉衬石英砂SO2>99% 炉衬材料硼酸H3BO3>=99.5% 炉衬粘结剂水玻璃M=2.20-2.50 炉领粘结剂钢坩埚模δ=6mm-8mm 打制坩埚石棉布1000mm*1000*3mm 铺炉底,炉衬3.1.2炉衬的材料配比按表2执行.表2 炉衬的材料配比名称规格加入量%大修炉小修炉石英砂6/8 20 15 10/20 20 20 40/70 20 20 100/200 20 20270 20 25硼酸H3BO3>=99.5% 1.5-1.8最佳1.6 2.0水玻璃M=2.2-2.5 适量适量水 2.03.1.3混制时依次加入石英砂,硼酸,加适量水,手工翻混10分—15分钟.3.1.4混制炉领用材料时,采用手工方法混制,水玻璃加入量以手攒不沾手,打结不反浆,能紧实,经充分翻搅,保证均匀.3.1.5混制时各种原材料定量应准确.3.1.6对熔炉进行全面检查,水管不应堵塞或渗漏,联接部部件不应松动,不正常的部位应修复.3.1.7整个线圈应进行通电冲击实验.3.1.8修炉用的各种工具应准备齐全.3.2修炉3.2.1打炉前先铺一层玻璃丝布,炉底和炉壁都要铺严,同样再铺一层石棉布,然后打炉。
3.2.2打炉时先打炉底,一次加足混好的沙子,厚度为240mm,用捣固机打10分钟,也可用手工舂实,两种方法均要保证舂实后的高度为200mm。
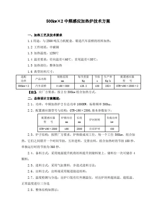
500kw×2中频感应加热炉技术方案一、加热工艺及技术要求1.1用途:与2500吨压力机配套,锻造汽车前桥的坯料加热;1.2 工件材质:中碳钢1.3 加热温度:1250℃1.4 温差要求:径向温差≤60℃,首尾温差≤80℃;1.5 加热部位:整体加热1.6 典型坯料尺寸:【注】:应厂方要求,按2台500kw组合加热方式。
二、总体设计方案概述:2.1、功率:中频加热炉2台总功率1000KW,标称频率500hz。
2.2、配置感应器型号与结构:GTR-190×2500,基本参数如下:2.3、炉子结构:按照厂方要求,炉体做成双工位,每一个工位500kw,组合加热,它们之间错开一个时间节拍,互补进料,交替出料,组合加热时的节拍180秒,单独运行时的节拍为360秒。
2.4、备料方式:采用地面提升机将坯料提升到储料架上。
储料台一次可储存4颗料;2.5、进料方式:采用气缸推料,步进式进料方法;2.6、出料方式:出料端采用辊道接送坯料;2.7、温度检测与分选:出炉口装有红外测温仪,对出炉坯料超高温、超低温、正常温度进行三分选2.8、整体结构如图示:三、供电变压器:3.1、为二台中频炉供电的变压器必须是专用整流变压器,这是因为大功率变频器会对电网产生谐波污染,因为整流变压器采用Y/△接法,阀侧Y-12和△-11的线电压相位相差30°使二台中频电源的Y组整流和△组整流电压纹波也有30°相位差,两组六相脉动波合成12相脉动波。
这两个电流波形在变压器网侧绕组当中的合成电流波形能有效抑制5次、7次谐波的产生。
3.2、整流变压器与二台中频电源的接法图示:3.3 、ZS-1250-10/0.38整流变压器技术参数:●额定容量:1250KVA;网侧额定电压:10±5%(KV) 3Φ/ 50HZ●阀侧Ⅰ额定容量:625(KVA)●阀侧Ⅰ额定输出电压:380(V)●阀侧Ⅱ额定容量: 625(KVA)●阀侧Ⅱ额定输出电压:380 (V)●连接组别: D do yn11;●阻抗压降:Uk=7%●网侧、阀侧之间加屏蔽,减少谐波对网侧的冲击。
中频电炉熔炼工艺1.打结坩埚1.1材料酸性炉衬:用于碳钢熔炼。
石英砂(20/40)40%、石英砂(50/100)60%、硼酸1.5~2% (外加) 、水2% (外加)。
石英砂应磁选,去除铁磁性物质。
碱性炉衬:用于合金钢熔炼。
镁砂(过4×4 mm筛)96%、耐火粘土(过100号筛)2%、硼酸(过40号筛)2%、水3~4% (外加)。
镁砂应磁选,去除铁磁性物质。
炉领材料粒度应较细些,并加入适量水玻璃作粘结剂。
1.2中频电炉炉衬的搪制和烧结准备:检查感应圈不漏水后,在各圈缝隙内填满由石英砂(50/100)50%、石棉粉30%、耐火粘土(过100号筛)20%配制的绝缘材料,自然干燥或低温烘烤。
搪制:在感应圈内壁和底部放置石棉板,将混合好的炉衬材料分批(每批30~40 mm)填入捣实炉底;放置好坩埚胎模,分批填入炉衬材料捣实炉壁,壁厚应一致,紧实度应一致,应无分层现象。
最后制作炉领。
干燥:自然干燥一昼夜后,在200~400℃下烘烤8~10小时。
烧结:在坩埚内装入石墨电极,分级送电加热,高温烘烤3~4小时。
检验如无裂纹,装入金属料,逐渐加大功率,使金属熔化,金属液必须装满坩埚,否则坩埚将因上下温度不均而开裂。
烧结好的坩埚,内层为整体呈釉状的坚硬烧结层;外层没有烧结成实体的缓冲层。
2.炉料2.1金属炉料C Si Mn Cr Ti Al W V Mo Ni酸性炉衬5~100~1030~505~1040~6030~503~5~505~20碱性炉衬30~4020~30 2.2熔剂酸性炉衬用酸性熔剂:碎玻璃、石英砂。
碱性炉衬用碱性熔剂:石灰、镁砂、荧石、三氧化二铝。
2.3中频电炉装料装料前,清除坩埚内残渣残钢,检查炉衬,修补严重侵蚀部分。
在炉底装入占炉料重1%的熔剂;难熔的、大块的料装在靠近炉壁处和下部;大块料的间隙中要填入小块料;小块料装在上部;长棒形料要竖直装入,下紧上松,装料不能超过感应圈上沿,以免架桥;易氧化成分最后加入。
15吨中频感应炉→LF炉→VD炉工艺阐述随着现代科学技术的发展和市场对钢材质量要求的提高,我厂采用了钢包精炼炉(简称LF炉)、真空脱气炉(简称VD炉)工艺流程。
以达到改善钢材质量,降低能耗,减少耐材、能源和合金消耗的目的。
现就根据炼钢车间实际生产情况,结合有关资料对炼钢车间“15吨中频感应炉→LF炉→VD炉”工艺做以下阐述:一、工艺路线1.根据各台设备能力的不同,对钢材冶炼主要分为三个阶段:中频化料阶段、精炼脱气升温阶段、真空脱气阶段。
2.渣系的选择:(1)中频感应炉:CaO-CaF2,配合一定量的脱氧剂,达到化料,前期脱氧、去除夹杂物的作用。
(2)精炼炉:炉渣的精炼能力决定于炉渣的化学性能和物理性能。
为确保熔渣具有较好的流动性、发泡埋弧作用、脱硫及吸收夹杂物的能力,根据生产实践和研究资料介绍,确定LF精炼目标渣系:CaO–SiO2-Al2O3-CaF2,渣系各目标成份如下表所示:根据含碳量、合金含量不同,对钢种大体进行分类,然后确定每类钢种的工艺标准。
1.碳素钢:按其含碳量不同分为低碳钢(钢中碳质量分数0.08%-0.25%)、中碳钢(钢中碳质量分数0.25%-0.55%)、高碳钢(钢中碳质量分数0.60%-2.20%)2.低合金钢:其钢种合金元素(C、Si、Mn、P、S除外)总质量分数小于5%。
同时考虑到含碳量的不同,又在其基础上分为低碳低合金钢、中碳低合金钢、高碳低合金钢(中合金钢、高合金钢也按此进行分类)。
3.中合金钢:其钢种合金元素(C、Si、Mn、P、S除外)总质量分数5%-10%。
其包括低碳中合金钢、中碳中合金钢、高碳高合金钢。
4.高合金钢:其钢种合金元素(C、Si、Mn、P、S除外)总质量分数10%以上。
其包括低碳高合金钢、中碳高合金钢、高碳高合金钢。
根据上述分类,将钢种大体上分为4大类、12小类,制订冶炼工艺,为生产提供参考。
二、脱氧及造渣材料脱氧及造渣材料根据生产使用情况,冶炼时造高碱度还原渣,有利于脱气、除杂、提高合金回收率等。
中频炉生产工艺中频炉是一种利用交变电流加热金属材料的炉子,广泛应用于金属热处理和熔炼领域。
中频炉的生产工艺主要包括工艺规划、材料准备、设备安装、炉体组装、电器控制和调试。
首先是工艺规划。
在制定工艺方案前,需要根据生产需求确定加热温度、加热时间、炉型和功率等参数。
根据这些参数,确定合适的中频炉型号和功率,并对电气线路、水路和炉体进行规划。
其次是材料准备。
中频炉的生产需要准备各种材料,包括炉体材料、导热绝缘材料和电器元件。
炉体材料一般选用特殊耐热材料,如耐火砖、陶瓷纤维和耐热钢板等。
导热绝缘材料可选用陶瓷纤维毡、硅胶毡和石棉胶板等。
电器元件包括电容器、继电器和断路器等。
然后是设备安装。
设备安装是指将生产所需的材料和设备安装在工作环境中。
安装中频炉时,首先需要搭建好支架和隔热炉体,然后将导热绝缘材料填充到炉体内部,最后安装电气线路和水路。
接下来是炉体组装。
在炉体组装过程中,需要按照设计要求将炉体内部的零部件组装起来。
炉体内部主要包括电感线圈、炉衬和冷却水道等部分。
电感线圈是用来产生交变磁场的部件,炉衬则是用来保护炉体和加热物料的部件。
然后是电器控制。
电器控制是中频炉生产工艺中的核心环节,它包括了炉体的电气部分和控制部分。
电气部分主要包括控制柜、电容器和电阻器等电路元件,控制部分则是根据生产需要编写相应的程序,实现对加热温度、加热时间和功率的控制。
最后是调试。
调试是对中频炉进行各项性能检查和调整的过程。
在调试过程中,需要测试炉体的加热效果、温度控制精度和电器元件的工作状态等。
如果发现问题,需要及时进行修复和调整,直到达到预期的生产要求。
综上所述,中频炉的生产工艺包括工艺规划、材料准备、设备安装、炉体组装、电器控制和调试等环节。
通过科学合理的生产工艺,可以保证中频炉的正常运行,提高生产效率和产品质量。
中频电炉熔炼工序操作工艺守则一、准备工作1.检查中频电炉的电源,确保电线、电缆和开关等设备正常运行。
2.检查水冷却系统,确保供水和回水管路畅通,以保证电炉正常工作温度。
3.检查炉体和炉衬的完整性,确保炉体无损伤和炉衬无明显裂纹。
二、操作工艺1.安全操作:穿戴劳保用品,如安全帽、防护服、绝缘手套等,切勿在湿地或接近水源处操作。
2.操作材料:使用高纯度金属材料,避免杂质的产生,影响最终产品质量。
3.加热控制:根据熔点和受热速度控制加热时间和功率大小,以确保材料完全熔化。
4.温度控制:根据生产需要,在炉膛外侧布置温度探针,实时监测和调整温度。
5.理炉时间:在材料完全熔化后,适当延长保温时间,有助于杂质的氧化和脱除。
6.卸炉操作:使用合适的工具,将炉内的熔体倒入模具或其他容器中,注意操作时的安全和稳定性。
7.处理工艺:对卸炉后的熔体进行温度控制和冷却处理,以便得到所需的产品性能。
三、异常处理1.电炉故障:一旦发生电炉故障,首先切断电源,并通知电炉维修人员进行检修。
2.材料异常:如果出现材料污染、气体生成或其他异常情况,应立即停止生产,安全处理,并向上级报告。
3.温度异常:如果出现温度突然上升或下降,应立即停炉检查炉体和温度控制系统,确保问题得到解决后再重新启动。
四、清洁与维护1.每次使用结束后,应清理炉体内部和周围的杂物和残留物,保持工作环境整洁。
2.定期对中频电炉进行维护,清洗,更换炉衬和其他部件,以提高电炉的使用寿命和稳定性。
3.对于出现故障或老化的设备,及时更换或修理,确保设备的正常运行。
总之,中频电炉熔炼工序操作工艺守则是确保生产过程安全、高效、产品质量稳定的重要规范。
在操作过程中,必须保持高度的警惕性和细致的仔细性,严格按照规定的程序和标准进行操作,不仅能够保障人身安全,还能提高生产效率和产品的质量,并确保设备的正常运行。
第六章中频感应电炉及熔炼工艺第一节感应炉工作原理及设备一感应加热的电工学基础1感应加热原理主要根据法拉第电磁感应定律和电流热效应的焦耳-楞次定律。
● 法拉第电磁感应定律(1831年):当通过导电回路所包围的面积的磁场发生变化时,此回路中就会产生电势(称为感应电势),当回路闭合时,则产生电流。
数学表达式:式中,E-闭合回路中的感应电动势;-磁通量,t -时间;● 焦耳-楞次定律:电流通过导体所散发的热量与电流的平方、导体的电阻和时间成正比。
数学表达式为:Q=0.24 I2 R t式中,Q-导体的发热量,I-感应电流,t-电流通过导体的时间2感应电流的分布感应电流在炉料中的分布特征,对冶炼时电源频率的选择、炉料块度的选择、炉料熔化速度等有非常重要的意义。
● 集肤效应:交变频率的电流通过导体时,电流沿导体的横断面分布是不均匀的。
电流密度由表面向中心依次减弱,即电流有趋于导体表面的现象。
原因:(被加热物体中除了电源所建立的电场外,本身流过的感应电流所建立的交变磁场又产生一个相反的电场,即被加热物体中产生与外加电势方向相反的反电动势。
在被加热物体的内部几层,穿透的磁通最多,感应出的反电动势也最大;在外层,穿透的磁通较少,感应出的反电动势也较小。
因此,被加热物体表面的合成电势要比最里面几层大,这是引起表面肌肤效应的根本原因。
)电流分布与电流透入深度: Ix=I0 e -x/δI0-导体表面的电流密度,A/mm;δ-电流透入深度,mm当δ=x时,I/I0=e-1=0.368,由此可见,电流透入深度就是从电流降低到表面电流的36.8%的那一点到导体表面的距离,如图6-1所示。
图6-1 感应电流分分布曲线电流透入深度的计算:ρ-被加热物体的电阻率, μ-被加热物体的相对导磁率, f-电流频率,Hz根据理论计算,在感应加热时,86.5%的功率是在电流透入深度内转化为热能。
因此,炉料最佳尺寸范围与电流透入深度有一定的关系。
中频炉打炉烘炉工艺Prepared on 24 November 2020作业文件中频炉打炉烘炉工艺文件编号:XGG-070(第一版)(受控)2008-03-31 发布2008-04-01 实施新兴铸管股份有限公司钢管部发布目录弟—卩打炉..................................... .. (3)A-A" -------- H—弟一 R烘炉 (4)弟二R拆炉•• (4) (5)第四节附录…,中频炉打炉烘炉工艺第一节打炉一、使用范围本工艺适用于中频炉干打碱性炉衬料的打炉操作。
二、打炉前检查、准备1、设备检查、准备>检查感应圈是否漏水、绝缘漆有无剥落;>检查感应线圈之间的距离,不得太近;>检查耐火胶泥永久层有无破损,炉底永久层有无缺陷;>若安装透气砖,则检查炉底小孔的位置及氮气安装连接方式;2、物料检查、准备>打炉所用物料"甘锅、耐火石棉布、炉衬干打料、玻璃水、透气砖等;>根据不同炉型按照附录表1和表2中的尺寸和数量准备:t甘锅和其它各种物料;>圮锅要求椭圆度符合附录表1的要求,外表面不得有较大的凸起,应具有大量的透气孔,圮锅应在清理完外表面的铁锈后使用;>干打料的包装使用前不得破损,不得受潮;>检查干打料中是否存在小铁块等磁性物质、是否含有大量杂质;若有,应及时向领导汇报情况,并在处理后使用或不用,严禁磁性物质及大量夹杂物带入炉衬料中;>透气砖安装前检查是否透气,是否存在破损等影响使用的不安全因素,要求透气砖完整无缺陷,透气管采用不锈钢制作;3、工器具准备>打炉烘炉应准备的工器具:震动器、盒尺、钢板、铁锹、铝丝等;>检查震动器是否完好可用,其它工器具是否准备到位;>最好不要使用钢板、铁锹等铁磁性材料,除非没有其它合适的工具;三、打炉操作1、检查耐火料永久层是否有破损,破损处采用玻璃水与耐火材料填补;2、将剪裁好的石棉布整齐摆放在炉底及炉壁’在炉口用铁块将石棉布固定,相互交叠不得有漏缝;3、向炉底均匀添加打炉料,用震动器均匀打结;4、炉底分层打结,每一层打结厚度控制在60 mm左右;5、硬度检查合格,刮毛后加入下批打炉料;6、炉底打结完后加入:t甘锅,将:t甘锅四周刮毛;7、坦锅外表面应清理干净,不得有铁锈、油渍等影响炉衬质量的杂物;8、圮锅内加入部分废钢料,然后装入炉内;9、将圮锅摆放在炉子的中心位置,用铝丝测量不同位置、相同高度的:t甘锅外壁与炉体内壁的距离,若厚度均匀,则用木块在炉口将圮锅固定;10、炉衬同样分层打结,炉衬打结一层的高度不得超过100 mm, —般控制在50 ~ 60 mm左右,层与层之间刮毛后加入下批打炉料;11、若炉口没有用木块将圮锅固定,每打结一层炉衬,用铝丝测量炉衬厚度是否均匀,尤其在炉衬打结的最底部;12、炉衬最上一层采用玻璃水炉衬料打结,但须注意,熔化造渣位置不得用玻璃水炉衬料打结;13、出钢口做圆滑过渡;14、炉衬与炉嘴连接位置不得有缝隙,防止出钢时漏钢;第二节烘炉一、烘炉前检查1、检查水冷系统是否工作正常,电缆冷却水、感应线圈冷却水、配电柜冷却水的水温、流量、压力;2、检查液压系统是否工作正常、油箱液面高度;3、检查电器是否工作正常;4、热电偶及温度显示仪表工作是否正常;5、其它参见中频炉熔化工艺中的安全检查要求;二、烘炉工艺碱性炉衬中频炉的烘炉曲线为:第三节拆炉一、使用范围本工艺适用于中频炉拆炉操作。
中频炉冶炼工艺的要点中频炉冶炼工艺的要点,2)装料1. 炉料的块度及布料原则与冶炼碳钢相同2. 随同炉料装入的合金(镍、铜及其它),应避开电弧区,以减少烧损3. 炉料应装得紧密,以利于导电和导热4. 装入金属料前,先往炉底和炉坡上加入(1-2)%的石灰,以保护炉底,并在熔化期中造渣脱磷 (3)冶炼工艺要点一般低合金钢的冶炼工艺与碳钢基本相同,有关的工艺要求见表9-101表9-101 冶炼低合金钢的工艺要求项目要求备注氧化脱碳量(%) 指炉料较好的条件上,炉料条件较差时应适当增加脱碳量0.30-0.45氧化终点碳(%) 比规格含碳量的下限低0.02-0.04 指在还原期中加入的是低碳铁合金的情况,如用高碳铁合金时,终点碳应再适当降低还原渣各类 C?0.35%的合金钢规定用白渣,要求(feo)采用电石渣或弱电石渣时,在还原末期加硅铁调整成分前5min,必须将电石渣变为白渣 ?0.08%C>0.35%的合金钢可以用电石渣,要求(feo)?0.5%终脱氧插铝量(kg/t钢) 因某些合金元素(特别是钒、钛、硼)本身有脱氧作用,故终脱0.6-0.6氧插铝量比碳钢略低(4)出炉温度表9-102中列出了某些低合金钢的适宜出炉温度,可供参考。
应指出:表中所列出炉温度适用于钢液量为3-5t,钢液出炉以后在钢包中镇静5-10min后,用于浇注中、小铸件的生产条件。
如钢液量以及浇注铸件情况不同时,应适当调节出炉温度。
表9-102 你合金的出炉温度钢号出炉温度(?)ZG16MN 1620-1640ZG20CRMO .1610-1630ZG20MNNO 1600-1620ZG20MNSI 1600-1620ZG35CRMO 1600-1620ZG35MNSI 1590-1610ZG40CR 1590-1610ZG5CRMNMO 1580-1600。
中频炉怎样打炉用什么打炉料中频炉打炉一般用石英砂或中性打炉料,工艺有所不同,一般中频炉有两种打炉方法,一种是干打一种是湿打。
是调好的石英砂材质,里面加了高温剂的,不管哪种都要把旧炉拆好后扫干净,铺好玻璃丝布,把炉底放料,砸结实,砸平,炉底深度通常在感应圈的两圈左右,然后把炉胆放进去,灌料,注意放正,干打直接砸结实就好,湿打是把料用水和好灌,然后敲打炉胆,使料结实,最后适时拔出炉胆。
中性打炉料打炉:一、胎模准备:首先将胎模清理干净,在四周刷上一层用机油或水搅拌均匀的石墨粉,然后让胎模自然风干。
二、中频炉准备:中频炉温度必须降低至50以下方可施工,线圈胶泥内壁必须清理干净,不得粘附有残余料或粉尘,不得向线圈胶泥内壁洒水。
三、施工1.炉底施工(1).中性捣打料的搅拌:先将搅拌机清理干净,启动搅拌电机,加入炉衬材料(加入量不超过搅拌机容器的2/3),加入4—5%的自来水搅拌,搅拌时间8—10分钟。
备注:加入量的判断方法:用手抓搅拌后的料,能够成团,不松散。
(2).炉底施工:向炉底均匀的倒入炉衬料时,每次加入100mm厚,采用平板振动将包底材料捣实,然后将表面拉毛,再加入100mm厚,采用平板振动将包底材料捣实,依次类推。
2.炉壁施工:(1).施工完炉底后,将胎模坐入中频炉内,坐模时要保证胎模两侧与胶泥线圈的间隙厚度相同。
(2).然后向中频炉间隙倒入捣打料,倒料的时候要沿侧壁不同位置均匀的倒入,加入高度约为100mm,用振动器沿胎模四周拖动,目的是使材料充分排气从而致密,同时有利于减少胎模振动过程中材料的偏析。
然后将表面拉毛,再加入高度约为100mm,用振动器沿胎模四周拖动,依次类推。
洛阳全通窑业温馨提示:施工时让材料高度高于线圈胶泥的高度。
3.养护:在25℃以上,自然养护24小时4.脱模:用行车将胎模拔起,拔模时要小心,防止将工作衬包沿损坏。
5.烘烤:低温烘烤时间:2—4小时,温度<300℃;中温烘烤时间:6—8小时,温度300~800℃;高温烘烤时间:2—4小时,温度800~1000。