地层水分类
- 格式:doc
- 大小:25.50 KB
- 文档页数:3
地下水基础知识大全地下水(ground water),是指赋存于地面以下岩石空隙中的水,狭义上是指地下水面以下饱和含水层中的水。
在国家标准《水文地质术语》(GB/T 14157-93)中,地下水是指埋藏在地表以下各种形式的重力水。
下面,随小桔一起轻松愉快去了解地下水来源、分类、特点、隔层水和含水层!受益匪浅!目录:一、地下水的来源和赋存形式1. 地下水的来源2. 岩石中的孔隙和水分3. 岩石中水存在的形式4. 与水分的储存和运移有关的岩石性质二、地下水及其分类1. 基本概念2. 地下水分类三、包气带、饱水带、含水层与隔水层1. 基本概念2. 含水层类型划分3. 上层滞水和潜水4. 层间水(承压水)5. 潜水和承压水(层间水)比较一、地下水的来源和赋存形式|一、地下水的来源1. 渗入水2. 沉积水3. 再生水4. 初生水5. 有机成因水|二、岩石中的孔隙和水分1. 岩石中的孔隙:孔隙、裂隙和溶孔2. 有关孔隙度的几个基本概念•孔隙:组成松散岩石颗粒或颗粒集合体之间的间隙;裂隙:应力作用下坚硬岩石破裂变形产生的。
可分为成岩裂隙、构造裂隙和风化裂隙;溶孔(洞):可溶的沉积岩在地下水溶蚀下产生的空洞;孔隙度Φ:某一体积V岩石中孔隙体积Vn所占比例裂隙率Kr:裂隙体积Vr与包括裂隙在内的岩石体积V的比值熔岩率K:溶洞的体积Vk与岩石总体积V的比值3. 影响孔隙度大小的因素方体排列紧密,孔隙度大;四面体排列,松散,孔隙度大;颗粒分选程度:分选好,孔隙度大;分选差,颗粒大小悬殊,细小颗粒充填于粗大颗粒之间,孔隙度降低;颗粒形状:颗粒形状不规则--排列松散--孔隙度大粘性土的结构和次生孔隙:带电粘粒--聚合--结构孔隙--孔隙度增大--次生孔隙(虫洞、根孔、干裂缝)发育--孔隙度增大。
孔隙的特点4. 岩石中的各种裂隙1-分选良好,排列酥松的砂;2-分选良好,排列紧密的砂;3-分选不良的,排列紧密的砂;4-经过部分胶结的砂岩;5-具有结构性孔隙的黏土;6-经过压缩的黏土;7-具有裂隙的岩石;8-具有溶的可溶岩|三、岩石中水存在的形式1. 气态水:以水蒸气的形式储存在地下的水;2. 固态水:指岩石中温度在0℃以下的重力水。
地下水的类型地下水类型地下水按埋藏条件可分为三大类:包气带水、潜水、承压水。
根据含水层的空隙性质,地下水可分为三个亚类:孔隙水、裂隙水、岩溶水。
一、包气带水包气带水处于地表面以下潜水位以上的包气带岩上层中,包括土壤水、沼泽水、上层滞水以及基岩风化壳(粘土裂隙)中季节性存在的水。
包气带水的主要特征是受气候控制,季节性明显,变化大,雨季水量多,旱季水量少,甚至干涸。
包气带水对农业有很大意义,对建筑工程有一定影响。
二、潜水埋藏在地表以下第一层较稳定的隔水层以上具有自由面的重力水叫潜水。
潜水的自由表面,承受大气压力,受气候条件影响,季节性变化明显,春、夏季多雨,水位上升,冬季少雨,水位下降,水温随季节而有规律的变化,水质易受污染。
潜水主要分布在地表各种岩、土里,多数存在于第四纪松散沉积层中,坚硬的沉积岩、岩浆岩和变质岩的裂隙及洞穴中也有潜水分布。
潜水的补给来源主要有:大气降水、地表水、深层地下水及凝结水。
大气降水是补给潜水的主要来源。
潜水的排泄,可直接流入地表水体。
一般在河谷的中上游,河流下切较深,使潜水直接流入河流。
在干旱地区潜水也靠蒸发排泄。
在地形有利的情况下,潜水则以泉的形式出露地表。
三、承压水地表以下充满两个稳定隔水层之间的重力水称为承压水或自流水。
由于地下水限制在两个隔水层之间,因而承压水具有一定压力,特别是含水层透水性愈好,压力愈大,人工开凿后能自流到地表。
因为有隔水顶板存在,承压水不受气候的影响,动态较稳定,不易受污染。
承压水的形成与所在地区的地质构造及沉积条件有密切关系。
只要有适宜的地质构造条件,地下水都可形成承压水。
适宜形成承压水的地质构造大致有两种:一为向斜构或盆地,称为自流盆地;另一为单斜构造亦称为自流斜地。
四、裂隙水埋藏在基岩裂隙中的地下水叫裂隙水。
这种水运动复杂,水量变化较大,这与裂隙发育及成因有密切关系。
裂隙水按基岩裂隙成因分类有:( 1 )风化裂隙水分布在风化裂隙中的地下水多数为层状裂隙水,由于风化裂隙彼此相连通,因此在一定范围内形成的地下水也是相互连通的水体,水平方向透水性均匀,垂直方向随深度而减弱,多属潜水,有时也存在上层滞水。
地下水分级首先,地下水可以根据水质的优劣分为优质地下水和劣质地下水。
优质地下水是指水质清洁,符合生活饮用水卫生标准的地下水资源。
这种地下水一般采自深层岩溶水或含水层水,水质清澈透明,无异味、杂质和微生物污染,适合直接饮用和生活、饮食等方面的用途。
而劣质地下水则是指水质较差,含有大量溶解性离子或矿物质,可能会对人体健康造成一定危害,不能直接饮用,需要经过处理或净化后才能进行利用。
其次,地下水还可以根据其矿化度的不同进行分级。
一般来说,地下水的矿化度主要是由水中的阳离子和阴离子浓度来确定的。
根据不同国家或地区的标准,地下水可以分为淡水、软水、硬水和咸水等不同类别。
淡水是指矿化度低于1000毫克/升的地下水资源,适用于饮用、灌溉等多种用途;软水是指矿化度在1000-2000毫克/升之间的地下水资源,适用于生活用水、农业灌溉等方面;硬水是指矿化度在2000-3000毫克/升之间的地下水资源,主要用于工业生产;而咸水则是指矿化度超过3000毫克/升的地下水资源,一般不能直接利用,需要进行处理或淡化才能利用。
此外,地下水还可以根据其化学性质的不同进行分类。
地下水中的化学性质主要包括主要离子成分、微量元素和有机物等,这些成分的不同可以影响地下水的适用性。
根据不同国家或地区的标准,地下水可以分为酸性地下水、碱性地下水、含铁地下水、含氟地下水等不同类别。
酸性地下水是指水质中酸性物质含量较高的地下水资源,如硫酸、硝酸等,对土壤和水源有一定的腐蚀作用;碱性地下水是指水质中碱性物质含量较高的地下水资源,如氢氧化钠、氢氧化钙等,对土壤和作物有一定的碱化作用;含铁地下水是指水质中铁含量较高的地下水资源,可能会导致水质变浑浊、生锈等,需要进行处理后才能利用;含氟地下水是指水质中氟含量较高的地下水资源,对人体健康有一定的危害,需要进行处理或淡化后才能利用。
综上所述,地下水的分级是根据其水质的不同来进行分类的。
不同类别的地下水适用性不同,需要根据具体的用途选择适合的地下水资源进行利用。
地下水类型的划分
按地下水成因可分为凝结水、渗人水、埋藏水、原生水等;
按地下水的含盐量,分为淡水、微咸水、咸水、盐水与卤水;
按地下水的力学性质分为结合水、毛细水与重力水等。
目前应用比较广的,具有代表性的分类法,就是依据地下水的埋藏条件与含水层的空隙性质进行划分的综合分类法。
地下水的埋藏条件,就是指含水层在水文地质剖面中所处的部位及受隔水层限制的情况。
综合分类法,首先就是按地下水的埋藏条件分为包气带水、潜水与承压水。
再按照含水层空隙性质,分为孔隙水、裂隙水与岩溶水。
将二者组合成为9种复合类型的地下水。
地下水综合分类组合
分
类
孔隙水裂隙水岩溶水
包气带水各种松散沉积物中的土
壤水,存在于局部隔水层
上的季节性重力水,过路
重力水及悬挂毛管水
裸露裂隙岩层中的
季节性重力水及毛
细水
裸露岩溶化岩层
上部岩溶通道中
存在地季节性重
力水
潜水各种松散沉积物浅部的
水
裸露于地表各类裂
隙岩层中的水
裸露于地表的岩
溶化岩层中的水。
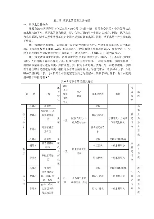
第二节地下水的类型及其特征一、地下水及其分类埋藏在地表以下岩石(包括土层)的空隙(包括空隙、裂隙和空洞等)中的各种状态的水称为地下水。
地下水的分布极其广泛,它和人类的生产生活密切相关。
例如,地下水常为农业灌溉,城乡人民生活及工矿企业用水提供良好的水源。
因此,地下水是一种宝贵的地下资源。
地下水的运动和聚集,必须具有一定的岩性和构造条件。
空隙多而大的岩层能使水流通过(渗透系数大于0.001m/d),称为透水层。
贮存有地下水的透水岩层,称为含水层。
空隙少而小的致密岩层是相对的不透水岩层(渗透系数小于0.001m/d),称为隔水层。
地下水受诸多因素的影响,各种因素的组合更是错综复杂,因此,出于不同的目的或角度,人们提出了各种各样的分类。
但概括起来主要有两种:一种是根据地下水的某种单一的因素或某种特征进行分类,如按硬度分类、按地下水起源分类等;另一种是根据地下水的若干特征综合考虑进行分类。
根据地下水的埋藏条件可分为包气带水、潜水和承压水。
不论哪种类型的地下水,均可按其含水层的空隙性质分为空隙水、裂隙水和岩溶水。
地下水的类型和若干特征见表4-5。
表4-5地下水的类型及特征二、包气带水位于潜水面以上未被水饱和的岩土中的水,称为包气带水。
包气带水主要是土壤水和上层滞水。
如图4-2所示。
(一)土壤水埋藏于包气带土壤层中的水,称土壤水。
主要包括气态水、吸着水、薄膜水和毛管水。
靠大气降水的渗入、水汽的凝结及潜水由下而上的毛细作用补给。
大气降水向下渗入,必需通过土壤层,这时渗入的水一部分保持在土壤层中,成为所谓的田间持水量(既土壤层中最大悬着毛管水含水量),多余的部分呈重力水下渗补给潜水。
土壤水主要消耗于蒸发和蒸腾,水分的变化相当剧烈,主要受大气条件的控制。
当土壤层透水性不好,气候又潮湿多雨或地下水位接近地表时,易形成沼泽,称沼泽水。
当地下水面埋藏不深,毛细管可达到地表时,由于地表水分强烈蒸发,盐分不断积累于土壤表层,则形成土壤盐渍化,从而危害农作物生长。
地下水分类指标1、地下水的类型(1)根据埋藏条件,将地下水分为包气带水、潜水、承压水三大类。
根据含水层的空隙性质,地下水又分为孔隙水、裂隙水和岩溶水三个亚类。
(2)包气带水处于地表面以下潜水位以上的包气带岩土层中,包括土壤水、沼泽水、上层滞水以及岩层风化壳(黏土裂隙)中季节性存在的水。
(3)潜水是埋藏在地表以下第一层较稳定的隔水层以上具有自由水面的重力水,其自由表面承受大气压力,受气候条件影响,季节性变化明显。
(4)承压水也称为自流水,是地表以下充满两个稳定隔水层之间的重力水。
承压水含水层上部的隔水层称为隔水顶板,下部的隔水层称为隔水底板。
顶底板之间的距离为含水层厚度。
(5)裂隙水是指埋藏在基岩裂隙中的地下水。
根据基岩裂隙成因,将裂隙水分为风化裂隙水、成岩裂隙水、构造裂隙水。
①风化裂隙水分布在风化裂隙中,多数为层状裂隙水,多属潜水。
②成岩裂隙水分布在成岩裂隙中,可以是潜水,也可以是承压水,当成岩裂隙的岩层出露地表时,常赋存成岩裂隙潜水。
③构造裂隙水分布在构造裂隙中。
当构造应力分布比较均匀且强度足够时,则在岩体中形成比较密集均匀且相互连通的张开性构造裂隙,这种裂隙常赋存层状构造裂隙水。
当构造应力分布不均匀时,岩体中张开性构造裂隙分布不连续、不沟通,则赋存脉状构造裂隙水。
2、地下水的特征(1)包气带水:①受气候控制,季节性明显,变化大;②对农业有很大意义,对工程意义不大。
(2)潜水有两个特征,一是潜水面以上无稳定的隔水层存在,大气降水和地表水可直接渗入,成为潜水的主要补给来源。
二是潜水自水位较高处向水位较低处渗流。
潜水与地形有一定程度的一致性;一般地面坡度越大,潜水面的坡度也越大,但潜水面坡度经常小于当地的地面坡度。
(3)承压水的特征①承压水是因为限制在两个隔水层之间而具有一定压力,承压性是承压水的重要特征。
因有隔水顶板存在,与地表水联系较弱,承压水受气候的影响很小,动态较稳定,不易受污染。
②适宜形成承压水的地质构造有两种:一为向斜构造盆地,也称为自流盆地;二为单斜构造自流斜地。
地层中的水分类
地层中的水主要可以分为以下几类:
1. 浅层地下水:潜藏在地表以下第一个不透水层以上的地下水,其水面称为地下水位。
由于经过地层的渗滤,这种水质的物理性状较好,浑浊度小,细菌数也较少。
然而,在流经地层的过程中,它可溶解各种矿物盐类,使水质变硬。
此外,由于水中溶解氧被土壤中的生物化学过程所消耗,所以水中氧含量较低。
2. 深层地下水:位于第一个不透水层以下的地下水。
由于地层起伏不平,含水层内水位不同,某些深层地下水可受有压力,形成承压地下水。
这种水因受压力大,能沿井管涌出水面,也被称为自流井。
深层地下水由于覆盖地层厚,不易受地面污染,所以水质透明无色、水温恒定、细菌数较少、盐类含量高、硬度高,且水量较稳定,常作为城镇集中式供水水源。
3. 泉水:由地表缝隙自行涌出的地下水。
以上信息仅供参考,如需获取更多详细信息,建议查阅地层水方面的书籍或咨询地质学家。
地下水分类原则地下水是地球上珍贵的水资源之一,它广泛存在于地下岩层和土壤中。
根据不同的特性和用途,地下水可以分为多个分类。
下面我们将介绍地下水的分类原则。
地下水的分类原则主要包括水文地质特征、水化学特征、用途和保护需求。
首先是根据水文地质特征对地下水进行分类。
这种分类是根据地下水的储存情况、流动方式和补给来源来划分。
根据地下水与地表水的关系,可以分为片麻岩地下水、砂砾地下水和河流三角洲地下水。
这些分类依据地下水形成的地质条件,对区域水资源的分析和管理具有重要意义。
其次是根据地下水的水化学特征进行分类。
地下水的水化学特征是指水中溶解的化学成分的类型和含量。
根据主要溶解固体的类型和溶解程度,可以将地下水分为硝酸盐型、钙镁型、钠型和硫酸盐型等。
这种分类有助于了解地下水的污染程度和水质状况,为地下水治理和保护提供依据。
再次是根据地下水的不同用途进行分类。
地下水的用途多种多样,包括饮用水、农业用水、工业用水以及地热能开发等。
根据水质和水量要求的不同,可以将地下水分为优质饮用水源地、灌溉用水地和工业供水地。
这种分类有助于科学合理地利用地下水资源,确保各个领域的需求得到满足。
最后是根据地下水的保护需求对其进行分类。
不同地下水资源的敏感性和脆弱性各不相同,有些地下水需要特别的保护和管理,以防止污染和过度开采。
一般来说,分为特别保护区、一般保护区和开发区。
特别保护区主要是指重要的饮用水源地、自然保护区等,需要高度的保护措施。
开发区则是指经过合理规划和管理,能够安全利用地下水的区域。
综上所述,地下水的分类原则主要包括水文地质特征、水化学特征、用途和保护需求。
通过对地下水进行分类,可以更好地了解和管理地下水资源,保护好我们宝贵的水资源。
因此,在地下水资源的开发和保护过程中,有必要根据这些分类原则来进行合理的利用和管理。
地下水分类原则【原创版】目录1.引言2.地下水分类的依据3.地下水分类的常见方法4.我国地下水分类的现状与问题5.地下水分类的意义和应用6.结论正文【引言】地下水作为地球上水资源的重要组成部分,广泛应用于生活、农业、工业等领域。
对地下水进行分类研究,有助于更好地了解地下水的性质和规律,为合理开发利用和保护地下水资源提供科学依据。
本文将对地下水分类原则进行探讨。
【地下水分类的依据】地下水分类的依据主要包括以下几个方面:1.地质条件:根据地下水的地质成因和地质环境,可以将地下水分为岩溶水、裂隙水、孔隙水等类型。
2.水质成分:根据地下水的化学成分和物理性质,可以将地下水分为淡水、微咸水、咸水等类型。
3.地下水的运动方式:根据地下水的流动方式和动力来源,可以将地下水分为自由水、承压水、潜流等类型。
4.水温:根据地下水的温度,可以将地下水分为冷水、温热水、热水等类型。
【地下水分类的常见方法】1.按地质条件分类:如前所述,根据地下水的地质成因和地质环境,可以将地下水分为岩溶水、裂隙水、孔隙水等类型。
2.按水质成分分类:如前所述,根据地下水的化学成分和物理性质,可以将地下水分为淡水、微咸水、咸水等类型。
3.按地下水的运动方式分类:如前所述,根据地下水的流动方式和动力来源,可以将地下水分为自由水、承压水、潜流等类型。
4.按水温分类:如前所述,根据地下水的温度,可以将地下水分为冷水、温热水、热水等类型。
【我国地下水分类的现状与问题】我国地下水分类工作取得了一定的成果,但在实际应用中仍存在一些问题,如分类标准不统一、分类方法不完善等。
为了更好地开发利用和保护地下水资源,有必要对地下水分类工作进行改进和完善。
【地下水分类的意义和应用】地下水分类对于了解地下水的性质、规律以及开发利用和保护地下水资源具有重要意义。
科学合理的地下水分类可以为水资源评价、水资源管理、水环境保护等提供科学依据。
【结论】地下水分类是地下水研究的重要组成部分,对于了解地下水的性质和规律、合理开发利用和保护地下水资源具有重要意义。
水源的分类水源是指自然环境中源头的水,也是生命的源泉。
根据水的来源和性质的不同,水源可以分为几种分类,如地下水、地表水、雨水等。
本文将详细介绍水源的分类。
一、地下水地下水是指地下储层、岩石裂隙中的水,它是自然环境中最重要的水源之一。
地下水主要分为浅层地下水和深层地下水两类。
1、浅层地下水浅层地下水位于土壤和岩层之间,水层较浅,用于灌溉、生活、工业和污水处理等方面。
浅层地下水的受水面积广,一般是地表径流、降水和地下渗漏水等形成的。
水量和水质受大气降水和地表污染的影响较大。
2、深层地下水深层地下水是属于地下深部的水,多分布于大型岩性储层中,有较高的地下水储量和比较稳定的水质。
深层地下水主要应用于地热开发、饮用水和工业用水等方面。
但是,由于深层地下水补给速度较慢,使用不得当会导致储层过度开采,使深层地下水资源枯竭,产生环境问题。
二、地表水地表水是地面上流动着的水,包括江河湖海、山泉、人工水库和人工河渠等。
地表水容易受到大气降水、地表污染、水文变化等因素的影响,污染风险较大。
1、江河湖海江河湖海是地表水的主要形式,是自然界中的主要水源之一,供应生活、灌溉、航运和渔业等多种用途。
但江河湖海的水质和用途受到流域污染、水文变化等因素的影响,需要进行水质保护和治理。
2、山泉山泉是地表水的重要来源之一,是从山体裂隙中自然涌出的地下水。
山泉养分含量较低、水质清洁而甘甜,适合用于饮用、农业灌溉等多种用途。
3、人工水库和人工河渠人工水库和人工河渠是利用地表水资源建造的建筑物和设施,主要用于水利枢纽调节、生态保护和水电发电等方面。
人工水库、人工河渠的水质易受污染,污染治理成为保障水质的重要措施之一。
三、雨水雨水是大气中的水分以降水形式返回到地面,是一个天然的水资源。
随着城市化进程的加速,雨水回收、集中处理及利用已经成为城市建设的重要环节之一。
总之,水源是人类赖以生存的源头,水源资源的分类和保护显得非常必要,合理利用和开发水源资源有助于满足人类的需求,而科学的保护和管理水源则有助于维护生态平衡,保障人类的健康和生存。
NaHCO3一般属于开放型地层水;Cacl2型一般属于封闭型地层水。
复杂断块油田内部,平面上或不同地层可能具有不同的水型,具有不同的地质意义。
油田水的分类必须解决的实质性问题应包括:①油田水化学标志及其与非油田水的区别;②不同类型油田水的特征及区别。
自1911年美国帕斯梅尔提出第一个油田水分类方案至今,对油田水分类方案虽然作过多次修改和补充,但基本上都是以Na+、Mg2+、Ca2+和Cl-、SO42-、HCO3-的含量及其组合关系作为分类基础。
在各分类方案中,以苏林(B.A.ЩУЛИН)分类较为简明,也为国内外广泛采用,现在国内各个油田基本采用苏林分类。
苏林认为,天然水就其形成环境而言,主要是大陆水和海水两大类。
大陆水含盐度低(一般小于500mg/l),其化学组成具有HCO3->SO42->Cl-,Ca2+>Na+<Mg2+的相互关系,且Na+>Cl-,Na+/Cl-(当量比)>1。
海水的含盐度较高(一般约为35,000mg/l),其化学组成具有Cl->SO42->HCO3-,Na+>Mg2+<Ca2+,且Cl->Na+,Na+/Cl-(当量比)<1的特点。
大陆淡水中以重碳酸钙占优势,并含有硫酸钠;而海水中不存在硫酸钠。
苏林就是根据上述认识,以Na+/Cl-、(Na+-Cl-)/SO42-和(Cl--Na+)/Mg2+这三个成因系数,将天然水划分成四个基本类型。
裸露的地质构造中的地下水可能属于硫酸钠型,与地表大气降水隔绝的封闭水则多属于氯化钙型,两者之间的过渡带为氯化镁型。
在油气田地层剖面的上部地层水以重碳酸钠型为主;随着埋藏加深,过渡为氯化镁型;最后成为氯化钙型。
有时重碳酸钠型直接被氯化钙型所替代,缺少过渡型。
油田水的水化学类型以氯化钙型为主,重碳酸钠型次之,硫酸钠型和氯化镁型较为罕见。
苏林分类存在的问题在于:①把地下水的成因完全看成是地表水渗入形成的,没有考虑其它成因水的加入,还有自然界经常发生的水的混合作用以及由此而产生的水中成分的多种分异和组合;②将本来具有成因联系作为一个整体的大量无机组分,简化成仅是天然水盐类成分的分类,过于简单;③忽略了水中气体成分及微量元素等一些具有标型性质的组分,同时缺少作为区分油田水与非油田水的特征参数。
随着油气勘探的进展和对油田水地球化
学研究的深入,比较普遍的意见是应把矿化度和阴离子组合作为油田水化学分类的基础,再根据油田水的特征参数或标志,区分油田水和非油田水。