隧道爆破参考资料..
- 格式:doc
- 大小:2.37 MB
- 文档页数:28
一、单位耗药量单位耗药量(一)单位耗药量(二)炸药换算系数e值单位耗药量(四)单位耗药量K及其它参数(五)二、隧道爆破设计爆破设计(一)、规范规定《铁路隧道施工规范》(TB10204-2002)规定:光面爆破参数预裂爆破参数说明:1、上表所列参数适用于炮眼深度1.0~3.5m,炮眼直径40~50mm,药卷直径20~25mm;2、当断面较小或围岩软弱、破碎或对曲线、折线开挖成形要求较高时,周边眼间距E应取小值;3、周边眼抵抗线W 值在一般情况下均应大于周边眼间距E 值。
软岩在取较小E 值时,W 值应适当增大;4、E/W :软岩取小值,硬岩及断面小时取大值;5、表列装药集中度q 为2号硝铵炸药,选用其它类型炸药时,应修正。
换算系数:⎪⎭⎫ ⎝⎛+=换算炸药爆力号硝铵炸药爆力换算炸药猛度号硝铵炸药猛度2221K (二)、爆破器材的选择⑴炸药:一般情况下,多采用二号硝铵炸药,洞内有水时应采用乳化油炸药、水胶炸药或其他防水性炸药;有瓦斯的隧道内,应采用煤矿安全炸药(如2、3号煤矿炸药,2、3号煤矿抗水炸药,煤矿水胶炸药,煤矿乳化油炸药,被筒炸药,当量炸药,离子交换炸药);在软弱围岩周边爆破时,选择低爆速光爆专用炸药,如二号低爆速炸药。
隧道常用炸药国产光面爆破专用炸药⑵雷管:在无瓦斯隧道内,可首先考虑采用非电毫秒雷管或半秒雷管;在有瓦斯的隧道内,采用煤矿瞬发电雷管或毫秒延期电雷管。
雷管的段间隔时间差应考虑控制在100ms左右,在软弱围岩中爆破,为避免振动强度的迭加作用,雷管最好跳段使用,特别是1~5段的雷管。
大断面隧道爆破,至少要求有1~15段雷管。
隧道常用雷管注:各系列非电导爆管雷管延迟时间(ms)(三)、参数确定一个φ32*25cm药卷用药量0.195kg一个φ25*25cm药卷用药量0.125kg一个φ20*25cm药卷用药量0.0875kg炸药密度0.85~1.05g/cm3光面爆破岩石饱和抗压强度39.7~46.25MPa,属于中硬岩规范参数装药不偶和系数D(炮眼直径Rh/药卷直径Rc)1.5~2,宜取2.0 周边眼间距E取45~60cm最小抵抗线V,应大于周边眼间距,取60~75cm相对距E/V取0.8~1周边眼装药集中度q(kg/m)0.2~0.3眼深:全断面3~3.5m,台阶法1~3m单位用药:全断面0.9~2kg/m3,台阶法0.4~0.8kg/m3炮眼直径取43mm ,考虑油压凿岩机炮眼直径42~46mm 时,V =0.5~0.7,q =0.28~0.38 炮眼直径34~38mm 时,V =0.4~0.6,q =0.14~0.21 中空孔到装药眼间距λ:岩层系数,中硬岩以上取1.9~2.2:中空孔径(mm ) d :装药眼径(mm )掏槽炮眼间距不小于20cm ,掏槽炮眼比辅助眼深10cm 周边眼炮泥堵塞长度不小于20cm 全断面开挖:断面尺寸:72.97m2,宽11m ,高8m 1.3循环进尺的选定在软弱围岩中,宜采用0.8~1.5m ,一般取1.1m 。
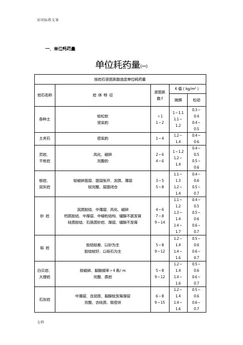
一、单位耗药量单位耗药量(一)按岩石坚固系数选定单位耗药量岩石名称岩体特征坚固系数fK值(kg/m3)抛掷松动各种土较松软坚实的<11~21~1.11.1~1.20.3~0.40.4~0.5土夹石密实的1~4 1.2~1.40.4~0.6页岩、千枚岩风化、破碎完整的2~64~61~1.21.2~1.40.4~0.50.5~0.6板岩、泥灰岩较破碎面层、面层张开、泥质、薄层较完整、层面闭合3~55~81.1~1.31.2~1.40.4~0.60.5~0.7砂岩泥质胶结、中薄层、风化、破碎钙质胶结、中厚层、中细粒结构、缝隙不甚发育硅质胶结、石英质砂岩、厚层、缝隙不发育4~67~89~141.1~1.21.3~1.41.4~1.70.4~0.50.5~0.60.6~0.7砾岩胶结较差、以砂为主胶结较好、以砾石为主5~89~121.2~1.41.4~1.60.5~0.60.6~0.7白云岩、大理岩较破碎、裂隙频率>4条/ m完整、原岩5~89~121.2~1.41.4~1.60.5~0.60.6~0.7石灰岩中薄层、含泥质、裂隙较发育厚层完整、含硅质、致密状6~89~151.2~1.41.4~1.60.5~0.60.6~0.7花岗岩风化严重、节理裂隙很发育多组交割、裂隙频率>5条/ m风化较轻、节理不甚发育、伟晶结构未风化、完整、细粒结构、致密岩体4~67~1212~201.1~1.31.3~0.4~0.60.6~1.6 1.6~1.80.7 0.7~0.8流纹岩、粗面岩、蛇纹岩较破碎的完整的6~89~121.2~1.41.5~1.70.5~0.70.7~0.8片麻岩片理或节理裂隙结构发育的完整、坚硬、密致5~89~141.2~1.41.4~1.70.5~0.70.7~0.8正长岩、闪长岩较风化、整体性较差的未风化、完整致密的风化、裂隙频率>5条/ m8~1212~185~71.3~1.51.5~1.81.1~1.30.5~0.70.7~0.80.5~0.6石英岩石风化破碎、裂隙频率>5条/ m中等坚硬、较完整的很坚硬、完整致密的5~78~145~71.1~1.31.4~1.61.7~2.00.5~0.60.6~0.70.7~0.8安山岩、玄武岩裂隙、节理较发育完整、致密的7~1212~201.3~1.51.6~2.00.6~0.70.7~0.8辉长岩、辉绿岩、橄榄岩裂隙、节理较发育完整、致密的8~1414~251.4~1.71.8~2.10.6~0.70.8~0.9单位耗药量(二)按岩石密度选定单位耗药量(kg /m3)岩石名称岩石密度(kg /m3)K值(kg/m3)拋掷松动砂1500 1.8~2.0 —密实的或潮湿的纱1600 1.4~1.5 —重亞粘土、砂质粘土1750 1600 1.2~1.35 0.4~0.45 坚实粘土2000 1.2~1.5 0.4~0.5黄土1800 1600 1.1~1.5 0.35~0.45白垩岩1550 2600 0.9~1.1 0.3~0.35 石膏(硬石膏)2200 2900 1.2~1.5 0.4~0.5蛋白石、泥灰岩2200 2300 1.2~1.5 0.4~0.5 浮石1100 1.5~1.8 0.5~0.6贝壳石灰岩1200 1.8~2.1 0.6~0.7 砾岩、钙质砾岩2200 2800 1.35~1.65 0.45~0.55泥质页岩、泥灰岩2300 2500 1.35~1.65 0.45~0.55 白云岩2700 2900 1.5~1.95 0.5~0.65 钙质砂岩、石灰岩2600 2700 1.5~1.95 0.5~0.65 石灰岩、砂岩2700 3100 1.5~2.4 0.5~0.8 花岗岩、花岗闪长岩2800 3300 1.8~2.55 0.6~0.85 玄武岩、安山岩2700 3300 2.1~2.7 0.7~0.9 石英岩2800 3300 1.8~2.1 0.6~0.7斑岩2500 3300 2.4~2.55 0.8~0.85炸药换算系数e值炸药名称型号换算系数炸药名称型号换算系数露天銨锑 2 1.00 硝酸銨 1.35岩石銨锑 1 0.80 黑火药 1.5岩石銨锑 2 0.88 銨油炸药 1.05~1.10 煤矿銨锑 1 0.97 52%胶质炸药耐冻0.78煤矿銨锑 2 1.12 35%胶质炸药耐冻0.93煤矿銨锑 3 1.16 梯恩梯0.95~1.00 软岩隧道爆破用药量K及有关参数地质条件开挖方法开挖断面(m2)眼深(m)眼径(mm)炮眼数(个)炸药类型K值(kg/m3)砂质页岩Ⅱ类拱部光面15·30·945 66 岩石硝铵0·3~0·4泥质页岩Ⅱ类半断面微台阶上32·06下63·701·145上111下120岩石硝铵上0·52下0·31千枚岩f=1~1·5半断面微台阶上14·5下30·771·045上65下67岩石硝铵上0·61下0·42断层带砂岩Ⅱ类全断面预裂101·31·148 168乳胶与硝铵0·73断层带板岩Ⅱ~Ⅲ类全断面预裂72·51·348 147乳胶与硝铵0·75断层破碎带花岗岩Ⅱ类半断面正台阶上44·25下94·03·048上116下94水胶与硝铵上1·24下0·74断层破碎带片麻岩半断面正台阶上38下383·042上38下38岩石硝铵上1·74下0·7砂泥岩互层f=2·5~6 分部开挖501·6 42 294 岩石硝铵1·2中硬岩、硬岩隧道爆破用药量K及有关参数泥质厚层砂岩f=4~5全断面光面爆破46 2·550 91 硝铵炸药1·41泥砂岩R压=31·8MPa全断面光面爆破50 1·850 126 硝铵炸药1·8Ⅳ类围岩全断面光面爆破90 3·248 136 硝铵炸药0·87中厚层隐晶质灰岩Ⅳ~Ⅴ类全断面预裂爆破100·75·048 200 硝铵炸药1·75Ⅲ类围岩石(等差爆破)全断面光面爆破90 5·048 185抗水、硝铵1·85砂岩、板岩Ⅳ~Ⅴ类全断面光面爆破96·25·048 180抗水、硝铵1·63花岗岩Ⅳ类(已有导坑)全断面光面爆破75·72 3·248 142防水、硝铵1·66砂岩、板岩Ⅳ~Ⅴ类全断面光面爆破101·35·048 198乳胶、炸药1·95花岗岩Ⅴ类全断面光面爆破93·55·048 198水胶、防水、硝铵1·43Ⅳ~Ⅴ类全断面光面爆破81~854·0~5·048 180~2001·74单位耗药量(四)坚硬岩石低台阶(H<2w)爆破耗药量及主要参数孔径(mm) 台阶高(m)孔深(m)抵抗线(m)孔间距(m)堵塞(m)装药量(kg)单耗(kg/m3)26~34 0·20·0·40·5 0·0·051·256 526~34 0·30·60·40·50·50·050·8326~34 0·40·60·40·50·50·050·6326~34 0·60·90·50·650·80·100·5126~34 0·81·10·60·750·90·200·5626~34 1·01·40·81·01·00·400·5051 1·01·4 0·81·01·10·40·551 1·52·0 1·01·21·20·850·4751 2·02·6 1·31·61·31·70·4151 2·53·2 1·51·91·52·70·3864 1·01·4 0·81·01·10·40·564 2·02·7 1·31·61·51·90·4664 3·03·8 1·62·01·63·80·4064 4·04·9 2·12·62·06·50·3076 1·01·6 1·11·31·20·570·4076 2·02·6 1·31·61·31·70·4176 3·03·8 1·51·81·53·20·4076 4·05·0 1·72·11·75·60·3976 5·06·2 2·02·52·010·00·4076 6·07·4 2·63·22·618·10·36单位耗药量K及其它参数(五)硬岩二级v形掏槽(竖向三排)装药量k及其它参数炮眼直径(mm) 掏槽深度(m) 抵抗线(m) 底部装药集中度(kg/m) 垂向炮眼个数30 1·5 1·0 0·9 338 1·6 1·2 1·4 345 1·8 1·5 2·0 351 2·0 2·0 2·6 3扇形掏槽钻爆参数炮眼直径(mm) 抵抗线(m) 掏槽深度(m) 底部装药集中度(kg/m) 水平向炮眼个数不装药段长度(m)30 0·8 1·5 0·9 3 0·540 0·9 1·6 1·6 3 0·5545 1·0 1·8 2·0 3 0·648 1·1 1·9 2·3 3 0·651 1·2 2·0 2·6 3 0·75对称掏槽中空孔径D、与掏槽眼中心最大间距a、装药量Q中空孔眼直径D(mm)50 2×57 75 85 100 2×75 110 125 150 200 掏槽中至空眼中a(mm)90 100 130 145 175 200 190 220 250 330装药量Q(kg/m)d=32 0·20 0·30 0·30 0·35 0·40 0·45 0·45 0·50 0·60 0·80 d=37 0·25 0·35 0·35 0·40 0·45 0·53 0·53 0·60 0·70 0·95 d=45 0·30 0·42 0·42 0·50 0·55 0·63 0·65 0·70 0·85 1·10深眼掏槽装药参数掏槽形式钻孔深度(m) 中空孔数(个)装药眼数(个)单孔药量(kg)装药集中度(kg/m)单位装药量(kg/m3)雷管段数单中空孔3·5 1 16 4·0 1·14 1·51 1~12 双中空孔3·5 5·15 2 14 5·85 1·14 1·31 1~7 三中空孔5·15 3 18 5·85 1·14 1·69 1~7 四中空孔3·5 4 18 4·0 1·14 1·70 1~12二、隧道爆破设计爆破设计(一)、规范规定《铁路隧道施工规范》(TB10204-2002)规定:光面爆破参数岩石类别 周边眼间距E (cm ) 周边眼抵抗线 W (cm ) 相对距离 E/W 装药集中度 q (kg/m ) 极硬岩 55~70 60~80 0.7~1.0 0.30~0.35 硬岩 45~65 60~80 0.7~1.0 0.20~0.30 软质岩35~5045~600.5~0.80.07~0.12预裂爆破参数岩石类别 周边眼间距E (cm ) 至内排崩落眼间距(cm )装药集中度 q (kg/m ) 极硬岩 40~50 40 0.30~0.40 硬岩 40~45 40 0.20~0.25 软质岩 35~40350.07~0.12说明:1、上表所列参数适用于炮眼深度1.0~3.5m ,炮眼直径40~50mm ,药卷直径20~25mm ;2、当断面较小或围岩软弱、破碎或对曲线、折线开挖成形要求较高时,周边眼间距E 应取小值;3、周边眼抵抗线W 值在一般情况下均应大于周边眼间距E 值。
炸药:是指在一定条件下,能够发生快速化学反应,放出巨大能量,生成大量气体产物,显示爆炸效应的化合物或混合物。
炸药爆炸的三要素:1、反应过程中释放大量的热能;2、反应过程必须高速进行;3、反应必须产生大量的气体.炸药的氧平衡及对爆生有毒气体的影响:炸药的氧平衡可分为如下三种情况:1、零氧平衡:炸药中的氧含量恰好能够使碳、氢元素完全氧化;2、正氧平衡:炸药中的含氧量使全部碳、氢元素完全氧化后还有剩余;3、负氧平衡:炸药中的含氧量不足以将碳、氢元素完全氧化.零氧平衡炸药中的碳氢含量与氧的含量恰好匹配,即碳、氢元素被完全氧化成二氧化碳和水,没有多余的氧,也没有多余的碳、氢;负氧平衡炸药的含氧量不足,将发生不完全氧化,爆炸中出现CO ,甚至产生固态碳;而正氧平衡炸药的含氧量过多,易出现NO 和NO2。
炸药的起爆:炸药在外能作用下发生爆炸上网过程称为起爆.感度:是指炸药在外能作用下发生爆炸的难易程度。
爆速:是爆轰波传播的速度爆热:炸药反应放出的热量V Q ,根据能量守恒定律有()()V Q V V P P e e +-+=-20020221爆温:爆轰产物温度t k k t 122+=,其中t 为爆温。
爆力:是表示炸药爆炸对周围介质整体的压缩、破坏和抛移等作用的能力。
猛度:是表示炸药爆炸对其邻近介质产生局部的压缩、粉碎或击穿作用的能力.殉爆:一个药包爆炸后,引起与它不相接触的邻近药包爆炸的现象。
殉爆距:主动药包引爆从动药包的最大距离.冲击波:是一种在介质中以超声速传播的并具有压力突然跃升,然后缓慢下降特征的一种高强度的压力波.爆轰波:是指在炸药中传播的、伴有化学反应区的特殊形式的冲击波。
两者的区别:1.、传播介质:爆轰波在一定量的炸药中传播,而冲击波一般不定;2、爆轰波有化学反应,而冲击波没有;3、爆轰波有能量补充,而冲击波没有;4、爆轰波状态参数恒定,而冲击波状态参数退。
分析影响炸药爆速的因素:1、药包直径。
•隧道爆破• 1.隧道爆破概述•全断面开挖的隧道,一般,采用光面爆破。
但为了使边墙平顺,可考虑拱部采用光面爆破,边墙预裂爆破的综合方案,确保边墙爆破的效果。
分部开挖时,可采用预留光面层的光面爆破。
•隧道开挖前,应根据观察地质条件、开挖断面、开挖方法、掘进循环进尺、钻眼机具和爆破器材等做好钻爆设计,合理地确定炮眼布置、数目、深度和角度、装药量和装药结构,隧道炮眼分为:掏槽眼、辅助眼与周边眼。
隧道爆破的关键是掏槽眼和周边眼的爆破。
掏槽眼为辅助眼和周边眼的爆破创造了有利条件,直接影响循环进尺和掘进效果;周边眼关系到开挖边界的超、欠挖和对周围围岩的影响。
• 2.炮眼直径、数量、深度与装药量• 2.1 炮眼直径•加大炮眼直径及装药量可使炸药能量相对集中,爆破效果得以改善,但直径过大将导致凿岩速度下降,并影响岩石破碎质量、洞壁平整度和围岩稳定性。
必须根据岩性、凿岩设备和工具、炸药性能综合分析,合理选用孔径。
一般,炮眼直径在φ32~φ50之间,药卷与眼壁的间隙为炮眼直径的10%~15%,以利于装药。
• 2.2炮眼数量•炮眼数量主要与开挖断面、炮眼直径、岩性与炸药性能有关,炮眼的多少直接影响凿岩工作量。
炮眼数量应能装入设计的炸药量,根据各炮眼平均分配炸药量的原则计算。
2.3炮眼数量计算N=qS/αγN—炮眼数量(不含未装药的空眼数);q—单位炸药消耗量,取1.2~2.4kg/m3;S—开挖断面积(m2);α—炸药系数,装药长度与炮眼全长的比值,与炮眼类别、围岩级别有关;γ—每米药卷的质量,kg/m,与炸药类别、药卷直径有关。
2.4炮眼深度•炮眼深度是指炮眼底至开挖面的垂直距离。
合适的炮眼深度有助于掘进速度和炮眼利用率,但是施工中为了减少作业循环次数,可以适度加长炮眼深度。
•炮眼深度根据围岩的稳定性、凿岩机的允许钻眼长度、钻眼技术条件和水平、循环安排与作业设计合理利用等因素确定。
•确定炮眼深度的常用方法有三种。
一种是采用斜眼掏槽时,炮眼深度受开挖面大小的影响,炮眼过深,周边岩石的夹制作用较大,故炮眼深度不宜过大。
一、单位耗药量单位耗药量(一)单位耗药量(二)炸药换算系数e值单位耗药量(四)单位耗药量K及其它参数(五)二、隧道爆破设计爆破设计(一)、规范规定《铁路隧道施工规范》(TB10204-2002)规定:光面爆破参数预裂爆破参数说明:1、上表所列参数适用于炮眼深度1.0~3.5m ,炮眼直径40~50mm ,药卷直径20~25mm ;2、当断面较小或围岩软弱、破碎或对曲线、折线开挖成形要求较高时,周边眼间距E 应取小值;3、周边眼抵抗线W 值在一般情况下均应大于周边眼间距E 值。
软岩在取较小E 值时,W 值应适当增大;4、E/W :软岩取小值,硬岩及断面小时取大值;5、表列装药集中度q 为2号硝铵炸药,选用其它类型炸药时,应修正。
换算系数:⎪⎭⎫ ⎝⎛+=换算炸药爆力号硝铵炸药爆力换算炸药猛度号硝铵炸药猛度2221K (二)、爆破器材的选择⑴炸药:一般情况下,多采用二号硝铵炸药,洞内有水时应采用乳化油炸药、水胶炸药或其他防水性炸药;有瓦斯的隧道内,应采用煤矿安全炸药(如2、3号煤矿炸药,2、3号煤矿抗水炸药,煤矿水胶炸药,煤矿乳化油炸药,被筒炸药,当量炸药,离子交换炸药);在软弱围岩周边爆破时,选择低爆速光爆专用炸药,如二号低爆速炸药。
隧道常用炸药国产光面爆破专用炸药⑵雷管:在无瓦斯隧道内,可首先考虑采用非电毫秒雷管或半秒雷管;在有瓦斯的隧道内,采用煤矿瞬发电雷管或毫秒延期电雷管。
雷管的段间隔时间差应考虑控制在100ms左右,在软弱围岩中爆破,为避免振动强度的迭加作用,雷管最好跳段使用,特别是1~5段的雷管。
大断面隧道爆破,至少要求有1~15段雷管。
(三)、参数确定一个φ32*25cm 药卷用药量0.195kg 一个φ25*25cm 药卷用药量0.125kg 一个φ20*25cm 药卷用药量0.0875kg 炸药密度0.85~1.05g/cm 3 光面爆破岩石饱和抗压强度39.7~46.25MPa ,属于中硬岩 规范参数装药不偶和系数D (炮眼直径Rh/药卷直径Rc )1.5~2,宜取2.0 周边眼间距E 取45~60cm最小抵抗线V,应大于周边眼间距,取60~75cm 相对距E/V 取0.8~1周边眼装药集中度q (kg/m )0.2~0.3 眼深:全断面3~3.5m ,台阶法1~3m单位用药:全断面0.9~2kg/m3,台阶法0.4~0.8kg/m3 炮眼直径取43mm ,考虑油压凿岩机炮眼直径42~46mm 时,V =0.5~0.7,q =0.28~0.38 炮眼直径34~38mm 时,V =0.4~0.6,q =0.14~0.21 中空孔到装药眼间距λ:岩层系数,中硬岩以上取1.9~2.2:中空孔径(mm ) d :装药眼径(mm )掏槽炮眼间距不小于20cm ,掏槽炮眼比辅助眼深10cm 周边眼炮泥堵塞长度不小于20cm 全断面开挖:222dd d A ++⎪⎪⎭⎫ ⎝⎛++=ϕϕϕλπϕ断面尺寸:72.97m2,宽11m ,高8m 1.3循环进尺的选定在软弱围岩中,宜采用0.8~1.5m ,一般取1.1m 。
杭瑞高速贵州境毕节至都格段土建工程第六合同段爆破设计书编制:审核:批准:中铁十七局集团第一工程有限公司毕都高速公路第六合同段项目经理部目录第一章 3 第一节设计依据第二节工程概况第二章挖方路基爆破方案 5 第三章隧道爆破设计第一节隧道爆破施工方案9第二节爆破参数设计11第三节爆破施工工艺20第四节光面爆破达到的效果和要求22第五节光面爆破施工22第六节爆破安全距离计算23第七节安全技术与防护措施24第八节施工中的关键点及处理措施25第九节隧道爆破施工特别注意事项26第四章爆破拒爆的主要原因及预防处理措施第一节拒爆产生的原因29第二节预防拒爆的主要措施31第三节正确处理拒爆的方法32第一章设计依据与工程地质概况第一节设计依据1、贵州省交通规划勘察设计研究院股份有限公司《杭瑞高速贵州省毕节至都格(黔滇界)公路两阶段施工图设计》;2、《民用爆炸物品安全管理条例》;3、GB6722—2003《爆破安全规程》;4、公安机关的部门规章。
第二节工程概况一、工程概况杭瑞高速贵州省毕节至都格(黔滇界)公路土建工程第6合同段,起讫里程为YK127+000~YK139+000,路线长12km,公路设计速度为80km/h,其中整体式路基宽24.5米,分离式路基半幅宽12.25米。
本合同段路线起于纳雍县龙场镇,顺接第5合同段终点,自北向南经郭落柱至高炉寨,设鸡公山隧道穿过鸡公山至熊家寨,设黄家屯停车区,经王家寨至鱼塘梁子隧道,隧道中段即为本合同终点。
本合同段分离式隧道3座、跨线桥1座、主线桥3座、涵洞34座(包括主线及支线)、其余为路基。
本合同段主要工程为路基和隧道工程,路基总长7008.88m,隧道总长4810m;隧道分别为:龙场隧道,左幅ZK127+040~ZK127+840,长800米,右幅YK127+040~YK127+845,长805;鸡公山隧道,左幅ZK131+345~ZK134+290,长2945米,右幅YK131+310~YK134+295,长2985米;鱼塘梁子隧道,左幅ZK137+950~ZK139+000,长1050米,右幅YK137+965~139+000,长1035米。
隧道爆破工程施工技术参数计算书编制:复核:审核:目录编制说明 (1)1.1编制依据 (1)1..2编制说明 (1)2、工程概况 (1)2.1爆破工程简介 (1)2.2气象水文地质条件 (2)3、隧道爆破施工技术参数设计计算 (4)3.1、爆破器材选用 (4)3.2、药卷质量计算 (4)3.3、炮眼直径 (5)3.4、炮眼深度 (5)3.5、炮眼数目(N)计算 (5)3.6、掏槽眼参数设计 (6)3.7、扩槽眼参数设计 (7)3.8、周边眼、底板眼参数设计 (7)3.9、辅助眼参数设计 (8)3.10、设计参数结果及炮眼布置图 (9)3.11、隧道爆破设计参数结果 (9)4、隧道爆破施工技术参数结果汇总 (13)4.1、Ⅲ级围岩爆破参数设计计算结果 (13)4.2、Ⅲ级围岩爆破参数设计计算结果 (14)4.3、Ⅲ级围岩爆破参数设计计算结果 (15)5、结论 (16)编制说明1.1编制依据1.1.1《爆破工程师计算手册》;1.1.2《公路路基施工技术规范》JTGF10—2006;1.1.3《公路桥涵施工技术规范》JTG/TF50—2011;1.1.4《公路隧道施工技术规范》JTG F60—2009;1.1.5《爆破安全规程》GB6722—2014;1.1.6《公路工程质量检验评定标准》JTGF80/1—2017;1.1.7《爆破工程施工及验收规范》GB50201—2012;1.1.8《公路工程施工安全技术规范》JTGF90—2015;1.1.9《高速公路两阶段初步设计图》;1..2编制说明本项目爆破工程仅对路基石方爆破和隧道爆破技术参数进行设计计算,桩基爆破参照《爆破工程师计算手册》井下爆破相关内容和以往工程经验确定。
2、工程概况2.1爆破工程简介本标段设计施工隧道5座,双洞总长为5560m,隧道洞身Ⅲ级和Ⅳ级围岩采用钻爆法施工,隧道工程基本情况见表2-3。
2.2气象水文地质条件2.2.1气象条件拟建线路沿线经过江口县、铜仁市碧江区、岑巩县、铜仁市万山区、玉屏侗族自治县,属中亚热带季风湿润气候,具有明显的大陆性气候特征。
XXXXXX高速公路一期土建工程XX合同段隧道爆破设计方案XXXXXXXX合同段项目经理部2010年12月隧道爆破设计方案一、工程概述本合同段有四座隧道。
隧道设计为左右幅分离式双洞单向行车双车道,净跨11.2m,净高7.0m的三心圆拱曲墙断面。
隧道区域处于构造剥蚀丘陵—低山地貌区,主要出第四系全新统残坡积碎石土、中元古武当山群片岩和上元古界震旦系上统灯组片岩。
本段内短隧道为Ⅳ、Ⅴ级围岩,中长隧道为Ⅲ、Ⅳ、Ⅴ级围岩,其中Ⅲ级围岩采用全断面法爆破开挖(Ⅴ级围岩主要采取人工配合机械开挖,不需要爆破)、锚、喷、格栅、网、初期支护,全断面复合式衬砌。
爆破方法采用光面爆破。
二、光面爆破的特点光面爆破施工,可以减少对围岩的扰动,增强围岩的自承能力,特别是在不良地质条件下效果更为显著,不仅可以减少危石和支护的工程量,而且保证了施工的安全;由于光面爆破使开挖面平整,岩石无破碎,减少了裂隙,这样可以大大减少超欠挖量。
据有关资料统计,光面爆破与普通爆破相比,超挖量由原来的15%~20%降低到4%~7%,不但减少出碴量,而且还很大程度的减少了支护的工作量,从而降低的成本,加快了施工进度。
根据公路隧道“新奥法”施工的需要和工程地质条件,结合施工现场实际情况,我标段的四座隧道中的Ⅲ、Ⅳ级围岩决定采用光面爆破施工。
三、光面爆破方案的确定目前,大断面隧道光面爆破施工有2种方法:一是预留光爆层法;二是全断面一次性开挖法。
根据施工现场的实际条件及围岩情况,本段隧道采用全断面一次性开挖法。
四、全断面(Ⅲ级围岩)爆破方案设计1、爆破参数的选择光面爆破参数选择主要与地质条件有关,其次是炸药的品种与性能;隧道开挖断面的形状与尺寸,装药结构与起爆方法。
隧道主要为Ⅲ、Ⅳ、Ⅴ级围岩,Ⅲ级围岩全断面爆破断面面积为83.1m2,Ⅳ级围岩上导坑爆破断面面积为58.45m2,采用2号岩石乳化炸药,Ⅴ级围岩主要采取人工配合机械开挖,不需要爆破。
周边眼采用不耦合间隔装药,其他炮眼采用连续柱状装药,采用导爆索和毫秒延期导爆雷管起爆。
XX铁路XX至XX段扩能改造工程XX隧道爆破施工方案编制:审核:审定:审批:XX项目部第XX作业队二0XX年XX月XX日目录1、工程概况 (2)2、爆破安全管理领导小组 (2)3、职责和权限 (2)4、引用标准 (3)5、使用范围 (3)6、管理内容与控制要求 (3)7、施工爆破安全作业程序 (7)8、各级围岩爆破设计 (7)云端隧道爆破施工方案1、工程概况云端隧道位于扎鲁特旗阿日昆都楞苏木境内既有通霍线云端站南侧3km 处霍林河南岸山包中,距离右侧既有线约40~300m,起讫里程DK383+365~DK384+355,全长990m,位于R-2000圆曲线及缓和曲线和直线上,纵坡4.6‰,隧道最大埋深约100m。
本隧道沿线宏观地貌为低山丘陵及丘陵缓坡,隧道进口坡面较陡,地势起伏较大,自然坡面约35℃,线路与等高线斜交约42°,地表覆盖稀疏杂草,局部基岩裸露。
洞口右方为霍林河,常年流水。
出口位于山坡侧面,坡面较陡,自然坡面约35℃,线路与等高线斜交45°,地表覆盖杂草,右前方隔河有一座小新村。
根据地质调查,该隧道表覆第四系全新统坡残积层(Q4dl+el),下伏侏罗系系统凝灰岩(J3)。
全隧涉及爆破的区段480m,其中:Ⅳ级围岩225m,占全隧的22.73%,Ⅲ级围岩195m,占全隧的19.7%,Ⅱ级围岩60m,占全隧的6.06%。
2、爆破安全管理小组保管员:张顺民爆破员:张军厂刘振峰郭俊成张胜利3、职责和权限1)实行“从严管理,依法监督,方便生产,保障安全”和“谁主管,谁负责”的原则,实行主管领导责任制度。
2)制定购买、运输、储存、使用、退库、保管、记录爆炸物品的各岗位安全责任制,必需依照本方案和安全技术操作规程严格遵守执行,由安质部负责监督检查。
3)爆破物品接受所在地公安机关的监督检查。
4、引用标准《中华人民共和国民用爆炸物品管理条例》《铁路施工单位爆炸物品管理条例》5、使用范围本办法适用于中铁九局集团通霍铁路扩能改造工程第五作业队云端隧道施工现场及使用的架子队伍。
赵家岩隧道光面爆破参数的选用1 工程概述赵家岩隧道位于广甘高速公路广元市境内,全长4595米,为双线分离式公路隧道,隧道III级围岩以白云岩、灰岩和砂岩为主。
2 光面爆破主要参数的确定光面爆破对围岩扰动小,又尽可能保存了围岩自身原有的承载能力,从而改善了衬砌结构的受力状况;由于围岩轮廓圆顺、壁面平整,减少了应力集中和局部落石、掉块现象。
确定合理的光面爆破参数,是获得良好光面爆破效果的重要保证。
光面爆破的主要参数有:周边眼间距(E)、周边眼密集系数(K)、最小抵抗线(W)、不耦合系数(D)和装药集中度(γ)。
2.1 炮眼深度炮眼深度受开挖面大小的影响,炮眼过深,周边岩石的夹制作用较大,故炮眼深度不宜过大,一般最大炮眼深度取断面宽度(或高度)的0.5~0.7倍。
L=0.5H=0.5×8.43=4.22m(H为隧道开挖轮廓的高度,H=8.43)钻孔采用YT-28风钻,炮眼孔径为φ42mm,为克服及减少岩石的夹制作用,除掏槽眼和底眼深度L=3.7米外,其余周边眼、辅助眼等炮孔深度L=3.5米。
2.2 光面爆破不耦合系数(D)及装药直径(d)炮眼直径d k与药卷直径d i之比称为不偶合系数,合适的周边眼不偶合系数应使爆炸后作用于炮眼壁的压力小于围岩抗压强度,理论与实践证明,当不偶合系数在1.5~2.0范围时,缓冲作用最佳,光爆效果最好D=d k/d i=(1-a)×{(ρ0/[δc])1/r+a}½式中D——不耦合系数;d k——炮眼直径(cm);d i——装药直径(cm);a——爆生气体分子余容系数,a=0.395;ρ0——爆生气体初始压力,ρ0=6997Pa;[δc]——岩石三轴抗压强度,对于中硬的花岗岩或者砂岩[δc]=800MPa;r——绝热指数,1/r=0.8299。
将上述数据带入后:D= d k/d i=2.01则d i = d k/D=21mm。
在实际使用过程中,我们采用直径为25mm的乳化炸药,即周边眼的不耦合系数D=42/25=1.68,符合D=1.5~2.0的要求。
隧道工程爆破设计一、工程概况1、地理位置济南至莱芜高速公路长城岭隧道进口位于章丘市文祖镇三槐树村,出口位于莱芜市雪野镇大厂村。
施工现场周围无大型建筑物,仅有少量的民用建筑.长城岭隧道中间处LK40+740里程地表处有与隧道中心线几乎垂直的古齐长城,是重点保护对象。
2、工程简况长城岭隧道全长左幅854(右幅759)米,合计1613米,开挖断面达165m2。
其中左幅Ⅲ级围岩160米,Ⅳ级围岩480米,Ⅴ级围岩214米;右幅Ⅲ级围岩145米,Ⅳ级围岩371米,Ⅴ级围岩243米,隧道爆破方量约为247454m3。
洞口路基段长170米,挖方段主要为隧道洞口处,约18248m3。
3、长城岭隧道开挖施工方法长城岭隧道Ⅳ级围岩及Ⅴ级围岩段采用单侧壁导坑法开挖,开挖进尺控制在0。
75~1.0m以内,弱爆破技术,小型挖掘机装渣,小型拖拉机运输至洞口处,再由装载机配合大型载重自卸车运输至弃渣场。
Ⅲ级围岩采用台阶开挖法进行,光面控制爆破及减震爆破技术.上台阶采用小型挖掘机扒渣至下台阶,再由装载机配合大型载重自卸车运输至弃渣场。
爆破进尺控制在1。
5米以内。
4、洞外路基施工方法土方路基挖方地段直接采用大型挖掘机进行挖除,石方地段采用自上而下松动控制爆破,并采取防护措施。
出渣由挖掘机挖装,载重自卸车运输至弃渣场.5、水文地质概况隧道岩体以灰岩为主,岩石较坚硬,节理裂隙发育。
挖方路基石方地段岩石为强风化~弱风化的灰岩,岩体破碎,完整性差。
线路范围的水文地质条件简单,属裂隙水.6、爆破要求(1)长城岭隧道中部穿过古齐长城,爆破施工时对文物保护要求较高.隧道在爆破开挖时,允许控制在0。
2cm/s以内。
(2)洞口周围的民用砖房采用爆破振动安全标准为2cm/s以内。
(3)对于露天控制爆破个别飞石的警戒距离不小于300m,个别飞石最大距离控制在45m以内.(4)爆破环境技术要求详见《图1 爆破环境平面布置图》.(5)爆破工程量计算二、爆破方案选择1.设计依据(1)济莱高速公路第六合同段施工第一册《总体设计路线路基路面桥涵交叉其它》、第二分册《隧道》;(2)中华人民共和国爆破安全规程(GB6722—2003);(3)公安部《爆破作业人员安全技术考核标准》;(4)中铁隧道集团在以往施工的类似本工程的成功经验和资料.2.爆破方案选择(1) 根据围岩特点合理选择周边眼间距及周边眼的最小抵抗线,辅助炮眼交错均匀布置,周边炮眼与辅助炮眼眼底在同一垂直面上,掏槽炮眼加深20cm。
隧道工程爆破基础知识一、爆炸1•爆炸的定义爆炸是某一物质系统在有限空间和极短时间内,大量能量迅速释放或急骤转化的物理、化学过程。
在这种变化过程中通常伴随有强烈放热、发光和声响等效应。
2.爆炸分类根据爆炸产生的原因及特征,爆炸现象可分为I:物理爆炸、化学爆炸、核爆炸。
3.炸药爆炸炸药爆炸是一种化学爆炸,炸药爆炸时应具静条件,这3个条件相辅相成、缺一不可,称为炸药爆炸的“三要素”即:化学反应过程大量放热,反应过程极快,生成大量的气体。
其中热是作功的能源,如果没有足够的热量放出,自身又不能供给继续变化所需的能量化学变化就不可能自行传播,爆炸过程就不能产生。
而髙速的化学反应,可忽略能量转换过程中热传导和热辐射的损失,在极短的时间内完成爆炸过程。
另外炸药爆炸时所生成的气体产物是作功的源泉炸药爆炸对爆破对象所作的机械功就是由可压缩性和膨胀系数很大的气体产物产生的。
二、爆破作用的基本原理1•爆破破岩理论简介炸药在爆破对象内爆炸,形成对周围介质的作用称为爆破作用。
由于药包爆炸时产生的主要能量为髙温髙压爆轰气体和冲击波,因此人们在实验分析的基础上提出了3种爆破作用破坏理论。
(1)爆轰气体压力作用破坏理论(2)应力波反射作用破坏理论(3)应力波与爆轰气体综合作用破坏理论,目前这种理论占主流,认为先主要是应力波的作用,然后主要是爆轰气体的压缩、楔入作用。
2.爆破的内部作用当药包埋置在地表以下很深处爆炸时药包的爆破作用只局限于在地表以下,在地表没有显现出爆破痕迹,这种条件下的爆破作用叫做内部作用。
通常,按岩石破坏的特征,可将内部作爆破范围内的岩石划分为3个圈(见下图)1-药包,2-压缩圈,3-破裂圈,4-径向裂隙,5-环向裂隙,6-震动圈3.爆破的外部作用(1)爆破的外部作用当药包埋置深度不大、接近地表时,药包爆破除了使岩石破裂和振动外,被破裂的岩块由于碎胀而在地表隆起,或被抛离地表并形成一个爆破坑----爆破漏斗。
爆破作用已显现在地表这种情况叫做爆破的外部作用。
隧道爆破参考资料3、微振动爆破的减震措施3.1减小爆破振动的措施(1)在军管区和接近建筑物基础区段,严格控制一次起爆药量和开挖进尺,危险地段可采用台阶法开挖,爆破孔深甚至可减小到1.0m~1.5m。
(2)当隧道穿越桩基时,对邻近桩基的拱部、侧壁部位,设置超前小导管并注浆加固围岩后,才进行爆破开挖。
(3)采用澳大利亚澳瑞凯公司生产的Exel高精度延时的非电导爆管雷管(见附件,在某浅埋隧道应用取得了显著的降振效果),或国产MG803-B系列高精度延时的非电导爆管雷管。
普通非电毫秒雷管段别一般只用15段以内,特殊情况可用20段,因为高段位普通雷管延时误差太大。
而高精度延时雷管可根据需要订购30~40段,延时误差仍然不大于30ms。
采用高精度延时雷管可使单段起爆药量减少到最低程度,爆破振动显著降低,但掘进效率仍然较高。
(4)最大爆破振动通常由掏槽爆破引起,应尽可能降低掏槽爆破的振动强度。
采用多级楔形掏槽,降低爆破夹制作用,可减小爆破振动。
掏槽区设在开挖断面下半部,与桩基相邻隧道段的掏槽区设在远离桩基的一侧,减小掏槽爆破的振动影响,必要时在掏槽区外打一圈炮孔,或进行掏槽区预裂爆破。
(5)爆破作业中一开始就用爆破振动检测仪器进行爆破地震监测,尽早掌握当地爆破振动衰减规律,同时根据爆破振动情况调整和试验多种爆破方案,如全断面和台阶式爆破方案,不同进尺爆破的对比等。
通过检测结果比选出振动轻微、爆破效果好的钻爆方案。
(6)当爆破作业接近保护设施时,一方面采用已经调试成功的最小振动爆破方案,另外随时监测保护点的爆破振动速度。
(7)必要时在周边孔间增加导向空孔,实施周边预裂爆破。
(8)拱墙部和与桩基相邻侧周边孔内侧设1~2排φ38mm 减震孔,孔距与周边孔同,排距10~15cm ,相错布置,孔深较炮孔超深20~50cm ,以减弱爆破振动波的传播。
(9)采用不耦合装药结构:周边眼光爆药卷采用导爆索串接小药卷炸药(φ20mm );掏槽孔孔底超深5~10cm ,并采用孔底空气间隔不耦合装药。
隧道爆破参考资料3、微振动爆破的减震措施3.1减小爆破振动的措施(1)在军管区和接近建筑物基础区段,严格控制一次起爆药量和开挖进尺,危险地段可采用台阶法开挖,爆破孔深甚至可减小到1.0m~1.5m。
(2)当隧道穿越桩基时,对邻近桩基的拱部、侧壁部位,设置超前小导管并注浆加固围岩后,才进行爆破开挖。
(3)采用澳大利亚澳瑞凯公司生产的Exel 高精度延时的非电导爆管雷管(见附件,在某浅埋隧道应用取得了显著的降振效果),或国产MG803-B系列高精度延时的非电导爆管雷管。
普通非电毫秒雷管段别一般只用15段以内,特殊情况可用20段,因为高段位普通雷管延时误差太大。
而高精度延时雷管可根据需要订购30~40段,延时误差仍然不大于30ms。
采用高精度延时雷管可使单段起爆药量减少到最低程度,爆破振动显著降低,但掘进效率仍然较高。
(4)最大爆破振动通常由掏槽爆破引起,应尽可能降低掏槽爆破的振动强度。
采用多级楔形掏槽,降低爆破夹制作用,可减小爆破振动。
掏槽区设在开挖断面下半部,与桩基相邻隧道段的掏槽区设在远离桩基的一侧,减小掏槽爆破的振动影响,必要时在掏槽区外打一圈炮孔,或进行掏槽区预裂爆破。
(5)爆破作业中一开始就用爆破振动检测仪器进行爆破地震监测,尽早掌握当地爆破振动衰减规律,同时根据爆破振动情况调整和试验多种爆破方案,如全断面和台阶式爆破方案,不同进尺爆破的对比等。
通过检测结果比选出振动轻微、爆破效果好的钻爆方案。
(6)当爆破作业接近保护设施时,一方面采用已经调试成功的最小振动爆破方案,另外随时监测保护点的爆破振动速度。
(7)必要时在周边孔间增加导向空孔,实施周边预裂爆破。
(8)拱墙部和与桩基相邻侧周边孔内侧设1~2排φ38mm 减震孔,孔距与周边孔同,排距10~15cm ,相错布置,孔深较炮孔超深20~50cm ,以减弱爆破振动波的传播。
(9)采用不耦合装药结构:周边眼光爆药卷采用导爆索串接小药卷炸药(φ20mm );掏槽孔孔底超深5~10cm,并采用孔底空气间隔不耦合装药。
(10)钻孔作业采用模板定位、角尺控制方向,提高炮孔的钻眼精度。
全部炮孔用机制炮泥堵塞,增加爆炸破岩能量利用率。
3.2确定单响最大起爆允许用药量Q按《爆破安全规程》中的计算公式:()α33K V R Q =进行计算 式中:Q —最大单段允许爆破药量(kg );R —爆破点至振动计算点的距离(m );V —根据要求,保护对象的质点振动速度安全允许值,设为2cm/s ; 根据《安全规程》宜设保护对象的振动速度安全允许值为1cm/s ; K —根据类比工程取经验值100,最后根据试验爆破检测结果来修正;α—根据类比工程取经验值1.8,最后根据试验爆破检测结果来修正。
按上述公式,取不同的R值,计算结果列于下表2表2-1 [V]=2cm/s时,不同的R值对应的最大单段爆破药量计算结果表2-2 按K=100,α=1.8,Q=2.6kg控制时,不同的R值对应的爆破振动速度计算结果实际数值以爆破检测结果和实际检测得到的K、α值计算为准,以上均是预估值。
因此,前期爆破振动检测工作非常重要。
3、钻爆设计3.1竖井爆破设计竖井开挖时,<5-2>以上地层采取机械或人工配合风镐开挖,边开挖边初期支护;<5-2>以下地层为强风化~微风化花岗岩片麻岩,采取微振动控制爆破开挖,爆破设计见图2,中间采取四角锥形掏槽,周边光面爆破,爆破循环进尺1m左右。
根据试验效果,如果竖井全断面爆破开挖振动过大,可以改为分步爆破。
即先作掏槽和内两圈眼爆破,清理出临空面后进行辅助眼和周边眼圈的爆破。
竖井爆破一开始就开展爆破振动检测,爆破振动检测点安排成一条测线,每次不少于5个测点,以便于确定真实的爆破振动衰减规律,同时每次爆破振动检测结果都反馈于设计方案的修正。
竖井爆破开挖阶段振动监测主要目的是根据爆破振动检测结果确定本地区爆破振动衰减规律、优化调整爆破方案和进尺,既有利于竖井施工,更为后期复杂环境的爆破振动控制提供试验依据。
竖井爆破点◎10m 20m 30m 50m 70m3.2 横通道爆破设计由于横通道位置处围岩状况主要为坚硬花岗岩,且环境条件上距离地面建筑物较远,因此,横通道在开挖可采取全断面爆破,爆破炮眼和网路见上图3。
横通道区段爆破开挖还可以进行直眼掏槽和楔形掏槽的降振效果对比。
直眼掏槽可利用空眼作临空面,在掏槽区域实现逐孔起爆,最大限度降低掏槽爆破单响药量,降振效果显著,但直眼掏槽对钻孔精度要求较高,钻孔数较多,适合小断面隧道爆破掘进。
楔形掏槽爆破夹制作用较小,但一般是成对炮眼同时起爆,因此掏槽爆破单响药量较大,为降低爆破振动可采用孔外短延时接力,错开同段爆破振动峰值;也可以用单楔形掏槽,减小掏槽段爆破单响药量。
双楔形掏槽适合大断面隧道爆破,单楔形掏槽适合小断面隧道爆破。
双楔形掏槽单楔形掏槽横通道开挖仍然应做好爆破振动检测,测点可安排在原来测线上,每次不少于5个测点,根据检测结果确定爆破振动衰减规律、优化调整全断面控制爆破方案和合理进尺。
3.3军事区前隧道爆破军事区前隧道可分为特别复杂环境和一般复杂环境两种爆破方案。
特别复杂环境指爆破掌子面距离桩基底面距离在30m以内,其他为一般复杂环境。
初步设想特别复杂环境段采用台阶式开挖方案,一般复杂环境可用全断面短进尺爆破开挖。
具体情况可根据振动检测结果来确定。
(1) 全断面钻爆设计图(直眼掏槽形式)全全全全全全全全全全全全全全全全全全cm 全全全全直眼掏槽比较适合这种中小断面隧道爆破开挖,它对钻孔精度要求较高,但利用逐孔起爆顺序可最大限度降低爆破单响药量,降振效果显著。
关于爆破分段数达30多段,可以采用澳瑞凯生产的Exel 高精度雷管或国产MG803-B 系列高精度延时导爆管雷管来实现。
这一钻爆方案在初期可以进行试验对比,作为通过复杂环境段备选方案之一,甚至为了最大限度降低掏槽段的爆破振动,可在掏槽区外打一圈密集炮眼,先进行掏槽区预裂爆破,阻隔掏槽区爆破振动向外传播。
最后将根据爆破效果和振动检测值来调整和比选。
根据最严格的振动要求控制,初步试验以单响药量2.6kg 作为控制标准, 装药量计算结果如下(表3):图4总装药量 69kg 比装药量1.99kg/m3总炮孔数 118个(不计空眼)比钻孔数3.4个/m2 (2) 全断面钻爆设计图(斜眼掏槽形式)全断面斜眼掏槽钻爆设计图如图5,将根据爆破振动检测结果,设计钻孔深度可在1.0~1.5m调整,由于采用Exel 高精度长延时雷管或国产MG803-B系列高精度延时导爆管雷管,通过孔外短延时(17ms或25ms)接力,首先使得对称的另一半炮眼错开起爆时差,相当于分段数增加一倍。
特别在掏槽部位利用孔外短延时,既保证了成对掏槽眼的楔形爆破抛掷力,又错开了爆炸振动峰值,加之分级掏槽减弱爆破夹制力,降振效果明显。
实践证明掏槽爆破产生的振动影响最严重,楔形掏槽的夹制作用比直眼掏槽相对较小,并且这一掏槽形式和网路设计在某浅埋隧道应用,取得了十分满意的爆破降振效果,同时保证了施工进度不受影响。
某浅埋隧道采用这种多层分级楔形掏槽和高精度延时雷管起爆网路,在炮眼深度达4.0m时顶部20m地表的振动速度仅3.0cm/s,特别是掏槽爆破振动显著减小,其最大振动只有常规爆破振动量的0.37倍。
见下图示比较。
按此计算,当炮眼深度减小到1.0~1.5m时,顶部12m 的振动速度控制在2.0cm/s以内完全可能。
某浅埋隧道新掏槽爆破方案26810111215164某隧道常规爆破振动峰值达7.9cm/s全断面爆破开挖将在一般复杂环境段采用,结合爆破振动检测,逐步调整钻爆进尺。
根据现有设计,钻爆进尺在1.0~1.5m,每个起爆段别时段不超过4个炮眼,起初掏槽眼最大同时起爆药量控制在2.5kg 内,当爆破掌子面至保护物距离增大后,钻爆进尺可适当增加。
随后根据爆破振动检测结果,掏槽眼最大同时起爆药量可以调整到超过2.5kg ,其它炮眼的单段药量甚至可以比掏槽眼稍大,但需要保证振动检测值处于安全范围内。
图5 全断面斜眼掏槽钻爆设计图 图6 上台阶半断面斜眼掏槽钻爆设计图某隧道控制爆破的振动峰值20m 距离仅2.9cm/s图7 多级楔形掏槽断面图(3)上台阶半断面钻爆设计图(斜眼掏槽形式)当隧道穿越特别复杂环境条件,如燕岭大厦C幢宿舍桩基底与隧道顶净距为12.5m、军事区防护设施下部,应将全断面爆破开挖调整为上台阶半断面钻爆开挖,钻爆设计示意图见上图6、7。
钻爆施工中应结合爆破振动检测,逐步调整钻爆进尺。
根据现有初步设计,每个起爆段别时段控制在1~3个炮眼,台阶半断面钻爆进尺控制在1.0~1.5m,最复杂段掏槽眼最大同时起爆药量控制在2.0kg以内,当爆破掌子面至保护物距离增大后,在保证振动检测值处于安全范围内的前提下,钻爆进尺可适当增加,最大同时起爆药量逐渐增大。
为了出碴方便和保证安全,上下台阶掌子面相距在3~5m较合适。
见图8上台阶下台阶图8 台阶式开挖断面图3.4 军事区段隧道爆破根据军事区前隧道爆破的实践,并经过特别复杂区段的成功爆破经验积累,基本可以摸索到一套完善的微振动控制爆破方法。
为了保证军事区段的安全,将采用前面对比得出的爆破扰动最轻微的钻爆方案。
初步设想,军事区段仍然采用上台阶半断面钻爆开挖、配合高精度导爆管雷管和跟踪爆破振动监测,可以达到前面特别复杂环境段的微振动要求,满足隧道外围12m的爆破振动速度小于2cm/s,隧道外围60m的爆破振动速度甚至能小于1cm/s,确保军事区段的高标准安全控制要求。
军事区段的爆破进尺完全根据振动检测结果随时调整,在保证安全的前提下尽可能增大循环进尺,加快施工进度,一般情况下单循环进尺控制在 1.0~1.5m。
争取每天一炮,爆破时间需要与军方协商,尽可能选择对上部设施影响最小的时段爆破。
在爆破设计中除了严格控制掏槽眼的单响最大药量外,还应根据检测结果随时调整其它段别的炮眼数。
有了跟踪监测,爆破效果和改进措施就能有保证。
3、爆破参数的确定(1)爆破参数的理论计算①洞室断面钻孔数量N根据泽波尔建议公式计算:N=a1+a2Sa1、a2——为岩体可爆程度确定的系数。
经查a1=20.9, a2=1.5 则N=20.9+1.5×151=248,取N=230~255个。
由于采取分区开挖,单区最多炮孔数为76个,一般在40~60个。
②周边孔平均炸药用量q p根据公式q p=awl p(0.5~0.9)q计算。
q p——周边孔平均炸药用量kga——周边孔孔距mW——周边孔最小抵抗线cmL p——周边孔孔深q——单位岩体耗药量kg/m3取a=0.3~0.5mW=0.6mL p=1.0~1.5mq=0.8kg/m3则q p=0.2~0.4kg。