白云SS611中性硅酮耐候密封胶
- 格式:docx
- 大小:14.58 KB
- 文档页数:3
白云耐候胶:SS611/SS811硅酮耐候密封胶简介SS611/SS811是单组分,中性固化,专为各种幕墙(玻璃幕墙、铝板幕墙等等)耐候密封而设计的硅酮密封胶(SS611为脱醇型、SS811为脱酮肟型),具有优异的耐候性能,经过人工加速气候老化测试,密封胶的各项理化性能无明显变化。
使用时用挤胶枪将胶从密封胶筒中挤到需要密封的接缝中,密封胶在室温下吸收空气中的水分,固化成弹性体,形成有效密封。
1 产品特性单组分、使用方便,在4℃~40℃的温度范围内具有良好的可挤出性和触变性,用打胶枪挤出直接施工即可;υυ中性固化,对金属、镀膜玻璃等建筑材料无腐蚀性,应用广泛;υ位移能力达25级,对于幕墙正常的伸缩及剪切变形,本产品都能保持性能不变,起到有效的密封作用;υ优异的耐气候老化性能,耐老化、耐紫外线、耐臭氧、耐水;υ耐高低温性能卓越,固化后在-30℃的低温下仍不会变脆、硬化或开裂,在+90℃高温下不会变软、降解,始终保持良好的弹性;υ具有优良的粘结性,固化后与大多数建筑材料形成很强的粘结而不需要使用底涂;与其它中性硅酮胶具有良好的相容性。
υ2 主要用途用于各种玻璃幕墙的耐候密封;υ用于金属(铝板),搪瓷幕墙的耐候密封;υυ用于混凝土、金属等的接缝密封;屋顶建筑接缝密封;υ其它多种用途。
υ34 符合标准SS611/SS811符合甚至超过下列标准:行业标准 25HMυ JC/T882-2001国际标准 ISO11600-G-25HMυ美国标准 ASTM C 920-05 25级υ5 使用限制不能作为结构密封胶使用;υυ SS611在湿度较低(<50%RH)或昼夜温差较大(>15℃)的情况下胶缝可能会隆起,但不影响密封性能;υ不宜用于所有会渗出油脂、增塑剂或溶剂的材料,如浸油木材的表面;不宜用于密不通风的场所,因为密封胶需吸收空气中的水分固化;υυ不宜用于结霜或潮湿的表面;不宜用于连续浸水或终年潮湿的地方;υ材料表面温度低于4℃或超过40℃时,不宜施工;υυ SS811不宜用于铜、铅、镀锌金属表面;SS811不宜用于聚碳酸酯材料的密封。
渗漏修补方案XXX新里程花园二期渗漏修补方案1.编制目的本文旨在针对XXX新里程花园二期的渗漏问题,制定有效的修补方案,确保建筑物的安全和稳定。
2.编制依据本方案的编制依据包括《建筑设计规范》、《建筑工程质量验收规范》等相关标准和规范。
3.地下室渗漏处理3.1 查找渗漏部位首先,需要对地下室进行全面的检查,找出所有可能存在渗漏的部位。
可以利用水压测试仪等工具进行检测,确定渗漏的具体位置。
3.2 地下室常见渗漏点修补方法:针对不同的渗漏情况,采取不同的修补方法。
例如,对于地下室墙体渗漏,可以采用水泥砂浆等材料进行修补;对于地下室地面渗漏,可以采用防水涂料等材料进行处理。
4.屋面、露台、阳台渗漏处理措施4.1 结构板开裂产生的措施对于屋面、露台、阳台等建筑物结构板出现开裂的情况,可以采用填缝材料进行修补,确保结构板的完整性。
4.2 管道周边、预留洞口渗漏对于管道周边、预留洞口等部位出现渗漏的情况,可以采用密封材料进行修补,确保建筑物的密封性。
经过以上措施的实施,XXX新里程花园二期的渗漏问题将得到有效解决,确保建筑物的安全和稳定。
4.3 施工时埋入梁板混凝土的铁钉、铁线生锈导致渗漏在建筑施工中,铁钉和铁线是常见的建筑材料,用于固定梁板混凝土等结构。
然而,由于施工不当或者材料质量问题,这些铁钉和铁线可能会在施工后出现生锈现象。
这种情况会导致渗漏问题,因为生锈的铁钉和铁线会导致混凝土结构的破坏,从而使水分渗透进入建筑物内部。
为了避免这种情况的发生,建筑施工过程中应该注意材料的质量和施工的正确性。
同时,在施工后定期检查建筑物的结构,及时发现并处理生锈的铁钉和铁线。
4.4 厨房、卫生间渗漏处理措施厨房和卫生间是建筑物中容易出现渗漏问题的区域。
这些区域通常与水有关,如水龙头、排水管道等。
因此,在施工时应该特别注意这些区域的防水处理。
如果出现渗漏问题,可以采取以下处理措施:首先,找到渗漏的位置,并清理干净。
然后,使用专业的防水材料进行修补。
前言本标准由江苏天海新能源科技有限公司提出并负责起草。
本标准主要起草人:本标准于第一次发布、实施。
接线盒检验标准1. 目的:验证该型号接线盒对classⅡ标准的符合性,寻找改进的机会。
(物理性能)2. 范围:模块化接线盒(包括粘结胶、灌封胶、二极管和适当长度的导线)。
3. 抽样从同一批或几批产品中,按GB/T2829规定的方法随机地抽八个(如需要可增加备份)组件用于鉴定试验。
这些组件应由符合相应图纸和工艺要求规定的材料和元器件所制造,并经过制造厂常规检测、质量控制与产品验收程序。
组件应该是完整的,附带制造厂的贮运、安装和电路连接指示,包括系统最大许可电压。
如果不能接触到标准组件中的旁路二极管,应准备一个特殊的样品来做旁路二极管的热性能试验(5.9),旁路二极管的安装应与标准组件相同,并将5.9.2要求的温度传感器安装在二极管上。
该样品不需要进行图1所示程序的其他试验。
如果被试验的组件是一种新设计的样品而不是来自于生产线上,应在试验报告中加以说明(见第8章)。
4. 试验程序4.1 一般说明:本试验程序是基于公司现有的试验条件对试样所做的一般定性判定,有些显而易见的项目,如某些目视检查的项目未列入其中。
4.2 一般检查用于试验的接线盒组件包括:a.成套注塑件接线盒、接线端子和旁路二极管。
b.灌封用胶。
c.粘接用胶d.电缆(每个接线盒应配正负极电缆各500mm)。
e.备用接线盒结构图纸和主要技术参数说明。
4.3 目视检查4.3.1 接线盒应具有以下不可擦除的标识:a. 产品型号b. 制造材料c. 电压等级d.输出端极性e. 导线截面f. 警示标识g. IP防护等级4.3.2 接线盒盖连续开合三次,应无损坏,保证在工作位置再次打开时仍需借助工具。
4.3.3 爬电距离和绝缘距离:不同电位带电体间的距离(最近不穿越绝缘体)≥8mm;带电体距与盒子外壁间直线距离≥2mm;4.3.4 压接牢固度:4.3.4.1 目视入线口出压接无明显间隙,手持转动外引线,导线压紧部分无松动,拉动引线串动。
前言本标准由江苏天海新能源科技有限公司提出并负责起草。
本标准主要起草人:本标准于第一次发布、实施。
接线盒检验标准1. 目的:验证该型号接线盒对classⅡ标准的符合性,寻找改进的机会。
(物理性能)2. 范围:模块化接线盒(包括粘结胶、灌封胶、二极管和适当长度的导线)。
3. 抽样从同一批或几批产品中,按GB/T2829规定的方法随机地抽八个(如需要可增加备份)组件用于鉴定试验。
这些组件应由符合相应图纸和工艺要求规定的材料和元器件所制造,并经过制造厂常规检测、质量控制与产品验收程序。
组件应该是完整的,附带制造厂的贮运、安装和电路连接指示,包括系统最大许可电压。
如果不能接触到标准组件中的旁路二极管,应准备一个特殊的样品来做旁路二极管的热性能试验(5.9),旁路二极管的安装应与标准组件相同,并将5.9.2要求的温度传感器安装在二极管上。
该样品不需要进行图1所示程序的其他试验。
如果被试验的组件是一种新设计的样品而不是来自于生产线上,应在试验报告中加以说明(见第8章)。
4. 试验程序4.1 一般说明:本试验程序是基于公司现有的试验条件对试样所做的一般定性判定,有些显而易见的项目,如某些目视检查的项目未列入其中。
4.2 一般检查用于试验的接线盒组件包括:a.成套注塑件接线盒、接线端子和旁路二极管。
b.灌封用胶。
c.粘接用胶d.电缆(每个接线盒应配正负极电缆各500mm)。
e.备用接线盒结构图纸和主要技术参数说明。
4.3 目视检查4.3.1 接线盒应具有以下不可擦除的标识:a. 产品型号b. 制造材料c. 电压等级d.输出端极性e. 导线截面f. 警示标识g. IP防护等级4.3.2 接线盒盖连续开合三次,应无损坏,保证在工作位置再次打开时仍需借助工具。
4.3.3 爬电距离和绝缘距离:不同电位带电体间的距离(最近不穿越绝缘体)≥8mm;带电体距与盒子外壁间直线距离≥2mm;4.3.4 压接牢固度:4.3.4.1 目视入线口出压接无明显间隙,手持转动外引线,导线压紧部分无松动,拉动引线串动。
富景百佳超级市场装饰工程施工组织设计方案1.编制本设计的目的用以指导施工全过程的技术、质量、安全、工期和经济活动,确保产品满足合同规定的要求。
2.工程概况2.1工程概况2.1.1工程名称:富景百佳超级市场装饰工程2.1.2工程地点:新景西路富景花园2.1.3业主:广州百佳超级市场有限公司2.1.4监理:重工建设监理公司2.2幕墙建筑设计慨况本工程位于新景西路,工程长度120米,本工程施工面积约2800平方米。
立面设计主要采用大面积国产白色铝单板幕墙做为正面的外墙装饰,幕墙骨架采用镀锌钢材。
我公司负责本工程的装饰设计、结构设计、材料采购、加工、制作、安装等服务。
2.3主要选用材料说明2.3.1钢型材:采用镀锌钢材龙骨。
2.3.2 铝板:采用白色2.5mm厚的喷氟碳涂铝单板。
2.3.3耐候胶:采用白云粘胶厂生产的SS611产品2.4 施工管理控制目标2.4.1 质量目标工程质量验收标准按国家的有关验收规范,对超出国家规范的内容,由业行、设计单位、监理单位、质监部门、承包人共同确定验收标准。
若在施工过程中出台的新的国家标准和地方标准,尚应满足新的标准。
2.4.2 工期目标按业主对工期的要求,我公司保证在工程具备施工条件时立即开工,且我公司承诺在施工工期25个日历天内完成工程,并竣工验收。
2.4.3 安全目标安全检查达标,确保重大安全事故为零。
2.4.4 文明施工目标1)文明施工,须做到临时设施设备齐全,布置合理,场地干净。
2)现专场材料堆放整齐,标识清楚。
3)作业现场工完料清,作业后不遗弃垃圾废料在现场。
4)员工言语文明,无打架斗殴现象。
5)遵照总包方对文明施工的总体要求。
3.施工组织措施3.1施工准备3.1.1脚手架搭设方案,以安全、保持通道畅通、适用、经济为原则。
脚手架搭设以原立面为附着,离开400mm设置宽度为800mm双排脚手架。
脚手架在现有入口2.5m高度处全部架空,三围采用12厘米夹板围避,所有外露脚手架用条纹布全部封闭。
进口胶:本工程玻璃、铝板幕墙用胶推荐选用美国GE公司、美国道康宁公司或德国威凯公司的产品。
1.1美国GE公司:本工程玻璃、铝板幕墙用胶推荐选用美国GE公司的SSG4400#双组份结构硅酮密封胶、SCS2000#耐候硅酮密封胶。
1.1.1SSG4400#结构胶性能:1.1.2SCS2000#耐候胶性能:单组分,中性。
用途:适用于各种耐候性防水场合且具有优越的抗紫外线性能,接合性能好,不论对接或错位均可适用于玻璃、金属、混凝土、木材、镀锌或烤漆处理金属等的胶接。
1.1.3质量控制(双组份结构胶SSG4400)♦开打胶机,并使胶充分混合。
♦做“蝴蝶试验”,用一张A4纸,把胶打在纸上,然后折起纸压一下,再展开纸,以检查基胶与催化剂是否已充分混合,并记录下日期、时间。
♦把充分混合的胶打入小纸杯中,插入一根筷子,过三十分钟后每五分钟拉出一次,直到能把胶拉断为止,记录下时间。
♦按操作程序打胶,并作如下格式记录。
│日期│时间│板片流水号│板片尺寸│清洁容剂│操作员│胶批号│试验板片│试验情况│制作时间│。
1.1.4用美国GE公司生产的密封胶,结构胶必须严格按以下步骤执行:♦将设计图纸送交美国厂方研究,并由厂方出具确认指标,同意该结构胶的容量,宽度及厚度,计算宽度及厚度要与玻璃及墙板的尺寸及风压要求相配合。
♦在决定好铝材,玻璃及胶贴垫条时,将样本送美厂方化验,需证实该四种材料是与厂方所产的结构胶不产生任何副作用,以保证硅胶的长久性与安全性,并由厂方发出文件确认。
该样本必需要与原厂所产的同一品质产品一致,否则不能使用。
♦在施工的安排日期准确订实后,按进度订货,因为结构硅胶未使用前的有效期是有限的,过长的储存期是不适宜的。
♦使用硅胶时,按照美国硅胶生产厂的指示,用指定的清洁剂清洗铝框,必要时要清洗三次,保证铝框接触硅胶的表面完全清洁,清洁完成15分钟内使用。
♦玻璃镶嵌前亦需以上的程序清洁,在镶嵌15分钟前清洁好,不要留时间太长,以免影响清洁程度。
中性硅酮耐候密封胶的用途下面我们来说下中性耐候胶的用途及其使用说明。
中性硅酮耐候密封胶的用途 1
1、中性硅酮密封胶常用于玻璃门窗和室内装饰工程的安装和密封。
由于使用环境大多在室内,不需要经受日晒雨淋,所以对耐候性要求不高,具有良好的粘接力和密封性就足够了。
2、中性硅酮耐候胶具有优异的耐候性。
广泛应用于玻璃幕墙密封、石材幕墙防水密封、铝单板幕墙防水密封等室外密封工程中。
它具有良好的位移能力,弹性好,不易开裂。
在恶劣环境下仍能保持性能稳定和防水密封不变。
3、中性硅酮结构胶具有优异的机械性能和高弹性,能承受粘接材料的自重和来自外部的压力。
它是一种高级的硅酮粘接剂,常用于粘接隐框玻璃幕墙和石材幕墙。
中性硅酮耐候密封胶的用途 2
1、要密封的表面必须干燥清洁,无灰尘和油污。
2、管嘴根据需求的尺寸进行切割。
3、应使用溶剂和干净的白色无绒棉布清洁基材。
4、在难以粘附的表面上使用底漆。
以上就是中性硅酮耐候胶的用途及使用说明,希望能在您需要的时候帮助到您。
第九篇油漆涂料绿都911防水涂料60kg/组吨10000.00传化超耐污硅丙外墙乳胶漆TW860 20L 铁桶1017.50昌碧真石漆JB-501 细型kg 11.30昌碧内外墙底漆水性底漆JB-101 透明kg 11.70正楷硝基装饰清漆2.8kg 套110.00劳乐士弹性外墙涂料C-100 20kg 桶1100.00传化耐沾污弹性外墙乳胶漆TW856 20L 铁桶1155.00正楷硝基哑光装饰清漆2.8kg 套116.00华灵牌弹性拉毛乳胶漆(底涂)HL-401 kg 12.00昌碧真石漆JB-502 粗型kg 12.00丽乐士白得好超白乳胶漆6KG 桶120.00明敏牌纯丙外墙半光乳胶漆(GB一等品)外墙涂料202 桶120.00 非常漆高品味透明底A-201 5KG 套125.00高乐金属漆kg 130.00爵士王金属漆1kg 130.00爵士王弹性乳胶漆WK7000 5L 桶1450.00正楷纯白硝基磁漆3kg 套130.00正楷纯白哑光硝基3kg 套130.00非常漆金刚水晶透明底A-203 5KG 套135.00高乐可立美弹性外墙漆10949 18kg 罐1360.00高乐可立美全天候晴雨漆(油性)30750 18kg 罐1380.00 新确保合成树脂乳胶漆内墙(哑光)XQB-1001 公斤14.00 丽乐士耐黄变透明底漆5KG 套144.00昌碧内外墙底漆内墙底漆JB-100 白色kg 15.00昌碧内外墙底漆真石漆底漆JB-105 水性kg 15.60爵士王二合一乳胶漆WK0100A 5L 桶150.00正楷高抗碱五合一全能墙面底漆6kg Zk-779 套152.00丽乐士耐黄变无粉底漆5KG 套158.00非常漆金刚耐磨水晶地板王A-801 4KG 套158.00非常漆耐黄京戏水晶透明底A-208 5KG 套158.00多乐士底漆5L A931-65913 桶158.00大班漆单组份水晶耐磨地板漆D940 2.5kg 套158.00新确保合成树脂乳胶漆内墙(丝光)XQB-1002 公斤16.00 华灵牌防霉耐刷洗内墙乳胶漆HL-33 kg 16.80非常漆高品味半哑清A-601 5KG 套160.00多乐士利登玉磁漆4L A330 桶160.00英可莱水晶透明底漆5kg 8204 套164.00联邦2000环保乳胶漆6kg 桶165.00非常漆高品味哑光清A-602 5KG 套165.00长颈鹿牌硝基底漆4L 听166.00正楷抗污健康型特清透明底漆5kg Z-501D 套166.00香格里拉芳香特清透明底漆5kg DN-1000 套168.00丽乐士耐黄变半哑清面漆5KG 套169.00舒仑6011特清透明底漆5kg 套170.00高乐雅特丽特制妨霉乳胶漆10321 5L 罐170.00英可莱高品味半哑光清面漆5kg 8900B 套174.00丽乐士耐黄变全哑清面漆5KG 套175.00赛特高品味特清透明底J1003 5KG 套176.00华隆怡香透明底漆5kg 100 套176.00舒仑6052特亮水晶地板漆4.4kg 套178.00华灵牌丙烯酸罩面漆HL-802 kg 18.00新确保合成树脂乳胶漆抗碱封闭底漆XQB-3030 公斤18.00 新确保合成树脂乳胶漆外墙(哑光)XQB-2001 公斤18.00 昌碧内外墙底漆抗霉抗碱封闭底漆JB-103 白色kg 18.60 高乐氢碳漆kg 180.00爵士王氟碳漆kg 180.00爵士王水性封墙底漆WK5201 5L 桶180.00非常漆高品味清漆王A-301 5KG 套180.00非常漆耐黄变水晶半哑清A-608 5KG 套180.00爱高贵族健康透明底漆5kg 30D 套180.00多乐士超易洗墙面漆(哑光)5L A986-65450 桶180.00大班漆耐黄变高固白底漆D300A 5kg 套180.00花王漆地板漆4.4KG 套180.00花王漆特清底漆5KG 套180.00丽乐士防霉抗碱底漆6KG 桶185.00多乐士超易洗墙面漆(丝光)5L A986-65450 桶185.00 专用配套薄层灰色内墙面批40kg/袋吨1850.00劳乐士丙烯酸硅金属漆20kg 桶1850.00波磊无苯物清水晶透明底漆5kg BR-200D 套187.00舒仑6021半哑水晶清面漆5kg 套188.00正楷深色专业健康型水晶透明底漆5kg Z-502D 套188.00 正楷抗污健康型半哑光清面漆5kg Z-501B 套188.00香格里拉钻石耐黄变水晶透明底漆5kg DN-1200 套188.00 高乐水晶地板漆(哑光)GD89 4.2kg 罐190.00高乐水晶地板漆(亮光)GD80 4.2kg 罐190.00大班漆耐黄变特清底D210 5kg 套190.00花王漆哑光的乳胶漆6.5KG (W9030) 桶190.00花王漆半哑光漆5KG 套190.00水性木器漆白底漆2kg 桶192.00金冠耐黄变高固透明漆991S 5kg 套192.00高乐优质透明底漆GK29 5kg 罐192.00联邦OK600高级乳胶漆6kg 桶195.00联邦高固透明底漆5kg 套195.00花王漆专用水晶底漆5KG 套195.00豪华哑光乳胶漆5kg 桶196.00水性木器漆底漆2kg 桶196.00豪华亚光乳胶漆2公斤桶196.00劳乐士耐黄变透明底漆5kg 套198.00爵士王耐黄变特清底漆KK202 5.2kg 桶198.00赛特耐黄变半哑清SS212 5KG 套198.00正楷超顺滑高耐黄健康型晶莹透明底漆5kg Z-503D 套198.00 香格里拉芳香半哑光透明面漆5kg DN-1400B 套198.00新确保合成树脂乳胶漆外墙(弹性)XQB-2020 公斤20.00新确保合成树脂乳胶漆外墙(丝光)XQB-2002 公斤20.00华灵牌纯丙外墙弹性乳胶漆HL-25a kg 20.80爱高贵族健康半哑光清面漆5kg 30B 套200.00华隆怡香半哑光清面漆5kg 107 套200.00丽乐士无苯耐黄变透明底漆5KG 套201.00多乐士抗碱底漆5L A931-18177 桶205.00高乐健康装修漆(半哑)GK85 5kg 罐206.00高乐健康装修漆(哑光)GK89 5kg 罐206.00高乐健康装修漆(亮光)GK80 5kg 罐206.00爵士王耐黄变半哑清KK311 5.2kg 桶206.00赛特生态水性木器漆底漆2KG 桶206.00金冠耐黄标准透明底V-300D 5kg 套208.00正楷深色专业健康型半哑光清面漆5kg Z-502B 套208.00丽乐士无苯耐黄变无粉底漆5KG 套209.00联邦水晶地板王4.4kg 套210.00联邦水晶透明底漆5kg 套210.00爵士王内墙哑光漆WK2000 5L 桶210.00联邦半哑清面漆5kg 套215.00多乐士配得丽墙面漆5L A921-2290 桶215.00花王漆哑光的乳胶漆18KG (IE100) 桶215.00花王漆专用半哑光漆5KG 套215.00高乐健康白底漆GK2901 5kg 罐216.00高乐水晶底漆GK20 5kg 罐216.00正楷超顺滑高耐黄健康型半哑光清面漆5kg Z-503B 套216.00 香格里拉内墙环保乳胶漆18kg DN-2000 套218.00香格里拉钻石耐黄变半哑光清面漆5kg DN-1500B 套218.00 多乐士丽明珠墙面漆5L A913-15103 桶218.00丹丽·凉衣器HB02181 套100.00慧鱼硅酮密封胶300ml酸性支10.00白云牌中性硅酮胶SS601 13.50法罗达硅酮密封胶300ml酸性支13.80慧鱼硅酮耐候密封胶300ml中性支11.00白云牌中性硅酮胶SS650 11.00白云牌硅酮外墙填逢胶SS604 11.50绿都橡胶(胶水)吨14000"大明"基层胶粘剂无公斤15.00专用配套砌筑粘合剂40kg/袋吨1650.00金康银硅酮耐候密封胶500ml中性支20.00"大明"搭接胶粘剂无公斤20.00白云牌大玻璃专用胶SS721 20.00法罗达大板玻璃结构胶300ml酸性支22.00慧鱼硅酮耐候密封胶500ml中性支22.00慧鱼石材密封胶500ml中性支22.00昌碧外墙涂料多功能弹性拉毛乳胶漆JB-401 低弹kg 22.20华灵牌弹性拉毛乳胶漆(中涂)HL-25b kg 22.80大班漆耐黄变高丰满度半哑清D630 5kg 套220.00大班漆精品耐黄变特清底N200 5kg 套220.00大班漆耐黄变哑光白面漆D401C 5kg 套220.00漆续爵士王特级耐黄变水晶底KK205N 5.2kg 桶224.00水性木器漆白面漆2kg 桶226.00爵士王特级耐黄变金刚地板漆KK506 5.6kg 桶226.00丽乐士无苯耐黄变半哑清面漆5KG 套226.00水性木器漆半哑面漆2kg 桶228.00爵士王耐黄变哑光白面漆KK331 5.3kg 桶228.00水性木器漆半亚面漆、底漆、白面漆、白底漆2公斤228.00 、196.00 、226.00、192.00白云牌硅酮耐侯密封胶SS611 811 23.00耐磨地坪、环氧地坪漆绿色/红色/灰色/浅灰色/原色平方米23.50/21.00/19.00/20.00/18.50长颈鹿牌特级聚酯底漆5L 套230.00金冠耐黄变标准半哑光清漆9001B 4.4kg 套230.00金冠6合1金钢多功能超亮透明底LC600 5kg 套230.00爵士王油性封墙底漆WK5160 5L 桶230.00丽乐士高级丝光乳胶漆(乳白)6KG 桶230.00金冠超级耐磨水晶地板王1306 4.4kg 套232.00劳乐士耐磨水晶地板漆4.4kg 组235.00波磊无苯半哑光清面漆5kg BR-200B 套235.00高乐真维丝特制丝绸乳胶漆10228 5L 罐237.00劳乐士耐黄变特清底漆5kg 套238.00联邦抗黄透明底5kg 套238.00丽乐士双组份半哑地板漆5KG 套238.00香格里拉内墙半光乳胶漆6kg DN-4000 套238.00大班漆精品耐黄变半哑清N630 5kg 套238.00昌碧外墙涂料多功能弹性拉毛乳胶漆JB-402 中弹kg 24.90长颈鹿牌特级聚酯半哑清漆5L 套240.00丽乐士双组份亮光地板漆5KG 套241.00劳乐士耐黄变半哑面漆5kg 套245.00爵士王特级耐黄变半哑清KK311N 5.2kg 桶246.00波磊环保内墙超耐洗半光乳胶漆6kg N3880 套246.00波磊无苯耐黄变钻石晶莹透明底漆5kg BR-700D 套246.00高乐美家家特制半光乳胶漆10114 5L 罐248.00菊花牌高级墙面漆20kg 桶250.00长颈鹿牌特级白色聚酯底漆5L 套250.00 非常漆豪华哑面超白乳胶漆K-111 18KG 桶250.00ICI卡普林诺水晶半哑地板漆4KG C408-68012 组250.00 ICI卡普林诺水晶高光地板漆4KG C408-68011 组250.00 劳乐士耐黄变哑光面漆5kg 套255.00高乐全无苯透明底漆GW25 5kg 罐256.00金冠耐黄变特清透明底V-200D 5kg 套258.00联邦抗黄半亚面漆5kg 套258.00永利坚铝材粉末喷涂白色kg 26.50昌碧内外墙底漆真石漆底漆JB-105 油性kg 26.50 华灵牌丝光防水内墙乳胶漆HL-31 kg 26.80菊花牌康保丽抗菌墙面漆5L 听260.00菊花牌特丽墙面漆4L 听260.00长颈鹿牌手扫漆(各色)4L 听260.00长颈鹿牌特级白色半哑面漆5L 套260.00金冠6合1金钢多功能超滑半哑光漆L-800B 5kg 套260.00 爵士王丝光乳胶漆WK4000 5L 桶260.00花王漆哑光的乳胶漆19KG(W9000) 桶260.00万森牌辛度漆板(600、900)×92×18mm 平方米260.50 劳乐士水晶耐黄变面漆5kg 套265.00波磊环保内墙哑光乳胶漆20kg N5880 套266.00波磊无苯耐黄变钻石半哑光清面漆5kg BR-700B 套266.00 昌碧内外墙底漆油性底漆JB-102 透明kg 27.60传化超易洗内墙乳胶漆TN236 5L 铁桶271.70高乐健康哑光白面漆GK8901 5kg 罐276.00高乐健康半哑光白面漆GK8501 5kg 罐276.00赛特内墙室内墙漆20KG 桶276.00ICI卡普林诺莹润木器底漆5KG C408-68005 组278.00 昌碧外墙涂料多功能弹性拉毛乳胶漆JB-403 高弹kg 28.20 劳乐士高级内墙乳胶漆H5800B 20kg 桶280.00高乐健康墙面漆14510 18kg 罐280.00大班漆普通工程乳胶漆M000 19kg 桶280.00高乐水性石头漆底漆(斯那水)12461 15kg 罐285.00 高乐全无苯装修漆(哑光)GW89 5kg 罐286.00高乐全无苯装修漆(亮光)GW80 5kg 罐286.00赛特生态水性木器漆哑光面漆2KG 桶286.00 多乐士第二代5合1墙面漆5L A966-65100 桶288.00 长颈鹿牌超值聚酯底漆7.5KG 套290.00正楷丽丝家半光高弹性十合一墙面漆6kg Zk-778 套292.00 爵士王三合一弹性墙漆WK3000 5L 桶298.00ICI卡普林诺莹润木器哑光面漆5KG C408-68003 组298.00 ICI卡普林诺莹润木器高光面漆5KG C408-68001 组298.00ICI卡普林诺莹润木器半哑光面漆5KG C408-68002 组298.00昌碧内外墙底漆罩光漆JB-104 C型kg 30.00长颈鹿牌超值聚酯半哑清漆7.5KG 套300.00劳乐士天然真石漆B 25kg 桶300.00爵士王外墙水泥漆WK6700 5L 桶300.00水性聚酯漆光漆2kg 桶308.00高乐天然石头漆12262 25kg 罐308.00爵士王外墙缎感水泥漆WK6800 5L 桶308.00高级内墙乳胶漆18kg 桶310.00新确保防水胶XQB-4002 公斤32.00水性聚酯漆亮光面漆2kg 桶320.00非常漆超豪华哑面超白乳胶漆K-222 18KG 桶320.00劳乐士桶防静电自流平地坪漆20kg 桶3200.00水性聚酯漆半哑面漆2kg 桶328.00水性聚酯漆半亚面漆、亮光面漆、光漆、透明腻子2公斤328.00、320.00、308.00、260.00赛特三合一弹性防霉内墙漆6KG 桶336.00长寿牌纳米健康乳胶漆(GB优等品)内墙涂料103 桶336.00金冠畅销环保乳胶漆2000 18kg 桶338.00联邦2000环保乳胶漆18kg 桶338.00ICI卡普林诺聚脂白漆(哑白)5KG C409-65003 组350.00劳乐士高级内墙防霉抗碱底漆H5500 15kg 桶360.00劳乐士高级内墙乳胶漆H5800 20kg 桶360.00高乐雅特丽特制妨霉乳胶漆10321 18kg 罐398.00 昌碧内外墙底漆罩光漆JB-104 D型kg 36.00 昌碧外墙涂料抗积尘弹性拉毛乳胶漆JB-405 kg 36.00昌碧内外墙底漆真石漆罩光面漆JB-702 油性kg 40.00坚美喷涂氟碳常规色三涂kg 41.00斯丹那环保洁净三防天花滚涂系列平方米42.00坚美喷涂氟碳鲜艳色kg 42.00金冠金得丽高级环保乳胶漆OK600 18kg 桶420.00传化氟碳金属漆TW886 20KG主漆+2KG固化剂桶4235.00 劳乐士天然真石漆H 25kg 桶425.00多乐士利登玉磁漆1L A331 桶45.00菊花牌雅丽乳胶漆18L 桶450.00劳乐士防霉抗碱底漆B 15kg 桶450.00明敏牌纳米水性乳胶漆(GB一等品)内墙涂料102 桶450.00 劳乐士木制氟碳漆20kg 桶4500.00劳乐士氟碳金属漆20kg 桶4500.00赛特皇朝一族高级外墙漆20KG 桶470.00白云牌硅酮结构密封胶(软)SS621 48.00劳乐士平光外墙乳胶漆W100-Ⅰ20kg 桶480.00联邦OK600高级乳胶漆18kg 桶480.00高乐通用外墙漆20kg 罐480.00劳乐士高级内墙乳胶漆H5000 20kg 桶520.00明敏牌纯丙外墙半光乳胶漆(GB优等品)外墙涂料203 桶520.00 劳乐士封闭底漆A 15kg 桶540.00明敏牌工程环保乳胶漆内墙涂料8610 桶550.00劳乐士平光外墙乳胶漆W100-Ⅱ20kg 桶580.00爵士王多合一内外墙漆WK0200 18L 桶580.00爵士王内墙墙漆WK1000 18L 桶588.00昌碧仿石漆JB-503 染色砂kg 6.00金康银硅酮密封胶288ml酸性、288ml中性支6.50、6.80金冠高品位强力万能胶AP0 2kg 罐60.00多乐士底漆20L A931-65913 桶610.00传化纳米抗菌内墙乳胶漆NT215 18L 铁桶616.00金冠伟力士特效抗碱封墙底漆OK338 18kg 桶648.00传化豪华缎彩内墙乳胶漆TN227 18L 铁桶660.00高乐石头漆面漆12359 15kg 罐678.00新展硅酮密封胶300ml酸性支7.00明敏牌平面型弹性外墙漆外墙涂料210A 桶720.00劳乐士平光外墙乳胶漆W100-Ⅲ20kg 桶750.00传化硅丙真石漆TW661 50L 塑桶759.00高乐天时丽优质外墙乳胶漆10551 22kg 罐776.00 金冠金雅丽特级哑面环保乳胶漆OK500 18kg 桶780.00昌碧外墙涂料乳雕中涂JB-404 kg 8.60华灵牌耐刷洗内墙乳胶漆HL-32 kg 8.80绿都959(858)防水涂料60kg/桶吨8000多乐士配得丽墙面漆20L A921-2290 桶820.00绿都851防水涂料60kg/组吨8300多乐士丽明珠墙面漆20L A913-15103 桶835.00ICI卡美时丽乳胶漆5L A923-15084 桶85.00绿都JS水泥基复合防水涂料51kg/组吨8500劳乐士弹性外墙涂料L-100 20kg 桶860.00高乐油性封固底漆10858 20kg 罐860.00赛特三合一弹性防污外墙漆20KG 桶860.00高乐环氧地坪漆kg 88.00爵士王环氧地坪漆1kg 88.00劳乐士耐候透明面漆15kg 桶900.00正楷青竹品硝基透明底漆3kg 套92.00传化抗冻外墙乳胶漆TW832 20L 铁桶935.00 高乐可立美弹性拉毛中层漆12140 22kg 罐950.00 明敏牌耐擦洗水泥漆外墙涂料240 桶96.00高乐可立美特级外墙乳胶漆10655 22kg 罐960.00。
塑钢门窗工程技术要求目录一、塑钢型材、玻璃与配件二、门窗设计及性能指标三、门窗制作安装四、其他五、附录附表1:塑钢门窗安装允许偏差和检验方法附表2:本标准规定试验检验项目一览表附录3:PVC塑钢门窗重点质量检查一览表沈阳万科彩色塑钢门窗工程技术要求一、塑钢型材、玻璃与配件(一) 塑钢型材注:当根据强度需采用拼接增强钢板时,钢板两侧应选用小规格框料;当采用45度拼接时,应注意框焊接后边框裁边后钢衬腔外露的密封。
(二)玻璃(5+9A+4+9A+4)1、玻璃选用标准要求:(1)玻璃底边离室内最终装饰地面高度≤900㎜,采用内片钢化中空玻璃.(2)2、玻璃垫块必须使用弹性良好的塑料垫块,玻璃中空铝条严禁高出型材可视面.3、玻璃应符合《建筑玻璃应用技术规程》(JGJ113-2003)要求。
选用秦皇岛耀华产品.4、以上表中对玻璃厚度及种类的要求为最低要求,所有玻璃厚度须由投标单位按照本附件进行玻璃抗风压计算设计、防热炸裂设计、镶嵌结构设计、隔声性能设计、保温性能设计。
5、中空玻璃为设置分子筛(干燥剂)、铝条及丁基胶和聚硫胶的双层胶封边的中空玻璃,丁基胶和聚硫胶选用郑州中原产品。
(三)五金配件1、五金配置(1)内平开窗注:楼梯间推拉窗采用国产优质月牙锁及滑轮,窗框滑道设置铝滑轨.(6)执手下移解决方案:外平开窗采用RA2000系列传动机构,必须满足执手距离地面的高度要求;内开窗采用N210/211A0X206传动器。
2、PVC型材应与增强型钢、五金件相适应。
4、根据门窗扇的重量选配五金配件(标称承载能力应大于实际荷载的1。
5培),活动五金应能满足使用5万次以上的A级产品。
5、平开门窗采用的传动多点锁:锁点离转角处不大于200mm,两锁点之间的距离不大于800mm;合页(或滑撑)一则,铰链之间距离大于800mm以上时,扇中部设置一个暗藏铰链;平开扇宽度大于800mm的,上下边也应设置锁点。
6、窗执手高度对于内开窗应满足高度不大于1800mm;对于外开窗应满足不大于1650mm的要求.7、宽度小于800mm的上悬窗可以采用七字执手,宽度大于800mm的按照上条执行。
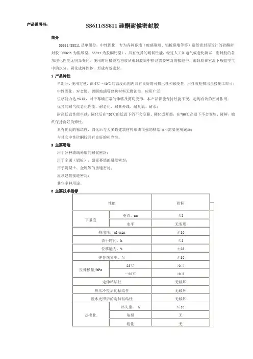
产品说明书:SS611/SS811硅酮耐候密封胶简介SS611/SS811是单组分,中性固化,专为各种幕墙(玻璃幕墙、铝板幕墙等等)耐候密封而设计的硅酮密封胶(SS611为脱醇型、SS811为脱酮肟型),具有优异的耐候性能,经过人工加速气候老化测试,密封胶的各项理化性能无明显变化。
使用时用挤胶枪将胶从密封胶筒中挤到需要密封的接缝中,密封胶在室温下吸收空气中的水分,固化成弹性体,形成有效密封。
1 产品特性单组分、使用方便,在4℃~40℃的温度范围内具有良好的可挤出性和触变性,用打胶枪挤出直接施工即可;中性固化,对金属、镀膜玻璃等建筑材料无腐蚀性,应用广泛;位移能力达25级,对于幕墙正常的伸缩及剪切变形,本产品都能保持性能不变,起到有效的密封作用;优异的耐气候老化性能,耐老化、耐紫外线、耐臭氧、耐水;耐高低温性能卓越,固化后在-30℃的低温下仍不会变脆、硬化或开裂,在+90℃高温下不会变软、降解,始终保持良好的弹性;具有优良的粘结性,固化后与大多数建筑材料形成很强的粘结而不需要使用底涂;与其它中性硅酮胶具有良好的相容性。
2 主要用途用于各种玻璃幕墙的耐候密封;用于金属(铝板),搪瓷幕墙的耐候密封;用于混凝土、金属等的接缝密封;屋顶建筑接缝密封;其它多种用途。
34 符合标准SS611/SS811符合甚至超过下列标准:行业标准 25HM JC/T882-2001国际标准 ISO11600-G-25HM美国标准 ASTM C 920-05 25级5 使用限制不能作为结构密封胶使用;SS611在湿度较低(<50%RH)或昼夜温差较大(>15℃)的情况下胶缝可能会隆起,但不影响密封性能;不宜用于所有会渗出油脂、增塑剂或溶剂的材料,如浸油木材的表面;不宜用于密不通风的场所,因为密封胶需吸收空气中的水分固化;不宜用于结霜或潮湿的表面;不宜用于连续浸水或终年潮湿的地方;材料表面温度低于4℃或超过40℃时,不宜施工;SS811不宜用于铜、铅、镀锌金属表面;SS811不宜用于聚碳酸酯材料的密封。
建筑密封胶的种类与使用一.密封胶的种类和性能密封胶是建筑幕墙的重要材料之一,它的性能与质量不仅直接影响到建筑幕墙的安全,而且与幕墙业的发展密切相关。
建筑幕墙用的密封胶按照其用途可以分为:建筑密封胶(耐候胶)、结构密封胶、中空玻璃密封胶、防火密封胶和防霉密封胶等。
设计者应根据不同的幕墙和用途,选用适宜的密封胶。
随着建筑幕墙业的发展,近年来不断涌现出一些专用胶新产品。
石材幕墙、铝板幕墙、大板玻璃等应首选这此专用胶,也可在幕墙用硅酮密封胶中选用技术性能适宜的胶。
有些密封胶在使用时需涂底漆,请参阅产品使用说明书,选择厂家指定的产品牌号及规格,以确保密封效果。
密封胶的表格中仅列出产品的主要特性,供选择产品参考。
具体技术参数请参阅产品使用说明书。
在品种众多的密封胶中,结构玻璃粘结密封使用的结构密封胶只能是硅酮密封胶。
硅酮密封胶具有良好的抗紫外线性能。
它是非常稳定的化学物质,也是目前已有密封胶中耐老化最好的。
因此硅酮密封胶是建筑密封中最好的、应用最广泛的密封胶。
二.建筑密封胶外线照射下容易老化,不能做耐候密封。
它与硅酮结构密封胶相容性能差,不宜配合使用。
有些密封胶对某些建筑材料有腐蚀作用,选用时要认真阅读产品使用说明书。
(一)聚硫密封胶1.XM-38密封胶,北京航空材料研究所开发的聚硫型室温硫化双组份密封胶。
通常配合比为基膏:硫化剂=100:57。
调好的胶,在活性期内用完,使用范围为-55—100οC,常温下固化期为7d.(二)硅酮密封胶目前使用的密封胶中,大部分是硅酮密封胶。
硅酮密封胶抗紫外线性能好,化学性能稳定,是目前已有密封胶中抗老化最好的。
它与硅酮结构密封胶相容性能好,在建筑幕墙的耐候密封中广泛应用。
硅酮密封胶按照用途分为:幕墙耐候密封胶、普通硅硐密封胶、石材幕墙专用密封胶、铝板铝复合板幕墙专用密封胶、采光顶专用耐候密封胶。
随着建筑幕墙业的飞速发展,大板玻璃专用密封胶、点式幕墙专用密封胶也脱颖而出。
各类专用密封胶,都是从厂家设计的专用胶中选择的,性能可靠稳定。
广州白云SS607硅酮阻燃密封胶防火胶SS607是广州白云公司研究开发的单组分,中性固化,专为各种有阻燃要求而设计的硅酮密封胶。
除了具有普通硅酮密封胶耐候性、耐高低温性、粘结性好的优点外,还具有优异的阻燃性能,阻燃等级达到FV-0级(GB/T 2408),耐火性能达一级(GA 161)。
使用时用压胶枪将胶从密封胶筒中挤到需要密封的接缝中,密封胶在室温下吸收空气中的水分,固化成弹性体,形成有效密封。
1.产品特性:阻燃性能卓越,达到GB/T 2408标准的最高级别:FV-0级,耐火性能达GA 161标准的最高级别:一级;在燃烧时不会放出浓烟或有毒气体;单组分、使用方便,在4~+40℃的温度范围内具有良好的挤出性和触变性,用打胶枪挤出直接施工即可;中性固化,对金属、镀膜玻璃、混凝土、大理石、花岗岩等建筑材料无腐蚀性,应用广泛;优异的耐气候老化性能,耐老化、耐紫外线、耐臭氧、耐水;耐高低温性能卓越,固化后在-30℃的低温下仍不会变脆、硬化或开裂,在+90℃高温下不会变软、降解,始终保持良好的弹性;具有优良的粘结性,固化后与大多数建筑材料形成很强的密封而不需要使用底涂;与其它中性硅酮胶具有良好的相容性。
2.主要用途:宾馆、酒店、影剧院等公共场所防水、防潮、装饰等阻燃密封;各类门窗玻璃安装阻燃密封;各类防火门窗粘结密封、幕墙工程各层阻燃密封;公共场所的防水、防潮、装饰等阻燃密封;3主要技术指标性能指标下垂度垂直,mm≤3水平无变形挤出性,ml/min≥80表干时间,h≤3位移能力,%±7.5热老化热失重,%≤10龟裂无粉化无阻燃性FV-0耐火时间一级4符合标准SS607符合甚至超过下列标准:企业标准 Q/(NGS)BYNJ6 7.5P行业标准 GA161-1997 一级国家标准 GB/T 2408-1996 FV-05使用限制不能作为结构密封胶使用;不宜用于所有会渗出油脂、增塑剂或溶剂的材料,如浸油木材的表面;不宜用于铜、铅及镀锌金属表面;不宜用于聚碳酸酯材料的密封;不宜用于密不通风的场所,因为密封胶需吸收空气中的水分固化;不宜用于结霜或潮湿的表面;不宜用于连续浸水或终年潮湿的地方;材料表面温度低于4℃或超过40℃时,不宜施工。
现今建筑胶的应用越来越广泛,但对胶的认识上既便是从事建筑多年的建筑人士也大多是一知半解,希望这篇文字能给各位同行做个参考,如有不妥的地方,也请大家多多指教。
谈到胶,要先说胶的分类,建筑用胶基本可以分为下面几大类:1、建筑密封胶:用于简单的墙体嵌缝。
2、硅酮耐侯密封胶(中性胶):用于防水密封。
3、硅酮结构密封胶:用于结构性粘结、固定。
4、放火密封胶:用于防火密封。
5、丁基胶:用于中空玻璃第一道密封。
6、发泡胶:用于塞缝,兼防水作用。
根据胶的分类,各生产厂家具体的型号也各个不同,下面简单介绍一下胶的基本知识。
1、硅酮玻璃胶从产品包装上可分为两类:单组份和双组份。
单组份的硅酮胶,其固化是*接触空气中的水分而产生物理性质的改变;双组份则是指硅酮胶分成A、B两组,任何一组单独存在都不能形成固化,但两组胶浆一旦混合就产生固化。
目前市场上常见的是单组份硅酮玻璃胶。
单组份硅酮玻璃胶按性质又分为酸性胶和中性胶两种。
酸性玻璃胶主要用于玻璃和其它建筑材料之间的一般性粘接。
而中性胶克服了酸性胶腐蚀金属材料和与碱性材料发生反应的特点,因此适用范围更广,其市场价格比酸性胶稍高。
市场上比较特殊的一类玻璃胶是硅酮结构密封胶,因其直接用于玻璃幕墙的金属和玻璃结构或非结构性粘合装配,故质量要求和产品档次是玻璃胶中最高的,其市场价格也最高。
2、简述:单组份硅酮玻璃胶是一种类似软膏,一旦接触空气中的水分就会固化成一种坚韧的橡胶类固体的材料。
硅酮玻璃胶的粘接力强,拉伸强度大,同时又具有耐候性、抗振性,和防潮、抗臭气和适应冷热变化大的特点。
加之其较广泛的适用性,能实现大多数建材产品之间的粘合,因此应用价值非常大。
硅酮玻璃胶由其不会因自身的重量而流动,所以可以用于过顶或侧壁的接缝而不发生下陷,塌落或流走。
它主要用于干洁的金属、玻璃,大多数不含油脂的木材、硅酮树脂、加硫硅橡胶、陶瓷、天然及合成纤维,以及许多油漆塑料表面的粘接。
质量好的硅酮玻璃胶在摄氏零度以下使用不会发生挤压不出、物理特性改变等现象。
SS621,590ml,软装一、产品特性①SS621为单组分产品;②中性固化,对金属、镀膜玻璃、混凝土及大理石无腐蚀性;③优异的耐气候老化性能,通常的气候条件下使用寿命达50年;④耐高低温性能卓越,在-40℃~150℃的范围内性能变化不大;⑤对大部分建筑材料具有优良的粘结性,一般不需要使用底涂;⑥与其它中性硅酮胶具有良好的形容性。
二、主要用途①玻璃、石材(大理石、花岗岩)、铝板幕墙和玻璃采光顶及金属结构工程的结构粘结密封;②中空玻璃二道粘结密封;③其他许多建筑及工业用途;三、符合标准SS621符合甚至超过下列标准:①中国GE 16776-1997 建筑用硅酮结构密封胶②美国ASTMC 1184-00 硅酮结构密封胶③企业标准Q/(NGS)BYNJ2-2002 硅酮结构密封胶四、包装SS621用590ml复合膜软包装五、使用限制①不宜用于所有会渗出油脂、增塑剂或溶剂的材料,如浸油木材的表面;②不宜用于密不透风的场所,因为密封胶需吸收空气中的水分固化;③不宜用于结霜或潮湿的表面;④不宜用于连续浸水或终年潮湿的地方;⑤材料表面温度低于4℃或超过40℃时,不宜施工;六、技术指标七、安全须知本产品完全固化后并无毒性,但在固化之前应避免与眼睛接触,若与眼睛接触,请用大量水冲洗,并找医生处理;未固化的产品应避免小孩接触。
密封胶在固化时会放出低分子物质,在施工及固化区应注意通风,以免这些物质浓度太大对人体产生不良影响。
八、维修保养一般无需维修,如果密封胶缝破损,用溶剂除去污垢后,再用密封胶填补,白云牌硅酮密封胶可很好地粘附在已固化的结构胶上。
注:密封胶的实际用量会因接口设计、衬垫材料的安装位置、修整技术以及工地的损耗量而不一致。
需要联系肖小姐电话一三五三八零五零九五九各种白云胶:白云SS621/SS622硅酮结构胶SS721大玻璃专用胶SS611/SS811硅酮结构密封胶SS602/SS602B 石材硅酮密封胶SS606铝板幕墙密封胶SS607硅酮阻燃密封胶SS608硅酮防霉密封胶SS801高级中性硅酮密封胶SS601中性硅酮密封胶SS615/SS616 硅酮中控玻璃密封胶SS650硅酮密封胶SS860/SS861 硅酮道路密封胶SS602C干挂石材弹性密封胶PR101底漆。
白云硅酮耐候密封胶说到“白云硅酮耐候密封胶”,你可能第一反应就是:这是什么东东,听起来好高大上啊!其实吧,白云硅酮耐候密封胶,它的作用比你想象的要实在多了。
别看它名字有点拗口,实际就是一种强力的粘合剂,专门用来对付那些大风大雨,暴晒雪霜啥的“考验”。
它能帮你在最严苛的环境下,牢牢把东西“粘”住,简直是家装和建筑界的“隐形英雄”。
你想啊,每天都在风吹日晒雨淋的窗户缝隙里,那些细小的空隙,往往就是麻烦的源头。
你可能觉得“不过是个小缝,没事的”,可是水一进,空气一流,热量一大,问题就来了。
不仅保温不好,隔音效果也差,严重的话还可能导致墙体受损,发霉腐烂啥的,真是个大麻烦!但是白云硅酮耐候密封胶就能派上大用场了,它不仅能把这些缝隙都“封住”,让你家里不再“漏风漏水”,而且还能耐高温低温,特别适合各种气候条件下使用。
白云硅酮耐候密封胶的最大好处呢,除了它的强大粘合力,还有它的“弹性”。
没错,就是那种能“伸缩自如”的弹性,简直是设计师的最爱!你知道吗,建筑物在经历长时间的冷热变化后,材料会发生膨胀和收缩,普通的胶水可能会崩裂或者脱落,但这种硅酮密封胶就完全不怕,它能随着建筑物的变形,依然保持良好的密封效果。
听起来是不是很酷?可能有小伙伴会想:这么强的胶水,不是会有味道吗?不会让室内充满化学气味吧?放心吧,白云硅酮耐候密封胶一点也不含有害气体。
它经过了严格的环保测试,大家完全可以放心使用。
不仅环保健康,效果也杠杠的!而且你如果看过它的施工过程,就会发现它其实一点都不麻烦。
就是将它涂抹在需要密封的地方,等待它自然干燥,几小时之后,密封效果就已经完全到位了。
完全不需要太多复杂的工具或者技巧,甚至你在家DIY一下,也能轻松搞定,真是太方便了!再说,很多人担心这种密封胶时间长了会不会老化。
你看看,现在的白云硅酮耐候密封胶,已经做到了极致的耐候性,无论是暴晒在阳光下,还是被冻成冰块,它都能安然无恙,维持原来的效果。
就算经过几年,打开窗户,一切如初。
白云SS611硅酮耐候密封胶
一、产品介绍
SS611是单组分,中性固化,脱醇型,专为各种幕墙(玻璃幕墙、铝板幕墙等等)耐候密封而设计的硅酮密封胶。
具有优异的耐候性能,经过人工加速气候老化测试,密封胶的各项理化性能无明显的变化。
使用时用挤胶枪将胶从密封胶筒中挤到需要密封的接缝中,形成有效密封。
二、产品特性
①单组分、使用方便,在4℃~40℃的温度范围内具有良好的可挤出性和触变性,用打胶枪挤出直接施工即可;
②中性固化,对金属、镀膜玻璃、混凝土、大理石、花岗岩等建筑材料无腐蚀性,应用广泛;
③具有很强的抗位移能力,对于幕墙正常的伸缩及剪切变形,本产品都能保持性能不变,起到有效的密封作用;
④优异的耐气候老化性能,耐老化,耐紫外线、耐臭氧、耐水;
⑤耐高低温性能卓越,固化后在—50℃的低温下仍不会变脆、硬化或开裂,在+150℃高温下不会变软、降解,始终保持良好的弹性;
⑥具有优良的粘结性,固化后与大多数建筑材料形成很强的粘结而不需要使用底涂;与其它中性硅酮胶具有良好的相容性。
三、主要用途
1. 用于各种玻璃幕墙耐候密封;
2. 用于金属(铝板),搪瓷幕墙耐候密封;
3. 用于混凝土、塑料和金属等得接缝密封;
4. 屋顶建筑接缝密封;
5. 其他多种用途。
四、符合标准
SS611符合甚至超过下列标准:
企业标准Q/(NGS)BYNJ2-2002
美国ASTMC 920-01
五、包装
SS611用590ml复合膜软包装
六、使用限制
①不能作为结构密封胶使用
②不宜用于所有会渗出油脂、增塑剂或溶剂的材料,如浸油木材的表面;
③不宜用于密不透风的场所,因为密封胶需吸收空气中的水分固化;
④不宜用于结霜或潮湿的表面;
⑤不宜用于连续浸水或终年潮湿的地方;
⑥材料表面温度低于4℃或超过40℃时,不宜施工;
七、安全须知
本产品完全固化后并无毒性,但在固化之前应避免与眼睛接触,若与眼睛接触,请用大量水冲洗,并找医生处理;未固化的产品应避免小孩接触。
密封胶在固化时会放出低分子物质,在施工及固化区应注意通风,以免这些物质浓度太大对人体产生不良影响。
八、维修保养
一般无需维修,如果密封胶缝破损,用溶剂除去污垢后,再用密封胶填补,白云牌硅酮密封胶可很好地粘附在已固化的硅酮胶上。
注:密封胶的实际用量会因接口设计、衬垫材料的安装位置、修整技术以及工地的损耗量而不一致。
需要联系肖小姐电话一三五三八零五零九五九
各种白云胶:白云SS621/SS622硅酮结构胶SS721大玻璃专用胶SS611/SS811硅酮结构密封胶SS602/SS602B 石材硅酮密封胶SS606铝板幕墙密封胶SS607硅酮阻燃密封胶SS608硅酮防霉密封胶SS801高级中性硅酮密封胶SS601中性硅酮密封胶SS615/SS616 硅酮中控玻璃密封胶SS650硅酮密封胶SS860/SS861 硅酮道路密封胶SS602C干挂石材弹性密封胶PR101底漆。