2-甲基戊烷安全技术说明书
- 格式:docx
- 大小:19.01 KB
- 文档页数:4
化学品安全技术说明书第一部分化学品及企业标识化学品中文名:2-甲基丁烷;异戊烷化学品英文名:isopentane;2-methylbutane技术说明书编码:第二部分成分/组成信息√纯品混合物有害物成分浓度CAS No.异戊烷78-78-4第三部分危险性概述危险性类别:第3.1类低闪点液体侵入途径:吸入、食入健康危害:主要有麻醉及轻度刺激作用。
可引起眼和呼吸道的刺激症状,重者有麻醉症状,甚至意识丧失。
慢性影响眼和呼吸道的轻度刺激。
皮肤长期接触可发生轻度皮炎。
环境危害:对环境有害。
燃爆危险:极易燃,其蒸气与空气混合,能形成爆炸性混合物。
第四部分急救措施皮肤接触:脱去污染的衣着,用肥皂水和清水彻底冲洗皮肤。
如有不适感,就医。
眼睛接触:提起眼睑,用流动清水或生理盐水冲洗。
如有不适感,就医。
吸入:迅速脱离现场至空气新鲜处。
保持呼吸道通畅。
如呼吸困难,给输氧。
呼吸、心跳停止,立即进行心肺复苏术。
就医。
食入:饮水,禁止催吐。
就医。
第五部分消防措施危险特性:极易燃,其蒸气与空气可形成爆炸性混合物,遇明火、高热极易燃烧爆炸。
与氧化剂接触发生强烈反应, 甚至引起燃烧。
蒸气比空气重,沿地面扩散并易积存于低洼处,遇火源会着火回燃。
若遇高热,容器内压增大,有开裂和爆炸的危险。
有害燃烧产物:一氧化碳。
灭火方法:用泡沫、二氧化碳、干粉、砂土灭火。
灭火注意事项及措施:消防人员必须佩戴空气呼吸器、穿全身防火防毒服,在上风向灭火。
喷水冷却容器,可能的话将容器从火场移至空旷处。
处在火场中的容器若已变色或从安全泄压装置中产生声音,必须马上撤离。
用水灭火无效。
第六部分泄漏应急处理应急行动:消除所有点火源。
根据液体流动和蒸气扩散的影响区域划定警戒区,无关人员从侧风、上风向撤离至安全区。
建议应急处理人员戴正压自给式呼吸器,穿防静电服。
作业时使用的所有设备应接地。
禁止接触或跨越泄漏物。
尽可能切断泄漏源。
防止泄漏物进入水体、下水道、地下室或密闭性空间。
戊烷(1)标识化学品中文名:戊烷;正戊烷化学品英文名:n-pentane; pentane分子式:C5H12相对分子量:72.17(2)成分/组成信息成分:纯品CAS No:109-66-0(3)危险性概述危险性类别:第3.1类低闪点液体侵入途径:吸入、食入健康危害:高浓度可引起眼与呼吸道粘膜轻度刺激症状和麻醉状态,甚至意识丧失。
慢性作用为眼和呼吸道的轻度刺激。
可引起轻度皮炎。
环境危害:对水生生物有毒,可能在水生环境中造成长期不利影响。
燃爆危险:极易燃,其蒸气与空气混合,能形成爆炸性混合物。
(4)急救措施皮肤接触:脱去污染的衣着,用肥皂水和清水彻底冲洗皮肤。
如有不适感,就医。
眼睛接触:提起眼睑,用流动清水或生理盐水冲洗。
如有不适感,就医吸入:迅速脱离现场至空气新鲜处。
保持呼吸道通畅。
如呼吸困难,给输氧。
呼吸、心跳停止,立即进行心肺复苏术。
就医。
食入:饮水,禁止催吐。
如有不适感,就医。
(5)消防措施危险特性:极易燃,其蒸气与空气可形成爆炸性混合物,遇明火、高热极易燃烧爆炸。
与氧化剂接触发生强烈反应, 甚至引起燃烧。
液体比水轻,不溶于水,可随水漂流扩散到远处,遇明火即引起燃烧。
在火场中,受热的容器有爆炸危险。
其蒸气比空气重,能在较低处扩散到相当远的地方,遇火源会着火回燃。
有害燃烧产物:一氧化碳灭火方法:用泡沫、二氧化碳、干粉、砂土灭火。
灭火注意事项及措施:消防人员必须佩戴空气呼吸器、穿全身防火防毒服,在上风向灭火。
喷水冷却容器,可能的话将容器从火场移至空旷处。
容器突然发出异常声音或出现异常现象,应立即撤离。
用水灭火无效。
(6)泄漏应急处理应急行动:消除所有点火源。
根据液体流动和蒸气扩散的影响区域划定警戒区,无关人员从侧风、上风向撤离至安全区。
建议应急处理人员戴正压自给式呼吸器,穿防静电服,戴橡胶耐油手套。
作业时使用的所有设备应接地。
禁止接触或跨越泄漏物。
尽可能切断泄漏源。
防止泄漏物进入水体、下水道、地下室或限制性空间。
2-甲基戊烷1.物质的理化常数:2.对环境的影响:该物质对环境有危害,应特别注意对地表水、土壤、大气和饮用水的污染,在环境中能被生物降解。
一、健康危害侵入途径:吸入、食入、经皮吸收。
健康危害:蒸气或雾对眼和上呼吸道有刺激性。
对皮肤有刺激性。
接触后出现烧灼感、咳嗽、喘息、喉炎、气短、头痛、恶心和呕吐。
二、毒理学资料及环境行为毒性:有麻醉和刺激作用。
危险特性:极易燃,其蒸气与空气可形成爆炸性混合物。
遇明火、高热极易燃烧爆炸。
与氧化剂接触发生强烈反应,甚至引起燃烧。
在火场中,受热的容器有爆炸危险。
其蒸气比空气重,能在较低处扩散到相当远的地方,遇明火会引着回燃。
燃烧(分解)产物:一氧化碳、二氧化碳。
3.现场应急监测方法:气体速测管(德国德尔格公司产品)4.实验室监测方法:气相色谱法,参照《分析化学手册》(第四分册,色谱分析),化学工业出版社5.环境标准:美国车间卫生标准 1760mg/m36.应急处理处置方法:一、泄漏应急处理迅速撤离泄漏污染区人员至安全区,并进行隔离,严格限制出入。
切断火源。
建议应急处理人员戴自给正压式呼吸器,穿消防防护服。
尽可能切断泄漏源。
防止进入下水道、排洪沟等限制性空间。
小量泄漏:用活性炭或其它惰性材料吸收。
也可以用不燃性分散剂制成的乳液刷洗,洗液稀释后放入废水系统。
大量泄漏:构筑围堤或挖坑收容;用泡沫覆盖,降低蒸气灾害。
用防爆泵转移至槽车或专用收集器内,回收或运至废物处理场所处置。
二、防护措施呼吸系统防护:空气中浓度超标时,佩戴自吸过滤式防毒面具(半面罩)。
眼睛防护:一般不需要特殊防护,高浓度接触时可戴化学安全防护眼镜。
身体防护:穿防静电工作服。
手防护:戴乳胶手套。
其它:工作现场严禁吸烟。
避免长期反复接触。
三、急救措施皮肤接触:脱去被污染的衣着,用肥皂水和清水彻底冲洗皮肤。
眼睛接触:提起眼睑,用流动清水或生理盐水冲洗。
就医。
吸入:迅速脱离现场至空气新鲜处。
保持呼吸道通畅。
如呼吸困难,给输氧。
化学品安全技术说明书2-甲基己烷第一部分化学品及企业标识化学品中文名:2-甲基己烷化学品英文名:2-methylhexane;isoheptane供应商名称:哈尔滨****化工有限公司供应商地址:哈尔滨**区**路**号**室供应商电话:3426-58****69邮编:245**8供应商传真:3426-58****64电子邮件地址:8888**************产品推荐及限制用途:用作气相色谱对比样品,用于有机合成。
第二部分危险性概述紧急情况概述:高度易燃液体和蒸气,造成皮肤刺激,可能引起昏昏欲睡或眩晕,吞咽及进入呼吸道可能致命GHS危险性类别:易燃液体-类别2;皮肤腐蚀/刺激-类别2;特异性靶器官毒性-一次接触-类别3(麻醉效应);吸入危害-类别1;危害水生环境-急性危害-类别1;危害水生环境-长期危害-类别1标签要素:象形图:警示词:危险危险信息:H225:高度易燃液体和蒸气H315:造成皮肤刺激H336:可能引起昏昏欲睡或眩晕H304:吞咽及进入呼吸道可能致命H410:对水生生物毒性极大并具有长期持续影响防范说明:预防措施:P210:远离热源/火花/明火/热表面。
禁止吸烟。
P233:保持容器密闭。
P240:容器和接收设备接地/等势联接。
P241:使用防爆的电气/通风/照明/……/设备。
P242:只能使用不产生火花的工具。
P243:采取防止静电放电的措施。
P280:戴防护手套/穿防护服/戴防护眼罩/戴防护面具。
P264:作业后彻底清洗……。
P260:不要吸入粉尘/烟/气体/烟雾/蒸气/喷雾。
P271:只能在室外或通风良好之处使用。
P273:避免释放到环境中。
应急响应:P303+P361+P353:如皮肤(或头发)沾染:立即脱掉所有沾染的衣服。
用水清洗皮肤/淋浴。
P370+P378:火灾时,使用……灭火。
P302+P352:如皮肤沾染:用大量肥皂和水清洗。
P321:具体治疗(见本标签上的.....)。
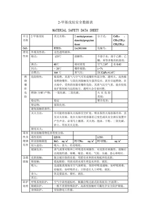
第一部分化学品及企业标识化学品中文名:2-甲基戊烷化学品英文名:2-methylpentane;isohexane化学品别名:异己烷CASNo.:107-83-5ECNo.:203-523-4分子式:C6H14第二部分危险性概述紧急情况概述液体。
高度易燃,其蒸气与空气混合,能形成爆炸性混合物。
如果被吞食,可能会造成严重肺部损伤。
对皮肤有刺激性。
气体可能会引起头晕或窒息。
对水生物有毒。
对水生环境可能会引起长期有害作用。
使用适当的容器,以预防污染环境。
GHS危险性类别根据GB30000-2013化学品分类和标签规范系列标准(参阅第十六部分),该产品分类如下:易燃液体,类别2;吸入危险,类别1;皮肤腐蚀/刺激,类别2;特定目标器官毒性-单次接触:麻醉效应,类别3;危害水生环境-急性毒性,类别2;危害水生环境-慢性毒性,类别2。
标签要素象形图警示词:危险危险信息:高度易燃液体和蒸气,吞咽并进入呼吸道可能致命,造成皮肤刺激,可能造成昏睡或眩晕,对水生生物有毒,对水生生物有毒并具有长期持续影响。
预防措施:远离热源、热表面、火花、明火以及其它点火源。
禁止吸烟。
保持容器密闭。
容器和接收设备接地和等势联接。
使用不产生火花的工具。
采取措施,防止静电放电。
避免吸入粉尘/烟/气体/烟雾/蒸气/喷雾。
作业后彻底清洗。
受沾染的工作服不得带出工作场地。
避免释放到环境中。
戴防护手套/穿防护服/戴防护眼罩/戴防护面具。
事故响应:求医/就诊。
不得诱导呕吐。
收集溢出物。
如误吞咽:立即呼叫中毒急救中心/医生。
如误吸入:将受人转移到空气新鲜处,保持呼吸舒适的体位。
如发生皮肤刺激:求医/就诊。
脱去被污染的衣服,清洗后方可重新使用。
如皮肤(或头发)沾染:立即去除/脱掉所有沾染的衣服。
用水清洗皮肤或淋浴。
安全储存:存放处须加锁。
存放在通风良好的地方。
保持容器密闭。
存放在通风良好的地方。
保持低温。
废弃处置:按照地方/区域/国家/国际规章处置内装物/容器。
3,3-二甲基戊烷化学品安全技术说明书第一部分:化学品名称化学品中文名称:3,3-二甲基戊烷 化学品英文名称:3,3-dimethylpentane 中文名称2:二乙基二甲基甲烷 技术说明书编码:182CAS No.:562-49-2 分子式:C 7H 16分子量:100.21第二部分:成分/组成信息有害物成分含量CAS No.第三部分:危险性概述健康危害:本品属烃类,吸入高浓度烃类化合物蒸气可引起轻度呼吸道刺激、头晕、欣快感、精神错乱、恶心和呼吸困难;极高浓度吸入可致昏迷甚至死亡。
液体进入肺部,可引起吸入性肺炎或肺水肿。
高浓度蒸气对眼有轻度刺激性;液体可引起眼部暂时性红肿和疼痛。
液体对皮肤有轻度刺激性;反复接触可致皮炎。
口服引起恶心、呕吐、腹胀和头痛等。
环境危害:对环境有危害,对水体、土壤和大气可造成污染。
燃爆危险:本品易燃。
第四部分:急救措施皮肤接触:脱去污染的衣着,用肥皂水和清水彻底冲洗皮肤。
眼睛接触:提起眼睑,用流动清水或生理盐水冲洗。
就医。
吸入:迅速脱离现场至空气新鲜处。
保持呼吸道通畅。
如呼吸困难,给输氧。
如呼吸停止,立即进行人工呼吸。
就医。
食入:饮足量温水,催吐。
就医。
第五部分:消防措施危险特性:其蒸气与空气可形成爆炸性混合物,遇热源和明火有燃烧爆炸的危险。
与氧化剂接触发生化学反应或引起燃烧。
在火场中,受热的容器有爆炸危险。
其蒸气比空气重,能在较低处扩散到相当远的地方,遇火源会着火回燃。
有害燃烧产物:一氧化碳、二氧化碳。
灭火方法:喷水冷却容器,可能的话将容器从火场移至空旷处。
处在火场中的容器若已变色或从安全泄压装置中产生声音,必须马上撤离。
灭火剂:泡沫、二氧化碳、干粉、砂土。
用水灭火无效。
第六部分:泄漏应急处理有害物成分 含量 CAS No.:3,3-二甲基戊烷 99% 562-49-2应急处理:迅速撤离泄漏污染区人员至安全区,并进行隔离,严格限制出入。
切断火源。
建议应急处理人员戴自吸过滤式防毒面具(全面罩),穿防静电工作服。
LC50:无资料亚急性和慢性毒性:刺激性:致敏性:致突变性:致畸性:致癌性:第十二部分:生态学资料生态毒理毒性:生物降解性:非生物降解性:生物富集或生物积累性:其它有害作用:该物质对环境有危害,应特别注意对地表水、土壤、大气和饮用水的污染。
第十三部分:废弃处置废弃物性质:废弃处置方法:处置前应参阅国家和地方有关法规。
建议用焚烧法处置。
废弃注意事项:第十四部分:运输信息危险货物编号:32009UN编号:无资料包装标志:包装类别:O52包装方法:安瓿瓶外普通木箱;螺纹口玻璃瓶、铁盖压口玻璃瓶、塑料瓶或金属桶(罐)外普通木箱。
运输注意事项:运输时运输车辆应配备相应品种和数量的消防器材及泄漏应急处理设备。
夏季最好早晚运输。
运输时所用的槽(罐)车应有接地链,槽内可设孔隔板以减少震荡产生静电。
严禁与氧化剂、食用化学品等混装混运。
运输途中应防曝晒、雨淋,防高温。
中途停留时应远离火种、热源、高温区。
装运该物品的车辆排气管必须配备阻火装置,禁止使用易产生火花的机械设备和工具装卸。
公路运输时要按规定路线行驶,勿在居民区和人口稠密区停留。
铁路运输时要禁止溜放。
严禁用木船、水泥船散装运输。
第十五部分:法规信息法规信息化学危险物品安全管理条例(1987年2月17日国务院发布),化学危险物品安全管理条例实施细则(化劳发[1992] 677号),工作场所安全使用化学品规定([1996]劳部发423号)等法规,针对化学危险品的安全使用、生产、储存、运输、装卸等方面均作了相应规定;常用危险化学品的分类及标志(GB 13690-92)将该物质划为第3.2 类中闪点易燃液体。
2-甲基戊烷地下水气相色谱
2-甲基戊烷是一种有机化合物,化学式为C6H14,外观为无色透明液体。
它不溶于水,可溶于乙醇、乙醚、丙酮、苯等多数有机溶剂。
在地下水环境中,2-甲基戊烷可以作为一种污染物出现。
气相色谱法是一种分离和分析混合物的技术,它基于混合物中各组分在气相和固定相之间的分配系数不同来实现分离。
在气相色谱分析中,地下水样品通过进样器进入色谱柱,在柱子中,各组分根据其分配系数在气相和固定相之间进行分配,分配系数大的组分在柱子中停留时间长,分配系数小的组分在柱子中停留时间短,从而实现各组分的分离。
通过气相色谱分析,可以检测地下水中2-甲基戊烷的含量,并确定其在地下水中的分布情况。
这对于评估地下水的污染程度和环境风险具有重要意义。
在进行气相色谱分析时,需要选择适当的色谱柱和检测器,并进行标准曲线的绘制和质量控制,以确保分析结果的准确性和可靠性。
化学品安全技术说明书第一部分化学品名称化学品中文名:戊烷化学品英文名:n-pentane中文名称2:正戊烷英文名称2:技术说明书编码:372CAS号:109-66-0分子式:C5H12分子量:72.15第二部分成分/组成信息纯品或混合物:纯品第三部分危险性概述危险性类别:第3.1类低闪点易燃液体侵入途径:健康危害:高浓度可引起眼与呼吸道粘膜轻度刺激症状和麻醉状态,甚至意识丧失。
慢性作用为眼和呼吸道的轻度刺激。
可引起轻度皮炎。
环境危害:燃爆危险:本品极度易燃。
第四部分急救措施皮肤接触:脱去污染的衣着,用肥皂水和清水彻底冲洗皮肤。
眼睛接触:提起眼睑,用流动清水或生理盐水冲洗。
就医。
吸入:迅速脱离现场至空气新鲜处。
保持呼吸道通畅。
如呼吸困难,给输氧。
如呼吸停止,立即进行人工呼吸。
就医。
食入:饮足量温水,催吐。
就医。
第五部分消防措施危险特性:极易燃,其蒸气与空气可形成爆炸性混合物,遇明火、高热极易燃烧爆炸。
与氧化剂接触发生强烈反应, 甚至引起燃烧。
液体比水轻,不溶于水,可随水漂流扩散到远处,遇明火即引起燃烧。
在火场中,受热的容器有爆炸危险。
其蒸气比空气重,能在较低处扩散到相当远的地方,遇火源会着火回燃。
有害燃烧产物:一氧化碳、二氧化碳。
灭火方法:喷水冷却容器,可能的话将容器从火场移至空旷处。
处在火场中的容器若已变色或从安全泄压装置中产生声音,必须马上撤离。
灭火剂:泡沫、二氧化碳、干粉、砂土。
用水灭火无效。
第六部分泄漏应急处理应急处理:迅速撤离泄漏污染区人员至安全区,并进行隔离,严格限制出入。
切断火源。
建议应急处理人员戴自给正压式呼吸器,穿防静电工作服。
尽可能切断泄漏源。
防止流入下水道、排洪沟等限制性空间。
小量泄漏:用活性炭或其它惰性材料吸收。
大量泄漏:构筑围堤或挖坑收容。
用泡沫覆盖,降低蒸气灾害。
用防爆泵转移至槽车或专用收集器内,回收或运至废物处理场所处置。
第七部分操作处置与储存操作注意事项:密闭操作,全面通风。
2-甲基戊烷化学品安全技术说明书第一部分:化学品名称化学品中文名称:2-甲基戊烷 化学品英文名称:2-methylpentane 中文名称2:二甲基丙基甲烷 英文名称2:dimethylpropylmethane 技术说明书编码:196CAS No.:107-83-5 分子式:C 6H 14分子量:86.17第二部分:成分/组成信息有害物成分含量CAS No.第三部分:危险性概述健康危害:蒸气或雾对眼和上呼吸道有刺激性。
对皮肤有刺激性。
接触后出现烧灼感、咳嗽、喘息、喉炎、气短、头痛、恶心和呕吐。
燃爆危险:本品极度易燃,具刺激性。
第四部分:急救措施皮肤接触:脱去污染的衣着,用肥皂水和清水彻底冲洗皮肤。
眼睛接触:提起眼睑,用流动清水或生理盐水冲洗。
就医。
吸入:迅速脱离现场至空气新鲜处。
保持呼吸道通畅。
如呼吸困难,给输氧。
如呼吸停止,立即进行人工呼吸。
就医。
食入:饮足量温水,催吐。
就医。
第五部分:消防措施危险特性:极易燃,其蒸气与空气可形成爆炸性混合物,遇明火、高热极易燃烧爆炸。
与氧化剂接触发生强烈反应, 甚至引起燃烧。
在火场中,受热的容器有爆炸危险。
其蒸气比空气重,能在较低处扩散到相当远的地方,遇火源会着火回燃。
有害燃烧产物:一氧化碳、二氧化碳。
灭火方法:尽可能将容器从火场移至空旷处。
喷水保持火场容器冷却,直至灭火结束。
处在火场中的容器若已变色或从安全泄压装置中产生声音,必须马上撤离。
灭火剂:泡沫、二氧化碳、干粉、砂土。
用水灭火无效。
第六部分:泄漏应急处理有害物成分 含量 CAS No.:2-甲基戊烷>99% 107-83-5应急处理:迅速撤离泄漏污染区人员至安全区,并进行隔离,严格限制出入。
切断火源。
建议应急处理人员戴自给正压式呼吸器,穿防静电工作服。
尽可能切断泄漏源。
防止流入下水道、排洪沟等限制性空间。
小量泄漏:用活性炭或其它惰性材料吸收。
也可以用不燃性分散剂制成的乳液刷洗,洗液稀释后放入废水系统。
戊烷安全技术说明书编号:RSAJ—16--04戊烷安全技术说明书濮阳市瑞森石油树脂有限公司二零一六年目录1. 化学品及企业标识 (3)2. 危险性概述 (3)3. 成分/组成信息 (5)4. 急救措施 (5)5. 消防措施 (6)6. 泄露应急处理 (6)7. 操作处置与储存 (7)8. 接触控制和个体防护 (8)9. 理化特性 (10)10. 稳定性和反应活性 (11)11. 毒理学资料 (12)12. 生态学资料 (13)13. 废弃处置 (14)14. 运输信息 (15)15. 法规信息 (15)16. 其他信息 (16)1. 化学品及企业标识1.1 产品标识符化学品中文名称:戊烷化学品俗名:正戊烷化学品英文名称:n-pentane技术说明书编码:RSAJ—13--04CAS No.:109-66-0生产企业名称:濮阳市瑞森石油树脂有限公司传真号码:地址:濮阳市黄河路西段邮编:457000生效日期: 2006-8-1企业应急电话:国家应急电话:(0532)83889090:1.2 鉴别的其他方法无数据资料1.3 有关的确定了的物质或混合物的用途和建议不适合的用途仅用于研发。
不作为药品、家庭或其它用途。
2. 危险性概述2.1 GHS-分类易燃液体-2,特异性靶器官系统毒性一次接触-3,吸入危害-1,对水环境的危害-急性2,2.2 GHS 标记要素,包括预防性的陈述象形图警示词危险危险信息:高度易燃液体和蒸气; 可能引起呼吸道刺激,可能引起昏昏欲睡或眩晕; 吞咽并进入呼吸道可能致死; 对水生生物有毒;防范措施:P210 远离热源/火花/明火。
禁止吸烟。
P233 保持容器密闭。
P240 容器和装载设备接地/等势联接。
P241 使用防爆的电气/通风/照明设备。
P242 只能使用不产生火花的工具。
P243 采取防止静电放电的措施。
P271 只能在室外或通风良好之处使用。
P273 避免释放到环境中。
P280 戴防护手套/戴防护眼罩/戴防护面具。
化学品安全技术说明书第一部分化学品及企业标识化学品中文名:2,4-二甲基戊烷化学品英文名:2,4-dimethylpentane|diisopropyl methane化学品别名:二异丙基甲烷CAS No.:108-08-7EC No.:203-548-0分子式:C7H16第二部分危险性概述| 紧急情况概述液体。
高度易燃,其蒸气与空气混合,能形成爆炸性混合物。
如果被吞食,可能会造成严重肺部损伤。
对皮肤有刺激性。
气体可能会引起头晕或窒息。
对水生物有剧毒, 使用适当的容器, 以预防污染环境。
对水生环境可能会引起长期有害作用。
使用适当的容器, 以预防污染环境。
| GHS 危险性类别根据 GB 30000-2013 化学品分类和标签规范系列标准(参阅第十六部分),该产品分类如下:易燃液体,类别 2;吸入危险,类别 1;皮肤腐蚀/刺激,类别 2;特定目标器官毒性-单次接触:麻醉效应,类别 3;危害水生环境-急性毒性,类别 1;危害水生环境-慢性毒性,类别 1。
| 标签要素象形图警示词:危险危险信息:高度易燃液体和蒸气,吞咽并进入呼吸道可能致命,造成皮肤刺激,可能造成昏睡或眩晕,对水生生物毒性极大,对水生生物毒性极大并具有长期持续影响。
防范说明预防措施:远离热源、热表面、火花、明火以及其它点火源。
禁止吸烟。
保持容器密闭。
容器和接收设备接地和等势联接。
使用不产生火花的工具。
采取措施,防止静电放电。
避免吸入粉尘/烟/气体/烟雾/蒸气/喷雾。
作业后彻底清洗。
受沾染的工作服不得带出工作场地。
避免释放到环境中。
戴防护手套/穿防护服/戴防护眼罩/戴防护面具。
事故响应:求医/就诊。
不得诱导呕吐。
收集溢出物。
如误吞咽:立即呼叫中毒急救中心/医生。
如误吸入:将受人转移到空气新鲜处,保持呼吸舒适的体位。
如发生皮肤刺激:求医/就诊。
脱去被污染的衣服,清洗后方可重新使用。
如皮肤(或头发)沾染:立即去除/脱掉所有沾染的衣服。
用水清洗皮肤或淋浴。
2,3-二甲基戊烷安全周知卡危险性类别易燃爆炸品名、英文名及分子式、CC码及CAS号2,3-二甲基戊烷(2-乙基-3-甲基丁烷)2,3-dimethylpentaneC7H16危险性理化数据熔点(℃):-135 闪点:<-7 沸点(℃):89.8相对密度(水=1):0.69(20℃)饱和蒸气压(kPa):5.33(13.9℃)危险特性本品为无色液体。
其蒸气与空气可形成爆炸性混合物,遇热源和明火有燃烧爆炸的危险。
与氧化剂接触发生化学反应或引起燃烧。
在火场中,受热的容器有爆炸危险。
其蒸气比空气重,能在较低处扩散到相当远的地方,遇火源会着火回燃。
接触后表现健康危害:无本品吸入中毒资料。
本品属烃类,吸入高浓度烃类化合物蒸气可引起轻度呼吸道刺激、头晕、欣快感、精神错乱、恶心和呼吸困难;极高浓度吸入可致昏迷甚至死亡。
液体进入肺部,可能引起吸入性肺炎或肺水肿。
高浓度蒸气对眼有轻度刺激性,液体可引起眼部暂时性红肿和疼痛。
液体对皮肤有轻度刺激性;反复接触可致现场急救措施皮肤接触:脱去污染的衣着,用肥皂水和清水彻底冲洗皮肤。
眼睛接触:提起眼睑,用流动清水或生理盐水冲洗。
就医。
吸入:迅速脱离现场至空气新鲜处。
保持呼吸道通畅。
如呼吸困难,给输氧。
如呼吸停止,立即进行人工呼吸。
就医。
食入:饮足量温水,催吐。
就医。
身体防护措施泄漏处理及防火防爆措施迅速撤离泄漏污染区人员至安全区,并进行隔离,严格限制出入。
切断火源。
建议应急处理人员戴自吸过滤式防毒面具(全面罩),穿防静电工作服。
尽可能切断泄漏源。
防止流入下水道、排洪沟等限制性空间。
小量泄漏:用不燃性分散剂制成的乳液刷洗,洗液稀释后放入废水系统。
或在保证安全情况下,就地焚烧。
大量泄漏:构筑围堤或挖坑收容。
撒湿冰或冰水冷却。
用防爆泵转移至槽车或专用收集器内,回收或运至废物处理场所处置。
喷水冷却容器,可能的话将容器从火场移至空旷处。
处在火场中的容器若已变色或从安全泄压装置中产生声音,必须马上撤离。