高级工考试汇总
- 格式:doc
- 大小:208.00 KB
- 文档页数:11
高级工理论考试题及答案一、选择题(每题2分,共20分)1. 以下哪个选项是高级工必备的技能?A. 基本操作技能B. 专业理论知识C. 创新思维能力D. 以上都是答案:D2. 高级工在进行工作时,应该优先考虑的是:A. 个人利益B. 工作效率C. 工作质量D. 团队协作答案:C3. 在高级工的工作中,以下哪项不是必要的?A. 遵守操作规程B. 定期维护设备C. 忽视安全规定D. 持续学习新技术答案:C4. 高级工在面对技术难题时,应该采取的策略是:A. 放弃B. 求助他人C. 独立解决D. 分析问题,寻求解决方案答案:D5. 高级工在团队中通常扮演的角色是:A. 领导者B. 执行者C. 协调者D. 监督者答案:A6. 高级工在进行工作总结时,应该:A. 只关注个人表现B. 只关注团队表现C. 忽略错误和不足D. 客观分析,总结经验教训答案:D7. 在高级工的工作中,以下哪项不是创新的体现?A. 改进工作流程B. 引入新技术C. 重复使用旧方法D. 优化工艺流程答案:C8. 高级工在进行质量控制时,应该:A. 只关注最终产品B. 忽略过程控制C. 进行全面的质量控制D. 只关注成本控制答案:C9. 高级工在进行工作计划时,应该:A. 忽略时间管理B. 忽略资源分配C. 制定详细的工作计划D. 只关注短期目标答案:C10. 高级工在面对紧急情况时,应该:A. 保持冷静B. 慌乱失措C. 忽略安全D. 盲目行动答案:A二、填空题(每题2分,共20分)1. 高级工在进行工作时,必须___________操作规程。
答案:严格遵守2. 在团队协作中,高级工应该___________团队目标。
答案:积极贡献3. 高级工在面对技术挑战时,应该___________解决问题。
答案:积极思考4. 高级工在进行工作总结时,应该___________错误和不足。
答案:认真分析5. 高级工在进行质量控制时,应该___________质量标准。
高级工考试试题及答案一、选择题1. 下列哪个不属于机械行业的机械设计软件?A. SolidWorksB. AutoCADC. CATIAD. Photoshop答案:D2. 下列哪个变压器连接方式在三相四线制中常用?A. 星-星连接B. 星-三角连接C. 变压器两边都是△型连线D. 无法确定答案:B3. 下列哪个工艺不属于金属加工常用的切削工艺?A. 钻孔B. 铣削C. 切割D. 抛光答案:D4. 力学中,以下哪个力被称为负力?A. 吸力B. 弹力C. 千斤顶的顶力D. 重力答案:D5. 下列哪个设备用于轮胎动平衡?A. 牛头刨床B. 齿轮加工中心C. 动力套印机D. 轮胎平衡机答案:D二、填空题1. 隔离变压器主要用于______电源与______设备之间的电气隔离。
答案:交流;直流2. 在调试机械设备时,使用________工具可以准确调整设备的位置。
答案:测量3. 清洗金属工件时,可以选择使用________酸进行脱脂处理。
答案:硝酸4. CAD是计算机辅助________的缩写。
答案:设计5. 钳工常用的锉刀上具有多个________,用于磨削金属表面。
答案:齿三、问答题1. 请简要介绍一下机械行业常用的几种机床类型。
答案:机床是机械行业中常见的设备,主要包括车床、铣床、钻床、磨床等。
车床可以用于加工圆柱形零件,铣床用于加工平面、曲面和齿轮等零件,钻床用于进行孔加工,磨床主要用于精加工和磨削零件表面。
2. 请简述通信行业中常用的两种光纤连接方式。
答案:通信行业中常用的光纤连接方式包括直插式连接和螺纹式连接。
直插式连接是指将光纤端面直接插入连接装置中,简单易行。
螺纹式连接则是通过旋转固定装置来连接光纤,更为稳固可靠。
3. 请解释一下金属冶炼中的焊接和铸造工艺。
答案:焊接是指通过熔化金属材料,将需要连接的两个金属零件融合在一起的工艺。
焊接常用于金属材料修复和连接。
铸造是指将熔化的金属倒入模具中,待其凝固后取出模具,得到所需形状的金属制品的工艺。
河北省汽车驾驶高级工试题一、选择题1. 根据《中华人民共和国道路交通安全法》,机动车行驶在高速公路上,最高车速不得超过每小时多少公里?A. 100公里B. 120公里C. 140公里D. 160公里2. 下列哪种情况下,驾驶员不得驾驶机动车?A. 饮酒后B. 疲劳时C. 穿着高跟鞋D. 所有上述情况3. 机动车驾驶证的有效期为多久?A. 3年B. 5年C. 10年D. 长期有效4. 驾驶机动车在道路上行驶,遇有前方车辆缓慢行驶时,应当如何处理?A. 鸣喇叭催促B. 超车C. 保持安全距离,耐心等待D. 变换车道绕过5. 机动车在高速公路上行驶,遇有雾天能见度低于200米时,应当开启什么灯光?A. 远光灯B. 近光灯C. 雾灯D. 危险报警闪光灯二、判断题1. 驾驶员在高速公路上行驶时,可以不系安全带。
(对/错)2. 机动车在道路上发生故障,无法移动时,应当立即开启危险报警闪光灯,并在车后设置警告标志。
(对/错)3. 驾驶员在服用可能导致嗜睡或注意力不集中的药物后,仍可驾驶机动车。
(对/错)4. 驾驶机动车时,可以使用手机进行通话。
(对/错)5. 在道路上行驶的机动车,必须按照规定期限进行安全技术检验。
(对/错)三、简答题1. 请简述驾驶员在遇到交通拥堵时应当遵守的行为准则。
2. 描述在雨雪天气驾驶时应注意的安全措施。
3. 说明机动车定期保养的重要性及基本保养项目。
四、案例分析题1. 案例描述:某日,驾驶员李某在高速公路上行驶,由于车速过快,未能及时避让前方突然变道的车辆,导致交通事故。
请分析李某在此次事故中可能违反的交通法规,并阐述其可能面临的法律责任。
2. 案例描述:驾驶员王某在夜间驾驶时,由于对向来车使用远光灯,导致视线受阻,撞上了路边的行人。
请分析王某在此事故中的责任,并讨论如何避免类似情况的发生。
五、论述题1. 论述现代汽车驾驶中,安全意识的重要性及其在预防交通事故中的作用。
2. 探讨新能源汽车对传统汽车驾驶技能要求的影响及驾驶员应如何适应这种变化。
温馨提示:本套试卷为电工精选题库,总共300道题!题目覆盖电工常考的知识点。
题库说明:本套题库包含(选择题100道,多选题100道,判断题100道)一、单选题(共计100题,每题1分)1.根据绝缘材料不同分类电缆时,下列哪一项不属于电缆的分类( )。
A.交联聚乙烯绝缘电缆B.塑料绝缘电缆C.铠装电力电缆D.橡胶绝缘电缆答案:C2. 绝缘靴可用作防止( )电击的基本安全用具。
A.直接接触B.间接接触C.单线D.跨步电压答案:D3. 由负序电压元件与低电压元件组成的复合电压元件构成复合电压闭锁过流保护,其动作条件是( )。
A.复合电压元件不动,过流元件动作,并启动出口继电器B.低电压元件或负序电压元件动作,同时电流元件动作,保护才启动出口继电器C.当相间电压降低或出现负序电压时,电流元件才动作答案:B4. 电能表属于( )仪表。
A.电磁式B.电动式C.感应式答案:C5. 高压设备发生接地时,为防止跨步电压触电,室外不得接近故障点( )m以内。
A. 3B. 4C. 6D.8答案:D6. 铁塔用于转角杆时,角度应不小于( )。
A.60°B.90°C.100°D.120°答案:B7. 一般情况下220V工频电压作用下人体的电阻为( )Ω。
A.500-1000B.800-1600C.1000-2000答案:C8. 双向晶闸管具有( )层结构。
A. 3B. 4C. 5D. 6答案:C9. 在由旋转变压器组成的( )伺服系统中,粗通道由一对两极旋转变压器组成。
A.多通道B.三通道C.双通道D.单通道答案:C10. 在带电设备周围进行测量工作时,工作人员应使用( )尺.A.钢卷尺;B.线;C.加强型皮尺.答案:A11. 室内非生产环境的单相插座的工作电流一般可按( )A考虑。
A. 1B. 1.5C. 2D. 2.5答案:D12. 工作人员操作跌落保险时,应使用( )安全用具。
建筑高级工考试题库一、单选题1. 建筑施工中,以下哪项不是施工组织设计应考虑的因素?A. 施工进度B. 施工质量C. 施工成本D. 施工地点的气候条件2. 以下哪种材料不属于建筑结构材料?A. 钢筋B. 混凝土C. 木材D. 玻璃3. 建筑施工中,混凝土的强度等级是如何划分的?A. 根据抗压强度B. 根据抗拉强度C. 根据抗弯强度D. 根据抗剪强度4. 在建筑施工中,以下哪项不是施工安全的基本要求?A. 遵守安全操作规程B. 正确使用安全防护设施C. 施工人员必须佩戴安全帽D. 施工人员可以随意进入施工现场5. 建筑施工中,以下哪项不是施工质量管理的内容?A. 施工材料的质量控制B. 施工工艺的质量控制C. 施工进度的控制D. 施工环境的质量控制二、多选题6. 建筑施工中,以下哪些因素会影响混凝土的强度?A. 水泥品种B. 骨料种类C. 混凝土的搅拌时间D. 混凝土的养护条件7. 建筑施工中,以下哪些属于施工组织设计的内容?A. 施工方案B. 施工进度计划C. 施工资源配置D. 施工安全措施8. 建筑施工中,以下哪些是施工质量控制的常用方法?A. 抽样检查B. 全面检查C. 过程控制D. 事后检查9. 建筑施工中,以下哪些属于施工安全管理的范畴?A. 安全教育培训B. 安全技术交底C. 施工现场的安全管理D. 施工事故的处理10. 建筑施工中,以下哪些是施工成本控制的措施?A. 优化施工方案B. 合理配置施工资源C. 加强施工进度管理D. 提高施工效率三、判断题11. 施工组织设计是施工前必须完成的一项工作,它对施工的顺利进行至关重要。
()12. 施工安全管理的核心是预防为主,综合治理。
()13. 施工成本控制的目的是最大限度地降低施工成本,提高经济效益。
()14. 施工质量管理的目的是确保施工质量达到设计要求和规范标准。
()15. 施工进度计划的编制应考虑施工的实际情况,不能过于理想化。
()四、简答题16. 简述施工组织设计的主要作用。
高级工考试题库一、填空题1.违反热力学第定律的热机被称为第二类永动机,它也是__________。
难易:-答案:二;不能实现的2.燃油过滤器的阻力大于正常情况__________时,应进行清理,但__________年至少一次。
难易:-答案:50%;13.金属在电介质作用下引起的腐蚀叫__________。
难易:-答案:电化学腐蚀4.液体在流动过程中,质点与质点之间互不掺混,互不干扰的这种流动状态称为__________。
难易:+答案:层流5.安全阀必须__________地装在__________和__________的最高位置。
难易:+答案::铅直;集箱;汽包6.通过改变管道通路__________以控制管道内__________流动的装置称为阀门。
难易:-答案:断面;流体7.电磁式仪表是利用__________与通有电流的__________之间或被此线磁化的静铁皮之间的作用力制成的仪表。
难易:+答案:动铁皮;固定线圈8.蜗壳式配风器减少蜗壳入口的截面积,可使蜗壳的入口切向速度__________,增加蜗壳出口直径可以__________出口处的轴向速度,使旋转__________。
难易:—答案:增加;降低;加强9.用电气仪表测量油罐油温时,严禁将电气__________暴露于燃油及燃油气体,以防产生__________,引起爆炸。
难易:-答案:接点;火花10.真空值是指__________与__________的差值。
难易:+答案:大气压力;绝对压力11.吸收率取为__________的物体,叫做绝对黑体。
难易:+答案:100%12.燃油的主要物理性质有__________,__________,__________,比重,闪点和燃点。
13.一吨燃油的发热量约相当于__________普通原煤的发热量。
难易:-答案:2吨14.如果流体中某点的绝对压力小于大气压力,则称该处具有__________。
高级工考试试题及答案一、单项选择题(每题2分,共20分)1. 请从下列选项中选择正确的答案。
A. 正确B. 错误C. 可能D. 不确定正确答案:A2. 下列哪个选项是高级工考试的主要内容?A. 理论知识B. 实际操作C. 团队协作D. 以上都是正确答案:D3. 高级工考试的合格标准是?A. 60分B. 70分C. 80分D. 90分正确答案:C4. 高级工考试的考试形式包括哪些?A. 笔试B. 口试C. 实操D. 以上都是正确答案:D5. 高级工考试的考试时长通常为?A. 1小时B. 2小时C. 3小时D. 4小时正确答案:C6. 考试中遇到不会的题目应该?A. 跳过B. 猜测C. 放弃D. 求助监考老师正确答案:A7. 高级工考试的目的是什么?A. 选拔人才B. 检验技能C. 提升水平D. 以上都是正确答案:D8. 考试中使用手机的后果是?A. 警告B. 扣分C. 取消资格D. 以上都是正确答案:C9. 高级工考试的评分标准是什么?A. 客观题B. 主观题C. 综合评定D. 以上都是正确答案:D10. 高级工考试的通过率通常是多少?A. 50%B. 60%C. 70%D. 80%正确答案:C二、多项选择题(每题3分,共15分)1. 高级工考试的准备工作包括以下哪些内容?A. 复习理论知识B. 练习实际操作C. 调整心态D. 准备考试用品正确答案:A, B, C, D2. 高级工考试的评分依据是?A. 考试分数B. 考试表现C. 考试态度D. 考试纪律正确答案:A, B, C3. 高级工考试的注意事项包括?A. 准时到达考场B. 携带身份证C. 遵守考场规则D. 保持安静正确答案:A, B, C, D三、判断题(每题2分,共10分)1. 高级工考试的目的是选拔人才。
(对/错)正确答案:对2. 高级工考试中可以使用手机。
(对/错)正确答案:错3. 高级工考试的合格标准是90分。
(对/错)正确答案:错4. 高级工考试的考试形式只有笔试。
选择题:
在进行复杂机械加工时,以下哪种测量工具常用于确保零件尺寸精度?
A. 螺旋测微器(正确答案)
B. 万用表
C. 示波器
D. 光学显微镜
关于数控机床的编程,以下哪个语句用于定义工件坐标系?
A. G00 X0 Y0
B. G92 X0 Y0 Z0(正确答案)
C. M03 S1000
D. G28 U0 W0
在高级工电子技术考试中,以下哪种电路常用于实现电压的稳定输出?
A. 整流电路
B. 放大电路
C. 稳压电路(正确答案)
D. 振荡电路
关于材料力学,以下哪个参数用于描述材料在受力时抵抗变形的能力?
A. 弹性模量(正确答案)
B. 泊松比
C. 屈服强度
D. 抗拉强度
在进行自动化生产线设计时,以下哪种传感器常用于检测物体的位置和运动状态?
A. 温度传感器
B. 光电传感器(正确答案)
C. 压力传感器
D. 湿度传感器
关于液压传动系统,以下哪个元件用于将液压能转换为机械能?
A. 液压泵
B. 液压缸(正确答案)
C. 液压阀
D. 液压油箱
在进行精密测量时,以下哪种误差是可以通过改进测量方法或仪器来消除的?
A. 系统误差(正确答案)
B. 随机误差
C. 粗大误差
D. 绝对误差
关于焊接技术,以下哪种焊接方法常用于薄板材料的连接?
A. 气焊
B. 电弧焊
C. 钎焊(正确答案)
D. 激光焊
在进行机械设计时,以下哪个原则用于确保机构在受力时能够保持稳定的运动状态?
A. 强度原则
B. 刚度原则(正确答案)
C. 稳定性原则
D. 耐磨性原则。
高级工计算机考试试题及答案一、单选题(每题2分,共20分)1. 在计算机系统中,CPU的主要功能是______。
A. 存储数据B. 处理数据C. 显示数据D. 传输数据答案:B2. 下列不属于计算机硬件的是______。
A. 显示器B. 键盘C. 操作系统D. 鼠标答案:C3. 在Windows操作系统中,文件的扩展名通常用来表示______。
A. 文件大小B. 文件类型C. 文件位置D. 文件创建时间答案:B4. 下列选项中,不是计算机病毒特点的是______。
A. 传染性B. 破坏性C. 隐蔽性D. 可预见性答案:D5. 在Excel中,要计算一列数据的总和,可以使用的函数是______。
A. COUNTB. SUMC. AVERAGED. MAX答案:B6. 计算机网络中,用于连接不同网络的设备是______。
A. 集线器B. 路由器C. 交换机D. 网桥答案:B7. 在计算机系统中,内存条的作用是______。
A. 存储操作系统B. 存储临时数据C. 存储永久数据D. 存储应用程序答案:B8. 下列关于计算机存储单位的描述,错误的是______。
A. 1KB等于1024字节B. 1MB等于1024KBC. 1GB等于1024MBD. 1TB等于1024GB答案:D9. 在Word文档中,要将文本居中对齐,可以使用______。
A. 左对齐B. 居中对齐C. 右对齐D. 分散对齐答案:B10. 在PowerPoint中,要插入一张图片,可以使用______。
A. 插入菜单B. 格式菜单C. 视图菜单D. 工具菜单答案:A二、多选题(每题3分,共15分)1. 下列选项中,属于计算机系统软件的有______。
A. WindowsB. ExcelC. PhotoshopD. Word答案:A B D2. 在计算机网络中,常见的拓扑结构包括______。
A. 星型B. 环型C. 总线型D. 网状型答案:A B C D3. 在计算机系统中,下列哪些设备属于输入设备______。
技能操作试题〔高级〕一、AA001 立式金属油罐罐上测油温、测密度1. 考试要求〔1〕必须穿戴劳动保护用品。
〔2〕必备的工具、用具准备齐全。
〔3〕熟悉罐上测油温、测密度各项操作规定。
〔4〕操作过程符合平安文明操作。
2. 准备要求〔1〕场地准备。
①考场场地整洁,无干扰,标志明显。
②平安防护齐全,且符合标准。
3. 操作程序说明〔1〕准备工作。
〔2〕测量温度。
〔3〕采样。
〔4〕测密度。
〔5〕计算标准密度并确定。
〔6〕清理现场。
4. 考试规定及说明。
〔1〕如操作违章,将停顿考试。
〔2〕考试采用百分制,考试工程得分按鉴定比重进展折算。
〔3〕考试方式说明:该工程为实际操作题,考试过程按评分标准及操作过程进展评分。
〔4〕测量技能说明:本工程主要测试考生对立式金属油罐罐上测油温、测密度掌握的熟练程度。
5. 考试时限〔1〕准备时间:2 min〔不计入考试时间〕。
〔2〕正式操作时间:25 min。
〔3〕计时从正式操作开场,至操作完毕完毕。
〔4〕提前完成操作不加分,每超时1 min从总分中扣5分,超时3 min停顿操作。
6. 评分记录表试题名称:立式金属油罐罐上测油温、测密度操作1. 考试要求〔1〕必须穿戴劳动保护用品。
〔2〕必备的工具、用具准备齐全。
〔3〕熟悉油品手工取样法的各项操作规定。
〔4〕操作过程符合平安文明操作。
2. 准备要求〔1〕场地准备。
①考场场地整洁,无干扰,标志明显。
②平安防护齐全,且符合标准。
〔1〕准备工作。
〔2〕罐上油品密度测量。
〔3〕测量后的现场清理。
〔4〕记录。
4.考试规定及说明。
〔1〕如操作违章,将停顿考试。
〔2〕考试采用百分制,考试工程得分按鉴定比重进展折算。
〔3〕考试方式说明:该工程为实际操作题,考试过程按评分标准及操作过程进展评分。
〔4〕测量技能说明:本工程主要测试考生对立式金属罐手工法取样掌握的熟练程度。
5. 考试时限〔1〕准备时间:2 min〔不计入考试时间〕。
〔2〕正式操作时间:15min。
高级工考试试题附答案一、单项选择题(每题2分,共20分)1.以下哪项不是高级工应具备的基本技能?A.熟练掌握专业理论知识B.能够独立完成复杂工作任务C.良好的沟通协调能力D.仅限于基础操作技能2.在高级工的工作中,以下哪项不是必须具备的职业道德?A.爱岗敬业B.诚实守信C.团队合作D.个人主义3.根据《劳动法》,高级工的工作时间安排应遵守以下哪项规定?A.每日工作时间不得超过8小时B.每周工作时间不得超过40小时C.每日工作时间不得超过10小时D.每周工作时间不得超过48小时4.高级工在进行专业技能培训时,以下哪项不是培训内容?A.专业技能提升B.安全生产知识C.个人兴趣爱好培养D.职业素养教育5.以下哪项不是高级工应具备的创新能力?A.问题解决能力B.技术改进能力C.重复性工作能力D.创新思维能力二、多项选择题(每题3分,共15分)6.高级工在进行工作时,以下哪些因素是必须考虑的?A.工作效率B.工作质量C.工作成本D.个人情绪7.在团队协作中,高级工应发挥哪些作用?A.技术指导B.团队协调C.任务分配D.个人表现8.高级工在职业发展中,以下哪些能力是重要的?A.专业技能B.管理能力C.学习能力D.社交能力9.高级工在面对工作中的挑战时,以下哪些态度是正确的?A.积极面对B.逃避责任C.寻求帮助D.独立解决10.高级工在进行技术创新时,以下哪些做法是可取的?A.借鉴他人经验B.独立思考C.盲目模仿D.勇于尝试三、判断题(每题1分,共10分)11.高级工在任何情况下都必须遵守企业的规章制度。
()12.高级工的技术水平是衡量其工作能力的唯一标准。
()13.高级工在工作中可以完全依赖自动化设备,而不需要人工干预。
()14.高级工在进行技术创新时,不需要考虑成本因素。
()15.高级工在团队中应发挥领导作用,引导团队成员完成任务。
()四、简答题(每题5分,共10分)16.简述高级工在安全生产中应承担的职责。
政府考高级工试题及答案一、单项选择题(每题2分,共20分)1. 政府高级工考试中,以下哪个选项不属于考试内容?A. 政府政策理解B. 公共关系处理C. 个人理财规划D. 公共事务管理答案:C2. 政府高级工考试的合格标准是?A. 总分达到60分B. 总分达到70分C. 总分达到80分D. 总分达到90分答案:B3. 在政府高级工考试中,以下哪个选项是考试重点?A. 法律法规知识B. 信息技术应用C. 外语听说读写D. 艺术创作能力答案:A4. 政府高级工考试的报名截止日期是?A. 考试前30天B. 考试前60天C. 考试前90天D. 考试前120天答案:B5. 政府高级工考试的考试形式包括?A. 笔试和面试B. 笔试和实践操作C. 笔试和案例分析D. 笔试和小组讨论答案:A6. 政府高级工考试的笔试部分主要考察哪些内容?A. 专业知识B. 工作经验C. 个人品质D. 团队协作答案:A7. 政府高级工考试的面试部分主要考察哪些能力?A. 逻辑思维B. 语言表达C. 情绪控制D. 以上都是答案:D8. 政府高级工考试的实践操作部分主要考察哪些技能?A. 办公软件操作B. 专业设备使用C. 现场问题处理D. 以上都是答案:D9. 政府高级工考试的案例分析部分主要考察哪些能力?A. 问题分析B. 解决方案制定C. 决策能力D. 以上都是答案:D10. 政府高级工考试的小组讨论部分主要考察哪些素质?A. 团队协作B. 领导能力C. 沟通技巧D. 以上都是答案:D二、多项选择题(每题3分,共15分)1. 政府高级工考试的报名条件包括以下哪些?A. 具有相应的工作经验B. 拥有相应的学历证明C. 通过相关培训课程D. 年龄在25岁以上答案:A、B、C2. 政府高级工考试的笔试部分可能包含哪些题型?A. 单选题B. 多选题C. 判断题D. 简答题答案:A、B、C、D3. 政府高级工考试的面试部分可能包括哪些内容?A. 自我介绍B. 专业知识问答C. 情景模拟D. 案例分析答案:A、B、C、D三、判断题(每题1分,共10分)1. 政府高级工考试每年举行一次。
机车调度员高级工一、选择题1、电空制动控制器在重联位时,( )。
(A)中继阀自锁(B)均衡风缸不能与制动管沟通(C)重联电空阀不得电(D)总风遮断阀开放答案:A2、电空制动控制器在重联位接通导线( )。
(A)806~807(B)811~821(C)800~808(D)800~803答案:B3、电空制动控制器在过充位时,导线( )有电。
(A)803和805(B)803和806(C)803和809(D)811和821答案:A4、电空制动控制器在制动位时,导线( )有电。
(A)805和807(B)806和807(C)806和808(D)803和806答案:C5、电空制动控制器在运转位时,导线( )有电。
(A)803和806(B)803和809(C)803和805(D)806和808答案:B6、电空位操作运转位均衡风缸不充风的原因有( )。
(A)制动电空阀故障(B)压力开关208故障(C)缓解电空阀故障(D)压力开关209故障答案:C7、CRH2型动车组车轮直径为( )。
(A)650mm(B)860mm(C)1035mm(D)1150mm答案:B8、CRH2型动车组主电源为25kV;( );单相交流。
(B)75Hz(C)100Hz(D)125Hz答案:A9、动车组按( )方式分为内燃动车组和电力动车组。
(A)牵引动力(B)动力配置(C)牵引力(D)动力性质答案:A10、要将选定的Word文字块从文档的一个位置复制到另一位置,采用鼠标拖动时,需按住( )。
(A) Alt键(B)Shift键(C) Ctrl键(D)Enter键答案:C11、Word中通过页面设置可进行( )操作。
(A)设置纸张大小(B)设置段落格式(C)设置分栏(D)设置行间距答案:A12、DK-1型制动机,当电源失电时产生( )。
(A)自动保压(B)常用制动(C)自动充风(D)紧急制动答案:B13、电空位时,均衡风缸压力受( )控制。
(A)空气制动阀(B)制动管(C)电空阀(D)作用管答案:C14、动车组按( )方式分为动力集中式动车组和动力分散式动车组。
高级工考试试题及答案高级工考试试题及答案高级工考试是许多行业中晋升职位所必须的一项资格考试。
这个考试的难度较大,需要考生具备扎实的专业知识和丰富的实践经验。
在这篇文章中,我们将介绍一些常见的高级工考试试题及其答案,帮助考生更好地备考。
一、机械类题目1. 请简要介绍机械传动中常见的几种基本传动方式。
答:机械传动中常见的几种基本传动方式有:齿轮传动、链传动、带传动、蜗杆传动等。
齿轮传动是最常见的一种传动方式,通过齿轮的啮合来实现动力的传递。
链传动则是通过链条的拉力来传递动力。
带传动则是通过带子的摩擦来传递动力。
蜗杆传动则是通过蜗杆和蜗轮的啮合来实现传动。
2. 请简要介绍机械加工中常见的几种切削工艺。
答:机械加工中常见的几种切削工艺有:车削、铣削、钻削、刨削等。
车削是通过旋转刀具对工件进行切削加工。
铣削是通过刀具在工件上进行旋转和移动来实现切削。
钻削是通过钻头对工件进行孔加工。
刨削则是通过刨刀对工件进行切削。
二、电气类题目1. 请简要介绍电气安装中常见的几种电路连接方式。
答:电气安装中常见的几种电路连接方式有:并联连接、串联连接、混联连接等。
并联连接是将多个电器设备的正极和负极分别连接在一起,实现电流的分流。
串联连接则是将多个电器设备的正极和负极依次连接在一起,实现电流的依次通过。
混联连接则是将多个电器设备同时采用并联和串联的方式进行连接。
2. 请简要介绍电气控制中常见的几种传感器。
答:电气控制中常见的几种传感器有:温度传感器、压力传感器、光电传感器等。
温度传感器可以用来检测环境温度的变化。
压力传感器可以用来检测压力的大小。
光电传感器可以用来检测光线的强弱。
三、建筑类题目1. 请简要介绍建筑工程中常见的几种基础形式。
答:建筑工程中常见的几种基础形式有:桩基础、板基础、梁基础等。
桩基础是通过将桩打入地下来承载建筑物的重量。
板基础则是通过在地下铺设一层混凝土板来分散建筑物的荷载。
梁基础则是通过在地下铺设一层梁来承载建筑物的荷载。
公考高级工试题及答案一、单项选择题(每题1分,共10分)1. 以下哪个选项不是公考高级工的考试科目?A. 行政职业能力测验B. 申论C. 英语D. 面试答案:C2. 公考高级工考试中,下列哪项不是行政职业能力测验的考查内容?A. 言语理解与表达B. 数量关系C. 判断推理D. 计算机操作答案:D3. 申论考试中,考生需要根据给定的材料进行分析,以下哪项不是申论考试的常见题型?A. 概括题B. 分析题C. 论述题D. 选择题答案:D4. 在公考高级工的面试环节中,考官通常会考察考生的哪些能力?A. 语言表达能力B. 逻辑思维能力C. 应变能力D. 所有选项答案:D5. 公考高级工考试中,以下哪项不是考生需要准备的资料?A. 身份证B. 准考证C. 学历证明D. 个人简历答案:D二、多项选择题(每题2分,共10分)6. 公考高级工考试的报名条件包括以下哪些?A. 具有中华人民共和国国籍B. 年满18周岁C. 具有大学本科及以上学历D. 遵纪守法,品行端正答案:A, B, C, D7. 行政职业能力测验中,以下哪些题型是常见的?A. 言语理解与表达B. 数量关系C. 判断推理D. 资料分析答案:A, B, C, D8. 在申论考试中,考生需要具备哪些能力?A. 阅读理解能力B. 综合分析能力C. 逻辑思维能力D. 文字表达能力答案:A, B, C, D9. 公考高级工考试的面试环节中,考官可能会问到哪些问题?A. 个人基本情况B. 工作或学习经历C. 对岗位的理解D. 职业规划答案:A, B, C, D10. 公考高级工考试的备考建议包括以下哪些?A. 制定详细的学习计划B. 参加模拟考试C. 了解考试大纲和题型D. 保持良好的心态答案:A, B, C, D三、判断题(每题1分,共5分)11. 公考高级工考试的报名时间通常在考试前一个月。
答案:正确12. 公考高级工考试的笔试成绩占总成绩的70%。
答案:错误13. 公考高级工考试的面试成绩占总成绩的30%。
高级维修电工培训考试题库(高级工)高级电工答案一、填空(100题)1、开关电器中的灭弧罩,是采用绝缘栅片组成的灭弧栅,即是利用长弧切短灭弧法原理.2、开关电器常利用变压器油为灭弧介质,是因为:当触头间电弧产生于油中时,油被电弧热量分解成以氧气为主的气体,该气体能将电弧吹灭,故变压器油为优良的灭弧介质.3、迅速拉长电弧,可使弧隙的电场强度骤降,离子负荷迅速增强,从而加速电弧的熄灭.这种灭弧方法是开关设备中普遍采用的最基本的一种灭弧法。
4、高压负荷开关虽有简单的灭弧装置,但它不能断开短路电流,因此它必须与高压熔断器来切断短路故障。
5、灭弧能力越强,越存在操作过电压。
真空断路器的灭弧能力很强,但由于其触头分断时,还存在热电子发射,从而形成金属蒸发电弧,并能在交流电流过零时熄灭,故真空断路器不存在操作过电压。
6、大容量真空断路器,为了提高开断能力,增强灭弧的效果和灭弧能力,一般在触头的周围装上旋弧盘或在电极上开以旋弧槽,形成横向磁场及纵向磁场的磁吹灭弧结构形式.7、在采用真空断路器单独作为旋转电动机、干式变压器的保护开关时,都需要在断路器的负荷侧装设过电压保护装置。
8、真空断路器的真空开关管可长期使用而无需定期维护。
9、分闸线圈的电源电压过低,往往使高压断路器发生跳闸失灵的故障.10、3~35Kv电压互感器高压熔断器熔丝熔断时,为防止继电器保护误动作,应先停止有关保护,再进行处理。
11、电压互感器一次熔丝连接熔断时,可更换加大容量的熔丝。
12、电流互感器接线端子松动或回路断线造成开路,处理时应带线手套,使用绝缘工具,并站在绝缘垫上进行处理。
如消除不了,应停电处理。
13、更换电压互感器时,要核对二次电压相位、变压比及计量表计的转向.当电压比改变时,应改变计量表计的倍率及继电保护定值.14、35Kv变压器有载调压操作可能引起轻瓦斯保护动作.15、并联电容器的运行电压超过其额定电压1:1倍时,或室内温度超过40o C时,都应将电容器停止运行。
高级工考试试题一、选择题(每题2分,共20分)1. 关于机械加工中的切削速度,以下哪项描述是正确的?A. 切削速度越快,生产效率越高B. 切削速度的提高会导致表面粗糙度增加C. 切削速度的选择与刀具材料无关D. 切削速度仅与工件材料有关2. 在电子电路中,电阻的并联作用将导致以下哪种结果?A. 总电阻值增大B. 总电阻值减小C. 总电阻值不变D. 总电阻值变为零3. 以下哪种材料不适合用于高压电气设备的绝缘部件?A. 聚氯乙烯B. 橡胶C. 陶瓷D. 玻璃4. 在焊接作业中,电弧焊的基本原理是什么?A. 电阻热B. 化学热C. 核热D. 光热5. 对于机械设备的维护保养,以下哪项措施是错误的?A. 定期更换润滑油B. 随意更换零部件C. 保持设备清洁D. 定期检查设备运行状态6. 在自动化控制系统中,闭环控制系统相较于开环控制系统的优势是什么?A. 结构简单B. 精度更高C. 响应速度更快D. 成本更低7. 以下哪种测量工具适用于测量物体的内径尺寸?A. 卡尺B. 外径千分尺C. 内径千分尺D. 深度尺8. 在数控机床编程中,G代码是用于什么的?A. 指定材料类型B. 指定刀具补偿C. 控制主轴转速D. 定义刀具路径9. 以下哪种方法可以有效提高焊接接头的质量?A. 增加焊接电流B. 增加焊接速度C. 预热工件D. 使用劣质焊条10. 对于液压系统中的液压泵,其主要功能是什么?A. 转换能量B. 储存能量C. 传递能量D. 控制能量二、判断题(每题2分,共10分)1. 金属材料的硬度越高,其塑性越好。
()2. 在电子电路中,电容器的主要作用是储存电荷。
()3. 机械加工中的车削加工适用于加工轴类零件。
()4. 电气设备中的接地线是为了在发生故障时,保护设备不受损害。
()5. 在数控机床操作中,刀具半径补偿是用来修正刀具的径向位置误差。
()6. 液压传动系统具有传动平稳、响应速度快的特点。
()7. 焊接作业中,使用直流电弧焊时,正极性连接工件更为常见。
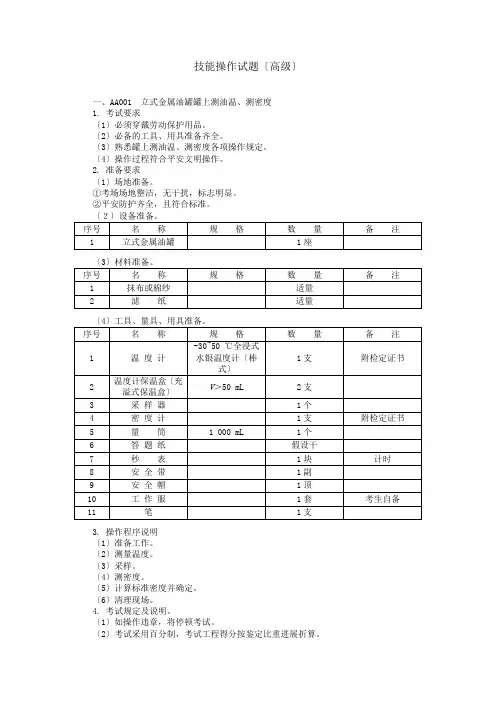
技能操作试题(高级)
一、AA001 立式金属油罐罐上测油温、测密度
1. 考试要求
(1)必须穿戴劳动保护用品。
(2)必备的工具、用具准备齐全。
(3)熟悉罐上测油温、测密度各项操作规定。
(4)操作过程符合安全文明操作。
2. 准备要求
(1)场地准备。
①考场场地整洁,无干扰,标志明显。
②安全防护齐全,且符合标准。
3. 操作程序说明
(1)准备工作。
(2)测量温度。
(3)采样。
(4)测密度。
(5)计算标准密度并确定。
(6)清理现场。
4. 考试规定及说明。
(1)如操作违章,将停止考试。
(2)考试采用百分制,考试项目得分按鉴定比重进行折算。
(3)考试方式说明:该项目为实际操作题,考试过程按评分标准及操作过程进行评分。
(4)测量技能说明:本项目主要测试考生对立式金属油罐罐上测油温、测密度掌握的熟练程度。
5. 考试时限
(1)准备时间:2 min(不计入考试时间)。
(2)正式操作时间:25 min。
(3)计时从正式操作开始,至操作完毕结束。
(4)提前完成操作不加分,每超时1 min从总分中扣5分,超时3 min停止操作。
6. 评分记录表
试题名称:立式金属油罐罐上测油温、测密度操作
1.
考试要求
(1)必须穿戴劳动保护用品。
(2)必备的工具、用具准备齐全。
(3)熟悉油品手工取样法的各项操作规定。
(4)操作过程符合安全文明操作。
2. 准备要求 (1)场地准备。
① 考场场地整洁,无干扰,标志明显。
② 安全防护齐全,且符合标准。
(1)准备工作。
(2)罐上油品密度测量。
(3)测量后的现场清理。
(4)记录。
4.考试规定及说明。
(1)如操作违章,将停止考试。
(2)考试采用百分制,考试项目得分按鉴定比重进行折算。
(3)考试方式说明:该项目为实际操作题,考试过程按评分标准及操作过程进行评分。
(4)测量技能说明:本项目主要测试考生对立式金属罐手工法取样掌握的熟练程度。
5. 考试时限
(1)准备时间:2 min(不计入考试时间)。
(2)正式操作时间:15min。
(3)计时从正式操作开始,至操作完毕结束。
(4)提前完成操作不加分,每超时1 min从总分中扣5分,超时3 min停止操作。
6. 评分记录表
年月日
十三、AC001 检定量油尺
1. 考试要求
(1)必须穿戴劳动保护用品。
(2)必备的工具、用具、材料准备齐全。
(3)严格按照《工作用量油尺检定规程》操作。
(4)检定结果准确。
(5)操作过程符合安全文明操作。
2. 准备要求
(1)场地准备。
①考场场地整洁,无干扰,标志明显。
②安全防护齐全,且符合标准。
(1)准备工作。
(2)检定前设备检测。
(3)线纹宽度检定。
(4)零位误差检定。
(5)量油尺示值误差检定。
(6)填写检定记录。
(7)被检量油尺的示值误差计算。
(8)判断被检量油尺是否超差。
(9)清理现场。
4.考试规定及说明。
(1)如操作违章,将停止考试。
(2)考试采用百分制,考试项目得分按鉴定比重进行折算。
(3)考试方式说明:该项目为实际操作题,考试过程按评分标准及操作过程进行评分。
(4)测量技能说明:本项目主要测试考生对检定量油尺掌握的熟练程度。
5. 考试时限
(1)准备时间:5 min(不计入考试时间)。
(2)正式操作时间:20 min。
(3)计时从正式操作开始,至操作完毕结束。
(4)提前完成操作不加分,每超时1 min从总分中扣5分,超时5 min停止操作。
6. 评分记录表
试题名称:检定量油尺操作
年月日
十六、BA001 油库倒罐作业
1. 考试要求
(1)必须穿戴劳动保护用品。
(2)必备的工具、用具、材料准备齐全。
(3)检查油罐及附属设备。
(4)按倒灌作业流程打开或关闭相应阀。
(5)操作过程符合安全文明操作。
2. 准备要求
(1)场地准备。
①考场场地整洁,无干扰,标志明显。
②安全防护齐全,且符合标准。
(1)准备工作。
(2)倒罐前准备工作。
(3)确定转油流程。
(4)开泵前准备。
(5)开泵转油。
(6)监控转油状况。
(7)确定换罐时段,完成作业。
(8)账务处理。
(9)清理现场。
4.考试规定及说明。
(1)如操作违章,将停止考试。
(2)考试采用百分制,考试项目得分按鉴定比重进行折算。
(3)考试方式说明:该项目为实际操作题,考试过程按评分标准及操作过程进行评分。
(4)测量技能说明:本项目主要测试考生对油库倒罐作业掌握的熟练程度。
5. 考试时限
(1)准备时间:5 min(不计入考试时间)。
(2)正式操作时间:40 min。
(3)计时从正式操作开始,至操作完毕结束。
(4)提前完成操作不加分,每超时1 min从总分中扣5分,超时3 min停止操作。
6. 评分记录表
试题名称:油库倒罐作业操作
年月日。