冷却系统说课稿之欧阳家百创编
- 格式:doc
- 大小:20.00 KB
- 文档页数:5
《发动机冷却系统》说课稿各位领导、老师大家好,我是来自汽师1111班的王德猛。
我今天说的课题是《发动机冷却系统》,下面我将从说教材、说教法、说学法、说教学过程和板书设计等几方面来对本课进行说明。
一、说教材本节课内容选自全国中等职业学校课程改革规划新教材《汽车构造》这本教材。
从教材的关键字“汽车构造”我们可以看出,这是一门理论与实践结合紧密的一门课程,因此,在重视培养学生理论知识的同时,应加强学生实践动手能力。
这部分内容我主要从教材地位、学情分析、教学目标与教学重难点等几方面进行说课。
吉林参考书:清华大学汽车工程系编著汽车构造人民邮电出版社大学陈家瑞主编汽车构造机械工业出版社吴际障等编著汽车构造人民交通出版社1.教材地位发动机类比于人的心脏,冷却系就相当于人体的温度控制核心。
2.学情分析针对于中职汽车维修专业学生。
鼓励他们对汽车修理行业的热爱。
选择了这份事业就相当于选择了自己的另一半,从此将与汽车结下了不解之缘。
3.教学目标本节课《发动机冷却系统》是汽车构造的一个重要组成部分,是学习后面其他汽车专业知识的桥梁。
另外,根据中职学校教学目标主要还是培养学生解决问题的能力。
我把教学目标确定如下:知识目标:认识发动机冷却系的结构组成;能力目标:掌握冷却系的功用及其工作过程;技能目标:能够根据实物讲述冷却系的工作过程.4.教学重难点根据教学目标,要求学生能够运用理论知识解决实践过程中冷却系统常见故障。
因此,我把重点放在冷却系的结构及各组成部分的作用;把难点放在冷却系的工作过程的讲解上。
二、说教法根据对教材分析可知,本门课程要求理论与实践一体化,因此我对教材内容进行了优化整合,采用多媒体教学方法,在视听方面给予学生客观认识。
我在本节课教学中主要采用案例法、示范法、分组讨论法和任务驱动等多种教学方法。
三、说学法在教学过程中既要重视教的过程,也要重视学生学的过程。
因此,我在设计学习方法的时候,结合目前中职学生认识事物的特点,要求掌握以下学习方法:合作探究法、实验法和讨论法.四、说教学过程在讲授本节的内容的时候,针对我们刚才分析的学生在具体学习中遇到的教学难点,我做了以下教学环节的安排:案例导入、理论教学、示范教学、小组讨论、师生点评、知识拓展和本课小结等七方面进行说明。
发动机冷却系统教学教案本章重点讲述了发动机冷却系统主要总成的结构、工作原理、检修项目和检修方法,介绍了发动机水冷却系统主要零部件的构造与工作原理,分析了水冷却系统的常见故障。
7.1 概述7.1.1 冷却系统的作用发动机冷却系统的作用是使工作中的发动机得到适度的冷却,并使发动机在工作过程中始终处于最佳的工作温度范围内。
在可燃混合气的燃烧过程中,气缸内气体温度可高达1,800~2,000℃。
直接与高温气体接触的机件若不及时冷却,则可能因受热膨胀而破坏正常间隙,各机件也可能因高温而导致其机械强度降低甚至损坏,为保证发动机正常工作,必须冷却这些高温条件下工作的机件。
若发动机温度过低,又会导致发动机功率降低、燃油消耗增加和发动机磨损加剧。
因此,现代发动机采用各种措施自动调节冷却液温度。
发动机冷却要适度。
若冷却不足,会使发动机过热,从而造成充气效率下降,早燃和爆燃倾向加大,致使发动机功率下降;过热还会使发动机运动零件问的间隙变小,导致零件不能正常运动,甚至卡死、损坏;或使零件因强度下降而导致变形和损坏;同时,过热还会使润滑油黏度减小,润滑油膜易破裂而使零件磨损加剧。
若冷却过度,会使发动机过冷,导致进入气缸的混合气或空气温度低而难以点燃混合气,造成发动机功率下降、油耗上升。
还会使润滑油黏度增大,造成润滑不良而加剧零件磨损。
此外,因温度低而未气化的燃油会冲刷气缸、活塞等摩擦表面上的油膜,同时因混合气与温度较低的气缸壁接触,使其中原已汽化的燃油又重新凝结而流入曲轴箱内,不仅增加了油耗,而目使机油变稀而影响润滑,从而导致发动机功率下降,磨损加剧。
7.1.2 冷却系统的类型和组成冷却系统按照冷却介质的不同可以分为风冷式和水冷式。
把发动机高温零件的热量直接散入到大气中的冷却装置称为风冷式冷却系统;而把这些热量先传给冷却液,然后再散入大气中的冷却装置称为水冷式冷却系统。
1. 风冷式冷却系统风冷却系统是在气缸体和气缸盖上制有许多散热片,以增大散热面积,利用机械前进中的空气流或特设的风扇鼓动空气,吹过散热片,将热量带走。
今天我说课的内容是中等职业教育汽车专业改革规划教材《汽车维护与保养》学习情景三《发动机系统维护与保养》任务二《冷却系统维护与保养》中的内容。
下面我从三个方面对本课的设计进行说明一、教材分析1、本章节在教材中的地位与作用该节内容是在认识了发动机曲柄连杆机构,配气机构两大机构后,所要认识的第一个发动机基本构造中的系统,在此之前学生已经涉及到一些关于发动机在高温工作时,带来的一些问题,具有一定的理论基础。
通过本节课的学习,使学生认识到冷却系在发动机工作中承担的重要作用,并对日后冷却系检测和维修的学习有初步的认识,从教学的角度来讲本节具有承前启后的作用。
对于打算就业的学生,本节内容是今后进行汽车检测和维修的基础知识。
2、教学目标根据本学期我们学校对汽车专业的教学改革,同时针对教学大纲的要求,结合教材,本着面向全体,使学生全面主动发展的原则,本节课我确定目标如下的教学目标:知识目标 :(1)掌握冷却系在发动机工作中承担的任务(2)能够按冷却方式不同给冷却系分类(3)准确说组成冷却系的各零件的名称(4)了解冷却系的工作过程能力目标:(1)培养学生运用学过的知识初步检测冷却系及各零件的工作情况(2)培养学生初步的观察与思考和举一反三的能力思想目标:(1)结合实例向学生渗透节能环保的知识(2)介绍冷却系的发展,突出科技进步对我们生活的影响,培养学生爱科学爱进步的积极思想这样的目标设计,打破了传统的概念性教学的规律,从过于注重概念本身转化到更多的注重学生的学习过程和情感体验,立足教学目标多元化。
不仅使学生掌握认知目标,还要在学生的学习过程中发展学生的各方面能力目标和思想目标。
3、教学重点与难点作为本节理实一体课,从概念的建立到实体的观摩,到运用都很重要,而且在汽车维修专业中起到承前启后的作用,因此必须对知识的掌握熟练到位。
我认为本节的重点:冷却系的组成。
难点:冷却系的工作过程4、教学用具根据教学情况以及学生的自主能力情况,本节课我采用实物与多媒体辅助教学。
任务九冷却系统•冷却系统根据冷却介质的不同可分为水冷系统和风冷系统两种。
•由于水冷系统工作可靠,冷却效果好,所以大多数汽车都采用强制循环式水冷系统,如图2-78所示。
•水冷系统一般由散热器、风扇、水泵、节温器、膨胀水箱、水套及连接水管等组成,如图2-79所示。
冷却系统对发动机机件进行冷却,使发动机在适宜的温度下正常运行。
•水冷系统还分为大循环和小循环两种循环方式,如图2-80所示。
•1.散热器•散热器主要由上贮水室、下贮水室和散热器芯管等部分组成。
•散热器的构造形式主要有管片式和管带式两种,捷达轿车发动机散热器采用管带式结构,波纹状的散热带与冷却芯管相间排列,如图2-81所示。
•蒸气溢流阀称为加压阀的原因如下。
•为提高散热器的散热能力及冷却液的沸点温度,散热器盖采用加压式结构,这便是蒸气溢流阀被称为加压阀的原因。
当散热器内的压力高出大气压力3~10kPa时,加压阀才被打开,受热膨胀的冷却液及水蒸气从溢流管向膨胀罐。
•2.水泵•水泵的功用:对冷却液加压,使之在冷却系中加速循环流动。
水泵的结构形式有多种,但由于机械离心式水泵具有结构简单、尺寸小、出水量大,同时当水泵因故障而停止工作时,不访碍冷却液在冷却系内热对流而自然循环等优点,因此机械离心式水泵在汽车发动机上得到了广泛的应用。
捷达轿车发动机亦采用了这种形式的水泵。
•捷达轿车发动机的离心式水泵主要由叶轮转子和泵体两大部分组成,如图2-82。
转子上有6枚塑料叶片,壳体与转子之间用橡胶密封圈进行密封。
曲轴上的皮带轮通过V 形皮带带动水泵叶轮旋转.•3.节温器•节温器按结构可分为以下几种类型。
•蜡式、双金属式和折叠式。
目前多数发动机采用蜡式节温器。
某些轿车采用双节温器结构。
•蜡式节温器〔图2-83);当冷却水温低时,石蜡为固体,体积小,在弹簧弹力作用下,通过旁通水道而关闭水套到散热器的通路,进行小循环冷却。
冷却系统的组成和作用任务十起动系统•起动系统是使发动机从静止状态过渡到工作状态的全过程,叫发动机的起动。
《发动机冷却系构造》说课稿尊敬的各位评委老师:大家好!今天,我说课的题目是《发动机冷却系构造》。
下面我将从说教材、说学情、说教法、说学法、说教学过程及分析、说板书设计等几个方面进行讲述。
一、说教材(一)教材分析该节内容是在认识了发动机曲柄连杆机构,配气机构,燃油供给系,润滑系后所要认识的另一个系统。
在此之前学生已经涉及到一些关于发动机在高温工作时带来的问题,已经具备一定的理论基础知识。
通过本节课的学习,使学生认识到冷却系在发动机工作中承担的重要任务,并对日后冷却系检测和维修的学习有初步的认识,从教学的角度来讲本节具有承前启后的作用。
对于打算就业的学生,本节内容是今后进行汽车检测和维修的基础知识。
(二)教学目标知识目标:(1)掌握冷却系在发动机工作中承担的作用;(2)能够按冷却方式的不同给冷却系分类;(3)准确说出冷却系的组成能力目标:(1)初步对简单的冷却系故障进行分析(2) 培养学生日常的观察能力及举一反三的能力情感目标:(1)向学生渗透节能环保的知识(2)培养学生爱科学爱进步的积极思想(三)教学重难点重点:掌握冷却系的功用和组成难点:准确说出冷却系的工作原理二、说学情所授课的班级是高二技能班,这些学生的学习情绪化较强,对感兴趣的东西学习积极性高,而对内容枯燥的理论则学习效率低,因此在组织教学过程中必须注意结合学生之前学到的发动机概论,联系实际,加强学生感性认识。
在教学过程中,注重培养学生思维能力,并留意不同学生的表现,有效运用因材施教,让学生参与到教学环节中来,从而提高学生的学习兴趣。
三、说教法及学法教学过程中主要采取讲授法、多媒体演示、直观教学法和讨论法。
本课的教法与学法是相互联系的,通过教师举例说明引导学生进行主动学习,积极思考,理论联系实际,根据学生的实际情况提出一些易解决的问题进行讨论,相互间交流合作地学习。
四、说教学程序:一. 导入新课(5min)播放汽车开锅的一个视频,然后提出问题:这可能是什么原因造成的?(学生讨论回答,然后教师给出答案)再结合日常生活中看到汽车驾驶员在行车前,特别是长途行车前对汽车油、气、液的检查,向学生提问:一般要做哪些检查?(让学生想象自己是驾驶员,自己应该检查哪些?对学生进行引导,从而引入新课冷却系。
10《汽车构造》电子教案-冷却系统一、教学目标1. 让学生了解汽车冷却系统的基本组成和功能。
2. 使学生掌握冷却系统各部件的结构和工作原理。
3. 培养学生分析问题和解决问题的能力。
二、教学内容1. 冷却系统的组成及作用2. 冷却液的选择与更换3. 散热器的结构与维修4. 冷却风扇的原理与维修5. 冷却系统常见问题及解决方法三、教学重点与难点1. 冷却系统的组成及其作用2. 散热器、冷却风扇的结构与维修3. 冷却系统常见问题的诊断与解决四、教学方法1. 采用多媒体课件进行讲解,直观展示冷却系统的各个部件和原理。
2. 结合实际案例,分析冷却系统的故障现象和解决方法。
3. 引导学生参与讨论,提高学生的主动学习能力。
五、教学过程1. 导入:简要介绍冷却系统的作用和重要性,激发学生的学习兴趣。
2. 讲解:详细讲解冷却系统的组成、各部件的结构和工作原理。
3. 互动:提问学生关于冷却系统的问题,引导学生思考和回答。
4. 案例分析:分析冷却系统常见故障现象,讲解诊断和解决方法。
5. 总结:对本节课的内容进行总结,强调冷却系统的重要性。
6. 作业布置:布置相关练习题,巩固所学知识。
六、教学评估1. 课后作业:要求学生完成课后练习,包括冷却系统的组成、散热器和冷却风扇的结构与维修等知识点。
2. 小组讨论:组织学生进行小组讨论,分享彼此对冷却系统故障现象的分析和解决方法。
3. 课堂问答:在课堂上提问学生关于冷却系统的问题,检查学生对知识点的掌握程度。
七、教学资源1. 多媒体课件:制作详细的冷却系统多媒体课件,展示冷却系统的各个部件和原理。
2. 实物模型:准备冷却系统的实物模型或部件,方便学生直观了解其结构。
3. 维修手册:提供相关的汽车维修手册,供学生参考学习。
八、教学进度安排1. 第1周:介绍冷却系统的基本组成和作用。
2. 第2周:讲解散热器的结构与维修。
3. 第3周:讲解冷却风扇的原理与维修。
4. 第4周:分析冷却系统常见问题及解决方法。
《发动机冷却系的组成及大小循环》说课稿各位专家评委老师好,我教学设计的内容是《汽车发动机冷却系的组成和大小循环》下面我将从4个方面进行展示,教学分析本任务选自汽车制造与维修专业,专业核心技能课程,《汽车发动机构造与维修》,教材选自中等职业教育国家规划教材,授课内容为第四章第一节冷却系组成及大小循环授课学时为2学时,授课对象为汽车制造与检修专业中职一年级学生,他们已经具备了曲柄连杆机构等知识基础和工具选用、发动机拆装等能力基础他们对冷却系的组成及工作原理等还未掌握,他们善操作,乐实践,喜网络。
依据职业标准和课程标准确定如下三维目标既知识目标、能力目标、情感态度目标,根据职业标准和课程标准确定,教学重点为冷却系的组成和功用,根据学生课前测试结果和疑问等学情状况,确定冷却系统的原理为教学难点教学设计构建多维度三有课堂,以学生为主体,以教师为主导,对接岗位能力,培养学生标准化操作意识和团队意识。
教法为任务驱动法,项目教学法,学法为自主学习,合作探究。
教学实施借助教育部专业教学资源库和智慧职教云课堂,课前我布置任务,要求学生根据学习指南自主学习系列微课并完成测试,利用手机端观看微课,利用云课堂进行自主学习,并上传智慧职教云课堂。
我登录平台根据统计情况轻松掌握学生学习情况和疑问,掌握每个题的正确率,从而确定教学难点课上环节根据教学重点和难点创建学习任务,积极引导学生掌握知识提高能力,我利用微课视频导入和讨论引出冷却系的作用;通过学生对冷却系统的掌握情况,组织学生讨论和分析发布任务一,根据学习任务要求确定主要学习内容为水冷系,通过对任务一的学习和讨论,同学们掌握了冷却系的分类,在任务一中同学们积极参与,踊跃为团队献言献策,任务一工作取得相应的预期效果。
根据课程标准和职业标准确定水冷系主要零部件及作用为教学重点,发布任务二,利用图片展示和实物演示直观感受同时利用仿真软件模拟操作突破教学重点,任务二中同学们对于实物的观察与研究提高了同学们的听课积极行,学生主动投入到学习中去,对于仿真软件的学习同学们将任务化繁为简,逐步突破教学重点,学生学习热情很高根据教学目标和学情状况确定水冷系的大小循环为教学难点,发布任务三,利用图片讲解和视频直观感受突破教学难点,在任务二的基础上同学们的求知欲被唤醒积极投入到视频和图片的研究中,仔细揣摩,查看资料突破教学难点学生进行课堂练习,结果上传智慧职教云课堂根据学生学习情况进行讲解和总结学生学习过程中缺乏对整车的概念发布任务四结合前面内容进行实车操作,找出水冷却系统各部件的安装位置。
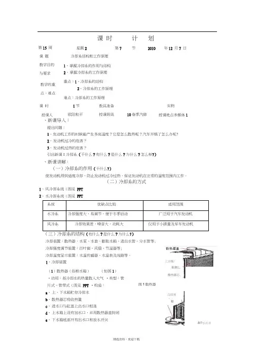
冷却强度调节装置:百叶窗、风扇、节温器等; 冷却温度显示装置:水温传感器、水温表及线路等。
1、冷却装置(1)散热器(俗称水箱)(如图1)•功用:将冷却水的热量散入大气 •类型:管片式、管带式(图见 PPT •构造: a 、 上、下水箱贮存冷却水 b 、 散热器芯吸收热量 c 、 进水口与缸盖上出水口相连d 、 上水箱上设有加水口,并用散热器盖封闭e 、 下水箱底部开有出水口和放水开关图1散热器-fit?水开并、新课导入:提出问题:1、发动机工作的时候能产生多高温度?它是怎么散热呢?汽车开锅了怎么办呢?2、 发动机过冷的危害?3、 发动机过热的危害?引出新课:冷却系(干什么?有什么?是什么?为什么?怎么样?)、新课讲解:(一)冷却系的作用(干什么?)使发动机得到适度冷却,防止发动机过冷过热,保证发动机在正常的温度范围内工作。
(二)冷却系的方式1、 风冷却系统(图见 PPT2、 水冷却系统(图见 PPT系统 优缺点比较适用范围 水冷系 冷却强度大,易调节,便于冬季启动广泛用于汽车发动机 风冷系冷却效果差,噪音大,功耗大仅用于小排量及军车发动机(三)冷却系的结构(有什么?是什么?为什么?)冷却装置:散热器、水泵、水套、膨胀水箱、进出水管、分水管等;第15 周 课 时计划星期2第7节2010年12 月7 日课 题 冷却系结构和工作原理 教学目的 与要求 教学的重 点、难点 1、 掌握冷却系的作用与结构 2、 掌握冷却系的工作原理 重点:1、冷却系的结构2、冷却系的工作原理难点:冷却系的工作原理课 时 授课人1节 欧阳和平教具准备 授课班级10春季汽修实物授课地点多媒体1散側匕“静热器芯. 上水植/箱沟却营•、(2 )散热器盖(图见PPT•作用:调节冷却水的工作压力,从而提高水的沸点,使冷却水不易沸腾水温正常时,空气阀和蒸气阀关闭,上储水箱与蒸气排出管隔开。
•工作原理:蒸汽阀开启(如图2): •蒸气压力达到126-137KPa时,蒸气阀打开,部分蒸气外泄。
发动机冷却系教案课题名称:发动机冷却系统课程目标:1.了解发动机冷却系统的作用和原理;2.掌握常见的发动机冷却系统的类型和结构;3.了解发动机冷却系统的故障排查与维修方法;4.培养学生解决实际问题的能力。
一、课前准备(5分钟)1.指导学生完成预习任务,了解发动机冷却系统的作用和原理。
2.复习相关的发动机基础知识,包括热力循环等。
二、引入与导入(10分钟)1.教师通过图示与学生复习发动机冷却的基本原理。
2.制定问题环节,激发学生的思考和讨论。
例如:“发动机冷却系统的主要作用是什么?有哪些类型的冷却系统?”三、内容展开(60分钟)1.发动机冷却系统的作用和原理(20分钟)-发动机冷却系统的作用:防止发动机过热,保证发动机的正常工作。
-发动机冷却系统的原理:通过循环冷却剂(水或冷却液)来吸收发动机产生的热量,并将其散发出去。
2.常见的发动机冷却系统的类型和结构(25分钟)-按循环方式分类:自然冷却系统和强制冷却系统。
-按冷却剂类型分类:水冷却系统和气冷却系统。
-介绍各种冷却系统的特点、结构和工作原理。
3.发动机冷却系统的故障排查与维修方法(30分钟)-故障排查方法:通过观察和检测发动机温度表、冷却剂泄漏等,确定冷却系统是否存在故障。
-常见故障及维修方法:例如水泵损坏、散热器堵塞等,学生进行案例分析和讨论。
四、小结与展望(10分钟)1.整理课堂内容,对发动机冷却系统的作用、原理、类型和维修方法进行总结。
2.针对冷却系统可能出现的新问题,提醒学生进行自主学习和研究。
五、课后作业(5分钟)1.要求学生独立完成一篇关于发动机冷却系统的研究报告。
2.鼓励学生参与相关实践活动,如实地观察和实验。
注:以上为大致教案框架,可根据实际情况和教学目标进行调整和改进。
冷却系的构造与维修说课稿冷却系的构造与维修说课稿作为一位杰出的老师,通常会被要求编写说课稿,说课稿有利于教学水平的提高,有助于教研活动的开展。
快来参考说课稿是怎么写的吧!下面是小编为大家整理的冷却系的构造与维修说课稿,欢迎阅读与收藏。
一、说课程:《汽车发动机构造与维修》是汽车运用与维修专业的一门重要的专业课,它不仅具有较强的理论性,同时具有很强的实践性。
通过学习使学生具备发动机的构造与工作原理、维修基本方法、发动机常见故障的原因及诊断分析方法方面的知识。
具备发动机拆装能力、发动机检测与维修的基本能力;具备诊断和排除汽车发动机常见故障的能力。
具备运用所学知识分析问题的能力;具备运用所学技能解决实际问题的能力。
随着汽车业的迅猛发展,对汽修从业人员的要求越来越高,不仅要有一定的理论基础,还要有一定的语言沟通能力、与人协作能力、实际操作能力及5S工作观念,本项目在实际修理中起着举足轻重的作用。
二、说教材:选用“十一五”规划教材,保证了教学内容的针对性、实用性和先进性。
选用高等教育出版社出版的《汽车发动机构造与维修》,教材阐述问题透彻,注重实践能力培养,体现职业教育教学特色。
网络教学环境:本课程有丰富的网上教学资源,包括电子教材、多媒体课件、思考题、习题及课堂教学录像等,学生可在校内通过网上学习。
三、说学情:本学期刚开始接触专业核心课程,学生学习兴趣较浓,喜欢观察实物,愿意动手操作,但对之前学习的知识掌握的不够扎实,教学中要让学生充分发挥主观能动性,多给学生动手的机会,激发学生学习兴趣。
四、说教学目标(一)、本课程教学目标:1.掌握汽车发动机的基本结构和工作原理。
2.掌握发动机维护和修理的基本理论。
3.熟练掌握常用发动机维护、修理,工量具和设备的使用方法。
4.会对发动机主要零部件进行检测、耗损分析。
5.会对发动机的常见故障进行诊断、排除。
6.会按维修工艺对发动机进行维修、装配、调整和性能试验。
7.培养自主、探究、合作学习,能发现问题、分析解决问题。
五年级上册《凝结》说课欧阳引擎(2021.01.01)我说课的内容是青岛版小学科学五年级上册第五单元“水循环”的第三课《凝结》。
一、教材分析本单元集中研究有关水的形态变化、水在自然界里的循环,它与三年级上册第三单元《天气与我们的生活》,第四单元《水的科学》构成小学阶段对水的三态变化及水循环认识的整体框架。
本课继“蒸发”、“沸腾”两课之后,指导学生认识水蒸气凝结成水的现象,也为学习下面两课《水的三态变化》《小水滴的旅行》做好知识铺垫;使学生认识到在周围熟知的事物中隐藏着我们不熟知的变化,而且是有规律的,是能够被认识的,促使学生更多关注周围常见事物,养成善于观察、探索的科学态度。
在能力培养方面,属于“实验能力”和“归纳能力”的系列。
我们要秉承“小学科学是培养科学素养的科学启蒙课程”的宗旨进行教学设计。
课本内容分三部分:第一部分,提出一个关于水蒸气凝结的问题:对着镜子哈气,观察有什么现象?这是问题的提出。
第二部分,通过指导学生探究认识水蒸气的凝结现象。
建立初步的“凝结”概念:水蒸气遇冷可以变成小水珠,这种现象叫做凝结。
第三部分,说说生活中的凝结现象。
二、说学生通过两年多的学习,五年级的学生有了自己的科学思维方式,对科学探究过程有所了解,具备了一定的操作能力,对于科学仪器的基本操作,像用酒精灯进行加热已经比较熟练。
学生生活中虽然常见到凝结现象,像水烧开时的白气,冬天我们呼吸的白气,锅盖上的水珠,冬天窗户上的水珠等,也有部分学生通过书籍,父母的教导可能知道凝结现象,但大多数同学没有深入地研究、思考过水珠的成因,对水蒸气遇冷变成水比较陌生。
对比实验的方法,学生刚刚在《蒸发》这一课接触过,有一定的了解。
但学生的思维还缺乏严谨性,知识迁移的水平也有较大的差距,因此学生设计对比实验,尤其对于实验的细节还是有一定困难,需要老师的指导。
三、教学目标《科学》新课程标准提出:要加强探究式学习和动手实践等学习方式的运用,从而为培养创新精神和实践能力打下坚实的基础,为此我将本课的教学目标设计如下:1、认识凝结,知道水蒸气遇冷会凝结成水。
水冷却系统一般由散热器、节温器、水泵、水道、风扇等组成。
散热器负责循环水的冷却,它的水管和散热片多用铝材制成,铝制水管做成扁平形状,散热片带波纹状,注重散热性能,安装方向垂直于空气流动的方向,尽量做到风阻要小,冷却效率要高。
散热器又分为横流式和垂直流动两种,空调冷凝器通常与其装在一起。
此主题相关图片如下:按此查看图片详细信息时间:2021.03.11 创作:欧阳音正在读取此图片的详细信息,请稍候 ...水泵和节温器发动机是由冷却液的循环来实现的,强制冷却液循环的部件是水泵,它由曲轴皮带带动,推动冷却液在整个系统内循环。
目前最先进的水泵是宝马新一代直六发动机上采用的电动水泵,它能精确的控制水泵的转速,并有效的减少了对输出功率的损耗。
这些冷却液对发动机的冷却,要根据发动机的工作情况而随时调节。
当发动机温度低的时候,冷却液就在发动机本身内部做小循环,当发动机温度高的时候,冷却液就在发动机—散热器之间做大循环。
实现冷却液做不同循环的控制部件是节温器。
可以将节温器看作一个阀门,其原理是利用可随温度伸缩的材料(石蜡或乙醚之类的材料)做开关阀门,当水温高时材料膨胀顶开阀门,冷却液进行大循环,当水温低时材料收缩关闭阀门,冷却液小循环。
此主题相关图片如下:空气的流动为了提高散热器的冷却能力,在散热器后面安装风扇强制通风。
以前的轿车散热器风扇是由曲轴皮带直接带动的,发动机启动它就要转,不能视发动机温度变化而变化,为了调节散热器的冷却力,要在散热器上装上活动百页窗以控制风力进入。
现在已经普遍使用风扇电磁离合器或者电子风扇,当水温比较低时离合器与转轴分离,风扇不动,当水温比较高时由温度传感器接通电源,使离合器与转轴接合,风扇转动。
同样,电子风扇由电动机直接带动,由温度传感器控制电动机运转。
这两种形式的散热器电扇运转实际上都由温度传感器控制。
散热器散热器兼作储水及散热作用,再此之上还装有膨胀水箱。
因为单纯依赖散热器有几个缺点,一是水泵吸水一侧因压力低而容易沸腾,水泵的叶轮容易穴蚀;二是气水分离会产生气阻;三是温度高冷却液容易沸腾。
今天我说课的内容是中等职业教育汽车专业改革规划教材《汽车维护与保养》学习情景三《发动机系统维护与保养》任务二《冷却系统维护与保养》中的内容。
下面我从三个方面对本课的设计进行说明
欧阳家百(2021.03.07)
一、教材分析
1、本章节在教材中的地位与作用
该节内容是在认识了发动机曲柄连杆机构,配气机构两大机构后,所要认识的第一个发动机基本构造中的系统,在此之前学生已经涉及到一些关于发动机在高温工作时,带来的一些问题,具有一定的理论基础。
通过本节课的学习,使学生认识到冷却系在发动机工作中承担的重要作用,并对日后冷却系检测和维修的学习有初步的认识,从教学的角度来讲本节具有承前启后的作用。
对于打算就业的学生,本节内容是今后进行汽车检测和维修的基础知识。
2、教学目标
根据本学期我们学校对汽车专业的教学改革,同时针对教学大纲的要求,结合教材,本着面向全体,使学生全面主动发展的原则,本节课我确定目标如下的教学目标:
知识目标:(1)掌握冷却系在发动机工作中承担的任务
(2)能够按冷却方式不同给冷却系分类
(3)准确说组成冷却系的各零件的名称
(4)了解冷却系的工作过程
能力目标:(1)培养学生运用学过的知识初步检测冷却系及各零件的工作情况
(2)培养学生初步的观察与思考和举一反三的能力
思想目标:(1)结合实例向学生渗透节能环保的知识
(2)介绍冷却系的发展,突出科技进步对我们生活的影响,培养学生爱科学爱进步的积极思想
这样的目标设计,打破了传统的概念性教学的规律,从过于注重概念本身转化到更多的注重学生的学习过程和情感体验,立足教学目标多元化。
不仅使学生掌握认知目标,还要在学生的学习过程中发展学生的各方面能力目标和思想目标。
3、教学重点与难点
作为本节理实一体课,从概念的建立到实体的观摩,到运用都很重要,而且在汽车维修专业中起到承前启后的作用,因此必须对知识的掌握熟练到位。
我认为本节的重点:冷却系的组成。
难点:冷却系的工作过程
4、教学用具
根据教学情况以及学生的自主能力情况,本节课我采用实物与多媒体辅助教学。
二、教学与学法
新课程标准指出,教师是学习的组织者,引导者,合作者。
根据这一理念,我遵循激-------导-------探--------放的原则。
在教学中,我精心选择学生感兴趣的视频短片,诱导学生思考,鼓励交流,并引导学生用学过的知识解决问题。
学生作为教学主体,在教学活动中的教学状态和参与度是决定教学成果的重要因素。
因此在学法的选择上,体现出玩中学,学中玩,合作交流中学,学中交流合作的思想。
这节课,为了体现学生是学习的主体,我以学生的学为立足点,设立了如下的教学程序。
三 . 教学程序
(1)组织教学(0.5min)
(2)复习提问(2.5min)
1 发动机按冷却方式分为哪两种?2.发动机的五大基础组成部分
通过复习提问既可以考察学生对以前讲过知识的掌握情况及回家后的复习情况,又能为本节课的新内容打下伏笔。
(3)导入新课(3min)
为了激起学生的学习兴趣,我选择了目前比较热门的话题---赛车。
在世界一级方程式锦标赛第11站——匈牙利大奖赛的亨格罗宁赛。
经过70圈的激烈争夺,最终迈凯轮车队的科瓦莱宁凭借着马萨在最后时刻的爆缸幸运地获得了本站比赛的冠军。
在为马萨惋惜的同时,和学生一起观看多媒体播放法拉利漂移暴缸视频动画时,我会描述视频中发动机的工作情况。
发动机大负荷工作后,突然发出巨响,失去动力,冒出浓烟,可能是发动机什么故障?引起这种鼓掌的原因有哪些?提出问题后给学生一分钟时间小组讨论思考回答。
这些会引起学生热烈的探讨,有的学生会联系以往的知识回答出,可能由于发动机过热。
这时我会即使的给予学生表扬并总结,引发课题冷却系的作用。
(4)讲授新课(30min)
(一)冷却系的任务
有了视频短片的基础,我会接着启发引导学生回答,发动机冷却不到位还会会引起哪些问题呢?那么冷却系的作用是什么?通过短片,和日常生活的积累回答问题,可以培养学生的观察,总结能力。
学生可以回答出冷却系的一个作用,为保证发动机正常工作,必须对在高温条件下的机件进行冷却。
这时候我会接着提问,冷却是不是强度越大越好?并请学生讲述几个生活实例。
例如北方冬季出车的时候,我们要“暖车”。
冬天的客车要用棉布盖住水箱位置。
要关闭百叶窗等。
等学生发言完毕,我会因势利导提出下一个个问题。
并允许学生自由讨论交流。
为什么要这样做呢?发动机太冷会有哪些影响呢?这样的启发引导与日常生活紧密联系,培养学生日常的观察能力,激发学生对本门课程的兴趣。
学生讨论结束,我会和学生总结。
如果冷却过度会引起热损失增加,动力性经济性变坏,磨损加剧。
所以得到结论所以发动机的冷却必须适度。
此时引导学生总结冷却系的任务;而我用标准的文字把它描述下来使工作中的发动机得到适度的冷却,从而保持在最适宜的温度范围内工作。
(二)冷却系的分类
冷却系的分类属于曾经讲过的知识,此处我通过带领学生回忆,按冷却方式给发动机分类,分为水冷式发动机和风冷式发动机,那么冷却系分类有几种?引导学生回答冷却系的分类为风冷式,水冷式。
再次回忆,巩固知识,培养学生举一反三的能力,达到教学目标。
接着我为学生介绍,随着科技的发展,风冷式的汽车发动机已经被淘汰,现在使用的都是强制水冷式,采用水冷式应该使汽缸盖内的冷却水温度在353-363K之间。
以前只用水进行冷却,现在都使用冷却液。
我会请学生根据常识,介绍一下冷却液的作用。
但学生回答后,我会及时表扬,并总结冷却液由水和防冻液配置而成。
具有防冻,防沸腾防锈蚀,抑制泡沫产生的作用。
突出了科技的进步给我们的生活带来了更多的快捷方便。
从而达到对学生思想教育的目标。
(三)冷却系的组成
接着我由冷却系的作用,引出冷却系的组成。
这部分内容是本节课的重点,只有掌握了这部分内容,才能更好的进行以后的学习。
所以我安排先引导学生回答,学生知道的在发动机上起冷却保温作用的零件都知道哪些?接着老师补充总结,并引出水冷系的组成由冷却装置,冷却强度调节装置和水温显示装置组成。
请学生思考后将冷却系的各组成零件分到三大部分当中去。
通过视频和实物让学生了解认识冷却系的各个零件。
实物可以激发学生的学习欲望让他们在学习的同时实现自我的认可。
多媒体视频可以在实物的基础上更直观更形象的便于学生观察零件的内部结构。
四)冷却系的工作过程
本部分是本节课的难点。
我由冷却系的各零件配合起到冷却的作用,引出冷却系的工作过程。
以水泵为起点介绍冷却液在冷却系当中的循环。
在学生掌握后,带领学生在练习本上画出冷却系的工作过程图。
我用多媒体动画演示,老师辅助介绍,学生自行总结的方法,更加生动形象直观,使学生印象深刻
(五)总结全课(3min)
我先让学生说说在40分钟内学会了什么?让学生对所学的知识进行整理、巩固。
本环节是对本节课知识点的一个全面的总结,整节课,我体现了知识来源于生活,服务与生活的理念,我通过视频断片引入,积极讨论,交流感受,互动合作,和课外延伸等手
段,最大限度的发挥了学生的主体作用,使学生在爱知识,学知识,用知识的过程中获得成功的感受
(六)课堂练习(5min)
为了加深本节课知识点的印象,突破重点和难点,体现学习来源于生活运用于生活的理念。
我设计了如下的练习
1 .冷却系的功用是对发动机(),保证发动机在()温度下工作
2 .根据所用冷却介质不同,发动机冷却系可分为()和
()两种类型
3、水冷系应该使气缸盖的冷却水温度在(K)之间
4. 冷却系的三大部分( )
5,防冻液的作用是()
6,请画出发动机冷却系的工作过程图
本节的练习主要围绕本节课的内容来进行的,要求每位同学都必须掌握,通过练习可以考察学生对本节课知识的掌握情况,及教学中存在的问题。
作到了知识性与技能性的完美结合
(七)板书设计
本节课,我屏弃了复杂的概念式板书,力求用简洁的文字把概念表诉清楚。
用学生总结的文字既使学生体验到了成功的快乐,又体现了学生的主体地位
第四章第一节发动机冷却系构造与工作原理
一冷却系的任务三冷却系的组成
适度冷却冷却装置,冷却强度调节装置,水温显示装置
二冷却系的分类四四冷却系的工作过程
风冷式水冷式
(八)布置作业(1min)
请学生课后思考冷却系是怎样实现既冷却又保温的作用的?想一想是哪一个零件在起调节作用?。