第四章数控车床典型零件的加工
- 格式:doc
- 大小:1.89 MB
- 文档页数:40
前言轴是组成机器的重要零件之一根据轴的承载性质不同可将轴分为转轴、心轴、传动轴三类。
工作时既承受弯矩又承受转矩的轴称为转轴。
转轴是机器中最常见的轴,通常称为轴。
用来支承转动零件,只承受弯矩而不传递转矩的轴称为心轴。
心轴有固定心轴和旋转心轴两种。
根据轴线的形状不同,轴又可以分为直轴、曲轴和挠性钢丝轴。
后两种属于专用零件。
直轴按其外形的不同又可以分为光轴和阶梯轴两种。
光轴形状简单、加工容易,应力集中源少,主要用作传动轴。
阶梯轴个轴段截面的直径不同,这种设计使个轴段的强度接近,而且便于轴上零件的装拆和固定,因此阶梯轴在机器的应用中最为广泛。
直轴一般都制成实心轴,但为了减轻重量或为了满足有些机器结构上的需要,也可以采用空心轴。
轴通常由轴头,轴颈、轴肩、轴环、轴端和不安装任何零件的轴段等部分组成,这次设计我主要是设计减速器当中的传动轴,希望通过这次设计,我能学到更多的东西。
目录摘要ﻩ第一章绪论 ...................................................................................................................1.1数控机床的简介ﻩ1.2数控的发展趋势 ..............................................................................................1.3传动轴的概述ﻩ第二章工艺分析 .............................................................................................................2..1零件图工艺分析 ............................................................................................2.3切削顺序的选择 ............................................................................................2.4切削用量的选择和加工余量的确定ﻩ第三章设备的选择 .......................................................................................................3.1机床选择ﻩ3.2刀具的选择ﻩ3.3刀具卡.............................................................................................................................3.4夹具的选择 ........................................................................................................3.5切削液的选择ﻩ3.6量具的选择 ...................................................................................................... 第四章零件的编程ﻩ4.1手工编程ﻩ4.2工艺卡ﻩ4.3工序卡 ................................................................................................................ 结论…………………………………………………………………参考文献……………………………………………………………附录…………………………………………………………………后记…………………………………………………………………摘要轴是组成机器的重要零件之一,轴的主要功用是支承旋转零件、传递转矩和运动。
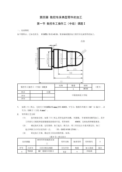
匸u 4 frIs第四章数控车床典型零件的加工第一节数控车工操作工(中级)课题I一、实训图纸如下图所示,已知毛坯为0 36X1 15的45钢,要求编制数控加工程序并完成零件的加工。
1. 如图(1)所示,毛坯尺寸0 36X115 mm,材料45#钢,1号刀:粗精车外圆刀(90°右偏刀),2号刀:切断刀(刀宽 4 mm)。
2. 零件图工艺分析(1)技术要求分析。
如图(1)所示,零件包括外沟槽,外圆锥,半球体和切断等加工。
其中工件的尺寸精度和表面粗糙度的要求不高。
零件材料45#钢,无热处理和硬度要求。
(2)确定装夹方案,定位基准,加工起点,换刀点。
用三爪自定心卡盘夹紧定位,加工起点和换刀点可以设为同一点,(即:GOO X100. Z100.)。
(3)制定加工方案,确定各刀具及切削用量。
如表:3 •数值计算(1)设定程序原点,以工件前端面与轴线的交点为程序原点建立工件坐标系,当工件要调头车削时,也同样以前端面与轴线的交点为程序原点建立工件坐标系。
工件加工程序起始点和换刀点都设在(X100.,Z100.)位置点。
(2)暂不考虑刀具刀尖圆弧半径对工件轮廓的影响。
4.工件参考程序a)工件的参考程序。
b)工件的参考程序。
数控车工操作工(中级)课题n 比例数量 1材料 45钢(图2)姓名 日期评分中船澄西技工学校N0420 M03 N0430 T22换刀补号为02的02号刀N0440 GOO X38 Z-50N0450 G01 X25 F100切槽N0460 G00 X100N0470G00 Z100N0480M30程序结束第二节 数控车工操作工(中级)课题n一、实训图纸如下图所示,已知毛坯为 0 40X 115的45钢,要求编制数控加工程序并完成零件的加工。
注:毛坯为?40,零件还没有进行粗加工。
1.如图(2)所示,毛坯尺寸 0 40 X 115 mm,材料45#钢,1号刀:粗精车外圆刀(90°右 偏刀),2号刀:切断刀(刀宽 5 mm ), 3号刀:外螺纹车刀(60°) 2.零件图工艺分析(1) 技术要求分析。
模块五数控车床典型零件加工实例本课题主要选取了两个实例,一个是模具数控车加工实例,一个是中级数控车床操作工应会试题。
学习目标知识目标:●了解数控车床典型零件的加工过程了解中级数控车床操作工应掌握的基本技能能力目标:●正确运用数控系统的指令代码,编制一般零件的车削加工程序。
实例1:加工如图1-80所示的对拼模具型腔。
用车床加工成形部分,如果采用普通车床加工,则必须要使用靠模,加工效率极低而且加工精度也较低。
所以采用数控车床进行加工最合适。
图1-80 对拼模具1.加工准备1)将两拼块分别加工成形。
2)在两拼块上装导钉,一端与下模板过渡配合,另一端与上模板间隙配合。
3)两拼块合装后外形尺寸磨正,对合平面磨平并保证两拼块厚度一致。
4)在花盘上搭角铁,将下模板固定在角铁上,拼合上模板并压紧,用千分表校正后固定角铁,安装示意图如图1-81所示。
图1-81 安装示意图2.所需刀具本工件需要通过钻孔、粗车、精车三个工步加工,钻孔时采用在尾架上装夹φ16mm的钻头手动进给,而粗车和精车则采用自动运行的办法。
粗车时用55°的内孔车刀,刀具号为T01,刀补号为01;精车时用35°的内孔车刀,刀具号为T02,刀补为02。
3.编写加工程序N10 M03 S500N20 T0101N30 G00 X0 Z3.0N40 G01 Z-30.0 F0.5N60 G01 Z-57.0N70 G00 X0N80 G00 Z-31.6N90 G01 X24.4 F0.2N100 G01 Z-50.4N110 G00 X0N120 Z3.0N130 G01 X18.3 Z3.0 F0.3N140 Z0N150 X22.0 Z-10.1N160 W-6.3N170 G02 X21.7 W-13.4 I6.45 J-6.8 N180 G03 X24.5 Z-50.4 I-11.1 J-11.0 N190 GO2 X20.8 Z-56.0 I7.55 J-5.6 N200 G01 X0N210 G00 Z200.0N220 G00 X200.0 T0100N230 T0202N240 G00 Z3.0N250 G01 X18.8 Z3.0 F0.3N260 Z0N280 W-6.3N290 G02 X22.2 W-13.4 I6.45 J-6.8N300 G03 X25.0 Z-50.4 I-11.1 J-11N310 G02 X21.3 Z-56.0 I7.55 J-5.6N320 G01 Z-58.0N330 G00 X0N340 G00 Z100.0N350 G00 X200.0 T0200N360 M05N370 M304.加工过程1)在尾架上装φ16mm的钻头,手动进给钻穿工件。
毕业设计题目__________________________姓名学号系(院)________班级__________指导教师________职称__________二O一一年四月二十日目录第一章. 数控机床的分类概述 (1)1.1加工工艺方法分类 (1)1.1.1金属切削类数控机床 (1)1.1.2特种加工类数控机床 (1)1.1.3板材加工数控机床 (1)1.2控制控制运动轨迹分类 (1)1.2.1点位控制数控机床 (1)1.2.2直线控制数控机床 (1)1.2.3轮廓控制数控机床 (2)1.3驱动装置的特点分类 (2)1.3.1开环控制数控机床 (2)1.3.2闭环控制数控机床 (2)1.3.3半闭环控制数控机床 (3)1.3.4混合控制数控机床 (3)第二章. 丰富的高速切削刀具轨迹策略 (3)2.1. 1确定刀具路径应满足的基本要求 (3)2. 1. 2确定刀具进到要求 (4)2.1.3粗加工刀具路径要求 (4)2.1.4精加工刀具路径要求 (4)第三章. 数控系统的未来的发展 (5)3.1.1数控系统向开放式体系结构发展 (5)3.1.2 数控系统向软数控方向发展 (5)3.1.3数控系统控制性能向智能化方向发展 (6)3.1.4数控系统向网络化方向发展 (6)3.1.5数控系统向高可靠性方向发展 (6)3.1.6:数控系统向复合化方向发展 (7)3.1.7数控系统向多轴联动化方向发展 (7)第四章典型轴类零件的加工4.1.1 FUNAC数控车编程8第五章数控机床故障排除方法及其注意事项5.1.1 故障排除方法95.2.1 维修中应注意的事项 (10)结束语 (11)致谢 (12)参考文献 (13)摘要此次论文针对典型零件的工艺分析与加工及数控的发展。
数控技术及数控机床在当今机械制造业中的重要地位和巨大效益,显示了其在国家基础工业现代化中的战略性作用,并已成为传统机械制造工业提升改造和实现自动化、柔性化、集成化生产的重要手段和标志。
实践与探索Exploration数控车床典型零件编程与仿真加工文/张耀明 唐六元定要事先考虑周全,设计好软、硬件交换方案,准确无误后再进行交换检查。
(8)特殊处理法。
当今的数控系统已进入PC基、开放化的发展阶段,其中软件含量越来越丰富,有系统软件、机床制造者软件,甚至还有使用者自己的软件,由于软件逻辑的设计中不可避免的一些问题,会使得有些故障状态无从分析,例如死机现象。
对于这种故障现象则可以采取特殊手段来处理,比如整机断电,稍作停顿后再开机,有时此法可能将故障消除。
维修人员可以在自己的长期实践中摸索其规律或者采取其他有效的方法。
二、电气维修与故障的排除 电气故障的分析过程也就是故障的排除过程。
因此电气故障的一些常用排除方法在上述的分析方法中已综合介绍过了,下面列举几个常见电气故障供维修者参考。
1.电源故障电源是维修系统乃至整个机床正常工作的能量来源,它的失效或者故障,轻者会丢失数据,重者会造成停机重者会毁坏系统局部甚至全部。
发达国家由于电力充足,电网质量高,因此其电气系统的电源设计考虑较少,这对于我国有较大波动和高次谐波的电力供电网来说就略显不足,再加上人为因素,难免出现由电源而引起的故障。
2.数控系统位置环故障 (1)位置环报警。
可能是位置测量回路开路、测量元件损坏、位置控制建立的接口信号不存在等。
(2)坐标轴在没有指令的情况下产生运动。
可能是漂移过大、位置环或速度环接成正反馈、反馈接线开路、测量元件损坏。
3.机床坐标找不到零点可能是零方向在远离零点、编码器损坏或接线开路、光栅零点标记移位、回零减速开关失灵。
4.机床动态特性变差如果机床动态特性变差,工件加工质量下降,甚至在一定速度下机床发生振动。
这其中有很大一种可能是机械传动系统间隙过大甚至磨损严重,或者导轨润滑不充分甚至磨损造成的。
对于电气控制系统来说则可能是速度环、位置环和相关参数已不在最佳匹配状态,应在机械故障基本排除后重新进行最佳化调整。
第4章典型零件的机械加工工艺分析本章要点本章介绍典型零件的机械加工工艺规程制订过程及分析,主要内容如下:1.介绍机械加工工艺规程制订的原则与步骤。
2.以轴类、箱体类、拨动杆零件为例,分析零件机械加工工艺规程制订的全过程。
本章要求:通过典型零件机械加工工艺规程制订的分析,能够掌握机械加工工艺规程制订的原则和方法,能制订给定零件的机械加工工艺规程。
§4.1 机械加工工艺规程的制订原则与步骤§4.1.1机械加工工艺规程的制订原则机械加工工艺规程的制订原则是优质、高产、低成本,即在保证产品质量前提下,能尽量提高劳动生产率和降低成本。
在制订工艺规程时应注意以下问题:1.技术上的先进性在制订机械加工工艺规程时,应在充分利用本企业现有生产条件的基础上,尽可能采用国内、外先进工艺技术和经验,并保证良好的劳动条件。
2.经济上的合理性在规定的生产纲领和生产批量下,可能会出现几种能保证零件技术要求的工艺方案,此时应通过核算或相互对比,一般要求工艺成本最低。
充分利用现有生产条件,少花钱、多办事。
3.有良好的劳动条件在制订工艺方案上要注意采取机械化或自动化的措施,尽量减轻工人的劳动强度,保障生产安全、创造良好、文明的劳动条件。
由于工艺规程是直接指导生产和操作的重要技术文件,所以工艺规程还应正确、完整、统一和清晰。
所用术语、符号、计量单位、编号都要符合相应标准。
必须可靠地保证零件图上技术要求的实现。
在制订机械加工工艺规程时,如果发现零件图某一技术要求规定得不适当,只能向有关部门提出建议,不得擅自修改零件图或不按零件图去做。
§4.1.2 制订机械加工工艺规程的内容和步骤1.计算零件年生产纲领,确定生产类型。
2.对零件进行工艺分析在对零件的加工工艺规程进行制订之前,应首先对零件进行工艺分析。
其主要内容包括:(1)分析零件的作用及零件图上的技术要求。
(2)分析零件主要加工表面的尺寸、形状及位置精度、表面粗糙度以及设计基准等;(3)分析零件的材质、热处理及机械加工的工艺性。
数控车床车削典型零件工艺分析数控车床是一种利用数控技术进行自动化车削加工的机床,广泛应用于制造业的各个领域。
下面将以数控车床车削典型零件为例进行工艺分析。
以加工一台螺杆为例,工艺分析如下:1.零件材质选择:根据螺杆的使用要求,选择适当的材料,常见的有碳钢、不锈钢等。
2.设计图纸:根据产品需求,在CAD软件中绘制螺杆的设计图纸,包括尺寸、形状等。
3.工艺规程编制:根据零件的设计要求,编制螺杆的工艺规程,包括车削工序、工艺参数、刀具选择等。
4.刀具选择:根据工艺规程选择适合的刀具,考虑切削力、刀具寿命等因素。
5.数控编程:根据工艺规程,利用CAM软件编写数控程序,确定刀具路径、切削深度、进给速度等参数。
6.夹紧装夹:将材料切割到合适的长度后,将工件固定在数控车床的主轴上,使用合适的夹具夹紧。
7.车削加工:根据数控程序进行车削加工,包括外径车削、内径车削、螺纹加工等工序。
8.检测与修正:每一道工序完成后,需要进行质量检测,确保零件尺寸、表面粗糙度等符合要求。
若发现问题,及时进行修正。
9.表面处理:根据产品要求,对螺杆表面进行处理,如抛光、镀层等。
10.质量检验:经过表面处理后,对零件进行再次质量检验,确保各项指标符合要求。
11.包装运输:将加工好的螺杆进行包装和标识,便于运输和使用。
以上是加工一台螺杆的工艺流程,数控车床的精度高、重复性好,能够高效、精确地进行复杂零件的加工。
在实际应用中,根据不同的零部件要求,工艺流程可能会有所不同,但总的来说,工艺分析包括材料选择、工艺规程编制、刀具选择、数控编程、夹紧装夹、车削加工、检测与修正、表面处理、质量检验、包装运输等环节。
通过合理的工艺分析和流程设计,可以实现零件的高效、精确加工,提高生产效率和产品质量。
一、实习背景随着我国制造业的快速发展,对机械加工技术的要求越来越高。
为了提高学生的实践操作能力和综合素质,我们学校组织了一次典型零件的加工实训。
本次实训旨在使学生掌握典型零件的加工工艺、操作方法和质量标准,为今后从事机械加工工作打下坚实基础。
二、实习目的1. 熟悉典型零件的加工工艺流程。
2. 掌握典型零件的加工设备、刀具和量具的使用方法。
3. 学会分析零件加工过程中可能出现的问题,并提出解决方案。
4. 提高学生的动手操作能力和团队协作能力。
三、实习内容本次实训选择了轴类零件、盘类零件和箱体类零件三种典型零件进行加工。
1. 轴类零件加工(1)加工设备:数控车床(2)加工工艺:粗车、精车、倒角、钻孔、攻螺纹等(3)加工过程:① 粗车:将毛坯加工成接近最终尺寸的轴类零件。
② 精车:对粗车后的轴类零件进行精加工,达到图纸要求的尺寸和形状。
③ 倒角:在轴类零件的两端倒角,使零件更加美观。
④ 钻孔:在轴类零件上钻出孔,用于安装轴承等部件。
⑤ 攻螺纹:在轴类零件上攻出螺纹,用于连接其他零件。
2. 盘类零件加工(1)加工设备:数控铣床(2)加工工艺:粗铣、精铣、钻孔、攻螺纹等(3)加工过程:① 粗铣:将毛坯加工成接近最终尺寸的盘类零件。
② 精铣:对粗铣后的盘类零件进行精加工,达到图纸要求的尺寸和形状。
③ 钻孔:在盘类零件上钻出孔,用于安装轴承等部件。
④ 攻螺纹:在盘类零件上攻出螺纹,用于连接其他零件。
3. 箱体类零件加工(1)加工设备:数控加工中心(2)加工工艺:粗铣、精铣、钻孔、攻螺纹等(3)加工过程:① 粗铣:将毛坯加工成接近最终尺寸的箱体类零件。
② 精铣:对粗铣后的箱体类零件进行精加工,达到图纸要求的尺寸和形状。
③ 钻孔:在箱体类零件上钻出孔,用于安装轴承、螺钉等部件。
④ 攻螺纹:在箱体类零件上攻出螺纹,用于连接其他零件。
四、实习过程1. 实习前期:了解典型零件的加工工艺、设备、刀具和量具的使用方法,熟悉实习环境和安全操作规程。
数控车床典型零件加工数控车床是一种高精度、高效率的机床,它可以在一次夹紧下,通过预先设定的程序,自动完成一系列的加工过程。
在今天的工业生产中,数控车床已经成为了不可替代的设备之一。
下面,我们将对数控车床典型零件加工进行详细的介绍。
一、数控车床的工作原理数控车床的加工过程是通过控制主轴、动力刀架等机床部件的运动,使零件在机床工作台上进行加工。
程序由控制系统发出,通过电气、液压和气压等驱动元件来实现。
二、数控车床典型零件加工的准备工作在实际加工中,对零件加工前的准备工作十分重要。
首先需要确定加工零件的加工序列,然后根据加工序列编写加工程序,并进行编程和调试。
同时还需要准备好数控车床所需的刀具、卡盘、托架等配件,以及对工件进行夹紧的卡具和夹具。
三、数控车床典型零件加工的加工流程1.轴类零件加工轴类零件是数控车床上最常见的零部件之一,它由主轴、飞轮、传动轴、蜗杆、导杆等相互配合构成。
轴类零件的加工过程需要进行麻花钻、车削、钻孔、切断、镗孔等多个工序。
在加工前需要根据图纸进行设计、编程或手动编码。
加工完成后,根据要求进行清洗、包装、标识。
2.齿轮加工齿轮是机械传动系统中最常用的一种零件,它具有精密传动、传递大扭矩和平稳工作等特点。
数控车床加工齿轮需要做好几个准备工作,包括选取合适的切削刀具,调整切削参数,设置机床的运动轴线和加工速度等。
在加工过程中,需要进行车削、镗孔、打齿、齿磨等多个工序,同时还需要进行精度测量和误差调整。
3.机床主体部件加工机床主体部件是数控车床的重要组成部分,包括床身、床板、主轴箱、润滑系统等。
数控车床主体部件的加工过程需要进行铣削、切削、钻孔等多个工序。
加工之前需要进行设计和制定加工计划,选取合适的刀具和设定切削参数。
在加工过程中,需要不断调整加工参数,测量加工精度,确保最终加工的零件符合设计要求。
四、数控车床典型零件加工的优势与传统车床的传统机械加工相比,数控车床具有如下优势:1.可以在一次夹紧下完成多个工序。
第四章数控车床典型零件的加工第一节数控车工操作工(中级)课题Ⅰ一、实训图纸1.如图(1)所示,毛坯尺寸φ36×115㎜,材料45#钢,1号刀:粗精车外圆刀(90°右偏刀),2号刀:切断刀(刀宽4㎜)。
2.零件图工艺分析(1)技术要求分析。
如图(1)所示,零件包括外沟槽,外圆锥,半球体和切断等加工。
其中工件的尺寸精度和表面粗糙度的要求不高。
零件材料45#钢,无热处理和硬度要求。
(2)确定装夹方案,定位基准,加工起点,换刀点。
用三爪自定心卡盘夹紧定位,加工起点和换刀点可以设为同一点,(即:G00 X100. Z100.)。
(3)制定加工方案,确定各刀具及切削用量。
如表:1013.数值计算(1)设定程序原点,以工件前端面与轴线的交点为程序原点建立工件坐标系,当工件要调头车削时,也同样以前端面与轴线的交点为程序原点建立工件坐标系。
工件加工程序起始点和换刀点都设在(X100.,Z100.)位置点。
(2)暂不考虑刀具刀尖圆弧半径对工件轮廓的影响。
4.工件参考程序a) 工件的参考程序。
102b) 工件的参考程序。
103104N0420M03N0430 T22 换刀补号为02的02号刀N0440 G00 X38 Z-50N0450 G01 X25 F100 切槽N0460 G00 X100N0470 G00 Z100N0480 M30 程序结束第二节数控车工操作工(中级)课题Ⅱ一、实训图纸如下图所示,已知毛坯为φ40×115的45钢,要求编制数控加工程序并完成零件的加工。
注:毛坯为Ø40,零件还没有进行粗加工。
数控车工操作工(中级)课题Ⅱ比例数量材料(图2)1 45钢姓名日期中船澄西技工学校评分1.如图(2)所示,毛坯尺寸φ40×115㎜,材料45#钢,1号刀:粗精车外圆刀(90°右偏刀),2号刀:切断刀(刀宽5㎜),3号刀:外螺纹车刀(60°)2.零件图工艺分析105(1)技术要求分析。
如图(2)所示,零件包括复杂的外形面,外沟槽,外圆锥,半球体,圆弧面,和切断等加工。
其中工件的外圆尺寸精度和表面粗糙度的要求很高。
零件材料45#钢,无热处理和硬度要求。
(2)确定装夹方案,定位基准,加工起点,换刀点。
用三爪自定心卡盘夹紧定位,加工起点和换刀点可以设为同一点,(即:G00 X100. Z100.)。
(3)制定加工方案,确定各刀具及切削用量。
如下图:3.数值计算(1)设定程序原点,以工件前端面与轴线的交点为程序原点建立工件坐标系,当工件要调头车削时,也同样以前端面与轴线的交点为程序原点建立工件坐标系。
工件加工程序起始点和换刀点都设在(X100.,Z100.)位置点。
(2)计算螺纹切入的深度: ap=1.25×P。
(3)暂不考虑刀具刀尖圆弧半径对工件轮廓的影响。
4.工件参考程序与加工操作过程(1)工件的参考程序。
106107(2)工件的参考程序。
108109110第三节数控车工操作工(中级)课题Ⅲ一、实训图纸注:毛坯为Ø40,零件还没有进行粗加工。
未注倒角2×45°。
数控车工操作工(中级)课题Ⅲ比例数量材料(图3号)1 45钢姓名日期中船澄西技工学校评分3.如图(3)所示,毛坯尺寸φ40×96㎜,材料45#钢,1号刀:粗精车外圆刀(90°右偏刀),2号刀:切断刀(刀宽3㎜),3号刀:外螺纹车刀(60°)4.零件图工艺分析(1)技术要求分析。
如图(3)所示,零件包括复杂的外形面,外沟槽,V型槽,外圆锥,半球体,圆弧面的加工。
其中工件的外圆尺寸精度和表面粗糙度的要求很高。
零件材料45#钢,无热处理和硬度要求。
(2)确定装夹方案,定位基准,加工起点,换刀点。
用三爪自定心卡盘夹紧定位,加工起点和换刀点可以设为同一点,(即:G00 X100. Z100.)。
(3)制定加工方案,确定各刀具及切削用量。
如下图:实训课题典型零件的编程及加工零件名称轴类零件零件图号 3序号刀具号刀具名称及规格刀尖半径数量加工表面备注1 T0101 90°粗精车外圆刀0.2 1 外轮廓2 T0202 切槽刀刀宽3㎜ 1 切槽左刀尖1113.数值计算(1)设定程序原点,以工件前端面与轴线的交点为程序原点建立工件坐标系,当工件要调头车削时,也同样以前端面与轴线的交点为程序原点建立工件坐标系。
工件加工程序起始点和换刀点都设在(X100.,Z100.)位置点。
(2)计算螺纹切入的深度: ap=1.25×P。
(3)暂不考虑刀具刀尖圆弧半径对工件轮廓的影响。
4.工件参考程序(3)工件的参考程序。
112113114b) 工件的参考程序。
115116117118第四节数控车工操作工(中级)课题Ⅳ一、实训图纸如下图所示,已知毛坯为φ30×105的45钢,要求编制数控加工程序并完成零件的加工。
5.如图(4)所示,毛坯尺寸φ30×105㎜,材料45#钢,1号刀:粗精车外圆刀(90°右偏刀),2号刀:切断刀(刀宽4㎜),3号刀:外螺纹车刀(60°)6.零件图工艺分析(1)技术要求分析。
如图(4)所示,零件包括复杂的外形面,外沟槽,外圆锥,半球体,圆弧面的加工。
其中工件的外圆尺寸精度和表面粗糙度的要求很高。
零件材料45#钢,无热处理和硬度要求。
(2)确定装夹方案,定位基准,加工起点,换刀点。
用三爪自定心卡盘夹紧定位,加工起点和换刀点可以设为同一点,(即:G00 X100. Z100.)。
(3)制定加工方案,确定各刀具及切削用量。
如下图:1193.数值计算(1)设定程序原点,以工件前端面与轴线的交点为程序原点建立工件坐标系,当工件要调头车削时,也同样以前端面与轴线的交点为程序原点建立工件坐标系。
工件加工程序起始点和换刀点都设在(X100.,Z100.)位置点。
(2)计算螺纹切入的深度: ap=1.25×P。
(3)暂不考虑刀具刀尖圆弧半径对工件轮廓的影响。
4.工件参考程序。
(4)工件的参考程序。
120121122(5)工件的参考程序。
123124125第五节数控车工操作工(中级)课题Ⅴ一、实训图纸7.如图(5)所示,毛坯尺寸φ40×96㎜,材料45#钢,1号刀:粗精车外圆刀(90°右偏刀),2号刀:切断刀(刀宽5㎜),3号刀:外螺纹车刀(60°)8.零件图工艺分析(1)技术要求分析。
如图(5)所示,零件包括复杂的外形面,外沟槽,外圆锥,半球体,圆弧面的加工。
其中工件的外圆尺寸精度和表面粗糙度的要求很高。
零件材料45#钢,无热处理和硬度要求。
126(2)确定装夹方案,定位基准,加工起点,换刀点。
用三爪自定心卡盘夹紧定位,加工起点和换刀点可以设为同一点,(即:G00 X100. Z100.)。
(3)制定加工方案,确定各刀具及切削用量。
如下图:3.数值计算(1)设定程序原点,以工件前端面与轴线的交点为程序原点建立工件坐标系,当工件要调头车削时,也同样以前端面与轴线的交点为程序原点建立工件坐标系。
工件加工程序起始点和换刀点都设在(X100.,Z100.)位置点。
(2)计算螺纹切入的深度: ap=1.25×P。
(3)暂不考虑刀具刀尖圆弧半径对工件轮廓的影响。
4.工件参考程序与加工操作过程(6)工件的参考程序。
127128129(7)工件的参考程序。
130131132第六节数控车工操作工(中级)课题Ⅵ一、实训图纸如下图所示,已知毛坯为φ45×102的45钢,要求编制数控加工程序并完成零件的加工。
9.如图(6)所示,毛坯尺寸φ45×102㎜,材料45#钢,1号刀:粗精车外圆刀(90°右偏刀,刀尖角35°),2号刀:切断刀(刀宽4㎜),3号刀:外螺纹车刀(60°)10.零件图工艺分析(1)技术要求分析。
如图(6)所示,零件包括复杂的外形面,外沟槽,外圆锥,圆弧面的加133工。
其中工件的外圆尺寸精度和表面粗糙度的要求很高。
零件材料45#钢,无热处理和硬度要求。
(2)确定装夹方案,定位基准,加工起点,换刀点。
用三爪自定心卡盘夹紧定位,加工起点和换刀点可以设为同一点,(即:G00 X100. Z100.)。
(3)制定加工方案,确定各刀具及切削用量。
如下图:3.数值计算(1)设定程序原点,以工件前端面与轴线的交点为程序原点建立工件坐标系,当工件要调头车削时,也同样以前端面与轴线的交点为程序原点建立工件坐标系。
工件加工程序起始点和换刀点都设在(X100.,Z100.)位置点。
(2)计算螺纹切入的深度: ap=1.25×P。
(3)暂不考虑刀具刀尖圆弧半径对工件轮廓的影响。
4.工件参考程序(8)工件的参考程序。
134135136(9)工件的参考程序。
137138139140。