机械制图图纸幅面尺寸
- 格式:doc
- 大小:48.50 KB
- 文档页数:3
精心整理
(2)图幅分区数目按图样的复杂程度确定,但必须取偶数。
每一分区的长度应在25~75mm之间选择。
(3)分区的编号,沿上下方向(按看图方向确定图纸的上下和左右)用直体大写拉丁字母从上到下顺序编写;沿水平方向用直体阿拉伯数字从左到右顺序编写。
当分区数超过拉丁字母的总数时,超过的各区可用双重字母编写,如AA、BB、CC…等。
拉丁字母和阿拉伯数字的位置应尽量靠近图框线。
(4)在图样中标注分区代号时,分区代号由拉丁字母和阿拉伯数字组成,字母在前数字在后并排书写,如B3、C5等。
当分区代号与图形名称同时标注时,则分区代号写在图形名称的后面,中间空出一个字母的宽度,例如E-EA7。
精心整理
1.2比例(GB/T14690-1993)
?? (1)图中图形与其实物相应要素的线性尺寸之比称为比例。
?? (2)比值为1的比例称为原值比例,即1:1。
比值大于的比例称为放大比例,如2:1等。
比值小于的比例称为缩小比例,如1:2等。
绘图时应采用下表中规定的比例,最好选用原值比例,但也可根据机件大小和复杂程度选用放大或缩小比例。
??
??。
机械制图要求规范国家标准20211114104801一、图纸幅面和格式1. 图纸幅面:按照国家标准,机械制图图纸幅面分为A0、A1、A2、A3、A4、A5等六种规格,其中A0幅面最大,A5幅面最小。
制图时,应根据实际需要选择合适的图纸幅面。
2. 图纸格式:机械制图图纸应包括栏、绘图栏、比例尺、图纸编号等要素。
栏应包含图名、比例、材料、绘图人、审核人、批准人等信息;绘图栏应包含视图、剖视图、断面图等;比例尺应清晰标示;图纸编号应具有唯一性。
二、线条、符号和标注1. 线条:机械制图中常用的线条包括实线、虚线、点划线、双点划线等。
实线表示可见轮廓线,虚线表示不可见轮廓线,点划线表示中心线,双点划线表示断裂线。
制图时,应根据实际需要选择合适的线条。
2. 符号:机械制图中常用的符号包括尺寸符号、表面粗糙度符号、焊接符号等。
尺寸符号用于标注零件尺寸,表面粗糙度符号用于表示零件表面质量要求,焊接符号用于表示焊接方式。
制图时,应按照国家标准正确使用符号。
三、视图和剖视图1. 视图:机械制图中的视图包括主视图、俯视图、左视图、右视图、仰视图、后视图等。
制图时,应根据零件的结构特点选择合适的视图,以充分展示零件的形状和尺寸。
2. 剖视图:机械制图中的剖视图包括全剖视图、半剖视图、局部剖视图等。
制图时,应根据零件的结构特点选择合适的剖视图,以清晰展示零件的内部结构。
四、图纸绘制要求1. 绘图工具:机械制图应使用专业的绘图工具,如绘图板、绘图笔、绘图墨水等。
绘图时,应保证图纸清晰、整洁。
2. 绘图规范:机械制图应遵循国家标准,如《机械制图通用规范》(GB/T 4458.12002)等。
制图时,应按照规范要求进行绘图。
3. 图纸审核:机械制图完成后,应进行审核。
审核内容包括图纸的完整性、准确性、一致性等。
审核通过后,方可进行后续的制造、加工等环节。
机械制图要求规范国家标准20211114104801五、比例和尺寸标注1. 比例:机械制图中的比例应按照国家标准进行选择,如1:1、2:1、1:2等。
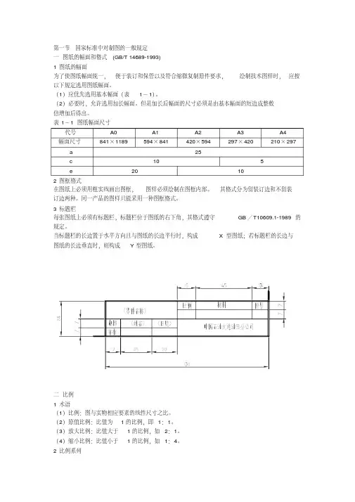
第一节国家标准中对制图的一般规定一图纸的幅面和格式(GB/T 14689-1993)1 图纸的幅面为了使图纸幅面统一,便于装订和保管以及符合缩微复制原件要求,绘制技术图样时,应按以下规定选用图纸幅面。
(1)应优先选用基本幅面(表1-1)。
(2)必要时,允许选用加长幅面。
但是加长后幅面的尺寸必须是由基本幅面的短边成整数倍增加后得出。
表1-1 图纸幅面尺寸代号A0 A1 A2 A3 A4幅面尺寸841×1189 594×841 420×594 297×420 210×297a 25c 10 5e 20 102 图框格式在图纸上必须用粗实线画出图框,图样必须绘制在图框内部。
其格式分为留装订边和不留装订边两种。
同一产品的图样只能采用一种图框格式。
3 标题栏每张图纸上必须有标题栏,标题栏位于图纸的右下角,其格式遵守GB/T10609.1-1989的规定。
当标题栏的长边置于水平方向且与图纸的长边平行时,构成X型图纸;若标题栏的长边与图纸的长边垂直时,则构成Y型图纸。
二比例1 术语(1)比例:图与实物相应要素的线性尺寸之比。
(2)原值比例:比值为1的比例,即1:1。
(3)放大比例:比值大于1的比例,如2:1。
(4)缩小比例:比值小于1的比例,如1:4。
2 比例系列绘制图样是,应根据需要按表1-2中规定的优选选择系列中选取适当的比例。
为了从图样上直接反映出事物的大小,绘图时应尽量采用原值比例。
3 标注方法(1)比例符号应以“:”表示,如1:1,2:1等。
(2)比例一般标注在标题栏中的比例栏内。
不论采用何种比例,图形中所标注的尺寸数值必须是实物的实际大小,与图形的比例无关。
表1-2 比例系列种类优先选择系列允许选择系列原值比例1:1 -放大比例5:1 2:15×10n:1 2×10n:14:1 2.5:14×10n:1 2.5×10n:1缩小比例1:2 1:5 1:101:2×10n 1:5×10n 1:10×10n1:1.5 1:2.5 1:3 1:4 1:61:1.5×10n 1:2.5×10n 1:3×10n1:4×10n 1:6×10nab三字体1在图样中书写的汉字、数字和字母,都必须做到“字体工整、笔划清楚、间隔均匀、排列整齐”。
1.1图纸幅面及格式(GB/T 14689-1993 )幅面代号A0A1A2A3A4尺寸EXE841X1183594X&41430X594297X420210X297 Q105Q.25&20101.1.1图纸幅面尺寸和代号髄代号A3X3A3X4MX3A4X4A4X5尺寸FXA420X391420X1189297X63C297X341297X1051師代号尺寸号皿幅回代号尺寸B^LAOX21189X1SB2A3X5420X1486| AOX3118SX 2523A3X6^20X1733 ALX3341 X1783ASX7 d 20X2080ALX4S41X237B A4Xg2C7X1261| A9X3S04X12S1257X1471 A2X4504X1632A4XS2S7X1682A2X 5504X2102A4X92S7X18921.1.2图框格式图纸上必须用粗实线画出图框,其格式如图3所示,分为留有装订边和不留装订边两种,但同一产品的图纸只能采用一种格式。
(1) 留有装订边的图纸的图框格式如图3(a)、(b)所示,图中尺寸a、c按表1的规定选用;(2) 不留装订边的图纸的图框格式如图3(c)、(d)所示,图中尺寸e按表1的规定选用;(3) 加长幅面图纸的图框尺寸,按所选用的基本幅面大一号的图框尺寸确定。
例如A2X3的图框尺寸,按A1的图框尺寸确定,即e为20(或c为10),而A3X4的图框尺寸,按A2的图框尺寸确定,即e为10 (或c为10 )。
M2(a) ⑹ 3 (d)巾牯住仍1("汕72T2乍£$ E i 4r'0 -ft点動1■Qb (眉(魏(钿)8* 2i 1fc«i»55II $哉-(a #I勺址*II J2_121612防5(?1.1.3标题栏及其方位标题栏一般由名称及代号区、签字区、更改区及其他区组成。
(1) 标题栏的格式和尺寸按GB/T 10609.1-1989 的规定,如图所示。
机械制图图纸幅面尺寸
绘制图样时,优先采用表中规定的幅面尺寸,必要时可以沿长边加长。
对于A0、A2、A4幅面的加长量应按A0幅面长边的八分之一的倍数增加;对于A1、A3幅面的加长量应按A0幅面短边的四分之一的倍数增加,见图1 中的细实线部分。
A0及A1幅面也允许同时加长两边,见图1 中的虚线部分。
图框格式:需要装订的图样,其图框格式如图2、图3 所示,尺寸按表中的规定。
一般采用A4幅面竖装或A3幅面横装。
不留装订边的图样,其图框格式如图4、图5 所示,尺寸按表中的规定。
图框线用粗实线绘制。
为了复制或缩微摄影的方便,可采用对中等号,对中符号从周边画入图框内约5mm 的一段粗实线(图6、9、10)。
标题栏的方位:标题栏的位置应按图2~5 所示的方式配置。
必要时,也可按图7、图8 所示的方式配置。
标题栏中的文字方向为看图的方向。
图幅分区:必要时图幅可分区,如图9、图10 所示。
图幅分区的数目应是偶数,按图样的复杂程度来确定。
分区线为细实线,每一分区的长度应在25~150mm之间选取。
在分区内,按标题栏的长边方向从左到右用直体阿拉伯数字依次编号;按标题栏的短边方向从上到下用大写直体拉丁字母依次编号。
编号顺序应从图纸的左上角开始,并在对应的边上重编一次(图9、10)。
当图幅的分区数超过字母的总数时,超过的各区用双重的字母(AA、BB、CC……)依次编写。
分区代号用数字和字母表示;阿拉伯数字在左,拉丁字母在右,如3B、5C。