【CN209865402U】砂水分离器【专利】
- 格式:pdf
- 大小:387.62 KB
- 文档页数:7
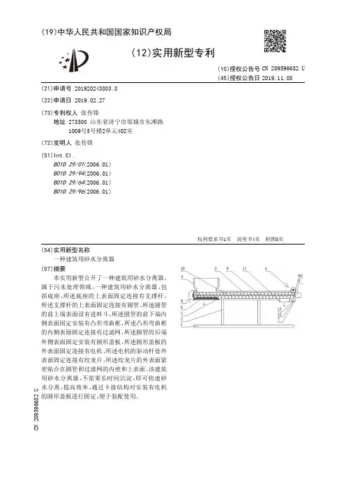
(19)中华人民共和国国家知识产权局(12)实用新型专利(10)授权公告号 (45)授权公告日 (21)申请号 201920243803.8(22)申请日 2019.02.27(73)专利权人 张传锋地址 273500 山东省济宁市邹城市东滩路1009号5号楼2单元402室(72)发明人 张传锋 (51)Int.Cl.B01D 29/01(2006.01)B01D 29/94(2006.01)B01D 29/64(2006.01)B01D 29/96(2006.01)(54)实用新型名称一种建筑用砂水分离器(57)摘要本实用新型公开了一种建筑用砂水分离器,属于污水处理领域,一种建筑用砂水分离器,包括底座,所述底座的上表面固定连接有支撑杆,所述支撑杆的上表面固定连接有圆管,所述圆管的前上端表面设有进料斗,所述圆管的前下端内侧表面固定安装有凸形弯曲框,所述凸形弯曲框的内侧表面固定连接有过滤网,所述圆管的后端外侧表面固定安装有圆形盖板,所述圆形盖板的外表面固定连接有电机,所述电机的驱动杆处外表面固定连接有绞龙片,所述绞龙片的外表面紧密贴合在圆管和过滤网的内壁和上表面。
该建筑用砂水分离器,不需要长时间沉淀,即可快速砂水分离,提高效率,通过卡接结构对安装有电机的圆形盖板进行固定,便于装配使用。
权利要求书1页 说明书4页 附图3页CN 209596652 U 2019.11.08C N 209596652U权 利 要 求 书1/1页CN 209596652 U1.一种建筑用砂水分离器,包括底座(1),其特征在于:所述底座(1)的上表面固定连接有支撑杆(2),所述支撑杆(2)的上表面固定连接有圆管(3),所述圆管(3)的前上端表面设有进料斗(4),所述圆管(3)的前下端内侧表面固定安装有凸形弯曲框(5),所述凸形弯曲框(5)的内侧表面固定连接有过滤网(6),所述圆管(3)的后端外侧表面固定安装有圆形盖板(7),所述圆形盖板(7)的外表面固定连接有电机(8),所述电机(8)的驱动杆(9)处外表面固定连接有绞龙片(10),所述绞龙片(10)的外表面紧密贴合在圆管(3)和过滤网(6)的内壁和上表面,所述圆管(3)的后下端外侧表面设有漏口(11),所述圆形盖板(7)的前端表面固定连接有定位块(12),所述定位块(12)的外表面通过定位槽(13)滑动连接在圆管(3)的后端外圈处内侧表面,所述圆形盖板(7)的上端定位块(12)的内侧表面通过滑槽(14)滑动连接有第一弹簧(15)和卡块(16),所述卡块(16)的下端面通过卡槽(17)滑动连接在圆管(3)的后上端内侧表面,所述卡块(16)的上表面固定连接有T形拉销(18)。
专利名称:一种砂水分离机
专利类型:实用新型专利
发明人:赵富宇
申请号:CN201921676187.1申请日:20191008
公开号:CN210698943U
公开日:
20200609
专利内容由知识产权出版社提供
摘要:本实用新型涉及砂水分离领域,且公开了一种砂水分离机,包括支脚,支脚为长方形长杆且支脚有四组,四组支脚垂直放置且四组支脚的上端固定安装有分离箱,分离箱为矩形的空心箱,分离箱的右端固定安装有输送管。
本实用新型中,水会在分离漏斗的内部聚集,在水位不断的升高时,水的浮力会推动滑套在竖杆上向上移动,磁块和固定磁块辅助移动隔板在滑槽内部滑动,当移动隔板脱离出水管入口的位置时,水会从出水管流出,水位随着水的流出下降,滑套会在拉簧的拉力下向下移动回到初始位置,从而使得水在分离出来后会在分离漏斗的内部静置一段时间然后再周期性排出,防止水内部小颗粒随水一并排出,达到提高排出水纯度的效果。
申请人:扬州市水世界环保设备有限公司
地址:225200 江苏省扬州市江都区真武镇杨庄北工业园(天龙路)
国籍:CN
代理机构:扬州润中专利代理事务所(普通合伙)
代理人:张琳
更多信息请下载全文后查看。
专利名称:自动分段调速砂水分离器专利类型:发明专利
发明人:郦智明
申请号:CN201711100714.X
申请日:20171109
公开号:CN109761308A
公开日:
20190517
专利内容由知识产权出版社提供
摘要:本发明公开了一种自动分段调速砂水分离器,包括砂水分离器和控制箱,砂水分离器为支撑架上设砂水仓,中间U型槽,下设锥形导流管,内设锥形无轴螺旋,锥形无轴螺旋顶端与变频电机连接,变频电机内设扭力传感器,外设输出集成电缆与控制箱接通,控制箱含箱体与箱盖,箱盖上设观察窗,底部排列设两件排风扇一,中间设功能开关和急停开关,对应上方各设指示灯,箱体左右侧各设排风扇二与吸风扇,内腔设PLC控制器和变频器,各电器间用电源连接线连通,并与输入电源线连接,本发明采用变频器加传感器配合PLC控制器来对砂水分离器的运行控制实现自动化,根据需处理砂水量的多少自动调节的流量,提高运行效率、降低成本。
申请人:浙江永立环保股份有限公司
地址:311800 浙江省绍兴市诸暨市暨阳街道赵家村
国籍:CN
更多信息请下载全文后查看。
专利名称:一种砂水分离器及砂石分离装置
专利类型:实用新型专利
发明人:冯志敏,陈凯明,高峰,张学渊,蔡长胜,龙贵申请号:CN202122292685.X
申请日:20210922
公开号:CN216170626U
公开日:
20220405
专利内容由知识产权出版社提供
摘要:本实用新型提供的一种砂水分离器及砂石分离装置,其中砂水分离器包括分离箱,所述分离箱上设置有进料口、出水口和出料口,所述进料口和出水口分别设置在所述分离箱后侧壁的两端,所述出料口位于所述分离箱的前侧壁上,且与所述出水口位于同一侧;本实用新型所提供的一种砂水分离器及砂石分离装置,通过设置分离箱和隔板,利用砂水密度的区别,采用反弹式砂水分离方式,实现了连续不间隔且无需等待的砂水分离作业。
申请人:湖南恒德环保设备有限公司
地址:410100 湖南省长沙市长沙县星沙街道开元中路41号开源鑫贸大楼3804号
国籍:CN
代理机构:长沙和诚容创知识产权代理事务所(普通合伙)
代理人:雷石清
更多信息请下载全文后查看。
专利名称:一种泥沙快速沉淀沙水分离器专利类型:实用新型专利
发明人:裴虎成
申请号:CN202122025531.4
申请日:20210826
公开号:CN215609936U
公开日:
20220125
专利内容由知识产权出版社提供
摘要:本实用新型公开了一种泥沙快速沉淀沙水分离器,包括箱体,所述箱体的上表面固定连接有螺纹环,所述箱体的顶内壁固定连接有分离斗,所述分离斗的侧表面固定连接有引流管,所述分离斗的下表面固定连接有单向阀,所述单向阀的下表面固定连接有管道,所述管道远离单向阀的一端延伸至箱体的外侧。
本实用新型,通过设计螺纹环、多个分离斗与单向阀,实现在分离水、沙的过程中面对不同流量的需求,可以保证分离效果的稳定,通过设计扰流块、引流管,实现装置在运行的过程中,避免细小的碎屑造成过滤器的堵塞,避免分离斗外侧水流扰动过大,导致沙子的难以沉降,通过设计绞龙与倾斜板,实现对沙子进行聚拢并主动排出,增加装置的实用性。
申请人:四川恒沃环保工程有限公司
地址:610000 四川省成都市武侯区火车南站西路27号1栋18层5号
国籍:CN
代理机构:北京化育知识产权代理有限公司
代理人:闫露露
更多信息请下载全文后查看。
专利名称:一种绿色施工用砂水分离装置
专利类型:实用新型专利
发明人:陈建,汪庆豪,金明春,麻玉侠,龚孙武,梅春燕,王柏军申请号:CN202023266118.9
申请日:20201230
公开号:CN215609815U
公开日:
20220125
专利内容由知识产权出版社提供
摘要:本实用新型涉及建筑施工设备技术领域,特别涉及一种绿色施工用砂水分离装置。
包括机架,机架上设置有分离筒,分离筒内设置送料螺杆,分离筒的始端设置有驱动送料螺杆的送料电机,分离筒于送料电机的一端顶部设置有进料口,分离筒上由另一端依次设置滤水部和若干不同网孔的分砂部。
所述分离筒包括进料段和分离段,进料段固定,分离段与进料段配合连接,分离段的两端通过轴承固定于机架上使其能够转动;分离段配合设置有驱动其转动的驱动机构。
利用该装置,不仅可以进行砂水的分离,同时还能根据砂石的尺寸进行不同规格的分离,同时,该装置利用了重力效应,节省了螺杆的压力,从而节省了电能。
申请人:瑞宇建设有限公司
地址:325102 浙江省温州市永嘉县瓯北街道双塔路(永嘉县瓯北广播电视站)10楼1008室
国籍:CN
代理机构:杭州知见专利代理有限公司
代理人:赵越剑
更多信息请下载全文后查看。
(19)中华人民共和国国家知识产权局
(12)实用新型专利
(10)授权公告号 (45)授权公告日 (21)申请号 201920476660.5
(22)申请日 2019.04.08
(73)专利权人 佛山市瑞丰环保技术有限公司
地址 528000 广东省佛山市南海区狮山镇
松岗南海花卉城南区8号二层
(72)发明人 万展麒
(74)专利代理机构 新余市渝星知识产权代理事
务所(普通合伙) 36124
代理人 何国强
(51)Int.Cl.
B01D 21/02(2006.01)
B01D 21/24(2006.01)
(54)实用新型名称砂水分离器(57)摘要砂水分离器,包括水箱、位于水箱底部的U形槽、送料管、带有螺旋叶片的螺杆、以及驱动组件,螺杆的一部分穿接在送料管内、另一部分置于U形槽内,且螺杆的一端枢接在送料管的顶端部、另一端枢接在水箱上;送料管的顶端设置有排料口;驱动组件包括电机、减速器以及传动轴,减速器的壳体固定在水箱的顶端部,电机固定在减速器的壳体上,且电机的输出轴与减速器连接,传动轴的一端连接于减速器,另一端与螺杆穿出送料管顶端的一端同步联接。
本实用新型使设备的重心能够更加靠近水箱的中部,减小了设备在工作时产生的振动;同时,可配置较大的电机以及减速器,提供相对较大的输出功率,确保螺杆能够顺畅的转动,继而保证设备能够正常工
作。
权利要求书1页 说明书3页 附图2页CN 209865402 U 2019.12.31
C N 209865402
U
权 利 要 求 书1/1页CN 209865402 U
1.砂水分离器,其特征在于,包括水箱、位于水箱底部的U形槽、由水箱的前端倾斜向上延伸出的送料管、带有螺旋叶片的螺杆、以及驱动组件,螺杆的一部分穿接在送料管内、另一部分置于U形槽内,且螺杆的一端枢接在送料管的顶端部、另一端枢接在水箱上;送料管的顶端设置有排料口;驱动组件包括电机、减速器以及传动轴,减速器的壳体固定在水箱的顶端部,电机固定在减速器的壳体上,且电机的输出轴与减速器连接,传动轴的一端连接于减速器,另一端与螺杆穿出送料管顶端的一端同步联接。
2.如权利要求1所述的砂水分离器,其特征在于,传动轴的另一端安装有主动链轮、螺杆穿出送料管顶端的一端安装有从动链轮,主动链轮和从动链轮外部绕设有将其二者同步联接的链条。
3.如权利要求2所述的砂水分离器,其特征在于,水箱的顶部固定连接有一支撑座,该支撑座包括水平底板、顶板以及连接于顶板和底板之间的腹板,顶板的延伸方向与送料管的延伸方向平行,水平底板通过螺栓固定连接在水箱的顶部,减速器的壳体通过螺栓固定连接在顶板上。
4.如权利要求3所述的砂水分离器,其特征在于,减速器壳体的下表面与顶板的上表面之间还夹持有至少一个层叠设置的调整垫片。
5.如权利要求1所述的砂水分离器,其特征在于,送料管的中部固定连接有一轴座,轴座上设置有套设在传动轴中部的轴套。
6.如权利要求1所述的砂水分离器,其特征在于,送料管的顶端固定有一安装板,传动轴的另一端穿接在该安装板上并与安装板枢转配合。
7.如权利要求1所述的砂水分离器,其特征在于,水箱的前端以及后端均设置有支腿。
2。