(样板)3503-J130垫铁隐蔽记录
- 格式:doc
- 大小:424.50 KB
- 文档页数:9
设备安装垫铁隐蔽工程检查验收记录
工程名称×××××××建设单位×××××××
工程部位渣浆泵垫铁施工单位×××××××
垫铁布置示意图(标注垫铁规格、位置、块数、高度):
斜垫铁100*50*14一组
平垫铁100*50*16一块
检查项目安装要求检查结果
设备找正数据符合规范要求□不符合□符合
垫铁规格符合施工方案要求□不符合□符合
垫铁布置位置符合规范要求□不符合□符合
每组垫铁块数≥3 □不符合□符合
每组垫铁高度30mm~~70mm □不符合□符合
斜垫铁搭接长度≥120mm □不符合□符合
垫铁间点焊固定以电焊固定□不符合□符合
结论:
经检查,□不符合□符合设计文件和规范要求,□不可以□可以隐蔽。
施工单位监理(建设)单位
专业施工技术负责人:
质检员:
年月日专业监理工程师:
(建设单位项目负责人)
年月日。
SH/T 3503—J113 垫铁隐蔽记录工程名称:XXXXXXXXXX项目—60万吨/年离子膜烧碱项目
单位名称:电解厂房
设备/结构名称阴极液循环泵位号10-PP-1274A
垫铁布置位置示意图:
垫铁情况说明:
平垫铁尺寸(长×宽×高):160×80×16 斜垫铁尺寸(长×宽×薄端高):160×80×3斜度:1:12 每组垫铁构成:块数:1块平垫铁、2块斜垫铁;垫铁组高度:35mm
检查项目安装要求检查结果
设备找正数据符合规范要求□不符合 符合
垫铁规格符合施工方案要求□不符合 符合
垫铁布置位置符合规范要求□不符合 符合
每组垫铁块数符合规范要求□不符合 符合
每组垫铁高度符合设计文件和规范要求□不符合 符合
斜垫铁搭接长度符合规范要求□不符合 符合
垫铁间点焊固定符合规范要求□不符合 符合
结论:
经检查,□不符合 符合设计文件和规范要求,□不可以 可以隐蔽。
建设/监理单位总承包单位施工单位
专业工程师:
日期:年月日专业工程师:
日期:年月日
施工班组长:
质量检查员:
专业工程师:
日期:年月日
7。
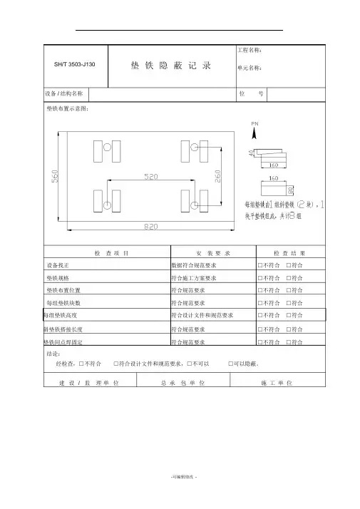
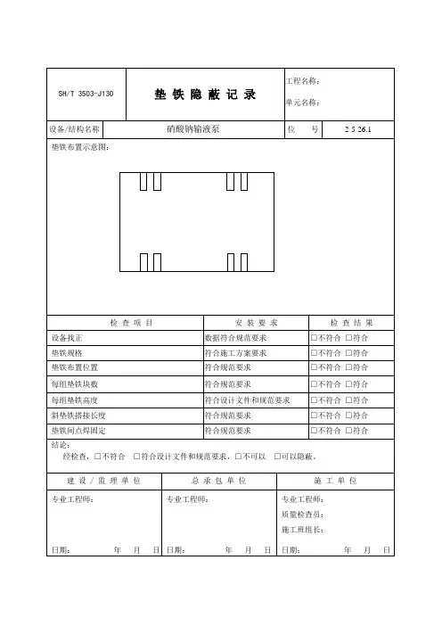
SH/T 3503-J130 垫铁隐蔽记录工程名称:单元名称:
设备/ 结构名称位号
垫铁布置示意图:
检查项目安装要求检查结果设备找正数据符合规范要求□不符合□符合垫铁规格符合施工方案要求□不符合□符合垫铁布置位置符合规范要求□不符合□符合每组垫铁块数符合规范要求□不符合□符合每组垫铁高度符合设计文件和规范要求□不符合□符合斜垫铁搭接长度符合规范要求□不符合□符合垫铁间点焊固定符合规范要求□不符合□符合结论:
经检查,□不符合□符合设计文件和规范要求,□不可以□可以隐蔽。
建设/ 监理单位总承包单位施工单位
专业工程师:专业工程师:专业工程师:
质量检查员:
施工班组长:
日期:年月日日期:年月日日期:年月日
Welcome To Download !!!
欢迎您的下载,资料仅供参考!。
设备安装垫铁、地脚螺栓隐蔽验收记录
记录日期:年月日施工单位单位工程名称
分部工程名称依据规范
设备名称及规
格
水环式真空泵2BEC42
垫铁组数
垫铁型号
垫铁总高度/层
数
垫铁接触情况垫铁与垫铁:稳、实垫铁与设备:稳、实垫铁与基础:稳、实
地脚螺栓型号规格
垂直度
垫圈接触螺母与垫圈:完全接触垫圈与设备:完全接触
地脚螺栓孔(基础表面)清洁情况:清洁无杂质
地脚螺栓(垫铁)清洁情况:清洁无铁锈
附图及说明:
验收意见:依据煤炭安装工程质量检验评定标准要求,上述项目经监理检查后同意验收。
安装单位代表:监理单位代表:建设单位代表:
瓦斯抽放泵安装垫铁、地脚螺栓隐蔽验收
报验申请表
工程名称:鹤壁市大河涧许沟煤矿瓦斯抽放泵站及瓦斯管路安装工程编号:致:鹤壁市鹤武工程建设监理有限公司(监理公司)
我单位已完成瓦斯抽放泵安装垫铁、地脚螺栓隐蔽安装的工作。
现报上该工程报验申请表,请予以审查验收。
附件:1、瓦斯抽放泵安装垫铁、地脚螺栓隐蔽验收记录
承包单位(章):
项目经理:
日期:
监理审查意见:
监理单位(章):
总/专业监理工程师:
日期:。
SH/T 3503-J101B垫铁规格 符合施工方案要求 □不符合□符合页脚内容1工程名称:16万吨/年液化气 合成清洁燃料项目单元名称:装置区编号:P TNY-JSSA-SBAZ-001•A 「旷■诊设备/结构名 垫铁布置示意图:脱轻烃塔 C-101设备找正 检查项目 安装要求 检查结果数据符合规范要求 □不符合□符合SH/T 3503-J130垫铁隐蔽记录页脚内容2垫铁规格 符合施工方案要求 □不符合□符合页脚内容3SH/T 3503-J130 垫铁隐蔽记录设备/结构名 垫铁布置示意图: 检查项目 设备找正 原料预处理塔 :/— ■1A A■ 诊安装要求 数据符合规范要求 工程名称:16万吨/年液化气 合成清洁燃料项目单元名称:装置区编号:P TNY-JSSA-SBAZ-002C-102检查结果□不符合□符合页脚内容4垫铁规格 符合施工方案要求 □不符合□符合页脚内容5SH/T 3503-J130 垫铁隐蔽记录设备/结构名 垫铁布置示意图: 检查项目 设备找正 脱异丁烷塔 :/— ■1A A■ 诊安装要求 数据符合规范要求 工程名称:16万吨/年液化气 合成清洁燃料项目单元名称:装置区编号:PTNY-JSSA-SBAZ-003C-201检查结果□不符合□符合页脚内容6垫铁规格 符合施工方案要求 □不符合□符合页脚内容7SH/T 3503-J130 垫铁隐蔽记录设备/结构名 垫铁布置示意图: 检查项目 设备找正 脱正丁烷塔 :/— ■1A A■ 诊安装要求 数据符合规范要求 工程名称:16万吨/年液化气 合成清洁燃料项目单元名称:装置区编号:P TNY-JSSA-SBAZ-004C-202检查结果□不符合□符合页脚内容8SH/T 3503-J101B垫铁规格 符合施工方案要求 □不符合□符合页脚内容9工程名称:16万吨/年液化气合成清洁燃料项目单元名称:装置区编号:P TNY-JSSA-SBAZ-005设备/结构名 垫铁布置示意图: 设备找正 净化风罐 C-202检查项目 安装要求 检查结果数据符合规范要求 □不符合□符合SH/T 3503-J130垫铁隐蔽记录SH/T 3503-J101B页脚内容10工程名称:16万吨/年液化气合成清洁燃料项目SH/T 3503-J130 垫铁隐蔽记录单元名称:装置区编号:PTNY-JSSA-SBAZ-006工程名称:16万吨/年液化气合成清洁燃料项目SH/T 3503-J130 垫铁隐蔽记录单元名称:装置区编号:P TNY-JSSA-SBAZ-007工程名称:16万吨/年液化气 合成清洁燃料项目单元名称:装置区编号:PTNY-JSSA-SBAZ-009设备/结构名排酸罐SH/T 3503-J130 垫铁隐蔽记录D-216工程名称:16万吨/年液化气 合成清洁燃料项目单元名称:装置区编号:P TNY-JSSA-SBAZ-01设备/结构名脱异丁烷塔回流罐SH/T 3503-J130 垫铁隐蔽记录D-212。
SH/T 3503—J113 垫铁隐蔽记录工程名称:XXXXXXXX项目—60万吨/年离子膜烧碱项目
单位名称:电解厂房A
设备/结构名称阴极液循环泵位号10-PP-1274A
垫铁布置位置示意图:
垫铁情况说明:
平垫铁尺寸(长×宽×高):160×80×16 斜垫铁尺寸(长×宽×薄端高):160×80×3斜度:1:12 每组垫铁构成:块数:1块平垫铁、2块斜垫铁;垫铁组高度:35mm
检查项目安装要求检查结果
设备找正数据符合规范要求□不符合 符合
垫铁规格符合施工方案要求□不符合 符合
垫铁布置位置符合规范要求□不符合 符合
每组垫铁块数符合规范要求□不符合 符合
每组垫铁高度符合设计文件和规范要求□不符合 符合
斜垫铁搭接长度符合规范要求□不符合 符合
垫铁间点焊固定符合规范要求□不符合 符合
结论:
经检查,□不符合 符合设计文件和规范要求,□不可以 可以隐蔽。
建设/监理单位总承包单位施工单位
专业工程师:
日期:年月日专业工程师:
日期:年月日
施工班组长:
质量检查员:
专业工程师:
日期:年月日
7。
设备安装垫铁、地脚螺栓隐蔽验收记录
记录日期:年月日施工单位单位工程名称
分部工程名称依据规范
设备名称及规
格
水环式真空泵2BEC42
垫铁组数
垫铁型号
垫铁总高度/层
数
垫铁接触情况垫铁与垫铁:稳、实垫铁与设备:稳、实垫铁与基础:稳、实
地脚螺栓型号规格
垂直度
垫圈接触螺母与垫圈:完全接触垫圈与设备:完全接触
地脚螺栓孔(基础表面)清洁情况:清洁无杂质
地脚螺栓(垫铁)清洁情况:清洁无铁锈
附图及说明:
验收意见:依据煤炭安装工程质量检验评定标准要求,上述项目经监理检查后同意验收。
安装单位代表:监理单位代表:建设单位代表:
瓦斯抽放泵安装垫铁、地脚螺栓隐蔽验收
报验申请表
工程名称:鹤壁市大河涧许沟煤矿瓦斯抽放泵站及瓦斯管路安装工程编号:致:鹤壁市鹤武工程建设监理有限公司(监理公司)
我单位已完成瓦斯抽放泵安装垫铁、地脚螺栓隐蔽安装的工作。
现报上该工程报验申请表,请予以审查验收。
附件:1、瓦斯抽放泵安装垫铁、地脚螺栓隐蔽验收记录
承包单位(章):
项目经理:
日期:
监理审查意见:
监理单位(章):
总/专业监理工程师:
日期:。
SH/T 3503—J113 垫铁隐蔽记录
工程名称:XXXXXX项目—60万
吨/年离子膜烧碱项目
单位名称:电解厂房
设备/结构名称阴极液冷却器位号10-EP-1273
垫铁布置位置示意图:
垫铁情况说明:
平垫铁尺寸(长×宽×高):160×80×16 斜垫铁尺寸(长×宽×薄端高):160×80×3斜度:1:12 每组垫铁构成:块数:1块平垫铁、2块斜垫铁;垫铁组高度:36mm
检查项目安装要求检查结果
设备找正数据符合规范要求□不符合 符合
垫铁规格符合施工方案要求□不符合 符合
垫铁布置位置符合规范要求□不符合 符合
每组垫铁块数符合规范要求□不符合 符合
每组垫铁高度符合设计文件和规范要求□不符合 符合
斜垫铁搭接长度符合规范要求□不符合 符合
垫铁间点焊固定符合规范要求□不符合 符合
结论:
经检查,□不符合 符合设计文件和规范要求,□不可以 可以隐蔽。
建设/监理单位总承包单位施工单位
专业工程师:
日期:年月日
专业工程师:
日期:年月日
施工班组长:
质量检查员:
专业工程师:
日期:年月日。