防噪耳塞税收编码
- 格式:docx
- 大小:11.66 KB
- 文档页数:2
劳动防护用品代码劳动防护用品代码指的是根据不同行业和工作环境的需要,对劳动者的身体进行保护的各类用品的编码。
下面是劳动防护用品代码的一些常见分类和对应的用品代码。
1. 头部防护用品:- 安全帽:代码TH001- 防护帽:代码TH002- 防护面罩:代码TH003- 防护帽隔音耳罩:代码TH0042. 眼部防护用品:- 护目镜:代码EH001- 防护眼镜:代码EH002- 防护面罩:代码EH0033. 呼吸防护用品:- 一次性口罩:代码RH001- 防尘口罩:代码RH002- 防毒面具:代码RH0034. 手部防护用品:- 护手霜:代码PH001- 耐切割手套:代码PH002- 防热手套:代码PH003- 防护手套:代码PH0045. 身体防护用品:- 防护服:代码BH001- 防护裤:代码BH002- 防护鞋:代码BH003- 防护袖套:代码BH0046. 足部防护用品:- 防静电鞋:代码FH001 - 安全鞋:代码FH002- 防滑鞋:代码FH0037. 耳部防护用品:- 耳塞:代码CH001- 耳罩:代码CH002- 防噪音耳塞:代码CH0038. 全身防护用品:- 防护面罩:代码AH001 - 防护服:代码AH002- 防护手套:代码AH003 - 防护鞋:代码AH0049. 其他防护用品:- 防护膏:代码OH001- 防火罩:代码OH002- 防护背心:代码OH003这只是一些常见的劳动防护用品代码,不同国家和地区可能有些差异。
注意,具体的代码可能会根据不同的标准和制造商有所不同。
在使用劳动防护用品时,应根据相关标准和要求选择适合的产品,并确保正确使用和保养,以提高劳动者的工作安全性和健康。
防噪声用具与用途防噪声用具是指用于降低或阻隔噪声的设备或工具。
在日常生活中,噪声污染已经成为一个不可忽视的问题。
长时间暴露在噪声环境中会给人们的身体健康和心理健康带来负面影响。
因此,人们需要选择适合的防噪声用具来减少噪声对自身的危害。
以下是一些常见的防噪声用具以及它们的用途:1. 耳塞耳塞是一种可以插入耳朵中的装置,用于减少通过耳膜进入内耳的声音。
耳塞通常采用软塑料材质制成,插入耳朵后可以形成密封,隔绝噪声。
耳塞可以在各种噪音环境下使用,比如在工厂、机场、公共交通工具等地方。
此外,它们还常被用于睡眠时防止噪声干扰,或者在进行娱乐活动时降低噪音。
2. 耳罩耳罩是一种通过包裹整个耳朵的方式来阻挡噪音的防护装置。
耳罩通常由耳罩壳、密封垫、内衬泡沫和耳罩框等部分组成。
耳罩常见于噪音环境相对恶劣的工作场所,如工厂、施工现场、机车驾驶舱等。
耳罩的设计可以有效减少噪声的进入,保护员工的听力。
3. 噪声屏障噪声屏障是一种用于隔离噪音的装置,它们通常由隔音墙、隔音窗、隔音门等组成。
噪声屏障常见于城市交通枢纽、公共场所等人群聚集的地方,用于减少路面交通、建筑工地等产生的噪音。
噪声屏障采用了隔音材料,有效减少噪声的传播,保护周围居民的生活质量。
4. 噪声消除耳机噪声消除耳机是一种利用主动噪声控制技术来降低周围噪声的耳机。
它们通过内置的麦克风采集周围的噪声,并发出相反的声波来抵消噪音。
噪声消除耳机适合在需要专注于听音乐、观看影片等需要良好声音质量的场合使用。
此外,它们也可以在噪音环境中提供隔音效果,减少噪音干扰。
5. 隔音封闭舱隔音封闭舱是一种用于隔离声音的小型封闭空间。
它通常采用金属或其他隔音材料制成,内部有隔音泡沫或隔音棉来吸收噪音。
隔音封闭舱常见于声音敏感的场所,如录音室、放映室、会议室等。
它们能够为人们提供一个相对安静的环境,保护声音的质量和私密性。
6. 隔音窗帘隔音窗帘是一种用于降低噪音传播的窗帘。
它们利用多层织物材料和隔音中间层来吸收和隔离噪音。
劳动防护用品分类代码劳动防护用品常用的分类代码如下:1. 头部防护(代码:001)头盔是最常见的头部防护用品,用于保护劳动者的头部免受落下物体的伤害。
头盔通常由硬质材料制成,内部垫层可以缓冲冲击力。
2. 眼部防护(代码:002)护目镜和安全眼镜是用于保护眼部免受颗粒物、化学物质和光辐射等伤害的眼部防护用品。
它们通常带有防护镜片和舒适的鼻托和耳杆。
3. 呼吸防护(代码:003)防护口罩和呼吸器是用于过滤空气中有害物质的呼吸防护用品。
防护口罩适用于阻挡固体颗粒物,而呼吸器可过滤更小的颗粒,如烟雾和有机气体。
4. 耳部防护(代码:004)耳塞和耳罩是用于保护耳朵免受噪声的耳部防护用品。
耳塞是小而柔软的塞子,可以插入耳道,防止噪音进入。
耳罩则是罩在耳朵上方的设备,可以隔离噪音。
5. 手部防护(代码:005)手套是保护手部免受化学品、切割和磨损等伤害的常见用品。
根据不同的工作场景,手套的材料和设计会有所不同,如橡胶手套、皮革手套和耐切割手套等。
6. 足部防护(代码:006)防护鞋是用于保护足部免受重物压力、切割和化学物质等伤害的用品。
防护鞋通常由耐磨橡胶或皮革制成,具有防滑、防刺穿和防静电等功能。
7. 身体防护(代码:007)防护服和防护面罩是用于保护身体免受化学品、放射性物质和有害粉尘等伤害的用品。
防护服通常由防护材料制成,可以覆盖劳动者的整个身体。
8. 职业病防护(代码:008)防护耳罩和高温手套是用于保护劳动者免受职业病和特殊工作环境伤害的用品。
职业病防护用品通常根据特定工作场景和有害因素进行定制。
以上是劳动防护用品常见的分类代码,不同行业和工作场景可能存在一定的细分。
使用适当的劳动防护用品可以有效保护劳动者的健康和安全。
劳动防护用具分类及代码
劳动防护用具是指用于保护劳动者在工作过程中避免受到各种危害的工具或装备。
根据其功能和用途,劳动防护用具可以分为以下几类:
1. 头部防护用具:如安全帽、防护头盔等,用于保护头部免受坠落、砸伤、碰撞等伤害。
2. 眼部防护用具:如防护眼镜、防护面罩等,用于保护眼睛免受灰尘、飞溅物、辐射等危害。
3. 呼吸防护用具:如防尘口罩、防毒面具等,用于过滤空气中的有害物质,防止因吸入有害物质而引发的职业病。
4. 耳部防护用具:如耳塞、耳罩等,用于降低噪音对听力的损害,防止噪音引发的职业性听力损害。
5. 手部防护用具:如防护手套、防护手杖等,用于保护双手免受化学品、机械刺激等伤害。
6. 身体防护用具:如防护服、防护鞋等,用于保护身体免受化学品、火焰、辐射等伤害。
7. 脚部防护用具:如防护鞋、防尘鞋等,用于保护脚部免受刺伤、碾压等伤害。
8. 坠落防护用具:如安全带、防坠器等,用于在高空作业或爬
升作业中防止坠落事故的发生。
以上是劳动防护用具的主要分类。
同时,为了规范和管理劳动防护用具的使用,各国对劳动防护用具进行编码。
代码通常由字母和数字组成,代表着不同的用具和功能。
以中国国家标准为例,劳动防护用具的编码格式为GB/T 2898-2012。
其中,用具的编码一般分为三级:一级编码表示用具的大类,二级编码表示用具的小类,三级编码表示具体的用具种类。
例如,一级编码为A,表示头部防护用具;二级编码为A2,表示眼部防护用具;三级编码为A2.3,表示防护面罩。
通过劳动防护用具的分类和编码,可以更好地管理和选择适合的防护用具,保障劳动者在工作中的安全和健康。
劳动防护用品税收分类编码劳动防护用品是指用于保护工人在工作中受到伤害,预防事故发生的各种用品。
根据国家税务总局发布的《税收分类编码及名称》,劳动防护用品的税收分类编码如下:1. 头部防护用品:- 安全帽:税收分类编码为:3926.90.9090- 防护头盔:税收分类编码为:6506.10.0090- 防护眼镜:税收分类编码为:9004.90.0000- 防护面具:税收分类编码为:9020.00.00002. 呼吸防护用品:- 防尘口罩:税收分类编码为:6307.90.9090- 半面罩:税收分类编码为:9020.00.0000- 全面罩:税收分类编码为:9020.00.00003. 手部防护用品:- 防护手套:税收分类编码为:6116.10.9000- 防护手套内衬:税收分类编码为:6116.10.9000- 防割手套:税收分类编码为:6116.10.9000- 防化手套:税收分类编码为:6116.10.90004. 身体防护用品:- 防护服:税收分类编码为:6210.10.9000- 防护鞋:税收分类编码为:6403.10.0000- 防护靴:税收分类编码为:6403.10.0000- 防护眼面罩:税收分类编码为:9020.00.00005. 防护耳用品:- 防噪耳塞:税收分类编码为:3926.90.9090- 防噪耳罩:税收分类编码为:9020.00.00006. 其他劳动防护用品:- 安全带:税收分类编码为:6307.90.9090- 救生衣:税收分类编码为:6307.90.9090- 防护眼罩:税收分类编码为:9020.00.0000以上是劳动防护用品的一些常见分类和对应的税收编码,根据具体的劳动防护用品种类和规格,还可能存在一些特殊的税收分类编码。
这些分类编码对于资料记录、报关和其他相关业务有重要的指导意义,有助于保障劳动防护用品按照相关要求进行生产和销售。
劳动防护用品的税务编码劳动防护用品是指在工作环境中为保护劳动者的生命安全和身体健康而使用的各种设备、器具、材料和药品等。
这些用品涉及广泛,包括但不限于口罩、防护服、安全帽、安全鞋等。
根据中国税务部门的规定,劳动防护用品的税务编码属于安全用品的范畴,这些用品在通关、清关时需要使用相应的税务编码,在进行贸易和关务管理时具有重要的作用。
目前,中国税务部门对劳动防护用品的税务编码主要采用通用的7位编码系统,其中前6位数字是按照国际通用的商品编码系统进行编排的,最后一位数通常是控制码,用于区分同一编码下的不同子类别。
根据相关规定,劳动防护用品的税务编码主要属于安全用品和个人防护用品的范畴,常见的税务编码如下:1. 口罩类:口罩是一种常见的劳动防护用品,主要用于过滤空气中的颗粒物和阻隔液体飞溅。
根据目前的税务编码规定,普通口罩的税务编码为6307900000,医用口罩的税务编码为6307900010。
2. 防护服类:防护服是一种用于保护劳动者的衣物,能够防止污染物和有害物质对皮肤和呼吸道的伤害。
根据税务编码规定,普通防护服的税务编码为6210400010,医用防护服的税务编码为6210103000。
3. 安全帽类:安全帽是一种用于保护头部安全的劳动防护用品,通常在建筑工地和工业生产中使用。
根据税务编码规定,塑料安全帽的税务编码为6506101000,纺织安全帽的税务编码为6506910000。
4. 安全鞋类:安全鞋是一种用于保护脚部安全的劳动防护用品,主要针对特定行业的工作环境设计。
根据税务编码规定,皮革安全鞋的税务编码为6403400010,橡胶安全鞋的税务编码为6403400090。
除了以上提到的几种劳动防护用品,根据实际需要,税务部门还可能根据市场和技术发展的变化对税务编码进行调整和补充,以适应不同类型和品牌的劳动防护用品进出口和国内销售的需求。
总之,劳动防护用品的税务编码对于公司进出口、贸易和关务管理都具有重要的意义。
劳保用品的商品编码劳保用品是一种为了保护人们在工作中安全和健康而使用的物品。
劳保用品的商品编码是用来标识和区分不同劳保用品的一种编码系统。
通过商品编码,可以方便地查找和识别特定的劳保用品,并进行采购和管理。
劳保用品的商品编码通常由一串数字或字母组成,每个数字或字母都代表特定的含义。
下面是一些常见的劳保用品的商品编码参考内容:1. 头盔(Helmet):- 商品编码:5200- 类型:防护头盔- 材质:ABS塑料- 颜色:黄色- 尺寸:自由调节- 功能:防撞击、耐冲击2. 防护手套(Gloves):- 商品编码:3300- 类型:耐酸碱手套- 材质:天然橡胶- 颜色:绿色- 尺寸:S、M、L- 功能:防酸碱侵蚀、防滑3. 防护眼镜(Safety glasses):- 商品编码:2100- 类型:防护眼镜- 材质:PC材质- 镜片颜色:透明- 功能:防飞溅、防护眼睛- 认证:符合GB14866-2006标准要求4. 防护口罩(Face mask):- 商品编码:4100- 类型:一次性口罩- 材质:无纺布- 颜色:蓝色- 功能:阻挡飞沫、过滤微粒- 认证:符合EN14683标准要求5. 防护耳塞(Earplugs):- 商品编码:5600- 类型:一次性耳塞- 材质:聚氨酯泡沫- 颜色:橙色- 功能:隔音、防噪音侵扰以上仅是一些常见的劳保用品的商品编码参考内容,实际中还有许多其他类型的劳保用品,每种劳保用品都有专属的商品编码。
通过商品编码,企业可以更好地管理和跟踪劳保用品的采购、库存和使用情况,同时也方便了劳保用品的销售和购买。
劳保用品的商品编码的标准化和规范化将为企业和消费者带来更多便利。
2024年防噪声用具与用途(一)耳塞为插入外耳道内或置于外耳道口的一种栓,常用材料为塑料和橡胶。
按结构外形和材料分为圆锥形塑料耳塞、蘑菇形橡胶耳塞、伞形提篮形塑料耳塞、圆柱形泡沫塑料耳塞、可塑性变形塑料耳塞和硅橡胶成型耳塞、外包多孔塑料纸的超细纤维玻璃棉耳塞、棉纱耳塞。
对耳塞的要求为:应有不同规格的适合于各人个耳道的构型,隔声性能好、佩戴舒适、易佩戴和取出,又不易滑脱、易清洗、消毒、不变形等。
(二)耳罩常以塑料制成呈矩杯碗状,内具泡沫或海绵垫层,覆盖于双耳,两杯碗间连以富有弹性的头架适度紧夹于头部,可调节,无明显压痛,舒适。
要求其隔音性能好,耳罩壳体的低限共振率愈低,防声效果愈好。
(三)防噪声帽盔能覆盖大部分头部,以防强烈噪声经骨传导而达内耳,有软式和硬式两种。
软式质轻,导热系数小,声衰减量为24dB。
缺点是不通风。
硬式为塑料硬壳,声衰减量可达30-50dB。
对防噪声用具的选用,应考虑作业环境中噪声的强度和性质,以及各种防噪声用具衰减噪声的性能。
各种防噪声用具都与适用范围,选用时应认真按照说明书使用,以达到最佳防护效果。
2024年防噪声用具与用途(二)在日常生活中,噪音是我们无法避免的问题。
当噪音超过一定程度时,可能会对我们的健康和心理产生负面影响。
为了解决这个问题,许多防噪声用具被开发出来,并在不同场合中得到了广泛的应用。
本文将介绍2024年的一些新型防噪声用具及其用途。
1. 噪音消除耳机传统的消噪耳机通常采用被动降噪技术,通过隔音材料隔离噪音。
然而,2024年的噪音消除耳机采用了主动降噪技术,可以实时采集外界噪音并发出相反频率的反向声波来消除噪音。
这种耳机适用于长时间在噪音环境中工作或学习的人群,如办公室工作人员、学生等。
2. 噪音隔离房噪音隔离房是一种特殊的装修材料,可以将外界噪音隔离在房间外。
其主要用途是为了提供一个安静的环境,如艺术家的工作室、录音棚等。
2024年的噪音隔离房采用了新型的隔音材料和技术,可以实现更高效的噪音隔离效果。
劳动防护用品分类和代码劳动防护用品是指在工作场所中为保护劳动者的身体健康和生命安全而使用的各种装备、设施和用品。
根据不同的用途和功能,劳动防护用品可以被分为以下三大类。
第一类是呼吸防护用品。
这类用品用于防护职业病及有害物质对呼吸系统的影响。
常见的呼吸防护用品包括口罩、防毒面具、呼吸阀、过滤器等。
根据防护级别和防护对象的不同,呼吸防护用品可以分为医用口罩、防尘口罩、防毒面具等。
第二类是眼部防护用品。
这类用品用于保护眼部免受外界物体、化学品和辐射等伤害。
常见的眼部防护用品包括防护眼镜、护目镜、防飞溅眼镜等。
根据使用环境和防护要求的差异,眼部防护用品可以分为化学品防护眼镜、防飞溅眼镜、防辐射眼镜等。
第三类是听力防护用品。
这类用品用于防护工作环境中的噪声对听力系统造成的损害。
常见的听力防护用品包括耳塞、阻尼式耳罩、电子耳罩等。
根据噪声级别和使用方式的不同,听力防护用品可以分为耳塞、耳罩、耳塞耳罩一体化等。
除了以上三大类,劳动防护用品还包括头部防护用品、手部防护用品、足部防护用品和全身防护用品等。
头部防护用品主要用于保护头部免受物体的打击或坠落物的伤害,常见的有安全帽、工作帽等。
手部防护用品主要用于保护手部免受物体的刺穿、磨损和化学品的侵蚀,常见的有防护手套、防刺手套等。
足部防护用品主要用于保护足部免受物体的压迫、撞击和滑落等伤害,常见的有安全鞋、防静电鞋等。
全身防护用品主要用于保护全身免受有害物质、辐射和高温等伤害,常见的有防护服、防护服、防火服、防酸碱服等。
劳动防护用品的分类还可以根据行业和工种进行细分,如建筑工地的安全帽和安全鞋、化工厂的防护服和防护手套等。
此外,不同国家和地区对于劳动防护用品的标准和代码也有所不同,需要根据相关法规和规范进行选择和应用。
总之,劳动防护用品的分类是根据不同的用途和功能进行划分的,包括呼吸防护用品、眼部防护用品、听力防护用品、头部防护用品、手部防护用品、足部防护用品和全身防护用品等。
江苏劳动防护用品分类编码
江苏劳动防护用品分类编码是根据江苏省劳动防护用品管理办法制定的一套分类编码体系,用于统一监督管理和统计分析劳动防护用品的各类产品。
分类编码主要分为一级编码和二级编码。
一级编码共分为以下六个大类:
1. 防护头盔类(编码以1开头)
2. 防护眼镜、面具类(编码以2开头)
3. 防护耳塞、耳罩类(编码以3开头)
4. 防护呼吸器具类(编码以4开头)
5. 防护手套类(编码以5开头)
6. 防护鞋类(编码以6开头)
二级编码则根据具体的劳动防护用品的特性和功能进一步细分,以确保所有产品都能准确分类。
以防护头盔类为例,根据不同的特点和用途进一步分成以下二级编码:
1.1 安全帽
1.2 防冲击头盔
1.3 绝缘头盔
1.4 火焰抗炸头盔
1.5 防化头盔
这样的编码方式可以方便行政管理部门对劳动防护用品的监督
管理和统计分析,也方便企业和消费者对产品进行识别和选择。
同时,一级编码和二级编码的设置也可以根据具体情况进行调整和更新,以适应市场上不断更新和发展的劳动防护用品。
这样的分类编码体系对于推动劳动防护用品的质量提升和市场发展有着积极的作用。
附件4
劳动防护用品编码规则
1 范围
本规则适用于集团公司各职能部、分公司、全资子公司、股子公司。
本编码规则由集团公司生产协调控制部提出并起草;集团公司生产协调
控制部负责集团内所有劳动防护用品的编码。
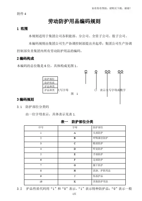
2编码构成
本编码的总位数是6位,具体构成见图1。
图 1
3编码规则
3.1 防护部位分类码
由一位字母表示,具体表示见表1.
表一 防护部位分类
3.2 护品性质代码用“1”和“0”表示,“1”表示特种防护品;“0”表示一般
防护用品。
3.3护品种类:由两位大写字母或数字构成。
3.4护品规格:由两位大写字母或数字构成。
4.编码示例及说明
4.1编码示例:F00806
4.2编码说明(见图2)
5 编码表
编码表。
劳动防护用品税收分类编码
劳动防护用品是指在工作场所中为了保护劳动者的安全、健康而使用的各种设备、器具、材料和用品,主要包括头部防护用品、面部防护用品、眼部防护用品、呼吸防护用品、手部防护用品、脚部防护用品、耳部防护用品等。
劳动防护用品的税收分类编码为8481.80.10。
编码解释如下:
- 84表示"可用于分离、筛选、洗净、破碎、研磨、搅拌、搅打、压实、挤压、拉伸等的机械设备及其零件"。
- 81表示"用于防护的或其他用途的机械装置及有关设备"。
- 80表示"劳动防护用品及其部件"。
- 10表示"其他"。
根据这一分类编码,劳动防护用品被归类为机械设备及其零件中的一种,具体是用于防护或其他用途的机械装置及其有关设备。
这一分类编码的使用可以方便统计和管理,有利于相关部门对劳动防护用品的监管和管理。
劳动防护用品是劳动者在从事工作时,为了确保其安全和健康而佩戴或使用的工作用品。
对于一些特定的工种或工作场所,使用劳动防护用品是必要的,有助于避免事故和伤害的发生。
因此,对于劳动防护用品的税收分类和管理是必要的,有助于相关部门对劳动防护用品的质量、安全性等方面进行监管和管理。
总之,劳动防护用品的税收分类编码为8481.80.10,这一分类
编码的使用有助于对劳动防护用品进行统计和管理,有利于相关部门对劳动防护用品的质量、安全性等方面进行监管和管理。
蓝牙耳机税务分类编码一、什么是税务分类编码税务分类编码是指对商品或服务进行分类,以便在纳税申报和征税过程中进行统一管理和征收税款。
税务分类编码是税务部门对不同商品或服务进行分类的一种标准化方法,通过对商品或服务的特征进行细致的划分和归类,实现对税款的精确计算和征收。
二、蓝牙耳机的特点和分类蓝牙耳机是一种无线音频设备,通过蓝牙技术与音频源进行连接,实现无线传输和接收音频信号的功能。
蓝牙耳机具有以下特点:1.无线连接:蓝牙耳机通过蓝牙技术与音频源进行无线连接,避免了传统有线耳机的限制和束缚。
2.方便携带:蓝牙耳机体积小巧,便于携带和使用,适合在户外、运动等场景中使用。
3.兼容性强:蓝牙耳机具有较好的兼容性,可以与大多数音频设备进行连接和使用。
根据蓝牙耳机的特点和功能,可以将其进行如下分类:1. 按耳机类型分类•耳塞式蓝牙耳机:耳塞式蓝牙耳机是直接插入耳道的一种耳机类型,具有良好的隔音效果和舒适的佩戴感。
•头戴式蓝牙耳机:头戴式蓝牙耳机是通过将耳机架放置在头部的一种耳机类型,适合长时间佩戴和享受音乐。
2. 按功能分类•运动蓝牙耳机:运动蓝牙耳机具有防汗防水的特点,适合在运动时佩戴,不易掉落。
•降噪蓝牙耳机:降噪蓝牙耳机可以通过降低外界噪音干扰,提供更好的音乐体验。
3. 按价格分类•高端蓝牙耳机:高端蓝牙耳机通常采用高品质材料和先进的音频技术,具有更好的音质和舒适度。
•中低端蓝牙耳机:中低端蓝牙耳机价格相对较低,适合一般用户使用。
三、蓝牙耳机的税务分类编码根据国家税务总局公布的《税收分类编码及名称》,蓝牙耳机的税务分类编码为:•耳塞式蓝牙耳机:8518300000•头戴式蓝牙耳机:8518300000•运动蓝牙耳机:8518300000•降噪蓝牙耳机:8518300000根据税务分类编码,纳税人在申报税款时,需要按照相关税务法规和标准进行申报,并缴纳相应的税款。
四、蓝牙耳机税务分类编码的意义税务分类编码的设立和使用,对于税收管理和征收具有重要意义:1.便于统计分析:税务分类编码可以对不同类型的商品或服务进行统计分析,为税务部门提供决策和政策制定的依据。
噪声源开票税收编码噪声源开票税收编码是一个涉及到税收政策的重要概念,它对于企业和个人来说都具有一定的影响。
在本文中,我将从深度和广度的角度出发,全面评估噪声源开票税收编码,并探讨其对经济和社会的意义。
我将以从简到繁、由浅入深的方式,帮助你更好地理解这一主题。
1. 噪声源开票税收编码的定义和背景噪声源开票税收编码是指将噪声源归类为某一特定税收项目的编码系统。
该编码涉及到税收征收和管理,通过对噪声源进行分类和编码,可以更准确地计算和征收相应的税费。
根据我国税收法律,噪声源应纳税,因此对其开票需要按照相应的税收编码进行归类。
2. 噪声源开票税收编码的意义2.1 经济意义噪声对经济活动和生产效率具有负面影响。
通过对噪声源进行开票税收编码,可以促使企业和个人更加注重噪声治理,减少噪声污染对经济的不利影响。
噪声源开票税收编码还可以为相关企业提供发展方向和政策支持,促进其转型升级和可持续发展。
2.2 社会意义噪声污染是一个普遍存在且严重影响居民生活质量的问题。
通过对噪声源实施开票税收编码,可以提高对噪声治理的重视程度,促使相关单位采取有效措施减少噪声污染。
这有助于改善居民的生活环境,维护公众的身心健康,提高社会的整体幸福感。
3. 噪声源开票税收编码的实施与挑战3.1 实施挑战噪声源开票税收编码的实施面临一些挑战。
如何准确识别和分类噪声源是一个难题,特别是涉及到多种噪声类型的场景。
在实施噪声源开票税收编码时,需要与相关部门和企业进行协调合作,涉及到政策、监管和执行等方面的问题。
3.2 解决方案为解决噪声源开票税收编码的实施挑战,可以采取以下措施:建立噪声源分类和识别的标准,通过技术手段对噪声进行检测和测量;加强政府部门之间的协调合作,明确责任分工,推动税收法规和政策的完善;加强对企业和个人的宣传和培训,提高其对噪声治理的主动性和意识。
4. 个人观点和理解在我看来,噪声源开票税收编码是一项有益的政策措施。
通过对噪声源进行分类和编码,可以提高对噪声污染的认识和重视程度,促使相关企业和个人更加注重噪声治理。
听力放大器税收编码税收对政府及国民来说都是重要的,然而繁琐的税收编码却深受复杂的政策影响,所以有必要将税收编码的内容涉及实践加强,以有助于财政和实施政策的管理。
耳聋放大器税收编码就是这样一种复杂的政策管理,它不仅用来加强税收收入,而且也可以帮助耳聋放大器的使用者更好地了解使用规定。
耳聋放大器税收编码体现了中国财政税收的三个重要原则:统一性、公平性和针对性。
在财政收入的分配中,统一性帮助形成了财政税收的有效分配。
公平性表示同样的税收要求涉及的各方,针对性表现为政府实施的新政策有利于弱势群体尤其是耳聋放大器用户。
耳聋放大器税收编码是由国家财政部于2016年出台的,编码包括税收代码、申报要求、税务机构信息、财政统计报告等核心内容。
税收代码旨在统一税收申报的基本概念,一般耳聋放大器就列在扶助医疗手段专项税收分类代码140409。
耳聋放大器申报要求,即消费者申报时,其消费情况、消费基础及所购买产品的信息。
税务机构信息,涉及各税务机构以及其服务条款等。
财政统计报告,是政府用于监测财政收入分配情况和支出分配情况的分析报告。
耳聋放大器税收编码的实施不仅有利于个人消费者,使用者可以根据自己的要求更好的了解税收,有助于财政的健康运作;同时也有利于税收的监测和收入的重新分配,与政府可以更快速有效的实施政策。
值得一提的是,耳聋放大器税收编码本身就具有监督性,这能有效减少耳聋放大器的不当使用,保护消费者的权益和利益,避免滥用和滥发放税收优惠政策的行为发生。
最后,耳聋放大器税收编码的出台,可以更好地管理财政收入,保护消费者的权益,结合政府支出的投入,尤其是有利于当地的耳聋放大器用户,可以帮助了解耳聋放大器的使用,并有利于申报和缴纳税收。
劳务加工耳机税收分类编码
(原创实用版)
目录
1.劳务加工耳机的概念
2.税收分类编码的含义
3.劳务加工耳机的税收分类编码
4.相关注意事项
正文
1.劳务加工耳机的概念
劳务加工耳机是指由劳务加工企业生产的耳机产品。
这类企业在接受客户委托后,根据客户的要求进行耳机的加工和组装。
劳务加工耳机企业在完成生产后,需要按照国家相关法律法规,缴纳相应的税收。
2.税收分类编码的含义
税收分类编码是指国家税务部门对各种税收进行分类管理的编码体系。
它有助于税务部门对税收进行精细化管理,提高税收征管效率。
企业在进行税收申报时,需要按照税收分类编码,准确申报应缴纳的税收。
3.劳务加工耳机的税收分类编码
劳务加工耳机的税收分类编码属于加工制造业范畴,具体编码为10102。
根据《税收分类与编码管理办法》规定,劳务加工耳机企业在进行税收申报时,应使用 10102 编码,准确反映其税收属性。
4.相关注意事项
劳务加工耳机企业在进行税收申报时,应注意以下事项:
(1)正确使用税收分类编码,确保税收申报的准确性。
(2)按照税收法律法规,如实报告生产经营情况,不得隐瞒或虚报。
(3)及时缴纳税款,避免产生滞纳金等额外费用。
耳部防护用品的法规说到耳部防护让我不得不提噪音,所谓噪音我们主要从两方面来说明,第一方面根据物理学的观点,各种不同频率不同强度的声音杂乱地无规律地组合,波形呈无规则变化的声音称为噪声,如机器的轰鸣等。
第二方面从生理学的观点来看,凡是使??????有助于减低一部分经骨传到内耳的噪声。
耳罩的使用方法1)使用耳罩时,应先检查罩壳有无裂纹和漏气现象,佩戴时应注意罩壳的方向,顺着耳廓的形状戴好(2)将连接弓架放在头顶适当位置,尽量使耳罩软垫圈与周围皮肤相互密合。
如不合适时,应移动耳罩或弓架,调整到合适位置为止。
(3)(4)耳塞二、耳部防护用品之二:耳塞耳塞主要是指插入外耳道的一种栓塞,常用塑料或橡胶制作,以能密塞外耳道又不引起刺激或压迫为好。
耳塞的使用方法(1)耳塞:即各种耳塞在使用时,要先将耳廓向上提拉,使耳甲腔呈平直状态,然后手持耳塞柄,将耳塞帽体部分轻轻推向外耳道内,并尽可能地使耳塞体与耳甲(2)(3)(4)三、耳部防护用品相关法律规定第一条职工听力保护系指噪声、听力测试与评定、工程控制措施、护耳器的要求及使用、职工培训以及记录保存等。
第二条直属企业职业卫生管理部门负责制定职工听力保护计划并组织实施。
85dB(年卫生部第23作业。
第六条对于暴露于Laeq,8≥85dB的职工,应按听力保护规范的听力测试与评定方法进行基础听力测定和定期跟踪听力测定,评定职工是否发生高频标准听阈偏移(HSTS)。
对于发生高频标准听阈偏移的职工,应采取听力保护措施,防止听力进一步下降。
第七条在新建、改建、扩建项目的职业卫生“三同时”工作中,应加强对噪声源的工程控制,噪声控制设计应符合GBJ87《工业企业噪声控制设计规范》和GBZ11.2.听力测试的目的和程序;3.噪声实际检测结果及噪声危害控制的一般方法;4.各类型护耳器的优缺点、声衰减值和如何选用、佩戴、保管和更换等。
第十条应建立健全听力保护档案,主要内容包括:1.2.3.4.5.为了让噪音给你带来不必要的困扰,建议要要坚持使用而不防护用品用品,主要有护耳器,包括耳罩、耳塞和隔音帽。
防噪耳塞税收编码
HS编码商品名称商品规格
39235000.00 耳塞防震,防噪音|海绵|3M|391-1004
39269090.90 耳塞(塑料)(旧) 维修用|塑料|博世|FIBER GLASS
39269090.90 耳塞用于体育运动中|塑料制|SOUNDCARE牌|HK-1
39269090.90 塑料制耳塞用于防止噪音|95%塑料2%不锈钢2%硅胶1%泡沫|D
40161090.00 硅胶耳塞塞在耳朵里降低噪音|硅胶|无牌|无型号|无其他
40161090.00 海绵耳塞防噪音用|海绵橡胶|无牌|无型号
40161090.00 防噪耳塞防止噪音|海绵橡胶|SOCHIAEROFLOT|无型号
40169990.90 耳塞起隔离音效的作用|硫化橡胶|无品牌|无型号
42029100.90 耳塞盒耳塞盒|100%小牛皮|CH牌无款号
71171900.00 耳塞配件,耳塞耳塞|锌合金|未镀贵金属
71171900.00 耳钉、耳塞耳钉、耳塞|合金|非镀贵金属
85183000.00 耳塞(有线) IHIP牌|IPWAR8-P型/IPWAR8-R型/IPWAR8-BK型|听音乐用
85183000.00 耳塞无品牌|无型号
85183000.00 耳塞JACK&CABLE牌
|JC0217/JC0218/JC0219/JC0294/JC0220/JC0221型
85183000.00 耳塞机SoundMAGIC牌|E10型/E10S型/ES18型/ES20型|有线,听音乐用。