电焊技术基本手法图
- 格式:doc
- 大小:202.50 KB
- 文档页数:3
青工操作技术要领图解系列丛书主编王志鑫本书编著胡玉文郭新照张云燕本书主审张增国范鹏章本书绘图王力本书照片刘玉强第一章焊接基础/1第一节焊接工艺知识/2第二节常用设备及工具/15第二章焊条电弧焊操作技术/26第一节引弧及运条方法/28第二节焊道的连接和收尾/41第三节平敷焊/47第四节平对接焊/63第五节平角焊/92第六节立对接焊/108第七节立角焊/124第八节横对接焊/133第九节仰焊/144第十节水平固定管焊/154第十一节垂直固定管焊/164第三章常见焊接缺陷及防止方法/169第四章气体保护焊及气割技术简介/176第一节气体保护焊简介/176第二节手工气割/191第五章电弧焊安全技术与劳动保护/2032电焊工操作技术要领图解·目录第一节电弧焊安全技术/203第二节焊接劳动卫生与防护/208第一章焊接基础【学习要求】1.了解焊接的分类及特点;掌握焊条电弧焊的特点。
2.理解焊接电弧的构造、温度分布;掌握焊接电源的极性及应用。
3.了解药皮的作用、类型,常用焊条型号的含义;掌握酸性、碱性焊条的性能及工艺特点。
4.掌握焊接接头和焊接位置的基本形式。
5.掌握焊接工艺参数的选择方法。
6.了解焊接残余变形的基本形式及焊接结构的合理设计方法。
7.掌握焊条电弧焊常用弧焊设备的种类、使用及维护。
8.了解常用工具的使用方法。
一、焊接的概念及分类焊接就是通过加热或加压,或两者并用,用或不用填充材料,使焊件达到原子结合的一种加工工艺方法。
焊接与其它连接方法相比较具有节省金属材料、减轻结构重量、简化加工与装配工序、接头的致密性好、能承受高压、易实现机械化和自动化生产、提高生产率和质量、改善劳动条件等一系列特点。
目前常用的焊接方法分类如图1-1。
图1-1二、焊条电弧焊焊条电弧焊是用手工操纵焊条进行焊接的电弧焊方法(又称手工电弧焊)。
操作时,焊条和焊件分别作为两个电极,利用焊条与焊件之间产生的电弧热量来熔化焊件金属,冷却后形成焊缝(图1-2)。
电焊技术基本手法图内容来源网络,由“深圳机械展(11万㎡,1100多家展商,超10万观众)”收集整理!更多cnc加工中心、车铣磨钻床、线切割、数控刀具工具、工业机器人、非标自动化、数字化无人工厂、精密测量、3D打印、激光切割、钣金冲压折弯、精密零件加工等展示,就在深圳机械展.电焊是焊条电弧的俗称。
利用焊条通过电弧高温融化金属部件需要连接的地方而实现的一种焊接操作。
烧焊是一门技术活,新焊工是很难一下就掌握各方面技巧的,那么新焊工入门有什么样的决窍呢?电焊接有哪些方法呢?电焊技术基本手法怎么训练呢?下面虽小编来看看吧,本文对于电焊初学者有很大帮助。
电焊工作原理电焊的基本工作原理是通过常用的220V电压或者380V的工业用电,通过电焊机里的减压器降低了电压,增强了电流,并使电能产生巨大的电弧热量融化焊条和钢铁,而焊条熔融使钢铁之间的融合性更高。
电焊条的外层的药皮、CO2焊接喷出CO2气体起防止金属融化后氧化的作用(不信你把药粉敲了看能焊接不)。
当然这种解释是通俗的。
电焊技术基本注意步骤1、焊接时手需要保持平稳烧焊,双臂一定要夹紧,已免抖动,这样焊才能均匀漂亮。
2、焊接时一般是采取之字型和圆点型来烧焊,使焊出来的焊缝纹路更清淅。
3、烧焊时,焊条与铁板保持45度夹角,有利于铁水的均匀分布,烧出来的焊才光滑。
进行仰焊操作时由于铁水容易掉落,故需采取点焊形式,这样烧接会更加牢固。
电焊技术基本训练手法焊工基本功训练内容很多,下面举引弧训练、分清熔渣和铁水训练、补孔(洞)训练和蹲功训练阐述焊工基本功训练方法。
引弧训练方法进行开始时引燃焊接电弧的过程,叫做引弧。
1、引弧的基本步骤引弧是焊条电弧焊操作中最基本的动作,其准备步骤是:①穿好工作服、戴好工作帽及电焊手套。
②准备好工件、焊条及辅助工具。
③清理干净工件表面的油污和水锈。
④检查焊钳及各接线处是否良好。
⑤把地线与工件支架相连接,并把工件平放在支架上。
⑥合上电闸、启动焊机,并调节所需焊接电流。
电焊方法及手法
1. 手工电弧焊:用手持电焊枪将电弧点对准两个待连接的物体,形成熔化的金属池,通过使母材和焊丝熔化融合,将两个物体焊接在一起。
2. 气体保护焊:包括气体保护电弧焊(TIG焊)、气体保护金属活塞焊(MIG焊)和气体保护合金焊(GMAW),这些焊接方式都需要在焊接过程中用惰性气体(如氩气)保护焊接处,防止焊接处遭到氧化等外界危害。
3. 电阻焊:通过向待连接的金属部件加入电流,使其产生热量,将两个部件熔化融合在一起。
4. 熔覆焊:将一种金属涂覆在另一种金属表面,熔化,并在上面形成一层附着层。
5. 激光焊接:通过激光束产生的高温熔化或气化物质,实现焊接目的。
电焊手法:
1. 直焊(平焊):将焊缝完全暴露在焊工面前,用单面加热、单面熔合的方法将物件焊在一起。
2. 对角焊:焊接两面长度相等的物品,正常情况下,焊接在其中一面会更为困难,所以需要用对角焊的方法将两个方面加热焊接。
3. 纵焊(立焊):与直焊相反,它使焊缝处于上下位置的情况下进行焊接。
4. 横焊:将物品放在水平面上,平行于焊接缝的方向进行焊接。
5. 环形焊:适用于环状物品的焊接。
将物品排成环状,焊接后使其封闭。
手弧焊是用手工操作的焊接方法,因此焊缝的质量在很大程度上决定于焊工的操作技术。
手弧焊时焊条要做三个方向的运动: 朝熔池方向逐渐送进;沿焊接 方向逐渐移动:必要时作有规则的横向摆动。
1) 焊条朝熔池方向逐渐送进,这是为了以维持所要求的电弧长度。
因此, 焊条的送进速度应等于焊条的熔化速度, 如果送进速度比熔化速度慢,则电弧被 逐渐拉长,严重时形成断弧现象;反之,如果焊条送进速度太快,则弧长迅速缩 短,最后导致焊条弓弩手焊件接触短路,电弧熄灭。
2) 焊条沿焊接方向的移动速度,即手弧焊的焊接速度。
太快时,电弧来不 及熔化中够的焊条和母材,造成焊缝断面太小以及容易形成末焊透等缺陷;太慢 时,熔化金属堆积过多,加大了焊缝断面,并且使焊件加热温度过高,薄件则容易烧穿。
3) 焊条作横向摆动是为了获得一定宽度的焊缝,特别是当焊件开坡口时, 由于焊口较宽,常采用摆动焊条使两侧金属能够焊透。
手弧焊常用的运条方法示意图:图6-4町 直线往复运条法b ;诞皆醪运条法c )月牙騒运条迭0斟三角形运条祛 e )正三角形运条法f )圆BR 形运睾迭 -7L 7 L7 「7V^7 寸F- 」J -Ali lA J - L A(1)直线形运条法焊接时焊条不作横向摆动,沿焊接方向作直线运动,常用于开I形坡口的对接平焊、多层焊的第一层焊道或多层多道焊。
(2)直线往复运条法焊接时焊条末端沿焊缝的纵向作来凹直线形摆动,特点是焊接速度快、焊缝窄、散热快,适一薄板和接头间隙较大的多层焊的第一层焊道。
(3)锯齿形运条法焊接时焊条未端作锯齿形连续摆动及向前移动,并在两边稍停片刻,摆动焊条是为了控制熔化金属的流动和得到必要的焊缝宽度,特点是操作容易掌握,各种焊接位置基本上均可采用。
(4)月牙形运条法焊接时焊条末端沿着焊接方向作朋牙形的左、右摆动,特点是金属熔化良好,有较长的保温时间,气体容易析出,熔渣易上浮,焊缝质量较高。
(5)三角形运法焊接时焊条末端分别作连续的斜三角或正三角形运动,并向前移动。
电焊技术入门基础教程电焊技能应用基础知识电焊应用很广泛,各行各业都需要它,很吃香的一种技能。
电焊是一门容易学的技术,但是要运用好就看个人的领悟能力,加上理论和实践的学习.电焊实际就是焊接的分类,同类的还有气割。
普通的电焊有氩弧焊,气焊等等。
电焊技术要领; 主要是实践.毕竟实践出真理!电焊(手工焊)有哪几种焊法?1G:平焊或转动2G:横焊或垂直固定3G:立焊4G:仰焊5G:水平固定6G:45°固定5GX:立焊(向下)⊥:角焊缝(各种位置)电焊焊立缝时,怎么个法焊最平面?立焊用连弧焊成型比较好,电流比平焊的电流小10%,角度为70至75度左右.我们一般用锯齿形和月牙形运条方法,主要是自己自己适用就行.焊立缝的时候有时会有小裂缝是怎么回事?出现裂缝的原因可能是多方面的,可从以下几方面查找:1。
材质是哪类,据此应选择匹配的焊接材料; 2. 根据材料及接头形式,选择合适的焊接施工规范,必要时要通过试验确定焊接施工工艺参数,多道焊时还要注意控制层间温度;3。
根据经验,如此厚的两个件焊接,应该焊前进行预热。
回复: 请教焊接后钢管出现裂缝的原因和解决办法出现裂缝的原因:1。
焊缝收缩应力太大,容易产生缓慢裂纹。
2.焊缝受热不均匀,容易发生脆性。
3.焊接方法和顺序不合理。
4.层间温度控制不好.防止措施:1。
首先要选择合理的焊接顺序,采用对称焊。
2.多层多道焊,焊完每一道焊缝(别是打底焊)时要认真处理好焊缝表面的焊渣、氧化皮,以防止赃物在下一层焊缝中形成缺陷。
3。
调整冷却速度,冷却越快,变形越大。
结晶裂纹倾向也越大。
4。
焊后消除残余应力。
电焊怎么焊才能焊平? 总是焊完铁上一个大棱不好看还不结实, 是怎么回事?首先你要了解电焊的原理。
说简单点。
你只要把握好熔池就可以. 熔池就是。
头上的红圈. 它到哪哪就化. 还有你说的不结实. 你也没说焊多厚的板。
简单的方法是打坡口斜30度磨钝边。
母材对上时留的缝隙可以划过打底的焊条就可以。
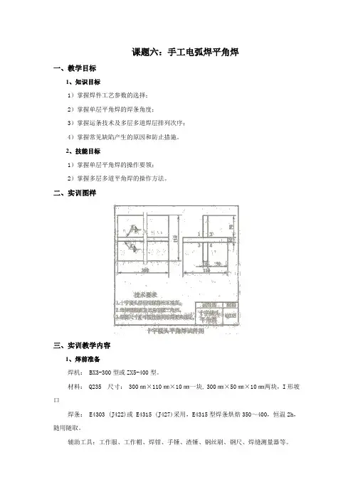
课题六:手工电弧焊平角焊一、教学目标1、知识目标1)掌握焊件工艺参数的选择;2)掌握单层平角焊的焊条角度;3)掌握运条技术及多层多道焊层排列次序;4)掌握常见缺陷产生的原因和防止措施。
2、技能目标1)掌握单层平角焊的操作要领;2)掌握多层多道平角焊的操作方法。
二、实训图样三、实训教学内容1、焊前准备焊机: BX3-300型或ZX5-400型。
材料: Q235 尺寸: 300㎜×110㎜×10㎜一块, 300㎜×50㎜×10㎜两块,I形坡口焊条: E4303 (J422)或 E4315 (J427)采用,E4315型焊条烘焙350~400,恒温2h,随用随取。
辅助工具:工作服、工作帽、焊钳、手锤、渣锤、钢丝刷、钢尺、焊缝测量器等。
2、实训要求1)实训内容平角焊是在角接焊缝倾角0°或180°、转角45°或135°的角接焊位置的焊接;船形焊是T形、十字形和角接接头翻45°,使接头处于平焊位置的焊接。
平角焊时,一般焊条与两板成45角,与焊接方向成65~ 80°当两板板厚不等时,要相应的调整焊条角度,使电弧偏向厚板一侧,厚板所受热量增加,厚、薄两板趋于均匀,以保证接头良好的熔合及焊脚高度和宽度相同。
平角焊时焊条角度如下图。
2)工时定额40min3)安全文明生产①能正确执行安全技术操作规程。
②能按文明生产的规定,做到工作地整洁、工件、工具摆放整齐。
3、操作步骤1)检查工件是否符合焊接要求--熟悉图样,清理试件,将试件装配成十字接头形式。
2)开启弧焊设备、调整电流;3)装配及进行定位焊;(1)钝边0.5~1㎜无毛刺。
(2)清理坡口面及坡口正反面两侧各20mm范围内的油污、锈蚀、水分及其它污物,直至露出金属光泽。
(3)定位焊采用与焊接试件相同牌号的焊条,定位焊的位置应在试件两端的对称处,将试件组焊成十字形接头,四条定位焊缝长度均为10~15mm。
熔滴过渡电弧焊时,焊丝或焊条端部形成熔滴通过电弧空间向熔池转移的过程称熔滴过渡。
熔滴过渡对熔焊过程稳定、飞溅大小,焊缝成形优劣以及焊接缺陷等有很大影响。
熔滴过渡的类型:自由过渡、接触过渡、渣壁过渡。
(一)自由过渡按过渡形态不同分:滴状过渡、喷射过渡、爆炸过渡。
(1)滴状过渡:当电流较小时,电弧力作用小,随着焊丝熔化,熔滴逐渐长大,当熔滴的重力克服其表面张力的作用时,就以较大的颗粒脱离焊丝,落入熔池成为滴状过渡的形式,例如高电压小电流的MIG焊接(熔化极惰性气体保护焊如氩气、氦气焊)。
如果有斑点压力作用且大于熔滴的重力,熔滴在脱离焊丝之前就偏离了焊丝轴线,甚至上翘,脱离之后不能沿焊丝轴线过渡时,成为排斥过渡焊接形式。
例如高电压小电流的CO2焊及直流正接的大电流CO2焊。
滴状过渡和排斥过渡的熔滴较大,一般大于焊丝直径,属大滴过渡(粗颗粒过渡)。
大滴过渡的熔滴大,形成时间长,影响电弧稳定性,焊缝成形粗糙,飞溅较多,生产中很少采用。
当电流较大时,电磁收缩力较大,熔滴的表面张力较小,熔滴细化,其直径一般等于或小于焊丝直径,熔滴向熔池过渡频率增加,飞溅少,电弧稳定,焊缝成形较好,这种过渡形式叫细颗粒过渡。
在生产中常用,例如较大电流的CO2焊。
(2)喷射过渡:随着焊接电流的增加(大于电流临界值),熔滴尺寸变得更小,过渡频率也急剧提高,在电弧力的强制作用下,熔滴脱离焊丝沿焊丝轴向飞速地射向熔池的焊接形式。
喷射过渡焊接过程稳定,飞溅小,熔深大,焊缝成形好,多用于板厚大于3mm的平焊,不宜焊薄板。
滴状过渡转变成喷射过渡有一临界电流,大于临界电流的熔滴过渡为喷射过渡。
临界电流与焊丝成分、直径、伸出长度、保护气体成分等因素有关。
(3)爆炸过渡:指熔滴在形成、长大或过渡过程中,由于激烈的冶金反应,在熔滴内部产生CO气体,使熔滴急剧膨胀爆裂而形成的一种过渡形式。
在CO2气体保护焊和焊条电弧焊中有时会出现这种熔滴过渡,爆炸时引起飞溅,恶化工艺。
电焊手法技巧是一个理论+实践的功夫:看是粗活,实践中其实需要精细的很。
是需要手、眼、心三位一体的组合。
一个好的电焊工,无不是经历了千千万万的焊接操作练成真功夫!1、直线形运条法。
采用这种运条法焊接时,焊条不做横向摆动,沿焊接方向做直线移动。
它常用于ⅰ形坡口的对接平焊,多层焊的第一层焊或多层多道焊。
2、直线往复运条法。
使用这种运条方法冲压时,焊条末端沿焊缝的横向搞往复转动。
它的特点就是冲压速度快,焊缝较窄,散热器慢。
它适用于于薄板和接点间隙很大的多层焊接的第一层焊接。
3、锯齿形运条法。
采用这种运条方法焊接时,焊条末端做锯齿形连续摆动及向前移动,并在两边稍停片刻。
摆动的目的是为了控制熔化金属的流动和得到必要的焊缝宽度,以获得较好的焊缝成形。
这种运条方法在生产中应用领域最广,多用作厚钢板的冲压,平焊、青莲焊接、立焊的交会接点和立焊的角直奔接点。
4、月牙形运条法。
采用这种运条方法焊接时,焊条的末端沿着焊接方向做月牙形的左右摆动。
摆动的速度要根据焊缝的位置、接头形式、焊缝宽度和焊接电流值来决定。
同时需在接头两边停留片刻,这是为了使焊缝边缘有足够的熔深,防止咬边。
这种运条方法的特点就是金属熔融较好,存有较长的保温时间,气体难划出,熔渣也不易钻到焊缝表面上来,焊缝质量较低,但焊接出的焊缝余温较低。
这种运条方法的应用领域范围和锯齿形运条法基本相同。
5、三角形运条法。
采用这种运条方法焊接时,焊条末端做连续三角形运动,并不断向前移动。
按照摆动形式的不同,可分为斜三角形和正三角形两种,斜三角形运条法适用于焊接平焊和仰焊位置的t形接头焊缝和有坡口的横焊缝,其优点是能够借焊条的摆动来控制熔化金属,促使焊缝成形良好。
正三角形运条法只适用于于上开坡口的交会接点和t形接点焊缝的立焊,特点就是能够一次焊出较薄的焊缝断面,焊缝难于产生夹渣等瑕疵,有助于提升生产效率。
6、圆圈形运条法。
采用这种运条方法焊接时.焊条末端连续做正圆圈或斜圆圈形运动,并不断前移。
电焊技术焊接手法
电焊技术是一种将金属材料通过电流和热力相结合的方法,实现金属材料焊接的技术。
在进行电焊时,需要采取一系列的焊接手法,以保证焊接质量和效率。
以下是常见的电焊技术焊接手法:
1. 直角焊接:将两个金属件的交点处焊接在一起,使其形成直角。
2. 满焊接:将两个金属件的整个接口处焊接在一起,使其形成一个完整的焊接结构。
3. 熔化焊接:利用热能将金属材料的表面熔化,使其形成焊接结构。
4. 熔覆焊接:将金属材料的表面通过热能处理后,在其表层熔化涂敷上焊接材料,从而达到焊接的效果。
5. 点焊接:通过电流将金属材料在局部区域内加热融化,使其形成点状焊接。
以上是几种常见的电焊技术焊接手法,不同手法适用于不同的场合和需求。
在实际操作中,需要根据具体情况选择合适的焊接手法,注意操作技巧,以确保电焊质量和效率。
第二节焊条电弧焊的基本操作技术焊条电弧焊中,焊缝能否正确形成,是否产生焊接缺陷,在很大程度上取决于焊工的操作技术。
焊工的基本操作技术有引弧、运条、焊缝的连接和收尾等。
一、引弧引弧是焊接过程中频繁进行的动作。
引弧技术直接影响到焊接质量,因此必须认真对待,予以重视。
焊接开始时,将焊条末端轻轻接触工件,然后迅速离开,保持一定距离(2~4mm)后产生电弧的过程称为引弧。
引弧的方法一般有两种:1.直击法引弧先将焊条末端对准焊缝,然后将手腕放下、轻微碰一下焊件,随后迅速地将焊条提起3~4mm,电弧引燃后立即是弧长保持在焊条直径所要求的范围内,2.划擦法引弧这种方法与擦火柴有些相似。
先将焊条末端对准焊件,然后将焊条在焊件表面花擦一下,当电弧产生后金属还没有熔化的一瞬间,立即拉开电弧,使焊条末端与被焊金属表面的距离维持在2~4mm。
以上两种方法相比,划擦法比较容易掌握。
但是在狭小工作面上或焊件表面不允许损伤是,就不如直击法好。
直击法对初学者来说较难掌握,一般容易发生电弧熄灭或短路现象。
这是由于没有掌握好焊条离开焊件时的速度和焊条与工作表面的距离而引起的。
如果动作太快或焊条提能太高,就不能引燃电弧,或者电弧只燃烧一瞬间就熄灭;相反,动作太慢就可能使焊条与焊件粘在一起,焊接回路发生短路现象,这种情况一般都发生在划擦法中。
引弧时,如果焊条和焊件粘在一起,只要将焊条左右摇动几下,就可以脱离焊件,如果这是还不能脱离焊件,就应立即将焊钳与回路断开,待焊条稍冷再折下。
如果焊条粘住焊件的时间过长,会因过大的短路电流而可能使电焊机烧坏,所以引弧时,手腕动作必须灵活准确,而且要选择好引弧起始点的位置。
直击法一般适用于酸性焊条,划擦法一般适用于碱性焊条。
二、运条为保证焊缝质量,正确运条是十分必要的,初学者更应注意。
在焊接过程中,焊条相对焊缝所做的各种运动的总称叫运条。
1.焊条的运动当电弧引燃后,焊条要有三个基本方向运动,他们分别是:(1)焊条朝熔池送进的运动为了使焊条在熔化后仍能爆出一定弧长,要求焊条想熔池方向送进的速度与焊条熔化的速度相适应。
电工焊接手法
电工焊接手法是电焊技术中非常重要的一部分,它直接影响着焊接质量和效率。
电工焊接手法涉及到焊接姿势、焊接角度、焊接速度、焊接力度等方面。
对于不同的焊接材料和焊接位置,需要采用不同的电工焊接手法。
在进行电工焊接时,首先应该确保焊接设备的安全可靠。
接下来需要选择适当的焊接电流和焊条。
在焊接过程中,焊枪要保持稳定,焊接速度要适中,焊条要保持在正确的角度。
同时,要注意焊接的力度,不要用过大的力量或过多的热量,以免造成过度熔化或烧穿现象。
在焊接完成后,还需要注意对焊接部位进行清理和修整,以保证焊接部位的平整和美观。
在任何情况下,电工焊接手法都需要谨慎、细致、认真地操作,以确保焊接质量和工作安全。
- 1 -。
《电焊⼯操作技术要领图解》第⼆章(下)第六节⽴对接焊⽴对接焊是指对接接头焊件处于⽴焊位置时的操作,如图2-229。
⽴对接焊有两种⽅法,⼀种是常⽤的由下向上施焊,另⼀种是⽤专⽤焊条进⾏由上向下施焊。
⽴对接焊的特点是铁⽔与熔渣便于分离,但熔池温度过⾼时,铁⽔易下淌形成焊瘤(图2-230、图2-231)、咬边。
温度过低时,易产⽣夹渣缺陷。
焊接时采⽤短弧焊接,利⽤电弧吹⼒托住铁⽔,同时还有利于焊条熔化⾦属向熔池中过渡(图2-232)。
⼀、不开坡⼝I形⽴对接焊1.焊前准备:(1)⼯件:低碳钢板300mm×100mm×δ5mm2块(⽤于不开坡⼝焊接),300mm×100 mm×δ10mm2块(开V形坡⼝焊接)。
(2)焊条:E4303,Ф3.2mm。
(3)焊机:额定焊接电流⼤于300A交流或直流焊机⼀台。
(4)辅助⼯具:钢丝刷、锉⼑、敲渣锤、錾⼦等(图2-233)。
2.操作⽅法及要领:(1)装配及点固焊:对⼝间隙2.5~3mm,mm操作同平对接焊。
(2)⽴对接焊基本姿势有蹲姿、坐姿、站姿三种(图2-234),操作中为便于握焊钳的右⼿操作观察熔池,⾝体要稍偏向左侧,使右⼿正对焊缝为宜。
(3)为便于操作和观察熔池,焊钳握法有正握法〔图2-235(a)〕和反握法〔图2-235(b)〕两种,⼀般常⽤正握法。
(4)要采⽤正确的焊条⾓度,使焊条处于两焊件接⼝且与两焊件垂直(夹⾓90°),并与焊缝成60°~80°夹⾓。
以此借电弧向斜上⽅的吹⼒托住熔池,如图2-236。
(5)采⽤灭弧摆动法,在不开坡⼝的较⼤装配间隙和⽴对接单⾯焊双⾯成形的打底焊时采⽤此⽅法。
操作⽅法是在对⼝间隙处引燃电弧,拉长电弧预热起焊处,压低电弧。
⾸先电弧在⼀侧⼯件边缘处稍做停留,待此处熔合良好后,稍快速摆动到另⼀侧⼯件边缘处稍做停留,这侧⼯件边缘也熔合良好后,⽴即将电弧向后上⽅熄灭,使熔池⾦属有瞬时凝固的机会,随后重新在灭弧处引弧,稍停后摆动,这样交错地进⾏。
5.2 手工电弧焊电弧焊是熔化焊中最基本的焊接方法,它也是在各种焊接方法中应用最普遍的焊接方法,其中最简单最常见的是用手工操作电焊条进行焊接的电弧焊,称为手工电弧焊,简称手弧焊。
手弧焊的设备简单,操作方便灵活,适应性强。
它适用于厚度2mm以上的各种金属材料和各种形状结构的焊接,尤其适于结构形状复杂、焊缝短或弯曲的焊件和各种不同空间位置的焊缝焊接。
手弧焊的主要缺点是焊接质量不够稳定,生产效率较低,对操作者的技术水平要求较高。
5.2.1 手弧焊的焊接过程首先将电焊机的输出端两极分别与焊件和焊钳连接,如图5-4所示。
再用焊钳夹持电焊条。
焊接时在焊条与焊件之间引出电弧,高温电弧将焊条端头与焊件局部熔化而形成熔池。
然后,熔池迅速冷却、凝固形成焊缝,使分离的两块焊件牢固地连接成一整体。
焊条的药皮熔化后形成熔渣覆盖在熔池上,熔渣冷却后形成渣壳对焊缝起保护作用上。
最后将渣壳清除掉,接头的焊接工作就此完成。
图5-4 手工电弧焊示意图5.2.2手弧焊设备手弧焊的主要设备是弧焊机,俗称为电焊机或焊机。
电焊机是焊接电弧的电源。
现介绍国内广泛使用的弧焊机,如图5-5所示。
1、BX3—300型交流弧焊机图5-5交流弧焊机2、直流弧焊机直流弧焊机供给焊接用直流电的电源设备,如图5-6所示。
其输出端有固定的正负之分。
由于电流方向不随时间的变化而变化,因此电弧燃烧稳定,运行使用可靠,有利于掌握和提高焊接质量。
使用直流弧焊机时,其输出端有固定的极性,即有确定的正极和负极,因此焊接导线的连接有两种接法,如图5-7所示。
1)正接法焊件接直流弧焊机的正极,电焊条接负极;2)反接法焊件接直流弧焊机的负极,电焊条接正极。
导线的连接方式不同,其焊接的效果会有差别,在生产中可根据焊条的性质或焊件所需热量情况来选用不同的接法。
在使用酸性焊条时:焊接较厚的钢板采用正接法,因局部加热熔化所需的热量比较多,而电弧阳极区的温度高于阴极区的温度,可加快母材的熔化,以增加熔深,保证焊缝根部熔透;焊接较薄的钢板或对铸铁、高碳钢及有色合金等材料的焊接,则采用反接法,因不需要强烈的加热,以防烧穿薄钢板。
电焊技术基本手法图本页仅作为文档封面,使用时可以删除
This document is for reference only-rar21year.March
手弧焊是用手工操作的焊接方法,因此焊缝的质量在很大程度上决定于焊工的操作技术。
手弧焊时焊条要做三个方向的运动:朝熔池方向逐渐送进;沿焊接方向逐渐移动:必要时作有规则的横向摆动。
1)焊条朝熔池方向逐渐送进,这是为了以维持所要求的电弧长度。
因此,焊条的送进速度应等于焊条的熔化速度,如果送进速度比熔化速度慢,则电弧被逐渐拉长,严重时形成断弧现象;反之,如果焊条送进速度太快,则弧长迅速缩短,最后导致焊条弓弩手焊件接触短路,电弧熄灭。
2)焊条沿焊接方向的移动速度,即手弧焊的焊接速度。
太快时,电弧来不及熔化中够的焊条和母材,造成焊缝断面太小以及容易形成末焊透等缺陷;太慢时,熔化金属堆积过多,加大了焊缝断面,并且使焊件加热温度过高,薄件则容易烧穿。
3)焊条作横向摆动是为了获得一定宽度的焊缝,特别是当焊件开坡口时,由于焊口较宽,常采用摆动焊条使两侧金属能够焊透。
手弧焊常用的运条方法示意图:
(1)直线形运条法焊接时焊条不作横向摆动,沿焊接方向作直线运动,常用于开I形坡口的对接平焊、多层焊的第一层焊道或多层多道焊。
(2)直线往复运条法焊接时焊条末端沿焊缝的纵向作来凹直线形摆动,特点是焊接速度快、焊缝窄、散热快,适一薄板和接头间隙较大的多层焊的第一层焊道。
(3)锯齿形运条法焊接时焊条未端作锯齿形连续摆动及向前移动,并在两边稍停片刻,摆动焊条是为了控制熔化金属的流动和得到必要的焊缝宽度,特点是操作容易掌握,各种焊接位置基本上均可采用。
(4)月牙形运条法焊接时焊条末端沿着焊接方向作朋牙形的左、右摆动,特点是金属熔化良好,有较长的保温时间,气体容易析出,熔渣易上浮,焊缝质量较高。
(5)三角形运法焊接时焊条末端分别作连续的斜三角或正三角形运动,并向前移动。
斜三角形运条法适于焊接平、仰位置的T形接头焊缝和有坡口的横焊缝,特点是能够借焊条的摆动来控制熔化金属、焊缝成形良好。
正三角形运条法只适于开坡口的对接接头和T 形接头焊缝的立焊,特点是一次就能焊出较厚的焊缝断面,焊缝不易产生夹渣,生产率较高。
(6)圆圈形运条法焊接时焊条末端作圆圈形运动,并不断地前移。
特点是熔池存在时间长,熔池金属温度高,气体和熔渣容易上浮,适用于焊接较厚焊件的平焊缝。