(整理)后钢板弹簧吊耳工序卡片.
- 格式:doc
- 大小:517.50 KB
- 文档页数:5
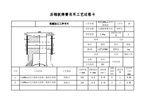
171717机械加工工序卡片产品型号零件图号831010产品名称零件名称后钢板弹簧吊耳共7页第1页车间工序号工序名材料牌机30 粗铣、精铣35毛坯种类毛胚外形尺寸每毛坯可制作件数每台件数铸件 1 1设备名称设备型号设备编号同时加工件数专用组合铣床 1夹具编号夹具名称切削液专用夹具工位器具编号工位器具名称工序工时准终单件描图工步号工步内容工艺装备主轴转速r/min切削速度m/min进给量mm/r切削深度mm进给次数工步工时描校机动辅助1 粗精铣∅60mm两外端面,保证两外端面粗糙度专用铣夹具,高速刚圆柱形铣刀169 33.4 0.08 3 1 2.3 0.51底图号 6.3,两外端面间距为76mm装订号设计(日期)审核(日期)标准化(日期)会签(日期)标记处数更改文件号签字日期标记处数更改文件号签字日期17机械加工工序卡片产品型号零件图号831010产品名称零件名称后钢板弹簧吊耳共7页第2页车间工序号工序名材料牌机40 钻、扩、铰35毛坯种类毛胚外形尺寸每毛坯可制作件数每台件数铸件 1 1设备名称设备型号设备编号同时加工件数专用组合钻床 1夹具编号夹具名称切削液专用夹具工位器具编号工位器具名称工序工时准终单件描图工步号工步内容工艺装备主轴转速r/min切削速度m/min进给量mm/r切削深度mm进给次数工步工时描校机动辅助1 钻孔到Ø35mm,扩孔到Ø36.8mm,铰孔到专用钻夹具,麻花钻扩孔钻绞刀 150o锪钻233 25.6 0.45 1.25 1 0.94 0.54底图号Ø37mm,保证尺寸Ø37mm, 倒角1.5X30 ,保证内孔端面粗糙度1.6装订号设计(日期)审核(日期)标准化(日期)会签(日期)标记处数更改文件号签字日期标记处数更改文件号签字日期17机械加工工序卡片产品型号零件图号831010产品名称零件名称后钢板弹簧吊耳共7页第3页车间工序号工序名材料牌机50 粗铣35毛坯种类毛胚外形尺寸每毛坯可制作件数每台件数铸件 1 1设备名称设备型号设备编号同时加工件数专用组合铣床 1夹具编号夹具名称切削液专用夹具工位器具编号工位器具名称工序工时准终单件描图工步号工步内容工艺装备主轴转速r/min切削速度m/min进给量mm/r切削深度mm进给次数工步工时描校机动辅助1 粗铣R24两内侧面,保证尺寸77MM, 保证专用铣夹具,高速刚圆柱形铣刀169 1.5 0.08 1.5 1 2.3 0.51底图号两内侧端面粗糙度12.5装订号设计(日期)审核(日期)标准化(日期)会签(日期)标记处数更改文件号签字日期标记处数更改文件号签字日期17机械加工工序卡片产品型号零件图号831010产品名称零件名称后钢板弹簧吊耳共7页第4页车间工序号工序名材料牌机60 粗铣35毛坯种类毛胚外形尺寸每毛坯可制作件数每台件数铸件 1 1设备名称设备型号设备编号同时加工件数专用组合铣床 1夹具编号夹具名称切削液专用夹具工位器具编号工位器具名称工序工时准终单件描图工步号工步内容工艺装备主轴转速r/min切削速度m/min进给量mm/r切削深度mm进给次数工步工时描校机动辅助1 粗铣R24孔两外侧面,保证两外端面粗糙专用铣夹具,高速刚圆柱形铣刀169 1.5 0.08 1.5 1 2.3 0.51底图号度50装订号设计(日期)审核(日期)标准化(日期)会签(日期)标记处数更改文件号签字日期标记处数更改文件号签字日期17机械加工工序卡片产品型号零件图号831010产品名称零件名称后钢板弹簧吊耳共7页第5页车间工序号工序名材料牌机70 钻、扩、铰35毛坯种类毛胚外形尺寸每毛坯可制作件数每台件数铸件 1 1设备名称设备型号设备编号同时加工件数专用组合钻床 1夹具编号夹具名称切削液专用夹具工位器具编号工位器具名称工序工时准终单件描图工步号工步内容工艺装备主轴转速r/min切削速度m/min进给量mm/r切削深度mm进给次数工步工时描校机动辅助1 钻孔到Ø28mm,扩孔到Ø29.8mm,铰孔到专用钻夹具,麻花钻扩孔钻绞刀 90o锪钻233 20.4 0.32 1.25 1 0.86 0.54底图号Ø30mm,保证尺寸Ø30mm, 倒角1X45 ,保证两外端面粗糙度6.3装订号设计(日期)审核(日期)标准化(日期)会签(日期)标记处数更改文件号签字日期标记处数更改文件号签字日期17机械加工工序卡片产品型号零件图号831010产品名称零件名称后钢板弹簧吊耳共7页第6页车间工序号工序名材料牌机80 钻、扩、铰35毛坯种类毛胚外形尺寸每毛坯可制作件数每台件数铸件 1 1设备名称设备型号设备编号同时加工件数专用组合钻床 1夹具编号夹具名称切削液专用夹具工位器具编号工位器具名称工序工时准终单件描图工步号工步内容工艺装备主轴转速r/min切削速度m/min进给量mm/r切削深度mm进给次数工步工时描校机动辅助1 钻孔到Ø9mm, 扩孔到Ø10.5mm,保证两内专用钻夹具,麻花钻扩孔钻233 20.4 0.32 1.25 1 0.86 0.54底图号孔端面粗度12.5装订号设计(日期)审核(日期)标准化(日期)会签(日期)标记处数更改文件号签字日期标记处数更改文件号签字日期17机械加工工序卡片产品型号零件图号831010产品名称零件名称后钢板弹簧吊耳共7页第7页车间工序号工序名材料牌机90 粗铣35毛坯种类毛胚外形尺寸每毛坯可制作件数每台件数铸件 1 1设备名称设备型号设备编号同时加工件数专用组合铣床 1夹具编号夹具名称切削液专用夹具工位器具编号工位器具名称工序工时准终单件描图工步号工步内容工艺装备主轴转速r/min切削速度m/min进给量mm/r切削深度mm进给次数工步工时描校机动辅助1 粗铣宽度为4mm的开口槽,保证两端面粗专用铣夹具,高速刚锯片铣刀169 1.5 0.08 1.5 1 2.3 0.51底图号度50装订号设计(日期)审核(日期)标准化(日期)会签(日期)标记处数更改文件号签字日期标记处数更改文件号签字日期17。
【课程设计说明书】[附工艺卡片]班号:0351001学生姓名:***指导老师:杨志兵贺鸣目录一、零件的工艺分析及生产类型的确定1.零件的作用 (2)2.零件的工艺分析 (2)3.零件的生产类型 (2)二、选择毛坯、确定毛坯尺寸1.选择毛坯 (3)2.确定机械加工余量、毛坯尺寸和公差 (3)3.确定机械加工余量 (3)4.确定毛坯尺寸和尺寸公差 (4)三、选择加工方法、制定工艺路线1. 定位基准的选择 (4)2. 零件表面加工方法的选择 (4)3. 制定工艺路线 (5)四、工序设计1.机床设备的选用 (7)2.工艺装备的选用 (7)五、确定切削用量及基本时间工序1:“粗铣φ37孔的两φ60端面至78” (7)工序2:“粗铣两φ30孔内侧端面距离至75” (8)工序3:“精铣两φ30孔内侧端面距离至〖77〗_0^(+0.07)” (9)工序4:“粗铣两φ30孔外侧端面与内侧端面距离至22” (11)工序5:“半精铣φ37孔的两φ60端面至〖76〗_(-0.6)^(-0.2)” (12)工序6:“钻φ20孔 (13)工序7:“扩钻φ35孔” (14)工序8:“扩φ35孔至φ36.75” (15)工序9:“铰φ36.75孔至φ〖37〗_0^(+0.05)” (16)工序10:“钻φ15孔” (17)工序11:“钻φ28孔” (18)工序12:“扩φ28孔至φ29.93” (19)工序13:“铰φ29.93孔至φ〖30〗_0^(+0.05)” (20)工序14:“钻φ10.5孔” (21)工序15:“粗铣4mm开口槽” (22)附录工序卡课程设计题目:“板簧吊耳”零件工艺设计一、零件的工艺分析及生产类型的确定1.零件的作用后钢板弹簧吊耳的主要作用是在汽车载重之后,使得钢板能够自由延伸、伸展,起到正常的缓冲作用,故弹簧吊耳的加工质量会影响汽车的使用性能和寿命。
吊耳的作用包括减震功能、阻尼缓冲功能以及导向功能。
1 后钢板弹簧吊耳加工工艺规程设计1.1零件的分析1.1.1零件的作用后钢板弹簧吊耳,一般分为前后吊耳两种,前吊耳是用于固定钢板与后桥定位,只能转动,不能移动,需要经常加注黄油或更换胶套。
后吊耳则可以向后移动或延伸,一般大货车后吊耳是固定的,只是钢板延伸,小车则是活动吊耳,钢板与吊耳同时活动,主要作用于载重后,使其钢板能够得到延伸、伸展,能有正常的缓冲作用。
因此汽车后钢板弹簧吊耳零件的加工质量会影响汽车的工作精度、使用性能和使用寿命。
题目给出的零件是CA10B解放牌汽车后钢板弹簧吊耳。
汽车后钢板弹簧吊耳主要作用是减震功能、阻尼缓冲部分功能、导向功能。
图1-1 后钢板弹簧吊耳零件图1.1.2后弹簧吊耳的技术要求按《机械制造技术基础课程设计指导教程》表1-1形式将后弹簧吊耳零件的技术要求列于下表2-1中:表1-1 后弹簧吊耳零件的技术要求表加工表面 尺寸及技术要求 公差及精度等级表面粗糙度Ra/m μ 形位公差/mmmm 60φ两外圆端面mm2.06.076-- IT12 6.3mm 05.0037+φ孔mm 05.0030+IT8 1.6 R24内侧面 54mm IT12 12.5 R24外侧面54mmIT13 50mm 045.0030+φ孔mm 045.0030+IT8 1.6 ◎ φ0.01 Amm 5.10φ孔 mm 5.10IT12 12.5 开口槽4mmIT13501.1.3后钢板弹簧吊耳的工艺分析由后钢板弹簧吊耳零件图知可将其分为两组加工表面。
它们相互间有一定的位置要求。
现分析如下:(1)以60mm φ两外圆端面为主要加工表面的加工面。
这一组加工表面包括:。
60mm φ两外圆端面的铣削,加工mm 05.0037φ的孔,其中60mm φ两外圆端面表面粗糙度要求为 6.3Ra m μ,mm 05.0037φ的孔表面粗糙度要求为 1.6Ra m μ(2)以mm 045.0030φ孔为主要加工表面的加工面。
CA10B解放牌汽车后钢板弹簧吊耳修正版JXB102工艺过程卡工艺名称:CA10B解放牌汽车后钢板弹簧吊耳修正版工艺编号:JXB102工艺说明:工艺设备:1.板材切割机:用于将原材料切割成所需尺寸;2.汽车后钢板冲床:用于冲压吊耳的形状;3.弯曲机:用于将冲床冲压出的吊耳进行弯曲;4.焊接设备:用于将吊耳与弹簧连接。
工艺步骤:1.材料准备:选择材质为CA10B解放牌汽车后钢板,并根据设计要求切割成所需尺寸。
2.吊耳冲压:将切割好的钢板放入汽车后钢板冲床中,根据设计图纸,将吊耳形状冲出。
3.吊耳弯曲:将冲压出的吊耳放入弯曲机中,按照设计要求进行弯曲,使其适应弹簧的连接需求。
4.焊接:将弯曲好的吊耳与弹簧进行焊接,确保吊耳与弹簧之间的连接牢固可靠。
5.检查和修正:检查焊接质量和连接牢固度,如有问题,进行修正。
6.除锈和防腐处理:对焊接部位进行除锈和防腐处理,确保吊耳的耐久性和使用寿命。
7.表面处理:对吊耳进行表面处理,如喷点。
8.检验和包装:对已加工完成的吊耳进行检验,符合标准要求后进行包装。
工艺注意事项:1.在冲床冲压吊耳时,要根据设计图纸和要求,确保吊耳的形状和尺寸准确无误。
2.在吊耳弯曲时,要根据设计要求和弹簧的连接需求,确保弯曲角度和弯曲位置正确。
3.在焊接过程中,要注意焊接质量和焊接位置,确保吊耳与弹簧的连接牢固可靠。
4.在除锈和防腐处理时,要选择合适的材料和处理方法,确保吊耳的耐久性和使用寿命。
5.在检验和包装时,要严格按照标准要求进行检验和包装,确保产品质量。
工艺流程示意图:```材料准备-->吊耳冲压-->吊耳弯曲-->焊接-->检查和修正-->除锈和防腐处理-->表面处理-->检验和包装```总结:通过以上工艺步骤和注意事项,可以实现CA10B解放牌汽车后钢板弹簧吊耳修正版的加工和安装。
该工艺能够确保吊耳牢固可靠,并满足汽车弹簧的使用要求,提高产品质量和性能。
后钢板弹簧吊耳加工工艺及夹具设计引言后钢板弹簧吊耳是一种常见的机械零部件,用于连接弹簧和机械结构,起到支撑和悬挂的作用。
本文将介绍后钢板弹簧吊耳的加工工艺以及夹具设计的相关内容。
弹簧吊耳加工工艺弹簧吊耳的加工工艺主要包括以下几个步骤:第一步:材料准备根据设计要求,选取合适的材料进行加工。
常用的材料有碳素钢、不锈钢等。
材料的选择要考虑到强度、硬度和耐腐蚀性等因素。
第二步:材料切割将选取的材料按照尺寸要求进行切割。
常用的切割方式有剪切、切割机和激光切割等。
切割时要注意材料的尺寸和形状的精准度,避免产生裂纹和变形。
第三步:弯曲成型将切割好的材料放入弯曲机中进行成型。
根据设计要求和工艺要求,将材料弯曲成所需的形状。
弯曲时要控制好弯曲角度和弯曲半径,避免产生裂纹和变形。
第四步:表面处理对成型后的弹簧吊耳进行表面处理,以提高强度和耐腐蚀性。
常用的表面处理方式有镀锌、喷涂和电泳等。
表面处理后的弹簧吊耳外观更加美观,能够延长使用寿命。
第五步:组装将表面处理好的弹簧吊耳连接到机械结构上。
根据设计要求和安装要求,采用焊接、螺纹连接或其他连接方式进行组装。
组装时要保证弹簧吊耳与机械结构之间的连接牢固,避免发生松动或脱落。
夹具设计夹具是用来固定工件的工具,用于在加工和装配过程中保持工件的稳定性和一致性。
在后钢板弹簧吊耳的加工过程中,夹具设计起到了至关重要的作用。
夹具设计的主要考虑因素如下:工件定位在夹具设计中,首先要考虑的是工件的定位。
通过合理的定位方式,保证工件在加工过程中的位置和姿态的一致性,以保证加工精度。
夹持力夹具设计还要考虑到夹持力的大小。
夹持力要足够大,以确保工件在加工过程中不会发生移动或变形。
同时,夹持力应该均匀分布,避免对工件造成不均匀的应力。
刀具接近夹具设计还要考虑刀具与工件之间的距离。
刀具要能够充分接近工件,以提高加工效率和加工质量。
局部加强结构夹具设计中,对于高应力区域需要进行局部加强结构设计。
通过在夹具的关键部位增加加强筋或支撑结构,来增强夹具的刚度和稳定性。
后钢板弹簧吊耳工艺流程设计引言:一、原材料准备:1.钢板采购:根据产品需求,选用质量良好、尺寸合适的冷轧钢板作为原材料。
2.板材切割:使用剪板机将钢板切割成规定尺寸的板材。
二、吊耳冲压工艺:1.设计模具:根据产品的尺寸、形状和数量,设计并制造吊耳冲压模具。
2.板材上料:将切割好的板材放置在冲床上。
3.冲压成型:将模具安装到冲床上,调整好冲床参数后,进行吊耳的冲压成型。
冲压过程中要注意控制冲床的速度和压力,以免产生破裂或变形。
4.不良品处理:对于冲压不合格的吊耳,进行分类和处理,包括修复、重新冲压或报废。
三、吊耳加工工艺:1.吊耳焊接:将冲压好的吊耳放置在焊接工作台上,并通过专业的焊接工艺,使用电弧焊接设备对吊耳进行焊接。
焊接时要注意保证焊缝的质量和强度,避免产生裂纹或未焊透的现象。
2.清洗处理:将焊好的吊耳进行清洗处理,包括除去焊渣和氧化物等杂质,保持吊耳表面的光洁度。
3.表面处理:根据客户要求,对吊耳进行防锈、喷涂、镀铬等表面处理,提高吊耳的耐腐蚀性和美观度。
四、产品检验和包装:1.外观检验:对吊耳进行外观检验,包括尺寸、形状、焊接质量等方面的检查。
2.力学性能测试:使用拉力试验机对吊耳的负荷能力进行测试,保证吊耳的可靠性。
3.包装:将合格的吊耳进行包装,通常采用纸箱或木箱进行包装,标明产品名称、规格、数量等信息,确保产品的安全运输。
五、工艺优化:1.模具设计和制造:根据实际生产情况,对模具进行优化,提高冲压效率和质量。
2.自动化生产设备投资:引进自动化冲压设备和焊接设备,实现生产过程的自动化,提高生产效率和产品质量。
3.工艺参数调整:通过对各个工艺环节的工艺参数进行调整和优化,降低生产成本,提高产品质量。
结论:通过对后钢板弹簧吊耳工艺流程进行设计和优化,可以提高生产效率、降低生产成本、提高产品质量,从而满足市场需求,提升企业竞争力。
同时,工艺优化还可以减少能源消耗和废品产生,实现可持续发展的目标。
机械制造工艺学课程设计任务书题目:设计“后钢板弹簧吊耳”零件的机制加工工艺规程及工艺装备(大批量生产)内容:1. 毛坯图 1张2. 机械加工工艺过程卡片 1张3. 机械加工工序卡片4-5张4. 机床夹具装配总图1张5. 夹具主要零件图(包括夹具体) 2张6. 课程设计说明书1张院系:_____机电学院___________专业:姓名:__________________学号:______ ____指导老师:____ ______________2013年9月17日目 录目 录 .............................................................................................................................................. 2 1 绪 论 .......................................................................................................................................... 2 2 后钢板弹簧吊耳加工工艺规程设计 ......................................................................................... 3 2.1零件的分析 . (3)2.1.1零件的作用..................................................................................................................... 3 2.1.2零件的工艺分析 ............................................................................................................. 4 2.1.3弹簧吊耳零件的技术要求 ............................................................................................. 5 2.2确定毛坯,绘制毛坯图 ........................................................................................................ 5 2.2.1 确定毛坯的制造形式 ........................................................................................................ 5 2.2.2 确定毛坯的尺寸公差和机械加工余量 ........................................................................ 5 2.2.4吊耳毛坯尺寸公差及机械加工余量 ............................................................................. 6 2.3拟定弹簧吊耳工艺路线 ........................................................................................................ 7 2.3.1 零件的加工定位基准 .................................................................................................... 7 2.3.2零件表面加工方法的确定,吊耳各表面加工方案 ..................................................... 8 2.3.3工序顺序的安排 ............................................................................................................. 8 2.3.4 工艺方案的比较与分析 ................................................................................................ 9 2.3.5确定吊耳工艺路线 ....................................................................................................... 10 2.4机床设备及工艺装备的选用 .............................................................................................. 11 2.4.1机床设备的选用 ........................................................................................................... 11 2.4.2工艺装备的选用 ........................................................................................................... 11 2.5加工余量,工序尺寸和公差的确定 .................................................................................. 11 2.5.1工序1—加工mm 60 孔两外圆端面至设计尺寸的加工余量,工序尺寸和公差的确定 ....................................................................................................................................... 11 2.5.2吊耳各加工表面的机械加工余量 ............................................................................... 14 2.6确定切削用量及基本工时(机动时间) .. (15)1 绪 论机械的加工工艺及夹具设计是在完成了大三的全部课程之后,进行的一次理论联系实际的综合运用,使我对专业知识、技能有了进一步的提高,为以后从事专业技术的工作打下基础。
后钢板弹簧吊耳工艺流程设计讲解钢板弹簧吊耳工艺流程设计是指在生产钢板弹簧吊耳时,为了提高生产效率和产品质量,将整个生产过程按照一定的顺序和步骤进行规划和设计。
以下是钢板弹簧吊耳工艺流程设计的详细讲解:1.原材料采购:首先需要根据产品的需求量和规格,选择合适的材料进行采购。
一般情况下,钢板弹簧吊耳的制作材料选择高强度的钢板,以确保产品的质量和使用寿命。
2.材料准备:采购回来的钢板首先需要进行进一步的加工和准备。
包括切割、修边、平整等工序,以使钢板的尺寸和形状符合设计要求。
3.弯曲加工:经过材料准备后,钢板需要进行弯曲加工,使其变成吊耳的形状。
弯曲加工可以采用机械弯曲或者冷弯工艺,根据产品的要求来选择合适的加工方式。
4.弯曲矫正:在弯曲加工后,可能会出现一些弯曲度不符合要求的情况。
这时需要进行弯曲矫正,使用合适的设备和工具将吊耳进行微调,使其符合产品设计的要求。
5.表面处理:钢板弹簧吊耳的表面一般需要进行防锈处理和美观处理。
常见的表面处理方式有镀锌、喷涂等。
这一步的目的是增加产品的抗腐蚀性能和美观度。
6.安装耳板:在表面处理完成后,将吊耳安装到设备或者产品上。
根据产品的要求和设计进行安装,一般采用焊接、螺栓连接或者插接等方式。
7.检验和调整:安装完成后,对钢板弹簧吊耳进行检验。
包括尺寸检验、质量检验、外观检查等。
如果有不符合要求的地方,进行必要的调整和修正。
8.包装和出厂:经过检验和调整后,对钢板弹簧吊耳进行包装,采用合适的包装材料和方式,确保产品在运输和储存过程中不受损坏。
然后将产品出厂,交付给客户。
以上是钢板弹簧吊耳工艺流程设计的详细讲解。
通过合理的规划和设计,可以提高生产效率,降低生产成本,提升产品质量。
同时,对每个环节进行严格的控制和检验,可以确保生产出的钢板弹簧吊耳具有稳定的性能和可靠的质量。
机械制造工艺学课程设计说明书选题:CA10B解放牌汽车后钢板弹簧吊耳(零件号831010)班级:姓名:学号:一、零件的分析(一)零件的作用题目给出的零件是CA10B解放牌汽车后钢板弹簧吊耳。
后钢板弹簧吊耳的主要作用是载重后,使钢板能够得到延伸,伸展,能有正常的缓冲作用。
因此汽车后钢板弹簧吊耳零件的加工质量会影响汽车的工作精度、使用性能和寿命。
汽车后钢板弹簧吊耳主要作用是减震功能、阻尼缓冲部分功能、导向功能。
两端的卷耳用销子铰接在车架的支架上。
这样,通过钢板弹簧将车桥与车身连接起来,起到缓冲、减振、传力的作用。
图后钢板弹簧吊耳零件图(二)零件的工艺分析由后钢板弹簧吊耳零件图知可将其分为两组加工表面。
它们相互间有一定的位置要求。
现分析如下:(1)以两外圆端面为主要加工表面的加工面。
这一组加工表面包括:两外圆端面的铣削,加工的孔,其中两外圆端面表面粗糙度要求为,的孔表面粗糙度要求为(2)以孔为主要加工表面的加工面。
这一组加工表面包括:2个的孔,2个的孔、2个孔的内外两侧面的铣削,宽度为4的开口槽的铣削,2个在同一中心线上数值为的同轴度要求。
其中2个的孔表面粗糙度要求为,2个的孔表面粗糙度要求为,2个的孔的内侧面表面粗糙度要求为,2个的孔外侧面表面粗糙度要求为,宽度为4的开口槽的表面粗糙度要求为。
在两组加工表面之间没有一定的位置要求,先加工哪一组表面都可以,现计划是加工第一组表面,再以第一组为基准加工第二组表面。
二、工艺规程设计(一)确定毛坯的制造形式零件材料为35钢。
考虑零件在工作中的情况,零件在汽车后后钢板中支架钢板,受到各种不同的振荡,有减震功能、阻尼缓冲部分功能、导向功能作用,因此应该选择锻件,以使金属纤维尽量不被切断,保证零件工作可靠。
在初定义,本零件为大批量生产,而且零件的轮廓尺寸不大,在造型中可采用模锻成型。
(二)基准的选择基准选择是工艺规程设计中的重要工作之一。
基准选择得正确与合理,可以使加工质量得到保证,生产率得以提高。
解放牌汽车CA10B后钢板弹簧吊耳加工工艺及夹具设计(有CAD图) 后钢板弹簧吊耳加工工艺及夹具设计摘要本次设计是对后钢板弹簧吊耳零件的加工工艺规程及一些工序的专用夹具设计.后钢板弹簧吊零件的主要加工表面是平面及孔。
由加工工艺原则可知,保证平面的加工精度要比保证孔的加工精度容易。
所以本设计遵循先面后孔的原则。
并将孔与平面的加工明确划分成粗加工和精加工阶段以保证加工精度。
基准选择以后钢板弹簧吊耳大外圆端面作为粗基准,以后钢板弹簧吊耳大外圆端面与两个工艺孔作为精基准。
主要加工工序安排是先以后钢板弹簧吊耳大外圆端面互为基准加工出端面,再以端面定位加工出工艺孔.在后续工序中除个别工序外均用端面和工艺孔定位加工其他孔与平面。
整个加工过程均选用组合机床.关键词后钢板弹簧吊耳,加工工艺,专用夹具ABSTRACTThe design of the plate after spring lug parts of the processing order of the processes and some special fixture design。
Spring plate after hanging parts of the main plane of the surface and pore。
By the principle known Processing, the plane guarantee precision machining holes than guarantee the machining precision easy. So the design follows the surface after the first hole principle. Plane with holes and the processing clearly divided into roughing and finishing stages of processing to ensure accuracy。
工艺课程设计后钢板弹簧吊耳(CA10B解放牌汽车)----加工工艺及夹具设计班级:姓名:学号:指导教师:2011年11月目录目录 (1)一.后钢板弹簧吊耳加工工艺规程设计 (2)1.零件的分析 (2)2.后钢板弹簧吊耳加工定位基准的选择 (3)3.工艺路线的制定 (4)4.机械加工余量、工序尺寸及毛坯尺寸的确定 (6)5.确定切削用量及基本工时(机动时间) (7)φ工艺孔夹具设计 (15)二.加工10.5mmφ工艺孔夹具设计 (15)1.加工10.5mm2.定位误差分析 (15)3.切削力的计算与夹紧力分析 (16)4.夹具设计及操作的简要说明 (16)结论 (18)参考文献 (19)一 后钢板弹簧吊耳加工工艺规程设计1.零件的分析 a.零件的作用题目给出的零件是CA10B 解放牌汽车后钢板弹簧吊耳。
后钢板弹簧吊耳的主要作用是载重后,使钢板能够得到延伸,伸展,能有正常的缓冲作用。
因此汽车后钢板弹簧吊耳零件的加工质量会影响汽车的工作精度、使用性能和寿命。
汽车后钢板弹簧吊耳主要作用是减震功能、阻尼缓冲部分功能、导向功能.后钢板弹簧吊耳零件图b.零件的工艺分析由后钢板弹簧吊耳零件图知可将其分为两组加工表面。
它们相互间有一定的位置要求。
现分析如下:(1)以60mm φ两外圆端面为主要加工表面的加工面。
这一组加工表面包括:60mm φ两外圆端面的铣削,加工0.03037mm φ+的孔,其中60mm φ两外圆端面表面粗糙度要求为 6.3Ra m μ,0.03037mmφ+的孔表面粗糙度要求为 1.6Ra m μ(2)以0.043030mm φ+孔为主要加工表面的加工面。
这一组加工表面包括:2个0.043030mm φ+的孔,2个10.5mm φ的孔、2个0.043030mmφ+孔的内外两侧面的铣削,宽度为4mm 的开口槽的铣削,2个在0.043030mm φ+同一中心线上数值为0.01φ的同轴度要求。
其中2个0.043030mm φ+的孔表面粗糙度要求为 1.6Ra m μ,2个10.5mm φ的孔表面粗糙度要求为12.5Ra m μ,2个0.043030mm φ+孔的内侧面表面粗糙度要求为12.5Ra m μ,2个0.043030mm φ+孔的外侧面表面粗糙度要求为50Ra m μ,宽度为4mm 的开口槽的表面粗糙度要求为50Ra m μ。
后钢板弹簧吊耳的加工工艺设计详解引言:钢板弹簧吊耳是一种常见的吊挂装置,用于将钢板弹簧连接到其他设备或结构上。
设计一个合理的加工工艺对于确保吊耳的质量和性能至关重要。
在设计过程中需要考虑到工艺的可行性、加工成本、生产效率等因素。
本文主要介绍钢板弹簧吊耳的加工工艺设计,并对各个工艺环节进行详细解析。
工艺步骤:1.材料选择与切割:首先需要选择合适的钢板材料来制作吊耳,一般常用的材料有普通碳钢和不锈钢。
根据设计要求和工艺性能,选择合适的厚度和尺寸。
然后进行材料切割,通常采用剪板机、激光切割机或等离子切割机进行切割。
在切割过程中要注意尺寸的准确度和切割面的光滑度。
2.弯曲成型:通过对钢板进行弯曲成型来形成吊耳的基本形状。
常用的成型方法有三辊弯曲、四辊弯曲、油压机弯曲等。
在进行弯曲成型时,要注意控制好弯曲角度和弯曲半径,以确保吊耳的外观和强度。
3.吊耳打孔:根据设计的要求和使用环境,对吊耳进行打孔加工。
通常采用冲床、数控冲床或钻床进行打孔,要求孔的位置准确、孔径一致,并保证孔的表面光滑度。
4.表面处理:根据设计要求和使用环境,对吊耳进行表面处理。
常见的表面处理方法有镀锌、喷涂、氧化等。
选择合适的表面处理方法可以提高吊耳的抗腐蚀性能和外观质量。
5.焊接和装配:根据设计要求,对吊耳进行焊接和装配。
通常采用电焊、气焊或电弧焊等焊接方法。
在焊接过程中要注意焊接强度和焊缝的质量,确保焊接部位的牢固性和耐用性。
6.检测和质量控制:对加工完成的吊耳进行检测和质量控制。
常用的检测方法有尺寸测量、外观检查、入库检验等。
要求吊耳尺寸准确、外观无明显缺陷,并符合相关标准和要求。
总结:钢板弹簧吊耳的加工工艺设计,涉及到材料选择、切割、弯曲成型、打孔、表面处理、焊接和装配等多个环节。
在设计过程中,要综合考虑工艺的可行性、成本和效率等因素。
合理的工艺设计可以保证吊耳的质量和性能,提高生产效率和效益。
当然,在具体的加工过程中需要根据实际情况进行调整和改进,以满足不同客户的需求。
后钢板弹簧吊耳加工工艺及夹具设计钢板弹簧吊耳是一种常见的工业零部件,常用于吊装和固定重物。
本文将就钢板弹簧吊耳的加工工艺及夹具设计进行详细介绍。
1.钢板弹簧吊耳的加工工艺:(1)材料选择:常用的钢板材料有碳钢、不锈钢等,根据具体使用环境和要求选择合适的材料。
(2)材料切割:通过切割设备将钢板按照设计要求切割成所需尺寸的板材。
(3)冲孔:根据设计图纸确定吊耳的孔位,并使用冲床或数控冲床在钢板上冲出所需的孔。
(4)折弯:根据设计要求,使用折弯机将钢板折弯成所需的形状。
(5)焊接:将吊耳的各个零部件进行焊接,确保吊耳的稳定和强度。
(6)去毛刺和打磨:使用砂轮或去毛刺机对吊耳进行去毛刺和打磨,保证表面光滑。
(7)表面处理:根据使用环境和要求,对吊耳进行镀锌、喷漆等表面处理。
(8)检验和包装:对加工完成的吊耳进行严格的质量检验,并进行合适的包装。
2.夹具设计:夹具是加工过程中用于夹紧和定位工件的工具。
在钢板弹簧吊耳的加工过程中,可以设计以下几种夹具:(1)切割夹具:用于定位和夹紧待切割的钢板,确保切割出来的板材尺寸准确。
(2)冲孔夹具:包括上模和下模,用于在钢板上冲出所需的孔。
(3)折弯夹具:通过上模和下模的配合,将钢板弯曲成所需的形状。
(4)焊接夹具:用于定位和夹紧吊耳的零部件,确保焊接过程中各个部分的位置准确。
(5)打磨夹具:用于定位和夹紧吊耳,使其在打磨过程中保持稳定。
(6)表面处理夹具:用于浸泡或固定吊耳,在进行表面处理时保持稳定。
在夹具设计过程中,需要考虑夹具的结构强度和稳定性,确保生产过程中的安全性。
同时,夹具的设计还应考虑其易于调整和更换,以适应不同规格和型号的钢板弹簧吊耳的加工需求。
总结:。
后钢板弹簧吊耳零件工艺及加工Φ30两孔夹具设计一、后钢板弹簧吊耳零件工艺1.材料准备:选择适用于后钢板弹簧吊耳的优质钢板,根据设计要求订购相应的材料。
2.切割加工:根据图纸尺寸,使用剪板机或激光切割机将钢板切割成相应尺寸大小的矩形坯料。
3.表面处理:使用砂轮或砂纸进行表面打磨,去除锈蚀、氧化层和毛刺等表面缺陷,提高表面质量。
4.弯曲成型:根据图纸要求,使用弯曲机将钢板进行弯曲成型,形成弯折角度和弯曲半径。
5.冲压加工:使用冲床或冲裁机对钢板进行冲孔或压下形成指定形状。
6.焊接:根据零件的要求,采用电弧焊接或气体保护焊将零件进行焊接,确保焊缝牢固可靠。
7.表面处理:对焊接好的零件进行再次表面处理,如去除焊缝的烟灰和氧化层,进行除锈处理。
8.清洗和检验:对零件进行清洗和检验,确保表面没有杂质和缺陷。
9.表面涂装:根据设计要求,进行表面涂装,常见涂层有镀锌、烤漆等,提高零件的表面保护和美观度。
10.组装:按照图纸要求将各个零部件进行组装,使用螺栓、螺母等连接件将零件固定组合。
11.质量检验:对组装完成的零件进行整体质量检验,确保符合设计要求和标准。
Φ30两孔夹具是一种用于夹持Φ30直径零件的夹具,以保证零件在加工和装配过程中的固定和稳定。
1.夹具结构设计:根据Φ30直径零件的形状和尺寸,设计夹具的结构和形式,可以采用框架式或夹爪式结构。
2.材料选择:选择具有足够强度和刚度的材料,如优质钢材或铝合金材料。
3.夹具夹持方式设计:根据Φ30直径零件的特点,选取合适的夹持方式,如夹爪式、夹板式、吸盘式等。
4.夹具定位设计:夹具需要能够准确定位Φ30直径零件,确保零件在夹具内的位置和角度正确。
5.夹具固定设计:夹具需要能够固定在加工设备或工作台上,以保证夹具的稳定和工作精度。
6.加工工艺设计:夹具的制造需要考虑到加工工艺和加工工装的设计,以确保夹具的加工精度和质量。
7.安全设计:夹具在使用过程中需要保证操作人员的安全,设计时需考虑到夹具的安全性和可靠性。