制造企业安全检查表(SCA)
- 格式:doc
- 大小:107.00 KB
- 文档页数:11
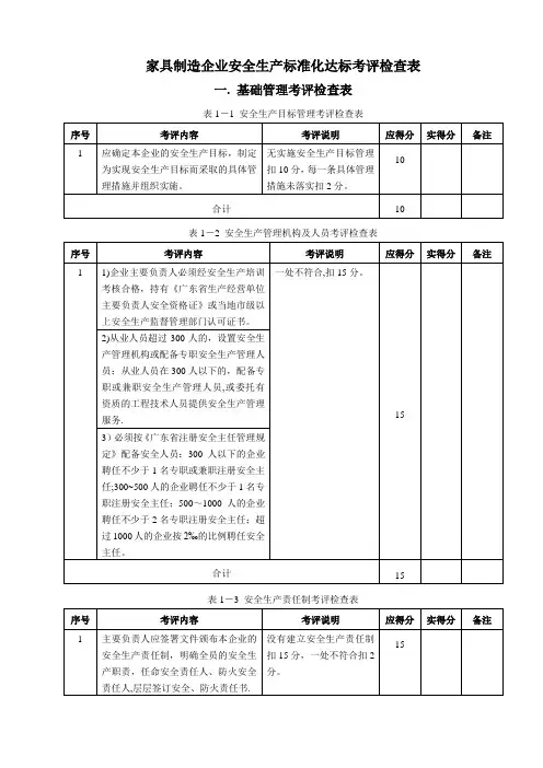
家具制造企业安全生产标准化达标考评检查表
一.基础管理考评检查表
表1-1 安全生产目标管理考评检查表
表1-2 安全生产管理机构及人员考评检查表
表1-3 安全生产责任制考评检查表
表1-4 安全生产规章制度考评检查表
表1-5 安全教育考评检查表
表1-6 安全生产检查考评检查表
表1-7 危险源和事故应急预案管理考评检查表
表1-8 事故管理考评检查表
表1-9 安全生产“三同时”考评检查表
表1-10 发包和出租管理考评检查表
表1-11 安全生产档案考评检查表
二.设备设施考评检查表
表2-1 个体防护考评检查表
表2-2 危险化学品库考评检查表
表2-3 厂房与工业梯台考评检查表
表2-4 机械设备考评检查表
表2-5 电气设备考评检查表
表2-7 金属切削机床考评检查表
表2-8 冲、剪、压机械考评检查表
表2-9 手持电动工具考评检查表
表2-10 电焊机考评检查表
表2-11 砂轮机考评检查表
表2-12 空压机考评检查表
表2-13 工业气瓶考评检查表
表2-16 动力(照明)配电箱(柜、板)考评检查表
三. 作业环境考评检查表
表3-1 危险化学品使用管理考评检查表
表3-2 作业场所劳动保护考评检查表
表3-3 厂区、车间作业环境考评检查表。
生产企业安全检查表检查目的本安全检查表适用于各类生产企业,通过检查,排查企业可能存在的各种安全隐患,并采取预防措施,确保员工和财产安全。
检查内容1.环境检查–检查生产车间是否存在易燃易爆危险品;–检查危险品是否贮存于专用库房内;–检查是否存在不合法的石化企业、垃圾处理厂、污染工业企业等周边环境;–是否按规定在易燃易爆危险品的储存、使用范围内设置防火墙。
2.电气设备检查–检查公司电气设备是否按要求安装、维护;–检查电气设备周围是否有易燃物品,如易燃气体、液体等;–检查电气线路、开关、插座是否带保险、接地良好等;–检查公司是否制定了电气安全管理制度,是否有专人负责管理。
3.员工职业健康与安全–检查企业岗位劳动卫生、安全教育、职业健康监测等是否落实;–是否有完善的职工安全培训制度;–是否装备安全防护用品;–是否对员工健康状况开展定期体检。
4.防火设施检查–检查企业是否安装了灭火器、灭火器箱、灭火器标志样板;–是否根据消防部门审核结果进行消防通道设置与标识;–是否配备一定数量的灭火器及其他灭火器材;–是否定期对消火器进行保养与检测,保证其可用。
5.安全生产培训检查–检查企业是否定期组织安全演练和火灾逃生演练;–是否制定了应急预案;–是否经常进行安全生产培训,对员工进行必要的安全教育;–是否按照规定对新员工进行安全生产培训。
检查结果经检查,本次安全检查发现以下隐患:1.环境检查–发现公司附近存在一处垃圾处理厂,存在一定的环境污染隐患。
–发现部分电气设备安装不规范,存在电气安全风险。
3.员工职业健康与安全–发现部分员工缺乏必要的安全防护用品,存在劳动安全隐患。
4.防火设施检查–发现部分灭火器使用寿命已过期,需要更换;–发现公司灭火器存放位置不够显眼,需要进行标识。
5.安全生产培训检查–发现部分员工未参加消防演习,需要进行安全生产培训;–发现应急预案不够详细,需要进行完善。
处理措施1.环境检查–协调相关部门对垃圾处理厂进行环保治理。
机械制造企业安全生产检查表附件1主要内容检查要点企业主要负责人安全生产责任制是否建立各职能部门安全生产责任制是否建立各级各类人员安全生产责任制是否建立各项安全生产管理规章制度是否建立、健全各岗位安全操作规程是否建立安全管理机构是否设置安全管理人员是否配备安全预评价报告是否编制安全设施专篇是否编制安全设施验是否验收安全评价报告、安全设施专篇是否报安监部门审查、备案员工工伤保险管理制度是否建立工伤保险费是否足额缴纳从业人员工伤保险是否办理主要负责人和安全生产管理人员,是否经过安全监管部门培训各类人员培训计划是否制定安全教育培训是否按计划进行操作岗位人员是否经过安全教育和生产技能培训和考核合格对新员工是否进行“三级”安全教育在新工艺、新技术、新材料、新设备设施投入使用前,是否进行安全教育培训企业名称:年月日项目检查结果整改意见安全生产责任制机构人员新改扩项目安全设施“三同时”管理基础管理工伤保险教育培训 1安全培训档案是否建立是否与外来施工方签订安全生产管理协议相关方管理是否对外来施工方生产经营过程加强安全监管外来施工方是否具备资质基础管理特种设备安全技术档案是否建立特种设备及特种设备是否经过检验机构检验合格人员安全管理特种作业人员是否经过培训,取得特种作业操作资格证书综合、专项应急预案是否制定应急预案应急救援预案是否组织演练是否在检验周期内使用涂色及标志是否正确明显工业气瓶安全附件是否齐全完好是否按要求存放是否有防倾倒措施库内危险化学品是否进行分类、分区、分库储存库内是否消防设施齐全、通道畅通危险化学品库库内是否有隔热、降温、通风等措施设备设施库内是否有应急预案锅炉产品合格证、使用登记证、年度使用报告是否齐全压力表表面及表盘刻度是否清晰压力表指示是否在正常范围内水位表外表是否清洁、明亮或漏气、漏水锅炉水位表最高、最低刻度是否有明显标志安全阀是否齐全、完整安全阀动作是否灵活,可靠排污阀是否有漏气、漏水现象2起重机械金属切削机床设备设施冲剪压机械砂轮机运输机械操作人员是否有操作合格证安全操作规程是否编制是否有起重吨位标牌各类行程限位连锁保护装置是否可靠大、小钩限位器是否完好有无过流保护装置外露传动部分防护罩是否完好钢丝绳是否有检查更换标准防护罩、盖、栏是否完好机床照明是否符合要求各种限位、连锁、操作手柄是否灵敏可靠防止夹具、卡具松动或脱落的装置是否完好裸露、转动或快速移动部分,是否设有安全防护罩电动机(机床)接地是否可靠离合器动作是否灵敏可靠制动器工作是否可靠,与离合器相互协调连锁紧急停止按钮是否灵敏传动外漏部分的防护装置是否齐全可靠 PE线是否正确可靠安装地点是否能够保证人员和设备安全防护装置是否符合规定托架安装是否牢固可靠 PE线连接是否可靠机械传动部位防护装置是否可靠接地零线是否符合要求通道、梯台、护网(栏)是否符合要求3动力配电箱(柜、柜、板)电焊机设备设施磁粉探伤设备射线探伤设备箱(柜、柜、板)是否符合作业环境要求箱(柜、柜、板)是否整洁完好,连接可靠外漏带电部分屏护是否完好编号、识别标记是否齐全、醒目电源线、焊接电缆与焊机处是否有可靠屏护焊机外壳PE接线是否正确,连接可靠焊机一次侧电源线长度是否超过3m 焊机使用场所是否清洁,无严重粉尘,周围无易燃易爆物行程探头是否有可靠的自锁和连锁装置集体与绕组外壳的绝缘是否良好油箱、油管连接是否可靠,无渗漏现象探伤室的门、窗、铅板是否防透射措施是否完好达标各种报警、信号、通讯及警示标志是否完好、灵敏、准确 PE线是否正确可靠探头及垂直线性、水平线性是否保持在规定范围内超声波探伤设备移动式电源绝缘性是否良好 PE线是否正确可靠作业环境有较大危险因素的作业场所或有关设备上,是否设置全警示标志和安全色检查细则中的项目,完成的在结果栏打√,没完成的打×。
机械制造企业安全质量标准化考评检查表一、基础管理考评检查表安全生产责任制考评检查表No.102No.103No.104No.105No.106No.107班组安全管理考评检查表 No.108计分方法:实得分=安全操作规程考评检查表No.110相关方安全管理考评检查表No.111现场监督检查考评检查表No.112No.113No.115二、设备设施安全考评检查表工业气瓶考评检查表No.202No.203No.204No.205①连接部位无裂纹、变形、过热泄漏等缺陷; 任意一条不合格,则判该台为不合格。
实得分=×0.5×100 在检验周期内使③爆破片的工作压力、温度与工作参数相符,④液位计指示准确、有最高、最低液位标记,沉降、疏水器、排污(水)阀及其管道无泄漏,布局No.209空压机考评检查表No.211No.213No.214锻造机械考评检查表No.216No.217No.218No.219-1No.219-2No.219-3No.220No.221No.222No.224-1防雷接地装置考评检查表No.228No.229No.230No.231探伤设备(磁粉探伤)考评检查表No.232-1No.232-2No.232-3No.232-4No.233No.235No.237No.238电梯考评检查表No.240No.242三、作业环境与职业健康考评检查表厂区环境考评检查表No.301No.304No.305。
机械制造行业安全生产检查表被查单位: 检查单位:被查单位负责人(签名):检查人员(签名):年月日检查依据1 《中华人民共和国安全生产法》2 《机械工业职业安全卫生设计规定》JBJ18-883 《生产设备安全卫生设计总则》GB5083-994 《工业企业设计卫生标准》TJ36-795 《机械工厂安全性评价标准》(试行)机械部19976 《机械设备防护罩安全要求》GB8196-877 《防护屏安全要求》GB8197-878 《安全标志》GB2894-969 《安全电压》GB3805-8310《固定式钢直梯》、《固定式钢斜梯》、《固定式工业防护栏杆》、《固定式工业钢平台》GB4053。
1—93~GB4053.4-9311《职业性接触毒物危害程度分级》GB5044-8512《生产性粉尘作业危害程度分级》GB5817—8613《工厂安全卫生规程》1956。
5。
2514《危险化学品安全管理条例》15《建筑设计防火规范》GBJ16-8716《爆炸和火灾危险场所电力装置设计规范》GB50058-9217《建筑防雷设计规范》GB50057-9418《机械工业企业劳动卫生工作条例》1985.8。
2919《工业企业厂界噪声标准》GB12348—9020《工业企业厂内运输安全规程》GB438721《采暖通风与空气调节设计规范》GBJ1922《压力机的安全装置技术条件》GB5091—8523《磨削机械安全规程》GB4674—8424《起重机械安全规程》GB6067—8525《剪切机械安全规程》GB6077—8526《涂装作业安全规程》GB6514/6515/7691/7692/769327《冲压车间安全生产通则》GB8176-9728《机械压力机安全技术要求》JB3350-199329《铸造防尘技术规程》GB8959-8830《锻压机械安全技术条件》JB4203-8631《金属切削机床及机床附件安全防护技术条件》JB4139-8632《中华人民共和国消防法》。
制造企业安全生产检查表(总6页)
--本页仅作为文档封面,使用时请直接删除即可--
--内页可以根据需求调整合适字体及大小--
机械制造企业安全生产检查表
2
3
4
5
6
7
备注:
1.“法”指《安全生产法》,“344号令”指国务院《危险化学品安全管理条例》,“493号令”指国务院《生产安全事故报告和调查处理条例》,“省条例”指《江苏省安全生产条例》,“总局3号令”指国家安监总局《生产经营单位安全培训规定》,“总局16号令”指国家安监总局《安全生产事故隐患排查治理暂行规定》,“安监管管二字〔2005〕11号”指《关于印发〈机械制造企业安全质量标准化考核评级办法〉和〈机械制造企业安全质量标准化考核评级标准〉的通知》。
2.“检查结果”根据“检查内容”填写有、无或是、否;
3.本记录一式二份,一份交企业,一份由安监部门存档。
8。
工程刀具制造企业安全检查表
1安全检查表的定义
为了系统地发现工厂、车间。
工序或机器、设备、装置以及各种操作管理和组织措施中的不安全因素,事先对检查对象加以剖析,查出不安全因素所在,然后根据理论知识、实践经验、标准、规范和事故情报等进行周密细致的思考,确定检查的项目,以提问的方式,将检查项目按系统顺序编制成表,以便进行检查。
这种表就叫安全检查表。
现代安全系统工程中的许多分析方法,如危险性预先分析、事故类型和影响分析、故障树分析、事件树分析等都是在安全检查表的基础上发展起来的。
安全检查表之所以能够在安全管理工作中发挥重大的作用,是因为安全检查表采用系统工程的观点,进行全面的科学分析,明确检查项目和各方责任,使检查工作做到尽量避免遗漏和不流于形式。
安全检查表实际上是一份实施安全检查和诊断的项目明细表和安全检查结果的备忘录。
2安全检查表的作用安全检查表在安全管理工作中发挥着巨大的作用,具体有以下几个方面:
1.安全检查表可以用于对系统进行安全检查和评价;
2.安全检查表可以对职工进行安全教育和提示;
3.安全检查表可以用于事故分析和调查;
4.安全检查表可以为系统设计人员提供清晰明确的安全要求;
5.安全检查表可以为系统运行提供安全操作指南;
6.安全检查表可以为工程设计和验收提供安全审查的可靠依据。