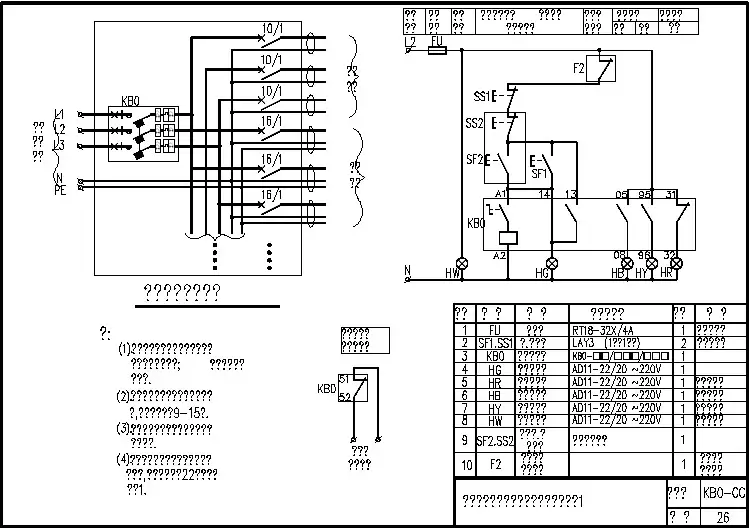
配电箱电路图
- 格式:doc
- 大小:101.00 KB
- 文档页数:13
TN-S 系统定义:三级配电系统总配电箱为一级,分配电箱为二级,末级配电箱为三级定义:三相电的概念我们知道线圈在磁场中旋转时,导线切割磁场线会产生感应电动势,它的变化规律可用正弦曲线表示。
如果我们取三个线圈,将它们在空间位置上相差点 120度角,三个线圈仍旧在磁场中以相同速度旋转,一定会感应出三个频率相同的感应电动势。
由于三个线圈在空间位置相差点 120度角,故产生的电流亦是三相正弦变化,称为三相正弦交流电。
工业用电采用三相电,如三相交流电动机等。
相与相之间的电压是线电压,电压为 380V 。
相与中心线之间称为相电压,电压是 220V 。
什么是电源中性点?中性点是指变压器低压侧的三相线圈构成星形联结,联结点称中性点,又因其点为零电位,也称零线端,一般的零线就从此点引出的。
中性点接地后,所有该电网覆盖面的设备接地保护线可就近入地设置为地线,一旦出现漏电可通过大地传导回路到变压器中性点,以策安全。
定义:三相五线制在三相四线制供电系统中 , 把零线的两个作用分开 , 即一根线做工作零线 (N,另外用一根线专做保护零线 (PE,这样的供电结线方式称为三相五线制供电方式 . 三相五线制包括三根相线、一根工作零线、一根保护零线 . 三相五线制的接线方式如下图所示 .为什么不是“ 五相”“ 六相” ?你先要明白“ 相” 在电中的含义,相是指相位角,比如常说的三相电,是指相位角在空间互成 120°交流电。
如果使用移相技术,就比如简单的电容移相,我们一样可以得到四相、五相、 N 相都可以!但那在电力拖动中没有实际的应用意义, 只在电子技术中有时用到。
为什么在电力拖动中大都使用三相 (当然有时会用到单相 , 而不是四相、五相呢?因为发电机的三相绕组在空间 120°分布时,交变磁力线均可最大限度的切割它们,成而最以限度的发出电能。
而三相用电器呢,除了相反的原理外,三相互成 120°的回路又能最大限度的使用电能!三相五线制供电的原理在三相四线制供电中由于三相负载不平衡时和低压电网的零线过长且阻抗过大时,零线将有零序电流通过,过长的低压电网,由于环境恶化,导线老化、受潮等因素,导线的漏电电流通过零线形成闭合回路,致使零线也带一定的电位,这对安全运行十分不利。