防水防潮措施20条
- 格式:ppt
- 大小:56.50 KB
- 文档页数:5
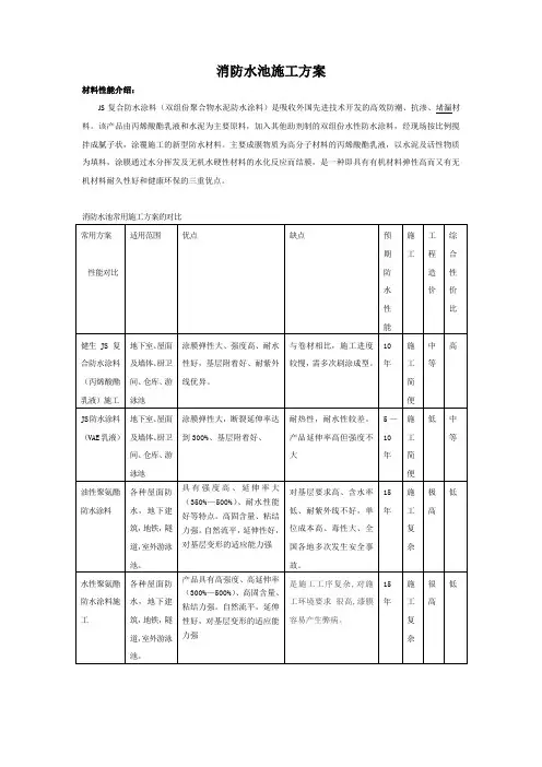
消防水池施工方案材料性能介绍:JS复合防水涂料(双组份聚合物水泥防水涂料)是吸收外国先进技术开发的高效防潮、抗渗、堵漏材料。
该产品由丙烯酸酯乳液和水泥为主要原料,加入其他助剂制的双组份水性防水涂料,经现场按比例搅拌成腻子状,涂覆施工的新型防水材料。
主要成膜物质为高分子材料的丙烯酸酯乳液,以水泥及活性物质为填料,涂膜通过水分挥发及无机水硬性材料的水化反应而结膜,是一种即具有有机材料弹性高而又有无机材料耐久性好和健康环保的三重优点。
消防水池常用施工方案的对比一.概述水池高5.6米,日常水位3米以下池壁(1)水泥砂浆保护层(2)JS防水涂料保护层池底(1)水泥砂浆找平兼找坡,1%坡向排水孔(2)JS防水涂料保护层二.施工部署:1.施工技术准备:组织操作班组学习设计图纸,熟悉构造、细部节点要求、使用材料的性能及施工工艺、技术及注意事项。
2.施工用具准备:a.清理基层工具:铲刀、凿子、锤子、钢丝刷、扫帚、抹布;b.称料配料工具:水桶、秤、搅拌器;c.涂抹涂料工具:刮板、刷子、滚桶。
三.材料选用 JS防水涂料材料特点:1、能在潮湿或干燥的多种材质的基面上直接施工:2、无毒、无味、无污染;3、施工安全、简单、工期短4、涂层坚韧高强、耐水性、耐碱性、耐酸性能优异,弹性好。
5、能与防水基层良好的粘结。
包装:液料:每桶20kg;粉料:每袋20kg。
使用范围:js-复合防水涂料可在潮湿或干燥的砖上、砂浆、混凝土、金属、木材、硬塑料、玻璃、石膏板、泡沫板、沥青、橡胶、sbs、app、聚氨酯等基面上施工,对于新旧建筑手及构筑物(例房屋、地下工程、隧道、桥梁、消防水池、水库等)均可使用,同时也可做粘结剂及外墙装饰涂料。
四.施工工艺:基层处理—底层—细部节点增强—下层—中层—上层—保护层涂层结构:施工次序:每层用量:底层0.2-0.3kg/m2 下层层0.6-0.7kg/m2中层0.6-0.7kg/m2 上层0.6-0.9kg/m2总用料量:2.0-2.6kg/m2厚度:约1.5mm左右1.基层处理:基层必须平整、压实、收光;表面须牢固、干净、无明水、无渗漏。
水泥砂浆防潮层做法
防水砂浆防潮层,采用1:2水泥砂浆加水泥用量3%~5%防水剂,厚度为20~25mm或用防水砂浆砌三皮砖作防潮层。
此种做法构造简单,但砂浆开裂或不饱满时影响防潮效果。
水泥砂浆防潮层做法
(1)清除基面上的泥土、砂浆等杂物,将被碰动的砖块重新砌筑,充分浇水润湿,待表面略见风干,即可进行防潮层施工。
(2)两边贴尺抹防潮层,保证20mm厚度。
不允许用防潮层的厚度来调整基础标高的偏差。
(3)砂浆表面用木抹子揉平,待开始起干时,即可进行抹压(2~3遍)。
抹压时,可在表面撒少许干水泥或刷一温水泥净浆,以进一步堵塞砂浆毛细管通路。
防潮层施工应尽量不留施工缝,一次做齐,如必须留置,则应留在门口位置。
(4)防潮层砂浆抹完后,第二天即可浇水养护。
可在防潮层上铺20一30mm厚砂子,上面盖一层砖,每日浇水一次,这样能保持良好的潮湿养护环境。
至少养护3d,才能在上面砌筑墙体。
(5)60mm厚混凝土圈梁的防潮层施工,应注意混凝土石子级配和砂石含泥量,圈梁面层应加强抹压,也可采取撤干水泥压光处理,养护方法同水泥砂浆防潮层。
(6)防潮层砂浆和混凝土中禁止掺盐,在无保温条件下,不应进行冬期施工。
今天的还要提醒您为了装修安全,注意其他的家居装修知识了解其他墙体防潮层的做法。
工程防水施工重点控制一防水内容墙体防潮层设在室内一层的墙体标高-0.060m处,用20厚1:2水泥砂浆掺5%防水剂。
屋面的上人屋面为刚性防水和高聚物改性沥青卷材防水屋面;不上人屋面为高聚物改性沥青卷材防水屋面。
厨、卫基层防水、屋面防水在主体结构完成后,即可组织人员清理基层,进行防水施工。
厨、卫基层防水在室内抹灰完成后,所有水、暖管道就位后,即组织基层防水施工。
二质量要点1.对所有进场原材料实施双控,以确保原材料合格。
2.对防水基层认真清理干净,确保基层干燥,对防水层转角部位应处理成圆弧,所有出墙面、屋面管道应作好流水处理。
3.对已做好的防水层应加强保护,不得损坏,防止种种上重物对防水层的冲撞损坏。
4.防水层完工之后,面层施工之前,应按本公司程序文件要求,严格做好试水试验,并派专人记录,如有渗漏,及时修补。
三防水施工方法1、防水涂料施工⑴基层处理及要求①基层应平整,要求无死弯、无尖锐棱角,凹凸处需事先进行处理。
②基层上的灰尘、油污、碎屑等杂物应清除干净。
③空鼓处应先铲除,再与有孔洞处一起采用水泥砂浆填补找平,并要达到一定强度。
④阴阳角应做成圆角。
⑵施工顺序及要求①采用涂刷法,涂刷时用长板刷、排笔等等软毛刷进行。
②涂刷的方向和行程长短应一致,要依次上、下、左、右均匀涂刷,不得漏刷。
③首先在处理好的基层上均匀地涂刷防水涂料,待其渗透到基层并固化干燥后再涂刷第二道。
④每道涂料均应在前一道涂料干燥后再施工。
⑤当涂料表面干固时,再抹水泥砂浆保护层。
四屋面施工做法1、上人屋面的做法a、钢筋混凝土屋面板,表面清扫干净;b、20厚(最薄处)1:8水泥珍珠岩找2%坡;c、20厚1:2.5水泥砂浆找平层;d、刷基层处理剂一遍;e、4厚APP改性沥青防水卷材;f、25厚挤塑型聚苯乙烯保温隔热板;g、点粘一层350号石油沥青油毡;h、40厚C30UEA补偿收缩混凝土防水层,表面压光,混凝土内配ф4钢筋双向中距150;I、25厚1:4干硬性水泥砂浆,面上撒素水泥;J、8-10厚地砖铺平拍实,缝宽5-8,1:1水泥砂浆填缝。
防疫20条措施具体有哪些
1.严格执行防疫措施,保持公共卫生安全;
2.坚持经常开窗通风,
保持室内空气新鲜;3.增强自我防护意识,及时佩戴口罩和洗手;4.定期
消毒加强卫生,尤其要注意洗手消毒;5.合理安排饮食,科学饮食增强体质;6.注意调节情绪,保持乐观向上的心态;7.减少不必要外出,尤其不
要去人多的公共场所;8.把握好发烧临界点,发热时及时就医诊治;9.积
极参与检测,及时报告病情变化;10.了解最新疫情动态,及时反映政府
的防疫政策;11.准备一套抢救药品,以备不时之需;12.保持充足的睡眠,让精神得到放松;13.保持室内卫生,定期和深层清洁;14.做好防湿防潮,避免潮湿环境;15.制定家庭联防规程,适时复习疫情防控措施;16.遵守
社交疏远原则,勤洗手、勤通风;17.加强饮用清洁水,最好煮开再饮用;
18.及时对宠物进行健康检查,加强宠物健康管理;19.安装地毯,尤其是
入口处的地毯房间;20.定期更换污染的物品,如湿手巾、家居床上用品等。
广东住宅工程质量通病防治技术措施二十条住宅工程质量是关系到人民群众生命财产安全的大事,每年都会有因为质量问题而引发重大事故的房屋工程。
各地政府部门和建筑施工单位应该重视住宅工程质量管理,采取有效措施有效预防并治理住宅工程通病,确保人民群众的安全和利益。
以下是广东住宅工程质量通病防治技术措施二十条。
1.建筑地基应进行压实和排水处理,确保地基的稳定和排水性能。
2.外墙涂料应选用质量可靠的产品,涂装前应进行充分检查和处理,防止出现漏洞和起皮现象。
3.门、窗框及玻璃应进行质量检验,用以防止出现门窗不平、不密合等情况。
4.独立住宅、别墅等应设防盗警报器,确保住户财产的安全。
5.室内防水材料应符合国家或行业标准,同时针对各种场合采取相应的防水措施,如卫生间、厨房等。
6.管道的安装应严格按照标准要求进行,注意管道的材质和施工现场环境的卫生状况。
7.吊顶的施工应采取防火、防霉、防潮、防腐等措施,确保建筑物内部环境的质量。
8.地面的铺设应按照设计要求进行,采用符合标准要求的建材,确保地面平整、牢固、防滑。
9.电线、电源插座等安装应符合国家电气安全标准,防止火灾等事故的发生。
10.太阳能系统及其他绿色能源系统的使用应具备相应的市场认证和资质文件,能源系统安装应注意接地和保护措施。
11.设计施工必须按照国家规定的各项标准和要求办理有关审批手续,严禁违规操作。
12.建筑结构应符合国家、行业规定的标准,确保建筑物的抗震性能。
13.立交桥工程应采取符合国家、地方和有关规定的施工方法和安全要求,确保车行安全。
14.涉水工程应采取符合规定和实际情况的防水措施,确保建筑物的防水性能。
15.安装电梯要经过严格的系统验收和调试,避免安全事故的发生。
16.消防设施应符合国家和行业规定的标准,同时应配备有效的消防器具和人员。
17.电力转变工程应关注电力质量问题,并进行质量检测和调整,确保建筑物的电力质量。
18.建筑物外部设备 (如暖气设备、空调机、导热管等) 应采取符合标准要求的保护措施,以防意外事故的发生。
化工企业生产50条不准和20条规定目录一、生产厂区十二个不准 (2)二、进入受限空间的八个必须 (2)三、操作工的六严格 (3)四、动火作业六个禁止 (3)五、危险装置、场所必须设置的八类安全设施 (4)六、危险物品储运十个不准 (5)七、化工(危险化学品)企业保障生产安全十条规定 (5)八、有限空间安全作业五条规定 (6)九、严防企业粉尘爆炸五条规定 (7)一、生产厂区十二个不准1、加强明火管理,不准在厂区内吸烟。
2、生产区内,不准未成年人人员进入。
3、当值时间,不准睡觉、干私活、离岗和干与生产无关的事。
4、在班前、班上不准喝酒。
5、不准使用汽油等易燃液体擦洗设备、用具和衣物。
6、不按规定穿戴劳动防护用品,不准进入生产岗位。
7、安全装置不齐全的设备不准使用。
8、未经许可,不是自己分管的设备、工具不准动用。
9、检修设备时安全措施不落实,不准开始检修。
10、停机检修后的设备,未经检查合格,不准启用。
11、未办理相关作业证,未采取相应措施,措施未落实,不准进行作业。
12、未经过三级安全教育和岗位技能培训,未经考试合格的职工,不准独立作业;特种作业人员,未经取证,不准作业。
二、进入受限空间的八个必须1、必须按规定进行安全分析合格;申请、办证,并得到批准。
2、必须与相关的装置、设施进行有效的安全隔绝。
3、必须切断动力电,并使用安全电压和灯具。
4、必须进行置换、通风。
5、作业人员和监护人员必须经过培训和安全教育。
6、必须佩戴规定的防护用具。
7、必须有工作人员在容器外进行监护,并坚守岗位。
8、必须有相应的抢救措施和设施。
三、操作工的六严格1、严格执行交接班制2、严格进行巡回检查3、严格控制工艺指标4、严格执行操作规程5、严格遵守劳动纪律6、严格执行安全规定四、动火作业六个禁止1、未取得动火证,禁止动火。
2、未按规定作动火分析,进行危险分析并采取控制措施,禁止动火。
3、除特殊动火作业外,不与生产系统可靠隔绝,禁止动火。
刷墙固的正确方法和步骤刷墙固是一种常见的防水、防潮的墙面处理方式,可以有效地防止墙体开裂、漏水等问题,增强墙体的承重和耐久能力。
正确的刷墙固方式和步骤对于墙体的保护和美化效果具有重要的作用。
下面是关于刷墙固的20条正确方法和步骤。
一、准备工作1.确定刷墙固的施工范围和面积,并将工作区域清理干净,避免杂物和灰尘的影响。
2.保证环境通风良好,避免刺激性气味对人体健康的影响。
3.检查墙体表面的平整度和是否有裂缝,如有裂缝,则需要提前进行修补。
4.准备好刷墙固所需的工具和材料,如刷子、滚筒、刮刀等,在施工过程中可以更快、更有效地进行操作。
二、涂刷前的处理5.在进行刷墙固前,需要确保墙体表面已经干燥,并且无油污、尘土等杂物。
6.涂刷前,需要将刷墙固液体进行充分搅拌,确保沉淀物均匀分布。
7.用湿布或刷子将刷墙固液体均匀的刷在墙面表面上,使其充分渗透到墙体内部。
三、涂刷过程8.在进行刷墙固过程中,需保证刷子和工具的清洁卫生,避免造成污染。
9.采用锯齿形、矩形等不同涂刷方式,使刷墙固液体均匀分布在墙面上。
10.刷涂时不能留下空心或漏涂的部位,应该保证刷墙固液体完全渗透到墙体中。
11.是采用滚筒刷涂时,需要保持涂刷的方向一致,均匀涂刷。
12.刷涂完成后,需要等待涂层完全干燥,通常需要24小时以上。
四、二次涂刷13.涂刷第一层刷墙固时,需要等待其干燥后,方可进行第二遍涂刷。
14.第二遍刷涂时,需将刷墙固液体充分搅拌均匀后进行施工。
15.与第一遍刷涂相比,第二遍需要更多的注意细节和均匀度。
五、防止不当使用16.刷墙固液体应避免长时间接触皮肤和眼睛,使用时应穿戴好口罩、手套等防护用具。
17.避免直接吸入刷墙固液体的气体,攻取合适的通风设施。
18.在施工过程中不要将刷墙固液体和其他化学物品混合,避免发生危险事件。
六、整理清理19.刷涂完成后,需要将使用的工具和材料进行清理和整理,避免杂物的杂乱和损坏。
20.在整理清理时,应采取环保措施,对涂层中剩余的液体进行规范处理,防止对环境造成污染。
雨季施工方案大全在工程建设中,雨季是一个常见且必须应对的施工难题。
雨水的不断降落会给施工工作带来一系列问题,如路面积水、场地泥泞、施工进度延误等。
因此,针对雨季的特点和问题,制定合理的施工方案至关重要。
下面列举了20个雨季施工方案,希望能对工程施工中遇到的雨季问题提供一定的参考和帮助。
1. 雨季施工机械设备保养方案在雨季,施工机械设备容易受潮受雨,增加了故障发生的风险。
建议在雨季加强对施工机械设备的保养工作,保证设备的正常运转。
2. 雨季场地排水方案雨季场地排水是非常重要的工作,防止雨水积聚影响施工进度。
合理设计排水系统,确保雨水迅速排除。
3. 雨季物料储存方案雨水会对物料产生不利影响,增加了材料损坏的风险。
制定合理的物料储存方案,防止雨水对物料造成损害。
4. 雨季施工计划调整方案雨季施工计划可能需要灵活调整,根据雨水情况合理安排施工工序和时间,避免雨水对施工进度的影响。
5. 雨季施工防滑方案雨季路面容易变得湿滑,增加施工安全隐患。
采取合适的防滑措施,确保施工人员和机械设备的安全。
6. 雨季施工通风方案雨季施工场地湿气重,通风不良会影响工人工作状态和施工效率。
制定通风方案,保证施工场地空气流通。
7. 雨季施工人员防护方案雨季天气多变,施工人员容易受凉感冒。
提供合适的防护用具,保障施工人员身体健康。
8. 雨季施工材料防水方案雨季施工材料需要特别防水处理,防止受潮发霉影响使用。
采取防水措施,确保材料质量。
9. 雨季施工电气安全方案雨水容易导致电气设备短路,增加电气事故发生的概率。
加强电气安全检查,确保施工场地电气设备安全可靠。
10. 雨季施工危险源排查方案雨季施工危险源增多,施工安全风险加大。
加强危险源排查,及时消除安全隐患。
11. 雨季施工环境保护方案雨季施工容易造成环境污染,影响周边环境。
采取环保措施,减少对周边环境的影响。
12. 雨季施工质量管理方案雨季施工条件复杂,要求质量管理更加严格。
建立完善的质量管理体系,确保施工质量符合要求。
农村自建房屋注意事项20条
1. 遵守国家有关建筑规范和政筑要求,确保安全。
2. 确保房屋的坚固性和安全性,防止受到恶劣气候和极端天气的影响。
3. 加强墙体、屋顶、地基等基础设施的保养,防止渗漏、裂缝和腐烂。
4. 注意应用节能材料,减少电能、热能和水能的浪费。
5. 确保室内空气质量,避免出现过度湿润和污染情况。
6. 注意使用绿色室内装饰装修材料,改善室内环境和生活质量。
7. 选择抗旱、耐震、耐久的建材,延长使用寿命。
8. 强化排水系统的保养,防止漏水造成水损和腐烂。
9. 选择防护火灾的合理工艺,确保安全可靠。
10. 加固室内和外墙,防止地震等极端事件造成损害。
11. 使用耐酸碱、防冻的供水管道,避免发生堵塞等问题。
12. 注意强化厨房、卫生间的防潮防腐蚀措施。
13. 使用隔热、隔音的窗户和墙体,改善室内环境。
14. 严格遵守室内安全规定,确保安全与保护人身健康。
15. 选择适合的电器产品、避免电气安全事故的发生。
16. 使用比较安全的建筑工艺,避免工程建设中带来的安全隐患。
17. 强化管理,防止因违章施工、采石、挖掘等行为而造成构
造性损坏。
18. 注意采用防护措施,避免室内火灾等极端灾害的发生。
19. 加强室内安全检查,及时发现安全隐患,采取措施防止发
生事故。
20. 加强安全技术管理,保持良好的安全记录,建立完整的安全监督机制。
房屋建筑学作业题(⼀)房屋建筑学作业题(⼀)⼀、填空(每空1 分,共计25分)1、《建筑模数协调统⼀标准》中规定,基本模数以表⽰,数值为。
2、建筑⼯程设计包括、和设备专业等三⽅⾯。
3、墙体按其受⼒状况不同,分为和两类。
其中⾮承重墙包括⾃承重墙、隔墙、填充墙等。
4、桩基础⼀般由设置于⼟中的和承接上部结构的组成。
5、柱⼦在平⾯上排列所形成的⽹格称为__________。
6、楼梯的净⾼在平台处不应⼩于_________,在梯段处不应⼩于2.2m。
7、屋顶坡度的形成⽅法有和。
8、建筑物按其使⽤功能不同,⼀般分为、和农业建筑等。
9、建筑平⾯组合形式有、套间式和。
10、单层⼚房的⽀撑包括和。
11、建筑物的耐⽕等级是由构件的____________、_______________两个⽅⾯来决定的,共分四级。
12、施⼯中门窗框的安装有和两种。
13、凸阳台的承重⽅案⼤体可分为和两种形式。
14、凡天然⼟层本⾝具有⾜够的强度,能直接承受建筑物荷载的地基称为__________。
⼆、单项选择题(每⼩题1分,共计15分)1、建筑的构成三要素中()是建筑的⽬的,起着主导作⽤。
A.建筑功能B.建筑的物质技术条件C.建筑形象D.建筑的经济性2、墙体勒脚部位的⽔平防潮层⼀般设于()。
A.基础顶⾯B.底层地坪混凝⼟结构层之间的砖缝中C.底层地坪混凝⼟结构层之下60mm处D.室外地坪之上60mm处3、建筑是建筑物和构筑物的统称,()属于建筑物。
A.住宅、堤坝等B.学校、电塔等C.⼯⼚、展览馆等D.烟囱、办公楼等4、当设计最⾼地下⽔位()地下室地坪时,⼀般只做防潮处理。
A.⾼于B.⾼于300mmC.低于D.⾼于100mm5、⼀般民⽤建筑中的⽣活、学习或⼯作⽤房、窗台的⾼度为( )。
A.900mmB.600mmC.1500mmD.1200mm6、钢筋混凝⼟构造柱的作⽤是( )。
A.使墙⾓挺直B.加速施⼯速度C.增加建筑物的刚度D.可按框架结构考虑7、关于变形缝的构造做法,下列哪个是不正确的()。
地下室防水防潮防霉三防系统施工方案重庆xx新材料科技有限公司2020年月目录一、地下室三防问题现状 (1)二、地下室水分来源 (1)三、地下室“三防”系统需解决的问题 (2)1.潮湿 (2)2.结露 (3)3.发霉 (3)四、佳固士地下室防水防潮防霉三防系统设计 (4)五、施工工艺 (5)1.基层处理 (5)2.SK系列纳米硅酸盐混凝土养护修复增强一体剂(神仙水)施工 53.KS-001抗渗1号背水面修缮专用材料施工 (6)4.TW-30隔热防水保温一体化涂料施工 (6)5.AC-21水性柔性防结露涂料施工 (7)六、主要材料性能介绍 (8)1.SK系列纳米硅酸盐混凝土养护修复增强一体剂(神仙水)·· 82.KS-001抗渗1号背水面修缮专用材料 (10)3.TW-30隔热防水保温一体化涂料 (11)4.AC-21水性柔性防结露涂料 (12)地下室防水防潮防霉三防系统一、地下室三防问题现状所谓地下室“三防”系统,指的是地下室防水防潮防霉三防系统。
地下室往往湿气较大,且面临地下水渗透压力,使得地下室极易出现渗漏、潮湿、结露、发霉等问题。
一般地下室可以作为休闲、娱乐、仓储等场所,因此做好防水防潮防霉,营造一个永不渗漏、干爽清洁、舒适安全的空间非常有必要!据中国建筑防水协会发布的数据显示,国内建筑屋面渗漏率高达95.33%,地下工程渗漏率为57.51%,个别区域为100%,近四成住户受到房屋渗漏的困扰。
二、地下室水分来源从发现的地下室潮湿案例分析,成因可归纳为三点:液态水渗漏、气态水入侵、气态水与液态水互转。
气态水:以水蒸气的形态存在于地下室空间,并在温度低的物体表面凝结成水滴。
液态水:这是地下室潮湿的根源。
存在于室外土壤里,无孔不入,顺着地下室结构的微裂缝、毛细孔等渗透至室内液态水与气态水的区别:液态水分子的最小直径约20微米气态水分子的直径仅为0.0004微米地下室围护结构的混凝土(包括抗渗等级很高的p12)在显微镜下放大到1000倍,可看其微观毛细孔的平均直径约0.3微米,对气态水来讲,相当于不设防。
厂房防潮防水措施概述在湿度较高的地区或者在高湿度的季节,厂房防潮防水措施变得尤为重要。
不仅可以有效减少湿气对设备和原材料的腐蚀,还可以维持室内空气质量、提升工作效率和员工的工作环境。
本文将介绍一些常用的厂房防潮防水措施,从地面、墙壁和屋顶等方面进行详细讲解。
地面防潮地面是潮湿容易滋生细菌和霉菌的主要区域之一,因此在厂房地面进行防潮处理非常重要。
1. 选择合适的地面材料选择防潮、防水性能好的地面材料可以极大地减少潮湿问题。
例如,可以使用防水性能好的地砖、水泥地面或者铺设防潮地板。
2. 搭建防潮层在地面下方搭建一层防潮层可以有效隔绝地面的潮湿。
常用的防潮层材料有防水软膜、沥青防水卷材等。
3. 增加排水系统在厂房地面设置合理的排水系统,可以快速将水分排出,有效避免积水问题。
排水系统可以包括地漏、排水沟和排水管道等。
墙壁防潮墙壁是潮湿问题的主要来源之一,进行防潮处理可以有效防止湿气渗入室内。
1. 补漏处理墙壁上的裂缝、空鼓等问题会导致湿气渗透,因此需要及时进行修补,确保墙壁的完整性。
2. 墙面防潮涂料选择防潮性能好的墙面涂料可以有效阻隔湿气。
常见的墙面涂料有防潮腻子、防潮涂料等。
3. 透气处理墙壁透气性能好可以减少潮湿问题,因此可以在墙壁上施工透气的隔热层。
屋顶防潮屋顶是厂房防潮的关键部位,合理的屋顶设计可以减少湿气渗透。
1. 屋顶防水层屋顶防水层是防止湿气渗透的重要层次,选择防水性能好的材料进行施工。
2. 排水系统屋顶设置合理的排水系统,包括雨水管道、雨水集中排出口等,可以迅速将雨水排出,避免积水问题。
3. 屋顶维修定期检查和维修屋顶,及时处理破损、龟裂等问题,确保屋顶的完好性。
通风与除湿厂房内部的通风和除湿工作对防潮防水非常重要。
1. 良好的通风系统安装良好的通风系统可以提供空气流通,避免湿气积聚。
2. 除湿设备根据厂房的实际需求,安装合适的除湿设备可以有效降低室内湿度。
结论厂房防潮防水措施对于保护设备、维护工作环境至关重要。
雨季施工主要思路首先是雨季防洪领导小组的建立,该小组还要负责建立防汛计划以及各种紧急预案措施。
同时,项目部要设专职的值班人员,这样才能保证昼夜都能有人进行值班,对天气情况了如指掌。
同时,施工人员的雨季施工培训工作也要随之展开,对施工现场的准备工作要做一次全面的检查。
最后,除了施工现场,生产生活基地的排水设施也要进行检查,随时清理排水以及各种垃圾,这样才能做到雨水排水通畅。
具体防护措施一、办公区排水1、检查办公室、宿舍及料库屋面有无漏雨现象,对漏雨的部位及时修理完好。
2、室外地面全面硬化,道路场地等排水坡向正确、排水沟畅通无阻,确保施工现场无积水。
二、施工现场排水1、雨季来临前,着重检查工程重点防范部位地下楼层,沿主体四周地面设置300×500(b×h)排水明沟,下雨时配备水泵进行集水坑排水,并将水排到地面上的排水沟中。
2、整理施工现场,保证排水畅通。
3、检查场内外的排水设施,确保排水设备完好,以保证暴雨后能在较短的时间排出积水。
根据实际情况,利用施工现场的集水井就近为原则作为现场排水集中点。
三、生活区1、雨期来临之前项目后勤人员应对生活区的临时房屋进行检查,检查内容主要包括:是否存在漏雨、稳固、雷击等隐患,发现问题及时进行整改。
2、检查食堂、厕所等的排水沟,及时疏通污水管道。
大雨来临前要清理化粪池,避免化粪池因大雨袭击而溢出。
3、施工现场人员宿舍、围墙等的基础应高出自然地面300mm以上,并用灰砂砖做大放脚,以保证该部分结构的安全。
室内地面应高出室外100mm以上,防止雨水等浸入。
四、原材料及半成品的储存和堆放1、钢筋在施工现场进行堆放时,应放置于地势较高,不受雨水侵蚀的位置,同时钢筋下部采用木方等材料垫高不小于200mm。
对于加工成型的钢筋,应尽量放置于钢筋加工棚内的避雨水处,防止钢筋被雨水腐蚀生绣。
2、水泥要搭设库房,做好库房的防雨工作及地面的防潮工作,防止受潮。
其它材料应根据材料的性质采取相应的堆放措施。
零件周转外观防护措施零件的周转过程中,外观防护是非常重要的。
下面是关于零件周转外观防护的20条措施:一、适当包装在零件周转过程中,可以使用适当的包装材料对零件进行包装,如泡沫纸、气泡膜、纸箱等。
包装材料应具有一定的缓冲和保护性能,能够有效防止零件在运输中发生碰撞、磨损等情况。
二、封装对于某些特殊的零件,可以考虑封装处理。
封装可以有效防止灰尘、水分等外界因素的侵入,提高零件的保存和运输质量。
三、分层垫放在运输和存储过程中,可以采用分层垫放的方法,将零件按照大小、形状等特点进行分类,避免零件之间的相互挤压和接触,减少因碰撞引起的损坏。
四、合理堆放在零件的存放过程中,应注意合理堆放。
零件堆放应按照重量、体积等因素进行合理分配,避免因重压而导致零件变形或损坏。
五、正确搬运在零件进行搬运过程中,搬运人员应掌握正确的搬运方法。
对于较大的零件,可以使用搬运工具进行搬运,避免因搬运不当而造成外观损坏。
六、定期清洁定期对零件进行清洁,可以有效去除零件表面的灰尘、污渍等杂质,保持零件外观的整洁和清晰度。
七、防止受潮对于一些易受潮的零件,应采取相应的防护措施,如加湿剂、防潮箱等,以保持零件的干燥状态,防止发生腐蚀和氧化反应。
八、避免直射阳光在零件的存放过程中,应避免将零件直接暴露在阳光下,以免造成零件外观的褪色和变形。
九、防止高温对于耐高温性能较低的零件,应避免将其放置在高温环境下,以防止零件外观熔化或变形。
十、防止摩擦在零件周转过程中,应避免零件之间的摩擦和刮擦。
可以采用润滑剂、保护膜等方式,减少零件的摩擦和磨损。
十一、定期检查定期检查零件的外观情况,及时发现并处理可能存在的问题。
如发现零件有磨损、刮伤等情况,应及时采取相应的修复和维护措施。
十二、避免震动在零件的周转过程中,应尽量避免零件受到较大的震动。
可以采用隔音垫、减震材料等方式,减少零件受到的震动和冲击。
十三、保持通风在零件的存放过程中,应保持通风环境,避免零件在密闭环境中长时间存放,以防止零件受潮和发生腐蚀。
墙基防潮层怎么做墙基防潮层一般设在墙基顶面,当地下水位较深或无地下水时,防潮层一般20厚1:2.5水泥砂浆,位置在底层室内地面以下一皮砖处;地下水位较浅时防潮层一般用60厚钢筋混凝土带,宽度与墙宽同宽。
墙基防潮层的算法:基础防潮层是要分为内、外墙的,一般是要在-0.06米做一道水平防潮层,墙两侧在-0.06米以下做垂直防潮层,基础防潮层按实铺面积以平方米计算,外墙以其中心线长度×墙厚,内墙以其净长线×墙厚计算。
墙基防潮层制作工艺(1) 工艺流程:墙、地面基层处理→刷水泥素浆→抹底层砂浆→刷水泥素浆→抹面层砂浆→刷水泥砂浆→养护(2) 砖墙抹水泥砂浆防水层A、基层浇水湿润:抹灰前一天用水管把砖墙浇透,第二天抹灰时再把砖墙洒水湿润。
B、抹底层砂浆:配合比为水泥:砂=1:2.5,加水泥重3%的防水粉。
先用铁抹子薄薄刮一层,然后再用木抹子上灰,槎平,压实表面并顺平。
抹灰厚度为6~10㎜左右。
C、抹水泥素浆:底层抹完后1~2d,将表面浇水湿润,再抹水泥防水素浆,掺水泥重3%的防水粉。
先将水泥与防水粉拌合,然后加入适量水搅拌均匀,用铁抹子薄薄抹一层,厚度在1㎜左右。
D、抹面层砂浆:抹完水泥素浆之后,紧接着抹面层砂浆配合比与底层相同,先用木抹子搓平,后用铁抹子压实、压光。
抹灰厚度在6~8㎜之间。
E、刷水泥素浆:面层抹灰1d后,刷水泥素浆,配合比为水泥:水:防水油=1:1:0.03(重量比),方法是先将水泥与水拌匀后,加入防水油再搅拌均匀,用软毛刷子将面层均匀涂刷一遍。
F、抹灰程序,接槎及阴阳角做法:抹灰程序,一般先抹立墙后抹地面。
槎子不应甩在阴阳角处,各层抹灰槎子不得留在一条线上,底层与面层搭槎在15~20㎝之间,接槎时要先刷水泥防水素浆。
所有墙的阴角都要做半径50㎜的圆角,阳角做成半径为10㎜的圆角。
地面上阴角都要做成50㎜今天的还要提醒您为了装修安全,还应注意其他的家居装修知识,以了解墙体防潮层的做法。