隧道单位工程质量验收记录
- 格式:docx
- 大小:19.29 KB
- 文档页数:8
隧道工程检验批质量验收记录表样表及填写说明施工质量验收的划分及编号隧道工程施工质量验收划分为单位工程、分部工程、分项工程和检验批。
单位工程应按一个完整工程或一个相当规模的施工范围划分,并按下列原则确实:1 一座隧道宜作为一个单位工程,长隧道和特长隧道可按施工标段划分为若干单位工程。
2 独立明洞(或棚洞)可作为一个单位工程。
分部工程应按一个完整部位或主要结构及施工阶段划分;分项工程应按工种、工序、材料、施工工艺等划分;检验批可根据施工及质量控制和验收需要按施工段或部位等划分。
隧道工程的分部工程、分项工程和检验批的具体划分及编号应符合下列各表的规定。
隧道分部工程、分项工程、检验批划分及编号洞口开挖检验批质量验收记录表说明主控项目1.隧道门边坡、仰坡开挖范围及尺寸应符合设计要求。
检验数量:施工单位、监理单位全验。
检验方法:查对设计图,观察、尺量。
2.隧道门端墙、翼墙、挡土墙基底的地基承载力必须符合设计要求。
检验数量:施工单位每个洞口检测不少于3处,当洞口处岩土体不均匀应适当增加检测点。
监理单位见证检测不少于1处。
检验方法:施工单位采用静力触探试验或标准贯入试验检测,必要时采用载荷试验检测。
监理单位检查全部检测报告并进行见证检测。
一般项目1.隧道门排水沟、截水沟的开挖位置、深度、坡度应符合设计要求。
检验数量:施工单位每个洞口检查不少于10点。
检验方法:施工单位观察、水准测量、尺量。
砌体工程检验批质量验收记录表说明主控项目1.水泥质量必须符合《铁路隧道工程施工质量验收标准》(TB10417—2003)第7.4.1条的规定。
2.外加剂质量必须符合《铁路隧道工程施工质量验收标准》(TB10417—2003)第7.4.4条的规定。
3.砌体工程所用石材和混凝土砌块的强度等级必须符合设计要求,石材的其他品质指标尚应符合下列规定:(1 )在最冷月平均气温低于-15℃或-5℃~-15℃的地区使用的石材,其抗冻性指标应分别符合冻融循环25次或15次的要求,且表面无破坏迹象;(2)浸水和潮湿地区主体工程的石材软化系数不得小于0.8。
隧道坑道排水工程检验批质量验收记录工程名称:XXX隧道(坑道)排水工程验收日期:xxxx年xx月xx日一、项目概述隧道(或坑道)排水工程是为了解决隧道(或坑道)内水源及降低地下水位而进行的工程,以确保隧道(或坑道)的安全运行和人员及设备的正常工作。
本次验收的工程包括XXXX。
(可根据实际工程情况进行具体描述)二、验收人员1.验收单位:(填写验收单位名称)2.验收人员:(填写验收人员姓名及职务)3.监理单位:(填写监理单位名称)4.施工单位:(填写施工单位名称)三、验收内容及标准本次验收的内容包括:1.排水设备的安装和管道铺设是否规范,是否符合设计要求;2.排水设备的材料质量是否合格,是否达到规定标准;3.排水设备的试验工作是否进行,并测试结果是否符合要求;4.排水设备的运行情况及自动控制功能是否正常;5.排水系统与其他相关工程的连接是否正常,是否存在漏水等现象。
验收标准参照设计文件、规范及合同要求进行判定。
四、验收程序1.施工单位提供相应的工程竣工报告,并附上相关验收资料;2.监理单位进行初步验收,并提出初步验收报告;3.验收单位组织验收人员进行现场验收;4.验收人员对工程进行检查,并填写验收记录;5.根据检查结果,确定是否合格,如有不合格情况,提出整改意见;6.最终验收结果确认,并签署相关文件。
五、验收结果本次隧道(或坑道)排水工程经过检查,符合设计要求、规范要求和合同要求,工程质量良好。
六、不合格处理如发现不符合设计要求、规范要求和合同要求的情况,需由施工单位进行整改,整改内容和期限应在验收报告中明确指出,并进行追踪确认。
七、验收意见本次隧道(或坑道)排水工程经过检查,符合设计要求、规范要求和合同要求,验收合格,可以投入运行。
八、签字验收单位(盖章):验收人员(签字):监理单位(盖章):施工单位(盖章):附件:相关附件清单(如有)。
以上是关于隧道、坑道排水工程检验批质量验收记录的内容,如有不符请根据实际情况进行调整。
盾构隧道检验批质量验收记录项目名称:盾构隧道工程项目编号:XX-XXX-XXX一、工程概况:本次工程为盾构隧道工程,总长1000米,设计要求为直径10米,设计长度1000米。
二、工程主要材料:1.盾构机:型号XX,参数XX,生产厂家XX2.盾构参数:直径10米,长度1000米3.隧道衬砌:混凝土材料,强度等级为C30,配合比为X:Y:Z4.隧道支撑:钢支撑,规格材质为XX三、质量验收内容:本次质量验收主要包括盾构机工程质量验收和隧道衬砌工程质量验收两部分。
四、盾构机工程质量验收:1.盾构机型号、参数确认:确认盾构机型号、参数是否符合设计要求,包括盾构机直径、长度等。
2.盾构机生产厂家确认:确认盾构机生产厂家是否具备相关生产能力和资质。
3.盾构机操作操作人员配备:确认盾构机操作人员是否具备相关技能和证书。
4.盾构机施工过程控制:对盾构机施工过程进行监控和检查,确保其符合施工规范和要求。
5.盾构机相关设备检验:对盾构机的各项设备进行检验,包括导向系统、推进机构、注浆系统等。
五、隧道衬砌工程质量验收:1.隧道衬砌施工方案确认:确认隧道衬砌施工方案是否符合设计要求和相关规范。
2.隧道衬砌施工过程监控:对隧道衬砌施工过程进行监控和检查,确保其符合施工规范和要求。
3.隧道衬砌材料确认:确认隧道衬砌所使用材料是否符合设计要求和相关规范。
4.隧道衬砌施工质量检验:对隧道衬砌质量进行抽检,包括衬砌厚度、强度等指标。
5.隧道衬砌施工质量验收:对隧道衬砌施工质量进行验收,确保其符合设计要求和相关规范。
六、质量验收结果:经过对盾构机工程和隧道衬砌工程的质量验收,符合设计要求和相关规范,验收合格。
七、存在问题及处理措施:1.盾构机操作人员中有部分人员相关证书过期,需重新培训和考取证书。
2.隧道衬砌部分区域衬砌厚度不符合设计要求,需重新施工。
3.盾构机工程设备部分存在故障,需对故障设备进行维修或更换。
八、质量验收结论:本次盾构隧道工程的质量验收合格,但存在部分问题需要进行处理和整改。
隧道坑道排水分项工程检验批质量验收记录项目名称:隧道、坑道排水分项工程项目地点:(填写具体地址)项目施工单位:(填写施工单位名称)一、检验单位及人员检验单位:(填写检验单位名称)检验人员:(填写检验人员姓名)二、竣工图绘制及材料验收1.竣工图绘制经过检验人员仔细检查,并与竣工图对比,确认隧道、坑道排水分项工程符合设计要求,图纸绘制正确无误。
2.材料验收(材料名称):(填写材料名称)(规格型号):(填写规格型号)(生产批号):(填写生产批号)(产地):(填写产地)(检验合格证明编号):(填写检验合格证明编号)(检验结果):(填写检验结果)(备注):(填写备注)三、施工方案执行情况及工艺要求1.施工方案执行情况2.工艺要求四、工程质量检验1.排水系统检验(1)排水管道的安装工艺符合设计要求,管道间隔合理,没有明显的错位或移位情况。
(2)排水管道的防腐处理符合要求,防腐层平整饱满,无缺陷。
(3)排水沟渠的施工质量良好,底部平整,无积水和渗漏现象。
(4)排水井的建设符合设计要求,井盖安装牢固,井内无积水情况。
2.排水设备检验(1)排水泵站安装符合设计要求,泵站设备正常运转,无漏水和异响现象。
(2)排水设备的运行情况稳定,水流畅通,无阻塞情况。
(3)排水设备的维护记录完备,定期维护和保养得到了落实。
五、质量问题整改情况1.质量问题整改经过检验人员的检查和评估,隧道、坑道排水分项工程中未发现质量问题。
六、质量验收结论经过检验,隧道、坑道排水分项工程符合设计要求和相关工艺要求,施工质量良好。
达到了验收标准,得出合格结论。
质量验收单位意见:(单位名称):(签字):(日期):以上所述为隧道、坑道排水分项工程的检验批质量验收记录,共计1200字。
隧道分项工程质量验收记录表(1)加固处理新建贵广铁路洞内预注浆分项工程质量验收记录表新建贵广铁路地表注浆加固分项工程质量验收记录表洞口工程新建贵广铁路开挖分项工程质量验收记录表新建贵广铁路模板分项工程质量验收记录表新建贵广铁路钢筋分项工程质量验收记录表新建贵广铁路混凝土分项工程质量验收记录表新建贵广铁路洞口防护分项工程质量验收记录表缓冲结构新建贵广铁路开挖分项工程质量验收记录表新建贵广铁路模板分项工程质量验收记录表新建贵广铁路钢筋分项工程质量验收记录表新建贵广铁路混凝土分项工程质量验收记录表新建贵广铁路洞口防护分项工程质量验收记录表洞身开挖新建贵广铁路DKXX+XXX~+XXX超前地质预报分项工程质量验收记录表新建贵广铁路DKXX+XXX~+XXX洞身开挖分项工程质量验收记录表新建贵广铁路DKXX+XXX~+XXX隧底开挖分项工程质量验收记录表新建贵广铁路弃渣场防护分项工程质量验收记录表支护工程新建贵广铁路DKXX+XXX~+XXX监控量测分项工程质量验收记录表新建贵广铁路DKXX+XXX~+XXX喷射混凝土分项工程质量验收记录表新建贵广铁路DKXX+XXX~+XXX锚杆分项工程质量验收记录表新建贵广铁路DKXX+XXX~+XXX钢筋网分项工程质量验收记录表新建贵广铁路DKXX+XXX~+XXX钢架分项工程质量验收记录表新建贵广铁路管棚分项工程质量验收记录表新建贵广铁路DKXX+XXX~+XXX超前小导管分项工程质量验收记录表新建贵广铁路DKXX+XXX~+XXX初期支护结构分项工程质量验收记录表衬砌工程新建贵广铁路DKXX+XXX~+XXX模板分项工程质量验收记录表新建贵广铁路DKXX+XXX~+XXX钢筋分项工程质量验收记录表新建贵广铁路DKXX+XXX~+XXX混凝土分项工程质量验收记录表新建贵广铁路DKXX+XXX~+XXX回填注浆分项工程质量验收记录表新建贵广铁路DKXX+XXX~+XXX综合接地分项工程质量验收记录表新建贵广铁路沉降观测与评估分项工程质量验收记录表辅助坑道及附属洞室新建贵广铁路开挖分项工程质量验收记录表新建贵广铁路喷射混凝土分项工程质量验收记录表新建贵广铁路锚杆分项工程质量验收记录表新建贵广铁路钢筋网分项工程质量验收记录表新建贵广铁路钢架分项工程质量验收记录表新建贵广铁路管棚分项工程质量验收记录表新建贵广铁路超前小导管分项工程质量验收记录表新建贵广铁路模板分项工程质量验收记录表。
新建铁路靖宇至松江河线洞口工程分部工程质量验收记录表单位工程名称下山头隧道(DK61+730)施工单位中铁九局二公司第二作业队项目负责人项目技术负责人项目质量负责人序号分项工程名称检验批数施工单位检查评定结果监理单位验收结论1 开挖检验批×符合要求。
同意验收。
(手签)2 模板检验批×符合要求。
同意验收。
(手签)3 钢筋检验批×符合要求。
同意验收。
(手签)4 混凝土检验批×符合要求。
同意验收。
(手签)5 浆砌片石检验批×符合要求。
同意验收。
(手签)6 洞口防护检验批×符合要求。
同意验收。
(手签)/ / /质量控制资料共6项,符合要求。
符合要求。
安全和功能检验(检测)报告/ /验收单位施工单位质量合格。
(手签)项目负责人:年月日勘测设计单位同意该分部工程验收。
(手签)项目负责人:年月日监理单位同意验收。
(手签)监理工程师:年月日新建铁路靖宇至松江河线洞身开挖分部工程质量验收记录表单位工程名称下山头隧道(DK57+308至DK61+730)施工单位中铁九局二公司第二作业队项目负责人项目技术负责人项目质量负责人序号分项工程名称检验批数施工单位检查评定结果监理单位验收结论1 洞身开挖检验批×符合要求。
同意验收。
(手签)2 隧底开挖检验批×符合要求。
同意验收。
(手签)3 弃碴场防护检验批×符合要求。
同意验收。
(手签)/ / // / /质量控制资料共3项,符合要求。
符合要求。
安全和功能检验(检测)报告/ /验收单位施工单位质量合格。
(手签)项目负责人:年月日勘测设计单位同意该分部工程验收。
(手签)项目负责人:年月日监理单位同意验收。
(手签)监理工程师:年月日新建铁路靖宇至松江河线支护分部工程质量验收记录表单位工程名称下山头隧道(DK57+308至DK61+730)施工单位中铁九局二公司第二作业队项目负责人项目技术负责人项目质量负责人序号分项工程名称检验批数施工单位检查评定结果监理单位验收结论1 喷射混凝土检验批×符合要求。
加固处理洞内预注浆分项工程质量验收记录表地表注浆加固分项工程质量验收记录表洞口工程开挖分项工程质量验收记录表模板分项工程质量验收记录表钢筋分项工程质量验收记录表混凝土分项工程质量验收记录表洞口防护分项工程质量验收记录表缓冲结构开挖分项工程质量验收记录表模板分项工程质量验收记录表钢筋分项工程质量验收记录表混凝土分项工程质量验收记录表洞口防护分项工程质量验收记录表洞身开挖DKXX+XXX~+XXX超前地质预报分项工程质量验收记录表DKXX+XXX~+XXX洞身开挖分项工程质量验收记录表DKXX+XXX~+XXX隧底开挖分项工程质量验收记录表弃渣场防护分项工程质量验收记录表支护工程DKXX+XXX~+XXX监控量测分项工程质量验收记录表DKXX+XXX~+XXX喷射混凝土分项工程质量验收记录表DKXX+XXX~+XXX锚杆分项工程质量验收记录表DKXX+XXX~+XXX钢筋网分项工程质量验收记录表DKXX+XXX~+XXX钢架分项工程质量验收记录表管棚分项工程质量验收记录表DKXX+XXX~+XXX超前小导管分项工程质量验收记录表DKXX+XXX~+XXX初期支护结构分项工程质量验收记录表衬砌工程DKXX+XXX~+XXX模板分项工程质量验收记录表DKXX+XXX~+XXX钢筋分项工程质量验收记录表DKXX+XXX~+XXX混凝土分项工程质量验收记录表DKXX+XXX~+XXX回填注浆分项工程质量验收记录表DKXX+XXX~+XXX综合接地分项工程质量验收记录表沉降观测与评估分项工程质量验收记录表辅助坑道及附属洞室开挖分项工程质量验收记录表喷射混凝土分项工程质量验收记录表锚杆分项工程质量验收记录表钢筋网分项工程质量验收记录表钢架分项工程质量验收记录表管棚分项工程质量验收记录表超前小导管分项工程质量验收记录表模板分项工程质量验收记录表钢筋分项工程质量验收记录表混凝土分项工程质量验收记录表坑道口及其封闭分项工程质量验收记录表明洞工程新建x x x x铁路开挖分项工程质量验收记录表。
隧道盾构工程验收资料及验收表格4.1工程概况1、盾构区间结构形式和施工方法盾构法是一种技术先进的施工方法,特别适合在松软含水地层或城市地下管线密布,施工条件困难地段施工.南京地铁盾构区间隧道采用单圆盾构法装配式砼衬砌结构.过江盾构隧道:内径10200米米,衬砌厚度50厘米,环宽2000米;其它盾构隧道:内径5500米米,衬砌厚度35厘米,环宽1200米.环与环、块与块间采用螺栓连接.横通道(横通道与泵房结合设置),多采用类矿山法施工.根据隧道运营通风需要,对隧道较长,具备施工条件的区间,设置风井,多采用明挖法施工.2、验收标准盾构工程验收依据主要参照《地下铁道工程施工及验收规范》(GB 50299-1999)(2003版)编制,考虑到盾构工程施工工序,并结合南京地铁管片生产的特点和在建工程施工经验,确定了盾构工程分部、分项、检验批划分的标准.其中,成品管片、成型隧道的主要项目、指标参照《盾构掘进隧道工程施工及验收规范》(GB 50446-2008)进行调整.3、参考规范目录(1)地下铁道工程施工及验收规范 GB 50299-1999(2003版)(2)地下防水工程质量验收规范 GB 50208-2002(3)混凝土结构工程施工质量验收规范 GB 50204-2002(4)盾构掘进隧道工程施工及验收规范 GB 50446-2008(5)矿山井巷工程施工及验收规范 GBJ 213-19904.2 分部、分项工程划分盾构工程划分表注:1、盾构隧道区间验收标准主要参照一号线的内容,并根据《地下铁道工程施工及验收规范》进行编制的.2、竖井的分项工程可参照地下车站的内容进行确定.3、联络通道(泵房)防水见矿山法区间隧道.4、洞门工程的分项工程可参照地下车站的内容进行确定.5、土体加固除冷冻法加固是参照《矿山井巷工程施工及验收规范》进行编制的,其他处理方法见地下车站的相关内容.6、壁后注浆、二次注浆等没有设为分项工程,因为作为质量验收,其指标较难控制,所以注浆的内容纳入盾构掘进中考虑.4.3 盾构工程验收资料盾构工程资料目录承包单位: 合同号:监理单位: 编号:盾构区间土建子单位工程质量竣工验收记录统表一承包单位: 合同号:监理单位: 编号:盾构区间土建子单位工程质量控制资料核查记录统表二承包单位: 合同号:监理单位: 编号:盾构区间土建子单位工程安全和功能检验资料核查记录及主要功能抽查记录统表三承包单位: 合同号:监理单位: 编号:盾构区间土建子单位工程观感质量检查记录统表四承包单位: 合同号:监理单位: 编号:管片模具工程检验批质量验收记录E3.1承包单位: 合同号:监理单位: 编号:管片钢筋工程检验批质量验收记录E3.2承包单位: 合同号:监理单位: 编号: 管片混凝土施工工程检验批质量验收记录E3.3承包单位: 合同号:监理单位: 编号:管片成品工程检验批质量验收记录E3.4承包单位: 合同号:监理单位: 编号:管片拼装工程检验批质量验收记录E3.5承包单位: 合同号:监理单位: 编号:成型隧道工程检验批质量验收记录E3.6承包单位: 合同号:监理单位: 编号: 冻结法地基加固工程检验批质量验收记录E3.7。
第三篇隧道工程长昆客专(湖南段)洞身开挖检验批质量验收记录表长昆客专(湖南段)隧底开挖检验批质量验收记录表长昆客专(湖南段)喷射混凝土(原材料)检验批质量验收记录表(I)长昆客专(湖南段)喷射混凝土支护检验批质量验收记录表(II)长昆客专(湖南段) 锚杆检验批质量验收记录表04010302长昆客专(湖南段)钢筋网检验批质量验收记录表长昆客专(湖南段)钢架检验批质量验收记录表长昆客专(湖南段)管棚检验批质量验收记录表长昆客专(湖南段)超前小导管检验批质量验收记录表长昆客专(湖南段) 衬砌模板检验批质量验收记录长昆客专(湖南段)衬砌钢筋检验批质量验收记录长昆客专(湖南段)衬砌混凝土(原材料)检验批质量验收记录表(I)长昆客专(湖南段)衬砌混凝土(配合比)检验批质量验收记录表(II)长昆客专(湖南段)衬砌混凝土(施工及养护)检验批质量验收记录表(Ⅲ)长昆客专(湖南段)衬砌混凝土(结构外观和尺寸偏差)检验批质量验收记录表(Ⅳ)长昆客专(湖南段)底板混凝土(原材料)检验批质量验收记录表(I )长昆客专(湖南段)底板混凝土(配合比)检验批质量验收记录表(II )长昆客专(湖南段)底板混凝土(施工及养护)检验批质量验收记录表(III)长昆客专(湖南段)仰拱混凝土(原材料)检验批质量验收记录表(I )长昆客专(湖南段)仰拱混凝土(配合比)检验批质量验收记录表(II)长昆客专(湖南段)仰拱混凝土(施工及养护)检验批质量验收记录表(III )长昆客专(湖南段)仰拱填充混凝土(原材料)检验批质量验收记录表(I)长昆客专(湖南段)仰拱填充混凝土(配合比)检验批质量验收记录表(II)长昆客专(湖南段)仰拱填充混凝土(施工及养护)检验批质量验收记录表(III)长昆客专(湖南段)辅助坑道开挖检验批质量验收记录表04010501长昆客专(湖南段)辅助坑道及附属洞室喷射混凝土(原材料)检验批质量验收记录表(I)长昆客专(湖南段)辅助坑道及附属洞室喷射混凝土支护检验批质量验收记录表(II)长昆客专(湖南段)辅助坑道及附属洞室锚杆检验批质量验收记录表长昆客专(湖南段)辅助坑道及附属洞室钢筋网检验批质量验收记录表长昆客专(湖南段)辅助坑道及附属洞室钢架(格栅钢架、型钢钢架)检验批质量验收记录表长昆客专(湖南段)辅助坑道及附属洞室小导管检验批质量验收记录表04010507长昆客专(湖南段)辅助坑道混凝土(结构外观和尺寸偏差)检验批质量验收记录表(Ⅳ)4010510长昆客专(湖南段)洞内排水沟(槽)检验批质量验收记录表长昆客专(湖南段) 中心水沟检验批质量验收记录表04010804长昆客专(湖南段)变形缝防水检验批质量验收记录表04010807长昆客专(湖南段)施工缝防水检验批质量验收记录表04010806长昆客专(湖南段)防水板检验批质量验收记录表04010808长昆客专(湖南段)盲管检验批质量验收记录表04010810长昆客专(湖南段)洞内附属构筑物检验批质量验收记录表04010906。
隧道总体现场质量检验报告单报告编号:报告日期:受检单位:工程名称:建设单位:监理单位:主要参与人员:一、检验目的:为了确保隧道工程的施工质量,保证隧道的安全性和可靠性,进行现场质量检验。
本次检验针对隧道的主要结构、材料、设备等进行全面检查,以发现并解决存在的质量问题,确保隧道工程符合相关标准和要求。
二、检验范围:本次检验的范围包括隧道的主体结构、防水处理、通风设备、通信设备、照明设备等方面。
三、检验内容:1.隧道主体结构的检查:(1)混凝土梁板的浇筑工艺和质量;(2)支护结构的稳定性和牢固性;(3)隧道壁和顶板的平整度和垂直度;(4)隧道的渗漏和渗水情况。
2.防水处理的检查:(1)防水层的厚度和质量;(2)防水层与混凝土结构的粘结情况;(3)防水层的渗漏和渗水情况。
3.通风设备的检查:(1)隧道通风设备的安装位置和布局;(2)通风设备的运行情况和效果;(3)通风系统的可靠性和安全性。
4.通信设备的检查:(1)隧道内通信设备的安装情况;(2)通信设备的信号强度和传输质量;(3)通信系统的可靠性和稳定性。
5.照明设备的检查:(1)隧道内照明设备的安装位置和布局;(2)照明设备的光强和均匀度;(3)照明系统的可靠性和灯具寿命。
四、检验方法:1.现场勘察:对隧道进行全面的现场勘察,对各项工程、设备进行实地观察和测量,以获取准确的数据。
2.抽样检测:对隧道的主体结构和材料进行抽样检测,对混凝土和钢筋进行物理性能测试,以评估其质量。
3.设备测试:对通风设备、通信设备和照明设备进行功能和性能测试,以确保其符合设计要求。
五、检验结果:1.隧道主体结构:(1)混凝土梁板的浇筑工艺和质量符合相关要求;(2)支护结构牢固可靠,符合设计要求;(3)隧道壁和顶板的平整度和垂直度达到要求;(4)隧道的渗漏和渗水情况符合标准。
2.防水处理:(1)防水层的厚度和质量满足要求;(2)防水层与混凝土结构的粘结良好;(3)防水层无渗漏和渗水现象。
隧道工程施工检验批质量验收记录1. 项目概述本文档记录了对隧道工程施工检验批进行的质量验收情况,包括隧道工程的基本信息、施工方案、质量验收过程和结果。
2. 隧道工程基本信息- 项目名称:[填写项目名称]- 施工单位:[填写施工单位名称]- 施工地点:[填写施工地点]- 隧道长度:[填写隧道总长度]- 设计规范:[填写设计规范名称]- 验收日期:[填写验收日期]3. 施工方案根据隧道工程的设计规范和相关要求,施工单位制定了相应的施工方案。
该方案详细描述了施工过程中的步骤、材料使用、检验要求等内容。
4. 质量验收过程及结果在施工过程中,对隧道工程的不同阶段进行了检验批质量验收。
以下是各阶段质量验收的过程和结果:4.1 隧道开挖- 检验批编号:[填写检验批编号]- 施工日期:[填写施工日期]- 检验人员:[填写检验人员姓名]- 检验内容:对隧道开挖过程中的土方开挖、支护材料等进行检查- 验收结果:[填写验收结果,包括合格或不合格]4.2 支护施工- 检验批编号:[填写检验批编号]- 施工日期:[填写施工日期]- 检验人员:[填写检验人员姓名]- 检验内容:对隧道支护结构、钢筋混凝土施工、防水等进行检查- 验收结果:[填写验收结果,包括合格或不合格]4.3 装修施工- 检验批编号:[填写检验批编号]- 施工日期:[填写施工日期]- 检验人员:[填写检验人员姓名]- 检验内容:对隧道装修工程、电器设备等进行检查- 验收结果:[填写验收结果,包括合格或不合格]4.4 系统调试- 检验批编号:[填写检验批编号]- 施工日期:[填写施工日期]- 检验人员:[填写检验人员姓名]- 检验内容:对隧道系统设备的安装、调试过程进行检查- 验收结果:[填写验收结果,包括合格或不合格]5. 结论根据对隧道工程施工检验批的质量验收,经过详细的检查和评估,确认质量符合设计规范和相关要求,该隧道工程的施工质量经过验收合格。
6. 备注在整个施工过程中,注意到一些问题和风险,并进行了相应的控制和处理,以确保施工质量和安全。
盾构法隧道检验批质量验收记录一、工程概况二、施工单位和监理单位本工程的施工单位为XX公司,监理单位为XX公司,他们分别负责施工和质量监督检验。
三、施工工艺及技术流程本工程采用盾构法进行施工,主要工序包括盾构切割及推进、洞身开挖和衬砌施工、环片安装和隧道围岩支护。
具体的施工工艺和技术流程如下:1.盾构切割及推进:盾构机掘进采用机械切割,盾构刀盘采用XX材质,通过液压系统驱动切割机的旋转,实现切割。
切割过程中需要保证刀盘的正常运转,并及时清理切割出的土屑。
2.洞身开挖和衬砌施工:盾构机在推进过程中同时开挖洞身,采用密闭结构。
开挖后,进行人工清理,确保洞身的干净。
然后进行衬砌施工,采用XX材料,通过螺旋输送机将混凝土输送到模具内,然后进行振捣。
衬砌完成后,进行养护。
3.环片安装:在衬砌完成并养护完毕后,进行环片的安装。
环片采用XX材料制作,通过专用设备安装到洞身内。
安装过程中需保证环片的准确位置和稳固性。
4.隧道围岩支护:隧道围岩采用XX方式进行支护,包括喷锚和钢筋混凝土喷涂。
通过围岩支护,保证隧道的整体稳定性和安全性。
四、质量验收内容1.盾构切割质量验收:检查切割出的断面是否光滑整齐,无明显划痕、裂缝等缺陷。
2.洞身开挖质量验收:检查洞身开挖的垂直度、水平度,是否符合设计要求。
3.衬砌施工质量验收:检查衬砌的厚度、平整度、垂直度等,是否符合设计要求。
4.环片安装质量验收:检查环片的准确性和稳固性,是否保证洞身的密闭性和安全性。
5.隧道围岩支护质量验收:检查围岩支护的均匀性、牢固性和地质稳定性,是否能够保证隧道的整体安全性。
五、质量验收结果根据对以上质量验收内容的检查和核实,得出以下结果:1.盾构切割质量验收:切割质量符合设计要求,断面光滑整齐,无明显缺陷。
2.洞身开挖质量验收:洞身开挖垂直度、水平度符合设计要求,洞身整体形状良好。
3.衬砌施工质量验收:衬砌的厚度、平整度、垂直度符合设计要求,衬砌质量达到预期要求。
隧道坑道排水检验批质量验收记录一、工程概况本次工程为隧道坑道排水系统的建设工程。
该工程负责人为XXX,并由XXX负责施工。
本次工程包括XXX个隧道和XXX条坑道,总长度为XXX 米。
本次质量验收记录旨在对工程建设过程中的排水系统进行检验验收,确保其质量符合相关标准和要求。
二、施工过程1.前期准备工作2.排水系统设计与施工3.施工期间的质量控制三、检验项目1.排水系统管材选用2.排水系统管道的连接方式3.排水系统管道安装质量4.排水系统管道的防水处理5.排水系统的泵站和泵设备的选用和安装情况6.排水系统的检修井和检测设备的设置情况7.排水系统的排水效果1.排水系统管材选用根据设计要求,本工程选用了XXX材质的排水管道材料。
经核查,管材的质量合格,无明显破损和问题。
2.排水系统管道的连接方式排水管道采用了XXX连接方式,连接牢固,密封性良好。
3.排水系统管道安装质量排水管道安装平整,无明显倾斜和变形现象。
每一段管道的连接处均安装了扩口,并进行了密封处理。
4.排水系统管道的防水处理排水管道的地下段设置了防水处理措施,确保地下水不会渗入到管道内。
防水材料的使用符合相关标准要求,施工质量良好。
5.排水系统的泵站和泵设备选用和安装情况泵站和泵设备的选用符合设计要求,各项指标均符合国家标准和规范。
泵站及泵设备的安装符合施工图纸和相关规范要求,运行正常。
6.排水系统的检修井和检测设备的设置情况检修井和检测设备的设置符合设计要求,布置合理,井壁无渗漏,检测设备齐全,并且能够正常使用和读取相关数据。
7.排水系统的排水效果根据排水系统设计要求,对系统进行了试运行测试。
测试结果表明,排水系统的排水效果良好,排水速度达到了设计要求。
五、结论经过对排水系统的检验验收,我们认为该工程的排水系统质量良好,各项指标符合国家标准和设计要求。
质量验收符合预期,可以正常使用。
六、不合格项及处理措施在工程建设过程中没有发现明显的不合格项,因此无需进行后续处理措施。
单位工程竣工初验报审表
工程项目名称:新建吕梁至临县(孟门)铁路吕梁至三交段工程施工标段:LLXS-1标编号:
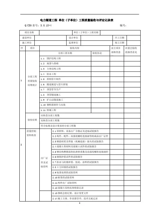
单位工程质量验收记录表
工程项目名称:新建吕梁至临县(孟门)铁路吕梁至三交段工程施工标段:LLXS-1标编号:
单位工程质量控制资料核查记录表
工程项目名称:新建吕梁至临县(孟门)铁路吕梁至三交段工程施工标段:LLXS-1标编号:
注:核查人为验收组的监理单位人员。
单位工程安全和功能检验资料核查及主要功能抽查记录表
工程项目名称:新建吕梁至临县(孟门)铁路吕梁至三交段工程施工标段:LLXS-1标编号:
注:1 核查、抽查项目由验收组协商确定;
2 核查、抽查人为验收组的监理单位人员。
单位工程观感质量检查记录表
工程项目名称:新建吕梁至临县(孟门)铁路吕梁至三交段工程施工标段:LLXS-1标编号:
注:观感质量评定为“差”的项目应返修。