线路起道作业
- 格式:doc
- 大小:27.50 KB
- 文档页数:2
线路人工起道捣固作业指导书一、作业内容和适用范围1.作业内容通过起道捣固,整正轨道水平、三角坑及高低不良处所,消除轨枕暗坑、空吊。
2.适用范围⑴本作业指导书适用于线路维修作业。
⑵本作业指导书适用于有砟轨道作业。
⑶本作业指导书适用于天窗点内作业或线路限速(或允许速度)不大于60km/h区段的天窗点外作业。
二、劳力组织作业负责人不低于班长,除设驻站联络员和现场防护员外,其他作业人员6人及以上。
三、机具材料及安全备品轨距尺、起拨道器、手持捣镐、石砟叉、撬棍、弦绳、钢板尺、“丁字”拐、活扳手、道钉锤(木枕线路);防护备品等。
四、作业程序1.准备作业⑴核对量具。
校核轨距尺,校核误差在1mm以内。
⑵复查确认。
根据作业计划单对超限或大值偏差处所、划撬范围进行复查确认。
准确划好每撬的始终点(即撬头撬尾),根据坑洼深度,确定起道量,同时要将钢轨低头,空吊板等划上符号,以便指导捣固作业。
⑶复查石砟储量及建筑限界,备足石砟,杜绝盲目抬道。
⑷作业负责人与车站确认作业凭证。
⑸作业负责人确认设好防护。
2.作业过程⑴方正轨枕,上紧扣件或打紧浮离道钉。
⑵扒镐窝。
按作业负责人所划的撬,按每对镐扒开道床,扒开的道床要达到:三够一清,即够长:木枕自钢轨中心向两侧400mm,铪枕自钢轨中心向两侧450mm,如遇有支撑要起掉;够宽,200mm:使铁镐头能在捣固时不打枕木;够深:按起道高度预留捣固用砟,如起道量在20mm以下,为枕木底10—20mm;起道量在20—30mm,与枕木底平,起道量在30—40mm,可比枕木底高10—20mm;一清:钢轨底一定要清,便于打斜镐。
⑶指挥起道:起道者应距起拨道器20—30m看轨头外侧下额水平线,根据前标点后标点起平中间点,从上坡往下坡起道时,每点都不能低,反之,都不能高。
⑷放置起拨道器:全起全捣时,一般在接头放一次,砼枕每隔6根,木枕每隔6-8根放一次,依次向前进行,重起全捣或重起重捣时,根据情况放置起拨道器位置。
起道施工作业标准1.准备工作1.1 熟悉技术资料:圆曲线上外轨超高,是根据曲线半径及行车速度表规定。
曲线两端超高的递减顺坡也有规定,当确定各处超高后,才能起道。
1.2 调查水平桩:确定起道量,起道次数,每次起高不15超过厘米,每次起道应以水平桩校对轨顶高。
1.3 拧紧螺栓,打浮起道钉,消灭空吊板。
2.操作程序2.1确定标准股:一般在直线上看左股,曲线上看下股,起平标准股后再起另一股,左右均匀进行。
2.2看道:起道指挥人距起道机20-30米处,俯身在标准股上看轨头外侧的下腭水平线高低情况,用目力指挥起道,当起平或顺一段线路后,以三点为一线,根据前、后标准点起平中间点。
注意L从下坡往上坡看道时,每点都不能高;从上坡往下坡看道时,每点都不能低;以防不平。
2.3放置起道机:全面起道时,一般一个轨节在接头大腰、小腰顺序放四次起道机,循序向前起,在重起条件下,如为陡坑则在坑底起一次,漫坑要放置2-3次起道机。
起道机必须放平、放稳;直线放在钢轨里口,以防涨轨和影响钢轨方向。
2.4打撬塞:看道、起道机、打塞三者要紧密配合,做到压机一压起就紧跟着串镐打塞,压机起到要求高度,塞要打好。
三者做到看的准,起的稳,打得有力。
打塞要打外口轨底的枕底下,要串好打实。
2.5起道找平:标准股起出一段后,由起道者掌握,立即返回找对面股水平。
找水平后,看道人要俯在钢轨上回看轨道纵平根据高低不平情况进行补撬,找平对面股。
2.6道岔起道和线路一样,单开道岔以直股、外股,双一道岔以过车多的外股为标准股,从尖端前接头开始向后起。
看水平时,道尺应放在尖轨前接头,尖轨尖端,辙叉前接头,导曲线中间要酌情放水平。
对一股过车多,一股过车少的道岔,起完道后,对过车少的一股用镐串一串即可,以列车过后水平合适为准,宁低勿高,低了可以再起。
2.7其他:2.7.1起道时,接头处宜略高,天气炎热轨道接近瞎缝时尽是避免起道。
2.7.2起道时,对线路上个别不方正的轨枕,应同时予以方正。
线路起道作业标准一、作业前机具及人员分配起道一般由三人互相配合作业,一人看道、量水平,一人抬道,另一人打塞。
液压起拨道器随当日工作量而定,捣固由两人组成一组,一人在钢轨外侧,一人在钢轨内侧,也可多组镐同时使用。
作业人员应携带捣镐1把,四齿耙1把。
二、安全注意事项(一)机手必须熟悉起道机性能和操作方法,严格执行有关安全规定。
起道机走行小车必须随起道机同时下道。
(二)看道者要切实掌握列车间隔时间,尽量做到起好捣完,减少重复作业。
(三)起道应使用专用撬棍做手把,并不得以起道机蹬钢轨或枕木头。
(四)起道量的确定应考虑现有石碴量,要防止盲目起高道而造成缺碴。
三、作业(操作)方法、步骤(一)校对量具、轨距尺等。
(二)检查划撬。
划出轻重镐、低接头、拱腰、空吊板等处所,用约定的符号表示。
(三)打浮离道钉或拧紧扣件螺栓,消除空吊板。
(四)确定标准股。
直线上以水平高的一股为标准股,普遍起道时则以左股为标准股,曲线地段则以下股为标准股,以免因反超高而造成下股落道或上股超高不足的缺点。
(五)看道。
看到者俯身在标准股上,距起道机20~30m 处,看轨头外侧下颚水平线,以三点确定一线的方法,根据前标准点和后标准点起平中间点。
(六)放置起道机。
拿起道机的人要密切注视看道者的指挥,正确的放置起道机,动作要敏捷。
全起全捣时,起道机一般在接头中间放置一次,两端距接头8根轨枕处各放置一次,并顺次向前:重起全捣或重起重捣时,陡坑在坑底处放置一次,漫坑则要放置2~3次。
起道机必须放平放稳,直线放在钢轨里口,曲线上股放在外口,下股放在里口:接头处应放在接头中间这孔。
(七)打塞(砸撬)。
当轨道起到要求的高度后,打塞者在钢轨外侧下枕木处,将道碴串实,禁止打顶门塞。
确保撤出起道机后轨道不回落。
在混凝土枕地段起道时,打塞者应协助拿起道机者抬起线路,并将起道机两侧轨枕底道碴串实。
(八)起道找平。
先起标准股,然后再用水平道尺找平另一股。
道尺要尽可能靠近起道机:找平曲线外股时,按超高度垫上高度板。
线路起道作业1目的改良轨道纵断面, 提升轨道弹性, 保持线路质量平衡。
2合用范围合用于全部线路、道岔综合维修、常常养护、暂时补修起道作业。
3质量标准3、 1线路轨道静态几何尺寸允许误差管理值不超出下表规定: (单位:毫米 )项目轨水高轨向三角坑缓与直接与距平低( 直线)曲线圆曲线120≥V>正线+644444 -2作V≤100 正线及+6业44444验到发线-2收+6其余站线55555-2注 : ①轨距误差不含曲线上按规定设置的轨距加宽值, 但最大轨距 ( 含加宽值与误差 ) 不得超出 1456mm。
②轨向误差与高低误差为10m弦丈量的最大矢度值。
③三角坑误差不含曲线超高顺坡造成的歪曲量, 检查三角坑时基长为6、25m,但在延伸 18m的距离内无跟过表列的三角坑。
④专用线按其她站线办理。
3.2道岔轨道静态几何尺寸允许误差管理值不超出下表规定:( 单位 :mm)项目轨距水平高低轨向直线支距120≥V>正线+34442作-2业V≤100 正线及+34442验到发线-2收+3其余站线6662-2注 : ①支距误差为现场支距与计算支距之差。
②导曲线下股高于上股的限位: 作业查收为 0, 常常养护为2mm。
暂时补修力3mm。
③专用线道岔按其她站线道岔办理。
3、 3起道顺坡:列车限速不小于200倍,不限速,暂时不小于200倍,竣工时不小于 400倍 (V ≤ 120km/h 线路 )4作业前准备与确认事项4、 1确认作业地址与工作量, 明确作业人员及分工, 并做好安全讲话记录。
4、 2、 1准备以下工具、资料: 液压起道机、道尺、弦线、道镐、四齿耙、道钓、锤、扳手或弯头扳手。
4、 2、 2备好防备用品: 作业标。
5作业程序5、1设置作业防备: 按《平常施工防备作业》第4、1条规定设置作业标防备。
5、 2检查与划撬5、 2、1带班人在作业行进行, 用轨距尺检查轨距水平, 目视前后高低、坑洼地点等, 凡需起道地段, 应划撬标志。
线路起道作业在线路综合维修中,如线路状态较好,质量基本稳定,可采取重点起道。
如线路坑洼较多,积累的下沉量较大,应有计划地适当地全面起道。
全面起道时,应结合线路坡度和变坡点的情况,合理地确定起道地段的延长和起道量。
木枕地段,在综合维修中,全面或重点起道时,应全面进行捣固。
在经常保养和临时补修中,可采取重点起道和重点捣固。
每次起道长度,应根据列车间隔时分确定,要求在列车到来前,能完成起道地段的捣固和顺撬。
(一)作业范围1.整正轨道的水平、三角坑及纵向高低。
2.线路偏低需抬高线路以及周期性维修全起、全捣,增加道床厚度。
3.调整线路纵断面,应进行起道作业。
(二)作业条件1.起道量在40mm以下时,区间设置作业标防护。
2.起道量为40~100mm时,用减速信号防护,放行列车或单机时限速不超过每小时25km。
限速列车的时间、次数、速度由施工单位决定。
3.起道高度超过100mm时,设置停车信号防护,放行列车或单机时限速不超过每小时15~25km。
限速列车的时间、次数、速度由施工单位根据具体情况决定。
4.限速放行列车或单机时,起道顺坡应不小于200倍,轨枕下道碴应串实,轨枕盒内及枕头道碴应不小于三分之一;不减速放行列车时,临时起道顺坡不小于200倍,收工时不小于400倍,轨枕下道碴捣固密实,轨枕盒内及枕头道碴按规定执行。
5.无缝线路与轨温有关的起道作业应按照规定办理。
普通线路25m钢轨地段,如在轨温超过30℃条件下起道作业,应实现在轨温25℃左右时,松动接头螺栓,适当放散钢轨温度应力,或将接头螺栓扭力矩调整为300~400N·m。
6.成段起道,大部分起道量超过40mm时,应用水准仪测量调整纵断面,按水平标桩起道。
7.起道地段应有足够的道碴。
(三)作业技术标准1.两股钢轨应处于同一水平,无明显小坑。
2.在异常6.25m距离以内的水平误差变化量,即三角坑符合的容许规定。
水平变化率(含超高)最大不得大于2‰。
铁路线路工工作标准线路工作业标准铁路运输分公司线路工作业标准01 起道作业标准 02拨道作业标准 03混凝土枕改道作业标准 04道岔改道作业标准 05调整轨缝作业标准06手工捣固作业标准 07清筛道床作业标准 08更换夹板作业标准09扒道床作业标准10捆扎枕木作业标准11翻修道口作业标准12整正轨缝作业标准13钢轨钻眼作业标准14巡道工作业标准01 起道作业标准1、校对量具:轨距尺2、检查划撬:画轻重捣、低接头、拱腰、空吊板等符号。
3、打浮离道钉:紧螺栓4确定标准股:直线为列车运行方向的左侧或水平高的一股,曲线为下股。
5、看道:距起道机20—30米,看轨下额水平线,根据前标准点和后标准点起平中间点。
6、放置起道机:全起全捣接头处放一次,重起全捣或重起重捣陡坑底放一次,慢坑底放2—3次。
7、打塞:打外口枕下轨底,串好打实。
8、起道找平:先起标准股,后起另一股,轨距尺要靠近起道机。
看道人回看纵向水平,视高低情况补撬。
2 拨道作业标准1、调查;拨量大于20mm,先荒拨,然后确定拨量,调整轨缝,消灭瞎缝2、扒渣、松防爬:刨松或挖开枕头道渣,松防爬、支撑。
3、拨道:(1)用液压起道机拨道,扒窝深120—125mm,用三台,相距2—3空,每撬相隔5—7空,拨正方向一侧设两台,另一侧设一台,成三角型,油缸与轨面不大于45度。
(2)拨曲线时从两头向中间拨。
4、指挥拨道:指挥人距拨道人大弯100m,小弯50m,双腿跨在方向好的一股。
指挥手势为:(1)向前手心向外推;(2)向回手心向内招;(3)向左、向右相应伸平左、右手;(4)拨接头两手握拳,隔一个接头两拳相碰两次;(5)拨大腰,两手过头做大圆状;(6)拨大腰两手在胸前作小圆状(7)交叉拨,两臂体前交叉(8)暂停,两臂平伸(9)拨道完毕单臂在头上部画圆圈。
5检查整理:留回弹量,用弦绳量不和标准重拨。
打紧防爬,安好支撑,回填夯实道砟。
03混凝土枕改道作业标准1、调查划撬,确定标准股:调查时,若钢轨一侧扣板上台,另一侧扣板离缝,应先松开扣板串动轨枕。
工务线路起道作业指导书目次1 作业条件 (2)2 人员要求 (2)3 作业料具 (2)4 配合要求 (2)5 安全风险构成 (3)6 防护要求(按规定设置防护) (3)7 作业程序 (4)8 质量标准 (6)9 作业流程图 (6)1 作业条件1.1天窗点内线路起道作业1.2天窗点外准备机具材料、点前工作量调查、划撬,点后道床恢复及次日工作量调查。
1.3作业时间单线不得少于90分钟,双线不得少于120分钟。
2 人员要求2.1岗位要求施工负责人由班长及以上人员担任,作业人员经段级单位培训并考试合格的人员担任。
2.2人员配置施工负责人1人。
防护人员:防护人员4人(驻站防护1人、工地防护1人、关门防护2人) 成员不少于5人(根据当日工作量及班组人员情况可适当增加人员)。
3 作业料具起拨道器,小型捣固机、扳手、捣镐、拉碴扒、小车、土箕、道尺、轨温计、三齿扒、照明灯具(夜间或隧道)、油漆、毛笔、石笔、信号旗、响墩等。
4 配合要求车务段、电务段、供电段(电气化区段起道量超过40mm)。
5 安全风险构成5.1违章施工作业风险5.1.1 点外违规使用机具。
5.1.2 机具摆放超限。
5.1.3 起道量超标或起道顺坡不足,影响行车平稳性,严重的造成行车事故。
5.1.4 作业时,在无缝线路地段没有执行“维修作业半日一清,临时补修作业一撬一清”和“作业前、作业中、作业后测量轨温”制度或超温作业易造成胀轨跑道。
5.1.5 来车时起道机及其他工机具未撤除限界以外,易造成行车事故。
5.1.6 电气化区段起道量超过规定限值时,没有通知供电部门配合,易造成行车事故。
5.1.7 收工后没有清理工机具,造成工机具遗留在作业地段,且没有撤出限界以外,易造成行车事故。
5.2 从业人员伤害风险5.2.1 人工抬运机具磕碰易造成伤害。
5.2.2 防护不规范或无效防护,易造成人身及行车事故。
5.2.3 机具噪音影响听力,易造成行车及人身事故。
6 防护要求(按规定设置防护)6.1线路区间作业设置驻站联络员1人,工地防护1人,关门防护2人(中间联络防护根据实际设置)。
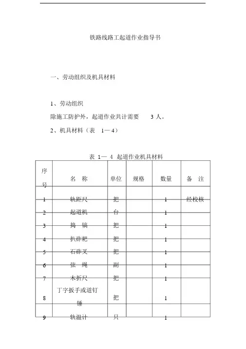
铁路线路工起道作业指导书一、劳动组织及机具材料1、劳动组织除施工防护外,起道作业共计需要 3 人。
2、机具材料(表1— 4)表1—4起道作业机具材料序名称单位规格数量备注号1 轨距尺把 1 经校核2 起道机台 13 捣镐把 14 扒砟耙把 15 石砟叉把 16 弦绳副 17 木折尺把 18 丁字扳手或道钉把 1 锤9 轨温计只 110 石笔只 211 作业牌块 212 信号旗副 113 口笛支 1二、作业程序先起基准股,再用道尺找平另一股。
1、准备作业(1)确定基准股、校对道尺:看道指挥者校对道尺,确定基准股;直线为水平高的一股,曲线为下股;单开道岔为外直股。
(2)检查划撬,划起道范围(低接头、拱腰、暗坑、空吊板及瞒塘等)。
(3)拆除轨下调高垫板,更换失效大胶垫和轨枕扣件。
(4)打浮离钉或拧紧轨枕扣件,消除暗坑、空吊板。
2、基本作业(1)起基准股:指挥者俯身在基准股钢轨上,在前进方向距起道机20~30m 往回看,根据轨头下颚水平线高低情况指挥起道。
起道机:一般放在钢轨里口,曲线上股放在钢轨外口,接头放在轨缝下。
绝缘接头及焊缝处禁止放置起道机。
①全起全捣:钢轨接头起一次,混凝土枕地段每隔4~6 根枕起一次,木枕地段每隔6~8 根枕起一次,并依次向前顺序起道。
②重起全捣或重起重捣:陡坑在坑底起一次,漫坑按长度增加起道次数,齐平坑底。
砸撬:木枕打外口轨下枕底,接头(焊缝)和混凝土枕砸撬要打两面镐。
砸撬时,串好打实,禁打顶门塞。
接头或焊缝两根轨枕同时砸撬。
(2)起对面股:用道尺对水平,起道找平另一股。
找平曲线上股时,要考虑设计超高。
起道机应与起基准股时放置位置相同,道尺尽可能靠近起道机。
(3)划轻重撬:看道人根据看道情况,在钢轨低接头、暗坑、空吊板等处划轻重捣固符号。
单开道岔起道以道岔(包括道岔前后100m 范围)外直股为基准股,以岔首和辙叉的高程为基点,从尖轨前接头向辙叉进行起道。
起道时,一般按转辙部分、连接部分和辙叉部分及岔后长枕四段起道。
起道作业起道是将线路低洼处所起高,以找平轨面、改善道床弹性。
起道分重起和全起两种,是养路工作中技术要求较高的作业。
起道一般由三人互相配合作业,一人看道、量水平、一人抬道,另一人打塞。
每次起道长度,应根据列车间隔时分确定,要求在列车到来前,能完成起道地段的捣固和顺撬。
(一)作业方法1.准备:打浮起道钉或拧紧螺栓,消灭空吊板。
确定标准股;直线上,以水平高的一股为标准股,普遍起道时则以左股为标准股;曲线地段,则以下股为标准股,以免因反超高而造成下股落道或上股超高不足的缺点。
2.看道:看道者俯身在标准股上,距起道机20~30m处,看轨头外侧下颚水平线,找出坑洼,指挥起道机放置位置和起道高度。
当起平和起顺一段线路后,必须以三点作依据,根据前标准点和后标准点起平中间点。
3.起道:拿起道机的人,要密切注视看道者的指挥,正确的放置起道机,动作要敏捷。
全起全捣时,起道机的放置位置•一般在接头中间放一次,两端距接头八根轨枕处各放一次,并顺次向前;重起全捣或重起重捣时,陡坑在坑底处放一次,漫坑则要放置2~3次。
起道机必须放平放稳,直线放在钢轨里口,曲线上股放在外口,接头处应放在中间,以防胀轨和影响方向。
4.打塞(砸撬):当轨道起到要求高度后,打塞者即将轨枕下道碴串实,保证撤出起道机后,轨道不回落。
在混凝土轨枕线路起道时,打塞者应协助拿起道机者抬起线路,并将起道机两侧轨枕底串实。
5.找平:标准股起平后,再用水平道尺找平另一股,道尺要放在起道机的起道始点,尽可能靠近起道机;找平曲线外股时.按超高度垫上高度板。
6.复查长平:两股起平后,在前一节钢轨回看长平,对于拱腰或死坑,应在钢轨上作加强捣固或减弱捣固的符号(加强为“++”,减弱为“——”)。
道岔起道:单开道岔以直向外股为标准股,最好从尖轨前接头开始向后起。
看水平时,道尺应放在尖轨前接头、尖轨尖端、共轨跟、辙叉前接头、导曲线中间。
看两内股水平时,应放在导轨接头上。
对一股过车多、另一股过车少的道岔,起完道后,对过车少的一股只用镐串一串即可,以列车通过后水平合适为准,宁低勿高。
线路起道作业线路起道作业1 目的改善轨道纵断面,提高轨道弹性,保持线路质量均衡。
2 适用范围适用于所有线路、道岔综合维修、经常保养、临时补修起道作业。
3 质量标准3.1 线路轨道静态几何尺寸容许偏差管理值不超过下表规定:(单位:毫米)注:①轨距偏差不含曲线上按规定设置的轨距加宽值,但最大轨距(含加宽值和偏差)不得超过1456mm。
②轨向偏差和高低偏差为10m弦测量的最大矢度值。
③三角坑偏差不含曲线超高顺坡造成的扭曲量,检查三角坑时基长为6.25m,但在延长18m的距离内无跟过表列的三角坑。
④专用线按其他站线办理。
3.2道岔轨道静态几何尺寸容许偏差管理值不超过下表规定:(单位:mm)②导曲线下股高于上股的限位:作业验收为0,经常保养为2mm。
临时补修力3mm。
③专用线道岔按其他站线道岔办理。
3.3 起道顺坡:列车限速不小于200倍,不限速,临时不小于200倍,收工时不小于400倍(V ≤120km/h 线路)4 作业前准备和确认事项4.1 确认作业地点和工作量,明确作业人员及分工,并做好安全讲话记录。
4.2.1 准备下列工具、材料:液压起道机、道尺、弦线、道镐、四齿耙、道钓、锤、扳手或弯头扳手。
4.2.2 备好防护用品:作业标。
5 作业程序5.1 设置作业防护:按《日常施工防护作业》第4.1条规定设置作业标防护。
5.2 调查与划撬5.2.1 带班人在作业前进行,用轨距尺检查轨距水平,目视前后高低、坑洼位置等,凡需起道地段,应划撬标记。
5.2.2 划撬时,应画出轻重捣,低接头,拱腰,空吊板等符号。
5.3 起道作业前,木枕地段压打浮离道钉,混凝工枕线路,整正胶垫,拧紧扣件。
5.4 确定标准股:直线地段,以左股为标准股;曲线地段,以下股为标准股;单开道岔以直向外股为标准股。
5.5 看道:距起拨道机前方20~30m处,看轨头下颚水平线,用手势指挥起道机放置位置和起道高度;5.5.1 看水平时,道尺应放在尖轨前接头,尖轨尖端、辙叉前接头、导曲线中间;看两内股水平时,应放在导轨接头上。
简述起道作业流程下载温馨提示:该文档是我店铺精心编制而成,希望大家下载以后,能够帮助大家解决实际的问题。
文档下载后可定制随意修改,请根据实际需要进行相应的调整和使用,谢谢!并且,本店铺为大家提供各种各样类型的实用资料,如教育随笔、日记赏析、句子摘抄、古诗大全、经典美文、话题作文、工作总结、词语解析、文案摘录、其他资料等等,如想了解不同资料格式和写法,敬请关注!Download tips: This document is carefully compiled by theeditor.I hope that after you download them,they can help yousolve practical problems. The document can be customized andmodified after downloading,please adjust and use it according toactual needs, thank you!In addition, our shop provides you with various types ofpractical materials,such as educational essays, diaryappreciation,sentence excerpts,ancient poems,classic articles,topic composition,work summary,word parsing,copy excerpts,other materials and so on,want to know different data formats andwriting methods,please pay attention!简述铁路起道作业流程起道作业是铁路维护工作中的重要环节,主要目的是调整铁路线路的平整度和坡度,确保列车运行的安全和稳定。
线路起道作业线路起道作业1目的改善轨道纵断面,提高轨道弹性,保持线路质量均衡。
2适用范围适用于所有线路、道岔综合维修、经常保养、临时补修起道作 业。
3 质量标准3.1 线路轨道静态几何尺寸容许偏差管理值不超过下表规定: (单位:毫米)注:①轨距偏差不含曲线上按规定设置的轨距加宽值,但最大轨距 (含加宽值和 偏差)不得超过1456mm ② 轨向偏差和高低偏差为10m 眩测量的最大矢度值。
③ 三角坑偏差不含曲线超高顺坡造成的扭曲量,检查三角坑时基长为 6.25m ,但在延长18m 的距离内无跟过表列的三角坑。
④专用线按其他站线办理。
3.2 道岔轨道静态几何尺寸容许偏差管理值不超过下表规定:(单位:mr )注:①支距偏差为现场支距与计算支距之差。
②导曲线下股高于上股的限位:作业验收为0,经常保养为2mm临时补修力3mm③专用线道岔按其他站线道岔办理。
3.3 起道顺坡:列车限速不小于200倍,不限速,临时不小于200倍,收工时不小于400倍(V < 120km/h线路)4 作业前准备和确认事项4.1 确认作业地点和工作量,明确作业人员及分工,并做好安全讲话记录。
4.2.1 准备下列工具、材料:液压起道机、道尺、弦线、道镐、四齿耙、道钓、锤、扳手或弯头扳手。
4.2.2 备好防护用品:作业标。
5 作业程序5.1 设置作业防护:按《日常施工防护作业》第4.1条规定设置作业标防护。
5.2 调查与划撬5.2.1 带班人在作业前进行,用轨距尺检查轨距水平,目视前后高低、坑洼位置等,凡需起道地段,应划撬标记。
5.2.2 划撬时,应画出轻重捣,低接头,拱腰,空吊板等符号。
5.3 起道作业前,木枕地段压打浮离道钉,混凝工枕线路,整正胶垫,拧紧扣件。
5.4 确定标准股:直线地段,以左股为标准股;曲线地段,以下股为标准股;单开道岔以直向外股为标准股。
5.5 看道:距起拨道机前方20〜30m处,看轨头下颚水平线,用手势指挥起道机放置位置和起道高度;5.5.1 看水平时,道尺应放在尖轨前接头,尖轨尖端、辙叉前接头、导曲线中间;看两内股水平时,应放在导轨接头上。
线路起道作业1.作业条件1.1天窗点内线路起道作业1.2天窗点外工作量调查、划撬、拧紧螺栓、整顿道床。
严禁运用运营速度160km/h及以上列车与前趟列车间隔进行点外作业。
1.3作业时间单线不得少于90分钟,双线不得少于120分钟。
2.人员规定2.1岗位规定作业负责人由班长及以上人员担任,作业人员经段级单位培训并考试合格旳人员担任。
2.2人员配备2.2.1作业负责人1人。
2.2.2防护人员:防护人员2-4人(驻站防护1人、工地防护1人、两端防护2人)。
2.2.3成员不少于5人(根据当天工作量及班组人员状况可合适增长人员)。
3.作业料具起拨道器,小型捣固机、扳手、捣镐、拉碴扒、小车(点内)、箩筐、道尺、轨温计、铁锹、三齿扒、照明灯具(夜间或隧道)、信号旗(灯),通讯设备(对讲机)。
4.配合规定4.1车务、电务、供电(电气化区段起道量超过40mm)。
5.安全风险构成5.1违章施工作业风险5.1.1点外违规使用机具。
5.1.2机具摆放超限。
5.1.3起道量超标或起道顺坡局限性,影响行车平稳性,严重旳导致行车事故。
5.1.4作业时,在无缝线路地段没有执行“维修作业半日一清,临时补修作业一撬一清”和“作业前、作业中、作业后测量轨温”制度或超温作业易导致胀轨跑道。
5.1.5来车时起道机及其她工机具未撤除限界以外,易导致行车事故。
5.1.6电气化区段起道量超过规定限值时,没有告知供电部门配合,易导致行车事故。
5.1.7收工后没有清理工机具,导致工机具遗留在作业地段,且没有撤出限界以外,易导致行车事故。
5.2从业人员伤害风险5.2.1人工抬运机具磕碰易导致伤害。
5.2.2防护不规范或无效防护,易导致人身及行车事故。
5.2.3机具噪音影响听力,易导致行车及人身事故。
6.1区间线路作业区间封锁作业时,设立“两位一体防护”:驻站防护1人、工地防护1人。
行车速度不不小于60km/h区段运用列车间隔作业,设立“三位一体”防护:驻站联系员1人、工地防护1人、两端防护2人(视距局限性、联系困难地段增设中转防护联系员)。
详解有砟线路人工起道、拨道养护维修作业流程
有砟线路人工起道、拨道养护维修的作业流程如下:
1. 准备工作:确定作业范围和计划,采购所需材料和工具,组织作业人员。
2. 清理工作:将起道或拨道需要维修的部分清理干净,清除杂物、破损的材料等。
3. 修复损坏的基层:如发现基层损坏,需要进行修复。
首先将损坏的部分清理干净,然后重新铺设石子或者混凝土修复基层。
4. 填补破损部分:如果起道或拨道有破损的部分,需要填补修复。
根据破损的情况选择合适的材料,如铺设沥青或水泥,填补破损的部分。
5. 养护维修:根据需要,对已修复的部分进行养护维修。
可以喷洒防水剂、施加保护层等方式,提高起道或拨道的耐久性和使用寿命。
6. 检查验收:作业完成后,进行检查验收。
确保作业质量符合规范,没有隐患或质量问题。
7. 记录和报告:对作业过程进行记录和报告,包括作业时间、人员、材料使用情况等,为以后的维护和管理提供参考。
需要注意的是,在实际操作中,根据具体情况可能会有一些差
异。
例如,作业流程可能会根据路面类型、破损程度等进行调整,所需材料和工具也会有所区别。
因此,在进行人工起道、拨道养护维修作业时,应根据实际情况制定具体的作业流程和方案。