(完整word版)维修电工技师实操教案
- 格式:doc
- 大小:2.61 MB
- 文档页数:54
电工维修作业方案引言电工维修作业是指对电气设备进行检修、维修和更换等活动。
本文档旨在提供一个电工维修作业方案的模板,帮助电工准确、高效地进行维修作业。
作业准备在进行电工维修作业之前,需要进行以下准备工作:1.确定作业范围:明确需要进行维修的电气设备范围。
2.收集资料:了解相关设备的工作原理、技术参数和维修手册。
3.获取工具与材料:根据维修作业需要,准备好必要的工具和材料,如螺丝刀、钳子、绝缘胶带等。
维修流程维修作业的流程可以分为以下几个步骤:1.断电与安全措施:1.在开始维修之前,务必将电气设备断电并进行锁定与标识,确保安全。
2.根据需要,戴上个人防护装备,如绝缘手套、护目镜等。
2.故障排查与诊断:1.对故障设备进行全面的检查,寻找可能的故障点。
2.使用合适的测试工具,如万用表、电压表等,进行故障诊断。
3.维修与更换:1.根据故障的具体情况,采取合适的维修措施,可能包括更换元件、焊接、绝缘处理等。
2.在进行维修过程中,务必按照设备手册和相关规范进行操作,确保维修的质量和安全。
4.测试与验证:1.在维修完成后,进行必要的测试,确保设备能够正常工作。
2.修复后的设备需要经过严格的验证,确保维修的效果。
5.清理与恢复:1.完成维修作业后,清理现场,确保不留下任何可能的安全隐患。
2.恢复设备的供电,确保设备能够正常运行。
安全注意事项在进行电工维修作业时,务必注意以下安全事项以保障人身安全和设备完整性:1.严格遵守相关的安全操作规范和程序。
2.按照工作计划和要求,戴上个人防护装备。
3.在进行维修作业之前,务必将电气设备断电并进行锁定与标识。
4.在接触电气设备时,使用绝缘工具和绝缘手套,确保自身的安全。
5.仅使用合适的工具和设备进行维修,避免使用损坏或不合适的工具。
6.注意观察电气设备的工作状态,及时发现异常情况并采取必要的措施。
7.在维修过程中,禁止随意操作或更改电气设备的接线。
结论本文档提供了一个电工维修作业方案的模板,帮助电工规范和高效地进行维修作业。
维修电工安全技术操作规程模版一、前言本操作规程是为了确保维修电工在工作过程中的安全,减少事故发生的风险,特制定。
二、操作前准备1. 维修电工应熟悉本操作规程并遵守;2. 维修电工应熟悉所需维修的电气设备的结构和工作原理;3. 维修电工应事先了解维修电气设备的工作环境,包括温度、湿度、气体情况等;4. 维修电工应正确选择和佩戴个人防护装备,包括安全帽、绝缘手套、绝缘靴、绝缘工具等;5. 维修电工应检查所使用的绝缘工具和设备是否完好,并进行必要的绝缘性能测试。
三、操作流程1. 维修电工应在电气设备之前切断电源开关,确保设备没有带电;2. 维修电工应仔细检查设备的外部情况,如有异常现象应及时报告相关部门;3. 维修电工应根据需要准备好所需的维修工具和材料;4. 维修电工应全程佩戴个人防护装备,并确保其可靠性;5. 维修电工应按照设备的操作手册进行操作,并遵守设备的安全操作要求;6. 维修电工应定期对设备进行维护保养,确保设备的正常工作;7. 维修电工应严禁私自改变设备的工作状态或接线,如有需要应报告相关部门处理;8. 维修电工应接受相关培训,提高自身维修技能和安全意识。
四、操作中的安全注意事项1. 维修电工应在启动电源开关之前,确认所需维修的电气设备已切断电源;2. 维修电工应避免在潮湿或多尘环境中进行维修工作;3. 维修电工应避免在设备运行状态下进行维修操作,如遇特殊情况应事先与相关部门确认操作方法;4. 维修电工应做好现场防护工作,确保他人的安全;5. 维修电工应随时留意设备的异常现象,如有异常应立即停止工作并报告相关部门;6. 维修电工应按照正确的顺序和方法进行设备的拆卸和组装;7. 维修电工应使用绝缘工具进行电气维修,严禁使用损坏的工具;8. 维修电工应对工作现场进行清理和整理,确保安全。
五、事故处理1. 维修电工在发现事故时应立即停止工作,确保自身的安全;2. 维修电工应按照公司的事故处理流程报告事故,并协助相关部门进行调查和处理;3. 维修电工应主动参加事故调查和分析会议,总结教训,并提出改善意见;4. 维修电工应积极参加安全培训和教育,提高安全意识。
维修电工(高级)实操考核说明
一、考核内容:
1.三相异步电动机的点动控制
2.三相异步电动机的连续控制
3.三相异步电动机的点动加连续控制
4.三相异步电动机的正反转控制
5.三相异步电机星三角降压启动控制线路(PLC控制)
6.三相异步电动机的连续控制(plc控制)
7.三相异步电机的正反转控制(PLC控制)
8.家庭照明电路的安装
9.变频器控制三相异步电动机
10.直流他励电机的运行与控制
二、考核要求:
1.安装接前要先检查元器件的好坏,核对元件数量和规格,如在调试中发现元器件损坏,则按损坏元器件扣分。
2.在规定时间内,按控制要求进行电气原理图、梯形图、PLC外部接线图的绘制,变频器参数的设置,正确熟练地安装,能正确进行调试。
3.正确使用工具和仪表,装接质量要可靠,装接技术要符合工艺要求。
三、考核注意事项:
1.正确使用电工工具、仪器和仪表。
2.在考核过程中,带电进行试车时,注意人身和设备的安全。
四、评分标准
1.电气线路安装评分表
2.PLC控制线路评分表。
6.《维修电工》课程标准一、概述课程名称:《维修电工》学时:66授课对象:机电技术应用专业学生课程性质:《维修电工》是中等职业学校机电技术应用专业的一门专业课程,特点是为中职学生考取劳动和社会保障部颁发的中级(国家职业资格四级)电工证加深理解所学理论知识,进而牢固掌握专业知识、提高理论水平的重要手段和途径。
本课程的教学目的是让学生掌握考取中级维修电工证的相关电工基础知识。
内容大致分为直流电与电磁的基本知识、交流电路的基本知识、常用变压器与异步电动机、常用低压电器、半导体二极管、晶体三级管和整流稳压电路、晶闸管基础知识、电工读图的基本知识、一般生产设备的基本电气控制线路、常用电工材料、常用工具(包括专用工具)、量具和仪表、供电和用电的一般知识、防护及登高用具等使用知识等部分。
先导课程:电机与电气控制技术、电工技术应用、电子技术应用后续课程:PLC应用技术、电工仪表。
二、课程设计思路本课程对从事机械设备和电气系统线路及器件等的安装、调试与维护、修理的人员的岗位能力、岗位素质要求进行分析,结合《维修电工》课程的专业知识、职业能力和职业素养需求,设计出12个教学情境。
课程组到生产一线进行企业和颁发维修电工中级证的相关职能部门调研与访谈,与企业专家和各职能部门相关专家共同建设课程标准,提炼出既能满足知识、技能教学要求,又有利于实施“教、学、做”为一体的教学体系,设计和开发出基于基础知识为导向的《维修电工》课程。
三、课程目标㈠能力目标学生通过对《维修电工》课程的学习,能够对所学知识进行灵活运用,在维修电工中级资格证理论考核时,能够选择出每道题的正确答案,能够正确判断对错。
㈡知识目标通过本课程的学习,学生应具备以下专业能力:1.掌握直流电与电磁的基本知识;2.掌握交流电路的基本知识;3.掌握常用变压器与异步电动机相关知识;4.掌握常用低压电器相关知识;5.掌握半导体二极管、晶体三级管和整流稳压电路相关知识;6.掌握晶闸管基础知识;7.掌握电工读图的基本知识;8.掌握一般生产设备的基本电气控制线路相关知识;9.掌握常用电工材料相关知识;10.掌握常用工具(包括专用工具)、量具和仪表相关知识;11.掌握供电和用电的一般知识;12.掌握防护及登高用具等使用知识。
4) 接线后,零散线头必须清除干净,零散线头也许导致异常,失灵和故障,必须始终保持变频器清洁。
在控制台上打孔时,请注意不要使碎片粉末等进入变频器中。
5) 为使电压下降在2%以内,请用合适型号旳电线接线。
变频器和电机间旳接线距离较长时,特别是低频率输出情况下,会由于主电路电缆旳电压下降而导致电机旳转矩下降。
源型逻辑在这种逻辑中,信号接通时,电流是流入相应旳输入端子。
端子PC是触点输入信号旳公共端。
端子SE是集电极开路输出信号旳公共端变频器简朴操作多功能参数单元.顾客参数组功能变频器设立软件编程简朴(通讯运营模式)变频器能用“外部操作模式”,“PU操作模式”,“组合操作模式”和“通讯操作模式”(1)外部操作模式(出厂设定)欧姆龙-C :欧姆龙C系列PLC松下—FP :松下FP0、FP1系列PLCSIEMENS-S7 300 :西门子S7-300系列PLCSIEMENS-S7 200:西门子S7-200系列PLCFREQROL :三菱变频器DU系统语言:触摸屏编程软件旳系统语言,一般选择简体中文“Chinese(Simplified)”。
字符设定:指触摸屏显示出来旳字符字体,一般也选择简体中文“Chinese(Simplified)”2.本套设备配备了参照程序,学员通过设备配套旳光盘找到该实验。
找到SX.dup文献,用编程软件FX-PCS-DU-WIN-C打开。
浮现画面清单,该参照文献涉及了显示字串实例,窗口连接实例,PLC内部数据实例,路口交通灯实例,闪烁灯光控制等。
其中,交通灯实验和闪烁灯光实验需要配合PLC程序三、RS232编程口接线方式本实验设备提供旳触摸屏可以通过电脑RS232串口直接进行编程,其引脚接线图如下图所示,本设备提供了配套旳连接线。
PC端GOT端PC与RS232通讯线四、基本参数设立在对触摸屏进行编程之前需先对触摸屏进行通讯参数设立。
如下图点击左上角区域,就会弹出基本参数设立画面,此画面存于触摸屏旳ROM里,可以随时调用。
维修电工实操指导第一部分三相异步电动机找头接线电动机是一种将电能转化为机械能的动力设备,在石油矿场的应用极为广泛。
由于电动机长期处于恶劣的环境条件下工作,而且连续运转时间长,导致电动机接线盒内的导线绝缘程度降低,接线柱损坏,造成电动机不能正常运转,使油井停产。
因此,在现场人们常借助于相应的工具、仪表对其进行排列组合,正确地接通电源,使其恢复正常运转。
一、准备工作:1、穿戴好劳保用品。
2、准备工具、用具:需要准备的工具、用具有:待测电动机1台,MF500万用表1块,200mm活动扳手、200mm平口螺丝刀各1把,1号电池1节,500mm塑料软导线6根,鳄鱼夹2个,小夹子6个,500V试电笔1支,绝缘手套1只,细纱布若干,65mm毛刷1把,标示牌。
二、操作步骤:(一)分绕组1、卸下接线盒端盖及密封圈,清理并擦净接线盒、接线板及接线柱;2、卸松压紧螺帽,把6根导线分别与电机的6个引出线端连接,并用压帽压紧;3、检查万用表在有效使用期内,将万用表水平放置,用螺丝刀调整万用表指针机械调零螺丝,使指针指在零位。
将参数转换钮调到电阻挡,把量程转换钮调至1 挡,将红色测试杆插入正极孔,黑色测试杆插入负极孔,两个测试笔尖对接,用电阻微调旋钮将指针调到零点;4、将一个测试笔尖与6个线端中的任意一线端相接,另一个测试笔尖分别接触其他线端,阻值最小的两个线端为同一相绕组,测出后做上记号。
用同样的方法分出另外两相绕组。
注意:双手不能同时接触两个测试笔尖;(二)定首尾:1、将参数转换钮调到电流挡,将量程调到50uA挡;2、人为规定绕组的三个首端分别为1、2、3,三个尾端为4、5、6。
其中1和4为一组,2和5为一组,3和6为一组;3、将一相绕组的两个抽头与万用表引出的两个测试笔尖分别相接,规定与红表笔相连的一端为首端1,与黑表笔相连的一端为尾端4,将另外任一绕组的两个抽头瞬时接通电池正负极,若万用表指针反转:向左,则与电池正极相接的抽头为该绕组的首端2,另一端为尾端5。
“电工基础”课程教案教案首页教案内页时间分配则、不定向的,当由铜做成的导线接通电源构成闭合电路时,这些电子会在电源的作用下定向移动,形成电流(可做仿真实验)。
定义:电荷的定向移动形成电流。
规定单位时间内流过导线某一横面的电荷量称为电流强度,简称电流。
式中I——电流,单位为安培(A);Δt——规定时间,单位为秒(s);ΔQ——规定时间内通过导体某一横截面的电荷量,单位为库仑(C)。
根据以上描述可得电流的常用单位有安培(A)、毫安(mA)与微安(μA),它们之间的换算关系为1A=1000mA 1mA=1000μA步骤五讲解电路与电路的状态一、电路模型为了便于分析与研究,通常将图1-1-3所示的实际电路简化成图1-1-4所示的电路模型,电路模型简称电路。
今后如不作特别说明,书中“电路”指的都是电路模型。
电路模型中的元器件都是理想元器件。
电路模型中的各种电气元器件与设备,都用特定的图形符号和文字符号来表示。
部分常用元器件的图形符号与文字符号见表1-1-1。
时间分配D.课堂小结电阻:能导电的物体称为导体,导体对电流都有一定的阻碍作用,这种阻碍作用用电阻表示。
有的物体对电流阻碍作用小,如常用的铜导线,习惯把它们称为导体;有些物体对电流的阻碍作用很强,不能导电,如橡胶等,把它们称为绝缘体。
根据观察研究,我们得到:电路是由电源、导线、开关(控制器件)和负载(用电器)组成的。
各元器件的作用如下:电源——提供电能,输出电流或电压。
导线——连接电路的元器件。
开关——控制电路的通断。
负载——实现电能转换,完成指定的任务,如荧光灯把电能转换成光能,完成照明任务。
用电器的种类很多,请同学们去分析研究它们的作用。
电路的状态:图1-1-5所示的三个电路图,分别表示了电路的开路、短路和通路三种状态。
步骤六总结本次课所学的主要内容。
审核:年月日注:有课时变动、教学内容调整等在此说明。
教学环节及时间分配教学过程(教学内容和教学方法)D.课堂小结1)把转换开关拨到直流电流档,选择合适的量程。
一、教案基本信息教案名称:维修电工技师实操教案课时安排:10课时教学目标:1. 掌握电工基础知识2. 学习电工工具和设备的正确使用方法3. 学会电工布线和接线技巧4. 掌握常见故障的排查和维修方法5. 培养学生的动手能力和团队协作能力教学重点:1. 电工工具和设备的正确使用2. 电工布线和接线技巧3. 常见故障的排查和维修方法教学难点:1. 电工工具和设备的操作技巧2. 复杂电路的布线和接线方法3. 故障排查和维修的实践应用教学准备:1. 实验室设备:电工工具、电线、插座、开关、电器设备等2. 教学资料:教材、PPT、实操指导手册等二、教学内容与过程第一课时:电工基础知识介绍1. 电工概述2. 电工电路的基本元件3. 电路图的识别与绘制第二课时:电工工具和设备的使用1. 电工工具的使用方法2. 电工设备的操作技巧3. 安全注意事项第三课时:电工布线和接线技巧1. 电线types and specifications2. 布线方法与注意事项3. 接线方法与技巧第四课时:常见故障的排查方法1. 故障排查流程2. 常见故障原因分析3. 故障排除技巧第五课时:维修电工实操练习1. 学生分组进行实操练习2. 教师现场指导与解答疑问3. 实操练习成果展示与点评三、教学方法与手段1. 讲授法:讲解电工基础知识、故障排查方法和维修技巧2. 演示法:展示电工工具和设备的使用方法、布线和接线技巧3. 实操练习法:学生分组进行实操练习,培养动手能力4. 问答法:解答学生提出的疑问和问题四、作业与评价1. 课后作业:要求学生绘制一份简单的电路图,并写出电路功能说明2. 课堂评价:观察学生在实操练习中的表现,评估操作技巧和安全意识3. 成果展示:学生展示实操成果,教师进行点评和指导五、教学反思与改进2. 根据学生的反馈意见,调整教学方法和内容,提高教学效果3. 关注学生的学习进度,针对性地进行辅导和指导六、教学内容与过程第六课时:电器设备的维修与保养1. 常用电器设备的结构与原理2. 电器设备的维修方法3. 电器设备的保养技巧第七课时:变压器的原理与维修1. 变压器的基本原理2. 变压器的结构与分类3. 变压器的维修方法与技巧第八课时:电动机的原理与维修1. 电动机的基本原理2. 电动机的结构与分类3. 电动机的维修方法与技巧第九课时:电力线路的施工与维护1. 电力线路的施工步骤与要求2. 电力线路的维护方法与技巧3. 电力线路的故障排查与修复第十课时:综合实操演练与考核1. 学生分组进行综合实操演练2. 教师现场指导与解答疑问3. 实操演练成果展示与点评七、教学方法与手段1. 讲授法:讲解电器设备、变压器、电动机的原理与维修方法2. 演示法:展示电器设备、变压器、电动机的维修与保养技巧3. 实操练习法:学生分组进行实操练习,培养动手能力4. 问答法:解答学生提出的疑问和问题八、作业与评价1. 课后作业:要求学生绘制一份电力线路施工图,并写出施工要求说明2. 课堂评价:观察学生在实操练习中的表现,评估操作技巧和安全意识3. 成果展示:学生展示实操成果,教师进行点评和指导九、教学反思与改进2. 根据学生的反馈意见,调整教学方法和内容,提高教学效果3. 关注学生的学习进度,针对性地进行辅导和指导十、教学资源与环境1. 实验室设备:电工工具、电线、插座、开关、电器设备、变压器、电动机、电力线路等2. 教学资料:教材、PPT、实操指导手册、电路图、施工图等4. 安全措施:严格遵守电工操作规程,佩戴防护用品,确保教学安全重点和难点解析一、教案基本信息补充说明:课时安排需合理分配,确保每个环节有足够的时间进行实操练习;教学目标要明确,注重培养学生的动手能力和团队协作能力;教学重点和难点要突出,以便学生有针对性的学习;教学准备要充分,确保实验室设备和教学资料的齐全。
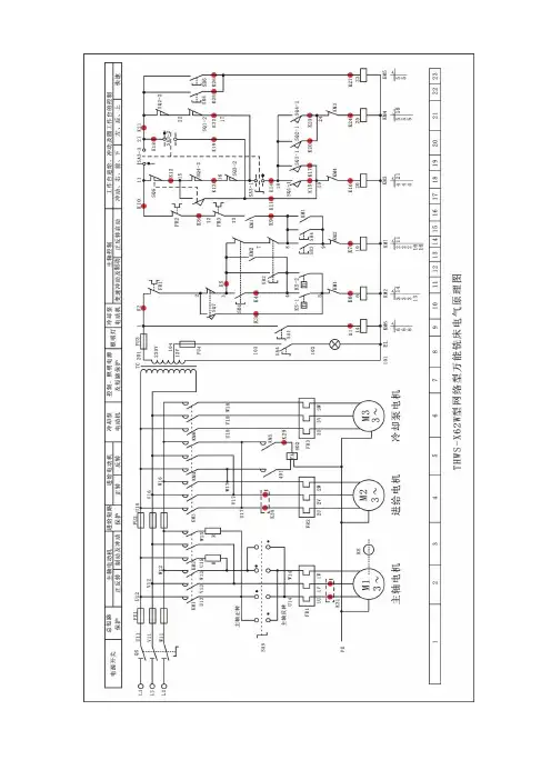
铣床开关故障现象备注K1 冷却泵电机不能启动其它工作正常K2 主轴、进给均不能启动照明、冷却泵工作正常。
K3 主轴无变速冲动主电机的正、反转及停止制动均正常。
K4 主轴停止制动不正常按SB1主轴能停止,但无制动、SB2能正常制动。
K5 主轴电机不能启动主轴不能启动,按下SQ7主轴可以冲动。
K6 主轴停止不能制动主轴启动后,按下SB1或SB2主轴都可以停止,但都没有制动。
K7 主轴不能启动主轴不能启动,按下SQ7主轴可以冲动。
K8 进给电机不能启动主轴能启动,进给电机不能启动。
K9 进给电机不能启动主轴能启动,进给电机不能启动。
K10 进给电机不能启动主轴能启动,进给电机不能启动。
K11 进给变速无冲动,圆形工作台不能工作非圆工作台的上下、左右及前后进给工作正常。
K12 工作台不能左右进给向上(或向后)、向下(或向前)进给正常,进给变速无冲动。
K13 工作台不能左右进给向上(或向后)、向下(或向前)进给正常,能进行进给变速冲动。
K14 非圆工作台不工作非圆工作台六个方向的进给都不能工作,进给变速冲动正常,圆工作台工作正常。
K15 工作台不能向左进给非圆工作台工作时,不能向左进给,其他方向进给正常。
K16 进给电机不能正转圆工作台不能工作;非圆工作台工作时,不能向左、向上或向后进给。
K17 工作台不能向上或向后进给非圆工作台工作时,不能向上或向后进给,其他方向进给正常K18 圆形工作台不能工作非圆工作台工作正常,能进给冲动。
K19 圆形工作台不能工作非圆工作台工作正常,能进给冲动。
K20 非圆工作台不能向右进给非圆工作台工作时,不能向右进给,其他方向进给正常。
K21 非圆不能上下(或前后)进给,不能快进。
圆工作台工作正常,非圆工作台工作时,能左右进给,不能快进,不能上下(或前后)进给。
K22 不能上下(或前后)进给圆工作台工作正常,非圆工作台工作时,能左右进给,左右进给时能快进;不能上下(或前后)进给。
维修电工与实训-常用机床电气控制操作教案一、教学目标1. 了解常用机床的电气控制系统及其工作原理。
2. 学会常用机床电气控制元件的安装、调试与维护方法。
3. 掌握机床电气故障的诊断与排除技巧。
二、教学内容1. 机床电气控制系统概述机床电气控制系统的基本组成机床电气控制系统的作用2. 常用机床电气控制元件电动机及其控制元件接触器、继电器及其控制电路常用控制开关、按钮及其控制电路3. 机床电气控制电路分析电路图的阅读与分析方法常用控制电路案例分析4. 机床电气控制系统的安装与调试电气控制系统的安装步骤与注意事项电气控制系统的调试方法与技巧5. 机床电气故障诊断与排除故障诊断方法与步骤常见故障现象及其原因分析故障排除方法与技巧三、教学方法1. 理论讲授:讲解机床电气控制系统的基本原理、组成及功能,并通过实际案例进行分析。
2. 实操演示:展示机床电气控制系统的安装、调试过程,以及故障诊断与排除的方法。
3. 小组讨论:分组讨论故障现象及解决方法,提高学生分析问题和解决问题的能力。
4. 案例分析:分析实际工作中的典型故障案例,培养学生解决实际问题的能力。
四、教学资源1. 教材:维修电工与实训-常用机床电气控制操作教程。
2. 课件:PPT、图片、视频等。
3. 实训设备:机床、电动机、接触器、继电器、控制开关、按钮等。
五、教学评价1. 课堂问答:评估学生对机床电气控制系统的基本原理、组成及功能的掌握程度。
2. 实操考核:评估学生在实际操作中安装、调试机床电气控制系统的能力。
3. 故障诊断与排除:评估学生分析问题、解决问题的能力。
4. 小组讨论:评估学生在团队合作中沟通交流、分析问题、解决问题的能力。
六、教学安排1. 课时:本课程共计32课时,其中理论讲授16课时,实操演示8课时,小组讨论4课时,案例分析4课时。
2. 教学进度安排:章节一:机床电气控制系统概述(2课时)章节二:常用机床电气控制元件(4课时)章节三:机床电气控制电路分析(4课时)章节四:机床电气控制系统的安装与调试(6课时)章节五:机床电气故障诊断与排除(8课时)七、教学注意事项1. 确保学生了解安全操作规程,避免在实操过程中发生安全事故。
采掘维修电工操作规程范文1. 电气安全操作程序1.1. 严格遵守《电气安全工作规程》,确保电气设备的安全运行。
1.2. 在操作前,确认电气设备的工作状态,检查是否存在漏电、过电流等安全隐患。
1.3. 在进行维修或更换电气设备前,必须切断电源和电气设备的运行状态。
1.4. 在进行电气设备维修时,必须使用绝缘手套、绝缘靴等个人防护装备。
1.5. 在维修或更换电气设备后,必须重新检查设备的工作状态,确保安全运行。
2. 电路维修操作程序2.1. 在维修电路之前,必须切断电源并挂上相关的禁止用电标志,确保安全。
2.2. 在维修电气线路时,必须使用绝缘工具,避免触电事故的发生。
2.3. 在更换电线或电缆时,必须先切断电源,并使用绝缘胶带包扎电线端头。
2.4. 在重新接线之前,必须仔细检查连接的准确性,确保电路的正常运行。
2.5. 在进行电路维修之后,必须重新检查电路连接和电气设备的工作状态,确保安全。
3. 设备维修操作程序3.1. 在维修设备之前,必须切断电源和设备的运行状态,并挂上禁止用电标志。
3.2. 在进行设备维修时,必须戴好相关个人防护装备,如手套、帽子、护目镜等。
3.3. 在拆卸或更换设备零部件时,必须使用适当的工具,避免损坏设备和人身安全。
3.4. 在维修或更换设备部件之后,必须重新检查设备的工作状态,确保安全运行。
3.5. 在维修结束后,必须清理维修现场,并将残留的工具和设备归位。
4. 用电安全操作程序4.1. 使用电气设备时,必须确认设备的工作状态,防止使用不正常的设备。
4.2. 在使用电气设备之前,必须确保电源和设备的接地良好,防止触电事故的发生。
4.3. 在使用电气设备时,必须遵守相关操作规程,防止过载、短路等电气事故的发生。
4.4. 在使用电气设备时,必须及时清理设备周围的杂物,防止堵塞通风孔和散热器。
4.5. 在使用电气设备后,必须关闭电源,并及时清理设备,保持设备的干净整洁。
5. 紧急故障处理程序5.1. 在紧急故障发生时,必须迅速切断电源和设备的运行状态,确保现场的安全。
维修电工(高级)实操考核说明
一、考核内容:
1.三相异步电动机的点动控制
2.三相异步电动机的连续控制
3.三相异步电动机的点动加连续控制
4.三相异步电动机的正反转控制
5.三相异步电机星三角降压启动控制线路(PLC控制)
6.三相异步电动机的连续控制(plc控制)
7.三相异步电机的正反转控制(PLC控制)
8.家庭照明电路的安装
9.变频器控制三相异步电动机
10.直流他励电机的运行与控制
二、考核要求:
1.安装接前要先检查元器件的好坏,核对元件数量和规格,如在调试中发现元器件损坏,则按损坏元器件扣分。
2.在规定时间内,按控制要求进行电气原理图、梯形图、PLC外部接线图的绘制,变频器参数的设置,正确熟练地安装,能正确进行调试。
3.正确使用工具和仪表,装接质量要可靠,装接技术要符合工艺要求。
三、考核注意事项:
1.正确使用电工工具、仪器和仪表。
2.在考核过程中,带电进行试车时,注意人身和设备的安全。
四、评分标准
1.电气线路安装评分表
2.PLC控制线路评分表。
维修电工高级技师实操考试内容
维修电工高级技师实操考试内容主要包括以下几个方面:
1. 安装技能:包括照明、电能表、漏电保护器、互感器、交流接触器控制、低压电源等线路的接线。
2. 识别和判断技能:包括电气材料、电气仪表、电气符号、安全用具、标示牌、灭火器材的识别,以及好坏的判断。
3. 触电急救技能:包括急救的步骤和心肺复苏术。
4. 查找隐患技能:包括找出已经完成安装的电气线路和电气设施中存在的违反规程的安全隐患。
5. 故障处理技能:如电动机 Y-△降压启动线路故障处理。
6. 电机检查与运行控制技能:如检查小型三相变压器绕组绝原因障,用 PLC 掌握电机的运行系统等。
7. 工具使用与保养技能:包括仪器和工具的使用与保养。
8. 安全文明生产技能:包括遵守安全规程,保持工作场所整洁、安全等。
以上内容仅供参考,具体考试内容可能会根据地区和考试机构有所差异。
建议查阅当地考试部门发布的具体信息,获取最准确的信息。
专业资料4) 接线后,零碎线头必须清除干净,零碎线头可能造成异常,失灵和故障,必须始终保持变频器清洁。
在控制台上打孔时,请注意不要使碎片粉末等进入变频器中。
5) 为使电压下降在2%以内,请用适当型号的电线接线。
变频器和电机间的接线距离较长时,特别是低频率输出情况下,会由于主电路电缆的电压下降而导致电机的转矩下降。
源型逻辑在这种逻辑中, 信号接通时,电流是流入相应的输入端子。
端子PC是触点输入信号的公共端。
端子SE是集电极开路输出信号的公共端变频器简单操作多功能参数单元.用户参数组功能变频器设置软件编程简单(通讯运行模式)变频器能用“外部操作模式”,“PU操作模式”,“组合操作模式”和“通讯操作模式”(1) 外部操作模式 (出厂设定)松下—FP :松下FP0、FP1系列PLCSIEMENS-S7 300 :西门子S7-300系列PLCSIEMENS-S7 200 :西门子S7-200系列PLCFREQROL :三菱变频器DU系统语言:触摸屏编程软件的系统语言,一般选择简体中文“Chinese(Simplified)”。
字符设定:指触摸屏显示出来的字符字体,一般也选择简体中文“Chinese(Simplified)”2.本套设备配备了参考程序,学员通过设备配套的光盘找到该实验。
找到SX.dup文件,用编程软件FX-PCS-DU-WIN-C打开。
出现画面清单,该参考文件包含了显示字串实例,窗口连接实例,PLC内部数据实例,路口交通灯实例,闪烁灯光控制等。
其中,交通灯实验和闪烁灯光实验需要配合PLC程序三、RS232编程口接线方式本实验设备提供的触摸屏可以通过电脑RS232串口直接进行编程,其引脚接线图如下图所示,本设备提供了配套的连接线。
PC端GOT端PC与RS232通讯线四、基本参数设置在对触摸屏进行编程之前需先对触摸屏进行通讯参数设置。
如下图点击左上角区域,就会弹出基本参数设置画面,此画面存于触摸屏的ROM里,可以随时调用。
1.先对RS232的串口参数进行设置。
调出主菜单。
按下列图示顺序调出串行通讯口的设置画面。
此串口设置只针对触摸屏的RS232C串口。
用PC机对触摸屏进行编程的时候,通讯口采用默认设置。
即,速度:300bps,数据位:7位,停止位:1位,校验:偶,握手:DSR/DTR,打印机:不使用。
·调用基本设置界面的触发区域可以由用户自行更改,默认是位于触摸屏的左上角。
可以通过其他模式-设定模式-主菜单调用键,可出现下画面,自行修改。
[ 主菜单调用键]选择调用键[ 选择菜单] 终止用户屏模式[ 其他设置] 终止设定时间开关2.连接通讯线触摸屏有两个通讯端口,一般我们用RS-232C进行编程和控制外设PLC,RS-422控制变频器PU口(详细情况参阅通讯实验部分)。
本章节只接受触摸屏的编程和监控PLC通讯线连接。
3.GOT-PLC的参数设置当触摸屏监控PLC时,需要对触摸屏的参数进行设置。
设置过程如下图组所示。
“PLC类型”设置成FX系列,当触摸屏要监控其他设备时需要将这里更改,如控制变频器PU(祥见通讯部分)。
PC对触摸屏的编程连接触摸屏对PLC的监控连接五、下载画面1.当画面编辑完毕以后利用编程线将其下载到触摸屏里。
这时在“FX-PCS-DU-WIN-C”的菜单栏里选择“传送-DU”,弹出如下窗口。
点击“发送”就可以将编制好的画面下载到触摸屏里,在发送选择项目中可以点击“全部”或者指定画面序号来进行单个画面的传送。
选择单个窗口画面进行传送将画面下载到触摸屏当点击“打开窗口2”时,它将切换到画面7,点击“CLOSE”将切换回画面2。
字串时间触摸键1字串:使用字串部件,字串设置为“窗口链接”时间:使用时间部件,按默认值即可,显示系统时间触摸键1:使用触摸键部件,标签为“打开窗口1”,功能为切换画面触摸键2:使用触摸键部件,标签为“打开窗口2”,功能为切换画面触摸键3:使用触摸键部件,标签为“CLOSE”,功能为切换画面实例二字符串显示字符串显示实验通过控制位元件(Y)的通断显示不同字符串。
例如:当Y0为OFF时,字符串显示“热烈欢迎各级领导参观指导!”,ON时,显示“我们将谒诚为你服务!”字符串字符串:使用字符串部件,功能直接显示。
实例三 PLC内部寄存器链接通过触摸屏的触摸键改变PLC内总部的数据寄存器(D0)的数值。
触摸键1和触摸键2分别为十100、-100的改变数据寄存器D0的值,数值、圆形图、棒图分别以数字和图形的方式表示数据寄存器D0的值触摸键1 触摸键2数值圆形图棒图触摸键1:使用触摸键部件,功能为字元件数据+n 。
触摸键2:使用触摸键部件,功能为字元件数据-n 。
数值:使用数值部件,功能为显示字元件数值。
棒图:使用棒图部件,功能是以条形进度显示字元件数值。
圆形图:使用圆形图部件,功能是以圆形的度数显示字元件数值。
实例四 交通灯控制实例本实验需要配合PLC 部分的参考程序交通灯实验,根据PLC 部分的操作指导,将PLC 梯型图下载到PLC 内。
在实验光盘中PLC 部分的参考程序,打开“FX2N ”文件夹,找到“交通灯自控”实验,写入到PLC 内。
标签指示器主要是通过位元件(Y )控制其颜色变化。
交通灯实验中,将要控制东西红灯(Y0)、东西黄灯(Y1)、东西绿灯(Y2)、南北红灯(Y3)、南北黄灯(Y4)、南北绿灯(Y5)六种灯的亮与灭。
点击“START ”时,画面中的标签图形将根据PLC 程序的输出点(Y0~Y5)的通断而变化,点击“STOP ”时,变化将停止。
标签触摸键1触摸键2触摸键1:使用触摸键部件,功能为开关,由位元件控制其启动。
触摸键2:使用触摸键部件,功能为开关,由位元件控制其停止。
标签:使用标签指示器部件,功能为改变其标签的颜色。
实例:五多组闪烁灯管实例在这个原理同实验5,PLC的输出端口如果是驱动多组闪烁灯管,就能做出霓虹灯的效果。
本实验就是通过3个端口Y0、Y1和Y2来分别控制GOT三个字母的闪烁。
其中GOT没个字母的“灯泡”都是由“标签指示器”制作而成,通过拼接做成如图的效果。
学员可以自行编制一段PLC程序进行演示操作。
教学过程:一、PLC触摸屏控制两台电机Y-△启动用触摸屏、PLC功能指令实现两台电机的安顺序Y-△启动,要求如下:1.按下触摸屏上的“启动”按钮,1#电机Y启动,1秒后,1#电机△启动;相隔T秒后,2#电机Y启动,1秒后,2#电机△启动;2.按下触摸屏上的“停止”按钮,所有电机不管处于何种状态都停下;3.定时范围是5~10秒4.使用功能指令(MOV)编写程序。
5.在试卷上画出PLC的I/O分配图、PLC的梯形图和触摸屏的画面。
5角退币感应器X6 启动SB0 X16 1角退币感应器X7 急停SB1 X17 输出分配表:名称代号输入编号名称代号输入编号钱币不足EL Y0 没有汽水报警EL Y11 汽水选择灯EL Y1 没有咖啡报警EL Y12 咖啡选择灯EL Y2 1元传动电机KM3 Y13 汽水电机KM1 Y3 5角传动电机KM4 Y14 汽水电磁阀YV1 Y4 1角传动电机KM5 Y15 咖啡电机KM2 Y5咖啡电磁阀YV2 Y6无币报警EL Y7教学过程:一、触摸屏与变频器的通讯触摸屏与变频器的通讯要注意几个方面的内容:1.变频器的的站号要与与触摸屏的编写站号一一对应.2.项目设定时PLC系统要改为FREQROL如下图所示,不然在编写数值时不能改写.变频器参数设定(设定前请先清除所有参数)参数号名称设定值备注117 通讯站号 3 3变频器站号118 通信速率192119 停止位长/字节长10 7位/停止位长1位120 奇偶校验有/无 1 奇校验121 通信再试次数9999122 通信时间间隔9999123 等侍时间设定0124 CR,LF有/无选择 1 计算机通讯模式79 操作模式选择 1 PU操作模式52 显示数据选择14 输出功率342 EEPROM保存选择0 写入RAM另外:设定变频器参数时要注意其站号的设定,站号设置错误,将无法通信。
电动机将不动作。
4.触摸屏元件数值设定上限频率Pr.1:3 运行频率SP109:3 正转S1:3下限频率Pr.2:3 输出频率SP111:3 反转S2:3加速时间Pr.7:3 输出电流SP112:3 停止SP122:3(写常数)减速时间Pr.8:3 输出电压SP113:3过流保护Pr.9:3 输出功率SP114:3注意:触摸屏元件数值如..( 上限频率Pr.1:0 ) 当中Pr.1为上限频率的参数后面的0为站号.假如题目要求设其站号为3时,即把其后的0改为3即可.还要注意,所有参数号都要设为3才可.不然可能出现不能监视的情况.或参数不显示.操作:1.元件设定2.格式设定:小数点后有2位3.设定许可上限为其频率设定值即其所显示的为其频率数题目要求制作GOT与变频器的通信画面,变频器的站号为3,要求能通过GOT与变频器的实现通信,从而控制电机的正转、反转、停止和运行频率。
要求GOT有三个画面,画面一上要显示“ Welcome ! ”和当前的日期、时间,画面二上要显示正转反转、停止和运行频率的控制,画面三上显示输出频率、输出电流和输出功率,这三个画面要有相互切换的功能。
如下图指定数据处理位为8位(即M8161=1), 使用变频器通讯格式为A,指令代码为HED,ASCI 指令将运行频率(由MOV H0BB8 M1000传送)转换成4位ASCII码,依次存放到PLC的内存单元D16~D19中,总和校验码存放在D20、D21中;按下X5及点动X6即可改变变频器频率。
附:PLC通过RS-485通讯控制变频器运行程序梯形图。
图1 数据通讯格式附表:控制指令表操作指令指令代码数据内容正转HFA H02反转HFA H04停止HFA H00频率写入HED H0000~H2EE0Q主站的CC-Link网络监控实例一、实验目的1.使学员理解Q系列主站的结构与软件的基本设置2.GX Developer软件的基本操作与运用3.了解Q系列主站与变频器及PLC之间的通信及监控二、实验器材Q系列主站(Q02CPU)1台QJ61BT11(Q主站CC-LINK通信模块)1台A540(变频器)1台A5NC(变频器CC-LINK通信模块)1台PC电脑1台编程电缆线(Q02CPU专用)1条编程电缆线(FX2N)GX Developer编程软件1套F940GOT-SWD 1台SWOPC-FXDU\WIN-C 1套32CC-LINK(PLC通信模块) 1套FX2N-48MR 1台PC-F940GOT通讯线1条三、控制要求Q主站能够通过触摸屏对变频器进行正反转运行及读取电压与运行频率的改变等简单操作,对PLC的输入点Xn、输出点Yn进行监视及能控制输入信号。