数字式转速表的应用设置
- 格式:doc
- 大小:18.00 KB
- 文档页数:2
数字光电转速表-概述说明以及解释1.引言1.1 概述数字光电转速表是一种用于测量物体转速的仪器,利用光电传感器和数字显示技术,能够准确且实时地显示物体的转速。
在工业生产、科研实验以及日常生活中,转速的测量是非常重要的。
而数字光电转速表作为一种高精度、高可靠性的测量工具,被广泛应用于各个领域。
数字光电转速表的原理主要是利用光电传感器感知物体转动时的光信号变化,经过处理电路将这些信号转换为数字信号,并通过数码显示屏以数字形式展示出来。
这种转速表不仅测量范围广泛,从几转/分钟到数十万转/分钟都能满足需求,而且具有高精度、高分辨率、高稳定性等特点,能够满足各种复杂环境下的测量要求。
目前,数字光电转速表在许多领域都有广泛的应用。
在工业生产中,数字光电转速表可以用于监测机械设备的转速,如发动机、电机、风机等的运行情况,实时监控转速有助于及时发现故障或异常情况,提高设备的安全性和可靠性。
在科研实验中,数字光电转速表可以用于测量实验装置中旋转部件的转速,如离心机、搅拌器等,提供准确的数据支持。
在日常生活中,数字光电转速表还可用于测量车辆引擎转速、风扇转速等,帮助我们了解和掌握设备的工作状态。
总之,数字光电转速表作为一种先进的转速测量仪器,在工业、科研和日常生活中都发挥着重要作用。
它的高精度、高稳定性以及广泛的应用领域,使其成为现代测量技术中不可或缺的一部分。
未来,随着科技的不断发展,数字光电转速表有望在性能上继续提升,并在更多领域展现出其优势和价值。
1.2文章结构文章结构部分的内容主要是介绍本文的组织架构和各个章节的内容概述,使读者能够清楚地了解整篇文章的框架。
本文按照以下结构进行组织和论述:1. 引言:在引言部分,我们会首先对数字光电转速表进行概述,介绍它的基本定义和作用。
接着,我们会说明本文的目的,即通过深入研究和讨论,全面了解数字光电转速表的原理、应用领域以及未来发展趋势。
2. 正文:正文部分会分为两个主要部分:原理介绍和应用领域。
不同的机床是不同的,有些机床的主轴可以在手动状态下输入转速数即可。
然而,大多数数控机床可以通过输入MDI状态下的S 来设定主轴转速,并通过循环来设定主轴转速。
在手动状态下,主轴仍然默认为这个速度。
此外,还可以选择主轴进入MDI接口S,循环启动主轴。
2.1 正确测量主轴转速当怀疑主轴转速不符合指令设定值时,不能只观察数控装置屏幕上的主轴转速值。
因为某些机床参数的错误会导致屏幕上的显示值与实际转速值不符。
因此应配备转速表,转速表最好是非接触式、带存储的数字式转速表。
将数控机床的工作方式调到MDI方式,输入主轴旋转指令,令其在机床允许的某一转速下运行。
首先观察数控机床显示屏上的主轴转速值是否与指令值相符,然后用转速表测量主轴实际转速值,观察三者是否相符,从而发现问题。
测量时要掌握技巧,贴反射标记时应注意非反射面积必须比反射面积要大,如果转轴明显反光,则必须先贴一层黑胶布,再在上面贴上反光标记。
在贴上反光标记之前,转轴表面必须处理干净与平滑。
低转速测量时,为提高测量精度,在被测物体上均匀地多贴上几块反射标记,这样显示出的读数除以反射标记数目,即可得到准确的转速值。
测量时端平转速表,垂直对准贴有反光标记的部分。
待转速平稳后再开启转速表的测量按钮。
在测量过程中,转速表不要晃动。
转速表显示三个数值,分别是本次测量时间内多次采样测量中的转速低值、转速高值和最后一次采样的转速值。
当三个读数值非常接近时才是一次成功的测量。
2.2 误差分析测量其主轴的极限转速,即机床技术指标规定主轴的最低和最高转速,计算主轴转速的相对误差,判断是否符合±2%精度要求。
其数值见表1。
表1 CAK3665 SJ数控车床主轴转速(r/min)记录表MDI指令数控机床屏目显示数值范围转速表读数转速低值转速高值最后读数M03 S120 118-122 119 121.8 120M03 S1500 1497-1501 1498 1501 1500相对误差的计算方法:转速平均值=(速度高值+速度低值)÷2=120.4相对误差=[(转速平均值-转速目标值)÷转速目标值)]×100%=0.33%主轴转速设置指令1)F指令设置在数控车床中有两种切削进给模式设置方法,一种是每转进给模式,单位为mm/r;另一种是每分钟进给模式,单位为mm/min。
DIGITAL TACHOMETEROPERATION MANUALⅠFEATURES1.It is used the microcomputer (CPU) technique and junction laser technique for one instrument combine PHOTO TACH. (RPM)&CONTACT TACH (RPM, m/min).2.Wide measuring range and high resolution.3.Yellow green backlight makes sure that tachometer can work normally in any light circumstance.4.The last displayed value/max. Value/min. Value maybe automatically stored in memory and 96s of measured value continuously.So this makes customers collected and recorded data. (The tachometer starts to store the data measured after which is renovation for three times).5.The tachometer can be connected 6V direct current stable voltage power in favor of using for long time.6.Low battery voltage indication.7.Contact part and photo part can be switched value at any time.8.New surface speed sensor with flute vials to measure speed and length of wire, cable and rope conveniently.9.The instrument is delicate and rugged. It uses the durable, long-lasting components and a strong, light weight ABC plastic housing.The comfortably in either hand.ⅡSPECIFICATION1、Display: 5digital, 18mm (0.7” yellow green backlight LCD)Accuracy: ±(0.05%+1digital)Sampling Time: 0.8second (over 60RPM)Range Select: Auto-rangeTime Base: Quartz crystalDetecting Distance: 50mm-500mm (photo)Dimension: 210×74×37mmPower: 4×1.5V AA size battery or 6V direct current stable voltage power.Power consumption: approx. 65mA2、Memory call button operation A readout(the max value, min value, last value) obtained immediately before turning off theMEA TURING BUTTON is automatically memorized. For example, please ret. following figure 1. That memorized value can be displayed on the indicator by turn once depressing the memory button. The symbol “UP” represents the MAX. Value and “DN” the MIN. Value, “LA” the Last Value.3、Data stored button operation3.1Display last value and for the fourth time press memory button, the tachometer will indicate whether to switch to another display mode.During display value changing from 20 to 1, it is switched if you release memory button that have not change to max value/min value/last value will be displayed in turn by pressing memory button anytime.3.2If the value changes form 20 to 1 (please ret. Following figure 2) and displaying “An **” (An is ab. of anamnesis). The display isswitched successfully. So the memory button is pressed, stored data will be displayed in turn. Display format is as follow: the first is serial number of stored data and then display the concrete value. After all stored data is displayed(96s), the tachometer will automatically switch to display max value/ min, value / last value. (more difference of data value, less data stored)Eg.: the displaying is “An 64” when 64s of measuring data is stored in one measuring(see fig.3). The tachometer will display the stored data in turn by pressing the memory button. The first value is 350.3RPM and the second 317.1RPM, analogically the 64th value is 337.0RPM (see fig.4).Reminds: The contact line button do not stores max value /min value and measuring data but last value. All data will be canceled and the tachometer will start to measure and store data again if measuring button is pressed when looking over measured data.4、Battery replacement4.1When it is necessary to replace the battery(battery voltage less tan approx.4.5V), will appear on the display.4.2Slide the battery cover away from the instrument and remove the battery.4.3Install the batteries into the case permanent damage to the circuit may result form incorrect installation.5、Reminds5.1 Reflective mark: cut and peel adhesive tape provided into approx. 12mm (0.5”) squares and apply one square to each rotation shaft. Thenon-reflective area must always be greater than the reflective area. If the shaft is normally reflective, it must be covered with black tape or black paint before attaching reflective tape. Shaft surface must be clean and smooth before applying reflective tape.5.2 Very low RPM measurement: as if is easy to get high resolution. If measuring the very low RPM values, suggest user to attach more“reflective marks” averagely. Then divide the reading shown by the number of “reflective marks” to get the real RPM.5.3 Contact tachometer parts include large taper, small taper and pillar, large taper and pillar rubberpart is suitable to low speed and but thesmall high speed.5.4 If the instrument is not to be used for any extended period, remove batteries.ⅢPHOTO TACHOMETERMeasuring Range: 2.5 to 99999RMPResolution: 0.1RPM (2.5 to 999.9RMP)1RPM (over 1000RPM)Total Test Range: 1 to 99999Panel description:A: Reflective markB: Signal light beamC: Measure buttonD: Function switchE: Memory call buttonF: Display windowG: Battery coverMeasuring procedure1.PHOTO RPM MEASUREMENTa.Apply a reflective mark to the object being measured. Slide the function switch to “ RPM” position.b.Depress the MEASURE BUTTON and align the visible light beam with the applied target. Verify that the MONITOR INDICA TIONlights when the target aligns with the beam.2.TOTAL MEASUREMENTa.Apply a reflective mark to the object being measured. Slide the function switch to “TOT” position.b.Install the batteries and press measuring button, then you see light beam line with the target, start measuring. The value will add 1 as theobject rotate a circle or passed one reflective mark, herein, the total value will stored in the meter until loosen the button.c.It will display total value as you press “MEM” button.Accessories:Carrying case 1pcReflecting tape marks length 600mmOperation manual 1pcDamproof accessories 1pcBolt bag 1pcⅣCONTACT TACHOMETERMeasuring Range: CONTACT THCH 0.5 to 19999RPMSurface Speed (m/min): 0.05 to 1999.9m/minSurface long (m): 0.05 to 99999mResolution:CONTACT THCH: 0.1RPM (0.5 to 999.9RPM)1RPM (over 1000RPM)Surface Speed: 0.01m/min (0.05 to 99.99m/min)0.1m/min (over 100m/min)Surface long: 0.02m (0.05 to 99999m)Panel description:A: surface speed wheel B: RPM adapterC: shaft D: measure buttonE: function switch F: memory call buttonG: display window H: battery coverMeasuring procedure1.CONTACT TACH MEASUREMENTa.Slide the FUNCTION SWITCH to “rpm” position. Install the proper RPM ADAPTER on the SHAFT.b.Depress the MEASUING BUTTON and lightly pressing the RPM ADAPTER against the center hole of rotating shaft. Be certainto keep alignment straight. Release the MEASURING BUTTON when the display reading stabilizes.2.SURFACE SPEED MEASURENENTa.Slide the FUNCTION SWITCH to “m/min”, in stall the SURFACE SPEED WHEEL on the SHAFT instead of the RPMADAPTER.b.Depress the MEASURING BUTTON and simply attaching the SURFACE SPEED WHEEL to the detector. Release theMEASURING BUTTON when the display reading stabilizes.3.SURFACE LONG MEASUREMENTa.Slide the FUNCTION SWITCH to “m” and use the corresponding part. The other same as (2).Note: Because of the difference between the girth of outer surface and inner flute of line speed sensor. For contact line speed or length measurement. The displaying result is correct when outer surface of the sensor contacts with the measured object contact and but when inner flute of the sensor and the measured object, that the reading multiply 0.9is the real result (eg.: measure wire, cable and rope etc.) Accessories:Carrying case 1pcOperation manual 1pcDamproof accessories 1pcBolt bag 1pcContact speed measurement fitting 1pcContact rotational speed measurement fitting 3pcsⅤPHOTO TACH/CONTACT TACHMeasuring Range: PHOTO TACH2.5to 99999RPMCONTACT TACH0.5 to 19999RPMSURFACE SPEED (m/min)0.05 to 1999.9m/minResolution:PHOTO TACH:0.1RPM (2.5 to 999.9RPM)1RPM (over 1000RPM)CONTACT TCAH0.1RPM (0.5to 999.9RPM)1RPM ( over 1000RPM)WURFACE SPEED0.01m/min (0.05 to 99.99m/min)0.1m/min (over 100m/min)Panel description:A: Surface speed wheel B: Contact test deviceC: Contact measuring device D: Measure buttonE: Function switch F: Memory call buttonG: Display window H: Battery coverMeasuring procedure1. PHOTO MEASURMNENTa. Apply a reflective mark to the object being measured. Slide the function switch to “rpm photo” position.b. Depress the MEASURE BUTTON and align the visible light beam with the applied target. Verify that the MONITOR INDICA TOR lights when the target aligns with the beam.2. CONTACT TACH MEASUREMENTa. Slide the FUNCTION SWITCH to “rpm contact” position. Install the proper RPM ADAPTER on the SHAFT.b. Depress the MEASURING BUTTON and lightly pressing the RPM ADAPTER against the center hole of rotating shaft. Be certain to keep alignment straight. Release the MEASURING BUTTON when the display reading stabilizes.3. SURFACE SPEED MEASUREMENTa. Slide the FUNCTION SWITCH to “m/min contact” position. Install the SURFACE SPEED WHEEL on the SHAFT instead of the RPM ADAPTER.b. Depress the MEASURING BUTTON and simply attaching the SURFACE SPEED WHEEL to the detector. Release the MEASURINGBUTTON when the display reading stabilizes.Note: Because of the difference between the girth of outer surface and inner flute of line speed sensor. For contact line speed or length measurement, the displaying result is correct when outer surface of the sensor contacts with the measured object contact and but when inner flute of the sensor and the measured object, that the reading multiply 0.9 is the real result (eg.: measure wire, cable and rope etc.) Accessories:Carrying case 1pcReflecting tape marks length 600mmOperation manual 1pcDamproof accessories 1pcBolt bag 1pcContact speed measurement fitting 1pcContact rotational speed measurement fitting 3pcs。
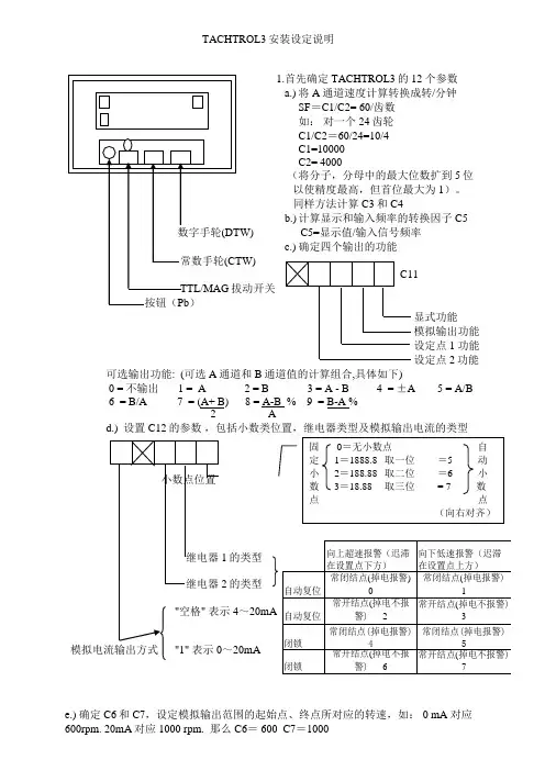
TACHTROL3安装设定说明首先确定TACHTROL3的12 个参数a.) 将A 通道速度计算转换成转/分钟SF=C1/C2= 60/齿数如: 对一个24齿轮C1/C2=60/24=10/4C1=10000C2= 4000(将分子,分母中的最大位数扩到5位 以使精度最高,但首位最大为1)。
同样方法计算C3和C4b.) 计算显示和输入频率的转换因子C5显示值/输入信号频率c.) 确定四个输出的功能显式功能 模拟输出功能 设定点1 功能 设定点2功能 可选输出功能: (可选A 通道和B 通道值的计算组合,具体如下)0 = 不输出 1 = A 2 = B 3 = A - B 4 = ±A 5 = A/B 6 = B/A 7 = (A+ B) 8 = A-B % 9 = B-A %2 Ad.) 设置 C12的参数 ,包括小数类位置,继电器类型及模拟输出电流的类型1的类型 2的类型 4~ ~20mAe.) 确定 C6和C7,设定模拟输出范围的起始点、终点所对应的转速,如: 0 mA 对应 600rpm. 20mA 对应 1000 rpm. 那么 C6= 600 C7=1000f.) 确定两个继电器的报警点转速及迟滞, 即确定 C8,C9,C10参数。
如果报警继电器1的报警值为 2000 rpm, 迟滞为5%。
报警继电器2的报警值为 2100 rpm, 迟滞为10%。
那么, C8 = 2000C9 = 2100C10 为1 0 0 5 设置点2 设置点1 迟滞 迟滞2.按步骤将参数送入表中。
a.) 首先说明书将电源线连到 9,10,11端子上.b.) 接通电源c.) 先送入C1~C4参数, 如果此表只作为单通道表使用,就不需要送C3、C4参数。
I) 先将常数手轮(CTW )拔到1,数字手轮拔到0,按按钮(Pb )直到小数点消失。
II) 将数字手轮(DTW )拔到1,按按钮直到所需要的数字显示出为止,如上例 中为 0。
转速表说明书1、产品型号说明2、外型和安装尺寸图1 图2 图3 图1:显示面板外形尺寸图2:开孔尺寸图3:安装深度尺寸3、接线接线端子:接线端子功能表:4、功能说明1、产品型号说明2、外型和安装尺寸图1 图2 图3 图1:显示面板外形尺寸图2:开孔尺寸图3:安装深度尺寸3、接线接线端子:接线端子功能表:4、功能说明●步骤一:进入参数设定模式按确认键两秒钟后,模块面板显示F 00。
模块进入功能代码选择界面。
●步骤二:选择功能代码使用▲(上升)或▼(下降)键,选择所需的功能代码(详情见4.2节)范围 F 00 ~ F 12。
●步骤三:修改参数选定所需的功能代码后,按确认键,进入参数修改界面。
模块显示所选功能码对应的参数值。
用户可使用▲(上升)或▼(下降)键修改参数。
修改完成后,按确认键,确认修改。
退回功能代码选择界面。
若有其他参数需要修改,可重复步骤二,步骤三。
●步骤四:退出参数设定模式模块内部配有永久存储器保存用户所设定的参数。
即使关闭模块电源,参数也不会丢失。
选择功能码F 00, 按确认键,退出方式选择界面,0:退出参数设定模式,但并不将参数保存至永久存储器;1:退出参数设定模式,同时将参数保存至永久存储器;2:恢复出厂设置后退出参数设定模式,同时将出厂设置保存至永久存储器。
选定退出方式后,按确认键,返回到运行模式。
4.2 功能参数列表表4-1基本运行功能参数表●步骤一:进入参数设定模式按确认键两秒钟后,模块面板显示F 00。
模块进入功能代码选择界面。
●步骤二:选择功能代码使用▲(上升)或▼(下降)键,选择所需的功能代码(详情见4.2节)范围 F 00 ~ F 12。
●步骤三:修改参数选定所需的功能代码后,按确认键,进入参数修改界面。
模块显示所选功能码对应的参数值。
用户可使用▲(上升)或▼(下降)键修改参数。
修改完成后,按确认键,确认修改。
退回功能代码选择界面。
若有其他参数需要修改,可重复步骤二,步骤三。
SAIL-ZKZ-III电厂转速智能控制仪表使用说明书一、概述电厂转速监控装置可以同时输入两路信号测量,显示机组转速/频率、转速百分比/转速最大值等,还具有传感器的断线报警、故障(蠕动)报警以及对应机组转速8个报警点输出等功能。
该测控仪充分利用单片机的特长,实现了精度高、功能强、高可靠、易操作等优点。
其最突出的优点在于只与测量信号的频率有关而与信号电压幅值无关,因而特别适合低残压信号的测量。
它集频率表、转速表、转速继电器、转速测试仪表于一体。
不用担心转速接点出口值因长期运行而变化,提高了可靠性,该测控仪还能保存记忆当前机组转速最大值,这给机组甩负荷实验,事故过速分析带来极大方便。
测控仪采用回差方式消除出口继电器抖动,对于机组刹车引起的波形畸变,则采用闭锁方式防止输出误动作,根据电厂运行需要,可以在现场方便地对8个转速出口值进行一定范围的整定。
该仪表还具有标准电流输出、Modbus-RTU模式RS485通讯接口,可以方便的与计算机接口,可作为水电厂全厂计算机监控系统的组成部分。
二、技术性能测量输入信号:一路标准脉冲信号,测量转速;一路PT信号,测量发电机输出频率测量频率范围:PT为0.3~150Hz/0.2~250V,标准脉冲信号0 ~ 8KHz测量精度:0.1 %士1 字显示内容:机组转速/频率、转速百分比/转速最大值输出信号:八路报警继电器,每点可在0~200%的范围内自由设定;一路发动机组蠕动故障报警;一路断线报警输出触点容量:A1~A8为5A/250V AC、5A/30VDC;故障和断线为3A/250V AC、3A/30VDC 模拟量输出:4 ~ 20mA 、0 ~ 10mA 、0 ~ 20mA通讯输出:Modbus-RTU模式,RS485接口,波特率最大为19200 bit/s最大值记忆:能记忆显示转速大值,可由用户清除工作环境:温度0~50 ℃湿度:< 85 %工作电源:开关电源100~260V AC/DC外形尺寸:160×80×125mm 开孔尺寸:152×76mm功耗:5W三、仪表操作说明报警指示灯AL1~AL8、故障报警指示灯ERR与断线报警指示灯CVT,每个指示灯都有对应的输出继电器。
TACHTROL3安装设定说明首先确定TACHTROL3的12 个参数a.) 将A 通道速度计算转换成转/分钟SF =C1/C2= 60/齿数如: 对一个24齿轮 C1/C2=60/24=10/4 C1=10000 C2= 4000(将分子,分母中的最大位数扩到5位 以使精度最高,但首位最大为1)。
同样方法计算C3和C4b.) 计算显示和输入频率的附加转换因子C5(主要是为了显示输入频率用,一般设为1)显示值/输入信号频率c.) 确定四个输出的功能TTL/MAG 拔动开关 按钮(Pb )显式功能 模拟输出功能 设定点1 功能 设定点2功能 可选输出功能: (可选A 通道和B 通道值的计算组合,具体如下)0 = 不输出 1 = A 2 = B 3 = A - B 4 = ±A 5 = A/B 6 = B/A 7 = (A+ B) 8 = A-B % 9 = B-A % 2 Ad.) 设置 C12的参数 ,包括小数类位置,继电器类型及模拟输出电流的类型1的类型2的类型4~~20mAe.) 确定 C6和C7,设定模拟输出范围的起始点、终点所对应的转速,如: 0 mA 对应 600rpm. 20mA 对应 1000 rpm. 那么 C6= 600 C7=1000f.) 确定两个继电器的报警点转速及迟滞, 即确定 C8,C9,C10参数。
如果报警继电器1的报警值为 2000 rpm, 迟滞为5%。
报警继电器2的报警值为 2100 rpm, 迟滞为10%。
那么, C8 = 2000C9 = 2100 C10 为 1 0 0 5设置点2 设置点1迟滞 迟滞2.按步骤将参数送入表中。
a.) 首先说明书将电源线连到 9,10,11端子上.b.) 接通电源c.) 先送入C1~C4参数, 如果此表只作为单通道表使用,就不需要送C3、C4参数。
I) 先将常数手轮(CTW )拔到1,数字手轮拔到0,按按钮(Pb )直到小数点消失。
hb484n转速表说明书1.引言感谢您选择使用HB484N转速表。
本说明书将为您提供有关该转速表的详细信息和正确使用方法。
请仔细阅读本说明书并按照指导进行操作,这将有助于您更好地利用转速表的功能。
2.产品介绍HB484N转速表是一款先进的电子仪器,主要用于测量物体的转速。
该转速表采用高精度传感器,能够提供准确的转速测量结果,并通过直观的数字显示方式呈现给用户。
3.技术规格3.1测量范围:0-9999RPM(转每分钟)3.2精度:±1RPM3.3分辨率:1RPM3.4显示屏:LCD数码显示屏3.5电源:9V电池3.6工作温度:0-40℃3.7 尺寸:120mm x 80mm x 25mm3.8重量:200g4.产品特点4.1高精度测量:HB484N转速表采用先进的传感器技术,保证了测量结果的高精度。
4.2易于操作:该转速表采用简洁的操作界面,使得使用者可以快速上手,并进行相应的操作。
4.3多功能:HB484N转速表不仅可以测量转速,还具有数据保存,峰值保持和最大/最小值显示等功能,以满足用户不同使用需求。
5.使用方法5.1准备工作:打开转速表后,确保电池电量充足。
连接传感器,并确保传感器与待测物体充分接触。
5.2测量转速:按下转速表上的“测量”按钮开始测量,转速将实时显示在LCD数码显示屏上。
5.3数据保存:按下转速表上的“保存”按钮,当前转速将被记录并显示在转速表上。
再次按下“保存”按钮,记录将被清空。
最多可保存99个数据。
5.4峰值保持功能:按下转速表上的“峰值”按钮,转速表将自动记录并显示最大转速值。
5.5最大/最小值显示:通过按下转速表上的“最大/最小”按钮,转速表将循环显示测量的最大和最小转速值。
按下“保存”按钮以停止显示。
6.注意事项6.1避免严重振动:使用该转速表时,请确保与待测物体的连接稳固,并且避免在严重振动的环境中使用,以免影响测量结果。
6.2防止水淹:HB484N转速表不具备防水功能,请避免将其浸入水中或在湿度较高的环境下使用。
HY-441B 频闪数字转速表1 概述频闪数字转速表(简称频闪仪)能与旋转物体保持同步闪烁,由于人眼的视觉残留效应,使观察旋转物体时能形成一个静止的影像,即“冻结”了物体的运动。
从而达到测量转速和观察旋转设备故障的目的。
因为无需张贴反光条即能方便地测量转速,所以在流程化工业生产中设备不能随意停机的场合,频闪仪是最适合的转速测量工具。
同时由于能在运转的状态下,进行相对静止的表面观察,这在现代设备状态监测维护中显得特别有用,无需停机就能对诸如大型直流电机整流子表面、齿轮啮合面、叶轮表面的缺陷进行观察分析。
2 技术参数1)测量范围:30~12,000 r/min(转/分);2)测量误差:±(0.01%×n+1个字),n —转速;3)分辨率:1r/min;4)外触发信号电平:0~5V(TTL电平);5)显示:5位LCD数字显示;6)电源:可充电式锂电池;7)外形尺寸:205mm×203mm×100mm;8)重量:约550 g(不包括电源适配器);9)正常工作条件:环境温度:0℃~40℃;相对湿度:≤85%;无腐蚀性气体和强电磁场干扰;10)频闪管寿命:5×106次。
3 仪器外型扳机开关充电插座锁定钮支座外触发输入内触发输出4 操作键功能工作模式切换,外触发指示灯点亮时,工作于外触发模式;外触发指示灯熄灭时,工作于内触发模式。
显示值单位选择。
工作频率×2。
工作频率÷2。
内部模式时,工作频率加1,键闭合超过1秒,则快速增加。
外部模式时,相位延迟以15°为步距,步进增加。
内部模式时,工作频率减1,键闭合超过1秒,则快速减小。
外部模式时,相位延迟减15°。
5 基本操作方法1) 使用前的准备:本仪器由内部充电电池供电,在使用前需充电。
仪器附有专用的电源适配器。
在充满电的情况下,仪器可连续工作30分钟以上。
仪器有低压保护功能,使仪器在低压时不工作,且显示“Lob”提示符。
数显转速表摘要:随着现代科学技术的发展,计量技术相应地也得到迅速发展。
在这个领域中,数字仪表越来越现实它的优越性和生命力:精度高、速度快、便于记录、控制和传递,因而数字式仪表得到了广泛的应用。
在转速计量方面,数字转速表更是一种理想的测量仪器。
随着单片机的出现,以单片机为核心的数字转速表更是得到了广泛应用。
本文便是运用AT89C52单片机控制的数字式转速表。
数字式转速表就是对电机转速进行测量,显示自行车转速,并观察自行车运行的基本情况。
本设计主要用AT89C52作为控制核心,由干簧管传感器,液晶显示器等构成。
充分发挥单片机的性能。
本文重点是数字转速表的硬件电路和软件设计。
本设计优点是电路较简单、功能完善、测量速度快、精度可调节、控制系统可靠,性价比较高等特点。
目录1 前言 (1)1.1 设计目的和要求 (1)1.2 设计方法 (1)2总体设计方案 (2)3单元模块设计 (3)3.1 特殊器件的介绍 (3)3.1.1 AT89C52器件 (3)3.1.2 液晶显示器LCD1602 (4)3.1.3 电位器W504 (7)3.1.4 干簧管传感器 (7)4软件设计 (9)4.1说明软件设计原理及设计所用工具 (9)4.2画出软件设计结构图、说明其功能 (9)4.3画出主要软件设计流程图 (11)4.3.1中断子程序的设计 (11)4.4 数据处理子程序的设计 (12)4.4.1速度和里程计算子程序 (12)4.5 显示子程序的设计 (12)5系统调试 (13)5.1 硬件调试 (13)5.2 软件调试 (13)6结论 (14)7总结与体会 (15)8参考文献 (16)附录1: (17)附录2: (18)1 前言1.1 设计目的和要求本设计采用MCS-51系列单片机设计一种体积小、操作简单的便携式自行车的速度里程表,它能自动地显示当前自行车行走的距离及运行的速度。
实现的方法主要是利用AT89C52芯片和干簧管传感器等元器件的配合。
HT-4100转速表操作说明一.转速表简介1.手握非接触数字式转速表的特点是使用方便,性能好,只要将作为旋转标记的反射薄膜贴在轴上,手握转速表对准反射标记,按一下测量按钮,就可高精度地直读转速。
2.测量范围(30 ~50,000r/min )3.测定值储存时间约1分钟4.准确度30 ~12,499 r/min ± 1 r/min12,500 ~24,999 r/min ± 2 r/min25,000 ~50,000 r/min ± 4r/min5.使用环境使用温度0°~40℃6.尺寸123mm(L)x23mm(H)x58mm(D)7.电源4.5V8.重量110g二.转速表组件1.测量按钮当按下按钮时,仪器已经打开,准备测量。
2. 工作闪烁点当红色指示灯闪烁时,表明探头传感器正在接受和反射测量的光源。
3. 测量探头探头是有接受和反射的传感器组成,通过红色LED光源和光纤传感器来显示转速。
4.显示屏能最大显示5位测量数值,当显示“OVER”时表明已经超出转速测量范围,显示”B“表面需要更换电池。
三.操作步骤1.按下测量按钮2.把测量探头对准需要测量的贴有反射薄膜的轴,距离是20~300mm,确认闪烁点是否在闪烁。
3.在显示屏上显示数值,该数值每隔1秒改变一次测量显示值,可自动反复测量,最终测定值可以保持约1分钟连续显示。
4.当测量的转速超过仪器的测量范围50000r/min,会显示“OVER”;当显示屏显示”B”时,表面电池电量不够,需要更换。
四.注意事项1.请勿存放在高温和高湿的地方,避免阳光直射。
2.请轻拿轻放,不要放在剧烈摇晃和震动的地方。
3.长时间不用,请取出电池。
4.请保持测量探头的干净。
智能转速表使用说明书一、概述本系列产品采用表面封装模块化工艺,大大提高了仪表的抗干扰能力,具有显示、控制、变送、通讯、万能信号输入等功能,适用于温度、湿度、压力、液位、瞬时流量、速度等多种物理量检测信号的显示及控制,并能对各种非线性输入信号进行高精度的线性校正。
可广泛用于电力、冶金、化工、石化、造纸印染、酿造、烟草、航天基地等领域。
采用最新无跳线技术,使输入端口具备万能信号输入功能,只需通过改变内部参数,即可实现多种输入信号(各种热电偶、热电阻、远传压力、mV、标准电压/标准电流信号)之间的轻松切换。
线路板经过优化设计及生产工艺不断完善,降低了温度漂移,提高了抗干扰性能确保产品在长期工作中的稳定性的稳定性和可靠性。
采用高亮度LED数码显示和高分辨率光柱显示(比例显示),使测量/控制值的显示更为清晰直观。
输出回路均采用光电隔离, 抗干扰能力强。
可带串行通讯接口,可与各种带串行接口的设备进行双向通讯,组成网络控制系统。
具备多种标准外形尺寸,能适用各种测量控制场合。
整机采用卡入式结构,安装十分简便。
●适用范围YK-2H3系列智能数字显示转速仪表是智能型、高精度的数显转速频率控制测量仪表,与转速频率传感器及变送器配接可构成各种量程和规格的转速频率测控系统。
本仪表带有多段时间控制功能。
●功能特点万能输入功能自动校准和人工校准功能多重保护、隔离设计、抗干扰能力强、可靠性高良好的软件平台,具备二次开发能力,以满足特殊的功能先进的模块化结构,配合功能强大的仪表芯片,功能组合、系统升级非常方便二、主要技术指标:基本误差:0.2%FS,14位A/D转换器(最大18位A/D转换器,订货时注明)。
输入信号:·NPN、PNP、开关量·电流: 0~10mA、4~20mA等(输入阻抗≤250Ω)·电压: 0~5V、1V~5V、mV等(输入阻抗≥1MΩ)采样周期:0.2S(10~200次/秒,用户可选)显示:双排四位LED数码管显示。
数字式高精度转速表使用说明书一、特性:*用微型计算机(CPU)技术、光电技术、半导体激光技术等先进技术,实现接触或非接触测量转速、线速、线长。
*量范围宽、分辨力高。
*大屏幕液晶显示,读数清晰、无视差。
*绿色背光,确保在任何光线环境下都能正常使用。
*动存储测量的最大值、最小值及最后一个显示值,同时存储最多96个连续测量值,便于用户对测量数据的收集和记录。
(当测量数值刷新三次以后,仪表才开始对测量数据的存储)*外接6V直流稳压电源,有利于长时间连续使用。
*电源电压低于规定值时,自动提示。
*触配件和光电配件可随时转换(专利技术专利号023221240)实现一机多用。
*有凹槽的新式线速传感器,可以方便的测量电线、电缆、绳索等线形物体的线速或线长。
*线型外型设计,机身与手掌完美配合,确保使用更加方便、舒适。
*构坚固、精致,整机采用经久耐用的优选电子元器件,外壳选用重量轻而坚硬的ABS塑料制成,造型美观大方,操作简单。
二、通用指标:(一)显示器:5位18mm(黄绿色背光液晶显示屏)测量准确度:±(0.05%+1个字)采样时间:0.8秒(60转/分以上)量程选择:自动切换时基:6MHz石英晶体振荡器有效距离:50mm ~ 500mm(光电式)尺寸:210×74×37mm电源:4×1.5V SIZE电池或外接6V直流稳压电源电源消耗:约65mA(二)记忆功能说明:当释放测量按钮后,显示屏无任何显示,但测量期间的最大值、最小值及最后一个显示值都已自动存储于表中,此时只要按下记忆键,测量值就会重新显示出来,先显示数值,后显示英文符号,交替显示。
其中"UP"代表最大值,"DN"代表最小值,"LA"代表最后一个值(见图1)。
(三)电池的更换:1、当电池电压低于5V时,显示器左边将出现“”符号,说明电压过低,需要更换电池。
汽泵转速表操作及安装1、面板说明1.1功能键:在正常运行状态下,该按键可查看运行至当前的峰值和有关设定参数值,同时相应状态指示灯亮。
1.2切换键:峰值查看状态下,按5次可清除峰值。
1.3复位键:在设置状态下,不论参数设置进行到哪一步,都能保存参数设置值,并返回正常运行状态。
1.4移位键:在设置状态下,每按该键一次,光标左移一位,光标所在位置为设置操作的有效位置。
1.5加一键:在设置状态下,每按该键一次,光标位置的数码管显示值加一个数。
2、面板使用2.1按切换键,仪表可分别显示当前转速和当前周波。
2.2按功能键,可查看峰值和设置参数值。
2.3按复位键,可保存设置参数和清除报警状态。
3、接线4、使用4.1 使用说明1)在设置状态下,30秒内无键按下,自动退出设置,本次参数设置值不保存。
设置结束,按复位键保存并返回测量状态。
2)如果要取消某项报警功能,可将该项报警值设置成“0”。
4.2 参数设置1)报警I值设置:按功能键,上限1指示灯点亮,窗口显示设置值,用移位键和加一键修改。
2)报警II值设置:按功能键,上限2指示灯点亮,窗口显示设置值,用移位键和加一键修改。
3)报警III值设置:按功能键,上限3指示灯点亮,窗口显示设置值,用移位键和加一键修改。
4)齿数设置:按功能键,齿数指示灯点亮,窗口显示设置值,用移位键和加一键修改。
5)速比A设置:按功能键,速比A指示灯点亮,窗口显示设置值,用移位键和加一键修改。
6)速比B设置:按功能键,速比B指示灯点亮,窗口显示设置值,用移位键和加一键修改。
7)4mA设置:按功能键,4mA指示灯点亮,窗口显示设置值,用移位键和加一键修改。
8)20mA设置:按功能键,20mA指示灯点亮,窗口显示设置值,用移位键和加一键修改。
9)正反转设置:将传感器的两路信号分别接入仪表的A、B信号端子处,如发信盘在正常工作状态下反转指示灯不亮,反转报警继电器不动作则表示接线正确;反之将传感器的两路信号对换,电源和地不变。
关于摩托车仪表的使用介绍仪表简介摩托车仪表指的是用于显示车辆运行状态和相关数据的仪器。
一般包括仪表盘、油表、转速表、速度表等。
仪表分为数字式和指针式两种,数字式仪表显示更加准确,指针式仪表则更加直观易懂。
仪表使用1. 仪表开关在使用仪表前,需要首先打开摩托车的电源。
然后,将钥匙插入到开关孔内,并将开关拨至“ON”档位,即可开启仪表。
2. 仪表盘仪表盘是指摩托车上显示车速、转速等信息的显示屏。
当摩托车启动后,仪表盘上会显示当前车速、转速、油量等信息。
需要注意的是,不同品牌、型号的摩托车仪表盘的显示方式可能存在差异,因此在新车上路前建议仔细阅读使用说明书。
3. 转速表转速表是用于显示发动机转速的仪表。
它通常以“RPM”为单位来显示发动机转速,单位是每分钟的转数。
当车辆加速时,转速表的读数也会相应增加。
需要注意的是,车辆在使用中转速不宜超过红线区域,否则会对发动机造成损伤。
4. 速度表速度表是用于显示车辆当前速度的仪表,通常以“km/h”为单位。
在使用摩托车时,需要根据道路限速和行驶情况来适度调整车速。
5. 油表油表是用于显示车辆剩余油量的仪表。
不同车型的油表显示方式也有所不同,一些车型油表显示剩余油量的具体数值,而一些则是以“低油量”等警示信息来表示油量不足。
需要注意的是,行驶时应根据油表提示及时加油,以免燃油耗尽造成行程中断。
6. 故障灯摩托车的仪表内还装备有故障灯,当发动机或其他主要部件出现故障时,故障灯会亮起,这时应及时将车辆停靠在安全位置,并进行排除故障。
小结以上介绍了摩托车仪表的相关内容,摩托车仪表的使用对于车手而言非常重要,只有了解和掌握了摩托车仪表的使用方法和相关知识,才能更加安全地行驶。
AITEK_转速表参数设置说明
AITEK 转速表参数设置说明
安装好软件和驱动后用USB线和表连接
软件上共有9个菜单需要设置的是以下几2、3、4三个窗口
1、MAIN 主画面,此画面无须更改,后面参数设置好后进入此画面可以保存参数设置。
2、Digital Input Setup 输入设置
Meter Mode Tachometer(模式设置,选择转速表)
Direction None
Equation A
Equation Units RMP
Logic Low Level 0.1 volts (如何信号有波动,可适当提高此值0.1-0.2内)
Logic High Level 0.4 volts
在Input A中的Input Type 还要选定Frequency
3、Digital Output Sdtup
Output Relay Output 1 (选择继电器输出模式,此设置的是转速高高报警输出) Source Input A
Output Switching De-Energize Below
其中的报警值设置为3240
回差为3230即可。
4、Analog Output Setup
Source Input A
Range 4---20ma
Min V alue 1.0(最小值根据实际情况调整)
Max V alue 4000(最大值根据实际情况调整)
5、Security
6、V erify 模拟转速输入
可以给定转速输出,验证输出的电流及设顶的报警值。
7、Diagnostics
继电器输出验证。
AI-TEK转速表操作手册
1、按图示接好电源、信号、输入、输出及继电器信号线。
2、在电脑上安装AI-TEK组态程序,并将USB电缆和T77530转速表接好。
打开程序,显示如下窗口:进入主程序显示画面
3、如需要修改端口,则需要通过以下步骤修改,如用USB电缆,则直接跳过此步。
4、进入第二个选项卡Digital Input Setup, 在右侧Input A选项中将Normalization值根据转轴齿数设定:60/齿数。
如是60个齿设字为1; 30个齿则设定为2。
其它都保持默认值不变。
如接B通道,刚设定一样。
5、进入第三个选项卡,Digital Output Setup选项,Output 选Relay output,也就是选继电器输出模式,source选 Input A, Output Switching 选dA,也就是超速、故障安全模式报警联锁。
在右侧的红线框中左侧是回差值,右侧是报警设定值,也可以两者设定一样的值,也就是没有回差值。
根据联锁停车值,输出一个数值,如6700,
自动显示为科学计数法。
6、最后一项是模拟输出设置。
进入Analog output setup选项,range 中选4-20mA, 在source 中输入Input A, 在MIN中输入转速低限10(最小值是10),在MAX中输入转速高限,如8000。
7、全部组态完后,回到主窗口,保存所有设置项。
完成组态。
数字式转速表的应用设置
应用时各种数据的调整和设置都是通过支架上的三个按键来完成的,如左上图所示,支架上左边的倒三角形符号是“DOWN”按键,中间的是“SET”按键,右边的三角形符号是“UP”按键。
通过连续按动“SET”按键,转速表的功能按“时钟---转速---设定警告---设定缸数---发动机累计工作时间”五种状态循环,下面具体说明每一种状态:
1、时钟状态
该状态下弧形LED光柱动态显示转速,四位数码管按24小时制显示时间,7:00--19:00期间显示亮度加倍,以适应白天的环境亮度,其他时间(夜间)则保持柔和的亮度。
按“DOWN”按键调整分钟,按“UP”按键调整小时。
2、转速状态
该状态下弧形LED光柱动态显示转速,四位数码管动态精确显示转速,数码管显示每0.5秒刷新一次。
3、设定警告状态
该状态下四位数码管无显示,弧形LED光柱中有一个单元熄灭,其他的全亮,熄灭的单元表示当前设定的警告转速。
通过按“DOWN”按键向下调整警告转速,按“UP”按键向上调整警告转速,运行中当发动机转速高于设定的警告转速时,警告灯点亮,否则熄灭。
这个功能可以灵活运用,如将警告转速设定于低中速区,用于换档提示,也可设定于高速区,表示超速警告。
是该状态下的效果图,表示当前的警告转速是4600RPM,右下角的红灯为警告灯。
4、设定缸数状态
尽管该功能是为了适应多缸车的应用而开发,但是严格意义上来说,它是输入信号的倍率设定,因此不能简单的理解为几缸车就设定为几,正确理解这个功能是保证转速表正常运行的关键。
数码管显示的是“11”,数字“11”就是我们要说的信号倍率,这个转速表的倍率设置分两段,“0”字头字段包含“01-09”共9种倍率设置,用于汽车信号;“1”字头字段包含“11-18”共8种倍率设置,用于摩托车信号。
“0”字头字段:用于汽车,“01”表示发动机每转一圈送一个信号的情况,当然没有单缸的汽车,那么“01”有什麽意义呢?因为汽车版转速表的标准配
置中,有一个信号前置处理盒,可以通过前置盒从一个点火线圈初级取得点火信号,由于发动机每转一圈单个点火线圈产生一次点火,因此点火信号可以用作转速信号,而且不管是几缸车,从这里取信号都采用“01”的倍率设置。
同理,“02”表示发动机每转一圈送两个信号的情况。
如果是四缸车,从分电器处取信号的话,那么发动机每转一圈就会产生四个信号,这种情况下就应该设定于“04”了。
需要说明的是,“09”是保留用于柴油机的用途,不适合上面的规律。
“1”字头字段:用于摩托车,“11”表示发动机每转一圈送一个信号的情况,绝大部分的单缸摩托车应该设定成这样,信号则取自飞轮的触发信号;双缸双点火器的车也这样,信号则取自任意一个点火器上的触发信号。
V形多缸的大排量车触发飞轮各不相同,通常发动机每转一圈会产生4-6个信号,那么将倍率设定在“14-16”就可以了,如果你不知道究竟应该设定为几,那么也没关系,几种都试试,总会有一种是对的。
通过按“DOWN”按键向下调整倍率,按“UP”按键向上调整倍率。
特殊功能:同时按下“DOWN”键和“UP”,转速表进入演示状态,演示状态下数码管显示时间,而弧形LED光柱可模拟出装在车上从启动到加速,随汽车转速动态跳动的效果,这个用途可用于商业演示,吸引眼球。
同时按下“DOWN”键和“UP”退出演示回到时钟状态。
5、发动机累计工作时间
该状态下弧形LED光柱动态显示转速,四位数码管显示发动机累计工作时间(小时),同时按下“DOWN”键和“UP”可以清零发动机累计工作时间。
发动机累计工作时间可以作为发动机换机油和做保养的依据。
艾驰商城是国内最专业的MRO工业品网购平台,正品现货、优势价格、迅捷配送,是一站式采购的工业品商城!具有10年工业用品电子商务领域研究,以强大的信息通道建设的优势,以及依托线下贸易交易市场在工业用品行业上游供应链的整合能力,为广大的用户提供了传感器、图尔克传感器、变频器、断路器、继电器、PLC、工控机、仪器仪表、气缸、五金工具、伺服电机、劳保用品等一系列自动化的工控产品。
如需进一步了解相关仪器仪表产品的选型,报价,采购,参数,图片,批发等信息,请关注艾驰商城。
/。