土方工程监理实施细则(样板)
- 格式:doc
- 大小:169.00 KB
- 文档页数:19
土建监理细则(自用范本)XXXXXXXXXXX 有限公司 10000 吨/年工程监理实施细则(土建工程)项目监理部(章):专业监理工程师:总监理工程师:日期:江苏省建设厅监制目录一.工程概况二.编制依据三.监理工作流程四.监理工作控制目标及控制要点五.监理工作方法及措施 XXXXXXXXX 有限公司 10000 吨/年 xxxxxxxxx 工程监理实施细则(土建工程)一. 工程概况 1. 土建工程包括: 三层框架工业厂房,各类设备(机泵、反应器、储槽、储罐等)基础等。
2. 建筑布局为:柱网为 6. 0*6. 0,三跨七个开间,层高 6. 0m,局部四层,总高度21. 5 米,建筑东西长 42m,南北宽 18m,建筑面积 2067. 5m2 ,占地面积 1080 m2,建筑工程等级为二级,耐火等级为一级。
3. 厂房的基础为独立柱基,桩基承载,基础埋深为 1. 5m,主体结构为先浇框架结构,楼面梁与框架梁采用密肋形式联系,楼面采用单向板承载,楼梯间围护结构墙体采用 M15 烧结普通砖,采用 Mu7. 5 水泥砂浆砌筑,建筑物四周栏杆围护,结构抗震烈度为1/ 147 度,抗震等级为二级。
二. 编制依据《建筑工程施工质量验收统一标准》(GB50300-2001)《建筑地基施工基础工程施工质量验收规范》(GB50202-2002)《砌筑工程施工质量验收规范》(GB50203-2002)《混凝土结构工程施工质量验收规范》(GB50204-2002)《钢结构工程施工质量验收规范》(GB50205-2001)《屋面工程质量验收规范》(GB50207-2002)《地下防水工程质量验收规范》(GB50208-2002)《建筑地面工程施工质量验收规范》(GB50209-2002)《建筑装饰装修工程施工质量验收规范》(GB50210-2001)。
三. 监理工作流程见附图一:监理工作流程。
四. 监理工作控制目标及控制要点(一)监理工作控制目标:土建工程分部/分项合格率 100% (二)监理工作控制要点:4. 1 土石方工程 (1) 基坑开挖应严格按照设计要求和施工方案进行,不得超挖,机械挖土时坑底留 200-300mm 厚余土进行人工修土。
B13工程监理实施细则(土方工程施工质量监理细则)内容提要:专业工程特点监理工作流程监理工作控制目标及控制要点监理工作方法及措施项目监理机构(章):专业监理工程师:总监理工程师:日期:年月日江苏省建设厅监制目录 (2)1专业工程特点………………………………..….... (2)2监理工作依据………………………………..….... (2)3监理工作控制流程…………………………..….... (5)4土方开挖监理工作重点及目标值…………..….... (7)5土方回填监理工作重点及目标值…………..….... (9)6土方工程施工质量监理要点………………..….... (12)7土方工程基坑(基槽)质量通病…………..….... (13)8监理的工作方法及措施……………………..….... (14)9监理工作目标………………………………..…....1、专业工程特点:(1)基础设计根据xxx股份有限公司所做《xxx岩土工程勘察报告》。
本工程场地类别为三类,不液化,岩土工程勘察等级为甲级。
(2)基槽(坑)超深部位处理:≤500mm时,将基础垫层加厚;>500mm时采用级配碎石分层夯实,每层厚≤250mm,夯实系数≥0.97,垫层底面每边超出基础底边≥0.4H,垫层顶面每边超出基础底边≥300mm放坡按基坑开挖期间保持边坡稳定。
(3)基础验收后应及时回填,回填土应在基础墙两侧同时回填,分层夯实(每层厚≤250mm),压实系数≥0.94。
2、监理工作依据:2.1设计文件、设计交底、变更、监理规划。
2.2建筑地基基础工程施工质量验收规范GB50202-2002。
2.3经审核批准的承包单位提供的施工组织设计、技术方案及工艺工法。
3、监理工作控制流程:3.1认真熟悉图纸,掌握施工工艺标准,验收规范。
3.2审核施工单位提供的施工组织设计及技术方案,对其内容不周密之处,提出修改意见,至审批完成。
3.3对施工工程中的关键部位有控制措施,做到事先控制,以预防为主。
土方工程施工监理实施细则第一章总则第一条为了规范土方工程施工监理工作,提高工程质量,保障工程安全,根据相关法律法规,制定本实施细则。
第二条本实施细则适用于各类土方工程施工监理,包括土方开挖、填筑、边坡工程等。
第三条土方工程施工监理应当遵守法律法规,尊重合同精神,保护施工单位的合法权益。
第四条土方工程施工监理应当具备监理资质,并按照规定进行注册备案。
第五条土方工程施工监理应当具备相应的技术力量和设施,能够满足监理任务的需求。
第六条土方工程施工监理应当为施工单位提供技术支持和咨询服务,促进施工单位的技术进步和质量提升。
第七条土方工程施工监理应当及时向施工单位报告工程进展情况、存在的问题及解决方案,参与沟通和协调工作。
第八条土方工程施工监理应当依法履行监理责任,认真审查施工图纸及技术方案,监督施工现场的施工质量和安全。
第二章施工前准备第九条土方工程施工前,施工单位应当提供施工图纸、技术方案等文件给监理单位进行审查。
第十条土方工程施工监理应当对施工图纸、技术方案等文件进行仔细审查,对存在的问题及时提出意见和建议。
第十一条土方工程施工监理应当对施工单位的施工人员进行资质审查,确保施工人员具备相应的技术和安全培训。
第十二条土方工程施工监理应当与施工单位共同制定工程施工计划和安全生产计划,并进行备案。
第十三条土方工程施工监理应当参与施工单位的施工组织设计,对施工方案进行审核,确保施工的合理性和安全性。
第三章施工过程监理第十四条土方工程施工监理应当对施工单位的施工现场进行巡查,及时发现和纠正施工中存在的问题。
第十五条土方工程施工监理应当认真审核施工单位的材料进场,确保质量合格,并做好记录。
第十六条土方工程施工监理应当审核施工单位的施工设备和机械,保证施工的顺利进行。
第十七条土方工程施工监理应当监督施工单位的土方开挖、填筑等工艺操作,确保施工的质量和安全。
第十八条土方工程施工监理应当监督施工单位的安全防护措施的落实情况,及时纠正存在的安全隐患。
xxxxxxxxxxxxxx工程中山火炬建设监理有限公司xxxxxxxxxxxxxx工程项目名称:建设单位:监理单位:中山火炬建设监理有限公司编制人: (项目专业监理工程师) 审批人: (项目总监理工程师) 编制日期: 年月日目录第一节土方回填准备 (1)一、人工挖土 (1)㈠施工准备 (1)㈡操作工艺 (1)㈢质量技术标准 (1)㈣成品防护措施 (2)㈤应注意的质量问题 (2)二、机械挖土 (2)㈠施工准备 (2)㈡操作工艺 (2)㈢质量技术标准 (3)㈣成品防护措施 (3)㈤应注意的质量问题 (3)第二节土方工程质量监理 (4)一、土方工程质量控制 (4)㈠柱基、基坑和管沟的开挖 (4)㈡填方和柱基、基坑、基槽、管沟的回填 (7)二、特殊土方工程质量控制 (10)㈠爆孔爆破 (10)㈡药壶爆破法(又称葫芦炮) (12)㈢洞室爆破 (13)第三节土方工程质量通病防治 (14)一、平整场地 (14)㈠场地积水 (14)㈡填方边坡塌方 (14)㈢填方出现橡皮土 (16)㈣回填土密实度达不到要求 (17)㈤特殊场地平整 (19)二、基坑(槽)开挖平整场地 (21)㈠挖方边坡塌方 (21)㈡基坑(槽)泡水边坡塌方 (28)㈢滑坡边坡塌方 (29)㈣边坡超挖边坡塌方 (33)三、土方回填 (34)㈠基坑(槽)回填土沉陷 (34)34㈢基槽室外回填土渗漏水引起地基下沉 (35)㈣房心回填土沉陷 (36)㈤台阶、花台填土沉陷及受冻膨胀 (36)四、特殊土治理 (37)㈠湿陷性黄土 (37)㈡膨胀土 (37)㈢冻胀性土 (39)- 0 - 中山火炬建设监理有限公司土方回填工程第一节土方回填准备一、人工挖土㈠施工准备⒈编制施工方案、打钎平面图;⒉根据方案要求将施工区域内的地上、地下障碍物清除和处理完毕;⒊地面要平整、做好排水坡度、挖临时排水沟;⒋测设标准轴线桩、定位控制桩及撤出开挖白灰线;⒌危险地段应有明显标志;⒍地下水位高的地基基础开挖应预先降水,一般降至槽底标高下500mm。
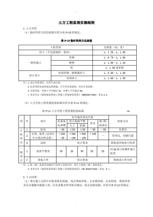
土方工程监理实施细则1.土方开挖(1)临时性挖方的边坡值应符合表3-10的规定。
表3-10临时性挖方边坡值注:1.设计有要求时,应符合设计准。
2.如采用降水或其他加固措施,可不受本表限制,但应计算复核。
3.开挖深度,对软土不应超过4m,对硬土不应超过8m。
4.本表引自《建筑地基基础工程施工质量验收规范》(GB50202-2002)表6.2.3。
(2)土方开挖工程质量检验标准应符合表3-11的规定。
表3-11土方开挖工程质量检验标准㎜注:1.地(路)面基层的偏差只适用于直接在挖、填方上做地(路)面的基层。
2.本表引自《建筑地基基础工程施工质量验收规范》(GB 50202-2002)表6.3.4。
2.土方回填(1)填方施工过程中应检查排水措施,每层填筑厚度,含水量控制、压实程度。
填筑厚度及压实遍数应根据土质,压实系数及所用机具确定。
如无试验依据,应符合表3-12的规定。
表3-12填土施工时的分层厚度及压实遍数注:本表引自《建筑地基基础工程施工质量验收规范》(GB 50202-2002)表6. 3.3。
(2)填方施工结束后,应检查标高、边坡坡度、压实程度等,检验标准应符合表3-13的规定。
表3-13填土工程质量检验标准㎜注:本表引自《建筑地基基础工程施工质量验收规范》(GB 50202-2002)表6. 3.4。
3、土方工程质量预控内容(1)组织现场勘查,掌握熟悉图纸。
1)了解现场地形、地貌、水文、地质、地下埋设物、地上障碍物和临近建筑。
2)了解水、电供应、市政排水管网和运输道路情况。
3)核算土石方工程量。
(2)审定施工方案及土石方调配计划的合理性。
1)土石方作业方式:本工程为筏式基础,根据土质情况,宜采用机械开挖。
(根据现场实际情况改动〉2)场地排水:施工区域应做临时排水系统。
临时排水系统应与原排水系统相适应,应尽量与永久性排水设施相配合,但应注意在使用中不得因淤泥沉积等降低永久性排水设施效率。
排水系统,如设计无要求时,场地应向排水沟方向作成不小于2‰的坡度,临时排水沟的纵向坡度一般不小于3‰(平坦地区不应小于1‰)。
土方开挖工程安全监理实施细则土方开挖工程安全监理实施细则(范本)工程监理单位应公平、独立、诚信、科学地开展建设工程监理与相关服务活动,下面的土方开挖工程安全监理实施细则,欢迎大家参考!一、安全监理规定:1.1 施工组织设计中应制定相应的安全技术措施,并在施工中遵照执行。
深度超过5m(含5 m)的基坑、槽的土方开挖,应有专项施工方案,必要时应有论证。
1.2 挖、运、填土机械进退场前,应察看行驶道路上的架空线路、桥梁、涵洞、便桥、地下管线等构筑物,确认安全。
必要时应对道路上的设施、地下构筑物等进行验算,确认安全。
当危及其安全时,应采取相应的安全技术措施,并经验收合格形成文件后,方可通行。
轮式机械在城市道路和公路上行驶应符合有关安全规定。
1.3 在城区、居民区、乡镇、村庄、机关、学校、企业、事业单位和社会道路、公路及其附近等人员活动和出行的地方施工时,沟槽、基坑外侧必须设围挡和安全标志,夜间和阴暗处尚须加设警示灯。
1.4 测量钉桩、坑探时,不得影响地下管线等构筑物的安全运行。
1.5 施工现场的坑、井必须加盖或设围挡、护栏,并由专人检查确认安全。
设围挡、护栏时应设安全标志,夜间和阴暗时必须加设警示灯。
1.6 沟槽、基坑穿越道路时,开工前应制定交通疏导方案,并经交通管理部门批准后,方可实施。
施工中应在社会道路与施工区域之间设围挡和安全标志,并设专人疏导交通。
需设临时交通便线、便桥时,应设专人经常维护,保持完好。
1.7 施工中,沟槽、基坑应设安全梯或人行土坡道。
严禁攀登撑木、土壁上下。
安全梯、人行土坡道应符合有关安全规定,其间距不宜大于50m。
1.8 施工中需设置行车土坡道时,应遵守下列规定:(1)坡道宽应大于运输车辆宽度加1.0m;纵坡不宜陡于l:6。
(2)坡道两侧边坡应采取稳固措施。
(3)施工中应采取防扬尘措施。
1.9 使用平板拖车运输大型施工机械应遵守下列规定:(1)运输前应根据机械质量、结构形式、运输环境等选择平板拖车,并制订运输方案,采取相应的安全技术措施。
土方工程施工监理实施细则范本第一章总则1.1 目的和依据本实施细则旨在规范土方工程施工监理的各项工作,确保土方工程施工质量和安全,保证工程按照合同要求进行施工。
本实施细则依据相关法律法规和相应标准,制定具体施工监理的规范要求。
1.2 适用范围本实施细则适用于土方工程施工监理的全部过程,包括前期准备工作、施工过程管理和施工完成验收等。
1.3 术语和定义1.3.1 土方工程指涉及土壤或岩石开挖、填方、回填和边坡处理等的工程。
1.3.2 施工监理指由施工监理机构承担的,对土方工程施工全过程进行管理和监督,确保工程施工按照设计要求、合同条款以及相应标准进行的工作。
第二章前期准备工作2.1 规划设计文件的审查2.1.1 施工监理机构应对土方工程的规划设计文件进行全面审查,包括设计细节、施工方法和施工材料的合理性、施工工期安排等。
2.1.2 审查要求包括但不限于:设计文件的合法性和完整性、技术性能的要求、施工方法的可行性、施工工序的合理性等。
2.2 施工组织设计的审查2.2.1 施工监理机构应对施工组织设计进行审查,确保施工组织设计符合相关法律法规和规范要求。
2.2.2 审查内容包括但不限于:施工组织设计的合理性、施工方法的安全性、施工工期的合理性等。
2.3 施工方人员的资质审查2.3.1 施工监理机构应对施工方人员的资质进行审查,包括施工人员的证书、资格和工作经验等。
2.3.2 审查要求包括但不限于:施工人员的相关证书是否合格、施工人员是否具有相关经验等。
第三章施工过程管理3.1 工程开工前检查3.1.1 施工监理机构应在工程开工前进行检查,确保土方工程的施工条件是否满足,包括施工人员到位、施工场地准备等。
3.1.2 检查内容包括但不限于:施工现场的环境整治、施工设备的完好性、施工材料的配备等。
3.2 施工现场的巡视3.2.1 施工监理机构应进行施工现场的巡视,及时发现和解决施工过程中的问题。
3.2.2 巡视要求包括但不限于:施工现场的安全检查、施工质量的监督、施工进度的把控等。
土石方开挖工程监理实施细则一、前期准备(一)项目组织与人员安排1.项目经理负责土石方开挖工程监理的整体组织与协调工作。
2.监理工程师担负土石方开挖工程的实际监理工作,确保施工按照施工规范和合同要求进行。
3.工地安全员负责土石方开挖工程的安全管理与协调,确保施工安全进行。
4.施工单位配备土石方开挖工程的专业技术人员,保证施工工艺和施工质量。
(二)工程准备与交底1.施工单位在开挖前应做好土地平整处理工作,清理工地内的垃圾和杂草。
2.工程技术交底应详细说明施工方法、过程、要求和注意事项,并进行记录。
二、施工过程(一)岩土勘察与分析1.施工开始前,施工单位应委托专业勘察单位进行岩土勘察,并编制相应的勘察报告。
2.监理工程师应对勘察报告进行审核,并根据勘察结果提出相应的技术要求和建议。
(二)土石方开挖1.施工单位应按照设计要求和施工图纸进行土石方开挖,并确保开挖线清晰、开挖面整齐。
2.监理工程师应对开挖过程进行实地督导和检查,并记录开挖的进度、质量和安全情况。
(三)土方处理与利用1.挖出的土方应进行临时堆放或运输至指定场地进行处理。
2.监理工程师应对土方处理和利用过程进行监督与检查,确保符合环境保护要求。
三、施工质量控制(一)施工质量检查1.监理工程师应按照施工图纸和规范要求,对土方开挖的质量进行全面检查。
2.对于发现的质量问题,监理工程师应及时进行整改和记录,并与施工单位沟通解决。
(二)安全措施与管理1.施工单位应制定相应的安全方案和安全措施,确保开挖过程中的施工安全。
2.监理工程师应对施工现场的安全措施进行检查和监督,并及时纠正和记录存在的安全隐患。
(三)施工质量验收1.施工完成后,监理工程师应组织对土石方开挖工程的质量进行验收。
2.验收要求包括开挖线、开挖面、土方处理与利用等方面的符合度。
四、工程文件与资料归档(一)工程文件管理1.监理工程师应建立土石方开挖工程的施工档案,包括设计文件、施工图纸、验收记录等。
土方工程施工监理实施细则模版第一章总则第一条目的和依据为了规范土方工程施工监理活动,保证土方工程施工质量,确保施工安全,提高工程效益,根据《中华人民共和国土木工程施工质量管理条例》等相关法律法规,制定本细则。
第二条适用范围本细则适用于土方工程施工监理活动。
第三条定义1. 土方工程:指土方勘察、地基处理、土方开挖和填筑等工程。
2. 监理:指依法对土方工程施工过程进行监督、检验、测试、鉴定和评定等活动,提出监理意见及建议,保证施工质量和安全的行为。
3. 施工单位:指承担土方工程施工任务的企事业单位、个体工商户或其他组织。
4. 监理单位:指具有相应资质的从事土方工程监理的企事业单位或其他组织。
5. 监理工程师:指经过培训,取得监理工程师资格证书,并负责土方工程施工监理的工程技术人员。
6. 监理报告:指监理单位根据监理工作实际情况,对施工单位和工程质量进行评价和总结,提出问题和改进意见,报送给建设单位的文件。
7. 验收:指经过监理单位的检查和测试,确认土方工程施工质量符合规定标准,可以交付使用的行为。
8. 鉴定:指监理单位对土方工程存在的争议或纠纷进行调查、评价并做出意见的行为。
第四条施工监理责任1. 监理单位应按照法律法规及合同约定,履行监理责任,确保土方工程施工过程符合法律法规和相关技术标准。
2. 监理单位应对施工单位的施工流程、工序、材料、设备等进行监督和检查,及时发现并纠正施工中的问题。
3. 监理单位应对施工单位的施工方案进行审查,提出修改意见或不合格意见。
4. 监理单位应制定每日、周、月的施工检查计划,并按计划进行检查。
5. 监理单位应及时向建设单位报告施工的进度、质量和安全情况,提出必要的建议和措施。
6. 监理单位应按照约定的验收标准对土方工程进行验收,并出具验收报告。
7. 监理单位应按照法律法规和合同约定,对土方工程安全问题进行监督和检查,及时提出整改要求。
第二章施工前准备第五条勘察与设计审查1. 监理单位应对施工前的土地勘察报告进行审查,确认是否满足施工要求。
土建监理细则范本第一章总则第一条为确保工程质量,保障工程的安全、经济、进度和美观,按照有关法律法规和技术标准,制定本监理细则。
第二条本细则适用于土建项目的监理工作。
第三条监理人员应熟悉相关法律法规和技术标准,具备相关专业知识与经验,并履行法律法规和道德规范。
第四条本细则规定了监理人员的职责、权利和义务,以及监理过程中的具体工作要求。
第五条本细则由监理单位制定,并向建设单位和施工单位提供,相关单位应遵守并执行。
第二章监理职责第六条监理人员应对施工图纸、技术规范等进行审查,及时发现和纠正不符合技术要求、存在安全隐患及质量问题的地方。
第七条监理人员应跟踪施工进度,对工期进行监督检查,及时发现并解决施工进度问题。
第八条监理人员应对施工过程中的质量问题提出处理意见,并及时提醒建设单位和施工单位采取相应措施。
第九条监理人员应参与工程的竣工验收和移交工作,对工程进行综合检查和评定。
第十条监理人员应及时向建设单位汇报工程的进展情况、质量问题及解决意见,对建设单位提出监督建议。
第三章监理权利第十一条监理人员有权利要求建设单位和施工单位提供与工程有关的法律法规、技术标准等资料。
第十二条监理人员有权利参与工程设计和施工方案的讨论、评审,提出改进建议。
第十三条监理人员有权利对施工单位的工艺、工法、施工设备等进行监督检查,对违反规定的行为提出纠正意见。
第十四条监理人员有权利要求建设单位和施工单位提供施工进度表、质量验收记录等相关资料,进行备案。
第十五条监理人员有权利拒绝建设单位和施工单位违法违规行为,并提出报告,向有关部门举报。
第四章监理义务第十六条监理人员应保密工程的专业技术资料和商业机密,不得泄露给任何单位和个人。
第十七条监理人员应按照法律法规和技术标准,严格执行监理工作程序,不得随意更改或超越职权。
第十八条监理人员应在规定时间内完成监理工作,不得拖延工期,确保工程按时完成。
第十九条监理人员应保持专业知识和技术的更新,参加相关培训和学习,提高自身素质。
土方开挖工程安全监理实施细则模版1.工程概况(略:由各监理项目部根据施工单位专项方案编写)2.编制本安全监理实施细则说明1) 根据国家和市有关安全生产规定,结合土方开挖施工特点以及通过专项施工方案的分析、评估,在土方开挖中存在一定危险源,为使安全监理顺利进展,确保安全生产,特编制本专项安全监理实施细则。
2) 本专项安全监理实施细则适用于安全监理人员在土方开挖工程安全监理。
3.土方开挖工程安全监理编制依据1) 《建设工程安全生产管理条例》(____第____号)2) 《建筑工程安全检查标准》(JGJ59-99)3) 《____防止施工坍塌事故的紧急通知》(建建[____]____号)4) 《施工现场安全生产保证体系》(DGJ08-903-____)4. 土方开挖工程安全监理实施细则1) 监理审核要点土方开挖工程专项施工方案应有安全技术措施。
土方开挖工程专项施工方案必须由施工企业技术负责人、监理单位总监签字有效。
涉及规定的土方开挖工程应进行专家组认证审查报告,施工单位应根据论证审查报告进行完善,施工企业技术负责人、总监签字方可实施。
土方开挖设备进入施工现场前的各项检测、检验合格,相关报告不符合要求一律不允许操作。
土方开挖设备单位的资质和安全生产许可证和特种作业人员的有效证件。
边坡支撑要有计算书。
2) 监理控制要点土方开挖准备阶段A. 勘察现场,清除地面及地上障碍物。
B. 摸清工程实地情况,开挖土层的地质、水文情况、交通道路、邻近建筑、地下埋设物等,以便有针对性地采取安全措施。
C. 做好施工场地排水工作(汛期还要做好防洪防风工作)全面规划好场地平整各部分的标高,保证施工现场排水畅通,不积水,周围设置必要的截水沟、排水沟。
D. 备好施工用电、用水、道路及其他设施。
E. 需要做挡土桩的深基坑要先做挡土桩。
F. 严格做好土方开挖的各项监测工作,及时做好资料。
土方开挖实施阶段A. 根据土方工程开挖深度和工程量的大小,选择机械和人工挖土或机械挖土方案。
土方工程监理实施细则1、施工过程中,承建单位应按经批准的施工措施计划和施工技术规范按章作业、文明施工,加强质量和技术管理,做好原始资料的记录、整理和工程总结工作。
当发现作业效果不符合设计或施工技术规程、规范要求时,应及时修订施工措施计划,报送监理人批准后执行。
2、施工过程中,承建单位应随施工作业进展做好施工测量工作,施工测量工作应包括下述内容:(1)根据设计图纸和施工控制网点进行测量放线,在施工过程中,及时测放、检查开挖断面及控制开挖面高程。
(2)测绘或搜集开挖前后的地形、断面资料,如原始地面、开挖施工场地布置、土石方分界、竣工建基面等纵、横断面图与地形图。
(3)月报量收方测量。
(4)提供工程各阶段和完工后的土石方测量资料。
(5)按合同文件规定或监理人要求进行的其他测量工作。
3、为确保放样质量,避免造成重大失误和不应有的损失,必要时,监理人可要求承建单位在测量监理人直接监督下进行对照检查与校测。
但监理人所进行的任何对照检查和校测,并不意味着可以减轻承建单位对保证放样质量所应负的合同责任。
4、承建单位应坚持安全生产、质量第一的方针,健全质量控制体系,加强质量管理。
施工过程中,坚持三检制度,确保工程质量。
对出现的质量或安全事故,要本着“三不放过”的原则认真处理。
5、开挖应自上而下进行,某些部位如必须采用上、下层同时开挖方法作业,或按合同必须利用的开挖料,应采取有效的安全和技术措施,并于事先报经监理人批准。
6、施工过程中发现工程地质、水文地质条件变化或其他实际条件与设计条件不符时,承建单位应及时将有关资料报送监理人,由监理人核转设计单位,供变更或修改设计参考。
7、当发生边坡滑塌,或观测资料表明边坡处于危险状态时,承建单位应:(1)及时向监理人报告并采取相应防范措施,防止事故或事态范围的扩大和延伸。
(2)记录事故或事态的发生、发展过程和处理经过,并及时报送监理人。
(3)会同设计、地质、监理人查明原因,及时提出处理措施报监理人批准后执行。
土方开挖安全监理实施细则范文第一章总则第一条为规范土方开挖工程的安全监督管理,确保土方开挖工程的施工安全,维护工程质量和工程进度,根据《中华人民共和国安全生产法》、《中华人民共和国建设工程质量管理条例》等相关法律法规,制定本实施细则。
第二条本细则适用于土方开挖工程的安全监督管理,包括但不限于基坑开挖、路堤挖填、水坝开挖等各类土方开挖工程。
第三条本细则的编制目的是规范土方开挖工程的安全监理实施,确保土方开挖工程的施工安全;具体要求以本细则为依据,结合工程实际情况,制定相应的安全措施和监督检查方案。
第四条建立土方开挖工程的安全监理责任制,明确监理单位的监督职责和施工单位的安全责任,确保土方开挖工程的施工安全。
第二章安全监理主体责任第五条土方开挖工程项目的监理单位应具备相应的监理资质和技术能力,承担土方开挖工程项目的安全监理职责。
第六条监理单位应对土方开挖工程项目的施工方案进行审查,并出具专业意见。
对于存在安全风险和隐患的施工方案,应要求施工单位进行改进,确保施工方案的合理性和可行性。
第七条监理单位应对施工单位的安全管理制度进行监督检查,确保其有效实施。
对于存在不合理或不完善的安全管理制度,应要求施工单位进行修订和改进。
第八条监理单位应对土方开挖工程的施工现场进行巡查和检查,发现安全隐患和问题时,及时提出整改意见,并监督施工单位完成整改。
第三章施工单位的安全责任第九条施工单位应具备相应的施工资质和技术能力,承担土方开挖工程项目的施工责任。
第十条施工单位应编制施工组织设计和安全施工方案,并经监理单位审查同意后实施。
施工组织设计和安全施工方案须符合相关法律法规和技术标准的要求。
第十一条施工单位应建立健全安全管理制度,明确安全生产责任制和安全管理职责,并落实到具体的人员和岗位。
第十二条施工单位应组织安全教育培训,并定期进行安全演练和应急预案演练,提高员工的安全意识和应急处理能力。
第十三条施工单位应采取必要的安全防护措施,如设置警示标志、施工围挡、安全网等,确保施工现场的安全。
土方开挖回填工程监理实施细则范本一(正式风格):1.前言1.1 目的1.2 范围1.3 参考文件2.土方开挖回填工程监理责任2.1 监理单位职责2.2 监理人员资质要求2.3 监理划分3.工程准备阶段监理3.1 工程准备前的监理工作3.2 施工图设计文件的审查3.3 施工准备报告的审查3.4 施工方案的审查4.施工过程监理4.1 施工质量监理4.2 施工安全监理4.3 施工进度监理4.4 施工材料质量监理5.土方开挖回填工程质量检测及验收管理5.1 监理单位的质量检测职责5.2 质量检测方法和标准5.3 验收标准及程序6.施工过程中的问题处理6.1 施工中存在的问题6.2 问题的处理流程6.3 问题处理记录与报告7.工程竣工阶段监理7.1 工程竣工验收的监理工作7.2 工程竣工报告的审查7.3 工程竣工验收报告的编制8.文档管理8.1 监理文件的编制和管理8.2 监理记录的保存和归档9.附件9.1 工程准备阶段监理的相关文件9.2 施工过程中的监理记录表格9.3 工程竣工阶段监理的相关文件附录:法律名词及注释1. 法律名词:土方开挖回填工程注释:指在土地施工过程中进行的开挖和回填的工作。
2. 法律名词:监理单位注释:指依法设立并具有相应资质的专业监理机构。
3. 法律名词:施工图设计文件注释:指土方开挖回填工程的设计图纸和相关技术文件。
4. 法律名词:施工准备报告注释:指施工单位在施工前编制的关于施工准备工作的报告。
5. 法律名词:施工方案注释:指土方开挖回填工程施工过程中所确定的具体施工方法和步骤。
范本二(简洁风格):1.引言1.1 目的1.2 范围1.3 参考文件2.监理单位职责2.1 施工前工作2.2 施工过程监理2.3 施工质量检测及验收管理2.4 施工问题处理2.5 工程竣工阶段监理3.文档管理3.1 监理文件编制和管理3.2 监理记录保存和归档4.附件附录:法律名词及注释1. 土方开挖回填工程注释:施工过程中进行土地开挖和回填的工程。
一、工程概况1. 工程名称:XX项目土方工程2. 工程地点:XX市XX区XX街道3. 工程规模:本项目占地面积XX平方米,总建筑面积XX平方米,地下建筑面积XX平方米。
4. 工程内容:主要包括土方开挖、土方回填、边坡支护、排水系统等。
5. 工程工期:预计工期为XX个月。
二、监理依据1. 国家、省、市有关法律法规、条例和规章。
2. 国家及有关部门颁布的工程施工技术标准、规程、规范和工程质量检验评定标准。
3. 经审查的施工图纸、资料及说明。
4. 工程施工承包合同及有关文件、附件。
5. 经批准的施工组织设计。
6. 监理合同及有关文件、附件。
三、监理目标1. 确保工程质量和安全,满足设计要求和规范标准。
2. 严格控制工程造价,合理使用人力、物力、财力。
3. 确保工程进度,按时完成施工任务。
4. 做好信息收集、整理、分析和反馈,为业主提供决策依据。
四、监理范围及内容1. 监理范围:对土方工程的施工全过程进行监理,包括施工准备、施工过程、竣工验收等。
2. 监理内容:(1)施工准备阶段:1)审查施工单位的资质、业绩、人员配备等情况。
2)审查施工单位的施工组织设计、施工方案、施工进度计划等。
3)审查施工单位的施工图纸、施工技术标准、施工质量标准等。
4)审查施工单位的施工机械设备、施工材料、施工工艺等。
(2)施工过程阶段:1)监督施工单位按施工组织设计、施工方案、施工进度计划进行施工。
2)检查施工单位的施工质量、安全措施、文明施工等情况。
3)监督施工单位对施工过程中的质量问题进行处理。
4)检查施工单位的施工进度,确保工程按期完成。
(3)竣工验收阶段:1)审查施工单位提交的竣工验收资料。
2)组织工程竣工验收,确保工程符合设计要求和规范标准。
3)对工程遗留问题提出整改意见,确保工程顺利投入使用。
五、监理方法及措施1. 事前控制:(1)审查施工单位的资质、业绩、人员配备等情况。
(2)审查施工单位的施工组织设计、施工方案、施工进度计划等。
土方工程施工监理实施细则样本一.依据标准应符合国家标准GB50202-____《建筑地基基础工程施工质量验收规范》二.基本要求1.场地平整,排水沟坡度在设计无要求情况下应向排水方向作不小于2的坡度,按每20m的检查点逐点检查,且每边不应少于____点。
2.施工区域及施工周围的上下障碍物已作好折迁处理,防护措施。
3.施工机械试运转正常,道路、排水沟畅通,路面应高于施工场地地面。
4.工程轴线控制桩离建筑物距离应大于两倍挖土深度。
5.挖土机挖土接近设计坑底标高或边坡边界时,应预留20-30cm 厚土层,用人工开挖或修坡。
6.超挖时不得用土回填,应用砂、碎石或低强度混凝土填实至设计标高7.挖土边坡坡度严禁陡于设计要求8.使用人工降水时,地下水位必须降至设计要求(一般使地下水位低于本次开挖坑底0.5m)时方可开挖。
9.坡顶弃土时,弃土堆坡脚到挖方上边缘距离应根据挖土深度,边坡坡度和土的性质确定,土质干燥密实时距离不得小于3m,土质松软时距离不得小于5m10.保证基坑(槽)基底土质符合设计要求并严禁扰动。
⑴控制开挖过程各土层中边坡度,严格按设计要求进行⑵地下水位变化活跃时,加强井点降水和排水措施,严密监视地下水位⑶控制边坡顶部附加荷载⑷经常检查开挖土层地质情况,防止因土层疏松造成塌方⑴严禁地表水渗入边坡体内或冲刷掏空坡脚,增加斜坡陡度,引起滑动⑵地下水位上升时,加强同设计方联系和监测防止因土体自重增大引起滑坡⑶控制挖方边坡陡度,在坡体堆土高度,防止破坏土体平衡引起滑坡⑴开挖基坑(槽)周围应设排水沟挡水堤或外斜坡,防止地面水流入基坑⑵挖土放坡时,坡顶、坡脚至排水沟保持一定距离。
一般为0.5-1.0m⑶逐层开挖,逐层放坡,并随之开挖排水沟、集水井,保证开挖面,排水沟、集水井之间有一定高差,地下水位在开挖面以下不少于0.5m⑴机械开挖应预留200mm厚土,采用人工修整。
⑵加强测量、复测,严格定位,在坡顶、坡脚处设明显标志和边线,并设专人检查。
土方开挖安全监理实施细则范本第一章总则第一条目的和依据为保障土方开挖工程的施工安全,保护工程人员的生命财产安全,规范土方开挖安全监理工作,制定本细则。
本细则制定依据《中华人民共和国安全生产法》、《建设工程施工现场安全管理规定》等相关法律法规。
第二条适用范围本细则适用于土方开挖工程的安全监理工作,包括拆除、挖掘、填土等土方工程活动。
第三条安全监理任务安全监理应进行土方开挖工程的施工前、施工中和施工后的安全监督检查,提出合理建议,协助业主和施工单位改进安全生产管理和施工技术。
第四条安全监理原则(一)预防为主:重点强化事前预防,防患于未然。
(二)安全优先:在土方开挖施工过程中,安全第一。
(三)综合管理:综合运用技术、法律、经济等手段,加强对土方开挖工程的监督管理。
第二章施工前的安全监理第五条项目准备阶段的安全监理(一)参与项目的可行性研究和选址方案的审查,对土方开挖的可行性进行评估。
(二)对施工图纸、设计方案和施工组织设计进行审核,确保符合相关标准和规范要求。
(三)参与编制安全施工方案,明确土方开挖工程的施工安全要求。
(四)参与招标文件的编制,明确投标人的安全生产能力和经验要求。
第六条施工准备阶段的安全监理(一)审核施工单位的安全生产组织机构和人员配备情况。
(二)参与制定施工组织设计,明确土方开挖工程的施工安全措施。
(三)审核施工单位的施工方案和施工图纸,确保符合相关安全规定。
(四)参与施工机械、设备和安全防护用品的选择和检查。
(五)监督施工单位完成工程安全技术交底,确保施工人员具备相应的安全生产知识。
第三章施工中的安全监理第七条施工过程中的安全监督(一)监督施工单位按照安全施工方案进行施工,执行安全措施和操作规程。
(二)监督施工单位严格按照设计要求进行土方开挖,确保不损坏周边建筑物和设施。
(三)监督施工单位对施工人员进行安全教育和培训,提高施工人员的安全意识和技能水平。
(四)监督施工单位定期检查施工机械设备和安全防护用品的使用情况,确保其正常运行和有效使用。
项目土方工程监理实施细则编制人:审核人:编制日期:目录1、专业工程特点 (3)1.1工程特征 (3)1.2土方工程施工组织 (3)1.3土方工程工艺流程: (4)1.3.1挖土工艺流程 (4)1.3.2回填土工艺流程 (4)2、监理工作流程 (5)3、监理工作要点 (6)3.1机械挖土监理工作要点 (6)3.2土方回填监理工作要点 (9)4、监理工作方法及措施 (11)4.1监理工作方法 (11)4.1.1事前控制 (11)4.1.2事中控制 (12)4.1.3事后控制 (15)4.2监理工作措施 (15)4.2.1组织措施 (15)4.2.2技术措施 (16)4.2.3经济措施及合同措施 (16)5、安全文明施工监理措施 (16)土方工程监理实施细则1、专业工程特点1.1工程特征**工程土方工程施工内容主要包括基坑土方开挖和回填。
本工程设计±0.00相当于绝对标高**m,自然地面相对标高约为* m,地下室*层,基坑开挖深度**m,开挖面积为1940m2,初步计算深基坑开挖方量约**m3。
各地基土层的埋藏分布状况及工程地质特征如下表所示:序号土层名称层厚(m)容重γ(KN/m3)12345本工程南侧和东侧紧邻市政道路,西侧和北侧空旷无构筑物。
基坑支护结构采用**体系。
根据建设单位提供的地下管线图,在开挖范围内无各类地下管线;地表**侧有**需进行迁改(或保护)1.2土方工程施工组织本工程采用机械挖土,辅以人工清底。
计划投入挖土机*台,自卸汽车*辆。
根据基坑开挖深度、基坑支护设计及选用的机械设备,本工程基坑土方分*层开挖。
每层挖土自场地*侧向*侧倒退挖土。
边坡完成后随即进行喷锚施工,挖土和喷锚形成流水作业。
第一层大面积开挖至冠梁底,开挖深度约*m,开挖方量约**m3。
开挖时严格按设计要求放坡,同时做好挂网喷浆护坡工作。
第二层在周边支护施工完成,且有一定强度后开始开挖,开挖深度约*m,开挖方量约**m3。
第三层机械开挖至基底标高以上200mm,并应根据工程地质勘察资料,采取降水措施。
剩余土方由人工开挖,以防止扰动基底土。
群桩部位用小型挖机配合掏挖桩间土。
1.3土方工程工艺流程:1.3.1挖土工艺流程确定开挖顺序和放坡尺寸→引测开挖边线→第一层土方开挖→挂网喷浆护坡→冠梁、锚杆、支撑系统施工→第二层土方开挖→围檩、锚杆、基坑支撑系统施工→第三层土方开挖→清底验槽→浇筑混凝土垫层1.3.2回填土工艺流程基底清理→分层铺土→分层夯实→密实度检测→修整找平→验收2、监理工作流程 进入下道工序施工签认《报验申请表》(监理单位)基底验槽分层压实度检测审查自检资料完整性现场检查检验批质量 (监理单位)填报《报验申请表》(施工单位)复核定位放线及标高 (监理单位)施工准备工作(施工单位)土方工程监理工作流程确定施工方案完成图纸会审、技术交底测量定位放线完成挖、填土机械准备清理现场,做好降排水措施土方工程施工 (施工单位)合格不合格巡视检查、旁站监理(监理单位)口头通知、书面通知、例会及专题会议(监理单位)存在问题整改复测平面位置、标高符合要求基底处理和土方夯实符合规定降排水措施有效运行正常边坡坡度符合设计要求表面平整度符合规范要求回填土料符合设计要求合格不合格不合格整 改(施工单位)3、监理工作要点3.1机械挖土监理工作要点(1)土方开挖前必须根据建设单位提供的永久性测点引测建筑物或构筑物的位置或场地的定位控制线(桩)、标高控制线(桩)及基坑的灰线尺寸。
监理人员应对施工单位对现场使用的测量仪器进行检查,并对施工单位报送的测量成果进行复核、验收,确保正确。
(2)土方开挖的顺序、方法必须与设计工况相一致,严格遵循“开槽支撑、先撑后挖、分层开挖、严禁超挖”的原则(3)土方工程施工前,应对降水、排水措施进行设计,系统应经检查和试运转,一切正常时方可施工。
(4)合理安排开挖顺序,自上而下水平分段分层进行。
土方开挖与基坑支护工程要相互协调配合。
(5)土方开挖时,应对支护结构、周围环境进行观察和监测,如出现异常情况应及时处理,待恢复正常后方可继续施工。
(6)开挖基坑(槽)应防止对地基土的扰动,严禁超挖。
基坑(槽)底应预留200mm~300mm土层,由人工挖至设计标高,避免超挖和扰动地基土。
经验槽合格后,及时浇筑混凝土垫层。
(7)在挖土机无法作业的部位,应配合人工随时进行挖掘,并用斗车把土运到挖土机作业区域,以便及时用机械挖走。
桩间土宜用小型挖机或人工开挖,防止破坏基桩。
(8)基坑(槽)开挖过程中,应根据工程地质勘察资料,采取降水措施降低地下水位。
一般要降至开挖面以下0.5m,然后才能开挖。
(9)在坑(槽)边坡外侧应设置排水沟,防止地表水流入基坑;基坑(槽)底应设置排水沟、集水井,及时汇集抽排坑底积水。
(10)施工过程中,基坑(槽)边堆置土方不应超过设计荷载,挖方时不应碰撞或损伤支护结构、降水设施。
(11)基坑(槽)、管沟土方工程验收必须确保支护结构安全和周围环境安全为前提。
当设计有指标时,以设计要求为依据,如无设计指标时,应按下表规定执行。
基坑类别围护结构墙顶位移监控值围护结构墙体最大位移监控值地面最大沉降监控值一级基坑 3 5 3二级基坑 6 8 6三级基坑8 10 10 (11)土方开挖不宜在雨季进行。
如因工期要求,必须在雨季施工时,工作面不宜过大,应逐段、逐片分期完成。
挖好一段浇筑一段垫层,并在基槽两侧围以土堤或挖排水沟,以防地面雨水流入基坑槽。
(12)雨期施工在开挖基坑(槽)或管沟时,应经常检查边坡和支护情况,应注意边坡稳定。
防止坑壁受水浸泡而造成塌方。
必要时可适当放缓边坡坡度,或设置支撑。
(13)夜间施工时,应有足够的照明设施,防止错挖或超挖。
在危险地段应设置明显标志。
(14)弃土应及时运出,土方不宜堆放在基坑边缘。
基坑边缘临时堆土或堆放材料,应与基坑边缘保持2m以上安全距离,以保证基坑边立直壁或边坡的稳定。
(15)基坑(槽)挖至基底后应进行验槽,并作好记录,如发现地基土质与地质勘探报告、设计要求不符时,应与有关人员研究及时处理。
(16)土方开挖质量通病防治○1基底超挖:开挖基坑(槽)管沟不得超过基底标高。
如个别地方超挖时,其处理方法应取得设计单位的同意,不得擅自处理。
○2基底原土扰动:基坑(糟)开挖后应尽量减少对基土的扰动。
如遇基础不能及时施工时,可在基底标高以上预留200mm~300mm土层不挖,待做基础时再挖。
○3施工顺序不合理:应严格按施工方案规定的施工顺序进行土方开挖施工,宜先从低处开挖,分层、分段依次进行,形成一定坡度,以利排水。
○4开挖尺寸不足,边坡过陡:基坑(槽)或管沟底部的开挖宽度和坡度,除应考虑结构尺寸要求外,应根据施工需要增加工作面宽度,如排水设施、支撑结构等所需的宽度。
○5施工机械淤陷:施工时必须了解土质和地下水位情况。
地下水位必须降至作业面以下500mm~800mm,以防机械自重下沉。
3.2土方回填监理工作要点(1)施工前应根据工程特点、填方土料种类、密实度要求、施工条件等,合理地确定填方土料含水量控制范围、虚铺厚度和压实遍数等参数。
(2)回填前应对基础防水层、保护层等进行检查验收,并且要办好隐检手续。
基底上垃圾、砂浆等杂物清除干净。
基础混凝土强度应达到规定的要求,方可进行回填土。
(3)施工前,应做好水平标识。
可在基坑(槽)或管沟边坡上,每隔3m 钉上水平橛;以控制回填土的高度或厚度。
(4)宜优先利用基槽中挖出的土,回填土料不得含有有机杂质。
粒径,含水量应在控制范围内;如含水量偏高,可采用翻松、晾晒或均匀掺人干土等措施;如含水量偏低,可采用预先洒水润湿等措施。
(5)填土应分层铺摊。
每层铺土的厚度应根据土质、密实度要求和机具性能确定。
一般蛙式打夯机每层铺土厚度为200~250mm;羊足碾每层铺土厚度为200~350。
(6)回填土每层至少夯打三遍。
打夯应一夯压半夯,夯夯相接,行行相连,纵横交叉,防止漏夯。
并且严禁采用水浇使土下沉的所谓“水夯”法。
(7)深浅两基坑(槽)相连时,应先填夯深基础;填至浅基坑相同的标高时,再与浅基础一起填夯。
如必须分段填夯时,交接处应填成阶梯形,梯形的高宽比一般为1:2。
上下层错缝距离不小于1.0m。
(8)土方分层回填每层的压实系数均不得小于设计要求。
回填土方每层压实后,应按规范规定进行环刀取样,测出干土的质量密度,达到要求后,再进行上一层的铺土。
(9)填方全部完成后,表面应进行修整找平。
凡超过标准高程的地方,及时铲平;凡低于标准高程的地方,应补土找平夯实。
(10)基坑(槽)或管沟的回填上应连续进行,尽快完成。
施工中注意雨情,雨前应及时夯完已填土层或将表面压光,并做成一定坡势,以利排除雨水。
(11)施工时应有防雨措施,要防止地面水流入基坑(糟)内,以免边坡塌方或基土遭到破坏。
(12)土方回填质量通病防治○1未按要求测定土的干上质量密度:回填土每层都应测定夯实后的干土质量密度,符合设计要求后才能铺摊上层土。
试验报告要注明上料种类、试验日期、试验结论及试验人员签字。
未达到设计要求部位,应有处理方法和复验结果。
○2回填土下沉:因虚铺土超过规定厚度或冬季施工时有较大的冻土块;夯实不够遍数、漏夯;坑(槽)底有有机杂物或落土清理不干净;冬期施工用水渗入土层中,受冻膨胀等造成。
这些问题均应在施工中认真执行规范的有关各项规定,并要严格检查,发现问题及时纠正。
○3管道下部夯填不实:管道下部应按标准要求填夯回填上,如果漏夯不实会造成管道下方空虚,造成管道折断而渗漏。
○4回填土夯压不密实:应在夯压时对干土适当洒水加以润湿;如回填土太湿同样夯不密实呈“橡皮土”现象,这时应将“橡皮土”挖出,重新换好上再予夯实。
4、监理工作方法及措施4.1监理工作方法项目监理机构应依据合同、规范、设计文件、管理方案等有关规定对土方工程实施进行事前、事中、事后全过程的动态控制,主要通过旁站、巡视和平行检验等方式对土方工程实施监理,以保障土方工程施工质量达到设计及规范的要求。
4.1.1事前控制(1)审查专项施工方案:方案的编审程序符合相关规定;工艺的合理性、技术可行性,特别注意审查安全措施是否可行和有效;工程质量保证措施符合有关标准;满足强制性条文的要求。
(2)审查投入的机械、人力、材料等是否满足施工进度要求。
(3)核查施工单位的质量安全管理体系是否健全,管理人员是否到岗,人员数量是否满足施工要求。
(4)检查机具设备型号、规格、数量、性能参数、状态是否满足正常施工需要。
(5)作业条件检查:○1已建立施工现场测量控制网并报监理复核合格○2建设单位已提供施工区域内地下管线图纸,相关的各项施工手续(施工许可证、渣土准运证、夜间施工许可证等)已办理完善。
○3施工单位已完成技术交底和安全交底工作并有相应的书面记录。