2020人教版八年级物理初二下册:滑轮知识点及练习
- 格式:doc
- 大小:1.18 MB
- 文档页数:10
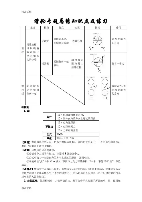
滑轮知识点及练习定义种类特点本质图例作用相关公式F=G轴固定不动,S=h 能改变施周边有定滑轮轮绕轴心转等臂杠杆力的方向槽,可动滑以绕着轮装在框F=1/2G 子里的F=1/2(G 物 +G 动) 轴转动动力臂为轮随物体一能省一半S=2h 的小轮动滑轮阻力臂二起搬动力倍的杠杆F=1/n GF=1/n (G 物+G 动 ) 动滑轮既能省S=nh滑G=n F 和定滑力,也能轮G 物 +G 动=n F轮组合改变施力组V 绳 =nV 物在一起的方向例:以下列图,物体重都是100 N .当物体处于平衡状态时,拉力 F 1= _______N, F 2= _______N,F 3= _______N, F 4= _______N .(不计滑轮重和摩擦)提升练习1.滑轮的本质是:_____________________________________________ 。
2.定滑轮:在使用时滑轮的轴______________的滑轮。
其本质是_________________________的杠杆。
动滑轮:在使用时轴随物体______________ 的滑轮。
其本质是_________________________ 的杠杆。
3.使用定滑轮的好处是:可以_________________________ 的,不可以 __________________________使用动滑轮的好处是:可以_________________________ 的,不可以 __________________________4.由 _________滑轮和 _________滑轮组合在一起叫做滑轮组。
5.使用滑轮组的好处是即可以改变____________________,也可以改变 _______________________ ,还可以同时改变 __________________ 和 ______________________ 。
新人教版八年级下册初中物理重难点突破知识点梳理及重点题型巩固练习滑轮(基础)【学习目标】1、理解定滑轮、动滑轮特点、实质及其作用;2、理解滑轮组的作用及滑轮组的装配图。
【要点梳理】要点一、定滑轮和动滑轮(《滑轮》392030定滑轮和动滑轮)周边有槽,中心有一转动轴的轮子叫滑轮,因为滑轮可以连续旋转,因此可看作是能够连续旋转的杠杆,仍可以用杠杆的平衡条件来分析。
在工作过程中,轴的位置固定不动的滑轮叫做定滑轮;在工作过程中,轴的位置随物体移动的滑轮叫做动滑轮。
要点诠释:1、定滑轮:如下图甲所示,我们可把一条直径看成杠杆,圆心就是杠杆的支点,因此,定滑轮实质是等臂杠杆。
定滑轮的特点是它的转轴(支点)不随货物上下移动。
2、动滑轮,如下图乙所示,特点是它的转动轴会随物体上下移动,它实质是动力臂为阻力臂2倍的省力杠杆,它的转动轴是阻力作用点。
3、定滑轮和动滑轮的作用使用定滑轮虽然不能省力,但可以改变用力方向,给工作带来方便。
使用动滑轮可以省力,但要多移动距离。
要点二、滑轮组把定滑轮和动滑轮组合在一起,构成滑轮组。
要点诠释:1、特点:既可省力,又可以改变用力方向。
但费距离。
2、结论:在使用滑轮组时,滑轮组用几段绳子吊着动滑轮,提起物体所用的力就是总重的几分之一。
如果考虑动滑轮的重力,则有n 动物GG F +=。
要点三、根据要求设计滑轮组1、根据要求确定动滑轮上绳的段数。
2、根据绳的段数,确定动滑轮的个数:一个动滑轮可拉2段绳,还能改变用力方向;但也可以拉三段绳,但就不能改变用力方向了。
设想如果需要n段绳(n为偶数),那么就需要n/2个动滑轮和n/2个定滑轮穿绳组装时,绳的固定端要固定在定滑轮下的挂钩上(这叫做“偶定”),若不改变力的方向,还可少用一个定滑轮,即12-n 个定滑轮。
如果n 为奇数,则需要21-n 个动滑轮和同样数目的定滑轮,穿绳时,绳的固定端要拴在动滑轮上方的挂钩上(这叫做“奇动”),这不能改变用力方向,如果还想改变用力方向,就应再加一个定滑轮,即21+n 个定滑轮。
物理八年级下册滑轮知识点
在物理八年级下册中,关于滑轮的知识点有:
1. 滑轮的定义:滑轮是一种简单机械装置,它由一个圆筒形轮子和固定在上面的轴构成。
2. 滑轮的分类:滑轮可以分为固定滑轮和活动滑轮。
- 固定滑轮:滑轮固定在架子或支架上,不随物体的运动而改变位置。
它主要用来改变力的方向。
- 活动滑轮:滑轮可以随物体的运动而移动位置。
它主要用来减小力的大小。
3. 滑轮组:多个滑轮安装在一起构成滑轮组。
滑轮组可以增加力的方向改变和减小力的大小的效果。
- 单纯滑轮组:只包含固定滑轮和活动滑轮。
- 合联滑轮组:多个滑轮组连接在一起,尤其是固定滑轮。
4. 滑轮组的力学原理:滑轮组的力学原理与牛顿第三定律密切相关。
根据牛顿第三定律,作用在滑轮上的拉力等于被拉物体的重力。
- 单纯滑轮组:作用在每个滑轮上的拉力大小相等,方向相反。
- 合联滑轮组:作用在滑轮上的拉力大小相等,方向相同。
5. 力的传递和改变:滑轮系统可以将施加在一端的力传递到另一端,并且改变力的大小和方向。
6. 机械优势:滑轮系统可以通过改变力的大小和方向来提高效率。
机械优势是指力比的大小,可以通过计算力的比值来确定。
这些是关于滑轮的一些主要知识点,希望对你有帮助!。
2020春人教版八年级下册物理定滑轮、动滑轮、滑轮组知识总结与练习题(含答案)知识点一:定滑轮(1)实质:是一个等臂杠杆。
支点是转动轴,动力臂和阻力臂都等于滑轮的半径。
(2)特点:不能省力,但可以改变力的方向。
知识点二:动滑轮(1)实质:是一个动力臂是阻力臂2倍的省力杠杆。
支点是上端固定的那段绳子与动滑轮相切的点,动力臂是滑轮的直径,阻力臂是滑轮的半径。
(2)特点:能省一半的力,但不能改变动力的方向,且多费一倍的距离。
知识点三:滑轮组(1)连接:两种方式,绳子可以先从定滑轮绕起,也可以先从动滑轮绕起。
(2)作用:既可以改变力的大小又可以改变力的方向,但是费距离。
(3)省力情况:F=(G+G动)/n;绳子自由端移动的距离s=nh,其中n是绳子的段数,h是物体移动的高度。
知识点四:轮轴和斜面(1)轮轴:实质是可以连续旋转的杠杆,是一种省力杠杆。
轮和轴的中心是支点,作用在轴上的力是阻力F2,作用在轮上的力是动力F1,轴半径r,轮半径R,则有F1R=F2r,因为R>r,所以F1<F2。
(2)斜面:是一种省力机械。
斜面的坡度越大,省力越多。
【能力提升】一、选择题1.如图所示的滑轮匀速提升重物,那么()A.F1方向的拉力最小 B.F2方向的拉力最小C.F3方向的拉力最小 D.三个方向的拉力都一样大2.使用滑轮组可以达到的目的是()A.省力而且一定能改变力的方向 B.省力但不可能改变力的方向C.省力而且能省距离 D.能省力而且也可以改变力的方向3.小明用如图所示的滑轮组,将重为1.5N的物体匀速提升到一定高度,在此过程中,手拉力的大小实际应该是()A.小于0.75N B.等于0.75NC.大于0.75N D.等于0.5N4.如图所示,用下列装置提升同一重物,若不计滑轮自重及摩擦,则最省力的是()二、填空题1.定滑轮实质是_____杠杆,使用定滑轮可以改变_____,但它不能省力。
动滑轮实质是_____的杠杆,使用动滑轮可以省力,但_______改变力的方向。
二、滑轮1。
定滑轮(1)实质:是一个等臂杠杆。
支点是转动轴,动力臂和阻力臂都等于滑轮的半径。
(2)特点:不能省力,但可以改变动力的方向.2。
动滑轮(1)实质:是一个动力臂是阻力臂二倍的省力杠杆。
支点是上端固定的那段绳子与动滑轮相切的点,动力臂是滑轮的直径,阻力臂是滑轮的半径。
(2)特点:能省一半的力,但不能改变动力的方向,且多费一倍的距离。
3.滑轮组(1)连接:两种方式,绳子可以先从定滑轮绕起,也可以先从动滑轮绕起。
(2)作用:既可以省力又可以改变动力的方向,但是费距离。
(3)省力情况:由实际连接在动滑轮上的绳子段数决定。
绳子段数:“动奇定偶”。
拉力 ,绳子自由端移动的距离s=nh,其中n 是绳子的段数,h 是物体移动的高度。
4.轮轴和斜面(1)轮轴:实质是可以连续旋转的杠杆,是一种省力机械。
轮和轴的中心是支点,作用在轴上的力是阻力F 2,作用在轮上的力是动力F 1,轴半径r,轮半径R ,则有F 1R=F 2r ,因为R>r ,所以F 1<F 2.(2)斜面:是一种省力机械.斜面的坡度越小,省力越多。
n G G F '+=尊敬的读者:本文由我和我的同事在百忙中收集整编出来,本文档在发布之前我们对内容进行仔细校对,但是难免会有不尽如人意之处,如有疏漏之处请指正,希望本文能为您解开疑惑,引发思考。
文中部分文字受到网友的关怀和支持,在此表示感谢!在往后的日子希望与大家共同进步,成长。
This article is collected and compiled by my colleagues and I in our busy schedule. We proofread the content carefully before the release of this article, but it is inevitable that there will be some unsatisfactory points. If there are omissions, please correct them. I hope this article can solve your doubts and arouse your thinking. Part of the text by the user's care and support, thank you here! I hope to make progress and grow with you in the future.。
第2节滑轮知识点一定滑轮1.定义滑轮就是一个周边有槽,能够绕轴转动的小轮。
当我们使用滑轮时,滑轮的轴固定不动的就是定滑轮。
2.特点<1>根据杠杆定义判定定滑轮是一个连续旋转的变形杠杆,定滑轮的轴相当于杠杆的支点,动力臂和阻力臂都等于轮的半径,如图所示,所以定滑轮实质是一个等臂杠杆。
<2>如果重物上升高度为h,绳子自由端移动距离为s,则s=h。
<3>如果重物上升速度为v,绳子自由端移动速度为v自由,则v自由=v。
<4>定滑轮不省力,但定滑轮可以改变用力的方向。
例如上图中施力的方向是向下的,但是重物受到的力是向上的,定滑轮使施加的力的方向由向上变为向下。
<5>绳子自由端拉力的方向对拉力力度大小没有影响。
错误!高高的旗杆顶端有个能绕着固定轴心转动的小轮子,站在地面的旗手缓缓向下拉绳子时,国旗会徐徐上升,关于这个小轮子的说法中不正确的是< >A.这种小轮子我们称为定滑轮B.这种小轮子实质是等臂杠杆,不能省力C.使用这种小轮子的目的是为了省距离D.使用这种小轮子的目的是为了改变力的方向解析:根据生活经验可知:旗杆顶部小轮子不随国旗的移动而移动,属于定滑轮,定滑轮实质是等臂杠杆,使用定滑轮只能改变力的方向,而不能省力,也不能省距离,故选项A、B、D正确,选项C错误。
答案:C知识点二动滑轮精练版P531.定义在使用中,轴随物体一起运动的滑轮叫做动滑轮。
例如下图中提起重物的滑轮就是动滑轮,它的轴可以随重物上升而上升。
2.动滑轮的实质是动力臂是阻力臂两倍的杠杆<1>根据杠杆概念可知,动滑轮是个变形的杠杆,它的支点在动滑轮边沿上,动力臂l1<2r>为阻力臂l2<r>的两倍,如图所示,根据杠杆平衡条件可知:F1=错误!F2,即动滑轮省一半力,所以动滑轮实质是动力臂为阻力臂两倍的杠杆。
<2>使用动滑轮时,如果重物上升高度为h,绳子自由端移动距离为s,则s=2h。
第2讲 滑轮 知识点练习【知识点1】1.初步认识滑轮介绍滑轮的结构:主要部分是能绕轴转动的轮子。
观察使用时的情景:a.使用时滑轮轴的位置固定不动;这种滑轮称为定滑轮; b.使用时轴的位置随被拉物体一起运动,这种滑轮称为动滑轮。
c.滑轮是一种简单机械。
2.定滑轮:1.回忆杠杆的五个要素,找出定滑轮支点,确定其动力臂和阻力臂的大小关系。
2.请学生根据以上分析,解释为什么斜着拉动重物时,拉力的大小不变。
①定义:中间的轴固定不动的滑轮。
②实质:定滑轮的实质是:等臂杠杆③特点:使用定滑轮不能省力但是能改变动力的方向。
④对理想的定滑轮(不计轮轴间摩擦)F=G绳子自由端移动距离SF(或速度vF) = 重物移动的距离SG(或速度vG)3.动滑轮:1.找出动滑轮的支点,强调这是一个瞬时支点,拉力的方向一定要竖直向上,确定其动力臂和阻力臂,并比较其的大小关系(动力臂是阻力臂的2倍)2.请学生进一步分析,解释为什么斜着拉动重物时,拉力的大小会变大(动力臂变小)。
①定义:和重物一起移动的滑轮。
(可上下移动,也可左右移动) ②实质:动滑轮的实质是:动力臂为阻力臂2倍的省力杠杆。
③特点:使用动滑轮能省一半的力,但不能改变动力的方向。
④理想的动滑轮(不计轴间摩擦和动滑轮重力)则:F= 1 2G 只忽略轮轴间的摩擦则拉力F= 1 2(G1F F 1物+G 动)绳子自由端移动距离SF(或vF)=2倍的重物移动的距离SG(或vG)【典例归纳】【例1】如图所示,健身员向下摆动脚踝使细绳拉着物体缓慢提升时,图中的滑轮是( ) A .定滑轮,可省力 B .动滑轮,可省力 C .定滑轮,可改变力的方向 D .动滑轮,可改变力的方向 【例2】如图是滑轮的两种用法,以下说法中正确的是( ) A .甲是动滑轮,使用时不能省力 B .乙是动滑轮,使用时可以省力 C .甲是定滑轮,使用时可以省力 D .乙是定滑轮,使用时不能省力【例3】如图1滑轮重10N ,货物重50N 。
第2节滑轮知能演练提升一、能力提升1.如图所示,用不同的机械匀速提升同一物体时,最费力的是(不计机械自重和轴摩擦)()2.某同学在研究动滑轮特点的实验时,进行了正确操作,并记录数据如下表,分析数据后发现,实验结果与课本中“使用动滑轮能省一半力”的结论不符。
面对这一事实,下列做法最不可取的是()A.与同学分析可能原因B.实验失败,停止实验C.改进实验条件,重新实验D.查阅资料,了解结论的适用条件3.(2019·湖南郴州中考)利用如图所示的滑轮组匀速提升200 N的重物,动滑轮重为10N(不计绳重与轴摩擦),则拉力F的大小为()A.70 NB.100 NC.105 ND.110 N4.如图所示,在水平拉力F的作用下,使重300 N的物体在水平桌面上以0.1 m/s 的速度匀速运动时,物体与桌面的摩擦力为60 N(不计绳重、动滑轮重及摩擦),F及其功率的大小分别为()A.20 N 2 WB.20 N 6 WC.60 N 2 WD.30 N 6 W5.在日常生活中,用10 N的拉力不能提起重力为15 N的物体的简单机械是()A.一个定滑轮B.一个动滑轮C.杠杆D.斜面6.一辆汽车不小心陷进了泥潭中,司机按如图所示的甲、乙两种方法安装滑轮,均可将汽车从泥潭中拉出,如果汽车受到的阻力为1 000 N,则甲图中人匀速拉动汽车的拉力至少为,其中比较省力的是图。
(绳与滑轮间的摩擦不计)7.小可在A端用如图所示的动滑轮匀速提起200 N的水桶,若不计绳重、滑轮重及摩擦,则人拉绳子A端的动力为 N;实际测量A端的拉力为110 N,不计绳重及摩擦,则滑轮重力为 N。
8.如图所示,工人用240 N的拉力,在15 s的时间内,将重600 N的建筑材料提升到6 m高的楼顶上,绳子自由端移动了m,拉力做的功是J,拉力的功率是W。
9.某小组同学研究动滑轮的使用特点,他们先用弹簧测力计缓慢提起钩码,如图甲所示,再分别用重力不同的动滑轮A、B、C(G A>G B>G C)缓慢提起相同钩码,如图乙、丙、丁所示。
滑轮专题一、定滑轮和动滑轮 1.定滑轮(1)定义:中间的轴固定不动的滑轮。
(2)实质:等臂杠杆(3)特点:不能省力但是能改变动力的方向。
(4)对理想的定滑轮(不计轮轴间摩擦):F =G ,绳子自由端移动距离s F (或速度v F )=重物移动的距离s G (或速度v G )。
2.动滑轮(1)定义:和重物一起移动的滑轮。
(可上下移动,也可左右移动) (2)实质:动力臂为阻力臂2倍的省力杠杆。
(3)特点:省一半的力,但不能改变动力的方向。
(4)理想的动滑轮(不计轴间摩擦和动滑轮重力):F =2G,只忽略轮轴间的摩擦则拉力F =2动G G ,绳子自由端移动距离s F (或v F )=2倍的重物移动的距离s G (或v G )。
二、滑轮组1.定义:定滑轮和动滑轮组合在一起使用。
2.特点:使用滑轮组既可以省力又可以改变力的方向,但要多移动距离。
3.滑轮组的计算:有几股绳子吊在动滑轮上,拉力就是物体重(包括动滑轮重)的几分之一(不计绳重和摩擦)。
4.公式:F =nG(G =G 物+G 动),绳子自由端移动距离:s =nh 。
注意:组装滑轮组时,吊在动滑轮上绳子股数为n ,若n 为奇数时,则绳子的固定端挂在动滑轮上,若n 为偶数时,绳子的固定端挂在定滑轮上。
三、机械效率1.有用功:对人们有用的功,等于直接用手对重物所做的功(Gh )。
公式:W有用=Gh(提升重物)=W总-W额=ηW总。
2.额外功:并非我们需要但又不得不做的功。
公式:W额=W总-W有用=G动h(忽略轮轴摩擦的动滑轮、滑轮组)。
3.总功:有用功加额外功或动力所做的功。
公式:W总=W有用+W额=Fs=W有用/η。
4.机械效率和功率的区别功率和机械效率是两个不同的概念。
功率表示做功的快慢,即单位时间内完成的功功率越大,做功越快;机械效率表示机械做功的效率,即所做的总功中有多大比例的有用功,机械效率越大,有用功跟总功的比值越大。
有用功总小于总功,所以机械效率总小于1。
教学设计课题第十二章第2节滑轮教学目标(一)知识与技能:1.认识定滑轮和动滑轮;2.知道定滑轮、动滑轮和滑轮组的构造、特点及其作用;3. 会根据要求使用和组装滑轮组。
(二)过程与方法:经历探究定滑轮、动滑轮工作特点的过程,进一步掌握用观察对比来研究问题的方法。
(三)情感·态度·价值观通过了解简单机械的滑轮的应用,初步认识科技对人类社会发展的作用。
重点难点教学重点:定滑轮、动滑轮和滑轮组的构造及其特点。
教学难点:会按要求使用和组装滑轮组。
教学方法讲授、讨论、实验、归纳、对比教具学具多媒体课件、滑轮、细绳、钩码、弹簧测力计、自制带刻度的铁架台教学过程引入教师活动学生活动设计意图复习回顾提问:三类杠杆及特点学生回答问题巩固所学知识,为本节学习变形的杠杆做准备引课今天我们要学习另一种简单的机械——滑轮定义:周边有槽,可以绕轴转动的轮子;滑轮在使用时根据轴位置是否移动可分为定滑轮和动滑轮。
举例生活中哪里用到了滑轮通过生活中的实例,让学生分析,拉近物理与生活的关系,反映出物理是有用的。
展示目标多媒体展示学生认真阅读,明确本节课的学习任务让学生带着任务去学习本节课内容新课学习观察和欣赏漫画一、定滑轮:1、定义:工作时,轴固定不动的滑轮,叫做定滑轮。
2、特点:《演示实验一》:教师演示定滑轮试验结合实验,思考以下问题:1.使用定滑轮的好处是什么?2.使用定滑轮可以省力吗?3.使用定滑轮可以省动力作用点移动的距离吗?总结:使用定滑轮不省力,不省距离;但可以改变力的方向。
《理论分析》:1、L1=L2,F=G实质是一个等臂杠杆;认真看动画结合刚才的动画尝试理解这一概念观察实验,分析数据可以改变动力的方向。
不能省力。
不能省动力作用点移动的距离。
师生共同分析激发学生的学习兴趣让学生通过观察实验现象和数据思考和总结定滑轮的特点。
结合上节课的力臂画法得出定滑轮实质是一个等臂杠杆走进文本2、距离:绳子自由端移动的距离S和物体升高的距离h关系:S=h;3、速度:绳子自由端移动的速度V绳=V物;二、动滑轮:1、定义:工作时,轴随物体一起运动的滑轮。
滑轮专题总结知识点及练习机械功1. 功【说明】对功的单位的认识:把两个鸡蛋举高1m,做的功大约是1J;一个中学生爬高2m,对自己做的功大约是1000J。
【注意】应用功的公式时注意:①分清哪个力对物体做功,计算时F就是这个力。
②公式中的s一定是在力的方向上通过的距离,强调对应。
③功的单位“焦”(牛·米= 焦),不要与力及力臂的乘积(牛·米,不能写成“焦”)单位搞混。
【易错点】物体有三种情况不做功:即物体受力但没有移动(搬物未搬动);物体未受力而凭惯性运动(足球被踢在空中飞行的过程中);力与距离的方向垂直(水平匀速行驶的汽车对车上的人没有做功)。
2. 功的原理:使用机械时,人们所做的功,都不会少于直接用手所做的功;即:使用任何机械都不省功。
【说明】①功的原理是一个普遍的结论,对于任何机械都适用。
②功的原理告诉我们:使用机械要省力必须费距离,要省距离必须费力,既省力又省距离的机械是没有的。
③使用机械虽然不能省功,但人类仍然使用,是因为使用机械或者可以省力、或者可以省距离、也可以改变力的方向,给人类工作带来很多方便。
(六)机械效率1.【注意】(1)有用功总是小于总功,所以机械效率总小于1;(2)机械效率是个没有单位的物理量。
2.例1:如图所示,物体重都是100 N.当物体处于平衡状态时,拉力F1=_______N,F2=_______N,F3=_______N,F4=_______N.(不计滑轮重和摩擦)如图所示,重物G重40牛,若不计摩擦,匀速提起重物所用拉力为22牛,则动滑轮的重力是____牛,钩子1受到绳子的拉力为____牛,钩子2受到重物G的拉力为____牛。
下图就可以用“受力分析法”很好地解决::一根绳子,最多只能承受300牛顿的力,想用它提起1000牛顿的重物,绕成的滑轮组至少要几股绳子承重?并画出滑轮组的示意图。
如图所示,滑轮本身重及摩擦均可忽略不计,若F1∶F2=2∶3,则两重物的质量m1与m2之比是A. 2∶3B. 1∶1C. 4∶9D. 3∶2如图所示,不计滑轮重,不计绳与滑轮间的摩擦,不计轮与轴之间的摩擦,重为30 N的物体在5 N的拉力F的作用下沿水平方向匀速运动了2 m,则弹簧测力计的示数和物体与地面间的摩擦力为A. 30 N,30NB. 30 N,10 NC. 5 N,10 ND. 10 N,10 N5. 使用如图所示的装置匀速提起重物G所用的拉力中,力A. F1最大B. F2最大C. F3最大D. 一样大如图所示,斜面长6 m,高3m,用沿斜面向上、大小为100N的拉力F使物体在5s内沿斜面移动了2 m,下列说法正确的是()A. 滑轮组的机械效率是40%B. 物体重300NC. 拉力F做的功是600JD. 拉力F的功率是40W用相同的滑轮和绳子分别组成如图所示的甲、乙两个滑轮组,把相同的重物匀速提升相同的高度。
滑轮知识点归纳及同步练习1、滑轮:(1)定滑轮:①定义:中间的轴固定不动的滑轮。
②实质:定滑轮的实质是:等臂杠杆③特点:使用定滑轮不能省力但是能改变动力的方向。
④对理想的定滑轮(不计轮轴间摩擦)F=G 绳子自由端移动距离S F (或速度v F ) = 重物移动的距离S G (或速度v G )(2)动滑轮:①定义:和重物一起移动的滑轮。
(可上下移动,也可左右移动)②实质:动滑轮的实质是:动力臂为阻力臂2倍的省力杠杆。
③特点:使用动滑轮能省一半的力,但不能改变动力的方向。
理想的动滑轮(不计轴间摩擦和动滑轮重力)则:F=1/2G 只忽略轮轴间的摩擦则拉力F=1/2(G 物+G 动)绳子自由端移动距离S F (或v F )=2倍的重物移动的距离S G (或v G )(3)滑轮组①定义:定滑轮、动滑轮组合成滑轮组。
②特点:使用滑轮组既能省力又能改变动力的方向③理想的滑轮组(不计轮轴间的摩擦和动滑轮的重力)拉力F=1/nG 。
只忽略轮轴间的摩擦,则拉力F=1/n(G物+G 动)绳子自由端移动距离S F (或v F )=n 倍的重物移动的距离S G (或v G )④组装滑轮组方法:首先根据公式n=(G物+G 动) / F求出绳子的股数。
然后根据“奇动偶定”的原则。
结合题目的具体要求组装滑轮。
⑤滑轮组省力情况:几段绳子承担重物和动滑轮的总重,提起重物所用力就是物重的几分之一。
注:一般说绳子自由端如果向上拉动,数绳子股数时算上此绳数,如果自由端向下拉动,数绳子股数时,不算此绳数。
设计滑轮组一般先依拉力,阻力关系或依拉力移动距离与重物移动距离确定绕滑轮组的绳子股数再按绳子股数,拉力方向推出动滑轮和定滑轮的个拉动滑物F G G nl 1l 2F 2F 1F 1l 1F 2l 2数。
动滑轮个数:(n 为偶数时)2nN 动(n 为奇数时)21n N 动典型例题一.定滑轮和动滑轮的特点1. 如图1所示,前后沿着三个方向通过定滑轮拉同一物体G ,所用拉力( )A.F 1较大B.F 2较大C.F3 D.三个力一样大2.在日常生活中,用10N 的拉力不能提起重15N 的物体的简单机械是( )A .一个定滑轮B .一个动滑轮C .杠杆D .斜面3.下图中利用了动滑轮的是()4.如图所示,利用四种机械分别提起同一个重物,不计机械自重和摩擦,最省力的是( )5.建筑工地上,施工人员用如图所示的滑轮组匀速吊起建筑材料。
新人教版2020八年级下册物理知识点专练:12.2滑轮(含解析)一、滑轮的知识结构导图二、知识点巩固12.2 滑轮1、滑轮是变形的杠杆。
2、定滑轮:①定义:中间的轴固定不动的滑轮。
②实质:等臂杠杆。
③特点:使用定滑轮不能省力但是能改变动力的方向。
④对理想的定滑轮(不计轮轴间摩擦)F=G物。
绳子自由端移动距离S F(或速度v F)=重物移动的距离S G(或速度v G)3、动滑轮:①定义:和重物一起移动的滑轮。
(可上下移动,也可左右移动)②实质:动力臂为阻力臂2倍的省力杠杆。
③特点:使用动滑轮能省一半的力,但不能改变动力的方向。
④理想的动滑轮(不计轴间摩擦和动滑轮重力)则: 只忽略轮轴间的摩擦则,拉力 。
绳子自由端移动距离S F (或v F )=2倍的重物移动的距离S G (或v G )4、滑轮组①定义:定滑轮、动滑轮组合成滑轮组。
②特点:使用滑轮组既能省力又能改变动力的方向。
③理想的滑轮组(不计轮轴间的摩擦和动滑轮的重力)拉力。
只忽略轮轴间的摩擦,则拉力。
绳子自由端移动距离S F (或v F )=n倍的重物移动的距离S G (或v G )。
④组装滑轮组方法:首先根据公式求出绳子的股数。
然后根据“奇动偶定”的原则。
结合题目的具体要求组装滑轮。
三、知识点精炼一.选择题(共8小题)1.(2020•深圳模拟)下列四幅图中所描述的物理情景,分析正确的是( )A .斜面既是一种省力机械,也是一种省功的机械B .用吸管喝饮料时,嘴的“吸力”把饮料吸到口中C .人用力水平推箱子,箱子没有动,是因为推力小于箱子受到的摩擦力 D .撑杆跳高时,弯曲的撑杆将运动员撑起的过程中,撑杆的弹性势能转化为运动员的动能和重力势能12F G =物1F G n=物G G n F+=动物()【考点】:力与运动的关系;斜面与轮轴;大气压的综合应用;动能和势能的转化与守恒.【答案】:D【解析】:A、斜面是一种省力机械,但不能省功,故A错误;B、吸管吸饮料时,是先把吸管内的空气吸走,使管内气压减小,这样在外界大气压的作用下,饮料就被压进吸管里,故B错误;C、箱子在推力作用下处于静止状态,水平方向上受到推力和摩擦力的作用,这两个力是平衡力,大小相等,故C错误;D、弯曲的撑杆将运动员撑起的过程中,撑杆形变恢复,弹性势能逐渐减小,运动员速度增大,高度增加,所以弹性势能转化为运动员的动能和重力势能,故D正确。
新人教版八年级下册初中物理重难点突破知识点梳理及重点题型巩固练习滑轮(基础)【学习目标】1、理解定滑轮、动滑轮特点、实质及其作用;2、理解滑轮组的作用及滑轮组的装配图。
【要点梳理】要点一、定滑轮和动滑轮(《滑轮》392030定滑轮和动滑轮)周边有槽,中心有一转动轴的轮子叫滑轮,因为滑轮可以连续旋转,因此可看作是能够连续旋转的杠杆,仍可以用杠杆的平衡条件来分析。
在工作过程中,轴的位置固定不动的滑轮叫做定滑轮;在工作过程中,轴的位置随物体移动的滑轮叫做动滑轮。
要点诠释:1、定滑轮:如下图甲所示,我们可把一条直径看成杠杆,圆心就是杠杆的支点,因此,定滑轮实质是等臂杠杆。
定滑轮的特点是它的转轴(支点)不随货物上下移动。
2、动滑轮,如下图乙所示,特点是它的转动轴会随物体上下移动,它实质是动力臂为阻力臂2倍的省力杠杆,它的转动轴是阻力作用点。
3、定滑轮和动滑轮的作用使用定滑轮虽然不能省力,但可以改变用力方向,给工作带来方便。
使用动滑轮可以省力,但要多移动距离。
要点二、滑轮组把定滑轮和动滑轮组合在一起,构成滑轮组。
要点诠释:1、特点:既可省力,又可以改变用力方向。
但费距离。
2、结论:在使用滑轮组时,滑轮组用几段绳子吊着动滑轮,提起物体所用的力就是总重的几分之一。
如果考虑动滑轮的重力,则有n 动物GG F +=。
要点三、根据要求设计滑轮组1、根据要求确定动滑轮上绳的段数。
2、根据绳的段数,确定动滑轮的个数:一个动滑轮可拉2段绳,还能改变用力方向;但也可以拉三段绳,但就不能改变用力方向了。
设想如果需要n段绳(n为偶数),那么就需要n/2个动滑轮和n/2个定滑轮穿绳组装时,绳的固定端要固定在定滑轮下的挂钩上(这叫做“偶定”),若不改变力的方向,还可少用一个定滑轮,即12-n 个定滑轮。
如果n 为奇数,则需要21-n 个动滑轮和同样数目的定滑轮,穿绳时,绳的固定端要拴在动滑轮上方的挂钩上(这叫做“奇动”),这不能改变用力方向,如果还想改变用力方向,就应再加一个定滑轮,即21+n 个定滑轮。
第2讲 滑轮 知识点练习【知识点1】1.初步认识滑轮介绍滑轮的结构:主要部分是能绕轴转动的轮子。
观察使用时的情景:a.使用时滑轮轴的位置固定不动;这种滑轮称为定滑轮; b.使用时轴的位置随被拉物体一起运动,这种滑轮称为动滑轮。
c.滑轮是一种简单机械。
2.定滑轮:1.回忆杠杆的五个要素,找出定滑轮支点,确定其动力臂和阻力臂的大小关系。
2.请学生根据以上分析,解释为什么斜着拉动重物时,拉力的大小不变。
①定义:中间的轴固定不动的滑轮。
②实质:定滑轮的实质是:等臂杠杆③特点:使用定滑轮不能省力但是能改变动力的方向。
④对理想的定滑轮(不计轮轴间摩擦)F=G绳子自由端移动距离SF(或速度vF) = 重物移动的距离SG(或速度vG)3.动滑轮:1.找出动滑轮的支点,强调这是一个瞬时支点,拉力的方向一定要竖直向上,确定其动力臂和阻力臂,并比较其的大小关系(动力臂是阻力臂的2倍)2.请学生进一步分析,解释为什么斜着拉动重物时,拉力的大小会变大(动力臂变小)。
①定义:和重物一起移动的滑轮。
(可上下移动,也可左右移动) ②实质:动滑轮的实质是:动力臂为阻力臂2倍的省力杠杆。
③特点:使用动滑轮能省一半的力,但不能改变动力的方向。
④理想的动滑轮(不计轴间摩擦和动滑轮重力)则:F= 1 2G 只忽略轮轴间的摩擦则拉力F= 1 2(G1F F 1物+G 动)绳子自由端移动距离SF(或vF)=2倍的重物移动的距离SG(或vG)【典例归纳】【例1】如图所示,健身员向下摆动脚踝使细绳拉着物体缓慢提升时,图中的滑轮是( ) A .定滑轮,可省力 B .动滑轮,可省力 C .定滑轮,可改变力的方向 D .动滑轮,可改变力的方向 【例2】如图是滑轮的两种用法,以下说法中正确的是( ) A .甲是动滑轮,使用时不能省力 B .乙是动滑轮,使用时可以省力 C .甲是定滑轮,使用时可以省力 D .乙是定滑轮,使用时不能省力【例3】如图1滑轮重10N ,货物重50N 。
滑轮练习一、初步认识滑轮2.介绍滑轮的结构:主要部分是能绕轴转动的轮子。
观察使用时的情景:a.使用时滑轮轴的位置固定不动;这种滑轮称为定滑轮;b.使用时轴的位置随被拉物体一起运动,这种滑轮称为动滑轮。
4.滑轮是一种简单机械。
定滑轮和动滑轮的实质1.回忆杠杆的五个要素,找出定滑轮支点,确定其动力臂和阻力臂的大小关系。
2.请学生根据以上分析,解释为什么斜着拉动重物时,拉力的大小不变。
3.得出结论:定滑轮实质是一个等臂的杠杆。
4.找出动滑轮的支点,强调这是一个瞬时支点,拉力的方向一定要竖直向上,确定其动力臂和阻力臂,并比较其的大小关系。
(动力臂是阻力臂的2倍)5.请学生进一步分析,解释为什么斜着拉动重物时,拉力的大小会变大(动力臂变小)。
6.得出结论:动滑轮实质是一种能省力的杠杆。
三、滑轮组1.定义:将定滑轮和动滑轮组合在一起的组合装置称为滑轮组。
2.特点:既能省力又能改变力的方向重物和动滑轮的重力由几段绳子承担,提起重物所用的力就是物重的几分之一。
简单滑轮组的设计与组装例:按照要求组装下列滑轮组。
(动滑轮自重不计)⑴用G/2的力提起重物;⑵用G/3的力提起重物课堂练习:如图所示,每个钩码的质量是50g,滑块A在钩码的作用下恰能沿水平面匀速滑动,那么滑块A受到的摩擦力是( )A.2.94 NB.1.96 NC.0.98 ND.0.49 N强化训练一、夯实基础(每空2分,共28分)1.定滑轮实质是_____杠杆,使用定滑轮可以改变________,但它不能_______。
2.动滑轮实质是______________的杠杆,使用动滑轮可以_______力,但_______改变力的方向。
3.如图所示的甲、乙两个装置中各使用了一个滑轮。
其中甲图中的滑轮是_____滑轮,乙图中的滑轮是_____滑轮。
4.用一个定滑轮和一个动滑轮组成的滑轮组提升重物时,人对绳子的拉力是70 N,则可匀速提起_____N或_____N的重物。
5.如图所示,有四个滑轮组,若分别用来把60 N的重物提起。
在动滑轮、绳重和摩擦不计的情况下,则F1=_____N,F2=_____N,F3=_____N,F4=_____N。
二、提升能力(每题5分,共35分)6.如图所示的滑轮匀速提升重物,那么A.F1方向的拉力最小B.F2方向的拉力最小C.F3方向的拉力最小D.三个方向的拉力都一样大7.如图所示的装置中,甲物重5 N,乙物重3 N。
甲、乙均保持静止状态,不计弹簧测力计自重。
则甲受到的合力和弹簧测力计的示数分别是A.0 N,3 N B.0 N,5 NC.2 N,5 N D.2 N,3 N8.如图所示,动滑轮重2 N,弹簧秤的示数为10N,则拉力F和物体的重为A.20N,18N B.10N,18NC.18N,10N D.20N,20N9.在不计机械自重和摩擦的情况下,能用10N的拉力不能提起重20N物体的简单机械是A.一个动滑轮B.一个定滑轮C.杠杆D.一个定滑轮和一个动滑轮组成的滑轮组10.如图所示,用三种不同的方式分别拉同一物体在水平地面上做匀速直线运动,所用拉力分别为F1、F2和F3,则它们的大小关系正确的是A.F3<F1<F2 B.F1<F2<F3 C.F2<F1<F3 D.F3<F2<F111.使用滑轮组可以达到的目的是A.省力而且一定能改变力的方向B.省力但不可能改变力的方向C.省力而且能省距离D.能省力而且也可以改变力的方向12.一位同学双手的最大拉力为500牛,现在他用一个动滑轮和一个定滑轮组成的滑轮组,最多能提起的物重为A.500牛B.1000牛C.1500牛D.250牛三、实验探究(共30分)13.用滑轮组提升重物,请在图中画出拉力F=G/3的绳子的绕法.(不计动滑轮、绳重和摩擦)14.站在岸上,借助树桩用一根绳和一个滑轮,用最省力的方法,把船拉上海滩,在图5中把绳和滑轮画出来。
15.根据图中的省力要求,画出绕绳子的方法(不计摩擦及滑轮重).四、学以致用(7分)16.小明同学利用定滑轮设计了一种拉动窗帘的简易装置(如下图).设计时他采用一根闭合的拉线绕在滑轮上,在右侧拉动这根拉线,就可以实现窗帘的打开与闭合.请你在图上画出这根拉线在滑轮上的绕法以及窗帘细线与拉线的连接.参考答案:一、夯实基础1.等臂;施力的方向;省力2.动力臂为阻力臂的2倍;省;不可以3.动定4.140;2105.15;12;20;15二、提升能力6.D7.A8.B9.B10.C11.D12.C三、实验探究13.如图所示14.如图所示15.略四、学以致用16.如图所示一、基础1.在升旗仪式时,我们可以看到旗杆的顶端有一个滑轮,请问这个滑轮是__滑轮(“动”或“定”),它的作用是 。
2.如图1,利用定滑轮匀速提升重物G ,需要拉力F 或'F ,F 和'F 大小的关系是 F'F 。
(填大于、小于、等于)3. 如图2所示装置中,若拉力F=4N ,则甲、乙两弹簧的读数分别为( ) A .8N ,8N B.12N ,8N C .8N ,12N D .12N ,12N4. 如图3所示,G1=20N ,台秤示数8N ,不计滑轮重,物体G2重( )A .2NB .18NC .28ND .20N 图25、如图4所示,动滑轮重为50牛顿,绳重和摩擦不计,人对绳子的拉力是260N ,则物重是 N ;若重物上升的高度是0.2m ,则绳子自由端下降 m 。
6、如图5所示,当物体A 在滑轮作用下沿水平面匀速运动时, 弹簧测力计1示数为30N ,则测力计2示数为____N ,A 受到的摩擦力为____N 。
(测力计及滑轮重不计) 7、在水平桌面上放一个200N 的重物,现用如图6所示装置将物体匀速拉动,物体与桌面的摩擦力是48N ,不考虑滑轮重力和滑轮与绳间摩擦,水平拉力 F 为______N 。
若绳子自由端移动速度为0.6m/s ,则物体移动速度为 。
8、某同学研究定滑轮的使用特点,他每次都匀速提起钩码,研究过程如图7所示,请仔细观察图中的操作和测量结果,然后归纳得出初步结论。
比较(a)、(b)两图可知:______________________________________。
(c)、(d)两图可知_______________________________ ______。
9定滑轮实质上是一个____杠杆。
使用定滑轮虽然不能____力,但可以改变____。
10、右图中A 是____滑轮。
利用这样的装置把物体举高,用力的方向应向____ (选填“上”、“下”)。
如果A 重2牛,要提起50牛的物体,至少要用____牛的 拉力。
若要使物体上升2米,应将绳的自由端拉动____米。
11.如右图所示,重物G 重40牛,若不计摩擦,匀速提起重物所用拉力为22 牛,则动滑轮的重力是____牛,钩子1受到绳子的拉力为____牛,钩子2受到重 物G 的拉力为____牛。
12.如右图所示,木块在桌面上匀速滑动,拉力F 为2牛,木块所受摩擦力为____牛。
F 1 2A图5 F图6图7 F(图4)(图3)13.如右图,滑轮A 上挂一重10牛的物体B ,C 为固定点(地面),当滑轮A 在力F 的作用下向上匀速上升时,滑轮A 的速度为重物B 上升时速度的_______ 倍,力F 应为______牛( 滑轮A 和绳重及摩擦均不计)。
二、作图题:14、如图8有一动滑轮提升重物,要求在图中标明支点O ,画出F1 F2的力臂L1 L2。
15. 如图9所示,每个滑轮(不分大小)重为5N ,要提升的重物重为120N ,用来串绕滑轮组的绳子能承受的最大拉力是30N 。
画出能安全提升重物的滑轮组的绕法。
16、用一个定滑轮和一个动滑轮组成的滑轮组,提升重力为G 的物体(滑轮重力和摩擦力不计),在图6中分别根据对绳子拉力F 的要求,画出绳子的绕法。
图 16 17题图 18题图17. 用滑轮组匀速提起重物,当重物升高0.5米时,绳的自由端被拉下2米,请在图中用笔画线表示出此滑轮组上绳的绕法.18、用图中所示的两个滑轮组成一个滑轮组提升重物,要求拉力为物重的三分之一(忽略摩擦以及绳和滑轮的重力),请在图中画出绳子的绕法。
(用直尺作图) 19、 如上图所示,质量为50千克的物体A 置于粗糙的水平地面上,用两个滑轮按图连接,当水平拉力F 为120牛时,物体A 恰能匀速前进,若物体A 前进0.5米所用的时间为10秒(绳和滑轮的质量及它们之间的摩擦力忽略不计)。
则物体A 受到的重力为 牛。
20.如右图所示,弹簧秤和细线的重力及一切摩擦不计,物重G= 1N ,则 弹簧秤A 和B 的示数分别为( )A. 1 N ,0B. 0,1NC. 1N, 1ND. 0, 021.如图9-40所示,不计摩擦及滑轮重,重为G 1、G 2的两个物体现在处于静止,则( )。
A .G 1=2G 2B .G 1=G 2C .2G 1=G 2D .G 1=3G 2F 2F 1图8G图9定滑轮和动滑轮的特点一、初步认识滑轮2.介绍滑轮的结构:主要部分是能绕轴转动的轮子。
观察使用时的情景:a.使用时滑轮轴的位置固定不动;这种滑轮称为定滑轮;b.使用时轴的位置随被拉物体一起运动,这种滑轮称为动滑轮。
4.滑轮是一种简单机械。
定滑轮和动滑轮的实质1.回忆杠杆的五个要素,找出定滑轮支点,确定其动力臂和阻力臂的大小关系。
2.请学生根据以上分析,解释为什么斜着拉动重物时,拉力的大小不变。
3.得出结论:定滑轮实质是一个等臂的杠杆。
4.找出动滑轮的支点,强调这是一个瞬时支点,拉力的方向一定要竖直向上,确定其动力臂和阻力臂,并比较其的大小关系。
(动力臂是阻力臂的2倍)5.请学生进一步分析,解释为什么斜着拉动重物时,拉力的大小会变大(动力臂变小)。
6.得出结论:动滑轮实质是一种能省力的杠杆。
三、滑轮组1.定义:将定滑轮和动滑轮组合在一起的组合装置称为滑轮组。
2.特点:既能省力又能改变力的方向重物和动滑轮的重力由几段绳子承担,提起重物所用的力就是物重的几分之一。
简单滑轮组的设计与组装例:按照要求组装下列滑轮组。
(动滑轮自重不计)⑴用G/2的力提起重物;⑵用G/3的力提起重物课堂练习:如图所示,每个钩码的质量是50g,滑块A在钩码的作用下恰能沿水平面匀速滑动,那么滑块A受到的摩擦力是( )A.2.94 NB.1.96 NC.0.98 ND.0.49 N强化训练一、夯实基础(每空2分,共28分)1.定滑轮实质是_____杠杆,使用定滑轮可以改变________,但它不能_______。
2.动滑轮实质是______________的杠杆,使用动滑轮可以_______力,但_______改变力的方向。
3.如图所示的甲、乙两个装置中各使用了一个滑轮。