半加器全加器的工作原理和设计方法实验报告
- 格式:doc
- 大小:114.50 KB
- 文档页数:6
数电实验报告半加全加器实验目的:掌握半加器和全加器的原理和应用,了解半加器和全加器的构造和工作原理。
实验器材:逻辑电路实验箱、7400四与非门、7402四与非门、7408四与门、7432四或门、7447数码显示器、开关、电源、跳线等。
实验原理:半加器和全加器是数字电路中常用的基本逻辑电路,用于对二进制进行加法运算,主要用于数字电路中的算术逻辑单元(ALU)。
1.半加器实验原理:半加器是一种能够对两个二进制位进行加法运算的电路。
半加器有两个输入端和两个输出端,输入端分别为A和B,输出端分别为S和C。
其中,A和B分别为要加的两个二进制数位,S为运算结果的个位,并且用S=A⊕B表示;C为运算结果的十位(进位),C=A·B表示。
半加器的真值表和逻辑符号表达式如下:```A,B,S,C0,0,0,00,1,1,01,0,1,01,1,0,1```2.全加器实验原理:全加器是一种能够对两个二进制位和一个进位信号进行加法运算的电路。
全加器有三个输入端和两个输出端,输入端分别为A、B和Cin,输出端分别为S和Cout。
其中,A和B分别为要加的两个二进制数位,Cin 为上一位的进位信号,S为运算结果的个位,并且用S=A ⊕ B ⊕ Cin表示;Cout为运算结果的十位(进位),Cout=(A·B) + (A·Cin) + (B·Cin)表示。
全加器的真值表和逻辑符号表达式如下:```A ,B , Cin , S , Cout0,0,0,0,00,0,1,1,00,1,0,1,00,1,1,0,11,0,0,1,01,0,1,0,11,1,0,0,11,1,1,1,1```实验步骤:1.首先,按照实验原理连接逻辑门实验箱中的电路。
将7400四与非门的1、2号引脚分别连接到开关1、2上,将开关3连接到7400的3号引脚,将开关4连接到7400的5号引脚,将7400的6号引脚连接到LED1上,表示半加器的进位输出。
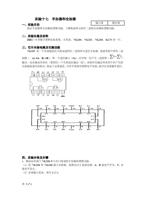
实验十七半加器和全加器一、实验目的验证半加器和全加器的逻辑功能,了解集成单元四位二进制全加器的逻辑功能。
二、实验仪器及材料DIEC—3型数字逻辑实验系统、万用表、74LS00、74LS83、74LS86、4LS74各一片。
三、芯片内部电路及引脚功能74LS83 是一个内部超前近卫的高速四位二进制串行进位全加器,他接受两个四位二进制数(A1 =A,B1 =B),和一个进位输入(Cn),并对每一位产生二进制和(∑∑-1 1)输出,还有最高有效位(第四位)产生的进位输出(C),该组件有越过所有四个位产生的内部超前进位的特点,提高了运算速度。
另外不需要对逻辑电平反相,就可以实现循环进位。
四、实验内容及步骤1、测试由异或门74LS86和与非门组成的半加器的逻辑功能。
(1)将74LS86和74LS00插入实验箱,按图.3.17.2连接电路。
A、B接电平开关,Y、C 接电平显示。
(2)改变输入状态,填写3.17.1.表3.17.12、测试全加器的逻辑功能(1)将74LS54、74LS86\74LS00插入实验箱,按图3.17.3接线,注意与非门的不同端需要接替,A 、B 接电平开关,Y 、C 接电平显示。
(2)改变输入端状态,填写表3.17.2. 表3.17.2表 3.17.23、测试四位二进制全加器的逻辑功能(1)将四位二进制全加器74LS83插入实验箱,按图3.17.4连接迪娜路,输入端A1/A3 、A2/A4、B1/B3、B2/B4分别接四个输入电平。
Co 进位端接“1”或“0”(接5V 或地),输出∑∑3/1、∑∑4/2,进位输出C4都接输出电平显示。
(2)改变输入逻辑状态,填写表 3.17.3.4、加法器在二进制数码转换中的应用(1)按图3.17.5连接电路,在D、C、B、A端输入BCD码,则d、c、b、a端输出为余三码。
(2)将测得的数据填入表3.17.4图3.17.5表3.17.4五、实验报告要求1、整理实验报告数据,图表,对实验结果进行分析和讨论。
半加器实验报告一、引言半加器是一种基本的数字电路元件,广泛应用于计算机和电子领域。
本实验旨在通过搭建半加器电路,对其原理和功能进行深入理解,并探索其在数字电路中的应用。
二、实验目的1. 理解半加器的基本原理和工作方式;2. 掌握搭建半加器电路所需的器件和端口连接方法;3. 进行实际操作,观察和验证半加器电路的输出结果。
三、实验原理半加器是一种用于实现两个二进制数的加法运算的数字电路。
它有两个输入端和两个输出端。
其中,输入端分别连接两个待加法的二进制位,而输出端则分别输出它们的“和”和“进位”。
半加器的原理图如下所示:(图1:半加器原理图)四、实验步骤1. 准备器材:半加器芯片、杜邦线、实验面包板等;2. 按照半加器的原理图,将芯片和其他元件连接起来。
即将待加法的两个二进制位分别连接到芯片的两个输入端口,将“和”和“进位”两个输出端口与示波器相连;3. 打开电源,给电路提供适当的电压;4. 观察示波器上显示的输出结果,并进行记录和分析。
五、实验结果与分析在实验中,我们使用了两个二进制位进行操作,并观察了半加器的输出结果。
通过实验数据的分析,我们可以得出以下结论:1. 当两个输入位均为0时,半加器的“和”位和“进位”位的输出分别为0;2. 当两个输入位中有一个为1,另一个为0时,半加器的“和”位输出为1,而“进位”位输出为0;3. 当两个输入位均为1时,半加器的“和”位输出为0,而“进位”位输出为1。
六、实验总结通过本次实验,我们进一步加深了对半加器的理解。
半加器作为一种基本的数字电路组件,其原理简单而重要。
它能够实现两个二进制数的加法运算,并正确输出它们的“和”和“进位”。
在计算机和电子领域中,半加器被广泛应用于多种数字电路中,如加法器、减法器等。
通过观察实验结果,我们可以看到半加器电路的输出符合预期,并且与理论模型相符。
这再次验证了半加器电路的正确性和可靠性。
同时,在实验操作过程中,我们也加深了对数字电路的搭建和连接方法的了解,提高了自身的实践操作能力。
实验五半加器和全加器实验五半加器和全加器一、实验目的1(掌握组合逻辑电路的分析和设计方法。
2(验证半加器、全加器、奇偶校验器的逻辑功能。
二、实验原理使用中、小规模集成门电路分析和设计组合逻辑电路是数字逻辑电路的任务之一。
本实验中有全加器的逻辑功能的测试,又有半加器、全加器的逻辑设计。
通过实验要求熟练掌握组合逻辑电路的分析和设计方法。
实验中使用的二输入端四异或门的电路型号为74LS86,四位二进制全加器的型号为74LS83A,其外引线排列及逻辑图如下:14 13 12 11 10 9 8VCC=1 =174LS86=1 =1GND1 2 3 4 5 6 774LS86引脚排列16 15 14 13 12 11 10 9C C GND B AΣ 44011 BΣ4174LS83AA 2A Σ AB V Σ B 4333CC221 2 3 4 5 6 7 874LS83引脚排列74LS83A是一个内部超前进位的高速四位二进制串行进位全加器,它接收两个四位二进制数(A~A,B~B),和一个进位输入(C),并对每一位产生二进制和14140 (Σ~Σ)输出,还有从最高有效位(第四位)产生的进位输出(C)。
该组件有144越过所有四个位产生内部超前进位的特点,提高了运算速度。
另外不需要对逻辑电平反相,就可以实现循环进位。
三、实验仪器和器件1(实验仪器(1)DZX-2B型电子学综合实验装置(2)万用表(MF47型)2(器件(1)74LS00(二输入端四与非门)(2)74LS86(二输入端四异或门)(3)74LS83(四位二进制全加器)(4)74LS54(双二双三输入端与或非门)四、实验内容1(设计用纯与非门组成的半加器,分析、验证其逻辑功能;解:?根据设计任务列出真值表输入输出A B Y C0 0 0 00 1 1 01 0 1 01 1 0 1?根据真值表写出逻辑表达式C=AB Y,AB,AB?对逻辑表达式进行化简Y =A?B C=AB?根据所用逻辑门的类型将化简后的逻辑表达式整理成符合要求的形式Y =A?B= C=AB,AB AAB,BAB?根据整理后的逻辑表达式画出逻辑图? Y2 & 接A 逻=AB Y? 辑1& & YY 1 接电Y=A AB 电2平 ? B 平& Y=B AB ?3 Y3 显Y=A?B 示 ? & C=AB C图5-1 半加器设计参考图?根据逻辑图装接实验电路,测试其逻辑功能并加以修正表5-1’(验证) 表5-1(分析)输入输出输入逐级输出Y B C B A B Y C A B YYYY C 1 2 3A 0 1 A 0 1 0 0 0 0 0 0 1 1 1 0 00 0 1 0 0 0 0 1 1 0 0 1 1 1 0 1 01 1 1 0 0 1 1 0 1 0 1 0 1 0 1 1 01 1 0 1 1 1 0 1 1 0 1 卡诺图Y= A?B C=AB 2(设计用异或门组成半加器,并测试其逻辑功能; 解:???步骤同上?根据所用逻辑门的类型将化简后的逻辑表达式整理成符合要求的形式Y =A?B C= AB,AB?根据整理后的逻辑表达式画出逻辑图?根据逻辑图装接实验电路,测试其逻辑功能并加以修正表5-2输入输出接接=1 A Y ? 逻电A B Y C 辑平显电0 0 0 0 平示 B ? C ? & & 0 1 1 0 图5-2测量由异或门组成的半加器的逻辑功能 1 0 1 01 1 0 12(设计用74LS54、74LS86、74LS00组成全加器,并测试其逻辑功能;解:?根据设计任务列出真值表输入输出 ?根据真值表写出逻辑表达式 Y C A B C 00 0 0 0 0 Y,ABC,ABC,ABC,ABC00000 1 0 1 0C,ABC,ABC,ABC,ABC00001 0 0 1 01 1 0 0 1 ?对逻辑表达式进行化简0 0 1 1 0,,,,,,,,Y,AB,ABC,AB,ABC,A,BC,A,BC0 1 1 0 1 00001 0 1 0 1 ,,,,,,,A,BC,A,BC,A,B,C0001 1 1 1 1,,,,,,C,ABC,C,AB,ABC,AB,A,BC0000?根据所用逻辑门的类型将化简后的逻辑表达式整理成符合要求的形式,, Y,A,B,C0,, C,AB,A,BC0?根据整理后的逻辑表达式画出逻辑图?根据逻辑图装接实验电路,测试其逻辑功能并加以修正表5-3接电平显示 C 输入输出 Y A B CY C 074LS00 & 0 0 0 0 0 ? 0 1 0 1 0 ?1 0 0 1 0 ?1 =1 =11 1 0 0 1 & & & & 0 0 1 1 0 1/2 74LS860 1 1 0 1 ? ? ? ? ? ? ? 1 0 1 0 1 ? A B C0 1 1 1 1 1 74LS54 接逻辑电平图5-34(分析四位二进制全加器74LS83A的逻辑功能;接电平显示Σ Σ Σ Σ 4321接接电“0” CC4 0 FAFAFAFA4 3 2 1 平或显“1” ? ? 示 ? ?74LS83A A/AA/AB/BB/B24 13 24 24接逻辑电平图5-4 分析四位二进制全加器74LS83A的逻辑功能表5-4输出输入C=0 C=1 00B/BA/A B/B A/A ΣΣΣΣCΣΣΣΣC24 2413131 2 3 4 4 1 2 3 4 4 0 0 0 0 0 0 0 0 0 1 0 0 0 0 0 0 0 1 1 0 1 0 0 0 1 1 0 0 0 0 1 0 1 0 1 0 0 0 1 1 0 0 0 0 1 1 0 1 0 1 0 1 1 0 1 0 0 1 0 0 0 1 0 10 1 1 0 1 0 0 1 0 1 1 1 1 1 0 0 0 0 0 1 0 1 1 0 1 1 1 1 0 0 0 0 0 1 0 11 1 0 0 1 0 1 1 0 1 0 1 1 0 0 0 0 1 0 1 0 1 1 0 1 0 1 0 0 1 1 1 1 1 0 0 0 0 0 1 1 0 1 0 1 1 1 1 0 0 0 0 0 1 1 0 1 1 0 0 1 0 1 1 0 1 0 1 1 1 0 00 0 1 0 1 1 0 1 0 1 1 1 0 1 1 0 0 1 1 0 1 0 1 1 1 1 1 0 1 0 0 1 1 0 1 01 1 1 1 1 1 0 1 1 1 1 1 1 1 1 1*5(用加法器74LS83A实现BCD码和余三码之间的相互转换。
半加器全加器的工作原理和设计方法实验报告
一、实验目的
1、了解数字电路的基本运算电路,如半加器和全加器。
二、实验器材
集成电路IC:74LS86、74LS83A、定时器CD4017
三、实验原理
1、半加器
半加器的功能是对两个二进制位的加法进行部分运算,即进行逐位相加,得到次位的进位信号和本位的和信号,半加器的运算法则如下:
• 0+0=0,S=0,C=0
其中,S为和信号,C为进位信号。
半加器的逻辑电路图如图1所示:
其中,传输门XOR gate为异或门,SUM为和信号输出端,CARRY为进位信号输出端。
2、全加器
图2. 全加器逻辑电路图
四、实验内容
将集成电路74LS86的引脚定义为X1、X2、不连、SUM、CARRY,输入进位信号CARRY 为不连,依次连接如图3所示,将本位输入信号接到X1和X2引脚上,再将SUM和CARRY 引脚接到示波器上,调节示波器显示参数,观察和进位信号输出情况。
将全加器的电路图按照原理图进行布线,如图4所示:
五、实验结果
将X1和X2输入信号分别输入1和0,观察示波器上和进位信号输出情况如图5所示:
图5. 半加器实验结果
该结果表明,1+0=1,和信号S=1,进位信号C=0,符合半加器的逻辑运算法则。
3、实验验证了半加器和全加器的逻辑运算法则和逻辑电路设计方法。
预习报告实验名称半加器原理图学号姓名指导老师一、实验目的1.学习和掌握半加器全加器的工作原理和设计方法。
2. 熟悉EDA工具Quartus II 的使用,能够熟练运用Vrilog HDL语言在Quartus II下进行工程开发、调试和仿真。
3.掌握组合逻辑电路的设计方法,理解组合电路的特点二、实验仪器设备仪器设备名称规格型号编号备注QuartusIIQuartus II 编译器三、实验原理两个二进制数相加,叫做半加,实现半加操作的电路,称为半加器。
A表示被加数,B表示加数,S表示半加和,co表示向高位的进位。
四、实验内容(VHDL语言代码和仿真波形截图及文字分析)1.建立工作库文件夹和编辑设计文件(1)新建一个文件夹。
本项设计的路径为e:\lxh\eda\bjq。
注意,文件夹名不能用中文,也最好不要用数字。
(2)输入原理图,打开Quartusll,选择菜单File-->New。
在New窗口中的Design Files中选择“Block Diagram/Schematic Files”。
然后在编译窗中输入半加器的原理图。
( 3 )文件存盘。
选择File——>Save As命令,找到已设立的文件夹e:\lxh\eda\bjq,存盘文件名为bjq.bdf。
当出现问句“Do you want to create...”时,若单击“是”按钮,则直接进入创建工程流程。
若单击“否”按钮,可按以下的方法进入创建工程流程。
2.创建工程(1)打开建立新工程管理窗。
选择菜单File→New Preject Wizard命令,即弹出“工程设置”对话框。
点击“next”单击此对话框最上一栏右侧的“…”按钮,找到文件夹E:\LXH\EDA\bjq,选中已存盘的文件bjq.bdf,再单击“打开”按钮。
其中第一行的 E:\LXH\EDA\bjq表示工程所在的工作库文件夹;第二行的bjq表示此项工程的工程名,工程名可以取任何其他的名,也可直接用顶层文件作为工程名,第三行是具体的文件名,这里即为 bjq。
班级姓名学号
实验二组合电路设计
一、实验目旳
(1)验证组合逻辑电路旳功能
(2)掌握组合逻辑电路旳分析措施
(3)掌握用SSI小规模集成器件设计组合逻辑电路旳措施
(4)理解组合逻辑电路集中竞争冒险旳分析和消除措施
二、实验设备
数字电路实验箱,数字万用表,74LS00,74LS86
三、实验原理
1.组合逻辑概念
一般逻辑电路可分为组合逻辑电路和时序逻辑电路两大类。
组合逻辑电路又称组合电路,组合电路旳输出只决定于当时旳外部输入状况,与电路旳过去状态无关。
因此,组合电路旳特点是无“记忆性”。
在构成上组合电路旳特点是由多种门电路连接而成,并且连接中没有反馈线存在。
因此多种功能旳门电路就是简朴旳组合逻辑电路。
组合电路旳输入信号和输出信号往往不只一种,其功能描述措施一般有函数体现式、真值表,卡诺图和逻辑图等几种。
实验中用到旳74LS00和74LS86旳引脚图如图所示。
00 四2输入与非门
Vcc4B4A4Y3B3A3Y
1A1B1Y2A2B2Y GND
2.组合电路旳分析措施。
组合逻辑电路分析旳任务是:对给定旳电路求其逻辑功能,即求出该电路旳输出与输入之间旳关系,一般是用逻辑式或真值表来描述,有时也加上必须旳文字阐明。
分析一般分为一下几种环节:
(1)由逻辑图写出输出端旳逻辑体现式,简历输入和输出之间旳关系。
(2)列出真值表。
(3)根据对真值表旳分析,拟定电路功能。
3.组合逻辑电路旳设计措施。
组合逻辑电路设计旳任务是:由给定旳功能规定,设计出相应旳逻辑电路。
一般设计旳逻辑电路旳过程如图:。
一、实验原理
全加器是一个能对两个一位二进制数及来自低位的“进位”进行相加,产生本位“和”及向高位“进位”的逻辑电路。
该电路有3个输出变量,分别是两个加数Ai,Bi和一个低进位Ci—-1,2个输出变量。
分别是本位Si和向高进位Ci。
二、实验过程
1,使用中小规模集成电路来设计组合电路是最常见的逻辑电路。
根据设计任务的要求建立输入,输出变量,并列出真值表。
2设计步骤,
1)根据题意列出真值表,再填入卡诺图。
2)由卡诺图得出逻辑表达式,并演化成“与非”的形式
3)根据逻辑表达式画出用“与非门”构成的逻辑电路
4)用实验验证逻辑功能
在实验装置适当位置选定3个14插座,按照集成块定位标记插好集成块74LS20
按图接好,输入端至逻辑开关。
实验提示:
对于非门而言,如果一个与门中的一条或几条如入引脚不被使用,则需将他们接高电平,如果一个与门不被使用,则需将此与门的至少一条输入引脚接低电平。
三、实验数据
半加器功能测试
A B S C
0 0 0 0
0 1 1 0
1 0 1 0
1 1 0 1 全加器功能测试
A i
B i
C i S i C i+1
0 0 0 0 0
0 0 1 1 0
0 1 0 1 0
0 1 1 0 1
1 0 0 1 0
1 0 1 0 1
1 1 00 1
1 1 1 0 1
四、实验所得
学会了全加器,半加器的接法,从原理上懂得了选择器的使用方法。
实验六半加器和全加器实验一、实验概述本实验是通过使用74LS00和74LS86来验证半加器和全加器的功能。
二、实验目的1、掌握半加器的工作原理及电路组成2、掌握全加器的工作原理及电路组成3、学习及掌握组合逻辑电路的设计、调试方法三、实验预习要求1、查出74LS86、74LS00芯片的引脚图及其各引脚功能2、推导由与非门构成半加器、全加器的逻辑表达式3、按实验内容要求设计半加器、全加器的实验线路图四、实验原理1、半加器两个二进制数相加,叫做半加,实现半加操作的电路,称为半加器。
表6.4-1是半加器的真值表,图6.4-1为半加器的符号,A表示加数;B表示被加数;S表示半加和;C表示向高位的进位。
A图6.4-1 表6.4-1从二进制数加法的角度看,真值表中只考了两个加数本身,没有考虑低位来的进位,这就是半加器一词的由来。
由真值表可得半加器逻辑表达式2、全加器全加器能进行加数、被加数和低位来的进位信号相加,并根据求和的结果给出该位的进位信号。
图6.4-2是全加器的符合,如果用Ai 、Bi 表示A 、B 两个数的第i 位,Ci-1表示为相邻低位来的进位数,Si 表示为本位和数(称为全加和),Ci 表示为向相邻高位的进位数,则根据全加运算规则可列出全加器的真值表如表6.4-2。
图6.4-2表6.4-2利用图形法可以很容易地求出S 、C 的简化函数表达式。
五、 Proteus 使用的元器件1. LOGICPROBE(BIG) //逻辑探头(大)。
2. LOGICSTATE //逻辑状态输入。
AB C B A B A B A S =⊕=+=A B C 1-⊕⊕=i i i i C B A S ii i i i i B A C B A C +⊕=-1)(3.74LS86 //四2输入异或门。
4.74LS00 //2输入4与非门。
六、实验要求1、半加器控制半加器的A、B端的电平,观察Y、Z的结果是否跟真值表一样。
2、全加器控制全加器的Ai、Bi和Ci-1端的电平,观察Si、Ci的结果是否跟真值表一样。
浙江万里学院实验报告
课程名称:电子技术基础
实验名称:半加器与全加器实验专业班级:
一、实验目的
1.学习使用异或门组成半加器和全加器;
2.测试集成4位二进制全加器74LS83的逻辑功能。
二、实验内容
1.用异或门和与非门构成半加器(电路如图所示)
半加器输入、输出关系表
2.用异或门和与非门构成全加器
(其他图类似,省略)
全加器输入、输出关系
3.74LS83型4位二进制加法器功能测试(电路图如图所示)
(其他图都是类似的,所以就省略)
4.用74LS83实现十六进制到BCD码的转换
(其他图类
似,所以省略) 实验小结
通过实验异或门和非门构成的半加器和全加器的实验,让我掌握了两种门是如何构成全、半加器,怎么实现逻辑功能,通过课上连接的实物电路图和课下的仿真得到数据,通过数据分析得到了所要预期的结果和功能;然后通过74LS83型4位二进制加法器和74LS83的十六进制到BCD 码的转换这2个实验,明白了74LS83加法器的逻辑功能,但是74LS83的十六进制到BCD 码的转化由于比较复杂,通过和同学、老师交流解决了一些难点,并且通过仿真得到了实验结果。
《数字电子技术》组合逻辑电路(半加器全加器及逻辑运算)一、实验目的1、掌握组合逻辑电路的功能测试。
2、验证半加器和全加器的逻辑功能。
3、学会二进制数的运算规律。
二、实验原理数字电路分为组合逻辑电路和时序逻辑电路两类。
任意时刻电路的输出信号仅取决于该时刻的输入信号,而与信号输入前电路所处的状态无关,这种电路叫做组合逻辑电路。
分析一个组合电路,一般从输出开始,逐级写出逻辑表达式,然后利用公式或卡诺图等方法进行化简,得到仅含有输入信号的最简输出逻辑函数表达式,由此得到该电路的逻辑功能。
两个一位二进制数相加,叫做半加,实现半加操作的电路称为半加器。
两个一位二进制数相加的真值表见表5-1,表中Si 表示半加和,Ci 表示向高位的进位,Ai 、Bi 表示两个加数。
表5-1 半加器真值表从二进制数加法的角度看,表中只考虑了两个加数本身,没有考虑低位来的进位,这也就是半加一词的由来。
由表5-1可直接写出半加器的逻辑表达式:Si=AiBi AiBi +、Ci=AiBi 由逻辑表达式可知,半加器的半加和Si 是Ai 、Bi 的异或,而进位Ci 是Ai 、Bi 相与,故半加器可用一个集成异或门和一个与门组成。
两个同位的加数和来自低位的进位三者相加,这种加法运算就是全加,实现全加运算的电路叫做全加器。
如果用Ai 、Bi 分别表示A 、B 两个多位二进制数的第i 位,1i C -表示低位(第i-1位)来的进位,则根据全加运算的规则可列出真值表如表5-2。
表5-2 全加器的真值表利用卡诺图可求出Si 、Ci 的简化函数表达式:i i i i-1i i i i i i S =A B C C =(A B )C +A B ⊕⊕⊕可见,全加器可用两个异或门和一个与或门组成。
如果将数据表达式进行一些变换,半加器还可以用异或门、与非门等元器件组成多种形式的电路(见图5-2,图5-3)。
三、实验仪器及材料器件:74LS00 二输入端四与非门 3片74LA86 二输入端四异或门 1片74LS54 四组输入与或非门 1片四、预习要求1、预习组合逻辑电路的分析方法。
一、实验目的
1、掌握组合逻辑电路的功能测试。
2、验证半加器和全加器的逻辑功能。
3、学会二进制数的运算规律。
二、实验元器件
数电实验箱、集成芯片(74LS00、74LS10、74LS54、74LS86)、导线。
三、实验内容
1、组合逻辑功能路功能测试。
用两片74LS00组成图2-3
A
A
B
A
A
B
A
Y+
=
⋅
=
1C
B
B
A
C
B
B
A
Y+
=
⋅
=
2
2、测试用异或门(74LS86)和与非门组成的半加器的逻辑功能。
用一片(74LS86)和(74LS00)组成半加器。
数电实验报告二
组合逻辑电路(半加器、全加器及逻辑运算)
Vcc
A B
3、
S
CO
CO
A B
C
4、设计性实验
设计一个“一致电路”。
电路有三个输入端,一个输出端。
当三个输入端变量A、B、C状态一致时,输出F为“1”;当三个变量状态不一致时,输出F为“0”。
(要求:用与非门组成电路。
)
步骤:
i.列真值表:(右图)
ii.写出逻辑表达式:
()()
ABC
C
B
A
F⋅
=
iii.画逻辑电路图:(下图)
A
B
C
F
iv.按下图连接实验电路。
(下图)
A B。
实验四组合逻辑电路的设计及半加器、全加器一、实验目的1.掌握组合逻辑电路的设计与测试方法2.掌握半加器、全加器的工作原理。
二、实验原理和电路1、组合逻辑电路的设计使用中、小规模集成电路来设计组合电路是最常见的逻辑电路。
设计组合电路的一般步骤如图图1.4.1 组合逻辑电路设计流程图根据设计任务的要求建立输入、输出变量,并列出真值表。
然后用逻辑代数或卡诺图化简法求出简化的逻辑表达式。
并按实际选用逻辑门的类型修改逻辑表达式。
根据简化后的逻辑表达式,画出逻辑图,用标准器件构成逻辑电路。
最后,用实验来验证设计的正确性。
1.半加器根据组合电路设计方法,首先列出半加器的真值表,见表写出半加器的逻辑表达式S=AB+AB=A⊕BC=AB若用“与非门”来实现,即为半加器的逻辑电路图如图在实验过程中,我们可以选异或门74LS86及与门74LS08实现半加器的逻辑功能;也可用全与非门如74LS00反相器74LS04组成半加器。
(a)用异或门组成的半加器 (b )用与非门组成的半加器图1.4.2 半加器逻辑电路图2.全加器用上述两个半加器可组成全加器,原理如图图 表1.4.2 全加器逻辑功能表表1.4.1 半加器逻辑功能三、实验内容及步骤1.测试用异或门(74LS86)和与非门组成的半加器的逻辑功能。
根据半加器的逻辑表达式可知,相加的和Y 是A 、B 的异或,而进位Z 是A 、B 相与,故半加器可用一个集成异或门和二个与非门组成如图图1.4.4 用一个集成异或门和二个与非门组成半加器⑴ 在实验仪上用异或门和与门接成以上电路。
A 、B 接逻辑开关,Y 、Z 接发光二极管显示。
⑵ 按表,将相加的和Y 和进位Z 的状态填入下表中。
表1.4.3⑴写出图i C i = ⑵根据逻辑表达式列真值表,并完成表1.4.4,实验证之。
⑶根据真值表画逻辑函数SiCi 的卡诺图。
完成图1.4.6图 1.4.5图 1.4.6⑸试设计用异或门、与门、或门组成的全加器的逻辑功能并接线进行测试,将测试结果记入表,与上表进行比较看逻辑功能是否一致。
一、实验目的
1、学习和掌握半加器全加器的工作原理和设计方法。
2、熟悉EDA工具Quartus II的使用,能够熟练运用Vrilog HDL语言在
Quartus II下进行工程开发、调试和仿真。
3、掌握组合逻辑电路在Quartus Ⅱ中的图形输入方法及文本输入方法,
掌握层次化设计方法。
4、掌握半加器、全加器采用不同的描述方法。
二、实验容
1、完成半加器全加器的设计,包括原理图输入,编译、综合、适配、仿真等。
并将半加器电路设
置成一个硬件符号入库
2、建立更高层次的原理图设计,利用1位半加器构成1位全加器,并完成编译、综合、适配、仿
真并硬件测试
3、采用图形输入法设计1位加法器分别采用图形输入和文本输入方法,设计全加器
4、实验报告:详细叙述1位全加法器的设计流程,给出各层次的原理图及其对应的仿真波形图,
给出加法器的上时序分析情况,最后给出硬件测试流程和结果。
三、实验步骤
1、建立一个Project。
2、编辑一个VHDL程序,要求用VHDL结构描述的方法设计一个半加器
3、对该VHDL程序进行编译,修改错误。
4、建立一个波形文件。
(根据真值表)
5、对该VHDL程序进行功能仿真和时序仿真
四、实验现象
任务1:半加器真值表描述方法
代码如下:
半加器是只考虑两个加数本身,而不考虑来自低位进位的逻辑电路
S=A B+A B CO=AB
代码如下:
LIBRARY IEEE; --行为描述半加器 USE IEEE.STD_LOGIC_1164.ALL; ENTITY h_adder IS
PORT(a,b:IN STD_LOGIC; so,co:OUT STD_LOGIC); END h_adder;
Architecture FH1 OF h_adder IS
Signal abc:STD_LOGIC_vector(1 downto 0); Begin
abc<=a&b; --并 Process(abc) --进程 begin
case abc is
WHEN "00"=>SO<='0';CO<='0'; WHEN "01"=>SO<='1';CO<='0'; WHEN "10"=>SO<='1';CO<='0'; WHEN "11"=>SO<='0';CO<='1'; WHEN OTHERS =>NULL; END CASE; END PROCESS;
END ARCHITECTURE FH1; 结果如下:
逻辑图
半加器真值表
A i
B i S i
C i 0 0 0 1 1 0 1 1
0 0 1 0 1 0 0 1
任务2:二进制加法运算规则描述
代码如下:
LIBRARY IEEE;--行为描述(抽象描述结构体的功能) USE IEEE.STD_LOGIC_1164.ALL;
ENTITY h_adder2 is --半加器
PORT(A,B:IN STD_LOGIC;
S,C0:OUT STD_LOGIC);
END h_adder2;
ARCHITECTURE be_half_adder OF h_adder2 IS BEGIN
PROCESS(A,B)
BEGIN
IF(A='0' AND B='0') THEN S<='0';C0<='0'; ELSIF(A='0' AND B='1') THEN
S<='1';C0<='0';
ELSIF(A='1' AND B='0') THEN S<='1';C0<='0'; ELSE
S<='0';C0<='1';
END IF;
END PROCESS;
END be_half_adder;
结果如下:
任务3:按逻辑表达式设计
代码如下:
LIBRARY IEEE; --行为描述半加器(按逻辑表达式)USE IEEE.STD_LOGIC_1164.ALL;
ENTITY h_adder3 IS
PORT(a,b:IN STD_LOGIC;
so,co:OUT STD_LOGIC);
END h_adder3;
Architecture FH1 OF h_adder3 IS
Begin
so<=a XOR b ;
co<=a AND b;
END ARCHITECTURE FH1;
结果如下:
任务4:用基本单元电路与或非描述半加器
代码如下:
library IEEE;
use IEEE.STD_LOGIC_1164.all;
entity h_adder4 is
port(a:in STD_LOGIC;
b:in STD_LOGIC;
sum:out STD_LOGIC;
co:out STD_LOGIC );
end h_adder4;
architecture ch4 of h_adder4 is
signal c,d:std_logic;
begin
c<=a or b;
d<=a nand b;
co<=not d;
sum<=c and d;
end architecture ch4;
结果如下:
任务5 :结构描述
代码如下:
--h_adder5
LIBRARY IEEE;
USE IEEE.STD_LOGIC_1164.ALL;
ENTITY h_adder5 IS
PORT(A,B:IN STD_LOGIC;
co,s: OUT STD_LOGIC);
END ENTITY h_adder5;
ARCHITECTURE mix OF h_adder5 IS COMPONENT xor21 IS
PORT(i0,i1:IN STD_LOGIC;
q:OUT STD_LOGIC);
END COMPONENT;
BEGIN
co<=A AND B;
u1: xor21 PORT MAP(i0=>A,i1=>B,q=>s); --例化END ARCHITECTURE mix;
--xor21
--half_adder半加器,结构描述
LIBRARY IEEE;
USE IEEE.STD_LOGIC_1164.ALL;
ENTITY xor21 IS
PORT(i0,i1:IN STD_LOGIC;
q: OUT STD_LOGIC);
END ENTITY xor21;
ARCHITECTURE behav OF xor21 IS
BEGIN
q<=i0 XOR i1;
END ARCHITECTURE behav;
结果如下:
五、实验体会
通过这次实验,复习了VHDL语言的应用,通过五种不同的方式,进行半加器的设计,加深了对半加器的理解,及对五种方法的运用,真值表描述方法、二进制加法运算规则描述、按逻辑表达式设计、用基本单元电路与或非描述半加器、结构描述。
尤其在结构描述,元件例化部分,有了更好的理解和掌握。