STPM01计量芯片资料
- 格式:pdf
- 大小:137.28 KB
- 文档页数:9
SAM芯片手册芯片手册 (1)1. 一般描述 (3)1.1. 目录 (3)1.2. 芯片简介 (3)1.3. 芯片特征 (3)1.4. 芯片框架 (4)1.5. 管脚定义 (5)2. 控制模块 (7)2.1. 章节内容 (7)2.2. 简介 (7)2.3. 指令集说明 (7)2.4. 寄存器描述 (10)2.5. 状态机 (11)3. AES运算模块 (11)3.1. 章节内容 (11)3.2. 简介 (12)3.3. 特性 (12)3.4. 结构描述 (12)3.4.1. 接口单元 (13)3.4.2. 循环运算单元 (13)3.4.3. 密钥扩展单元 (13)3.4.4. 控制单元 (13)3.5. 寄存器描述 (13)3.6. 功能描述 (15)4. RSA运算模块 (16)4.1. 章节内容 (16)4.2. 简介 (16)4.3. 特性 (16)4.4. 结构描述 (17)4.4.1. 接口单元 (17)4.4.2. 模幂控制器 (17)4.4.3. 数据状态寄存器 (17)4.4.4. 模乘运算单元 (17)4.5. 寄存器描述 (18)4.6. 功能描述 (19)1.一般描述1.1. 目录1.2 芯片简介 (3)1.3 芯片特征 (3)1.4 芯片框架 (4)1.5 管脚定义 (5)1.2. 芯片简介基于可重构算法的SAM芯片,作为可信模块用于个人计算机或者其他嵌入式系统,以保证该系统信息安全。
该芯片包括RSA、AES运算模块,伪随机数产生模块,控制模块,分别用于加解密运算,指令译码和信号流的控制,内部用Wishbone作为总线,将各模块与控制模块相连。
运用可重构算法,可以用较少的资源实现不同长度的加解密处理,以适应不同程度的运用,同时节约资源,节省成本。
1.3. 芯片特征SAM芯片特征包括以下几点:1)、完备的控制指令集,通过从外部引脚CDIO,可以对芯片的运算方式、密钥长度和工作模式进行配置,已完成不同的加解密要求;2)、SAM包含一个控制器,该控制器的功能包括:指令译码,数据流控制,各运算模块选择,使各模块协调工作;3)、RSA模块,该模块可重构算法设计,可以通过指令配置,选择256、512、1024和2048位的密钥对明文进行加解密运算;4)、AES模块,该模块同样基于可重构算法,可以实现密钥长度为128、192和256位的加解密运算;5)、伪随机数产生模块,用于产生运算所需的密钥,利用随机数作为密钥,可以提高系统的安全性。
FM350 简单使用举例硬件连接:选取cpu317-2dp和fm350-1模块,还有连接cpu和350模块的总线连接器反馈端,编码器,24VDC,电压输出型硬件接线:首先将cpu和350模块用总线连接器连好,350和cpu并排即可Cpu连接供电电源24VDC350模块,图1端子说明(1)1L+为模块电源正;(2)1M为模块电源负(3)辅助传感器电源负端(如码盘电源负等)(4)(5)辅助传感器电源正端(如码盘电源正等),提示两种供电类型,或者5V或者24VDC(6)-(11)为信号部分A;A非;B;B非;N非;N非;(13)-(15)为数字里量输入(在fm350硬件组态里面,可以作为硬件门HW GATE,来控制计数器/测量器的动作)(17)-(18)为数字量输出(在fm350硬件组态中,可以配置计数/测量触发的极限状态输出;计数器是两个比较值;测量是作为上下极限,同样触发17端子和18端子有时间限制,最大保持时间为0.5s)补充说明:这些都可以在硬件组态中进行修改(19)2L+电源正(20)2M电源负为数字量输入输出的供电电源,如果采用数字量必须连接电源试验中,1L+ 和2L+接电源正;1M与2M接电源负;cpu与fm350共用一个电源传感器接线:端子5(24V)和3(M);信号端为端子6(A)和8(B)笔记本安装调试软件,把fm350随机光盘插入光驱,双击光驱安装FM350-1的配置包,路经为X:/setup/setup.exe (X为光驱盘符)调试1.建立项目打开,然后新建一个项目,命名为“350test”。
回车在新的项目窗口,右键点击“350test”,选择2.硬件配置选择刚才建立的300站,打开右边的硬件配置第一步:选取300站的导轨第二步:选取cpu317第三步:选取FM350硬件配置插槽位置如图:第四步;配置350双击fm350打开编辑画面(1)配置操作模式;双击选择,连续计数;控制方式为软件控制(2)配置传感器:双击选择编码器形式(3)其他配置数字量输入信号配置:可以配置输入信号滤波数字量输出信号配置:配置计数/测量事件,2个输出点还可以配置事件中断:主要是中断事件的触发硬件组态完毕,编译保存3.软件调试:打开setp7 manager窗口,点击打开,选择fm350库”FMx50LIB”,点击“ok”新窗口,同时选择FC0 和UDT1,复制切换回,原来新建的“350test”项目,粘贴在”Blocks”里。
南方电网首批符合国密要求的电能计量安
全芯片诞生
南方电网科研院在今年5月获得国家密码管理局颁布的《商用密码产品生产定点单位》资质证书后,近日,由该院研发的智能电表安全芯片(CSG0110A)、智能终端安全芯片(CSG0210A)和用户购电卡(CSG0310A)等一系列拥有完全自主知识产权的产品,成为南方电网首批符合国家商用密码产品要求的安全芯片,并将加装于终端表计,从而为南方五省区的电能计量自动化信息安全保驾护航。
电力信息作为涉及国家安全的重要内容之一,关系到电力各个环节运行的安全、稳定。
随着国家对信息安全重视程度的日益提高,确保电力信息安全已成为国家关注的重点。
国家密码管理局作为国家密码算法标准制定和审批的唯一权威部门,已编制和审批通过的算法包括SM1、SM2、SM3、SM4、SM7、SM9等,并已在各领域广泛应用。
根据国家《商用密码管理条例》和《商用密码产品生产管理规定》,采用密码技术对不涉及国家秘密内容的信息进行加密保护或安全认证的产品必须通过国家密码管理局的生产认证。
南网科研院目前是南方电网首个也是唯一一个商用密码产品生产资质单位,标志着该院在信息安全领域的研究方向和研究成果已获国家权威部门的认可。
上述安全芯片的研发,为南方电网电能计量自动化信息安全防护研究奠定了坚实的基础。
近年来,南方电网公司积极开展费控体系研究与试点建设,使用计量终端、费控智能电表完成客户用电信息采集,实现电费智能化管理。
在这个基础上,该公司通过研发采用国家认证密码算法的安
全芯片,将原有的费控体系升级为安全费控体系,电费管理安全化、智能化水平进一步提升。
原标题:首批符合国密要求的电能计量安全芯片诞生。
电能计量芯片原理芯片实现及校表-概述说明以及解释1.引言1.1 概述概述电能计量芯片在现代电力系统中扮演着至关重要的角色,它是实现电能计量功能的核心部件。
本文将重点介绍电能计量芯片的原理、实现过程以及校表方法。
通过对这些内容的深入探讨,我们可以更好地理解电能计量芯片的工作原理和应用技术,为电力系统的安全稳定运行提供有力支撑。
同时,本文也将展望电能计量芯片在未来的发展方向,为读者提供更多的思路和启发。
希望通过本文的阐述,读者可以深入了解电能计量芯片的重要性,从而为相关领域的研究和应用提供参考和指导。
1.2 文章结构本文主要分为引言、正文和结论三个部分。
在引言部分,将介绍本文的概述、文章结构和目的。
在正文部分,将详细介绍电能计量芯片的原理、芯片实现过程以及校表方法。
最后在结论部分,将对本文的内容进行总结,展望电能计量芯片的应用前景,并得出结论。
整体结构清晰,逻辑性强,有助于读者全面理解电能计量芯片的相关知识。
1.3 目的目的部分的内容应该是明确指出本文的写作目的,即为读者介绍电能计量芯片的原理、实现过程和校表方法,帮助读者更全面了解该领域的知识。
通过本文的详细阐述,读者可以对电能计量芯片的技术背景、实现原理和校表方法有一个清晰的认识,进而促进相关领域的研究发展和应用推广。
2.正文2.1 电能计量芯片原理电能计量芯片是一种集成电路芯片,用于实现电能计量的功能。
其工作原理主要分为三个部分:输入信号采集、信号处理和数据输出。
首先,电能计量芯片通过采集电流和电压信号,并经过放大电路放大信号,然后通过模数转换器将模拟信号转换为数字信号。
这些数字信号表示了电流和电压的实际值,并且经过一系列处理后得到了有关电能的计算数据。
其次,经过信号处理后的数据将进一步由电能计量芯片的内部逻辑电路进行处理。
内部逻辑电路主要包括数据存储器、运算单元、时钟信号生成器等部分。
这些部件相互配合,根据电能计量的算法进行数据处理和运算,最终得到电能的计量结果。
精品推介I Product Express深迪IMUN S001模块是一个完整的惯性系统,包含三轴陀螺仪、三轴加速度计、三轴磁力计。
IMUN S001模块结合深迪工业级陀螺仪和算法,提供优秀的动态性能。
IMUN S001模块提供简单有效的方法,将多轴惯性传感集成到工业系统。
工厂完成测试和标定,方便系统集成。
IMUN S001模块产品特性:•动态范围:±75%;•初始灵敏度:0.070/s/LSB;•灵敏度温度系数:±30ppmTC;•初始偏移误差:±1.0。
《;•零偏不稳定性:0.00477s;•偏差温度系数:0.02°/s/°C;•输入电压:+5V;•输出接口:RS232;•工作温度:-40°C~85°C;产品应用领域:•稳定平台;•车联网和智能物流;•工程机械;•机器人等。
高通宣布推岀支持屏下超声波指纹的商用解决方案:Qualcomm3D超声波传感器,它是一款能够穿透不同类型污渍准确识别指纹的移动解决方案。
此外,这一方案支持纤薄前卫的产品外观设计,同时具备更高的安全性和准确性。
目前,市面上的屏幕指纹的智能手机大多数所釆用的都是屏幕光学指纹,这一技术的特点就是利用屏幕下方的传感器发射光来读取按在屏幕上的指纹,对传感器的镜头有较高的要求,目的是保证进光量。
然而,光学指纹也有明显的缺陷,如果屏幕上有污渍或者手上有水的话,读取指纹就不那么准确了,还影响到识别速度。
高通的3D声波超声波指纹方案,所利用的是微震传感器进行超声波探测,精准扫描指纹独特的3D 特征,从而获得与传统指纹识别一样的生物识别认证体验。
超声波指纹被认为是比光学指纹更加精确的指纹读取方案,可以准确的扫描到指纹表面的沟壑以及底层组织,并且超声波技术在手指有污垢或残留物时,受到的影响非常小。
相比传统的2D指纹识别,超声波技术可以将指纹识别得更加立体,也就是俗称的3D扫描,可检测的区域更大,并拥有更高的精确度和更佳的安全性能,仅凭一张精仿的指纹平面是无法欺骗它。
BL0972交/直流电能计量芯片数据手册V1.0目录1、产品简述 (5)2、基本特征 (6)2.1主要特点 (6)2.2系统框图 (7)2.3管脚排列(TSSOP20) (7)2.4性能指标 (8)2.4.1电参数性能指标 (8)2.4.2极限范围 (9)3、工作原理 (10)3.1电流电压波形产生原理 (10)3.1.1PGA增益调整 (10)3.1.2相位补偿 (11)3.1.3通道偏置校正 (11)3.1.4通道增益校正 (12)3.1.5电流电压波形输出 (12)3.2有功功率计算原理 (13)3.2.1有功波形的选择 (14)3.2.2有功功率输出 (14)3.2.3有功功率校准 (14)3.2.4有功功率的防潜动 (15)3.2.5有功功率小信号补偿 (15)3.3有功能量计量原理 (16)3.3.1有功能量输出 (16)3.3.2有功能量输出选择 (16)3.3.3有功能量输出比例 (17)3.4电流电压有效值计算原理 (17)3.4.1有效值输出 (18)3.4.2有效值输入信号的设置 (18)3.4.3有效值刷新率的设置 (18)3.4.4电流电压有效值校准 (19)3.4.5有效值的防潜动 (19)3.5快速有效值检测原理 (20)3.5.1快速有效值输出 (20)3.5.2快速有效值输入选择 (21)3.5.3快速有效值累计时间和阈值 (21)3.5.4电网频率选择 (21)3.5.5快速有效值超限数据保存 (22)3.5.6过流指示 (22)3.5.7继电器控制 (22)3.6温度计量 (23)3.7.1线周期计量 (23)3.7.2线频率计量 (23)3.7.3相角计算 (24)3.7.4功率符号位 (24)3.8故障检测 (25)3.8.1过零检测 (25)3.8.2峰值超限 (25)3.8.3线电压跌落 (26)3.8.4过零超时 (27)3.8.5电源供电指示 (28)4、内部寄存器 (30)4.1电参量寄存器(只读) (30)4.2校表寄存器(外部写) (30)4.3OTP寄存器 (32)4.4模式寄存器 (33)4.4.1 MODE1寄存器 (33)4.4.2 MODE2寄存器 (33)4.4.3 MODE3寄存器 (34)4.5中断状态寄存器 (34)4.5.1 STATUS1寄存器 (34)4.5.2 STATUS3寄存器 (34)4.6校表寄存器详细说明 (34)4.6.1 通道PGA增益调整寄存器 (34)4.6.2 相位校正寄存器 (35)4.6.3 有效值增益调整寄存器 (35)4.6.4 有效值偏置校正寄存器 (36)4.6.5 有功小信号补偿寄存器 (36)4.6.7 防潜动阈值寄存器 (36)4.6.8 快速有效值相关设置寄存器 (37)4.6.9 过流报警及控制 (38)4.6.11 能量读后清零设置寄存器 (39)4.6.12 用户写保护设置寄存器 (39)4.6.13 软复位寄存器 (39)4.6.14 通道增益调整寄存器 (40)4.6.15 通道偏置调整寄存器 (40)4.6.16 有功功率增益调整寄存器 (40)4.6.17 有功功率偏置调整寄存器 (41)4.6.20 CF缩放比例寄存器 (41)4.7电参数寄存器详细说明 (42)4.7.1 波形寄存器 (42)4.7.2 有效值寄存器 (42)4.7.3 快速有效值寄存器 (42)4.7.7 电能脉冲计数寄存器 (43)4.7.8 波形夹角寄存器 (44)4.7.9 快速有效值保持寄存器 (44)4.7.11 线电压频率寄存器 (44)5、SPI通讯接口 (45)5.1概述 (45)5.2工作模式 (45)5.3帧结构 (45)5.4读出操作时序 (46)5.5写入操作时序 (47)5.6SPI接口的容错机制 (48)6、典型应用图 (49)7、封装信息 (50)1、产品简述BL0972是一颗内置时钟的单相交/直流电能计量芯片。
BL0942 datasheetBL0942免校准计量芯片数据手册目录1产品简述 (4)1.1功能简介 (4)1.2主要特点 (4)1.3系统框图 (5)1.4封装与管脚描述 (6)1.5寄存器列表 (8)1.6特殊寄存器说明 (9)1.7性能指标 (11)1.7.1电参数性能 (11)1.7.2极限范围 (12)2功能描述 (13)2.1电流电压瞬态波形计量 (13)2.2有功功率 (14)2.3有功功率防潜动 (14)2.4电能计量 (15)2.5电流电压有效值 (16)2.6过流检测 (17)2.7过零检测 (18)2.8线电压频率检测 (21)3通讯接口 (22)3.1SPI (22)3.1.1工作模式 (22)3.1.2帧结构 (23)3.1.3写入操作时序 (23)3.1.4读出操作时序 (24)3.1.5SPI接口的容错机制 (24)3.2UART (25)3.2.1波特率配置 (25)3.2.2每个字节格式 (25)3.2.3写入时序 (26)3.2.4读取时序 (26)3.2.5时序说明 (27)3.2.6数据包发送模式 (28)3.2.7UART接口的保护机制 (29)4订单信息 (29)5丝印信息 (29)6封装 (30)1产品简述1.1功能简介BL0942是一颗内置时钟免校准电能计量芯片,适用于单相多功能电能表、智能插座、智能家电等应用,具有较高的性价比。
BL0942集成了2路高精度Sigma-Delta ADC,参考电压,电源管理等模拟电路模块,以及处理有功功率、电流电压有效值等电参数的数字信号处理电路。
BL0942能够测量电流、电压有效值、有功功率、有功电能量等参数,可输出快速电流有效值(用于过流保护),以及波形输出等功能,通过UART/SPI接口输出数据,能够充分满足智能插座、智能家电、单相多功能电能表及用电信息大数据采集等领域的需要。
BL0942具有专利防潜动设计,配合合理的外部硬件设计,可确保在无电流时噪声功率不被计入电能脉冲。
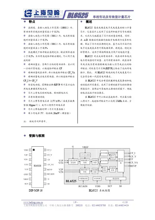
版本更新说明◆ 管脚与框图VDD V2P V2N V1N V1P GND VREF SCFS1CFF2F1S0G NCSCF S1S0REVP CF F1F2VREFGSOP 16 BL0930E 系统框图◆极限范围本产品具有ESD保护电路,管脚的ESD防护在HBM模式时≥2000V,MM模式≥200V;在使用时应当采取适当的ESD防范措施,以避免器件性能下降或功能丧失。
◆电参数1) 常温电特性Ib=5AC=14Vv=±110mV,V(I)=2mV,cosϕVv=±110mV,V(I)=2mV,cosϕ=-1指标说明1)非线性误差%BL0930E的电压通道输入固定Pin3,pin2之间交流电压Vv为110mV,功率因数cosϕ=1,Pin5与Pin4之间电压Vi在对应与5%Ib~800%Ib范围内,任何一点输出频率相对于Ib点的测量非线性误差小于0.1%eNL%=[(X点误差%-Ib点误差%)/(1+Ib点误差%)]*100%2)防潜阈值典型情况下,CF输出所代表的最小功率为满量程输出的0.0017%,对于低于该阈值的功率,不输出计量脉冲。
3)正负输入功率指Pin3-Pin2间的电压采样信号V(V)与Pin5-Pin4间的电流通道输入信号V(I)乘积V(V)*V(I)*cosϕ的符号, 大于零为正功,小于零为负功。
4)正、负向有功功率误差%在相等的有功功率条件下,在V(V)=±110mV、V(I)对应Ib(5A)点,BL0930E测得的负向有功功率与正向有功功率之间的相对误差:eNP%=|[(eN%-eP%)/(1+eP%)]*100%|eP%:正向有功功率误差;eN%:负向有功功率误差。
5)电源监控电路检测电平(掉电检测电平)片内电源监测电路检测电源变化情况,当电源电压低于4伏左右时,内部电路被复位。
当电源电压超过该值时,电路恢复工作在正常状态。
时序特性(VDD =5V,GND= 0V,使用片内基准电压源,片内晶振时钟CLK,温度-40~+75︒C)注意:以上技术指标随以后设计及工艺的改变会有所变化,请随时关注最新的技术规范。
热释电人体红外报警器的常用芯片的基本知识特点*CMOS工艺*数模混合*具有独立的高输入阻抗运算放大器*内部的双向鉴幅器可有效抑制干扰*内设延迟时刻定时器和封锁时刻定时器*采纳16脚DIP封装管脚图管脚说明工作原理BISS0001是由运算放大器、电压比较器、状态操纵器、延迟时刻定时器以及封锁时刻定时器等构成的数模混合专用集成电路。
以以下图所示的不可重复触发工作方式下的波形,来说明其工作过程。
不可重复触发工作方式下的波形第一,依照实际需要,利用运算放大器OP1组成传感信号预处理电路,将信号放大。
然后耦合给运算放大器OP2,再进行第二级放大,同时将直流电位抬高为VM(≈0.5VDD)后,将输出信号V2送到由比较器COP1和COP2组成的双向鉴幅器,检出有效触发信号Vs。
由于VH≈0.7VDD、VL≈0.3VDD,因此,当VDD=5V时,可有效抑制±1V的噪声干扰,提高系统的可靠性。
COP3是一个条件比较器。
当输入电压Vc<VR(≈0.2VDD)时,COP3输出为低电平封住了与门U2,禁止触发信号Vs向下级传递;而当Vc>VR时,COP3输出为高电平,进入延时周期。
当A端接〝0”电平常,在Tx时刻内任何V2的变化都被忽略,直至Tx时刻终止,即所谓不可重复触发工作方式。
当Tx时刻终止时,Vo下跳回低电平,同时启动封锁时刻定时器而进入封锁周期Ti。
在Ti时刻内,任何V2的变化都不能使Vo跳变为有效状态〔高电平〕,可有效抑制负载切换过程中产生的各种干扰。
以以下图所示的可重复触发工作方式下的波形,来说明其工作过程。
可重复触发工作方式下的波形在Vc=〝0”、A=〝0”期间,信号Vs不能触发Vo为有效状态。
在Vc=〝1”、A=〝1”时,Vs可重复触发Vo为有效状态,并可促使Vo在Tx周期内一直保持有效状态。
在Tx时刻内,只要Vs发生上跳变,那么Vo将从Vs上跳变时刻起连续延长一个Tx周期;假设Vs保持为〝1”状态,那么Vo一直保持有效状态;假设Vs保持为〝0”状态,那么在Tx周期终止后Vo复原为无效状态,同时,同样在封锁时刻Ti时刻内,任何Vs的变化都不能触发Vo为有效状态。
IRMCK201芯片资料1 概述国际整流器件公司(IR)针对高性能交流伺服驱动的需求熒杓瞥隽嘶于FPGA技术的完整的伺服驱动控制解决方案IRMCK201芯片.与传统的运动控制专用DSP芯片不同的是,IRMCK201不仅包含运动控制的外围功能如PWM、编码计数电路、电流传感接口等,而且也包含通过硬件实现的FOC算法和速度控制算法,从而省略了编程任务熂蚧了高性能交流伺服系统的设计,此外它还适用于不同类型的永磁电机或感应电机,因而有很好的应用前景.IRMCK201采用标准的100管脚封装形式,其主要电气特点如下:●完整的电流闭环控制和速度闭环控制;●使用PWM载波频率可以配置速度和电流更新率;●可以配置感应电机或者永磁电机的控制系统;●带死区的空间矢量PWM;●最大时钟输入33.3MHz,最大PWM载波频率83.3kHz,电流环带宽5.5kHz,速度环更新率5/10kHz;●具有与高压线性电流传感器IR2175、高压驱动芯片IR213x、霍尔A/B/C信号、光电编码器、RS232或RS422、快速SPI的接口;●配置光电码盘的线数范围从200PPR~10000PPR;●可以监视直流母线电压;●可以配置模拟参考输入;●2MHz的计数器改善低速性能;●具有4路采样/保持的A/D转换接口;●通过主机寄存器接口,A T24C01A可对内部数据/参数进行初始化;●智能IGBT保护封锁控制;●可以配套使用ServoDesigner配置工具软件.2 IRMCK201内部功能结构图1为IRMCK201内部详细控制结构图.从图中可以看出,作为运动控制芯片,IRMCK201在硬件上具备了伺服控制所必需的控制单元,如带死区时间设置的空间矢量PWM、PARK变换和Clark变换、电流环PI调节器、速度环PI调节器、速度测量单元等,这样用户就省去了编写代码的任务,简化了复杂的设计过程.IRMCK201通过硬件逻辑实现伺服控制功能,芯片的接口可以灵活配置,因而为了实现不同的控制算法,可以通过接口对IRMCK201进行参数设置.以矢量控制的感应电机为例,在内部控制结构中有一个前馈滑模增益路径,可以通过设置相关寄存器来实现这种控制功能.也就是说,上位机仅需将“1”或“0”写入相关寄存器中,就可使该控制功能IRM-CK201也支持其它结构,如除IR2175外的电流传感器接口芯片、电流控制中的前馈增益路径使能/禁止、闭环速度控制的使能/禁止以及速度给定值的选择等.也就是说采用IRMCK201配置伺服系统,只需了解它内部的功能模块和寄存器的情况,并通过上位机对它的寄存器进行配置,即可迅速实现各种功能.例如,要为逆变器设置一个开关频率为10kHz的PWM驱动信号,用户不需要编写程序代码来实现这个PWM信号的算法,只需要对相关寄存器赋值即可.IRMCK201主机通信接口包括RS232/RS485/RS422、快速SPI接口和8位并行接口.因此它可以方便与主机或控制器进行通信,修改和读取其主控寄存器来控制输出.IRMCK201也可以独立运行而不需要外部主机参与控制,其运行参数通过外部EEPROM来保存,上电时自动从EEPROM中读取参数.现以具有电流环和速度环的永磁无刷电机控制系统为例,分析系统的结构.通过配置相关寄存器使能速度闭环控制.对于电流环,由电流传感器IR2175采样电机V 相和W相绕组电流,经过IRMCK201内部计算可以得到U相电流,与V相和W相电流一起组成三相电流,通过Park变换与矢量旋转被分解为产生磁通的励磁电流分量和产生转矩的转矩电流分量熣饬礁鲋绷髁烤哂卸懒⒌谋壤积分调节器.对于速度环,由光电编码信号通过IRMCK201内部测速单元得到速度反馈,它与速度给定值相互比较产生速度偏差.这个偏差经过速度PI调节器产生一个对应的转矩电流Iq,当采用Id=0控制时,Id、Iq即是内部电流环的给定值,它们与实际反馈电流比较产生电流偏差煹缌髌差经过电流环PI调节以后产生输出电压Us-q和Us-d熢谛转坐标系d、q .电压Us-q和Us-d被反变换成静止坐标系下的电压分量熑缓缶过空间矢量PWM计算后煾逆变器的功率模块发出合适的开关信号,控制功率模块开关工作.3 IRMCK201输入输出接口如图2所示,IRMCK201输入输出接口主要包括主机通讯接口、PWM门极信号接口、正交编码器接口、主机通讯接口、A/D接口、串行EEPROM接口、锁相环和系统时钟接口、控制输入和状态指示接口、电流传感器IR2175接口.3.1 PWM门极信号接口IRMCK201提供6路SVPWM输出熗ü光耦与三相桥驱动芯片IR2136进行连接来驱动MOSFET或IGBT熞部梢灾苯佑胫悄芄β誓?(IPM)的6个驱动信号接口相连.同时还提供驱动故障反馈接口.3.2 主机通讯接口IRMCK201提供了多种与外部主机通信的方式.主机可以通过RS232/RS422、SPI接口或8 位并行接口来配置和监控系统的运行.RS232/RS422通信方式可以根据通讯距离进行选择.RS232接口通过MAX232进行电平转换,它允许PC直接对其进行寄存器的配置修改及状态读取,通信波特率可以通过外部引脚来设置.SPI接口方式中,芯片处于从方式,通信最高时钟可达8MHz,可以实现与主机高速通信.不同通信方式通常都处于激活状态,可以相互切换煹不能同时运行.3.3 正交编码器接口IRMCK201带有光电编码器接口电路熆梢苑奖愕刈槌梢桓鏊欧控制系统.它可以与多种编码器接口熉龀迨为200~10000 个/ 转熉龀迤德首罡呖纱1MHz.编码器接口具有相互正交的ENA、ENB编码信号及零点标志信号接口,同时还具有三路HALL信号输入接口.系统上电时可以通过HALL传感器及Z脉冲估算编码器初始值.3.4 控制输入及状态指示接口控制输入信号包括启动、停止、转动方向、输出使能、故障复位、主机状态等;状态指示信号包括系统故障指示、同步指示及两个双色指示灯.可以直接通过对输入引脚的操作来控制电机的运行.3.5 电流传感器IR2175接口IR2175线性电流传感器可以将电流信号从伺服电机的高端驱动电路转换到低端驱动电路熞员憧刂频缏方行处理.在伺服电机相绕组回路中串联一个取样电阻,随着电机相电流的变化熑⊙电阻两端产生一个很小的交流电压信号作为IR2175的输入,它的输出是频率为130kHz、占空比随电流大小变化的PWM数字信号,经过电平转换,PWM信号被转换成了以地为参考点的信号.IR2175 的输入电压变化范围为-260mV~+260mV,因此过载电流流过取样电阻时所产生电压应小于或等于260mV.对于信号的处理,可将IR2175通过光耦直接与IRM-CK201进行连接,再在IRMCK201内部进行电流计算.3.6 A/D接口IRMCK201提供了直接与ADS7818 A/D转换器相连的接口,通过多路复用器CD4052可以输入四路模拟信号,分别为转速或转矩大小控制的模拟输入、直流母线电压的采样输入和其它电流传感器如HALL电流传感器送来的两路相电流信号.但是这里采样的相电流信号只能作为过流保护,不能作为电流环的反馈,也就是说ADS7818不可以取代IR2175对相电流进行取样.4 应用本文利用IRMCK201与TI公司的DSP芯片TMS320LF2407设计了应用于数控机床的永磁无刷交流伺服系统.4.1 系统硬件设计结构框图系统的结构框图如图3所示,整个系统由以下几部分组成:(1)控制部分该交流伺服系统控制电路主要由TMS320LF 2407、IRMCK201和少量的外围电路组成.DSP用于完成IRMCK201的初始化和系统位置环控制算法的实现,并完成系统的键盘和显示功能.IRMCK201内部硬件电路完成系统的电流环、速度环控制,最终产生SVPWM驱动信号,以完成对功率模块的开关控制,同时通过A/D接口对母线电压进行监测,以实现过压保护功能.系统采用2000PPR的增量式光电码盘和霍尔传感器测量电机位置和速度信号,采用IR2175电流传感器对相电流采样,由于IRMCK201提供了IR2175接口,所以采样的电流信号可直接送到IRMCK201作为控制部分的电流反馈.为了增加系统的抗干扰性,本系统采用高速光耦将系统的控制部分和功率部分进行隔离.(2)主电路部分本系统的主电路为AC-DC-AC 逆变电路.输入的三相交流电压经整流、滤波后得到直流电压供给逆变器.功率器件采用IR公司的智能功率模块IRAMS16UP60A,它包括三相高压高速驱动集成芯片IR2136和6个IGBT,其输入驱动信号的最高频率可达20kHz.4.2 系统程序设计由于系统的电流环、速度环控制和过流、过压、欠压等保护功能都由IRMCK201内部硬件实现,所以系统软件主要是用DSP实现交流伺服系统位置环的控制和对IRMCK201的通讯,相比之下程序设计比较简单.图4所示为DSP的主程序流程和位置环中断服务子程序.本系统采用了IRMCK201芯片,结合使用TI公司的DSP芯片TMS320LF2407,大大简化了系统的软硬件设计,缩短了系统开发周期,提高了系统的可靠性,从而实现了高性能的交流伺服系统.。
单相计量芯片工作原理
单相计量芯片是用于进行电能计量的电子芯片,其工作原理可以分为以下几个步骤:
1. 采集电流信号:芯片通过引入电流变送器,将待测电流信号转换为适合芯片处理的电压信号。
变送器通常采用电感式电流变送器,将电流信号与电感进行耦合,形成输入触头。
2. 采集电压信号:芯片通过引入电压变压器,将待测电压信号转换为适合芯片处理的电压信号。
变压器通常采用电容式电压变送器,将电压信号与电容进行耦合,形成输入触头。
3. 幅频特性校正:由于变送器和变压器等元件的特性,会导致输入信号的幅频特性变化,需要通过幅频特性校正电路对信号进行补偿,使得输入信号具有稳定的幅频特性。
4. 信号调理:芯片对采集到的电流信号和电压信号进行放大、滤波等处理,以提高测量精度和抗干扰性能。
同时还会对电流和电压信号进行采样处理,并进行相位校正,确保信号的准确性。
5. 互感器抽取和相位校正:单相计量芯片在进行电能计量时需要抽取互感器的信号,并进行相位校正,确保电流和电压信号的相位一致,以提高测量精度。
6. 输出电能计量结果:根据采集到的电流信号、电压信号以及互感器的抽取和相位校正,单相计量芯片通过一定的算法计算
得出电能计量结果。
这些计量结果会通过芯片的输出接口,以数字信号或模拟信号的形式输出,供用户使用。
通过以上步骤,单相计量芯片能够准确地计量电能消耗,实现对电能的有效管理和控制。
意法半导体智能功率技术简化新兴的电表应用意法半导体(纽约证券交易所:STM)今天宣布一个新的电子电表IC,这个代号为STPM01 的新产品集成了全电子电表所需全部核心电路,能够满足各种形式的电力测量需求,可以在最简单的低端应用中充当独立的电表,或者在基于单片机的复杂电表中用作系统外设,以支持远程测量、无功功率测量、多重电价和防篡改功能。
传统的机械电表已经使用一个多世纪了,至今几乎没有发生任何变化。
电力公司正在寻求用电子电表代替机械电表的解决方案。
电子电表有很多优点,如不断提高的精确度、可靠性及耐用性、容易调校配置,以及随时能够增加先进的功能,如多重电价、防篡改功能、提前买电、停电检测、功率因数测量和自动抄表服务。
STPM01 是ST 和世界最大的电表制造厂商之一的ISKRAEMECO 公司合作开发的产品,是ST 为ISKRAEMECO 公司开发的ASIC 解决方案的改进产品,采用ST 先进的BCD6 智能制造技术,能够在同一个芯片上集成所需的全部的模拟、数字和功率电路。
主要模块包括模拟信号调节、两个模数转换器、一个硬连线的数字信号处理器(DSP)、一个连接外部单片机的SPI 接口、一个用于调校配置芯片的56 位OTP(一次性可编程)块、一个在低端应用中驱动步进电机显示器的电压频率转换器和两个给模拟3V 和数字1.5V 电路供给的限流低压降稳压器。
灵活可配置的模拟前端使新IC 兼容各种电流传感器,包括电流转换器、微欧姆分流器和Rogowski 线圈。
电表专用的数字信号处理器采用一种创新算法(ISKRAEMECO 公司已经提交此项技术的专利申请),能够实时计算有功、无功和表观功率、RMS 电压及电流和线路频率。
SPI 接口通过OTP 模块控制、配置和调校芯片,它的另一个功能是向外部单片机发送数字输出数据;在高端电表应用中,单片机负责数据采集。
STM32系列MCU解决方案展示
STM32 系列基于专为要求高性能、低成本、低功耗的嵌入式应用专门设计的ARM Cortex-M3 内核。
按性能分成多个不同的系列,满足不同应用的不同需求。
由于STM32 系列在开发工具的成本和广泛度;存储器的种类、规模、性能和容量;以及各种软件获得的难易度方面都做了非常出色的准备,因此迅速在市场上取得巨大成功,成为最受欢迎的工业及消费市场应用的MCU 产品系
列之一。
STM32 系列E-METER 产品方案介绍
友尚集团
与传统的机械式电能表相比,eMeter 能够更快、更便宜、更可靠地报告用电量。
友尚推出ST 于智能电表上的运用方案,整个方案中的架构主要包括
计量芯片、MCU 和外围芯片三个部分。
计量芯片单相表
STPM01,STPM10:全功能版本。
有功和无功正反向电能、电流、电压测量,0 纹波算法,SPI/脉冲/步进电机输出,支持SHUNT 和CT,带校准,精度1%。
STPM1x:COST DOWN 版本,仅保留有功电能,以脉冲/步进电机方式输出。
三相表STPMS1+STPMC1:采样(STPMS1)与计量(STPMC1)分离,有功和无功正反向电能、电流、电压测量,0 纹波算法,SPI/脉冲/步进电机输出,
支持SHUNT 和CT,带校准,精度1%
MCU
可以选用STM8L152 系列,STM32L152 系列,STM32F100 系列。
计量芯片的编程原理及应用1. 什么是计量芯片计量芯片是一种集成电路芯片,其主要功能是测量、控制和传输物理量,例如温度、压力、电流等。
计量芯片通过内部的编程逻辑实现不同物理量的测量和控制,广泛应用于各个领域,包括工业自动化、医疗设备、汽车电子等。
2. 计量芯片编程原理计量芯片的编程原理主要包括以下几个方面:2.1 芯片架构计量芯片通常采用微控制器或数字信号处理器作为处理器核心,具有内部存储器、计时器、通信接口等功能模块。
芯片架构的选择取决于具体的应用需求,不同的架构具有不同的性能和功耗特性。
2.2 编程语言计量芯片的编程语言可以是低级语言如汇编语言,也可以是高级语言如C、C++等。
低级语言编程可以直接操作芯片的寄存器和内存,对硬件控制更为灵活。
高级语言编程可以提高开发效率和代码可读性。
2.3 寄存器操作计量芯片的寄存器是存储数据和配置芯片功能的重要载体。
编程时需要通过读写寄存器来实现对芯片功能的控制。
寄存器操作包括读取寄存器的值、写入数据到寄存器、对寄存器进行位操作等。
2.4 时钟和定时器计量芯片通常需要定时测量和控制物理量,因此集成了时钟和定时器模块。
编程中需要配置和使用定时器,设置定时中断,实现定时任务的执行。
2.5 通信接口计量芯片通常需要与其他设备进行数据交互,因此需要具备通信接口模块,例如串口、SPI、I2C等。
编程中需要配置和使用通信接口,实现与外部设备的数据传输。
3. 计量芯片的应用计量芯片广泛应用于各个领域,以下列举几个典型应用案例:3.1 工业自动化计量芯片在工业自动化领域中用于测量和控制各种物理量,例如温度、压力、液位等。
通过编程控制,实现工业设备的自动化运行和监控。
3.2 医疗设备计量芯片在医疗设备中用于测量和控制患者的生理参数,例如心率、血压、体温等。
通过编程控制,实现医疗设备的准确测量和安全控制。
3.3 汽车电子计量芯片在汽车电子中用于测量和控制车辆的各种物理量,例如车速、油量、轮胎压力等。
1/9September 2004sINTEGRATED LINEAR VREGS TO SUPPLY THE DIGITAL AND ANALOG CORESsADVANCED BICMOS TECHNOLOGY FOR HIGH PERFORMANCEsOTP FOR CALIBRATION AND CONFIGURATIONsINTEGRATED OSCILLATOR WITH EXTERNAL RESISTOR OR CRYSTALsMONITOR BOTH LIVE AND NEUTRAL FOR TAMPER DETECTIONs SIGMA DELTA 1st ORDER CONVERTER sPOWER SUPPLY CURRENT LESS THAN 6mAsSUPPORT 50 ÷ 60 Hz – IEC 62052-11,IEC 62053-2X SPECIFICATION FOR CLASS 0.5 AC WATT METERSsPRECISION VOLTAGE REFERENCE ON CHIP: 1.25 V AND 30 ppm/°C MAX sTSSOP20 PACKAGEDESCRIPTIONThe STPM01 is designed for effective measurement of active energy in a power line system using the Rogowski and/or Shunt principle. This device can be implemented as a single chip 1-phase energy meter or as a peripheral measurement in a microprocessor based 1-phase or 3-phase energy meter.The STPM01 consists, essentially, of two parts:the analog part and the digital part. The former, is composed by preamplifier and 1st order ΣD AD converter blocks, Bandgap voltage reference,Lowdrop voltage regulator and a pair of DC buffer,the latter, is composed by system control, clock generator, hard wired DSP and SPI interface.There is also a OTP block, which is controlled through the SPI by means of a dedicated command set. The configured bits are used for testing, configuration and calibration purpose.From a pair of ΣD output signals coming from analog section, a DSP unit computes the amount of consummated active, reactive and apparent energy, RMS values of voltage and current value.The results of computation are available as pulse frequency and states on the digital outputs of the device or as data bits in a data stream, which can be read from the device by means of SPI interface. This system bus interface is used also during production testing of the device and/or for temporary or permanent programming of bits of internal OTP.In the STPM01 the calibration is very easy: an output signal with pulse frequency proportional to energy is generated, this signal is used to enable the calibration of the energy meter.When the device is fully configured and calibrated,a dedicated bit of OTP block, can be written permanently in order to prevent accidental entering into some test mode or changing any configuration.Table 1: Order CodesType Temperature Range PackageComments STPM01-40 to 85 °CTSSOP20 (Tape & Reel)2500 parts per reelSTPM01PROGRAMMABLE SINGLE PHASE ENERGY METERINGIC WITH TAMPER DETECTIONThis is preliminary information on a new product now in development or undergoing evaluation. Details are subject to change without notice.PRELIMINARY DATARev. 1STPM012/9Figure 1: Pin ConfigurationTable 2: Pin DescriptionPlN N°SYMBOL NAME AND FUNCTION1, 2MON, MOPMotor pulse outputs. These outputs are used to driver in impulse counter or a stepper motor. They can also be used for reactive energy pulses LED indicator, or for output Σ∆ signal of analog current/voltage channel respectively, or for test mode i/o Σ∆ signal for analog current/ voltage channel respectively3SCS Chip select - data transmission enable: a falling edge in this pin places the device in communication mode. Bringing SCS high places the serial bus in high impedance 4V DDD Output of internal LowDrop regulator and power supply for digital core 5V SS Ground: this pin provides a supply return and analog signal reference level.6V CC Positive Power Supply. Typically +5V 7V OTP Power for programming OTP cells8V DDA Output of internal LowDrop regulator and power supply for analog core and OTP cells 9, 10I IP1, I IN1Analog input: +and – current (respectively) channel 111, 12I IP2, I IN2Analog input: +and – current (respectively) channel 213, 14V IP , V IN Analog input: +and – voltage (respectively) intended for use with the voltage transducer 15SYN Select data in or data out on SDA or Measurement latching for transmission or output for negative power16CLKIN Input of internal crystal oscillator or input for external measure clock or current setting input for internal RC oscillator17CLKOUT Output of internal RC or crystal oscillator18SCL/NLC Serial clock input for the synchronous serial interface or for No Load Condition Led indicator19SDA/TD Serial Data. Send and receiver data synchronous within CLK, or Tamper Detected Led indicator20LEDSignal for active energy pulses LED indicator or signal of analog current channelmultiplex (available only when used as peripheral and if Σ∆ signal outputs are selected)STPM013/9Figure 2: Block DiagramTable 3: Absolute Maximum RatingsAbsolute Maximum Ratings are those values beyond which damage to the device may occur. Functional operation under these condition is not implied.Table 4: Electrical Characteristics (Typical values are at T A = 25°C, and V CC = 5V)Symbol Parameter Value Unit V CC Supply Voltage -0.3 to 6V I PIN Current on any pin± 150mA T AOperating Temperature Range-40 to +85°CSymbol ParameterTest ConditionsMin.Typ.Max.Unit V CC Supply Voltage Positive 3.1655.5V I CC Supply Current Positive 4MHz, V CC = 5V 4mA8MHz, V CC = 5V6POR Power On Reset on V CC 2.5V V DDA Analog Supply Voltage No Calibration 3 ± 5%V V DDD Digital core power supply 1.5 ± 5%V F Nominal Line frequency 50/60 ± 5%Hz f clk Clock frequency 210MHz V PRG OTP Programming Level 1420V I PRG OTP Programming Current 2.5mA t PRGOTP Programming Time100300µsSTPM014/9Table 5: Analog Inputs Characteristics (IIP1, IIN1, IIP2, IIN2, VIP, VIN TO VSS)(Typical values are at T A = 25°C, and V CC = 5V)Table 6: Digital I/O Characteristics (SDA, CLKIN, CLKOUT, SCS, SYN, LED) (Typical values are at T A = 25°C, and V CC = 5V)Table 7: Power I/O Characteristics (MOP, MON) (V CC = 5V, V SS = GND, T A = -40 to 85°C, unless otherwise specified. Typical values are at T A = 25°C)Table 8: Crystal Connection (Typical values are at T A = 25°C, and V CC = 5V)Symbol ParameterTest ConditionsMin.Typ.Max.Unit V MAX Maximum Signal Levels -0.20.2V f BAND Bandwidth 10KHz V OFF Offset±20mV Z IN Impedance of VIP , VIN 100400K ΩZ IN Impedance of IIP , IIN 100K ΩG ER Gain Error ±10%I LEAKLeakage Current-11µASymbol ParameterTest ConditionsMin.Typ.Max.Unit V IH Input High Voltage 0.75V CC V CC +0.2V V IL Input Low Voltage -0.30.25V CCV V OH Output High Voltage I O = -2 mA V CC -0.4V V OL Output Low Voltage I O = 2 mA0.4V I LEAK Pull up Current 15µA t TRTransition timeC L = 50 pF 10nsSymbol ParameterTest ConditionsMin.Typ.Max.Unit V OH Output High Voltage I O = -14 mA V CC -0.5V V OL Output Low Voltage I O = 14 mA 0.5V t TRTransition timeC L = 50 pF510µsSymbolParameterTest ConditionsMin.Typ.Max.Unit V IH(CLKIN)High level input voltage onCLKIN0.8V DDV DD V V IL(CLKIN)Low level input voltage onCLKIN0.3V DD V I I Input current on CLKIN±1µA R P External Resistor 14M ΩC P External Capacitors 22pF f CLKOUT Nominal frequency 4 4.194MHz 88.192I CLKINSettling current (RCOscillator)f CLKOUT = 4 MHz4060µASTPM01 Table 9: On Chip Reference (Typical values are at T A = 25°C, and V CC = 5V)Symbol Parameter Test Conditions Min.Typ.Max.Unit T C Temperature Coefficient After Calibration3050ppm/°C V GB Analog Reference Voltage 1.23±1%VTable 10: SPI Interface Timings (Typical values are at T A = 25°C, and V CC = 5V)Symbol Parameter Test Conditions Min.Typ.Max.UnitF SCLKr Data read speed32MHzF SCLKw Data write speed100KHzt DS Data setup time20ns t DH Data hold time0ns t ON Data driver on time20ns t OFF Data driver off time20ns t SYN SYN active width2/f CLK ns5/9STPM016/9DIM.mm.inchMIN.TYP MAX.MIN.TYP.MAX.A 1.20.047A10.050.150.0020.0040.006 A20.81 1.050.0310.0390.041 b0.190.300.0070.012 c0.090.200.0040.0079D 6.4 6.5 6.60.2520.2560.260E 6.2 6.4 6.60.2440.2520.260E1 4.3 4.4 4.480.1690.1730.176 e0.65 BSC0.0256 BSCK0˚8˚0˚8˚L0.450.600.750.0180.0240.030TSSOP20 MECHANICAL DATAc EbA2AE1D1PIN 1 IDENTIFICATIONA1LKe0087225CSTPM01 Tape & Reel TSSOP20 MECHANICAL DATAmm.inchDIM.MIN.TYP MAX.MIN.TYP.MAX.A33012.992C12.813.20.5040.519D20.20.795N60 2.362T22.40.882Ao 6.870.2680.276Bo 6.97.10.2720.280Ko 1.7 1.90.0670.075Po 3.9 4.10.1530.161P11.912.10.4680.4767/9STPM01Table 11: Revision HistoryDate Revision Description of Changes 28-Sep-20041Preliminary Data.8/9STPM01 Information furnished is believed to be accurate and reliable. However, STMicroelectronics assumes no responsibility for the consequences of use of such information nor for any infringement of patents or other rights of third parties which may result from its use. No license is grantedby implication or otherwise under any patent or patent rights of STMicroelectronics. Specifications mentioned in this publication are subject to change without notice. This publication supersedes and replaces all information previously supplied. STMicroelectronics products are notauthorized for use as critical components in life support devices or systems without express written approval of STMicroelectronics.The ST logo is a registered trademark of STMicroelectronicsAll other names are the property of their respective owners© 2004 STMicroelectronics - All Rights ReservedSTMicroelectronics group of companiesAustralia - Belgium - Brazil - Canada - China - Czech Republic - Finland - France - Germany - Hong Kong - India - Israel - Italy - Japan - Malaysia - Malta - Morocco - Singapore - Spain - Sweden - Switzerland - United Kingdom - United States of America9/9。