暗渠施工方案
- 格式:doc
- 大小:250.00 KB
- 文档页数:23
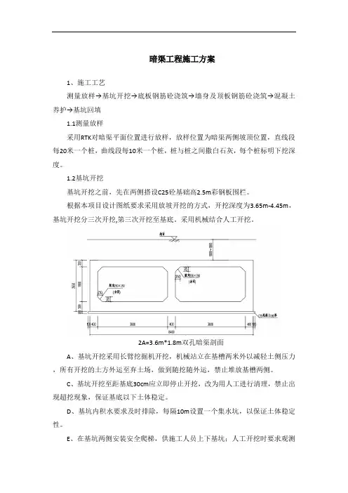
暗渠工程施工方案1、施工工艺测量放样→基坑开挖→底板钢筋砼浇筑→墙身及顶板钢筋砼浇筑→混凝土养护→基坑回填1.1测量放样采用RTK对暗渠平面位置进行放样,放样位置为暗渠两侧坡顶位置,直线段每20米一个桩,曲线段每10米一个桩,桩与桩之间撒白石灰,每个桩标明下挖深度。
1.2基坑开挖基坑开挖之前,先在两侧搭设C25砼基础高2.5m彩钢板围栏。
根据本项目设计图纸要求采用放坡开挖的方式,开挖深度为3.65m-4.45m,基坑开挖分三次开挖,第三次开挖至基底。
采用机械结合人工开挖。
2A=3.6m*1.8m双孔暗渠剖面A、基坑开挖采用长臂挖掘机开挖,机械站立在基槽两米外以减轻土侧压力,所有开挖的土方外运至弃土场,做到随挖随外运,禁止堆放基槽两侧。
C、基坑开挖至距基底30cm应立即停止开挖,改为用人工进行清理,禁止出现超挖现象,保证基底以下土体稳定。
D、基坑内积水要求及时排除,每隔10m设置一个集水坑,以保证土体稳定性。
E、在基坑两侧安装安全爬梯,供施工人员上下基坑;人工开挖时要求观测员全程观测,基坑两边各安排一个安全员进行来回巡查,确保基坑内作业人员安全。
1.3暗渠钢筋砼浇筑钢筋混凝土浇筑分两次浇筑,第一阶段先浇筑底板上50cm,第二阶段墙身及顶板一起浇筑,第一阶段和第二阶段采用止水带连接。
1.3.1模板A、模板采用组合钢模板,以保证模板在砼浇筑震捣和凝固过程中模板不发生超过允许的形变。
模板挠度不大于模板构件跨度的1/250。
B、模板中的金属拉杆或锚杆,设置在距离砼表面50mm处,以便取出时不致损坏砼;当砼中间需设拉杆时,可以先埋设小塑料管,供穿拉杆使用,拆模后管中填注相同标号的砂浆。
C、模板在安装和浇筑过程中应保持规定的线形,直至砼充分硬化,重复使用的模板应始终保持其线形、强度、不透水性和表面光滑,在浇筑前模板内必须清理干净,并取得监理工程师的同意。
D、脱模剂必须使用监理工程师可以接受的脱模剂。
E、模板接缝:模板接缝应该保持线形的美观。
暗渠安全专项安全施工方案一、项目背景和目标本项目是为了确保暗渠安全专项施工的顺利进行,保障人员安全和工程质量,制定了本安全施工方案。
本项目的目标是全面掌握施工现场的安全管理,规范施工作业流程,做到安全施工、安全监控,最大限度地避免安全事故的发生。
二、项目范围本安全施工方案适用于暗渠安全专项施工的全过程,包括前期准备、施工作业、设备检修和后期清理等环节。
三、施工前准备工作1. 安全方案制定:制定本安全施工方案,并组织相关人员进行培训,确保他们对本方案的内容和要求有清晰的理解。
2.人员资质审查:核查参与施工的人员的资质,确保他们具备相应的技术和安全知识。
3. 设备准备:检查施工所需的设备和工具,确保其完好并符合安全要求。
4. 施工现场检查:对施工现场进行检查,发现潜在的危险因素并采取相应的措施进行消除。
四、施工作业安全控制1. 人员准入管理:严格按照施工方案要求控制人员进入施工现场的流程,确保只有经过培训和考核合格的人员才能进入施工现场。
2. 安全防护措施:根据施工现场的危险因素,采取相应的安全防护措施,如安装警示标志、设置警戒线、佩戴个人防护装备等。
3. 施工作业流程控制:制定施工作业流程,确保作业步骤的合理性和安全性,并进行现场指导,防止操作不规范或违反安全要求。
4. 施工设备安全管理:对施工设备进行定期检查和维护,确保其正常运行并符合安全要求。
5. 安全培训和技能考核:定期组织安全培训和技能考核,提高施工人员的安全意识和技能水平。
五、设备检修和后期清理1. 设备检修:在施工完成后,对使用的设备进行检修和维护,确保其在下次使用前正常运行。
2. 后期清理:对施工现场进行清理,清除施工过程中产生的垃圾和废弃物,保持施工现场的整洁和安全。
六、应急预案和安全演习1. 应急预案:制定施工现场的应急预案,明确各类安全事故的处理措施和责任分工。
2. 安全演习:定期组织安全演习,检验应急预案的可行性和有效性,提高应对突发事故的能力。
暗渠工程施工方案施工前的那个早晨,我坐在办公室里,窗外的阳光透过窗帘的缝隙洒在桌面上,心里已经开始勾勒出这个工程的轮廓。
这个项目,可是个大工程,暗渠施工,既要保证质量,又要确保进度,还要兼顾安全,这其中的门道可多了去了。
一、工程概述暗渠工程,简单来说,就是在地下挖个沟,把水引到指定的地方去。
这次的工程,地点选在郊区一片开阔地,全长5公里,深度6米,宽度3米,采用钢筋混凝土结构,预计工期为3个月。
二、施工准备1.人员组织:成立专门的施工队伍,包括项目经理、技术负责人、施工员、安全员等,确保项目顺利推进。
2.施工材料:提前采购钢筋混凝土管、钢筋、水泥、砂石等材料,保证施工过程中材料充足。
3.施工设备:挖掘机、装载机、混凝土搅拌车、泵车等设备,确保施工进度。
4.施工图纸:严格按照设计图纸施工,不得擅自更改。
5.安全措施:制定严格的安全施工方案,确保施工过程中人员安全。
三、施工方法1.开挖沟槽:采用挖掘机开挖,注意保持槽底平整,槽壁垂直。
2.基础处理:槽底清理干净后,铺设砂垫层,保证基础稳定。
3.钢筋制安:按照设计图纸,绑扎钢筋,焊接接头。
4.浇筑混凝土:采用泵车浇筑混凝土,注意混凝土的配合比和质量。
5.模板安装:安装模板,保证模板的稳定性和严密性。
6.混凝土养护:浇筑完成后,进行混凝土养护,确保混凝土强度。
7.回填土方:施工完成后,及时回填土方,恢复地貌。
四、施工进度安排1.第一个月:完成沟槽开挖、基础处理、钢筋制安等工作。
2.第二个月:完成混凝土浇筑、模板安装、混凝土养护等工作。
3.第三个月:完成回填土方、施工验收等工作。
五、质量控制1.严格按照施工图纸和规范施工,确保工程质量。
2.施工过程中,加强检查,发现问题及时整改。
3.对关键工序,如混凝土浇筑、钢筋焊接等,进行严格把关。
4.定期进行质量评定,确保工程质量达到优良等级。
六、安全管理1.施工现场设置安全标志,提醒施工人员注意安全。
2.定期进行安全培训,提高施工人员的安全意识。
施工技术方案引水暗渠引水暗渠施工技术方案1.项目概述引水暗渠工程是指将来自山区水源地的水通过引水渠道输送至下游,以解决灌溉、生活和工业用水问题的一项工程。
本工程包括开挖沟渠、道路修建、暗渠施工、防渗、支管连接等。
本次技术方案主要针对暗渠施工方式进行描述。
2.设计要求2.1 施工地点本工程引水暗渠位于山区,地形复杂,土质为黏土砂岩,地质条件尚好,无明显水文地质隐患。
2.2 施工环境本工程施工期间需要考虑到环境保护,施工现场周围生态环境要加强保护,避免水土流失等环境污染问题。
2.3 施工工期本工程施工期为120天,需要保证进度和质量。
3.施工方案3.1 施工前准备3.1.1 施工方案制定根据设计要求和工程实际情况,制定引水暗渠施工方案,包括分段施工方案、施工工艺流程图、安全措施、环保措施等。
3.1.2 设备进场根据施工方案和技术要求,进场必要的机具和设备,包括挖掘机、铲车、液压锤、脚手架等。
3.1.3 环境保护施工现场周围采取生态环保措施,避免环境污染,减少施工对环境的影响。
3.1.4 进行现场踏勘在施工前进行现场踏勘,了解地形地貌和地质情况,确定施工方案和布局。
3.1.5 进行地质勘察对施工区域进行地质勘察,掌握地质分布情况,以充分预测隐患和应对措施。
3.2 暗渠施工3.2.1 暗渠开挖根据设计要求和施工方案,在施工现场进行开挖,初始挖掘坑底时,需注意挖掘坑底质量,如松软或者有淤泥或杂质等,需要用砂浆或其他方法进行加固或处理。
3.2.2 暗渠壁和顶板施工在暗渠开挖完成后,开始进行暗渠壁和顶板施工。
先进行底板铺垫,再开始进行墙体的施工,施工过程中需要定时检查墙壁和顶板,避免开裂和渗漏。
3.2.3 渗透防治施工完成后,进行暗渠的渗透防治工作,包括增加防渗涂层、修缮墙体等。
3.2.4 竣工验收暗渠施工完成后,进行竣工验收检查,确保施工合格后方可交付使用。
4.安全措施在施工中,需要加强安全管理措施,包括加强现场安全管理、深入贯彻落实安全生产方针及各项安全制度、实行三级目标管理、加强现场安全教育等。
第1篇一、工程概况本项目位于我国某地区,主要承担着该地区的水资源调配、防洪排涝、农业灌溉等功能。
暗渠全长约10公里,设计流量为50立方米/秒。
暗渠施工主要包括渠道开挖、渠道衬砌、进出口建筑物及附属工程等。
二、施工组织设计1. 施工队伍本项目施工队伍由具有丰富经验的施工队伍组成,包括项目经理、技术负责人、施工员、质量员、安全员等。
施工队伍需具备以下条件:(1)具有相应资质证书的施工队伍;(2)施工队伍成员具有相关岗位资格证书;(3)施工队伍具有完善的施工组织体系。
2. 施工进度计划根据工程特点和施工条件,制定合理的施工进度计划,确保工程按期完成。
具体施工进度计划如下:(1)渠道开挖:1个月;(2)渠道衬砌:2个月;(3)进出口建筑物及附属工程:1个月;(4)验收及移交:1个月。
3. 施工方案(1)渠道开挖1)开挖方法:采用人工开挖为主,机械开挖为辅的方法。
2)开挖顺序:自上游向下游进行。
3)开挖标准:渠道底宽不小于设计底宽,边坡坡度符合设计要求。
4)质量控制:开挖过程中,严格控制渠道尺寸,确保渠道平整、稳定。
(2)渠道衬砌1)衬砌材料:采用混凝土衬砌,厚度根据设计要求确定。
2)衬砌施工:采用现浇混凝土施工方法,严格控制混凝土配合比,确保衬砌质量。
3)质量控制:衬砌施工过程中,严格控制混凝土浇筑、振捣、养护等环节,确保衬砌质量。
(3)进出口建筑物及附属工程1)进出口建筑物:采用现浇混凝土结构,主要包括进出口闸门、闸室、启闭机室等。
2)附属工程:主要包括护坡、排水沟、电力设施等。
3)施工方法:采用现浇混凝土施工方法,严格控制施工质量。
4. 施工安全措施1)施工现场设置安全警示标志,明确安全操作规程。
2)施工现场设置安全防护设施,如安全网、防护栏等。
3)施工人员必须佩戴安全帽、安全带等防护用品。
4)施工现场设置消防设施,确保消防安全。
5. 施工环境保护措施1)施工现场设置围挡,防止施工废水、废弃物外泄。
第1篇一、编制说明1. 编制依据(1)国家相关法律法规和行业标准;(2)本工程可行性研究报告及设计文件;(3)施工现场实际情况及周围环境;(4)施工技术水平、施工管理水平和机械设备配备能力。
2. 编制内容本方案主要包括工程概况、施工组织设计、施工方法、施工进度、质量控制、安全管理、环境保护等方面。
二、工程概况1. 工程名称:XX暗渠清淤工程2. 工程地点:XX市XX区XX街道3. 工程规模:全长XX米,断面尺寸为XX米×XX米4. 工程内容:暗渠清淤、管道疏通、边坡加固等三、施工组织设计1. 施工单位:XX公司2. 施工项目经理:XX3. 施工人员:XX人4. 施工机械设备:挖掘机、装载机、自卸车、抽水泵、高压清洗车等四、施工方法1. 清淤方法(1)采用人工与机械相结合的方式进行清淤;(2)先用挖掘机、装载机等机械设备将暗渠内的淤泥、垃圾等杂物清理至指定地点;(3)人工清理暗渠底部残留的淤泥、垃圾等杂物。
2. 管道疏通方法(1)采用高压清洗车对管道进行清洗,清除管道内的淤泥、油脂等杂物;(2)对管道进行分段清洗,分段长度根据管径和长度确定;(3)清洗过程中,注意观察管道内部情况,发现问题及时处理。
3. 边坡加固方法(1)对边坡进行清理,清除杂草、杂物等;(2)采用水泥砂浆对边坡进行加固,确保边坡稳定。
五、施工进度1. 施工前准备:10天2. 暗渠清淤:15天3. 管道疏通:10天4. 边坡加固:5天5. 施工验收:5天总计:45天六、质量控制1. 严格按照设计要求和施工规范进行施工;2. 施工过程中,对施工质量进行监督检查,确保施工质量符合要求;3. 施工完成后,对工程进行全面验收,确保工程质量达到预期效果。
七、安全管理1. 施工现场设置安全警示标志,提醒施工人员注意安全;2. 施工人员必须佩戴安全帽、安全带等防护用品;3. 施工机械设备操作人员必须经过专业培训,取得操作资格证书;4. 施工过程中,加强现场安全管理,防止安全事故发生。
1、主要施工方法1.1、施工工艺1.1.基坑开挖施工工艺在暗渠基坑回填时回填高程及边坡均超填30-50cm,施工石津灌渠时进行挖除。
首先先进行测量放线,确定设计高程。
然后使用挖掘机进行粗刷坡,待剩余10cm左右在进行人工刷坡,直至达到设计边坡。
渠底首先使用推土机进行推平,达到设计高程时采用人工进行清理,直至达到规范要求,对路基碾压经检验合格后再进行齿槽开挖,使用小型挖掘机及人工配合进行施工并按要求进行处理,直到达到验收条件。
1.2.钢筋制安施工工艺根据设计图纸要求,针对施工部位钢筋型号、规格、尺寸,事先计算钢筋数量,进行编制钢筋下料表。
依据钢筋下料表进行钢筋加工。
钢筋连接采用闪光对焊连接。
钢筋半成品在钢筋加工场地进行加工,分类存放。
闪光对焊连接,先用砂轮切割机将所有钢筋接头的端面,切除5cm,使其端面垂直、平滑。
对焊过程中,先将所要对焊钢筋在电极内加紧,进行通电对焊。
焊接完成后,对其进行检验,确保接头处不得有横向裂纹;钢筋表面不得有明显烧伤;接头处的弯折角不得大于3度;轴线偏移不得大于钢筋直径的0.1倍,且不得大于2mm。
绑扎用22号铁丝绑扎。
保护层使用砂浆垫块。
1.3.模板安装施工工艺石津渠防护工程模板拼装,渠坡及渠底模板全部采用竹胶板拼装,渠坡模板根据设计图纸进行现场加工,在实施模板拼装加固过程中,模板外侧采用直径16钢筋拉杆连接加固,外侧铺设两道钢管与拉杆连接,使其模板连成一体。
外侧使用调节丝杆进行外加固。
止水带安装,根据设计要求,计算每一道止水带位置及高程,将止水带铺设在模板与模板之间,使用止水带夹进行加固止水带。
保证止水带安装稳定牢固、位置正确。
1.4.混凝土施工工艺垫层混凝土采用拌和站集中拌和,混凝土罐车水平运输,混凝土输送泵输送至仓面方法进行施工。
垫层浇筑采用一次浇筑,自一头向另一头浇筑,不进行跳仓。
混凝土入仓后,首先使用人工进行平仓,振捣棒进行振捣,平板振捣器托振方法进行施工,然后使用刮尺进行粗平,待混凝土达到一定强度后,在使用磨光机进行精平。
暗渠整治工程施工方案项目概况本文旨在介绍暗渠整治工程的施工方案,旨在对该工程的施工进行规范和管理,确保该工程在预算、进度、质量等方面得到满足。
本工程主要包括以下内容:•暗渠检修井的清理和加固•暗渠管道的修补和加固•暗渠出水口的改善该工程施工区域位于市中心区,有一定的交通流量,需注意交通控制。
施工流程施工准备阶段1.了解工程施工区域周边情况和交通情况2.制定安全和环保措施3.调配施工人员和材料施工阶段1.暗渠检修井的清理和加固1.首先清理暗渠检修井内的杂物和污泥2.采取微波硬化技术对检修井进行加固3.检查并更换井盖2.暗渠管道的修补和加固1.首先进行管道内部清理2.使用玻璃钢材料对部分管道进行加固3.对部分管道进行疏通和保洁3.暗渠出水口的改善1.对出水口进行加强和加固2.利用石头和水泥加固岸线3.安装固定护栏施工结束阶段1.进行工程验收2.拆除现场施工设备和场地维护3.保持施工现场和周围环境的清洁施工注意事项1.工地周边要设置安全警戒线,禁止非施工人员进入。
2.施工现场应进行噪音、尘埃污染等方面的控制,避免对周围居民产生影响。
3.施工队要对施工人员进行健康及安全方面的教育培训,保证施工安全。
4.施工队要注意材料的使用情况和数量,以确保不浪费资源,对环境不产生污染。
5.施工队要按计划施工,确保项目进度。
施工成果1.暗渠检修井得到加固和清理。
2.暗渠管道被修补和加固,疏通和保洁,增加了水流畅通度。
3.出水口得到加固,改善了水流排放质量。
4.工程施工按时完成,使暗渠的使用寿命延长。
总结本文介绍了暗渠整治工程的施工方案和注意事项,该施工方案旨在确保工程施工的安全、质量和进度,不断优化和提高施工效率,以确保工程可以按时、按质量、按预算完成。
暗渠清淤工程施工方案1. 引言暗渠清淤工程施工方案是为了解决暗渠中淤泥堵塞问题,保持正常的水流通畅,确保水资源的有效利用和水环境的良好状况。
本方案旨在提供一种可行的施工方案,确保施工的安全性、高效性和环境友好性。
2. 工程概述本工程的主要目标是对暗渠进行清淤,清除淤泥和杂物,以恢复并保持其正常的水流容量。
具体工作包括:现场勘察、规划设计、设备准备、清淤施工、水质监测等。
3. 施工准备在正式开始清淤工程之前,需要进行充分的准备工作。
以下是主要的施工准备工作:•现场勘察:对暗渠的情况进行详细的勘察和分析,包括暗渠的形状、长度、淤泥堆积情况等。
•规划设计:根据勘察结果,制定详细的施工方案和流程,并评估所需的时间和资源。
•设备准备:准备清淤所需的机械设备、工具和材料,确保施工的顺利进行。
•人员组织:确定施工人员的数量和岗位,确保施工团队的配备和组织。
4. 清淤施工流程清淤施工的具体流程如下:•步骤1:将施工区域周边进行临时围栏和标志,确保施工安全。
•步骤2:清除暗渠入口附近的杂物,使进入和出入口畅通。
•步骤3:利用挖掘机等机械设备,对暗渠进行清淤作业,将淤泥和杂物清除。
•步骤4:清淤作业完成后,对暗渠进行检查和评估,确保清淤效果达到要求。
•步骤5:对施工区域进行清理,清除残留的杂物和废料,保持环境整洁。
5. 施工安全措施在清淤工程施工过程中,施工方应重视施工安全,采取以下措施:•施工人员必须配备符合要求的个人防护装备,如安全帽、防护鞋等。
•施工现场必须设置警示标志和防护栏杆,确保施工区域的安全。
•机械设备操作人员必须经过培训和持证上岗,并确保设备的正常运行和维护。
•施工前需进行充分的物料清理和整理,防止杂物对施工造成的影响。
•施工现场应设置专人监督和管理,确保施工流程的顺利进行。
6. 水质监测清淤后,应进行水质监测,确保水质达到相关的标准要求。
监测内容主要包括水质指标、悬浮物含量、溶解氧含量等。
监测频率根据具体情况而定,可以选择连续监测、定期监测或不定期监测等不同方法。
暗渠施工方案第一篇:暗渠施工方案1.编制说明1.1编制依据(1)《南排暗渠改造工程设计图纸》;(2)《市政排水管道工程及附属设施》图集;(3)《给水排水管道工程施工及验收规范》(GB50268-2008);(4)针对该工程进行的施工调查资料;(5)现有的施工技术水平、施工管理水平和机械设备配备能力。
1.2编制内容南排暗渠改造主要施工方案2.工程概况南排暗渠改造工程全长1014米,起点位于荣兴路与云霄街交叉口处,终点至污水处理厂 2.1设计概况本工程为南排暗渠改造,新铺设双孔排水暗渠,单孔尺寸为高2.5米、宽3.0米;暗渠每隔140米左右在道路两侧设置预留管,道路交叉口处南北两侧均设预留管。
2.2工程水文地质条件经对田地动迁后,我方进行4处探坑,发现地下水极其丰富; 2.3工程特点(1)荣兴路上地下管线复杂。
稻田地内有一处原北排污水管线;(2)地下水位高于暗渠底板,必须解决施工地下水排放的问题。
需要修明渠,进行排水。
(3)工程区四周地势起伏不大,交通影大,施工场地狭窄、水污染、环境保护问题。
(4)暗渠断面大,沟槽开挖深度深。
(5)施工中,应注意尽量缩短基坑开挖后的暴露时间、支护及开挖分段长度的合理性。
3施工总体方案及计划3.1总体施工方案暗渠改造工程在荣兴路施工区域附近管线复杂,暗渠施工时需同步进行其他相关管线的改移工作,工序交叉作业多,既有管线保护是暗渠施工组织的重点。
荣兴路西侧的D1200给水管管道采用悬吊保护,荣兴路南北走向的D300给水管采用移除施工完毕后恢复;供暖管线与红阳热力公司协商采用先拆除在恢复。
暗渠施工沟槽开挖采用放坡开挖,放坡坡率采用1:0.53,遇见含水量很大时采用加大放坡比例并用钢桩支撑,防止因沟槽开挖引起塌方;根据施工前探坑开挖后的情况,基坑开挖后涌水量不同,基坑排水采取开挖后在基坑底四周设截水沟及集水坑明排的方法。
4施工方法4.1暗渠施工工艺流程暗渠施工工艺流程图4.1-1 暗渠施工流程图4.2施工准备 4.2.1场地布置施工场地布置在起杨林子麒麟家园小区北侧。
第1篇一、施工准备1. 设计审查:在施工前,对设计图纸进行审查,确保设计合理、安全、可行。
2. 材料准备:根据设计要求,准备涵箱、管道、钢筋、混凝土等材料,并确保材料质量符合标准。
3. 施工队伍:组织一支具备相关经验和技能的施工队伍,并进行技术交底和安全培训。
4. 施工现场:对施工现场进行平整、排水,确保施工环境满足要求。
二、施工步骤1. 涵洞基础开挖:根据设计要求,对涵洞基础进行开挖,确保基础平整、稳定。
开挖过程中,注意保护地下管线和文物。
2. 涵洞结构施工:根据设计图纸,进行涵洞结构的施工。
主要包括:(1)涵洞主体:按照设计要求,进行涵洞主体的施工,包括涵洞主体结构的浇筑、钢筋绑扎等。
(2)涵洞进出口:对涵洞进出口进行施工,确保进出口结构稳定、符合设计要求。
(3)涵洞附属设施:对涵洞附属设施进行施工,如排水沟、防护栏等。
3. 暗渠管道施工:根据设计要求,进行暗渠管道的施工。
主要包括:(1)管道基础:对管道基础进行开挖、处理,确保基础平整、稳定。
(2)管道主体:按照设计要求,进行管道主体的施工,包括管道的浇筑、钢筋绑扎等。
(3)管道接口:对管道接口进行施工,确保接口严密、牢固。
4. 回填土方:在涵洞和暗渠结构施工完成后,进行回填土方。
回填过程中,注意分层压实,确保土方密实。
5. 施工缝处理:在施工过程中,对施工缝进行处理,确保施工缝质量。
6. 施工质量检测:在施工过程中,对施工质量进行检测,确保工程质量符合标准。
三、施工注意事项1. 施工安全:加强施工现场安全管理,确保施工人员安全。
2. 施工质量:严格控制施工质量,确保工程质量符合标准。
3. 环境保护:在施工过程中,注意环境保护,减少对周边环境的影响。
4. 施工进度:合理安排施工进度,确保工程按时完成。
5. 施工资料:做好施工资料的收集、整理和归档工作。
总之,涵箱暗渠工程施工是一项复杂、系统的工程。
在施工过程中,要严格按照设计要求、施工规范和操作规程进行施工,确保工程质量、安全和进度。
施工技术方案(引水暗渠)引水暗渠技术是现代农业灌溉中常用的一种方法。
本文将详细介绍引水暗渠的施工技术方案,包括布局设计、挖掘施工、配管安装、调试验收等方面的内容。
一、布局设计引水暗渠的布局设计包括渠道起点和终点的确定、渠道的路线选择、渠道断面和深度的设计等。
主要考虑以下几点:(1)引水量:根据需要灌溉的土地面积和用水量的大小,确定引水量。
一般来说,引水暗渠的引水量不宜过大,一般控制在400-500m3/h以下。
(2)地形地貌:选择适宜的路线,避开沟壑地带,穿过最低凹处,避免走斜路或拐弯。
同时考虑土质情况,选择容易挖斗的土壤区域。
(3)输送距离:选择距离近、坡度小的路线,避免出现太多弯道和坡度大的地段。
(4)涵洞和桥梁:设计过程中需要注意道路、河流、农田等地方是否需要建造涵洞和桥梁。
(5)渠道断面和深度:考虑到灌溉的需要和土壤的吸水能力,确定渠道的断面和深度,一般情况下,引水暗渠的水深保持在1.5m-2.5m之间,渠底宽度为2m-3m之间。
二、挖掘施工引水暗渠的挖掘施工一般使用挖掘机进行。
主要注意以下几点:(1)施工前需要清理场地,保证施工现场整洁。
同时压实土壤,保证施工现场的卫生环境。
(2)根据设计深度和断面宽度开始挖掘。
先从渠底开始挖掘,然后逐渐向上挖掘,挖至设计的深度。
为了避免坍塌和泥浆流淌,需要验证挖掘的深度和宽度是否符合设计要求。
(3)挖掘完成后需要清理渠沟,同时检查挖掘过程中有无管线敷设等设施遗漏。
(4)向渠沟中加水,将松动土壤冲洗干净,同时将渠沟中的水排放干净,使渠沟内干燥。
(5)挖掘后需要进行塑料管道的贴壁处理,防止管道施工时刮花或被割破的情况发生。
三、配管安装(1)选择优质的 PVC 管道,避免因管道材质问题导致的漏水、老化等问题。
(2)管道接头需要选择高质量的接头,保证管道连接处的密封性和可靠性。
(3)管道安装时,需要避免弯曲和扭曲,保证其通畅性。
(4)与主控制阀门相连的位置必须符合设计要求,以便开关控制。
暗渠施工方案一、工程概况1、设计概况拟建暗渠为连接上游水渠和下游主河道之间的过渡段,暗埋于公建广场回填土下。
总长度112米,宽度6.5米,基础类型为筏板基础,基础底部持力层为黄褐色碎石层+级配碎石换填。
结构类型为钢筋混凝土圆拱框架结构。
设计标高底板结构面从绝对标高1.00至0.00,每25米设置沉降缝一道。
混凝土强度等级C30。
2、现场作业条件暗渠现有位置为已有河道,局部为已回填的场地,河床标高约-1.0米至-1.8米,已回填场地标高为3.0米。
河床淤泥比较深,厚度从1.5米到5.0米不等,淤泥底部为黄褐色碎石层。
地下水位比较高,冬季水位在-2.5米左右。
此季节施工,受天气情况影响比较大,基本处于冬期施工,气温多在零度以下,伴随着雨雪和冰冻,施工难度比较大。
二、编制依据1、施工图纸2三、施工准备1、技术准备确定基础开挖和结构施工方案,确定合理的开挖方式、施工顺序和基础处理措施、圆拱型框架支撑措施,选择适当的施工机械,并对施工作业队伍进行交底。
按设计要求范围和标高平整场地,为现场布置和测量放线、土方开挖创造条件。
根据建设单位提供的控制桩、水准点,在工程施工区域设置控制网包括控制基线、轴线和水平基准点;作好轴线控制的测量和校核,进行土方工程的测量定位放线,放出基坑挖土灰线、上部边线和底部边线以及水准标志,灰线、标高、轴线应进行复合无误后,方可进行场地平整和基坑开挖。
由工程技术人员、各专业工长参与钢筋的下料,模板、钢管、木方、槽钢、角钢、螺杆、螺栓等的提料计划。
根据图纸、方案及钢筋、模板、混凝土工程的有关规定结合工程结构的实际情况制定详细的有针对性和可操作性的技术交底,做好技术交底工作,对于节点大样及特殊作法,绘制出详细的大样图。
2、现场准备施工前,组织现场勘探,选择具有代表性的位置预先开挖,邀请设计院、甲方、监理核实持力层状态,为确定施工方案做前期铺垫。
接入施工用水、施工用电,按照国家规范要求和地方行业标准布置。
第1篇一、项目概述1. 工程背景暗渠作为一种重要的水利工程设施,主要用于灌溉、排水、防洪等。
随着我国水利建设的快速发展,暗渠工程在农业、城市建设等领域发挥着越来越重要的作用。
为确保暗渠施工过程中的安全,特制定本专项施工方案。
2. 工程概况本项目暗渠全长XX公里,设计流量XX立方米/秒,渠底高程XX米,渠顶高程XX 米。
暗渠采用现浇钢筋混凝土结构,断面形式为梯形,底宽XX米,顶宽XX米。
3. 施工工期本工程计划工期为XX个月。
二、施工组织机构1. 施工项目部成立暗渠施工项目部,负责整个工程的施工组织、协调和管理。
2. 施工人员项目部下设施工队、技术组、质量组、安全组、材料组等,配备相应的专业技术人员和施工人员。
三、施工准备1. 技术准备(1)组织施工人员学习图纸和技术规范,明确施工工艺和质量要求。
(2)编制施工组织设计和专项施工方案,包括施工进度计划、质量保证措施、安全措施等。
(3)进行现场踏勘,了解地形、地质、水文等情况,制定相应的施工措施。
2. 材料准备(1)采购符合设计要求的钢筋、水泥、砂石等原材料。
(2)租赁或购置施工机械设备,如搅拌机、振捣器、钢筋切割机等。
(3)准备施工所需的工具和材料,如模板、脚手架、安全防护用品等。
3. 人员准备(1)组织施工人员进行岗前培训,提高施工技能和安全意识。
(2)对施工人员进行安全技术交底,明确施工过程中的安全注意事项。
四、施工工艺1. 施工流程(1)基础处理:清除施工区域内的杂草、杂物,进行平整,达到设计要求。
(2)模板安装:根据设计图纸和施工要求,安装模板,确保模板的牢固性和稳定性。
(3)钢筋绑扎:按照设计图纸和规范要求,绑扎钢筋,确保钢筋的位置和间距准确。
(4)混凝土浇筑:采用混凝土搅拌车运输混凝土,采用振捣器进行振捣,确保混凝土的密实性。
(5)养护:混凝土浇筑完成后,进行养护,保证混凝土强度达到设计要求。
2. 施工要点(1)模板安装:模板应采用钢模板,安装牢固,不得出现变形、移位等情况。
暗渠清淤工程施工方案一、工程概况暗渠清淤工程是指对地下暗渠进行清淤作业,以确保暗渠通畅,提高水流效率和安全性的工程。
本次暗渠清淤工程位于某市区域的农田地区,涉及的暗渠总长度约1000米,工程地点集中在田间地头的地下暗渠,主要用于农田灌溉和排水。
二、工程内容1.清淤范围:本次清淤工程覆盖范围为1000米暗渠,包括暗渠内积存的泥沙、杂物等,以及暗渠口的沉积物。
2.清淤方法:清淤工作将采用机械疏浚的方式进行,首先使用挖掘机或清淤机械将暗渠内的泥沙、杂物等清理干净,然后将清出的泥沙等杂物运至指定地点进行处理。
清理后,将对暗渠进行巡视检查,确保暗渠畅通无阻。
3.施工周期:本次暗渠清淤工程预计工期为30天,包括技术准备、施工作业、清理处理等各个阶段。
4.安全防护:在进行清淤作业时,需严格遵守安全操作规程,保障施工人员的人身安全;同时要进行现场规范管理,确保施工过程中的安全问题得到妥善解决。
三、施工步骤1.技术准备:确定暗渠清淤的位置、范围,选择适当的清淤机械设备和工具,配备必要的作业人员和技术人员。
2.现场布置:在施工现场进行标示,设置安全警示牌,并划定作业区域,确保施工区域内的人员和车辆通行有序。
3.清淤作业:根据清淤计划,采用挖掘机或清淤机械进行暗渠内的泥沙、杂物清理作业,将清理出的泥沙等杂物运至处理场地。
4.巡视检查:清淤作业完成后,进行暗渠的巡视检查,确保暗渠畅通无阻,排水顺畅。
5.清理处理:对清理出的泥沙、杂物进行处理,符合环保标准后进行废弃物处理或回收利用。
6.清淤验收:完成清淤工作后,进行清淤验收,确保工程质量符合要求。
四、施工注意事项1.施工人员必须经过专业培训,熟悉作业流程和安全操作规程。
2.作业现场应设置必要的安全警示标志,确保施工人员和周边居民的安全。
3.施工设备应符合相关安全标准,保证施工的效率和质量。
4.清淤过程中需防范暗渠坍塌、泥沙溢出等安全问题,确保施工过程的顺利进行。
5.施工现场应保持整洁,定期清理施工垃圾和废弃物,确保环境卫生。
暗渠整治工程施工方案一、工程概况暗渠整治工程是指对城市内部已建成的、受雨水、废水等污染物或其他不洁物质所影响的暗渠进行处理和整治的工程。
暗渠整治工程主要包括暗渠的清淤、加固、改造和新建等工作,以保障城市排水系统的畅通和垃圾处理系统的有效运行。
本工程的施工地点为某市区内的污水处理厂附近,整治范围包括4条主要的暗渠和几条次要暗渠。
二、工程目标1. 保障污水排放系统的正常运行,防止因暗渠积水引发的污水倒灌现象;2. 净化城市内部暗渠所受到的污染物质,为生态环境提供良好的保障;3. 提高暗渠的输水能力,防止积淤、塌陷等情况的发生;4. 降低城市内的污水处理厂的处理成本,减少对环境的破坏。
三、施工方案1. 外围环境保护施工区域的外围环境设置围挡、挡板等防护设施,避免施工对周边环境造成的二次污染,确保周边环境的安全和卫生。
2. 施工海绵城市排水暗渠改造首先对暗渠进行临时排水,将其中的淤泥、垃圾等废渣清理干净,并将有用的雨水和污水分别进行暂时处理。
然后对暗渠的围墙进行加固,并进行防渗层的处理。
为了提高暗渠的输水能力,需要对暗渠进行改造,增加输水管道的直径,提高排水能力。
3. 污水处理厂附近污水排放系统改造对污水处理厂附近的暗渠进行改造,增设检查井、加强围墙及预留扩建空间。
对暗渠进行清淤、加固,并进行防渗层的处理,提高排水能力。
4. 隔离现场施工对正在使用的暗渠进行隔离,确保施工的安全。
在施工过程中,需要尽量减少对周边环境的影响,确保施工的安全和环境的卫生。
5. 供应材料施工需要大量的混凝土、钢筋、管道等材料,需根据施工的具体情况进行合理的采购计划,确保所用材料的质量和数量。
施工中需要组织工程技术人员、施工人员和安全管理人员,确保施工的顺利进行。
同时,要保障施工人员的安全,严格遵守相关的安全操作规程,确保施工的质量和安全。
7. 竣工验收施工完成后,要进行相应的竣工验收,确保施工的质量和效果,并将会对整个暗渠整治工程进行评估和检测。
暗水渠施工方案1. 引言本文档将介绍暗水渠的施工方案。
暗水渠是一种地下渠道,用于排水和输水。
在本方案中,我们将详细说明暗水渠的设计、施工步骤和相关注意事项。
2. 设计在进行暗水渠的设计时,我们需要考虑以下几个方面:•渠道的起点和终点确定,以及中间的走向和高程。
•渠道的尺寸和断面形状,以确保足够的流量通过。
•渠道的材料选择,需要考虑耐久性和抗渗性能。
•渠道与周围环境的关系,如避免与其他地下设施干扰。
3. 施工步骤3.1 清理施工现场在进行暗水渠的施工前,需要对施工现场进行清理和准备工作。
这包括清除杂物、平整地表等。
3.2 开挖渠道根据设计要求,在清理施工现场后,开始进行渠道的开挖工作。
开挖的深度和宽度应符合设计要求,同时要确保施工现场的安全。
3.3 渠道加固在开挖渠道后,需要对渠道进行加固,以防止塌方和坍塌。
加固的方式包括喷射混凝土和使用支撑结构等。
3.4 渠道铺设在渠道加固完成后,开始进行渠道的铺设工作。
根据设计要求,可以选择适合的材料进行铺设,如砖、混凝土等。
3.5 连接管道在渠道铺设完成后,需要进行管道的连接工作。
连接包括渠道与进水口、出水口的连接,以及与其他管道的连接。
3.6 测试与验收在施工完成后,需要进行渠道的测试与验收工作。
测试包括漏水测试和流量测试,确保渠道的质量和功能符合设计要求。
4. 注意事项在暗水渠的施工过程中,需要注意以下几个事项:•安全第一:施工人员需要佩戴合适的个人防护装备,并遵守施工现场的安全规定。
•施工质量:严格按照设计和规范要求进行施工,确保渠道的质量和功能达到预期。
•环境保护:施工过程中要注意环境保护,避免对周围环境造成污染和破坏。
•定期维护:渠道施工完成后,需要进行定期的维护和清理工作,以确保渠道的畅通和功能正常。
5. 结论本文档对暗水渠施工方案进行了详细说明,包括设计、施工步骤和注意事项。
通过严格按照方案要求进行施工,并注意安全和环境保护,可以确保暗水渠的质量和功能达到预期。
1.编制说明1.1编制依据(1)《排水管道改造一期工程(第一批)雨、污水排水设施改造工程施工图》;(2)《管线改迁施工图》;(3)《市政排水管道工程及附属设施》图集;(4)《给水排水管道工程施工及验收规范》(GB50268-2008);(5)《污水综合排放标准》(GB8978-88);(6)《建筑施工场界噪声限值》(GB12523-90);(7)《机动车辆允许噪声》(GB1495-79);(8)针对该工程进行的施工调查资料;(9)现有的施工技术水平、施工管理水平和机械设备配备能力。
1.2编制内容劲松七路暗渠工程概况、施工工期计划、施工部署、施工工艺、主要施工方法、施工安全及环境保护要求、应急措施等。
2.工程概况2.1设计概况现有雨水暗渠工程合肥路与劲松七路路下,长度750m,暗渠孔径为5×4米、4×4m、单跨4、5m等几种,净高1.8m,覆土深度为1.5~3m,设计荷载为城市道路A级,要求地基承载力特征值大于等于220kPa。
基底采用35cm厚毛石,毛石顶面采用5cm厚C20细石混凝土封底;渠身采用M7.5水泥沙浆浆砌毛石,内墙块石;暗渠上部为现浇台帽、盖板及部分预制盖板,地质情况变化明显处设沉降缝,伸缩缝宽2cm,沉降缝宽3cm,夹沥青麻絮。
盖板、侧墙、基础、伸缩缝及沉降缝设置同步。
2.2工程特点(1)周边地下管线复杂。
(2)地下水位高于暗渠底板,须解决杂填土遇水软化降低地基承载力和施工地下水排放的问题。
(3)工程区四周地势起伏不大,施工受居民楼与交通要道影响大,施工场地狭窄,需考虑噪音、水污染、环境保护问题。
(4)暗渠断面大,沟槽开挖深度深。
(5) 施工中,沟渠流水要另行引导,应注意尽量缩短基坑开挖后的暴露时间、支护及开挖分段长度的合理性。
3施工总体方案总体施工方案既有雨水沟渠位于合肥路与劲松七路交界处,暗渠改移施工区域附近要考虑管线问题,暗渠改移时需同步进行其他相关管线的改移工作,工序交叉作业多,既有管线保护是暗渠施工组织的重点。
雨水暗渠施工沟槽开挖采用放坡开挖,放坡坡率采用1:1;位于道路、和既有管线及建筑物相邻地段放坡受限制时采用钢板桩支护开挖,防止因沟槽开挖引起道路沉陷、既有管线或建筑物损坏;根据施工前探坑开挖后的情况,基坑开挖后涌水量较小,基坑排水采取开挖后在基坑底四周设截水沟及集水坑明排的方法。
4施工方法4.1暗渠施工工艺流程暗渠施工工艺流程详见图4.1-1。
图4.1-1 雨水暗渠施工流程图4.2施工准备4.2.1场地布置施工场地布置在现场局部范围内,平整场地后,施工场地采用15cm厚C15混凝土硬化。
4.2.2施工用水在工点附近接入城市自来水,为施工生产及生活提供用水。
4.2.3施工用电工点附近具备高压电接入条件,已经与当地电力部门联系,在施工现场接入施工用电,为雨水暗渠施工提供电力。
施工现场自备额定功率30kW发电机1台,作为停电时应急电源。
4.2.4施工机械表4.2-1 主要机械设备配备表4.2.5施工人员组织施工主要管理人员分工详见表4.2-2。
表4.2-2 主要管理人员分工及联系方式劳动力配备详见表4-2所示。
表4.2-3 劳动力配备表4.3测量放样(1)放样前应仔细地对设计图纸进行审核,先绘出施工详图,然后依图放样施工。
(2)严格按照设计图纸要求对雨水暗渠的中轴线、箱底标高、交角进行控制放样。
(3)按雨水暗渠的细部尺寸进行长度、宽度、坡角等细部放样设置护桩加以保护。
(4)放样后应确保定位桩的稳定不受扰动。
4.4沟槽开挖根据测量的放样桩位,分层开挖,必须人工挖探坑确认管道的位置及埋深,基坑四周设排水沟和集水坑,用水泵及时抽排坑内积水。
4.4.1开挖工序(1)按照测量组的放样尺寸进行基坑土石方开挖,基坑应分段分层、开挖,软基部位应进行加固处理。
(2)基底标高检查:施工至基底接近设计标高后均采用测量仪器进行基底标高检查。
(3)基坑修整:在基底标高和承载力(≧0.25MPa)均符合设计及规范要求后按设计尺寸进行。
(4)基坑验收:基坑经测量、质检需现场监理工程师检查合格后方可进行施工。
4.4.2整体放坡开挖开挖认真核对设计图和现状管线布置图,用白灰线撒出开挖线和现状管线,由两侧向内放坡开挖,纵向水平分层开挖图4.4-1。
图4.4-1 基坑放坡开挖断面图4.4.3钢板支护开挖局部采取分层分段对称进行,在开挖过程中掌握好“分层、分步、对称、平衡、限时”五个要点,遵循“竖向分层、纵向分段、先支后挖”的施工原则。
(1)在基坑开挖过程中先掏槽安装钢围檩、架设钢支撑,以尽早对围护结构进行支撑。
自卸汽车运输,基底以上30cm采用人工突击开挖,严禁超挖。
(2)分段开挖两端设截流沟和排水沟,渗水及雨水及时泵抽排走。
雨季备足排水设备,做好预警工作,确保基坑安全。
(3)开挖过程中,按既定的监测方案对基坑及周围环境进行监测,以反馈信息指导施工。
沟槽钢板桩支护开挖详见图4.4-2。
图4.4-2 沟槽钢板桩支护开挖断面图4.5基坑防排水施工期间,坑外地表设置临时截水沟防水,,坑内设环形排水排水沟及集水坑,对基坑内积水进行抽排。
4.6基底处理及渠身砌筑4.6.1基底处理基底采用毛石5#砂浆浆砌,厚35cm,毛石面层承载力必须达到180kpa,毛石顶面采用5cm厚C20砼快速施工封闭基底。
4.6.2渠身砌筑(1)砂浆拌制:严格按照试验室出具的施工配合比进行砂浆拌制,采用机械强制拌和,人工或机械运输。
(2)基础砌筑:采用挤浆法分段进行基础砌筑;基础砌筑时,当基底为岩层或混凝土垫层,应先将基底表面清洗、湿润再进行砌筑,基底无积水、虚碴和杂物。
(3)墙身砌筑:在基础施工完成后采用挤浆法进行分段施工。
①砌筑前石料应用水进行喷淋湿润,严禁进行干料砌筑。
②各砌层应先砌外圈定位砌块,并与里层砌块交错连成一体;定位砌块选用表面平整且尺寸较大的石料,各砌块的砌缝应互相错开,严禁通缝,砌缝砂浆应饱满密实。
③定位砌块砌完后,应先在圈内底部铺一层砂浆,其厚度应使石料在挤压安砌时能紧密连接,且砌缝砂浆密实饱满。
砌筑腹石时,石料间的砌缝应互相交错、咬搭,砂浆密实、饱满。
石料不得无砂浆直接砌筑,也不得干填石料后再铺灌砂浆;石料应大小搭配,较大的石料应以大面为底。
挤浆时可用小锤敲打石料,将砌缝挤紧,不得留有孔隙。
④浆砌片石的砌缝,应符合下列规定:a、定位砌块表面砌缝的宽度不得大于4cm1、砌体表面与三块相邻石料相切的内切圆直径不得大于7cm、砌体的搭接不得小于8cm、每砌筑120cm高度以内应找平一次。
b、填腹部分的砌缝宜减小,在较宽的砌缝中可用小石块塞填, 砂浆必须饱满。
⑤沉降缝的设置a、施工分段位置必须设置沉降缝;b、每砌筑10m应设置一道沉降缝;地质情况变化明显处须设置沉降缝;c、沉降缝宽度为3cm,必须保证沉降缝顺直、无搭接。
(4)砌体表面应勾缝:在砌体砌筑时留出2cm深的空缝,勾缝采用凹缝;勾缝所用的砂浆其强度不得小于砌体所用的砂浆强度。
(5)养护:在砌体施工过程中,及时覆盖草袋并进行洒水养护,养护期不得少于7天。
(6)所有砂、石料、水泥进场后必须检验合格后方可投入使用。
(7)砂浆搅拌前砂子、水泥用量必须按实验室的配合比过秤,经检验合格后方可投入使用(8)石砌体的轴线位置及垂直度允许偏差应符合下表:4.7混凝土盖板施工考虑暗渠施工尽量缩短对既有道路行车影响的时间,暗渠盖板标准段采用预制安装的施工方法,曲线段采用现浇的方法。
4.7.1钢筋制安钢筋应按现场平面布置图中指定位置堆放,钢筋外表面如有铁锈时,应在绑扎前清除干净,锈蚀严重的钢筋不得使用,加工成型的钢筋要进行覆盖保护。
(1)钢筋下料应满足设计要求。
(2)钢筋加工前应先清除表面污渍,弯制和末端弯钩应符合设计要求,当设计无要求时应符合规范要求。
(3)钢筋加工的允许偏差应符合下表规定:表4.7-1 钢筋加工尺寸允许偏差表(4)钢筋连接的接头应设置在受力较小处。
同一纵向受力钢筋不宜设置两个或两个以上接头。
接头末端至钢筋弯起点的距离不应小于钢筋直径的10倍;(5)同一构建中相邻纵向受力钢筋的绑扎搭接接头宜相互错开。
绑扎搭接接头中钢筋的横向净距不应小于钢筋直径,且不应小于25mm。
(6)钢筋绑扎用的钢丝(镀锌钢丝)可采用20~22号钢丝,其中22号钢丝只用于绑直径12mm以下的钢筋。
(7)钢筋应按现场平面布置图中指定位置堆放,钢筋外表面如有铁锈时,应在绑扎前清除干净,锈蚀严重的钢筋不得使用。
(8)钢筋接头焊接采用电弧焊接,采用双面焊接时搭接接头长度不小于5d,采用单面焊接时搭接接头长度不小于10d。
搭接接头钢筋的端部应预弯,搭接钢筋的轴线应位于同一直线上。
焊缝高度应等于或大于0.3d,并不得小于4mm,焊缝宽度应等于或大于0.8d,并不得小于8mm。
搭接焊时应采用两点固定。
定位焊缝应离搭接端部20mm以上,焊接时应在搭接钢筋的一端引弧,收弧在搭接钢筋端头上,弧坑应填满,第一层焊缝应有足够的溶深,主焊缝与定位焊缝应熔和良好。
引弧应在形成焊缝部位。
两钢筋接头相距在30d以外,并不得小于50cm,钢筋接头避开弯曲点不小于10d。
(9)电弧焊接钢筋接头的缺陷和尺寸偏差允许值见下表。
表4.7-2电弧焊接钢筋接头缺陷和尺寸偏差允许值表注:1、d为钢筋直径(mm);2、桩身主筋净保护层厚5cm,保护层采用不小于桩身砼强度等级的砼垫块。
垫块应互相错开,分散布置,不得横贯保护层的全部截面。
(10)当钢筋的直径d>16mm时,不宜采用绑扎接头。
(11)钢筋安装位置的偏差应符合下表:表4.7-3 钢筋安装位置允许偏差表4.7.2 模板安装底板采用15mm厚的竹胶板,模板安装要求:(1)模板接缝不应漏浆;在浇筑混凝土前,木模板应浇水湿润,但模板内不应有积水;(2)模板与混凝土的接触面应清理干净并涂刷隔离剂,但不得采用影响结构性能或妨碍装饰工程的隔离剂;(3)浇筑混凝土前,模板内的杂物应清理干净;(4)对清水混凝土工程及装饰混凝土工程,应使用能达到设计效果的模板;(5)用作模板的地坪、胎膜等应平整光洁,不得产生影响构件下沉、裂缝、起砂或起鼓。
(6)固定模板上的预埋件、预留孔和预留洞均不得遗漏,且应安装牢固。
4.7.3混凝土施工(1)浇筑前应将模板内的垃圾、泥土等杂物及钢筋上的油污清除干净,并检查钢筋的保护层垫块是否垫好,钢筋的保护层垫块是否符合规范要求。
(2)使用插入式振捣器应快插慢拔,插点要均匀排列,逐点移动,顺序进行,不得遗漏,做到均匀振实。
移动间距不大于振捣作用半径的1. 5倍(一般为300~400mm)。
振捣上一层时应插入下层5~10cm,以使两层混凝土结合牢固。
振捣时,振捣棒不得触及钢筋和模板。
(3)浇筑混凝土应连续进行。
如必须间歇,其间歇时间应尽量缩短,并应在前层棍凝土初凝之前,将次层混凝土浇筑完毕。