09钢筋网检查表
- 格式:doc
- 大小:25.00 KB
- 文档页数:1
钢筋网检验批质量验收记录表工程名称验收部位分部工程名称施工班组长施工单位专业工长施工执行标准
名称及编号
项目经理
主控项目
质量验收规范的规定(CJJ2-2008)施工单位检查评定记录
监理(建设)
单位验收记录1原材料符合本规范的规定。
2
一般项目
检查项目
允许偏差
(mm)
实测值或实测偏差值
1 2 3 4
应测
点数
合格
点数
合格率
(%)1
钢筋表面不得有裂纹、结疤、
折叠、锈蚀和油污
2网的长、宽±10
3网眼的尺寸±10
4网眼对角线差15
一般项目合格率平均值(%)
施工单位
检查评定结论
项目专业质量检查员: 年月日
监理(建设)
单位验收结论
监理工程师:
(建设单位项目技术负责人)年月日。
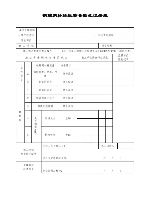
钢筋网检验批质量验收记录表
检验规定和说明
适用范围:本表适用于喷锚支护钢筋网施工检验。
检验批的划分:每个施工段。
主控项目:
1、钢筋网所用的钢筋原材料进场必须符合设计要求。
检查方法:检查进场材料质保书、复试报告。
1、钢筋所使用的钢筋品种、规格、性能等应符合设计要求和国家、行业有关技术标准的
规定。
检查方法:观察、用钢尺量。
2、钢筋网的制作应符合设计要求。
检查方法:观察、用钢尺量。
一般项目
1、钢筋网应与隧道断面形状相适应并与锚杆或其它固定装置联结牢固。
检查方法:观察。
2、钢筋网宜在喷射一层混凝土后铺挂。
采用双层钢筋网时,第二层钢筋网应在第一层钢
筋网被混凝土覆盖及混凝土终凝后进行铺设。
检查方法:观察或检查施工记录。
3、钢筋应冷拉调直后使用,钢筋表面不得有裂纹、油污、颗粒状或片状锈蚀。
检查方法:观察。
4、钢筋网的网格间距应符合设计要求,网格尺寸允许偏差为:±10mm。
检验数量:每批检验一次,随机抽样5片。
检验方法:用钢尺量。
5、钢筋网搭接长度应符合设计或1~2个网孔,允许偏差为:±15mm。
检验数量:每批检验一次,随机抽样5片。
检验方法:用钢尺量。