工程量签证计算书及附图
- 格式:doc
- 大小:487.00 KB
- 文档页数:13
农田水利项目县项目工程施工标段三变更、新增项目现场工程量签证单农田水利项目县项目工程施工标段三变更、新增项目现场工程量签证单农田水利项目县项目工程施工标段三机电设备及金属结构购置及安装工程清单说明:分水器为钢制厚壁管,一进四出,进水口径DN300,出水口径DN160*DN160*DN125*DN125农田水利项目县项目工程施工标段三农田水利项目县项目工程施工标段三洪山村1区、洪山村2区新建闸阀井及附属建筑物工程计算说明书1.洪山村2区(1)闸阀室基础及管道沟槽土方开挖工程量:基础长度3.70m,宽度3.20m,深度1.50m;混凝土预制管沟槽开挖长度30.00m,宽度1.00m,深度1.20m。
V=3.70*3.20*1.50+30.00*1.00*1.20=53.76m3(2)闸阀室基础及管道沟槽土方回填工程量:53.76m3(3)闸阀室C20混凝土垫层工程量:下部长度2.70m,宽度2.20m,厚度0.15m;上部长度2.20m,宽度1.80m,厚度0.15mV=2.70*2.20*0.15+2.20*1.80*0.15=1.49m3(4)墙体砖砌体(厚度25cm)工程量:墙体一总长度9.00m,高度1.70m;墙体二总长度7.20m,高度1.40m;墙体厚度0.25m。
V=9.00*1.70*0.25+7.20*1.4*0.25=6.35m3(5)墙体砂浆抹面工程量:内外墙体一总长度9.00m,高度1.70m;内外墙体二总长度7.20m,高度1.40m;墙体厚度0.25m;下部预制板长度2.50m,宽度2.00m,上部预制板长度2.00m,宽度1.60m。
V=2面*9.00*1.70+2面*7.20*1.40+2.50*2.00+2.00*1.60=58.96m2(6)钢筋混凝土预制空心板工程量:下部预制板长度2.50m,宽度2.00m,板厚0.10m;上部预制板长度2.00m,宽度1.60m,板厚0.10m;V=2.50*2.00*0.10+2.00*1.60*0.10=0.82m22.洪山村1区、泉山沟村3区(1)闸阀室基础土方开挖工程量:2座,基础长度2.00m,宽度2.00m,深度1.50m;V=2座*2.00*2.00*1.50=12.00m3(2)闸阀室基础及管道沟槽土方回填工程量:6.00m3(3)闸阀室C20混凝土垫层工程量:2座,长度1.90m,宽度1.90m,厚度0.15m。
施工现场签证工程量计算书工程名称:南方钢厂(一期)保障性住房项目施工总承包(标段二)
施工单位:广州市第三建筑工程有限公司日期:
施工现场签证工程量计算书
工程名称:南方钢厂(一期)保障性住房项目施工总承包(标段二)
施工单位:广州市第三建筑工程有限公司日期:2011年7月21日
1
施工现场签证工程量计算书
工程名称:南方钢厂(一期)保障性住房项目施工总承包(标段二)
施工单位:广州市第三建筑工程有限公司日期:2011年8月4日
2
施工现场签证工程量计算书
工程名称:南方钢厂(一期)保障性住房项目施工总承包(标段二)
施工单位:广州市第三建筑工程有限公司日期:2011年8月4日
3
施工现场签证工程量计算书
工程名称:南方钢厂(一期)保障性住房项目施工总承包(标段二)
施工单位:广州市第三建筑工程有限公司日期:2011年8月8日
4
施工现场签证工程量计算书
工程名称:南方钢厂(一期)保障性住房项目施工总承包(标段二)
施工单位:广州市第三建筑工程有限公司日期:2011年8月8日
5
施工现场签证工程量计算书
工程名称:南方钢厂(一期)保障性住房项目施工总承包(标段二)
施工单位:广州市第三建筑工程有限公司日期:2011年8月8日
3。
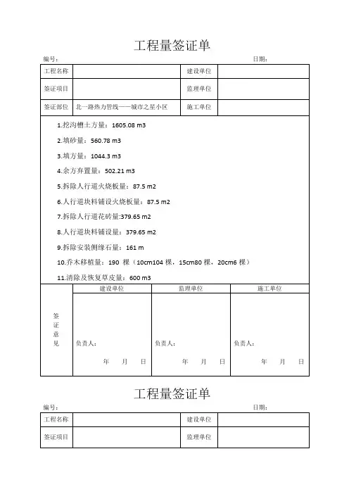
XXXXXX 金三角购物中心建设项目(景观部分)原始工程量收方单工程收方时间:2020 年 9 月 19 日编号:01效附件。
施工单位可以复印。
分部分项名称 围墙拆除工程量发生部位场地内部施工单位XXXXXX 建筑工程有限责任公司一.收方内容及说明:拆除施工现场原砖砌围墙并外运至渣场。
二.计算式:1、拆除页岩实心砖:长 475 米 × 高 2.5 米 × 厚 0.24 米 = 285 立方米2、建筑垃圾外运至江北火车站附近渣场:285 立方米(运距:15.7 公里)业主单位: 监理单位: 施工单位:年 月 日 年 月 日 年 月 日注:1.本表为现场手写页,记录要清晰、工整,不得涂改,参加收方人员现场签字确认。
2. 本表仅一份原件,作为项目成本负责人整理《工程量签证单》的依据,是《工程量签证单》的有金三角购物中心建设项目(景观部分)原始工程量收方单工程收方时间:2020 年 9 月 29 日编号:02注:1.本表为现场手写页,记录要清晰、工整,不得涂改,参加收方人员现场签字确认。
2.本表仅一份原件,作为项目成本负责人整理《工程量签证单》的依据,是《工程量签证单》的有效 附件。
施工单位可以复印。
分部分项名称 路面拆除工程量发生 部位场地内部施工单位XXXXX 建筑工程有限责任公司一.收方内容及说明:拆除施工现场原混凝土路面并外运至渣场。
二、计算式:1、拆除混凝土路面:面积 1243 平方米 × 厚 0.3 米 = 372.9 立方米 (附件:路面拆除坐标签证单)2、建筑垃圾外运至江北火车站附近渣场:372.9 立方米(运距:15.7 公里)业主单位: 监理单位: 施工单位:年 月 日 年 月 日 年 月 日原始工程量收方单工程收方时间:2020 年 10 月 3 日编号:03注:1.本表为现场手写页,记录要清晰、工整,不得涂改,参加收方人员现场签字确认。
2.本表仅一份原件,作为项目成本负责人整理《工程量签证单》的依据,是《工程量签证单》的有效 附件。
工程量签证单
编号:
工程名称
建设单位施工单位
监理单位审计单位
签证内容:
一、原甘庙门路取消建设,拟修建甘庙湾至刘豆腐湾出行道路,即2号延长路,增加工程量如下:
1.开挖淤泥工程量:长250米,宽3.5米,起土厚度1.5米:250*3.5*1.5=131
2.5m3;
2.回填路基土方工程量:长250米,宽
3.5米,回填厚度1米:250*3.5*1=875m3;
3.转运土方回填路肩:长250米,宽1.5米,回填厚度0.5米:250*1.5*0.5=187.5m3;
4.安装过路涵管:Φ1000承插管4根,Φ300水泥管6根
5.浇筑砼路面工程量:
砼基层:长250米,宽2米,厚0.2米,面积500㎡,方量100m3;
砼面层:长250米,宽2米,厚0.2米,面积500㎡,方量100m3;
道路植筋:Φ28钢筋长0.4米,833根,总长333.2米
6.道路刷黑:长250米,宽5.5米,面积1402.5㎡,厚5cm;
7.种植景观树:桂花60株,石楠67株
8.太阳能路灯:6盏
9.交通设施:道路标线:长609.8米,宽10cm;面积共50.58㎡,路口减速带长5.5m
10.马尼拉草籽(道路两侧1.5米范围):250*3=750㎡
施工单位负责人:
日期:
监理单位意见:
总监理工程师:
日期:
建设单位意见:
建设单位负责人:
日期:
审计单位意见:
审计单位负责人:
日期:
本表一式三份,施工、监理、建设各保存一份。
工程量签证单
工程名称:生源时代广场编号:20130204
工程名称:生源时代广场编号:20130319
工程名称:生源时代广场编号:20130320
工程名称:生源时代广场编号:20130323
工程量签证单
工程量签证单
工程名称:生源时代广编号:
工程名称:生源时代广编号:
工程量签证单
工程名称:生源时代广编号:
工程量签证单
工程名称:生源时代广场编号:20130119
工程名称:生源时代广场编号:20130117
工程名称:生源时代广编号:
:程量签证单
工程名称:生源时代广编号:
:程量签证单
工程名称:生源时代广场编号:201300918
工程量签证单
工程名称:生源时代广编号:
工程量签证单
工程名称:生源时代广场编号:201300928
工程名称:生源时代广场编号:201301004
工程名称:生源时代广场编号:201301013
工程量签证单
工程名称:生源时代广场编号:201301115
工程量签证单
工程名称:生源时代广场编号:201301120
工程名称:生源时代广场编号:201301123
工程名称:生源时代广编号:
工程量签证单
工程名称:生源时代广场编号:201301204。
第1篇一、签证单基本信息1. 工程名称:XX项目2. 工程地点:XX省XX市XX区XX街道3. 签证编号:XXXXXX4. 签证日期:____年__月__日5. 施工单位:XX建设集团有限公司6. 监理单位:XX工程监理有限公司二、签证内容1. 工程量变更原因:因地质条件复杂,实际施工过程中发现地基承载力不足,需进行地基处理。
2. 工程量变更内容:(1)地基处理:原设计地基承载力为150kPa,实际检测值为100kPa,需对地基进行处理,提高承载力至150kPa。
(2)施工方案调整:根据实际情况,调整部分施工方案,增加地基处理工序。
3. 工程量变更计算:(1)地基处理工程量:根据设计图纸和实际情况,计算地基处理工程量为2000立方米。
(2)施工方案调整工程量:根据实际情况,计算施工方案调整工程量为500立方米。
4. 变更后的工程量:(1)地基处理工程量:2000立方米。
(2)施工方案调整工程量:500立方米。
三、签证费用及结算1. 地基处理工程量费用:根据市场价格,地基处理费用为100元/立方米,共计200,000元。
2. 施工方案调整工程量费用:根据市场价格,施工方案调整费用为80元/立方米,共计40,000元。
3. 变更后的总费用:240,000元。
四、签证审核及确认1. 施工单位代表:____2. 监理单位代表:____3. 建设单位代表:____五、其他事项1. 本签证单作为合同补充协议,与合同具有同等法律效力。
2. 本签证单经三方签字盖章后生效。
3. 本签证单一式三份,施工方、监理方、建设单位各执一份。
附件:1. 地基处理工程量计算书2. 施工方案调整工程量计算书3. 地基承载力检测报告注:本样本仅供参考,具体签证内容可根据实际情况进行调整。
第2篇一、签证基本信息1. 签证编号:_______2. 工程名称:_______3. 施工单位:_______4. 监理单位:_______5. 建设单位:_______6. 签证日期:_______二、签证内容1. 签证项目:_______(如:土方开挖、基础施工、钢筋绑扎等)2. 签证原因:因_______(如:地质条件变化、设计变更、材料代用等)导致实际施工工程量与原设计或合同约定不符。
工程量签证单模板完整版.doc工程量签证单模板完整版:【项目名称】:【项目编号】:【签证单编号】:【签证日期】:【签约单位】:【施工单位】:【乙方】:【合同段】:【工程名称】:【签证项目】:【签证内容】:(详细描述签证内容)【签证依据】:(列出签证的依据文件,如施工图纸、技术要求等)【签证工程量计算】:1. 已完成工程量:【工程量名称】:(列出已完成工程量名称)【计量单位】:(填写计量单位)【计量数量】:(填写计量数量)【合同单价】:(填写合同单价)【签约人】:(填写签约人)【签约日期】:(填写签约日期)2. 新增工程量:【工程量名称】:(列出新增工程量名称)【计量单位】:(填写计量单位)【计量数量】:(填写计量数量)【合同单价】:(填写合同单价)【签约人】:(填写签约人)【签约日期】:(填写签约日期)3. 累计工程量:【工程量名称】:(列出累计工程量名称)【计量单位】:(填写计量单位)【计量数量】:(填写计量数量)【合同单价】:(填写合同单价)【签约人】:(填写签约人)【签约日期】:(填写签约日期)【签证费用及支付方式】:1. 签证费用总额:【人民币】:(填写人民币总额)【美元】:(填写美元总额)2. 支付方式:【支付方式1】:(填写支付方式1)【支付方式2】:(填写支付方式2)【支付方式3】:(填写支付方式3)...【附件】:(列出附件清单)【法律名词及注释】:1. 合同段:指工程合同在分段落或分部进行划分的单位。
2. 工程量签证:指施工过程中对原有合同约定范围以外的新增或变更的工程量进行审核、计算并签订相关合同的过程。
3. 人民币:中华人民共和国法定货币。
4. 美元:美利坚合众国法定货币。
B端产品需求:【产品名称】:【产品版本】:【产品经理】:【项目经理】:【研发团队】:【目标】:【使用场景】:【需求概述】:(对产品需求进行整体概括)【功能需求】:1. 【模块1】:功能1:(对功能进行具体描述)功能2:(对功能进行具体描述)...2. 【模块2】:功能1:(对功能进行具体描述)功能2:(对功能进行具体描述)...【界面设计】:(列出界面设计需求,如页面布局、颜色搭配等)【数据需求】:(列出数据需求,如数据存储、数据传输等)【性能需求】:(列出性能需求,如响应速度、并发处理能力等)【发布计划】:(列出产品发布计划,包括测试、上线等时间节点)【附件】:(列出附件清单)【法律名词及注释】:1. 产品经理:指负责对产品进行规划、设计和需求管理的职位。