塞规环规使用说明
- 格式:docx
- 大小:431.14 KB
- 文档页数:4
光滑通止规及塞规、环规使用说明一、光滑通止规的使用说明1量具名称光滑通止规、2操作方法2.1使用前先检查光滑通止规是否在检定有效期内,有无损坏、生锈现象;2.2将光滑通止规测量面和工件表面擦净,以免影响测量准确度和加快磨损;2.3光滑通止规通端应能顺利通过工件,光滑通止规的止端应不能通过工件,产品合格;2.4通规不过,内径小了,产品不合格;止规通过,内径大了,产品不合格;2.5光滑通止规使用后,应及时擦净、涂油,放在专用盒中,防止生锈。
3量具使用维护、核查方法3.1光滑通止规检定周期一般以检定计划为依据,对于通止规超出有效期的,请及时与量具管理员联系送检;3.2操作者在量具使用过程中,必须轻拿轻放,不可掉在地上,如若发生磕碰、跌落等异常现象,请及时与量具管理员联系,管理员根据情况进行检定等处理。
止端通端二、检测NPT 螺纹环规、塞规使用方法及注意事项 1.使用方法检测NPT 内外螺纹一般只用三基面螺纹环规、塞规。
见下图1图1测外螺纹时用手将螺纹环规旋进待测外螺纹,待测外螺纹体在螺纹环规上下两基面之间均为合格。
下基上基基准环规三基面此时被测螺纹体高于下基面则被测螺纹体螺纹偏小,已超出标准范将螺纹环规旋进待测外螺纹,待测外螺纹体与基准面平行螺纹为标准。
此时被测螺纹体底于上基面则被测螺纹体螺纹测内螺纹时将螺纹塞规旋进待测内螺纹,待测内螺纹体在螺纹塞规上下两基面之间均为合格。
2.注意事项安全注意事项非量规检查目的请勿使用。
螺纹部及量规部的边角因为存在功能性尖锐部分,因此容易造成操作人员受伤,请加以注意。
需要检查的产品或量规处于运动状态时去请勿检查量规。
使用前的注意事项请用轻油或白灯油侵袭量规及产品或以干净的布擦拭。
上基面基准面基准面下基面将螺纹塞规旋进待测外螺纹,待测外螺纹体与基准面平行螺纹为标此时被测螺纹体高于下基面则被测螺纹体螺纹偏大,已超出标准范此时被测螺纹体底于上基面则被测螺纹体螺纹偏小,不在标准范围确认量规是否存在的锈迹、伤痕、毛刺等。
塞规环规使用说明塞规(Caliper)和环规(Divider)是一种常见的测量工具,在各种工程和制造领域被广泛应用。
它们可以用于测量线距、直径、长度、角度等各种物理量。
本文将介绍塞规和环规的使用方法和注意事项。
一、塞规的使用方法和注意事项:1.缩小测量范围:如果要测量一个小孔或窄缝的直径,首先要把塞规的测量范围缩小到与被测尺寸相同的范围。
这可以通过调节两只测量腿的距离来实现。
2.调整测量腿:将塞规放置在待测物体上,轻轻旋转调整塞规的测量腿,直到它们紧密地贴合在物体上。
确保测量腿的末端和物体的表面平行。
3.读数:读取塞规上的刻度值来确定被测物体的尺寸。
正常塞规的最小刻度是0.1毫米或0.02英寸。
为了减小误差,可以多次测量,并取平均值作为最终结果。
4.避免误差:使用塞规测量时,应避免过度施加力量,以免造成测量误差。
同时,还要确保塞规的测量腿没有松动,这可能导致测量结果不准确。
5.保养和储存:使用完毕后,应将塞规擦拭干净并涂上一层防锈剂,以防止生锈。
存放时,应将塞规置于干燥的地方,避免与尖锐物品接触,以免刮伤测量腿。
二、环规的使用方法和注意事项:1.调整距离:将环规放置在待测物体上,轻轻调整两只测量腿的距离,直到它们紧密地贴合在物体上。
确保测量腿的末端和物体的表面平行。
2.读数:读取环规上的刻度值来确定被测物体的尺寸。
正常环规的最小刻度是0.1毫米或0.02英寸。
与塞规一样,为了减小误差,可以多次测量,并取平均值作为最终结果。
3.测量角度:环规还可以用于测量角度。
将环规的测量腿放在角度上,调整腿的距离,直到它们与被测角度的两条边分别贴合。
然后,可以通过刻度上的数值来确定角度的大小。
4.避免误差:使用环规测量时,同样要避免过度施加力量,以免造成测量误差。
此外,还要确保测量腿没有松动,这可能导致测量结果不准确。
5.保养和储存:使用完毕后,应将环规擦拭干净并涂上一层防锈剂,以防止生锈。
存放时,应将环规置于干燥的地方,避免与尖锐物品接触,以免刮伤测量腿。
塞规作业指导书引言概述:塞规是一种常用的测量工具,广泛应用于制造业和机械加工领域。
本文将详细介绍塞规的使用方法和注意事项,以帮助读者正确使用塞规进行测量。
一、塞规的基本概念和结构1.1 塞规的定义:塞规是一种用于测量孔径尺寸的工具,由测量柄和测量头组成。
1.2 塞规的结构:测量柄一般为圆柱形,一端连接测量头,另一端有刻度尺。
测量头通常为圆柱形,根据测量要求有不同的直径。
1.3 塞规的分类:塞规按照测量范围和精度分为标准塞规和测量塞规。
标准塞规用于检查孔径的尺寸是否合格,而测量塞规用于测量孔径的实际尺寸。
二、塞规的使用方法2.1 准备工作:选取适当的塞规,清洁塞规表面,并确保测量孔的表面也干净。
2.2 测量操作:将塞规轻轻插入待测孔内,确保与孔壁接触紧密。
然后,通过旋转塞规刻度尺,观察刻度尺与孔壁之间的间隙,确定孔径尺寸。
2.3 测量记录:将测量结果记录在测量记录表中,包括塞规型号、测量日期、测量值等信息。
三、塞规的使用注意事项3.1 选择合适的塞规:根据待测孔径范围选择合适的塞规,避免使用过大或过小的塞规。
3.2 注意测量力度:插入塞规时,要保持适当的力度,避免过度压入或松动。
3.3 防止测量误差:在插入塞规时,要确保塞规与孔壁接触紧密,避免产生测量误差。
四、塞规的维护与保养4.1 定期清洁:使用后应及时清洁塞规表面,避免灰尘和污垢对测量结果的影响。
4.2 防止碰撞:塞规应妥善保管,避免与其他硬物碰撞,以免损坏测量头。
4.3 定期校准:为确保测量结果的准确性,塞规应定期送检校准。
五、塞规的应用领域5.1 机械加工:塞规用于测量零件的孔径尺寸,确保零件的尺寸符合要求。
5.2 制造业:塞规用于检查产品的孔径尺寸,确保产品质量。
5.3 质量控制:塞规用于质量控制过程中的检测和测量,确保产品符合标准要求。
结论:通过本文的介绍,我们了解了塞规的基本概念和结构,学习了塞规的使用方法和注意事项,并了解了塞规的维护与保养要点。
为了对公司所需的各种环规和塞规进行有效地控制和管理,确保监测结果有效,为产品符合要求提供保证,特制定环规塞规检定规程,本规程适用于公司所需的环规和塞规
1、光滑塞规:首先观察塞规的形状,确认其是否有明显的变形或者磨损,若有明显的变形或者磨损立即停止使用,做报废处理;若没有明显的变形或者磨损,用检定合格的带表卡尺或者千分尺测量通端和止端的外径(至少测量4点),其通止端的尺寸范围应该符合表一的规定(其公差要求见表一)
2、螺纹塞规:先检查塞规通端和止端的牙型和表面状态是否完好,如果塞规的通端和止端的牙型和表面有明显的变形或者损伤应该停止使用该检具,重新更换。
如果表面状况良好则用与之相配套的标准检具进行检验,如果塞规合格,则其通端应该能够顺利的完全通过标准检具,而其止端不能完全通过。
否则该塞规即判为不合格,应立即停止使用,做报废处理。
3、螺纹环规:先检查环规的内表面的螺纹沟槽里面是否有油污等杂质,在校准环规前应该先对环规进行清洁处理,以确保内螺纹清晰可见。
检查内螺纹的表面是否完整,有明显磨损,若有则该环规应立即停止使用,做报废处理。
若表面状况良好,则应用与之相配套的标准检具对其进行校准,若环规的通端能够完全通过标准检具,而止端不能够完全通过,则判定该套环规合格,能够使用。
否则该套塞规即判为不合格,应立即停止使用,做报废处理。
4、校准周期:光滑塞规,螺纹塞规和螺纹环规校准周期为6个月
表一:光滑塞规通端止端允差表H8级单位:㎜
相关表单:《检测设备台账》(ZZ/QR-7.6-01)
《检测设备周期检定计划表》(ZZ/QR-7.6-02)
《检测设备周期检定计录表》(ZZ/QR-7.6-03)。
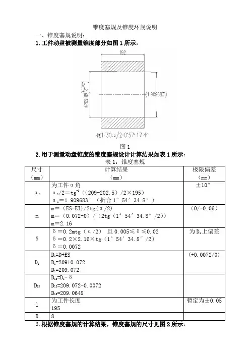
锥度塞规及锥度环规说明一、锥度塞规说明:1.工件动盘被测量锥度部分如图1所示:图12.用于测量动盘锥度的锥度塞规设计计算结果如表1所示:尺寸(mm)计算结果(mm)极限偏差(mm)α1为工件α角α1/2=tg-1((209-202.5)/2×195)α1=1.909683°(折合1°54′34.8″)±10″m m=(ES-EI)/2tg(α/2)m=(0.072-0)/(2tg(1°54′34.8″/2))m=2.16(0/-0.06)δδ=0.2mtg(α/2)且0.005≤δ≤0.02δ=0.2×2.16×tg(1°54′34.8″/2)δ=0.0072为D1上偏差D1D1=D+ESD1=209+0.072D1=209.072(+0.0072/0)D1S D1S=D1-δD1S=209.072-0.0072 D1S=209.0648l 为工件长度195暂定为±0.05R 8图2二、锥度环规说明:1.工件主轴被测量锥度部分如图3所示:图32.用于测量主轴锥度的锥度环规设计计算结果如表2所示:尺寸(mm)计算结果(mm)极限偏差(mm)α1为工件α角1.909683°(折合1°54′34.8″)m m=(es-ei)/2tg(α/2) (0/-0.06)m=(0-(-0.046))/(2tg(1°54′34.8″/2))m=1.38D1D1=D+esD1=209.6+0D1=209.6l为工件长度198暂定为±0.05 d1d1=D1-2×l×tg(α/2)d1=209.6-2×198×tg(1.909683/2)d1=203图44.附注:锥度环规的锥角在制造时难以测量的控制,一般配有校对塞规。
锥度环规按照校对塞规配作,并做涂色检验锥角,接触面积应不少于90%。
塞规测量正确使用方法
锥度塞规主要用于检验产品的大径、锥度和接触率,属于专用综合检具。
锥度塞规是机床主轴加工过程中的关键检具,随着机床性能、精度、速度的进一步提高,对锥度塞环规制造提出了更高的要求,同时,对锥度塞规磨削提出了更高的尺寸及形位公差精度的要求。
锥度塞规可分为尺寸塞规和涂色塞规两种。
由于涂色锥度塞规的设计和检测都比较简单,故在工件测量中得到普遍使用。
锥度塞规使用方法:
首先要有塞规也就是一个标准的外圆锥,将红丹或蓝油均匀涂抹2-4条线在塞规上然后将塞规插入内锥孔,对研转动60-120度抽出塞规,看塞规表面涂料的擦拭痕迹来判断内圆锥的好坏接触面积越多锥度越好反之则不好。
一般用标准量规检验锥度接触要75%以上而且靠近大端。
锥度塞环规大多用于机床和精密仪器主轴与孔的锥度检查
泊头市合丰机械设备有限公司除此之外,螺纹量具系列产品还有:光滑极限孔用量规、机床检验棒和圆柱角尺、校对光滑专用环、正弦规、轴用卡板止口卡板、钢件V型架、砂轮平衡支架、螺纹塞环规梯型规
等。
合丰机械具有完善的质量保证体系,通过了中国方圆标志认证委员会质量认证中心的质量体系认证,获得了ISO9001国际质量管理标准的认证证书。
为开拓市场,实现互惠互利,我们将本着“价格,质量”双优,“诚信,服务”共赢的经营理念,竭诚为广大客户服务。
1.目的:加强我司三规的管理,减少因三规误差造成产品不良。
2.适用范围:适用于本公司新购和使用中塞规,牙规,环规(包括环规与螺纹环规)。
3.职责:品质部负责校准,生产部负责使用中环规的校对。
4.环境:温度20±5℃,相对湿度≤80%。
5.程序:5.1 牙规与环规的校对:5.1.1在新购回牙规环规后品质部需核对型号及外观,做好登记后按相对应规格入牙规库备用。
5.1.2生产部门在借用牙规或环规时必须登记包括牙规型号,借用人,借用部门及日期。
5.1.3牙规的校对方法:使用外校合格的千分尺测量牙规带有牙的一端外径,不合格报废处理。
5.1.4环规的校对方法:使用新购买的未发生产使用过的牙规与塞规来校对螺纹环规和环规。
5.1.5牙规的校准周期为 1 年,在超负荷频率使用下会提前出现磨损产生误差,因此在购买新的牙规时,必须同型号多购买一套不投入生产检验中。
借出生产部门牙规如六个月后还需要使用,必须先归还品质部内校员校准合格后方可继续借于生产使用。
5.2 塞规的校对:5.2.1在新购回塞规后品质部需核对型号及外观,做好登记后按相对应规格入塞规库备用。
5.2.2生产部门在借用塞规时必须登记包括塞规型号,借用人,借用部人及日期。
5.2.3如出现塞规在借出后不能当日归还品质部的,需要各使用部门的使用人每日使用前进行校对。
5.2.4校对塞规时,可使用已经过内校员校准合格并在校准日期内的千分尺进行校对。
5.2.5校对时先查看塞规型号,然后均匀测量塞规外径(至少测量两个点的两个相对面)。
并如实填写测量结果,如在标准范围之内方可使用。
如出现测量后结果超差,应急时将不合格塞规交回品质部,并由内校员审核误差,如超差做报废处理。
5.2.6校正通规时,通规的实测值必须大于标准值,校正止规时,止规的实际测量值必须小于标准值6.保养塞規在使用和存放中,必須注意防腐防锈,在使用完以后,需用布擦拭干净,再涂以少量的防锈脂,(例如:白矿油等,防止其表面氧化)存放在干净的胶瓶內,并远离磁场,严禁与一般的金属件堆放在一起.7.标准/表单《公制·美制和英制标准手册》编写/日期:审核/日期:批准/日期:。
文件制修订记录1.概述规类量具:主要有内径规(又称环规,以下简称环规)、光滑塞规(以下简称塞规)、外径规、高度规、卡规等。
1.1 环规:是一种定值量具,结构简单,其优点是校对方便。
1.2 塞规:是一种定值量具,结构简单,使用方便,能有效控制工件的极限尺寸。
1.3 外径规:是一种定值量具,结构简单,校对方便,测量时先用外径规校零,比较与零位的偏差量来判断工件是否合格。
1.4 高度规:是一种定值量具,结构简单,使用简便、在成批生产,特别是大批量生产时被广泛应用。
1.5 卡规:主要用于线圈终端检测,卡规有两种:一种带有引出线检测棒,标记引出线高度;一种没有引出线检测棒。
2.技术要求2.1专用规类量具图纸(以下简称图纸)要求2.1.1 图纸的设计与编号由工艺技术部相关担当人员负责设计图纸,并在图纸上清楚标注各种需测量的参数(包括磨损极限)等,经科长审批、部长批准,必要时请相关部门会签。
图纸必须具有唯一性编号,编号方式如下:SCT-分页号系列号顺序号类别号类别号:1环规 2塞规 3外径规 4高度规 5其他顺序号:按先后顺序,从0001开始依次编号系列号:1至3位代码,G表示SG系列(可省略),H表示SH系列,INV表示变频系列,TH表示双转子系列分页号:为零件图序号,装配图省略2.1.2 图纸的审批和分发图纸必须符合《文件及记录控制程序》规定审批的程序才能正式发布和实施。
分发的每份文件必须加盖“部门章”作为受控标记,并注明分发号、分发日期,做好签收记录。
2.2检定要求2.2.1 外观要求:规类量具的测量面不应有锈迹、毛刺、划痕、碰伤等影响测量准确度的缺陷。
使用中的专用量具不应有明显影响外观和使用质量的缺陷,必须有公司唯一的量具编号,校对规应刻有实测值,标志应正确、清楚。
2.2.2 表面粗糙度要求:规类量具测量面的粗糙度必须符合图纸要求。
2.2.3 形位公差要求:规类量具的主要形位公差:圆度、圆柱度、平面度、平行度应在尺寸允许偏差范围之内,数值为其50%,当尺寸允许偏差范围小于或等于0.002mm时,数值为0.001mm。
检测NPT 螺纹环规、塞规使用方法及注意事项1.使用方法检测NPT 内外螺纹一般只用三基面螺纹环规、塞规。
见下图 1图1测外螺纹时用手将螺纹环规旋进待测外螺纹,待测外螺纹体在螺纹环规上下两基面之间均为合格。
测内螺纹时将螺纹塞规旋进待测内螺纹,待测内螺纹体在螺纹塞规上下两基面之间均为合格。
下 基面上基面基准面环规三基面上基面基准面基准面下基面此时被测螺纹体高于下基面则被测螺纹体螺纹偏小,已超出标准范围。
将螺纹环规旋进待测外螺纹,待测外螺纹体与基准面平行螺纹为标准。
此时被测螺纹体底于上基面则被测螺纹体螺纹偏大,不在标准范围内。
2.注意事项安全注意事项非量规检查目的请勿使用。
螺纹部及量规部的边角因为存在功能性尖锐部分,因此容易造成操作人员受伤,请加以注意。
需要检查的产品或量规处于运动状态时去请勿检查量规。
使用前的注意事项请用轻油或白灯油侵袭量规及产品或以干净的布擦拭。
确认量规是否存在的锈迹、伤痕、毛刺等。
使用时的注意事项以抗锈润滑油充分涂抹。
请勿对了量规施加冲击。
保管时的注意事项保管量规时,应先去除灰尘、切屑等,以防止生锈。
将量规存放在无湿气且温度变化不大的场所。
定期点检无论使用情况如何,都应定期进行检查。
将螺纹塞规旋进待测外螺纹,待测外螺纹体与基准面平行螺纹为标准。
此时被测螺纹体高于下基面则被测螺纹体螺纹偏大,已超出标准范围。
此时被测螺纹体底于上基面则被测螺纹体螺纹偏小,不在标准范围内。
塞规环规使用说明塞规和环规是两种常见的测量工具,广泛应用于各行各业,特别是在机械制造和测量领域。
本文将详细介绍塞规和环规的使用方法和注意事项。
一、塞规的使用说明:1.塞规的种类:塞规主要分为内径塞规和外径塞规两种。
内径塞规是一种用于测量孔洞内径的测量工具,外径塞规则用于测量圆柱外径。
根据实际需要选择合适的塞规进行测量。
2.塞规的结构:塞规由测量柄和测量头组成。
测量柄一般为直杆状,便于握持和操作。
测量头是用于测量的部分,通常有两个或三个测量面,采用螺旋形状,用于适应不同的孔洞形状。
3.测量准备:在使用塞规之前,需要先确保塞规的清洁和灵活度。
检查测量头是否有损坏或磨损,如有需要及时更换。
可以使用尺寸标准件对塞规进行校验,以确保其准确性。
4.塞规的使用方法:将塞规的测量头插入待测孔或套内,并沿轴线方向旋转,直至感觉到一定的阻尼力。
然后,沿轴线方向轻轻旋转塞规,以确保测量面的接触均匀。
最后,取出塞规并读取测量值。
读数时应该注意尺度盘或数字显示,确保获得准确的测量结果。
5.注意事项:在使用塞规时需要注意以下几点:-必须垂直插入测量,以避免测量误差。
-使用时应保持塞规和工件清洁,并避免与有害介质接触,以免腐蚀和损坏。
-注意不要使塞规过度加力插入孔洞,以免造成测量头损坏。
-测量完成后需要进行清洁和防锈处理,以保持塞规的精度和寿命。
二、环规的使用说明:1.环规的种类:环规主要有内径环规和外径环规两种。
内径环规用于测量圆孔内径,外径环规则用于测量圆柱体外径。
根据测量需要选择合适的环规进行测量。
2.环规的结构:环规由测量柄、测量杆和螺钉组成。
测量柄和测量杆采用螺旋形状,使环规能够适应不同的孔洞或外径形状。
螺钉用于调整环规的尺寸和固定测量结果。
3.测量准备:确保环规的清洁和灵活度,检查测量杆是否有损坏或磨损。
使用尺寸标准件进行校验,以确保环规的准确性。
4.环规的使用方法:选择合适的环规,将测量杆插入待测孔洞或套在待测圆柱体上。
塞规测量正确使用方法
螺纹塞规、螺纹环规使用的操作方法图解,通过螺纹塞规、螺纹环规的规范使用可以保证测量结果的准确性。
螺纹塞规使用者应根据操作规范要求,确保操作过程正确,并负责仪器的维护和保养。
螺纹规又称螺纹通止规、螺纹量规,通常用来检验判定螺纹的尺寸是否合格。
螺纹规根据所检验内外螺纹分为螺纹塞规和螺纹环规,目前我们所使用的只有螺纹塞规。
螺纹环规和塞规的使用方法
1、选择螺纹规时,应选择与被测螺纹相匹配的规格。
2、使用前,先清理干净螺纹规和被测螺纹表面的油污、杂质等。
3、使用时,使螺纹规的通端(止端)与被测螺纹对正后,用大拇指与食指转动螺纹规或被测零件,使其在自由状态下旋转。
通常情况下(无被测零件的螺纹的图示说明时),螺纹规(通端)的通规可以在被测螺纹的任意位置转动,通过全部螺纹长度则判定为合格,否则为不合格品;在螺纹规(止端)的止规与被测螺纹对正后,旋入螺纹长度在2 个螺距之内止住为合格,不可强行用力通过,否则判
为不合格品。
(有被测零件的图示说明时,应按照图示说明做判定。
)4、检验工件时旋转螺纹规不能用力拧,用三只手指自然顺畅地旋转,止住即可,螺纹规退出工件最后一圈时也要自然退出,不能用力拔出螺纹规,否则会影响产品检验结果的误差, 螺纹规的损坏。
螺纹环规使用说明书1、通规使用前:应经相关检验计量机构检验计量合格后,方可投入生产现场使用。
使用时:应注意被测螺纹公差等级及偏差代号与环规标识的公差等级、偏差代号相同(如M24*1.5-6h与M24*1.5-5g两种环规外形相同,其螺纹公差带不相同,错用后将产生批量不合格品)。
检验测量过程:首先要清理干净被测螺纹油污及杂质,然后在环规与被测螺纹对正后,用大母指与食指转动环规,使其在自由状态下旋合通过螺纹全部长度判定合格,否则以不通判定。
2、止规使用前:应经相关检验计量机构检验计量合格后,方可投入生产现场使用。
使用时:应注意被测螺纹公差等级及偏差代号与环规标识公差等级、偏差代号相同检验测量过程:首先要清理干净被测螺纹油污及杂质,然后在环规与被测螺纹对正后,用大母指与食指转动环规,旋入螺纹长度在2个螺距之内为合格,否则判为不合格品。
3、维护与保养量具(环规)使用完毕后,应及时清理干净测量部位附着物,存放在规定的量具盒内。
生产现场在用量具应摆放在工艺定置位置,轻拿轻放,以防止磕碰而损坏测量表面。
严禁将量具作为切削工具强制旋入螺纹,避免造成早期磨损。
可调节螺纹环规严禁非计量工作人员随意调整,确保量具的准确性。
环规长时间不用,应交计量管理部门妥善保管。
4、注意事项在用量具应在每个工作日用校对塞规计量一次。
经校对塞规计量超差或者达到计量器具周检期的环规,由计量管理人员收回作相应的处理措施。
可调节螺纹环规经调整后,测量部位会产生失圆,此现象由计量修复人员经螺纹磨削加工后再次计量鉴定,各尺寸合格后方可投入使用。
报废环规应及时处理,不得流入生产现场。
1、螺纹通规具有完整的牙型,螺纹长度等于被测螺纹的旋合长度;螺纹止规具有截短牙型,螺纹长度为2个~3个螺距。
螺纹通规用来模拟被测螺纹的最大实体牙型,检验被测螺纹的作用中径的实际尺寸;螺纹止规用来检验被测螺纹的单一中径。
2、被测螺纹如果能够与螺纹通规自由旋合通过,与螺纹止规不能旋入或者旋合不超过2个螺距,则表明被测螺纹的作用中径没有超出其最大实体牙型的中径。
塞规环规使用说明 Document serial number【LGGKGB-LGG98YT-LGGT8CB-LGUT-
检测NPT 螺纹环规、塞规使用方法及注意事项
1.使用方法
检测NPT 内外螺纹一般只用三基面螺纹环规、塞规。
见下图1
图1 测外螺纹时用手将螺纹环规旋进待测外螺纹,待测外螺纹体在螺纹环规上下两基面之
间均为合格。
测内螺纹时将螺纹塞规旋进待测内螺纹,待测内螺纹体在螺纹塞规上下两基面之间均为合
格。
下
上
基基
准
环规三基面
此时被测螺纹体高于下基面则被将螺纹环规旋进待测
外螺纹,待测外螺纹此时被测螺纹体
底于上基面则被
2.注意事项
安全注意事项
非量规检查目的请勿使用。
螺纹部及量规部的边角因为存在功能性尖锐部分,因此容易造成操作人员受伤,请加以注意。
需要检查的产品或量规处于运动状态时去请勿检查量规。
上基面 基准面 基准面
下基面
将螺纹塞规旋进待测外螺纹,待测外此时被测螺纹体高于下基面则被此时被测螺纹体底于上基面则被
使用前的注意事项
请用轻油或白灯油侵袭量规及产品或以干净的布擦拭。
确认量规是否存在的锈迹、伤痕、毛刺等。
使用时的注意事项
以抗锈润滑油充分涂抹。
请勿对了量规施加冲击。
保管时的注意事项
保管量规时,应先去除灰尘、切屑等,以防止生锈。
将量规存放在无湿气且温度变化不大的场所。
定期点检
无论使用情况如何,都应定期进行检查。