5000吨水厂设计说明
- 格式:doc
- 大小:172.50 KB
- 文档页数:17
50000水厂课程设计一、教学目标本课程的教学目标是让学生掌握水厂的基本知识,包括水厂的组成、工作原理、运行维护等方面的内容。
知识目标要求学生能够理解并描述水厂的主要设施和设备,掌握水处理的基本方法和技术。
技能目标要求学生能够运用所学知识对水厂进行设计和运行模拟,提高学生的实际操作能力。
情感态度价值观目标要求学生认识到水厂对于社会和人民生活的重要性,培养学生的责任感和使命感。
二、教学内容本课程的教学内容主要包括水厂的组成、工作原理、运行维护等方面的知识。
首先,介绍水厂的主要设施和设备,包括水源取水、水质检测、水处理、供水调度等环节。
其次,讲解水处理的基本方法和技术,如沉淀、过滤、消毒等。
最后,结合实际案例,让学生了解水厂的运行维护和管理。
三、教学方法为了激发学生的学习兴趣和主动性,本课程将采用多种教学方法。
首先,讲授法,教师通过讲解水厂的基本知识和原理,为学生提供系统的理论框架。
其次,案例分析法,教师通过分析实际案例,让学生了解水厂的运行情况和问题解决方法。
此外,实验法,教师学生进行实验操作,让学生亲手体验水处理的过程。
四、教学资源为了支持教学内容和教学方法的实施,我们将选择和准备适当的教学资源。
教材方面,我们将使用《水处理技术》等相关书籍,为学生提供系统的理论知识。
参考书方面,我们将推荐《水厂运行与管理》等书籍,供学生进一步深入研究。
多媒体资料方面,我们将收集相关的视频、图片等资料,以丰富学生的学习体验。
实验设备方面,我们将准备相关的水处理实验设备,让学生能够进行实际的操作练习。
五、教学评估本课程的评估方式将包括平时表现、作业和考试三个部分。
平时表现主要考察学生的课堂参与度和积极性,通过观察和记录学生在课堂上的表现来进行评估。
作业方面,将布置相关的练习题和案例分析,要求学生在规定时间内完成,并根据作业质量进行评估。
考试方面,将进行期中和期末两次考试,考试内容涵盖课程的全部知识点,采用闭卷考试的形式,全面反映学生的学习成果。
设计任务书一、设计原始资料1、自然资料1)气温:平均最高气温35℃,平均最低气温-6℃,平均温度15℃2)土壤:冻土深度0.8m。
3)全年主导风向:西北风,平均风速是1.6m/s。
2、地质资料:本地区5级地震区,地下水位低于地面10m。
3、水源位置:水源取水口位于水厂北方向5km处,水厂位于城市北面1km。
4、水厂工作情况:昼夜均匀工作,厂区地势平坦。
5、水源水质分析资料:设计水量3.6万m3/d(不包括水厂自用水量)二、设计内容1、选择净水构筑物形式及其组成。
2、进行构筑物与主要管道的水力计算并决定其尺寸。
3、水厂平面布置。
包括:各种生产性构(建)筑物、辅助生产构(建)筑物及附属生活构(建)筑物的平面定位;生产管线、阀门、排水管道、阀门井、检查井的布置定位。
4、水厂高程布置确定各生产构筑物的标高、水面标高、管线的埋深及标高。
三、设计成果1、设计计算说明书一份。
2、水厂平面布置图(比例为1:200或1:100)3、水厂高程布置图(比例为1:100或1:50)设计说明书一、设计原始资料1、自然资料1)气温:平均最高气温35℃,平均最低气温-6℃,平均温度15℃2)土壤:冻土深度0.8m。
3)全年主导风向:西北风,平均风速是1.6m/s。
2、地质资料:本地区5级地震区,地下水位低于地面10m。
3、水源位置:水源取水口位于水厂北方向5km处,水厂位于城市北面1km。
4、水厂工作情况:昼夜均匀工作,厂区地势平坦。
5、水源水质分析资料:二、设计内容1、原水水质分析及工艺流程的选择由水源水质分析资料可知,原水最高浊度500度,超过了《生活饮用水水质标准》中的规定,故需去除浊度;细菌总数12000个/ml,大肠杆菌3000个/L,大大超过了《生活饮用水卫生标准》中的规定,故需进行消毒灭菌;水源PH值为7.0~7.5,符合《生活饮用水卫生标准》中的规定,所以不需处理和调整;原水硬度以及铁锰铜的含量较低(总硬度450mg/L,铁0.3mg/L,锰0.1mg/L,铜1.0mg/L),已经符合水质要求,同时原水色度较高(10~15度),略有臭味,原水没有受到有机物的污染。
水厂设计说明与计算书第1章设计水质水量与工艺流程的确定1.1 设计水质水量1.1.1 设计水质本设计给水处理工程设计水质满足国家生活饮用水卫生标准(GB5749-2006),处理的目的是去除原水中悬浮物质,胶体物质、细菌、病毒以及其他有害万分,使净化后水质满足生活饮用水的要求。
生活饮用水水质应符合下列基本要求:(1)水中不得含有病原微生物。
(2)水中所含化学物质及放射性物质不得危害人体健康。
(3)水的感官性状良好。
基础资料:1.厂区地形平坦无高差。
2.原水水质分析表原水水质分析表3.滤砂筛分资料(请改组成所需d10=0.5mm,K80=1.8的滤料)。
4.该水厂所在地区常年主导风向为东风。
1.1.2 设计水量水处理构筑物的生产能力,应以最高日供水量加水厂自用水量进行设计,并以水质最不利情况进行校核。
Q d=Q a*K d=60000×1.5=90000m3/d水厂自用水量主要用于滤池冲洗和澄清池排泥等方面。
城镇水厂只用水量一般采用供水量的5%—10%,本设计取8%,则设计处理量为:Q=(1+a)Q d =1.08×90000=97200m3/d式中Q——水厂日处理量;a——水厂自用水量系数,一般采用供水量的5%—10%,本设计取8%;Q a——平均日设计供水量(m3/d),为6万m3/d;Q d——最高日设计供水量(m3/d);K d——供水量日变化系数,取1.5。
1. 2 给水处理流程确定1.2.1 给水处理工艺流程的选择给水处理工艺流程的选择与原水水质和处理后的水质要求有关。
一般来讲,地下水只需要经消毒处理即可,对含有铁、锰、氟的地下水,则需采用除铁、除锰、除氟的处理工艺。
地表水为水源时,生活饮用水通常采用混合、絮凝、沉淀、过滤、消毒的处理工艺。
如果是微污染原水,则需要进行特殊处理。
一般净水工艺流程选择:1.原水→简单处理(如用筛网隔虑)适用条件:水质要求不高,如某些工业冷却用水,只要求去除粗大杂质时2.原水→混凝、沉淀或澄清适用条件:一般进水悬浮物含量应小于2000-3000mg/L,短时间允许到5000-10000mg/L,出水浊度约为10-20度,一般用于水质要求不高的工业用水。
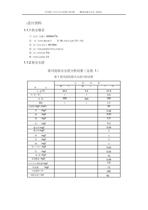
.设计资料1.1.1供水要求1)给水厂水量为30000m3/d。
2)水厂自用水量系数为5〜8%,时变化系数1.5〜1.4。
3)水厂出水水压为45~50m。
4)出厂水质达到国家饮用水水质标准。
5)水厂自用水取5%。
6)时变化系数取1.5。
1.1.2原水水质某河流原水水质分析结果(见表1)表1 某河流的原水水质分析结果1.3饮用水水质标准生活饮用水水质标准(见表2)表2生活饮用水水质非常规检验项目及限值(62项)氯乙醛(水合氯醛) 氯化氰(以CN 计)1.2设计任务1) 根据水质、水量、地区条件、施工条件和一些水厂运转情况选定处理方案和确定处 理工艺流程。
2) 拟定各种构筑物的设计流量及工艺参数。
3 )选择各构筑物的形式 和数目,初步进行水厂的平面布置和高程布置。
在此基础上确定构筑物的形式、有关尺寸安装位置等。
4 )进行各构筑物的设计和计算,定出各构筑物和主要构件的尺寸,设计时要考虑到构 筑物及其构造、施工上的可能性。
5 )根据各构筑物的确切尺寸,确定各构筑物在平面布置上的确切位置,并最后完成平 面布置。
确定各构筑物间连接管道、检查井的位置。
6)水厂厂区主体构筑物(生产工艺)和附属构筑物的布置,厂区道路、绿化等总体布置。
2.1选择方案2.1.1絮凝工艺:方案:采用机械絮凝池和往复式隔板絮凝池组合使用机械絮凝池优点:絮凝效果好,节省药剂;水头损失小;可适应水质水量的变化。
缺点:需机械设备和经常维修。
往复式隔板絮凝池 优点:絮凝效果好;构造简单;施工方便。
溴仿 0.1(mg/L) 二溴一氯甲烷 0.1(mg/L) 一溴二氯甲烷 0.06(mg/L) 氯乙酸 0.05(mg/L) 氯乙酸0.1(mg/L) 0.01(mg/L) 0.07(mg/L)缺点:容积较大;水头损失较大;转弯处絮粒容易破碎;出水流量不易分配均匀;出口处易积泥,适用于流量每日大于3万立方米且水量变化较小的水厂。
两种形式絮凝池组合使用有如下优点:当水质水量发生变化时,可以调节机械搅拌速度以弥补隔板往复式絮凝池的不足;当机械搅拌装置需要维修时,隔板往复式絮凝池仍可继续运行。
日供水量5000吨自来水厂建设项目及给水管网规划可行性研究报告目录第一章概论第一节XX概况第二节自然条件第三节供水现状第四节前阶段工作情况第二章工艺设计及主要土建、电气工程第一节水源选择第二节用水量计算第三节净水工艺及主要构筑物第四节输配水管网第三章环境保护第四章安全生产和工业卫生第五章工程概算第六章项目组织实施第七章经济效益分析附表附图项目单位:XX镇人民政建设条件:“伟人故里”XX位于XX的东部。
距县城30公里,是该地区五乡镇场的效能枢纽和经济贸易,文化娱乐的中心,这里山清水秀、物产丰富、商贸繁荣、人品众多,居住密集、水资源丰富、水质清流透明、交通方便、电力充足、现征地、立项、规划等手续均已准备就绪。
项目建设内容及生产规模:在梨园河上游建设5000吨/日供的水厂一座,并结合新区建设和旧区改造,铺设给水管网。
市场预测:XX集镇现有常住户约800多户,人口近3600人,随着城镇建设和旅游业的2005发展年人口将增至4500人,2015年将增至6000人,随着人民生活水平的提高,纳费意识的增强,饮用安全卫生自来水,愈来愈受到人们的喜爱,建设自来水厂,潜力很大,前景看好。
预计总投资额:505.19万元经济效益分析:①销售收入:146万元/年②生产成本:73万元/年③税后利润:63万元/年④税金:10万元⑤投资回报率:75/505=14%利润率:73/146=50%回收期:505/63=8年项目前期工程进度:根据《XX镇旅游策划及镇区总本规划》,厂址选择在梨园河上流,总体规划区内的13-19地块、13-20地块。
用地面积10000m3,县计委XX计字(2002)98号已批准立项。
第一章概论第一节XX概况XX建村于唐朝初年、滕、叶、鲍、戴等姓人家在XX的河湾处聚居,逐步形成了一个较大规模的村落。
因人口较多、炊烟如云,故名云湾。
北宋神宗元丰二年(1079年),萧江第八世祖江敌始迁XX、子孙繁衍成巨族,乃改云湾为XX。
50000水厂课程设计一、课程目标知识目标:1. 学生能理解50000水厂的相关概念,掌握水处理的基本流程及各环节的作用。
2. 学生能描述水资源的分布特点,了解我国水资源状况及其对生态环境的影响。
3. 学生掌握水质评价的基本方法,了解水质标准及其意义。
技能目标:1. 学生能够运用所学知识,分析水厂处理过程中的问题,并提出改进措施。
2. 学生能够运用水质评价方法,对实际水样进行检测和评价,提高实验操作能力。
3. 学生能够通过小组合作,进行项目研究,提高团队协作和沟通能力。
情感态度价值观目标:1. 培养学生热爱自然、珍惜水资源的情感,增强环保意识。
2. 培养学生关注社会热点问题,提高社会责任感。
3. 培养学生主动探究、积极思考的学习态度,树立科学精神。
课程性质:本课程为自然科学类课程,结合实际案例,让学生在实践中掌握水处理知识。
学生特点:六年级学生具备一定的自主学习能力,对自然科学感兴趣,善于观察和思考。
教学要求:结合学生特点,以实践为主,注重培养学生的动手操作能力、团队协作能力和创新能力。
通过分解课程目标,使学生在掌握知识的同时,提高技能和情感态度价值观。
后续教学设计和评估将围绕具体学习成果展开,确保课程目标的实现。
二、教学内容1. 水资源的分布与重要性:介绍水资源的基本概念、分布特点,以及在我国的重要性。
- 教材章节:《自然地理》第四章第二节“水资源及其利用”2. 水厂处理工艺流程:讲解水厂处理水的基本工艺流程,包括预处理、混凝、沉淀、过滤、消毒等环节。
- 教材章节:《环境科学》第三章第四节“水处理技术及其应用”3. 水质评价与标准:介绍水质评价的基本方法、水质标准及其制定原则。
- 教材章节:《环境监测》第二章第二节“水质评价与标准”4. 实践操作:组织学生进行水质检测实验,运用所学知识对实际水样进行分析评价。
- 教材章节:《环境监测实验》第五节“水质检测与分析”5. 环保意识与水资源保护:通过案例分析,培养学生珍惜水资源、保护环境的意识。
华东交通大学毕业设计(论文)开题报告书课题名称中山市给水工程扩大初步设计(Ⅰ)课题来源课题类型AY导师丰桂珍学生姓名学号20030110020225专业给排水开题报告内容:毕业设计在整个教学计划中处于相当重要的地位,学生在教师的指导下,达到理论与实践的结合,是一次综合概括性的训练,为以后更好的做好给排水打下良好的基础。
本设计是中山市给水工程扩大初步设计,近期城市规划人口14万人,远期人口18万人,规划建筑为6层混合式,设计规模为50000t/d。
取水水源为临近城市的北江,其水源丰富,水质稳定。
根据规范、手册以及相关的专业知识,初步拟定多套方案,通过技术、经济比较确定最佳方案:原水——一泵——机械搅拌澄清池——V型滤池——请水池——二泵——管网。
此方案的优点在于用澄清池代替絮凝设施,大大缩小了水厂长度方向上的距离;采用V型滤池,反冲洗水量大大减少,反冲洗周期增长,节水、节省运行费用。
方法及预期目的:方法:根据设计任务书,《城市居民生活用水量标准》、《给水排水设计手册》1、3、10册、《给水水源及取水工程》、《水泵及水泵站》、《管道工程》和《给水工程主要构筑物及设备工艺计算》以及网易给排水相关资料,按进程安排,在指导老师的协助下进行用水量、水处理构筑物的设计计算、管网布置及方案比较等,与此同时,绘制相关图纸。
预期目的:学生在指导老师的指导下,通过毕业设计(论文)受到一次综合运用所学理论知识和技能的综合训练,进一步提高独立分析问题和解决问题的能力,培养阅读参考文献能力,学会收集、运用设计原始资料以及使用规范、手册、产品目录、标准图的技能,提高设计计算、绘图等实际应用能力。
指导教师签名:日期:课题类型:(1)A—工程设计;B—技术开发;C—软件工程;D—理论研究;(2)X—真实课题;Y—模拟课题;Z—虚拟课题(1)、(2)均要填,如AY、BX等。
华东交通大学毕业设计(论文)任务书姓名学号20030110020225毕业届别2007专业给水排水工程毕业设计(论文)题目中山市给水工程扩大初步设计(Ⅰ)指导教师丰桂珍学历职称具体要求:本设计时中山市给水工程扩大初步设计,要求处理后的水质达到《生活饮用水水质指标》二级。
第1篇一、项目背景随着我国经济的快速发展,城市化进程不断加快,对水资源的需求日益增长。
为了满足日益增长的城市用水需求,提高水厂的生产能力,确保供水安全,本水厂设计项目应运而生。
本项目位于XX市XX区,占地面积约XX亩,设计规模为XX万吨/日,旨在为周边居民提供安全、优质、高效的自来水。
二、设计依据1. 国家相关法律法规和政策2. 《城市给水工程规划规范》(GB 50282-2016)3. 《城市给水工程项目建设标准》(DBJ01/T-102-2007)4. 《城市给水工程水质标准》(GB 5749-2006)5. 《城市给水工程运行管理规范》(GB 51001-2014)6. 相关地方性法规和政策三、设计原则1. 安全可靠:确保水厂生产、运行过程中的安全,保障供水安全。
2. 高效节能:采用先进的技术和设备,降低能耗,提高水厂运行效率。
3. 环保节能:遵循可持续发展原则,降低水厂对环境的影响。
4. 经济合理:在满足功能需求的前提下,合理控制工程造价。
5. 易于管理:设计合理,便于水厂运行、维护和管理。
四、设计范围1. 水源取水工程:包括取水泵房、取水管道、水质监测系统等。
2. 水处理工程:包括预处理、常规处理、深度处理等环节。
3. 水厂构筑物:包括清水池、反应池、沉淀池、滤池、消毒间等。
4. 辅助设施:包括变配电室、化验室、维修间、仓库等。
5. 输配水工程:包括输水管道、配水管网、加压站等。
五、设计内容1. 水源取水工程(1)取水泵房:设计采用双曲线倒锥形泵房,泵房尺寸为XX×XX×XX米,有效容积为XX立方米。
(2)取水管道:采用钢管,直径为XX米,长度为XX米。
(3)水质监测系统:设置在线水质监测系统,实时监测水源水质,确保供水水质符合国家标准。
2. 水处理工程(1)预处理:采用絮凝沉淀工艺,去除水中的悬浮物、胶体等杂质。
(2)常规处理:采用混凝、沉淀、过滤、消毒等工艺,确保水质达到国家饮用水标准。
污水厂设计说明书第一章 ZT市污水处理厂设计任务书第一节设计任务及要求一、设计任务。
根据所给GZ市资料建一座污水处理厂。
二、设计要求1.根据以上资料,对该城市进行污水处理厂的扩大初步设计。
2.编写设计说明计算书。
3.画出两张图:1号图纸:污水处理厂平面布置图(1:500)。
.1号图纸:污水和污泥处理工艺高程布置图(横比1:300;纵比1:500)第二节基本资料一、设计原始资料全年主导风向南风历年最高温度 38 ℃最低温度 4 ℃全年平均气温 24 ℃厂区设计地面标高 +0.00m地震烈度 6级以下二、污水资料1.设计污水总污水量5.0万m3/d,其中工业废水占60%,生活污水占40%。
1.污水处理厂设计地面标高为0.00米。
2.污水提升泵房进水间污水管引入标高为-5m,。
三、出水要求污水处理后应达到国家污水排放标准一级B。
表1 基本控制项目最高允许排放浓度(日均值)单位: mg/L≤20mg/l SS≤20mg/l 总氮(以N计)≤20mg/1 TP≤lmg/l BOD5第二章城市污水处理厂总体设计第一节设计规模的确定一、设计规模污水处理厂的设计规模以平均时流量计Q平均=5×104m3/d=2083.33m3/hQ生活=Q×40%=2×104m3/d=833.33m3/h一、设计流量设计时不考虑工业废水流量的变化。
根据设计任务书可知生活污水总变化系数K Z=2.7Q生活0.11=2.7231.480.11=1.48Q生活——平均日平均时污水流量(L/S)。
Q max=Q平均×60%+Q平均×40%×1.48=5×104×60%+5×104×40%×1.48=59600m3/d=2483.33m3/h 处理程度确定一、处理程度计算BOD5去除率η=200−20200=90%SS去除率η=220−20220=91%NH3-N去除率η=40−2040=50%TP去除率η=8−18=88%第三节污水处理厂的工艺流程方案的选择根据进水水质分析,以及出水要求,选择采用A2/O与卡塞罗氧化沟工艺两种方案,在二者之间进行优化比较,选出最优方案。
一.设计资料1.1.1 供水要求1)给水厂水量为30000m3/d。
2)水厂自用水量系数为5~8%,时变化系数1.5~1.4。
3)水厂出水水压为45~50m。
4)出厂水质达到国家饮用水水质标准。
5)水厂自用水取5%。
6)时变化系数取1.5。
1.1.2 原水水质某河流原水水质分析结果(见表1)表1 某河流的原水水质分析结果1.3 饮用水水质标准生活饮用水水质标准(见表2)表2 生活饮用水水质非常规检验项目及限值(62项)1.2 设计任务1)根据水质、水量、地区条件、施工条件和一些水厂运转情况选定处理方案和确定处理工艺流程。
2)拟定各种构筑物的设计流量及工艺参数。
3)选择各构筑物的形式和数目,初步进行水厂的平面布置和高程布置。
在此基础上确定构筑物的形式、有关尺寸安装位置等。
4)进行各构筑物的设计和计算,定出各构筑物和主要构件的尺寸,设计时要考虑到构筑物及其构造、施工上的可能性。
5)根据各构筑物的确切尺寸,确定各构筑物在平面布置上的确切位置,并最后完成平面布置。
确定各构筑物间连接管道、检查井的位置。
6)水厂厂区主体构筑物(生产工艺)和附属构筑物的布置,厂区道路、绿化等总体布置。
二.设计说明2.1 选择方案2.1.1 絮凝工艺:方案:采用机械絮凝池和往复式隔板絮凝池组合使用机械絮凝池优点:絮凝效果好,节省药剂;水头损失小;可适应水质水量的变化。
缺点:需机械设备和经常维修。
往复式隔板絮凝池优点:絮凝效果好;构造简单;施工方便。
缺点:容积较大;水头损失较大;转弯处絮粒容易破碎;出水流量不易分配均匀;出口处易积泥,适用于流量每日大于3万立方米且水量变化较小的水厂。
两种形式絮凝池组合使用有如下优点:当水质水量发生变化时,可以调节机械搅拌速度以弥补隔板往复式絮凝池的不足;当机械搅拌装置需要维修时,隔板往复式絮凝池仍可继续运行。
此外,若设计流量较小,采用往复式隔板絮凝池往往前端廊道宽度不足0.5m,不利于施工,则前端采用机械絮凝池可弥补此不足。
姓名:李国率班级:应化0902 学号:2009040901目录第一章前言.............................................................................................................................. 错误!未定义书签。
1.1 研究或设计的目的和意义 ......................................................................................... 错误!未定义书签。
1.1.1 总体目标 (2)1.1.2 具体目标 (2)第二章本论 (2)2.1.2 用水量计算 (2)2.2 水处理构筑物设计 (4)2.2.1 反应设备的计算 (4)2.2.2 沉淀设备的设计 (8)2.2.3 滤池工艺设计与计算 (13)2.2.4 反冲洗泵房工艺设计与计算 (25)2.2.5 加药间及药库 (28)2.2.6 清水池工艺设计与计算 (30)2.2.7 吸水井布置 (34)2.2.8 送水泵站工艺设计与计算 (34)2.3 水厂平面布置 (35)2.3.1 一般要求 (35)2.3.2 布置原则 (36)2.3.3 水厂的平面布置 (36)2.3.4 水厂高程布置 (36)第三章 (37)参考文献 (37)第一章前言1.1.1 总体目标按照工程实际的具体要求完成*****设计规模为1.0×105m3/d的城镇给水处理厂的工艺设计,包括工艺计算和图纸绘制两部分工作,计算成果达到扩大初步设计要求。
工艺选择和设计要能满足现行国家规范和标准的要求,经构筑物处理后的水即要保证城市用水量要求,又要满足出厂水达到《生活饮用水卫生标准》(GB5749-2006)的具体标准值。
1.1.2 具体目标1.完成设计说明书1份内容完整、方案合理、格式规范、论证合理、章节设置合理、层次分明、计算正确、文字通顺、图表清晰;2.完成工艺专业图1套图纸深度基本上达到初步设计要求、图面整洁、表达正确、布局合理、线条分明、尺寸标注规范;3.意义通过对水厂的设计,能在学习理论知识的同时,有效的将理论知识与生产实际相结合,在对水厂处理工艺和处理流程进行计算设计的同时,进一步掌握并熟练运用城镇给水处理厂工艺设计的相关理论知识和设计方法、程序、技巧等,并学会充分利用现今发达的网络资源进行辅助设计和资料查询,为今后走上工作岗位,能够胜任工作打下基础。
1. 概述1.1项目概况工程名称:兴城县新建5.0万吨/日水厂工程业主单位:兴城县自来水公司项目地点:兴城县城1.2设计范围本设计根据兴城县自来水公司要求,对兴城县新建 5.0万m3/d水厂工程进行方案设计,设计规模为近期5.0万m3/d,远期10万m3/d,水厂占地面积为6.12公顷(91.8亩,长×宽=360m×170m),设计范围为取水头部至净水厂、输配水管网等工程。
1.3设计目标⑴兴城县新建水厂出厂水水质设计目标应达到:常规处理:出厂水浊度≤1.0NTU。
其它水质指标均应满足:建设部2005年6月发布的《城市供水水质标准》(GJ/T2006-2005);卫生部2001年6月发布的《生活饮用水卫生规范》;国家2006年12月发布的《生活饮用水卫生标准》(GB5749-2006)。
⑵水压目标出厂水水压应满足供水服务区内控制点处用户接管点自由水头不小于28m水柱的要求。
兴城县新建水厂出水水压暂按0.40MPa考虑。
1.4县城概况兴城县位于东经115°01′~115°51′, 北纬26°03′~26°41′,江西省中南部,兴城县东北部。
东邻宁都、于都;北连永丰、吉安泰和;西接万安;南毗赣县。
全县辖30个乡镇场,总面积3215平方公里,人口74万,其中作为全县政治、经济、文化中心的兴城县城城区现有面积15.93平方公里,城区人口12.95万人。
兴城县地处江西省中南部,赣州市北部,邻近闽、粤和港澳等地区。
中国第二大动脉京九铁路贯穿全县,并设有三级货运站,公路通车里程1700余公里,泉南高速(兴城段)将于2009年建成通车,“319”国道穿县境东西与“105”“323”国道、正在兴建的“昆厦”高速公路相连接,兴赣(州)、兴宁(都)、兴永(丰)、兴(万)安公路相互沟通,连接赣州、吉安的空运和万安的水运,运输条件十分便利。
兴城县属非地震重点监视防御区,地震烈度为5度以下,建议取水和净水设施地基抗震烈度设计应在7度以上。
某师净水厂设计一.设计原始资料1.净产水量:5000m3/d2.水源为河水,3.(1)最高浑浊度为2000NTU(2)碱度为5mg/L(3)总硬度:月平均最高368mg/L, 月平均最低156mg/L(4)PH值:6.9—7.6(5)色度:12度(6)大肠菌群数:1800CFU/100ml(7)水温:月平均最高27.7℃月平均最低6.9℃4.净化出水要求:达到《国家生活饮用水卫生标准》(GB5749-2006)要求。
5.净水厂地形图:比例尺1:2006.地形资料:拟建水厂厂址地形平坦,地质为砂质粘土,地基承载力特征值fa=600kPa,无地下水7.各种材料均可供应。
二、水厂工艺流程选择(一).确定净水厂的设计水量根据GB50013—2006规定:水处理构筑物的设计水量,应按最高日供水量加水厂自用水量确定。
水厂自用水率应根据原水水质、所采用的处理工艺和构筑物类型等因素通过计算确定,一般可采用设计水量的5%~10%。
当滤池反冲洗水采取回用时,自用水率可适当减小。
考虑滤池反冲洗水采取回用及用水安全,自用水率取8% 则设计水量G=5000×(1+0.08)=5400 m3/d(二)确定净水厂工艺流程和净化构筑物的型式原水的含沙量或色度、有机物、致突变前体物等含量较高,臭味明显或为改善凝聚效果,可在常规处理前增设预处理。
原水来自河水含沙量较低,色度12度,满足GB5749-2006 《生活饮用水卫生标准》,可以不进行原水的预处理。
设计工艺流程:取水→一级泵站→管式静态混合器→穿孔旋流絮凝池→斜管沉淀池→无阀滤池→消毒剂→清水池→二级泵站→用户三、混凝剂的投配根据最高浊度,此河水水质与长江水类似,则混凝剂PAC采用碱式氯化铝(含三氧化二铝10%),投加量最高为20mg/L,无需助凝剂。
沉淀或澄清时间1.2h。
每天工作时间为18h。
1.溶解池W1和溶液池W2的确定W2=aQ/417cn=18×100×20×5400/18 /(1000×1000×10×2)=0.54m3n----液体投加混凝剂时,溶解次数应根据混凝剂投加量和配制条件等因素确定,每日不宜超过3次,取2次。
某师净水厂设计一.设计原始资料1.净产水量:5000m3/d2.水源为河水,3.(1)最高浑浊度为2000NTU(2)碱度为5mg/L(3)总硬度:月平均最高368mg/L, 月平均最低156mg/L(4)PH值:6.9—7.6(5)色度:12度(6)大肠菌群数:1800CFU/100ml(7)水温:月平均最高27.7℃月平均最低6.9℃4.净化出水要求:达到《国家生活饮用水卫生标准》(GB5749-2006)要求。
5.净水厂地形图:比例尺1:2006.地形资料:拟建水厂厂址地形平坦,地质为砂质粘土,地基承载力特征值fa=600kPa,无地下水7.各种材料均可供应。
二、水厂工艺流程选择(一).确定净水厂的设计水量根据GB50013—2006规定:水处理构筑物的设计水量,应按最高日供水量加水厂自用水量确定。
水厂自用水率应根据原水水质、所采用的处理工艺和构筑物类型等因素通过计算确定,一般可采用设计水量的5%~10%。
当滤池反冲洗水采取回用时,自用水率可适当减小。
考虑滤池反冲洗水采取回用及用水安全,自用水率取8% 则设计水量G=5000×(1+0.08)=5400 m3/d(二)确定净水厂工艺流程和净化构筑物的型式原水的含沙量或色度、有机物、致突变前体物等含量较高,臭味明显或为改善凝聚效果,可在常规处理前增设预处理。
原水来自河水含沙量较低,色度12度,满足GB5749-2006 《生活饮用水卫生标准》,可以不进行原水的预处理。
设计工艺流程:取水→一级泵站→管式静态混合器→穿孔旋流絮凝池→斜管沉淀池→无阀滤池→消毒剂→清水池→二级泵站→用户三、混凝剂的投配根据最高浊度,此河水水质与长江水类似,则混凝剂PAC采用碱式氯化铝(含三氧化二铝10%),投加量最高为20mg/L,无需助凝剂。
沉淀或澄清时间1.2h。
每天工作时间为18h。
1.溶解池W1和溶液池W2的确定W2=aQ/417cn=18×100×20×5400/18 /(1000×1000×10×2)=0.54m3n----液体投加混凝剂时,溶解次数应根据混凝剂投加量和配制条件等因素确定,每日不宜超过3次,取2次。
c----混凝剂投配的溶液浓度,可采用5%—20%(按固体重量计算)取10%.溶液池采用矩形砖混结构,设置1个0.643m,保证连续投药。
池子尺寸为L×B×H=0.8×0.8×1.1(其中超高0.25m)。
W1=(0.2-0.3)W2取0.3,则W1=0.3W2=0.16 m3溶解池设置为1池,容积为0.23m,用圆柱形耐腐蚀强化塑料桶。
溶解池底部设管径d=100mm排渣管一根,选两台JBY型移动式调速搅拌机。
2.药库设计(1)设计参数:水量Q=3003m/h最大加药量a=20mg/l仓库储量按15d计且与加氯合并布置(2)设计计算加药量 R=15×20/1000×5400=1620 kg固体每袋40kg,需1620/40=40.5≈41袋(3)加药间和药库加药间和药库合并布置,布置原则为:药剂输送投加流程顺畅,方便操作与管理。
储存量一般按最大投药量的期间的15天的用量计算。
设每袋的体积为0.5×0.4×0.2 m3,药剂堆放高度为1.5m。
有效堆放面积A = NV/1.5=41×0.5×0.4×0.2/ 1.5=1.08㎡(4)絮凝剂投加:采用计量泵投加,不必另备计量设备,泵有计量标志,可过改变计量泵行程改变药液投量,适用于絮凝剂自动控制系统。
混合器采用管式静态混合器。
四、絮凝设备的确定目前我国正在推广应用穿孔旋流絮凝池,所以本设计采用穿孔旋流絮凝池。
一般分格数不少于6格,起点孔口流速宜取1.0-1.5m/s,末端孔口流速宜取0.05-0.1m/s,絮凝时间15-25min,絮凝时间10-20min,其优点构造简单,施工方便,造价低,可用于中小型水厂,所以选择穿孔旋流絮凝池,分1个池,每池格数取为6格。
(1)絮凝池设计流量Q=5400/(18×3600)=0.083m3/s,则絮凝池体积W=0.083×20×60=100m3(2)设平均水深为3m,则絮凝池面积为S=100/3=33m2。
每格面积s=33/6=5.5m2则每格边长a=2.36m,为方便施工取2.4m(3)孔口流速起点孔口流速V0取1.0m/s,末端孔口流速V6取0.1m/s其它孔口流速按照公式V i=V0+V6-VV1=0.71m/s;V2=0.56m/s;V3=0.44m/s;V4=0.34m/s;V5=0.25m/s。
(4)孔口水头损失计算式为h i =1.06gv i 22• 求得h 0=0.053m ,h 1-2=0.026m ,h 2-3=0.017m ,h 3-4=0.01m ,h 4-5=0.006m ,h 5-6=0.003m,h 6=0.001m(5)孔口尺寸及位置出口孔口尺寸的长取边长a ,高l =Q/(v 6×a)=0.0627/(0.08×1.85)=0.42m;其中它孔口尺寸按长高比3:2计算(进口孔口除外),l i =iv Q 5.1,计算其孔口高度依次为0.2m,0.24m,0.27m,0.31m,0.35m ,0.4m,0.64。
孔口上边缘宜在水面下至少20cm ,孔口下边缘宜在泥斗上30cm 。
(6)泥斗泥斗设在穿孔旋流絮凝池下,对应一格一个,共六个。
倾角取45。
,泥斗下孔口为正方形,边长取0.30m 。
泥斗高为1.05m 。
(7)总高度保护高0.30m ,平均水深3.00m ,泥斗高度取1.05m 。
则总高为0.30+3.00+1.05=4.35m 。
五、沉淀设备的确定本设计采用斜管式沉淀池,具体参数如下:3.1设计数据:(1)设计流量Q=0.083m 3/s ;(2)表面负荷取q=9m 3/(m 2.h)=2.5mm/s ;(3)颗粒沉降速度μ0:0.4mm/s ;(4)采用蜂窝形斜管,D30,L1000,θ60。
(5)沉淀区的平面尺寸每个沉淀池的沉淀区表面积F = 0.08333.20.0025= m 2,其中斜管结构占用面积按3%计,则实际清水区需要面积:F ’=33.2×1.03=34.2m 2.为了配水均匀,采用清水区平面尺寸7.6×5m ,有效面积为7.6×4.5使进水区沿7.6m 长一边布置;每个沉淀池实际沉淀面积7.6×(5-0.5)=34.2m 2; 沉淀池清水区实际上升流速为:V 上=0.08321.8/Q mm s F ==38(6)沉淀池的总高度超高0.30m ,清水区高度1.20m ,布水区高度1.50m ,泥斗高度1.05m,斜管高度h=l ×sin θ=1×sin60。
=0.87m 。
因此,沉淀池总高度为:H =0.30+1.20+1.50+0.87+1.1=4.97m(7)穿孔集水槽计算一个沉淀池设有5个集水槽,集水槽间距1.52m ,每个集水槽流量q = 30.0830.0166/m s =5; 集水槽宽 b =0.9(βq )0.4(β一般取1.2~1.5)=0.9(1.2×0.0138)0.4=0.188m ,取0.2m ;集水槽水深:h 1=0.75b =0.15;h 2=1.25b =0.25为了施工方便,采用平底集水槽,集水槽水深h =0.2m ;集水槽深 H =h+ h 3 +h 4 +h 5=0.2+0.07+0.05+0.07=0.39mh 3-------跌水高度,70mm ;h 4-------孔口上水头,50mm ;h 5-------超高,70mm(8)孔眼计算孔径d 取25mm 每孔流量412gh q μω=05.08.92000491.02.0⨯⨯⨯=6=0.000301m 3/s 其中ω为孔口面积每根集水槽孔眼数 1 1.0.00.0003qn q β⨯===21666601个; 两侧交错开孔,每侧开孔数33个; 集水槽上孔距00033l mm ==5152 排泥斗斗底坡度经验算:斗底坡度为50~55°,排泥顺畅。
六、过滤设备的确定选用重力式无阀滤池,两个无阀滤池合用一个冲洗水箱。
4.1设计数据(1)设计水量净产水量为5400/18=300m 3/h ,滤池分为2格,每格水量为150m3/h=0.042m3/s。
设计滤速采用7.5m/h;4.2主要计算(1)滤池面积Q=150/7.5=20m2;过滤面积f1=v连通渠考虑采用边长为0.3m等腰直角三角形,其总面积f2=4×0.5×0.4×0.4=0.32m2并考虑连通渠斜边部分混凝土壁厚为80mm,则每边长=a′+2×0.08=0.4m,a′=0.29面积为:f′2=4×0.5×0.29×0.29=0.168 m2故要求滤池面积f= f1+ f2=20+0.32=20.32m2滤池为正方形,每边长L=f=4.51m,为了便于施工取用4.5m;滤池实际面积F=4.5×4.5=20.25 m2实际过滤面积F′=20.25-0.32=19.93 m2实际滤速v′=Q/ F′=150/19.93=7.53m/h(2)滤池高度底部集水区高度采用H1 0.40m;滤板高度采用H2 0.10m;承托层高度采用H3 0.20m;滤料层高度采用H4 0.70m;净空高度采用H5 50%×0.70+0.10=0.45m;顶盖高度采用H6 0.5×4.5×tan12。
=0.48m;冲洗水箱高度H7:为降低高度,采用两格共用一个冲洗水箱。
(1)水箱容积按冲洗一次所需水量,同时考虑在一个冲洗时,另一格滤池向水箱供水。
所以:V=Ft(3.6q-v)/60式中:q-----冲洗强度, 取15L/s·m2t-----冲洗历时,5minv-----滤速(m/h),7.53m/hF-----滤池总面积,20.25m2计算得V=78.42m3=V/2F=1.94m水箱有效水深H'7(3)水箱连通管水头损失,取为0.05m冲洗水箱高度为H7=1.94+0.05=1.99m超高H8采用0.15m池顶板厚度0.10m故滤池总高度为:0.4+0.1+0.2+0.7+0.48+0.48+1.99+0.15+0.10=4.6m。
3进水系统(1)进水分配槽面积f=Q/v=0.042/0.05=0.84m2采用长方形分配槽,规格为1m×0.84m(2)进水管滤池进水管由沉淀池总出水渠接出,进水管流量Q=150m3/h,取流速0.6m/s,管径d=)=299mm,选用DN300管道,流速4Q/(vv j =0.567m/s ,水力坡度降i j =1.83‰,管长l j =14m ;进水管水头损失:h=∑il+∑ξgv 22 考虑局部阻力,包括管道进口,90°弯头3个的损失,三通一个则h j = 0.00183×14+(0.5+3×0.6+1.5)g2.02567 =0.0879m4.配水系统小阻力,采用孔板或陶瓷滤板5.几个控制标高滤池出水口(即冲洗水箱水位)高程=滤池总高度-滤池底板入土埋深-超高=4.6-0.50-0.15=+3.95m 。