大跨门式钢架轻钢结构脉动风荷载模拟分析
- 格式:doc
- 大小:24.00 KB
- 文档页数:5
论文范文:大跨度门式刚架结构设计与分析第1章绪论1.1选题的目的和意义门式刚架顾名思义,是如同门一样的结构,它在国内外是一种比较常见的结构形式,而且应用非常广泛。
门式刚架本身的质量比较轻,结构不是很复杂,柱网布置较灵活,因此,其施工周期就会比较短,成本就可以很好的控制。
在1910年的德国布鲁塞尔专为世博会建造的机械工程展厅,采用了多层阶形布置的刚架结构,是早期典型的门式刚架结构;1932 年建成的德国埃森煤矿税收协会采用了门式钢框架结构。
门式刚架结构具有大跨度,可以应用于需要大空间结构要求的建筑,如单层厂房,人员较多的超级市场,储存大量物资的仓库等工业与民用建筑等,在很多方面门式刚架都具有很强的竞争力,而且有着很广阔的市场前景。
虽然门式刚架优点很多,但是在我国的钢结构建筑却发展的比较晚,直到1990年以后,钢结构体系才在我国的到了比较全面发展。
在单层厂房、超级市场、大型仓库中门式刚架得到大规模应用;多高层建筑也开始采用钢框架;传统钢结构维护构件质量大造价高,而近几年的薄壁彩钢板的应用大大改观了现状;钢管的交会焊接结构与拉索结构的结合一直延伸到了许多文化体育等社会公共建筑当中;冷弯薄壁型钢在当今建筑行业已被广泛应用,檩条就是其典型的代表,除了在维护构件方面得到应用,它也作为受力构件进行使用。
随着科技的进步和钢材的质量越来越高,一些发达国家看到了钢结构的重要性,而且也越来越重视。
我国的钢铁产业在得到快速发展的同时,也注意到了钢结构建筑的重要性。
自1996年以后我国的钢铁产量实现了飞跃式的成绩,达到并突破了一亿吨,而且在随后的七年里,一直位于世界钢铁产量的首位。
而在2000以后我国凭借钢产量是世界的0.23%的数据,成为钢消费大国。
进入到2004年,中国的钢铁产量已经是世界钢铁总量的25%,已经是1996年的将近三倍,达到了2.6亿吨。
中国钢铁业的这种从无到有,从有到丰富的这种大跨越发展,促使国家相继推出了有关发展钢材的制造,生产,安装的一系列技术政策。
30米跨度门式钢结构厂房风荷载计算比较引言门式钢结构厂房是一种常见的工业建筑形式,其优点包括结构稳定、施工周期短等。
在设计门式钢结构厂房时,风荷载计算是至关重要的一步。
本文将比较两种不同方法计算30米跨度门式钢结构厂房的风荷载,帮助设计师选择适合的方法。
方法一:规范方法规范方法是最常用的计算门式钢结构厂房风荷载的方法。
根据国家规范中的风荷载计算公式,我们可以计算出30米跨度门式钢结构厂房在不同方向上的风荷载。
这种方法的优点是简单、易于理解和应用,但是可能存在一定的安全系数较大的问题。
方法二:CFD模拟方法CFD(Computational Fluid Dynamics)模拟方法是一种利用计算机模拟风场进行风荷载计算的方法。
通过建立门式钢结构厂房的三维模型,并对风场进行模拟,可以得到更加准确的风荷载数据。
这种方法的优点是能够考虑更多的因素,如周围建筑物的影响、湍流等,计算结果更加精确。
然而,使用CFD模拟方法需要专业的软件和工程师来进行模拟,成本相对较高。
计算比较为了比较两种方法的计算结果,我们选取了一座典型的30米跨度门式钢结构厂房进行计算。
根据规范方法,我们计算出厂房在不同方向上的风荷载,分别为1000N/m和1500N/m。
然后,我们使用CFD模拟方法对同样的厂房进行模拟,并得到风荷载分别为1200N/m和1600N/m。
通过对比计算结果可以看出,两种方法计算结果存在一定差异,CFD模拟方法得到的风荷载略高于规范方法。
结论在计算30米跨度门式钢结构厂房风荷载时,我们可以通过规范方法和CFD模拟方法进行计算,从而得到不同的结果。
规范方法简单易懂,适合一般的设计工作;而CFD模拟方法更加精确,能够考虑更多因素,适合对于复杂结构的分析。
设计师需要根据实际情况选择适当的计算方法,在保证安全的前提下尽可能减少结构的材料和成本。
参考文献1.国家建筑标准《钢结构设计规范》2.Luo, X., Kougioumtzoglou, I., Liu, X., Li, X., & Zhang, Y. (2015). Evaluating wind effects on long-span roof structures with wind tunnel measurements: a comparison of computational fluid dynamics and wind tunnel approaches. Wind and Structures, 20(3), 307-323.。
大跨门式钢架轻钢结构脉动风荷载的模拟分析作者:李新武丽来源:《城市建设理论研究》2012年第31期摘要本文采用ANSYS有限元软件建立某大跨门式刚架模型,主要采用线性滤波法,忽略了结构的空间相关性,应用计算机仿真软件针对此模型进行水平脉动风荷载的数值模拟,并分析了大跨门式刚架风荷载的分布特点,总结出了:迎风面上各节点的风荷载随着高度的增加其值也在不断的增大,而背风面正好与其相反;背风面上各节点的风荷载值普遍比迎风面上个节点的风荷载值大。
随着高度的增大,两面各节点风荷载的比值在不断缩小,同时为后续的大跨门式刚架结构的风振时程分析提供了参考以及输入荷载。
关键词:大跨门式刚架;脉动风;脉动风荷载模拟;线性滤波法中图分类号:TU74 文献标识码:A 文章编号:1 引言大跨门式刚架结构是柔性体系,具有柔度大、阻尼小等特点,因而对风荷载十分敏感。
近年来,伴随着结构的跨度不断增大,体型日益复杂,风对门式刚架轻型钢结构产生的破坏越来越显著。
国内外很多专家学者对此作了一系列研究并取得了一定成果,但就脉动风荷载作用下轻型门式刚架响应的研究还比较少,门式刚架轻钢结构建筑的风振研究尚未成熟,没有形成完整的理论体系,我国现行规范也未作出任何明确的规定;由于建筑大空间的需要,门式刚架轻钢结构越建越高,跨度越来越大,导致其柔度越来越大,结构固有周期普遍达到0.5s以上,有的可达1s以上,风振的影响不断增大,风灾造成的破坏也越来越显著。
因此,对大跨门式刚架轻钢结构风荷载特点的研究具有非常重要的意义。
2 风荷载的特点在风的顺风时程曲线中,一般包含两种成分:一种是长周期部分,其值常在10分钟以上;另一种是短周期成分,常仅有几秒钟左右。
根据上述两种成份,实际上常把风分为平均风(即稳定风)和脉动风(常称为阵风脉动)来加以分析。
平均风是在给定的时间间隔内,把风对建筑物的作用力的速度、方向以及其他物理量都看成不随时间而改变的量,考虑到风的长周期大大地大于一般结构的自振周期,因而其作用性质相当于静力。
基于ANSYS的门式刚架轻钢结构模态分析刘宝良;王建国;张步爱【摘要】针对门式刚架轻钢结构,基于有限元理论,利用大型有限元分析程序对门式刚架轻钢结构进行三维实体建模和模态分析,得到了此结构的模态分析结果,结果表明当频率较小时,在X方向会产生较大结构破坏位移,而随着外部激振频率的增加,结构破坏位移主要产生在Y方向。
%According to the portal frame light steel structure, the study adopts the large finite element analyzing program to undertake the three- dimensional solid modeling and model analysis based on the finite element theory, concludes the model analysis result of the structure, and proves by the result that larger structural damaging displacement occurs at the direction of X when the frequency is little, and the structural damaging dis- placement will be transferred to the direction of Y when the external excitation frequency increases.【期刊名称】《山西建筑》【年(卷),期】2012(038)021【总页数】3页(P32-34)【关键词】门式刚架;ANSYS;模态分析【作者】刘宝良;王建国;张步爱【作者单位】黑龙江科技学院理学院,黑龙江哈尔滨150027;黑龙江科技学院理学院,黑龙江哈尔滨150027;黑龙江科技学院理学院,黑龙江哈尔滨150027【正文语种】中文【中图分类】TU3930 引言轻钢结构门式刚架采用轻型材料,自重轻,基础造价低,钢材耗量小,主要钢结构件工厂化,施工速度快,对环境污染少,对于大跨度结构,以上优点尤其突出。
大跨度门式刚架结构设计分析【摘要】当前在房屋建筑中广泛利用大跨度门式刚架结构,而大跨度门式刚架结构设计工作直接关系到整体工程质量,因此需要深入研究大跨度门式刚架结构设计工作。
本文主要分析了大跨度门式刚架结构设计工作,从而对于实际工作起到参考作用。
关键词:大跨度;门式刚架结构;结构设计我国不断提高工业发展速度,当前工业发展过程中致力于提高规模化和集约化水平,逐渐扩大了工业企业的建设规模,而在厂房建设过程中广泛利用轻型门式钢架结构,可以发挥出经济性和环保性等优势。
利用大跨度门式刚架结构的过程中,需要加固处理现有的钢结构,通过发挥出大跨度门式刚架结构的优势,使厂房荷载能力因此提高,保障厂房建设质量。
一、概述门式刚架近些年很多厂房开始改造整体结构,并且通过利用先进的生产工艺,提高了大跨度门式刚架结构的使用率,有利于提高整体钢结构的稳固性。
对比传统的结构,利用大跨度门式刚架结构之后显著提高了厂房荷载能力。
大跨度门式刚架结构具有经济性优势,对比钢混结构,利用高品质的材料,保证设计结果符合理论要求,有利于严格控制设计误差,还可以提高施工管理水平。
因为具有较大的跨度,因此在相同荷载的背景下,对比普通钢架结构,大跨度门式刚架结构不会产生较大的剪力变形,而且具有较大的间距。
在跨梁布置过程中,和常规钢结构对比具有较大的差异性。
例如在布置中小跨梁的时候,同时连接两端和中间。
在布置大跨度刚架的时候,如果利用上述连接方式,不利于保障整体结构的强度和牢固性,而且会增加钢材使用量。
大跨度门式刚架结构通过扩大两端支座面积和跨中截面面积,逐渐增加弯度变化截面之后,可以降低钢材使用量,因此降低整体工程的投入量【1】。
二、大跨度门式刚架结构设计内容和方法(一)主体设计1.刚架高度:大跨度门式刚架结构的高度通常控制在4.5~9m范围内,设计单位也可以结合具体的工作要求合理增加刚架高度。
而设计的间距通常是6m,也可以结合实际荷载合理增加间距,但是始终控制间距在12m范围内。
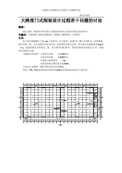
大跨度门式刚架设计过程若干问题的讨论摘要:通过实例,阐述和分析轻型门式刚架结构设计过程中需要注意的环节。
关键词:多跨刚架刚架风荷载设计摇摆柱钢材材质工程投资引言:本工程为新疆独山子某xxx产品库房,长150米,宽63米,檐口高6.9米。
丙类建筑,耐火等级二级,火灾危险性分类为丙类。
抗震设防烈度为8度,设计基本加速度值0.20g(第二组)。
建筑结构安全等级为二级。
设计使用年限50年。
围护结构使用年限为15年。
屋面防水等级为2级。
场地的自然条件:1.基本雪压值0.55KN/㎡;2.基本风压值0.60KN/㎡;3.地基土标准冻深 1.4m4.地基承载力特征值为350KPa.主体为门式刚架,围护结构为单层压型钢板。
采用了PK·PM系列结构计算软件(2006-6新规范版本)进行计算分析。
正文:本工程设计时曾采用了两种计算模型,经比较分析后,选用了较为合理的模型。
1.计算参数的选取:1.1屋面恒荷载标准值:0.3kN/m2;1.2屋面活荷载标准值:0.55kN/m2;(注:活荷载取值见《门式刚架轻型房屋钢结构技术规程CECS 102:2002》第3.2.2条。
应当注意,当受荷水平投影面积大于60㎡的刚架,可取0.3kN/m2。
这里考虑到雪荷载的取值为0.55kN/m2,两者取大值进行计算。
)1.3风荷载取值:根据《全国民用建筑工程设计技术措施—结构》第18.1.6条,即“跨高比l/h小于等于4的门式刚架应按《建筑结构荷载规范》GB50009-20001计算风荷载标准值W k及风荷载体型系数μs,不考虑风振系数βj,但当跨高比l/h大于4的门式刚架及房屋所有围护结构的风荷载标准值W K宜按《门式刚架轻型房屋钢结构技术规程》CECS 102:2002取用。
”1.3.1 中间区:根据《门式刚架轻型房屋钢结构技术规程》CECS 102:2002附录A表A.0.2-1所示体型系数如下:柱:墙面上的风荷载近似按水平向均布荷载q1、q2计,μz按柱顶标高取用,柱顶高6.9m,μz=1.0,μs迎风面0.25,背风面-0.55。
某大跨度门式刚架轻型钢结构仓库设计分析摘要:详细地介绍了某大跨度门式刚架轻型钢结构仓库的结构设计过程,为大跨度门式刚架结构的设计及应用提供借鉴。
同时针对大跨度门式刚架结构的设计特点,提出了一些建议。
结构分析采用3D3S空间钢结构系统软件,设计方法可供同类工程参考。
关键词:门式刚架,轻型钢结构,大跨度Abstract: introduced in detail the one big span the door frame of light steel structure of the warehouse process of structural design, for big span door frame structure design and application for reference. At the same time for big span the door frame structure of the design characteristics, and put forward some Suggestions. The structure analysis using 3 D3S space steel structure system software, design method for similar projects.Key words: the door frame, light steel structure, the large span1 工程概况某皮革仓库,建筑全长99m,采用单层门式刚架结构,固轴的刚架由AB和BC两跨构成,AB跨度为51m,BC跨度为28m,其余轴的刚架只有AB单跨,跨度为5lm。
结构共18榀刚架,间距为4.5m或6m,刚架AB跨柱顶高9.8m,BC跨柱顶高6.3m,屋面坡度为l/20。
2 结构布置厂房墙面和屋面围护材料采用轻型彩色压型钢板复合板。
钢结构建筑中的风荷载分析与抗风设计在钢结构建筑中,风荷载是一项重要的设计考虑因素。
钢结构建筑因其优良的抗风性能而在现代建筑领域得到广泛应用。
本文将对钢结构建筑中的风荷载分析和抗风设计进行探讨。
一、风荷载分析在进行钢结构建筑的风荷载分析时,需要考虑以下几个因素:1. 地理位置:不同地理位置的风环境差异较大,需要根据具体地理位置的风速和荷载系数进行计算。
通常使用国家相关标准或规范提供的区域风速参数进行计算。
2. 建筑形状和尺寸:建筑形状和尺寸直接影响着风的作用效果。
大面积的平面建筑受到的风力较大,而高层建筑受到的风力则更为复杂,需要考虑风的方向和速度的变化。
3. 结构类型:不同类型的钢结构建筑在风荷载下的行为也有所不同。
例如,单层或多层框架结构、刚架结构、空间网壳结构等,其受力情况和承载能力都不同,需要进行适当的分析和计算。
4. 风荷载分布:风荷载在建筑结构上的分布是不均匀的,需要进行合理的计算和分析。
一般情况下,风荷载分为正压、负压和侧向压力三个方向,不同部位承受的风荷载也不同。
二、抗风设计为了确保钢结构建筑能够安全地承受风荷载,需要进行适当的抗风设计。
以下是一些常用的抗风设计方法:1. 结构刚度设计:通过增加建筑结构的刚度,减小结构变形,从而提高其抗风能力。
可以采用加强柱、梁和竖向构件的尺寸或数量等方法来增加结构的刚度。
2. 节点连接设计:节点是钢结构建筑中各构件的连接部位,节点的设计质量直接影响到整个结构的风荷载承载力。
合理的节点连接方式可以减小盖节点的应力集中,提高节点的刚度和强度。
3. 风挡设计:通过设置适当的风挡,如窗户、门等,来减小风力对建筑表面的作用。
同时,还可以利用风挡来改变建筑的整体风力分布,降低风荷载的作用效果。
4. 使用风力减振装置:在高层建筑中,由于风荷载的作用效果较大,采用风力减振装置可以有效减小结构的动态响应和振动。
常见的风力减振装置包括风振阻尼器、质量-剪切减振器等。
大跨度门式钢架轻型钢结构的设计分析发表时间:2019-04-19T14:52:37.717Z 来源:《基层建设》2019年第6期作者:董宇[导读] 摘要:工程实践研究表明,大跨度轻型钢结构具有一系列优势,如较短的施工周期、钢材用量较少、装拆难度较小、可以灵活布置等,因此目前在厂房、仓库等工程中得到了十分广泛的应用。
杭州铁路设计院有限责任公司浙江省杭州市 310000摘要:工程实践研究表明,大跨度轻型钢结构具有一系列优势,如较短的施工周期、钢材用量较少、装拆难度较小、可以灵活布置等,因此目前在厂房、仓库等工程中得到了十分广泛的应用。
在应用实践中,需要做好大跨度门式钢架轻型钢结构的设计工作,以便将大跨度门式钢架轻型钢结构的优势充分发挥出来。
关键词:大跨度;轻型钢结构;设计1 前言门式钢架形式自上个世纪九十年代后得到了较为广泛的运用,门式钢架通过组合不同高度和不同跨度的门式钢架单元,可以促使建筑的差异化要求得到满足。
其能够高低错落布置立面,不会限制到平面布置。
为了促使制作难度得到降低,可以用等截面形式来设计单个构件。
要想促使用钢量得到节约,则可以用变截面形式来设计单个构件。
利用轻型钢板来制作屋面和墙面,传统笨重的建筑特征得到了改善。
总之,大跨度门式钢架轻型钢架结构具有一系列的优势,如较轻的自重、较少的用钢量以及较低的造价等。
整体形式的现代化气息浓厚,使用要求可以充分满足。
2 门式钢架的特点一般情况下,利用Q235B或Q345B钢材制作钢架梁柱。
对于大跨度钢结构来讲,变截面梁柱的组合是采用较多的形式。
相比之下,空间网架结构设计繁琐,安装往往比较复杂,施工周期长,因此大跨度门式钢架有其一定的优势。
结合工程实际情况,利用高强度螺栓来拼接柱与梁、梁与梁。
门式钢架投资成本比较低,安装方便从而有效地缩短工期,使项目快速投入使用,并且能很快获得经济效益。
结构耐久性方面,现在对防火防腐的措施多种多样,材料也十分普遍并广泛运用,门式钢架也可以在材料方面提高自身寿命。
高低跨门式刚架的风荷载体型系数高低跨门式刚架是一种常用的结构形式,具有较强的抗风能力。
风荷载体型系数是衡量结构对风荷载响应程度的重要参数,对于设计高低跨门式刚架的风荷载具有指导意义。
首先,我们来了解一下高低跨门式刚架的结构形式。
高低跨门式刚架由梁柱、墙体及屋面构成,通常用于大型工业厂房、物流仓储等场所。
其特点是梁柱间跨度大、结构稳定,适用于大跨度的建筑。
为了确保结构的稳定性和安全性,必须对风荷载进行合理的计算和分析。
风荷载体型系数是反映结构所受风荷载程度的参数,分析和确定风荷载体型系数对于结构设计具有重要的意义。
高低跨门式刚架的风荷载体型系数取决于结构的形状、尺寸、高度、开口等参数。
根据风工程学的理论和实践经验,我们可以计算出相应的风荷载体型系数。
在设计中,我们需要考虑结构的气动性能,以便更准确地计算风荷载体型系数。
高低跨门式刚架的气动性能与其开口形式有密切的关系。
一般来说,开口越大的结构气动性能越好,风荷载体型系数也较小。
因此,我们可以采用刚架开口面积与刚架面积之比作为风荷载体型系数的估算参考。
此外,高低跨门式刚架在设计中要考虑到结构的整体稳定性。
刚架结构的稳定性与其高宽比、截面形状、墙体刚度及连接方式等因素有关。
在计算风荷载体型系数时,我们需要综合考虑这些因素,以确保结构的稳定性满足设计要求。
综上所述,高低跨门式刚架的风荷载体型系数是设计中必须考虑的重要参数。
通过合理计算和分析,可以确保结构的安全稳定。
因此,在进行高低跨门式刚架的设计时,我们应该根据结构的特点和实际情况,合理确定风荷载体型系数,以提高设计的准确性和可靠性。
同时,还应加强对结构的气动性能和稳定性的研究,为设计提供更准确的依据和指导。
希望通过上述内容,能够让读者对高低跨门式刚架的风荷载体型系数有更全面、深入的了解,为相关工程设计提供参考和指导。
设计人员应根据具体情况灵活运用这些理论和方法,确保结构在风荷载作用下的安全可靠。
同时,也希望相关领域的研究人员能够进一步深化研究,为高低跨门式刚架设计提供更科学、可靠的理论支持。
门式刚架主刚架纵向风荷载输入好啦,今天咱们聊聊门式刚架主刚架的纵向风荷载,听起来有点高大上,其实不就是风对建筑物的影响嘛。
风啊,老朋友了,咱们平时走在大街上,偶尔被风一吹,感觉就像是被外星人抓住了,整个人飘飘然。
可是在建筑的世界里,这风可不是那么简单的玩意儿,它有时候简直就是个“霸王龙”,一来就要把一切都震得抖三抖。
说到风荷载,咱们得知道这玩意儿是怎么来的。
风一吹,空气中的压力就开始“嗡嗡”作响,碰到建筑物的时候,它可不讲道理,直接就来一记重拳。
建筑物上面,尤其是门式刚架的主刚架,哎呀,那可是建筑的脊梁啊,风要是来捣乱,那可是要好好算一笔账的。
想象一下,如果你正在吃个冰淇淋,突然有个大风吹来,把你的冰淇淋全都刮飞了,心里那个“郁闷”啊,简直没法形容。
这时候,设计师们就像是老狐狸一样,得好好考虑这风荷载的问题。
怎么保证这个门式刚架在风的作用下不被吹得东倒西歪呢?他们会用一些计算公式,把风的速度、建筑物的高度、风的方向统统考虑进去,简直就像在解一道高难度的数学题。
每当这时候,风的作用力就像是个调皮的小孩,非得让你想办法稳住场面,不然可就要“翻车”了。
这风荷载并不是只会出现在风大得时候。
就算是在微风拂面的日子,建筑物上依然会受到风的影响,只不过这时候的风就像是温柔的情话,轻轻地撩拨一下,不会让人觉得太过紧张。
不过,万一到了台风季节,那可真是要紧绷着神经了,风简直就像是在打击乐器,啪啪啪啪的,一下子就让你知道什么叫“刮风下雨”。
设计这门式刚架的时候,得考虑得细致入微,不能马虎。
你想啊,要是设计师疏忽大意,结果风一来,整个建筑物就像是喝醉了酒,摇摇晃晃的,那真是让人心惊胆战。
人家说,能扛得住风的建筑,才能屹立不倒。
设计师们总是说,咱们要把每一个细节都做到位,哪怕是个小小的角度,都可能在风的作用下产生巨大的变化,简直是玩命的“精准”。
怎么测量这个风荷载呢?测风的设备可多了,风速计、气压计,甚至还有那些高大上的计算机模拟,真是科技感满满。
轻型门式刚架风荷载分析与抗风措施一、引言介绍轻型门式刚架的应用背景和重要性,并简述本文的研究内容和意义。
二、轻型门式刚架结构分析1.轻型门式刚架结构形式分析2.轻型门式刚架结构受力分析三、风荷载计算1.风荷载标准及规定2.风荷载计算方法3.风荷载数据的采集和分析四、轻型门式刚架风荷载分析1.风荷载作用下的刚架结构响应分析2.刚架结构的稳定性分析3.风荷载作用下的结构变形分析五、抗风措施1.加强刚架结构的稳定性2.采用适当的材料和加强构件3.优化设计方案六、结论与展望总结本文的研究内容和成果,提出未来研究的方向和重点。
一、引言随着现代工业和物流行业的不断发展,轻型门式刚架逐渐成为工业、商业及物流设施中的重要组成部分。
它具有结构强度高、稳定性好,且易于安装等特点,广泛应用于仓库、超市、汽车制造厂等场所。
然而在实际使用过程中,轻型门式刚架也面临着可能遇到的自然灾害等不可控因素的威胁,尤其是对于暴风、暴雨等恶劣天气下的抵抗能力,需要进行充分的考虑和研究。
本文将针对轻型门式刚架风荷载的分析与抗风措施展开相关研究,旨在探究如何提高轻型门式刚架的抗风性能和稳定性,减小风灾因素的影响,为工业、商业及物流设施的建设提供可靠的技术支持。
在此基础上,本文将分别从轻型门式刚架结构分析、风荷载计算、轻型门式刚架风荷载分析和抗风措施四个方面展开研究,以全面掌握轻型门式刚架风荷载问题的核心内容,为下一步工作提供理论基础和参考依据。
在本文的研究中,本着科学、客观、细致和实践的原则,使用了系统的学术方法和实验手段,瞄准轻型门式刚架风荷载的主要问题以及我们需要增强和优化的方面,以保证最终的研究结论具有科学性和实践操作性。
二、轻型门式刚架结构分析轻型门式刚架是以冷轧型钢为主要材料,采用焊接、螺栓连接等工艺加工而成。
其基本组成部分包括上部主梁、下部次梁、立柱、横撑等。
整个结构形式简洁明了,且拥有良好的整体稳定性和耐久性。
在此基础上,本章节将重点介绍轻型门式刚架结构形式和结构受力分析。
全国第二届现代结构学术研讨会论文集工业建筑增刊(2002)抽柱式两跨大跨度门式刚架分析研究李金华米宏广侯晓星(中交第一航务工程勘察设计院天津 300222)提要本文通过对秦皇岛1.8万平方米散装化肥库的设计和工程实践,对国内首次采用的带天皮带机廊道抽柱式、两跨大跨度轻钢门式刚架结构的强度计算和稳定性分析,与托架的联结构造,支撑系统的设置进行了简单介绍,总结了此类轻钢结构的特点和所采取的构造措施,并对此类结构设计提出了方法和建议。
关键词:抽柱式轻钢门式刚架分析一、概述秦皇岛散化肥库系秦皇岛港为满足逐年递增的散化肥接卸储运的要求,形成完整的散化肥接卸储运体系而兴建的目前国内最大容量的散化肥仓库。
本工程于2000年10月进行设计,2001年4月开工,2001年12月竣工投产。
秦皇岛港散装化肥库库房容量为14万吨。
工艺流程为:接卸散化肥时,采用门机抓斗将化肥从船上卸入接卸漏斗,途径皮带运输机和转接塔进入库顶布料皮带机,然后卸入化肥库内储料池中。
出化肥时,采用流动机械和可移动式灌包机在库内灌包。
本工程位于秦皇岛港丙码头11#泊位,平面尺寸为204x77m ,包括库顶皮带机廊道在内,总建筑面积约为1.8万m2.结构采用两跨门式刚架结构。
檐口高为11m ,屋脊处高为29.7m 。
在屋脊处设有突出屋面的皮带机廊道、内设皮带运输机、布料车及操作平台。
外墙采用冷弯薄壁型钢墙梁和带隔热层的彩色压型钢板,屋面采用轻型槽钢檩条和带隔热层的彩色压型钢板。
为方便流动机械作业和化肥堆存要求,抽去了中间柱列的部分柱子,形成了边柱列柱距7m ,中柱列柱距21m 和14m 的抽柱式大跨度钢结构门式刚架结构体系。
边柱采用焊接全国第二届现代结构学术研讨会论文集工业建筑增刊(2002)二、结构特点一般的轻钢门式刚架其跨度为9~36 m ,刚架的高度为4.5~9 m ,屋面的坡度为1/8~1/20,柱距为6~9 m 。
屋面及墙面均采用冷弯薄壁型钢檩条和彩色压型钢板,柱脚一般做成铰接,中间柱做成摇摆柱。
大跨门式钢架轻钢结构脉动风荷载的模拟分析摘要
本文采用ansys有限元软件建立某大跨门式刚架模型,主要采用线性滤波法,忽略了结构的空间相关性,应用计算机仿真软件针对此模型进行水平脉动风荷载的数值模拟,并分析了大跨门式刚架风荷载的分布特点,总结出了:迎风面上各节点的风荷载随着高度的增加其值也在不断的增大,而背风面正好与其相反;背风面上各节点的风荷载值普遍比迎风面上个节点的风荷载值大。
随着高度的增大,两面各节点风荷载的比值在不断缩小,同时为后续的大跨门式刚架结构的风振时程分析提供了参考以及输入荷载。
关键词:大跨门式刚架;脉动风;脉动风荷载模拟;线性滤波法
中图分类号:tu74 文献标识码:a 文章编号:
1 引言
大跨门式刚架结构是柔性体系,具有柔度大、阻尼小等特点,因而对风荷载十分敏感。
近年来,伴随着结构的跨度不断增大,体型日益复杂,风对门式刚架轻型钢结构产生的破坏越来越显著。
国内外很多专家学者对此作了一系列研究并取得了一定成果,但就脉动风荷载作用下轻型门式刚架响应的研究还比较少,门式刚架轻钢结构建筑的风振研究尚未成熟,没有形成完整的理论体系,我国现行规范也未作出任何明确的规定;由于建筑大空间的需要,门式刚架轻钢结构越建越高,跨度越来越大,导致其柔度越来越大,结构
固有周期普遍达到0.5s以上,有的可达1s以上,风振的影响不断增大,风灾造成的破坏也越来越显著。
因此,对大跨门式刚架轻钢结构风荷载特点的研究具有非常重要的意义。
2 风荷载的特点
在风的顺风时程曲线中,一般包含两种成分:一种是长周期部分,其值常在10分钟以上;另一种是短周期成分,常仅有几秒钟左右。
根据上述两种成份,实际上常把风分为平均风(即稳定风)和脉动风(常称为阵风脉动)来加以分析。
平均风是在给定的时间间隔内,把风对建筑物的作用力的速度、方向以及其他物理量都看成不随时间而改变的量,考虑到风的长周期大大地大于一般结构的自振周期,因而其作用性质相当于静力。
脉动风是由于风的不规则性引起的,他的强度是随时间按随机规律变化的。
由于它周期较短,因而其作用性质是动力的,引起结构的振动[1]。
作用于结构上任意高度处的风速可以表示为平均风速和脉动风速之和。
风的模拟主要是针对脉动风而言。
时域内脉动风荷载的分析,就是用随机过程模拟的方法得到脉动风速时程或脉动风压时程,本文采用线性滤波法模拟风荷载。
3 风荷载的模拟
根据风的记录,脉动风可作为高斯过程及平稳随机过程来考虑
[2]。
3.1 线性滤波法(ar法)模拟风谱
现在在风工程界广泛承认的顺风向水平脉动风速谱为
davenport谱,也是我国规范所采用的风速谱。
它假设紊流尺度沿高度不变,谱密度函数为
,(1)(2)
式中,k为地面粗糙度系数;为10m高度处平均风速。
为脉动风频率,x为湍流积分尺度系数。
研究表明,低阶的ar模型即可较好地模拟随机过程。
采用p阶自回归模型,即过程当前时刻的值与其前p个时刻的值线性相关,因为只考虑高度方向的相关性,所以可表示为:
式中,是空间第点坐标,;为ar模型阶数;是模拟风速时程的时间步长;为ar模型自回归系数矩阵为阶方阵,,为独立随机过程向量。
以上所述是脉动风速谱的模拟,由于研究和实际工程计算需要,很多情况下要用到脉动风压谱,于是根据脉动风压功率谱的定义和wiener-khintchine定理,可以得到脉动风压的功率谱为: (3)(4)
式中:为脉动风压的功率谱函数;为空气质量密度;为 z高度处的风速,;为z高度处的风压值,其他符号意义同公式(1)。
这样通过脉动风压功率谱就可以模拟z高度处的脉动风压时程曲线,则通过下式就可以得到脉动风荷载时程。
式中:、、分别为处的风荷载体型系数、迎风面积和脉动风压[3]。
3.2 算例模拟
在ansys环境中建立跨度为30米,高度为9米的某大跨门式刚
架结构模型(如图1),根据上述理论,忽略结构的空间相关性,采用matlab软件模拟沈阳地区大跨门式刚架厂房结构风荷载,平均风速25m/s,地面粗糙度系数为0.00215,大气密度ρ=1/820,取n=2048,时间为200s,时间间隔为1s.对模型上各个节点的风荷载时程进行模拟,得到各节点风荷载时程,如图1~2。
图1迎风柱风荷载时程曲线图图2 背风柱风荷载时程曲线图图1和图2是结构门式刚架结构迎风柱和背风柱上的节点的风荷载时程图,图中表明:两侧刚架柱最大正风荷载值都出现在第50s 左右,而负风荷载最大值则出现在18s左右;在第60s以后风荷载变化频率较大,波动剧烈。
这是因为:结构在风荷载作用的初期,受风荷载的影响较小,随着风荷载对结构的持续作用,其受风荷载的影响逐渐加大。
但由于脉动风荷载大小的不确定性,结构受到的影响也出现波动变化,时间越长变化越剧烈。
4 结论
本文采用时间序列分析中广泛应用的ar模型,忽略了结构的空间相关性,模拟某大跨门式钢架的水平脉动风速时程,进而模拟出了脉动风的风压时程和风荷载时程。
通过对各节点的风荷载的比较,可以得出:
1)处于迎风面上各节点的风荷载随着高度的增加其值也在不断的增大,而背风面正好与其相反;将迎风面上各节点与背风面相同高度处的各节点相比较,则背风面的风荷载要比迎风面的风荷载大,变化幅度也交前者大;
2)随着高度的增加,迎风面和背风面风荷载的比值也在逐渐缩小,即迎风面与背风面的荷载越接近
本文得到结构脉动风荷载时程将作为结构的输入荷载,即可对结构进行时域内的动力分析,为大跨门式刚架的风振时程分析提供了参考和输入荷载。
参考文献
[1] 张相庭.结构风压和风振计算[m].上海:同济大学出版社,1985.
[2] 王之宏.风荷载的模拟研究[j].建筑结构学报,1994,15(1).
[3] 阎石,郑伟.简谐波叠加法模拟风谱[j].沈阳建筑大学学报,vol.21,no.1。