现场施工升降机维修保养、检查记录表格模板
- 格式:pdf
- 大小:40.68 KB
- 文档页数:3
施工升降机每日安全检查运行记录表日期:xxxx年xx月xx日
设备名称:施工升降机
设备编号:xxxx
使用人员:xxx
一、安全阀和限位安全机构
1.安全阀和限位安全机构是否完好无损?
2.限位开关是否可靠正常?
3.手动降落装置是否正常?
二、绳索和外壳
1.绳索是否有裂纹、腐蚀、变型、扭结等现象?
2.绳索张力是否正常?
3.外壳是否完整无裂缝?
4.外壳上是否存在突起、划痕等不规则坑洼?
三、电气
1.工作状态下是否存在漏电或过载?
2.运行提示或警报是否正常?
3.是否存在短路等电路故障?
四、液压
1.电动泵组是否正常?
2.液压油是否按规定更换和加注?
3.液压系统工作是否正常?
五、机械
1.设备是否有松动或磨损现象?
2.是否存在异常响声或震动?
3.滑轮是否清洁并润滑良好?
六、其他
1.操作台、护栏和防风膜是否完好无损?
2.设备运行是否顺畅?
3.是否存在渗漏现象?
使用人员签名:xxx
备注:如发现异常情况,应停止使用并报告有关部门进行检修维护。
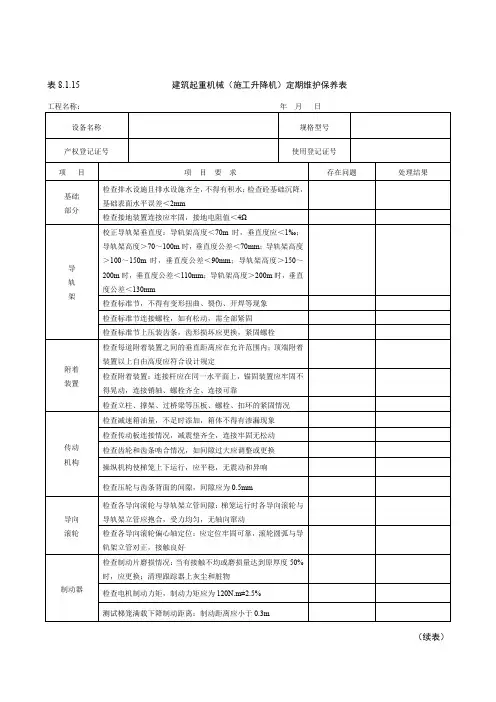
建筑施工起重机械(塔式起重机)日常维护保养表工程名称:年月设备名称规格型号使用登记证号操作工项目项目要求维护保养日期1 2 3 4 5 6 7 8 9 10 11 12 13 14 15 16 17 18 19 20 21 22 23 24 25 26 27 28 29 30 31润滑应加足各黄油嘴油量检查各减速机构无漏油现象金属结构检查基础及结构螺栓无松动变形检查销轴固定销或板应牢固可靠检查受力杆件应无变形、裂纹检查受力杆件焊缝是否开裂工作机构开动各机构工作应平稳无震动制动灵敏,制动带磨损应<50%钢丝绳检查各机构钢丝绳固定是否牢固,排列是否整齐各机构钢丝绳无断股、锈蚀、变形,断丝未达到相应报废标准防护装置力矩限制器工作灵敏可靠起重量限制器工作灵敏可靠各限位开关工作灵敏可靠吊钩保险卡、小车止挡器应完好电气连接电缆电气元件牢固,无破损开关箱内隔离开关、漏保器完好填写说明1、以上各项由操作人员班前或班后进行2、以上项目完好打“√”,不合格打“△”3、本表于每月底,操作人员应报项目部签证操作工(签字):项目部机械管理员(签字):建筑施工起重机械(施工升降机)日常维护保养表工程名称:年月设备名称规格型号使用登记证号操作工项目项目要求维护保养日期1 2 3 4 5 6 7 8 9 10 11 12 13 14 15 16 17 18 19 20 21 22 23 24 25 26 27 28 29 30 31润滑检查齿条、导架立柱管、对重导轨等部位润滑状况,不足时补充加注吊笼门、围栏门、门对重滑道和滑轮等部位润滑油脂金属结构检查基础及结构螺栓无松动变形检查标准节杆件是否变形和裂纹检查附墙架连接是否牢固工作机构吊笼升降运行应平稳,无震动检查吊笼制动滑行距离应<0.3m 检查吊笼和对重通道内应无障碍物检查滚轮、传动齿轮的磨损情况钢丝绳检查钢丝绳的绳夹是否夹紧检查钢丝绳是否有断丝、变形安全防护装置检查围栏和吊笼门的机电联锁装置工作是否灵敏、可靠检查上、下限位开关和三相极限位开关工作是否灵敏、可靠检查导架上限位挡板、挡块是否牢固,位置是否符合规范要求楼层通道口平台、防护门是否有效电气连接电缆电气元件牢固,无破损开关箱内隔离开关、漏保器完好填写说明1、以上各项由操作人员班前或班后进行2、检查项目完好打“√”,不合格打“△”3、本表于每月底,操作人员应报项目部签证操作工(签字):项目部机械管理员(签字):建筑施工起重机械(物料提升机)日常维护保养表工程名称:年月设备名称规格型号使用登记证号操作工项目项目要求维护保养日期1 2 3 4 5 6 7 8 9 10 11 12 13 14 15 16 17 18 19 20 21 22 23 24 25 26 27 28 29 30 31润滑加注吊笼门、围栏门、吊笼运行滑道和滑轮等部位润滑油脂金属结构检查基础及结构螺栓无松动变形检查架体各杆件是否变形和裂纹检查附墙架、缆风连接是否牢固卷扬机构吊笼升降运行应平稳,无震动检查制动带是否清洁,制动是否可靠检查机座固定是否牢固可靠检查卷筒架、联轴器螺栓是否松动钢丝绳检查钢丝绳的绳夹是否夹紧检查钢丝绳是否有断丝、磨损、变形检查钢丝绳排列是否整齐安全防护装置检查吊篮安全停靠装置是否灵敏检查吊篮防断绳装置是否灵敏检查上、下限位开关是否灵敏检查进料口安全门、吊篮防护门是否齐全,开启闭合是否灵敏楼层通道口平台、防护门是否有效电气连接电缆电气元件牢固,无破损开关箱内隔离开关、漏保器完好填写说明1.以上各项由操作人员班前或班后进行2.检查项目完好打“√”,不合格打“△”3.本表于每月底,操作人员应报项目部签证操作工(签字):项目部机械管理员(签字):建筑施工起重机械(塔机)定期维护保养表工程名称:年月日设备名称规格型号产权登记证号使用登记证号项目项目要求存在问题处理结果基础部分检查排水设施且排水设施齐全,不得有积水;检查砼基础沉降,基础表面水平误差<2mm检查螺栓连接应牢固无松动、变形,螺母、垫齐全检查接地装置连接应牢固,接地电阻值<4Ω金属结构应调直和校正主要结构:自由垂直度<4‰附着状态下顶端附着结构以上垂直度应<2‰检查主要受力结构杆件,不得有变形扭曲现象检查所有结构杆件,不得有裂伤开焊现象检查扶梯、护栏、护圈等支承零件和紧固件检查标准节及其他主要结构连接螺栓:应母垫齐全、紧固力矩满足要求,螺栓无变形和其他缺陷检查销轴连接情况:销孔配合适当,无松旷、变形、裂伤;销轴端固定可靠,固定销或开口销无锈蚀损伤滑轮检查所有滑轮磨损情况:应无裂纹,轮缘无破损,轮槽壁厚磨损达20%或槽底磨损达钢丝绳直径的25%应报废检查所有滑轮转动应灵活,无卡阻或松旷现象检查所有滑轮润滑油:黄油嘴齐全、黄油充足工作机构检查起升、回转、运行等机构的减速箱油量,不足时添加,箱体不得有渗漏现象检查起升机构固定支架连接,支架无变形,连接牢固无松动,连轴器无松旷和损伤现象检查起升机构卷筒防脱筒装置,应齐全无变形检查其他工作机构运行应平稳,无震动和异响制动器制动器弹簧、拉杆、销轴和开口销等应齐全、无损,闭合开启无卡阻,拉杆行程和制动间隙0.3~0.5mm检查制动片磨损情况:当有接触不均或磨损量达到原厚度50%的应更换附着装置检查每道附着装置之间的垂直距离应在允许范围内;顶端附着装置以上自由高度应符合设计规定检查附着装置:连接杆应在同一水平面上,锚固装置应牢固不得晃动,连接销轴、螺栓齐全、连接可靠项目项目要求存在问题处理结果钢丝绳钢丝绳缠绕排列应整齐,长度满足使用要求钢丝绳锈蚀严重、断股、打死结、严重变形或一个捻距内断丝数达到规定的报废标准更换检查钢丝绳固定:绳卡螺母应拧紧,数量为3只及以上安全装置检查力矩限制器装置:金属结构完好,无变形和锈蚀;电气开关工作灵敏可靠检查起重量限制器:金属结构完好,无变形和锈蚀;电气开关工作灵敏可靠检查高、低度限位器:电气开关工作灵敏、可靠检查行程限位器:电气开关工作灵敏、可靠检查吊钩保险卡应完好可靠,吊钩无变形检查变幅小车缓冲挡车装置:应齐全可靠电气设备检查控制器、接触器:清除黑灰和铜屑;更换或修复触点以及工作不良的电气元件,添配残缺的电气件清除电气上尘土,紧固接线端子、电气元件连接线检查电阻器:清除电阻片上积灰和脏物,更换损坏电阻片和绝缘垫,紧固螺栓;检查电缆、导线绝缘情况检查联动台和各种开关:操纵手柄应灵活,各种按钮、推钮应触发灵敏,线路绝缘良好,警铃、指示灯齐全检查开关箱内隔离开关、漏保器是否齐全完好液压系统检查液压油型号是否符合季节要求,油质是否清洁,油量是否充足;检查液压系统是否达到本机规定的压力值检查液压系统各操纵阀、控制阀、管路接头是否渗漏、动作是否灵活可靠,液压系统工作是否有异响维保单位(部门)验收意见维保人(签字):(盖章)维保单位(部门)负责人(签字):年月日使用单位意见机械管理员(签字):年月日说明1、维保工作由安装单位承担时,验收工作应由安装单位主管技术人员进行验收,并加盖本单位公章;使用单位自行进行维保时,验收工作应由本单位相关部门负责人组织验收。
施工升降机检查表为确保施工升降机的正常使用和运行安全,需要制定施工升降机的定期检查表,及时进行检查和维修。
检查项目施工升降机的检查项目主要包括:1.外观检查2.驾驶室检查3.操作台检查4.电器检查5.润滑与冷却系统检查6.悬挂道路检查7.悬挂蓝色牌照检查8.紧急制动器检查9.监控系统检查10.安全门检查1. 外观检查施工升降机外观检查主要包括检查机器的主体、钢丝绳、起重机钢丝绳的弯曲和弯轮滚筒的磨损是否严重,以及伸缩机构、电器系统和减震器的情况等等。
2. 驾驶室检查施工升降机的驾驶室检查主要包括检查驾驶室车窗、车门和车顶密封等活动部件是否损坏,以及驾驶室内各种指示灯,刹车灯,行驶灯等等是否处于正常工作状态。
3. 操作台检查施工升降机的操作台检查主要包括检查升降机操作台的各个按钮、开关是否正常,以及操作杆、脚踏板是否正常等等。
4. 电器检查施工升降机的电器检查主要包括检查升降机的电源线、开关箱等是否正常,以及电动机、开关机和其他电气元件是否正常。
电器系统应定期检查和维修,并在更换或维修后进行测试,以确保安全。
5. 润滑与冷却系统检查施工升降机的润滑与冷却系统检查主要包括检查油箱、液压泵、油管、油过滤器、冷却器等是否正常,以及检查润滑系统是否滴漏、升降机制动器、制动器磁铁和紧急制动器等是否正常。
6. 悬挂道路检查施工升降机的悬挂道路检查主要包括检查悬挂道路、支架、悬挂钢丝绳和附着件是否正常,以及检查坡度、高度限制和其他悬挂道路的使用条件等等。
7. 悬挂蓝色牌照检查施工升降机的悬挂蓝色牌照检查主要包括检查悬挂蓝色牌照的有效期和编号是否与施工升降机相符,以及检查悬挂蓝色牌照是否在机器上清晰可见。
8. 紧急制动器检查施工升降机的紧急制动器检查主要包括检查制动器是否能够正常工作,以及检查制动器的磁性是否正常。
9. 监控系统检查施工升降机的监控系统检查主要包括检查监控系统是否正常工作,以及检查相应部件的灰、白或黑色长短是否正常。
施工升降机检查评分表施工升降机1施工升降机检查评定应符合现行国家标准《施工升降机安全规程》GB 10055和现行行业标准《建筑施工升降机安装、使用、拆卸安全技术规程》JGJ 215的规定。
2施工升降机检查评定保证项目应包括:安全装置、限位装置、防护设施、附墙架、钢丝绳、滑轮与对重、安拆、验收与使用。
一般项目应包括:导轨架、基础、电气安全、通信装置。
3 施工升降机保证项目的检查评定应符合下列规定:3.1 安全装置1)应安装起重量限制器,并应灵敏可靠;2)应安装渐进式防坠安全器并应灵敏可靠,应在有效的标定期内使用;3)对重钢丝绳应安装防松绳装置,并应灵敏可靠;4)吊笼的控制装置应安装非自动复位型的急停开关,任何时候均可切断控制电路停止吊笼运行;5)底架应安装吊笼和对重缓冲器,缓冲器应符合规范要求;6)SC型施工升降机应安装一对以上安全钩。
3.2 限位装置1)应安装非自动复位型极限开关并应灵敏可靠;2)应安装自动复位型上、下限位开关并应灵敏可靠,上、下限位开关安装位置应符合规范要求;3)上极限开关与上限位开关之间的安全越程不应小于0.15m ;4)极限开关、限位开关应设置独立的触发元件;5)吊笼门应安装机电联锁装置并应灵敏可靠;6)吊笼顶窗应安装电气安全开关并应灵敏可靠。
3.3 防护设施1)吊笼和对重升降通道周围应安装地面防护围栏,防护围栏的安装高度、强度应符合规范要求,围栏门应安装机电联锁装置并应灵敏可靠;2)地面出入通道防护棚的搭设应符合规范要求;3)停层平台两侧应设置防护栏杆、挡脚板,平台脚手板应铺满、铺平;4)层门安装高度、强度应符合规范要求,并应定型化。
3.4 附墙架1)附墙架应采用配套标准产品,当附墙架不能满足施工现场要求时,应对附墙架另行设计,附墙架的设计应满足构件刚度、强度、稳定性等要求,制作应满足设计要求;2)附墙架与建筑结构连接方式、角度应符合产品说明书要求;3)附墙架间距、最高附着点以上导轨架的自由高度应符合产品说明书要求。
施工升降机维修保养记录表工程名称施工单位设备编号设备型号施工地点日期额定载重量2t额定人数12 人导轨对墙距离 2 米额定载重量2t额定人数12 人导轨对墙距离 2 米项目内容要求结果备注主要焊缝不允许存在开焊等缺陷主要受力构件应无扭曲和弯曲,不得有严格腐蚀现象螺栓连接不能松动,不得大缺陷销轴、螺栓、螺帽的螺纹等表面不得严重腐蚀金属结构导轨安装垂直度应符合以下规定高度( m) 2%合格 100-150150-200偏差值90110导轨对接应平直,相互错位形成的阶差≦标准节省额定齿节上的齿条连接应牢固,对接平整准确司机室与悬挂或支撑部分的连接必须牢固司机室司机室应有门锁、灭火器及电铃或报警器人货两用电梯的吊笼应有围栏,安装牢固吊笼吊笼顶部设有门有电气、机械联锁装置吊笼内应有足够的照明绳端固定应牢固,用绳卡连接时绳卡数量不少于3 个钢丝绳钢丝绳在卷筒上的余留安全圈数应不少于 2 圈断丝数达到报废的界限应及时报废,无变形直径减少量大于公称直接的 70%时应报废各传动部门的连接可靠,螺栓无松动,无漏油无断齿,齿合磨损不超标,轮槽磨损厚度20%时传动系统报废制动器安全可靠、制动臂顶杆、弹簧等零件无变形,间隙调整合理吊笼对重底部应设有缓冲器缓冲装置当吊笼停在全部被压缩的缓冲器上时,对重上面的自由行程≧附墙架与相邻的建筑物附着时,对重上面的自己有行程≧ 20%时报废升降机传动部件与建筑物上的固定设施之间的安安全保护全距离≧限速器动作可靠、限速器制动距离为限位开关动作和切断控制电路、吊笼停止运动,开关应手动复位电梯应有 PE保护并重复接地,接地电阻≦Ω接地绝缘主架线路和控制回路绝缘电阻≧Ω租赁单位:安装单位:负责人:年月日年月日使用单位:监理单位:负责人:负责人:年月日年月日。