施工升降机检查记录表
- 格式:doc
- 大小:95.00 KB
- 文档页数:2
施工升降机安全检查记录表施工升降机是现代建筑施工最常用设备之一,为了确保施工升降机的安全运行,必须定期进行安全检查,记录检查结果,并做出相应的处理。
下面是一份施工升降机安全检查记录表,以供参考。
施工升降机安全检查记录表检查项目:施工升降机检查单位:检查日期:检查结果:序号检查项目检查内容检查结果备注1 车体和箱壳 1.外观有无损坏 2.车体和箱壳是否有变形、开裂、漏油、漏水等现象。
√2 电气系统 1.有无松动的电缆、水印、硬伤等现象。
2.遥控箱、开关等控制设备是否安装牢固。
√3 限位装置 1.到达限位后是否自动停止。
2.防止超重运行的限重保护装置是否工作。
√4 防坠落装置 1.导轨、脚手架等防止坠落的装置是否牢固。
2.防止坠落装置是否准确工作。
√5 制动装置 1.刹车装置是否松动、老化。
2.制动效果是否准确。
√6 安全门和扶手 1.有无损坏、变形现象。
2.维修通道旁边是否设置扶手。
√7 调度器和悬空装置 1.有无松动、老化等现象。
2.悬空时是否先给车体上锁。
√8 火灾安全 1.灭火器、消防栓是否齐全,并能够正常使用。
2.喷淋系统是否正常。
√9 工地安全 1.施工升降机周围是否有障碍物。
2.是否设置警示标志等安全提示。
√10 操作员 1.操作员是否熟悉操作规程。
2.是否经过培训和鉴定。
√检查结论:经检查,施工升降机安全装置设备齐全,防坠落、限位、制动等安全装置均能准确工作,车体和箱壳完好,操作员经过鉴定具有操作资质。
但如有发现问题,请立即停用并报告相关人员处理。
处理结果:如有问题,需要立即停用并通知相关部门进行处理。
同时,需要制定具体的处理方案,并严格按照规定进行维修、更换等工作。
更新施工升降机安全检查记录表,并保留至少三年备查。
施工升降机每日安全检查、运行记录表为保障施工升降机的正常运行及使用安全,特制定此每日安全检查、运行记录表,要求每日检查记录并于当日班内交由工长签字确认。
1. 工程名称及位置1.1 工程名称(在此处填写)1.2 工程位置(在此处填写)2. 检查内容2.1 升降机的外观和周边环境•升降机的外观是否完整,有无破损或腐蚀现象;•升降机周边的安全区域是否符合安全要求,如有障碍物需及时清除;•升降机们周围是否设有警戒线,是否能够起到有效的警示作用。
2.2 升降机的主要部件•升降机的驾驶室门是否完整且紧固;•升降机的防坠安全装置是否完好、灵活;•升降机的升降速度是否正常;•升降机的安全扣具是否正常,重量传感是否灵敏。
2.3 升降机的液力系统•液力油箱和油管是否有渗漏现象;•液力系统关键部件的润滑是否正常;•升降机的液压油是否需要更换。
2.4 升降机的电气系统•电气箱和接线是否完好,有无电气渗漏;•操作按键是否灵活,是否需要清理;•电动机是否正常运转,有无异常响声;•随机设备的电缆接线等是否正常。
2.5 升降机的保护措施•升降机的限位开关是否灵活可靠;•升降机的紧急制动系统是否正常;•升降机的行驶部件是否有异响或振动现象。
3. 检查人员- 检查人员:(在此处填写)- 检查日期:(在此处填写)4. 签字确认- 工长签字:(在此处填写)- 签字日期:(在此处填写)5. 注意事项•检查时要开机调试,确保升降机可正常运行;•检查记录应及时、准确填写,真实反映升降机使用情况;•发现问题及时上报,及时整改,杜绝安全事故的发生。
施工升降机每日安全检查运行记录表日期:xxxx年xx月xx日
设备名称:施工升降机
设备编号:xxxx
使用人员:xxx
一、安全阀和限位安全机构
1.安全阀和限位安全机构是否完好无损?
2.限位开关是否可靠正常?
3.手动降落装置是否正常?
二、绳索和外壳
1.绳索是否有裂纹、腐蚀、变型、扭结等现象?
2.绳索张力是否正常?
3.外壳是否完整无裂缝?
4.外壳上是否存在突起、划痕等不规则坑洼?
三、电气
1.工作状态下是否存在漏电或过载?
2.运行提示或警报是否正常?
3.是否存在短路等电路故障?
四、液压
1.电动泵组是否正常?
2.液压油是否按规定更换和加注?
3.液压系统工作是否正常?
五、机械
1.设备是否有松动或磨损现象?
2.是否存在异常响声或震动?
3.滑轮是否清洁并润滑良好?
六、其他
1.操作台、护栏和防风膜是否完好无损?
2.设备运行是否顺畅?
3.是否存在渗漏现象?
使用人员签名:xxx
备注:如发现异常情况,应停止使用并报告有关部门进行检修维护。
施工升降机每日安全检查、运行记录表一、安全检查1. 检查车辆外观及结构1.车架、梯架、轮胎是否完整、无裂纹、正常工作2.主要钢构件是否有锈蚀、裂纹、破损等情况3.车窗、车门是否完好4.是否安装有手扶梯及其他必要的装置2. 检查电气系统1.电气控制器和电缆是否完好2.操作台和按钮是否灵活、有明显磨损、故障3.操作台显示屏是否正常、有无故障3. 检查升降机结构1.平台、扶手和门是否稳定、无损坏、裂纹和变形2.边缘保护和踏板是否完好,防止人员滑落和打滑3.升降机的传动机构是否运转正常、有无松动4. 检查安全保护装置1.超速保护、位置开关和紧急停车装置是否正常2.安全制动装置是否灵活、可靠,能在必要时立即刹车3.超载保护装置是否正常,能及时侦测超载状态并切断电源二、运行记录日期开始时间结束时间运行时间(小时)运行情况2022/1/1 09:00 12:00 3 正常运行2022/1/2 13:00 16:00 3 正常运行2022/1/3 09:00 12:00 3 正常运行2022/1/4 08:30 11:30 3 出现故障故障情况故障说明:升降机在运行过程中突然停止,操作台显示错误代码 E1。
解决方法:工作人员检查发现电缆死结,及时修理解决。
安全事故记录无。
三、其他事项1.制定并落实施工升降机安全管理规定,确保车辆每天经过检查和维护合格后方可投入使用;2.依据使用情况和维护记录,进行定期维护和检修;3.不得私自拆卸或改装升降机,如需保养或修整应安排专业维修人员进行;4.升降机使用过程中,严禁在操作台内饮食、抽烟及乱扔杂物;严禁随意擅自停机,如需停机应在停机平台进行,不得在半空中停留或停车时稍作休息。
以上记录由使用人员进行填写,经整理后上报施工升降机管理负责人进行审核,确保每日安全检查和运行记录准确无误,并保存一年以上。
#施工升降机每日安全检查运行记录表一、检查日期:填写每日检查的具体日期,格式为:年-月-日。
二、检查内容:根据检查事项,依次填写检查结果。
检查事项检查结果1. 平台、扶手及组装框架平台表面是否平整,有否隆起、裂痕、变形现象扶手、栏杆、门是否稳固组装框架是否完好、稳固2. 操作台操作台、按钮、手柄是否设备齐全、完好无损、定位准确操作台及按钮是否存在电线路松动、短路、接触不好等危险3. 紧急停车装置紧急停车按钮是否能及时切断电源4. 限位装置限位装置是否正常工作5. 地面安全装置地面安全装置是否能及时切断电源检查事项检查结果6. 钢丝绳及卷筒轮钢丝绳是否有严重磨损或者其他问题卷筒轮是否正常运转7. 刹车装置刹车装置是否运行正常刹车蹄片是否归位并紧压卷筒轮8. 电动机电动机是否正常工作整机电流是否满载其他情况三、维护情况:记录维护的情况。
维护/日检情况润滑情况紧固情况其他情况四、处理情况:若发现问题,需记录处理情况。
单号内容问题类型处理结果1钢丝绳磨损维修更换钢丝绳五、故障记录:记录每笔故障情况,可用于设备性能质量评估。
序号故障日期故障原因处理情况维修人员12022-01-01钢丝绳过度磨损更换钢丝绳王师傅六、检查人员:记录检查人员姓名。
检查人员姓名七、审批人员:记录审批人员姓名。
审批人员姓名以上为施工升降机每日安全检查运行记录表,填写时应认真记录,并及时处理发现的问题,确保施工升降机的正常运行,维护施工安全,避免发生事故。
注意:本文为虚拟文档,所有姓名、日期等均是虚拟数据,请勿使用于实际情况。
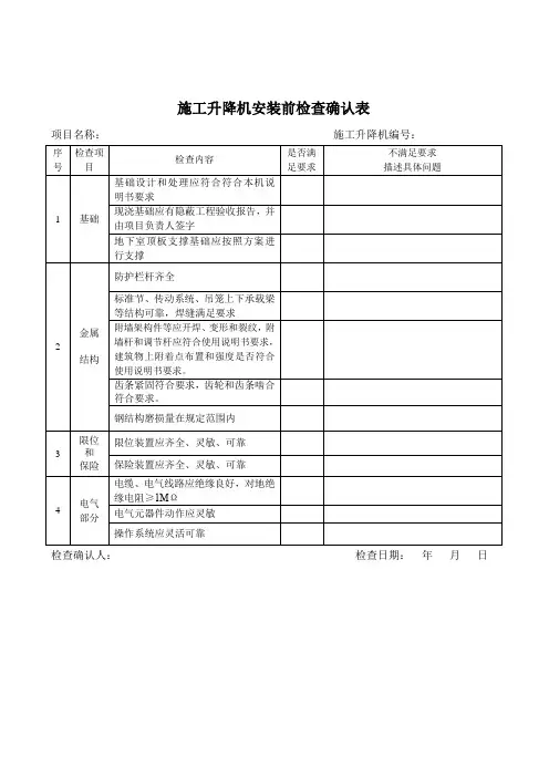
施工升降机1 施工升降机检查评定应符合现行国家标准《施工升降机安全规程》GB 10055和现行行业标准《建筑施工升降机安装、使用、拆卸安全技术规程》JGJ 215的规定。
2 施工升降机检查评定保证项目应包括:安全装置、限位装置、防护设施、附墙架、钢丝绳、滑轮与对重、安拆、验收与使用。
一般项目应包括:导轨架、基础、电气安全、通信装置。
3 施工升降机保证项目的检查评定应符合下列规定:3.1安全装置1)应安装起重量限制器,并应灵敏可靠;2)应安装渐进式防坠安全器并应灵敏可靠,应在有效的标定期内使用;3)对重钢丝绳应安装防松绳装置,并应灵敏可靠;4)吊笼的控制装置应安装非自动复位型的急停开关,任何时候均可切断控制电路停止吊笼运行;5)底架应安装吊笼和对重缓冲器,缓冲器应符合规范要求;6)SC型施工升降机应安装一对以上安全钩。
3.2限位装置1)应安装非自动复位型极限开关并应灵敏可靠;2)应安装自动复位型上、下限位开关并应灵敏可靠,上、下限位开关安装位置应符合规范要求;3)上极限开关与上限位开关之间的安全越程不应小于0.15m;4)极限开关、限位开关应设置独立的触发元件;5)吊笼门应安装机电联锁装置并应灵敏可靠;6)吊笼顶窗应安装电气安全开关并应灵敏可靠。
3.3防护设施1)吊笼和对重升降通道周围应安装地面防护围栏,防护围栏的安装高度、强度应符合规范要求,围栏门应安装机电联锁装置并应灵敏可靠;2)地面出入通道防护棚的搭设应符合规范要求;3)停层平台两侧应设置防护栏杆、挡脚板,平台脚手板应铺满、铺平;4)层门安装高度、强度应符合规范要求,并应定型化。
3.4附墙架1)附墙架应采用配套标准产品,当附墙架不能满足施工现场要求时,应对附墙架另行设计,附墙架的设计应满足构件刚度、强度、稳定性等要求,制作应满足设计要求;2)附墙架与建筑结构连接方式、角度应符合产品说明书要求;3)附墙架间距、最高附着点以上导轨架的自由高度应符合产品说明书要求。
施工升降机1 施工升降机检查评定应符合现行国家标准《施工升降机安全规程》GB 10055和现行行业标准《建筑施工升降机安装、使用、拆卸安全技术规程》JGJ 215的规定。
2 施工升降机检查评定保证项目应包括:安全装置、限位装置、防护设施、附墙架、钢丝绳、滑轮与对重、安拆、验收与使用。
一般项目应包括:导轨架、基础、电气安全、通信装置.3 施工升降机保证项目的检查评定应符合下列规定:3。
1安全装置1)应安装起重量限制器,并应灵敏可靠;2)应安装渐进式防坠安全器并应灵敏可靠,应在有效的标定期内使用;3)对重钢丝绳应安装防松绳装置,并应灵敏可靠;4)吊笼的控制装置应安装非自动复位型的急停开关,任何时候均可切断控制电路停止吊笼运行;5)底架应安装吊笼和对重缓冲器,缓冲器应符合规范要求;6)SC型施工升降机应安装一对以上安全钩。
3.2限位装置1)应安装非自动复位型极限开关并应灵敏可靠;2)应安装自动复位型上、下限位开关并应灵敏可靠,上、下限位开关安装位置应符合规范要求;3)上极限开关与上限位开关之间的安全越程不应小于0.15m;4)极限开关、限位开关应设置独立的触发元件;5)吊笼门应安装机电联锁装置并应灵敏可靠;6)吊笼顶窗应安装电气安全开关并应灵敏可靠。
3.3防护设施1)吊笼和对重升降通道周围应安装地面防护围栏,防护围栏的安装高度、强度应符合规范要求,围栏门应安装机电联锁装置并应灵敏可靠;2)地面出入通道防护棚的搭设应符合规范要求;3)停层平台两侧应设置防护栏杆、挡脚板,平台脚手板应铺满、铺平;4)层门安装高度、强度应符合规范要求,并应定型化。
3。
4附墙架1)附墙架应采用配套标准产品,当附墙架不能满足施工现场要求时,应对附墙架另行设计,附墙架的设计应满足构件刚度、强度、稳定性等要求,制作应满足设计要求;2)附墙架与建筑结构连接方式、角度应符合产品说明书要求;3)附墙架间距、最高附着点以上导轨架的自由高度应符合产品说明书要求。
施工升降机安全检查记录表检查日期:检查人员:检查对象:机械部分•☐操作按钮是否灵敏可靠,按钮是否标识正常。
•☐限位开关是否灵敏,上行、下行、绳架限位、顶升限位是否准确。
•☐所有安全钩、保险绳、垂直安全气囊是否完好。
•☐机房内是否通风、良好,空调、照明是否正常。
•☐线路、电缆、接线盒是否整齐、安装良好。
•☐操作箱、接口插座、由动机都要接地保护。
•☐检查整个机器外观,是否表面清洁光洁,配电箱门锁是否正常。
操作部分•☐操作员是否持证上岗,证件是否到期。
•☐操作员是否熟悉操作规程。
•☐操作员是否懂得机械的常识和维修保养方法。
•☐操作员是否具有应急处置技能。
现场环境•☐安装位置是否稳固,有无倾斜、松动、渗漏。
•☐现场环境是否整洁,渣土、垃圾等可燃物是否及时清除。
•☐施工现场是否围好栏杆、提供安全警示标志。
•☐升降机能否正常行驶,有无碰撞阻塞情况。
安全措施•☐操作员是否正确使用安全带。
•☐施工现场是否配备灭火器等消防设施。
•☐施工现场是否设有安全警示标志。
•☐安全带是否经常检查更换,有无年限限制。
检查结果机械部分•☐操作按钮灵敏可靠,按钮标识正常。
•☐限位开关灵敏,上下行、绳架限位、顶升限位准确。
•☐所有安全钩、保险绳、垂直安全气囊完好。
•☐机房内通风良好,空调、照明正常。
•☐线路、电缆、接线盒整齐、安装良好。
•☐操作箱、接口插座、由动机都接地保护。
•☐机器外观表面清洁光洁,配电箱门锁正常。
操作部分•☐操作员持证上岗,证件未到期。
•☐操作员熟悉操作规程。
•☐操作员懂得机械的常识和维修保养方法。
•☐操作员具有应急处置技能。
现场环境•☐安装位置稳固,无倾斜、松动、渗漏。
•☐现场环境整洁,渣土、垃圾等可燃物及时清除。
•☐施工现场围好栏杆,提供安全警示标志。
•☐升降机正常行驶,无碰撞阻塞情况。
安全措施•☐操作员正确使用安全带。
•☐施工现场配备灭火器等消防设施。
•☐施工现场设有安全警示标志。
•☐安全带经常检查更换,未超过年限。