己二腈安全生产要点(正式)
- 格式:docx
- 大小:33.55 KB
- 文档页数:4
己二腈生产技术进展及展望一、本文概述己二腈,作为一种重要的有机化工原料,广泛应用于尼龙66纤维和工程塑料的生产中,对现代化工产业的发展具有深远的影响。
随着全球经济的持续增长和人们对高品质生活需求的提升,己二腈的市场需求也在逐年增长。
因此,对己二腈生产技术的持续研究与创新显得尤为重要。
本文旨在全面梳理和分析己二腈生产技术的历史进展、现状以及未来发展趋势。
我们将从生产工艺、催化剂研究、反应机理、设备优化等多个角度,深入探讨己二腈生产技术的核心问题和关键挑战。
本文还将对新一代环保、高效、低成本的己二腈生产技术进行展望,以期为未来己二腈产业的发展提供有益参考。
通过本文的阐述,我们期望能够增进对己二腈生产技术的理解,推动相关领域的科研创新,并为相关企业和研究机构提供决策支持和技术指导。
我们也期待通过分享国际先进技术和经验,推动全球己二腈产业的可持续发展。
二、己二腈的生产技术进展己二腈(ADN)作为一种重要的有机化工原料,广泛应用于尼龙66纤维和工程塑料的生产。
近年来,随着全球对高品质尼龙产品的需求不断增长,己二腈的生产技术也在持续发展和优化。
传统的己二腈生产技术主要依赖于丙烯腈的氨化法,该方法工艺成熟,但存在能耗高、环境污染严重等问题。
近年来,随着环保要求的日益严格,新型的绿色生产技术逐渐受到关注。
其中,环己酮氨氧化法作为一种环境友好的替代工艺,逐渐在全球范围内得到推广。
该工艺以环己酮和氨气为原料,通过催化氧化反应生成己二腈,具有原料易得、反应条件温和、能耗低等优点。
除了环己酮氨氧化法外,生物催化技术也在己二腈的生产中展现出巨大的潜力。
利用特定的微生物或酶催化剂,可以在温和的条件下将生物质转化为己二腈,不仅降低了能耗和环境污染,还实现了可再生资源的有效利用。
目前,生物催化技术仍处于研究和开发阶段,但其在未来己二腈生产中的应用前景广阔。
随着纳米技术和计算机模拟等先进技术的不断发展,己二腈的生产技术也在逐步实现精细化、智能化。
操作规程编号:YTO-FS-PD342己二腈安全生产要点通用版In Order T o Standardize The Management Of Daily Behavior, The Activities And T asks Are Controlled By The Determined Terms, So As T o Achieve The Effect Of Safe Production And Reduce Hidden Dangers.标准/ 权威/ 规范/ 实用Authoritative And Practical Standards己二腈安全生产要点通用版使用提示:本操作规程文件可用于工作中为规范日常行为与作业运行过程的管理,通过对确定的条款对活动和任务实施控制,使活动和任务在受控状态,从而达到安全生产和减少隐患的效果。
文件下载后可定制修改,请根据实际需要进行调整和使用。
1工艺简述该装置以已二酸为原料,与氮进行反应生产已二腈。
简要工艺流程是将工业已二酸和氨加入反应器中,在催化剂磷酸的作用下进行反应,生成已二腈。
反应产物送入分离塔,塔底分离出的半腈,送入半腈蒸发器;塔上部分离出的粗已二腈,经洗涤、过滤、脱水、拨顶、脱尾得到已二腈。
该装置的物料已二酸可燃、可爆、有轻毒;氨可燃、可爆、有毒;已二腈可燃、可爆、有毒;DO热油(联苯、联苯醚的混合物)可燃、可爆、有毒。
2重点部位2.1反应器已二酸与氨的反应在反应器中进行,反应温度250-290℃,反应压力0.3MPa。
反应所需热由DO 热油供给。
氨有爆炸危险性。
反应产物已二腈毒性大,高温的已二腈喷溅到人身上,会使人烫伤而中毒致死。
该装置就曾发生过此类事故。
在换反应器垫片时,由于高温的已二腈喷出,致使3名维修工人烫伤而中毒死亡。
2.2半腈蒸发器半腈蒸发器是用DO热油加热,氨逸出有火灾危险。
排放焦油时易发生着火和烫伤。
2.3DO热油系统DO热油是联苯、联苯醚的混合物。
( 操作规程 )单位:_________________________姓名:_________________________日期:_________________________精品文档 / Word文档 / 文字可改己二腈安全生产要点(最新版)Safety operating procedures refer to documents describing all aspects of work steps and operating procedures that comply with production safety laws and regulations.己二腈安全生产要点(最新版)1工艺简述该装置以已二酸为原料,与氮进行反应生产已二腈。
简要工艺流程是将工业已二酸和氨加入反应器中,在催化剂磷酸的作用下进行反应,生成已二腈。
反应产物送入分离塔,塔底分离出的半腈,送入半腈蒸发器;塔上部分离出的粗已二腈,经洗涤、过滤、脱水、拨顶、脱尾得到已二腈。
该装置的物料已二酸可燃、可爆、有轻毒;氨可燃、可爆、有毒;已二腈可燃、可爆、有毒;DO热油(联苯、联苯醚的混合物)可燃、可爆、有毒。
2重点部位2.1反应器已二酸与氨的反应在反应器中进行,反应温度250-290℃,反应压力0.3MPa。
反应所需热由DO热油供给。
氨有爆炸危险性。
反应产物已二腈毒性大,高温的已二腈喷溅到人身上,会使人烫伤而中毒致死。
该装置就曾发生过此类事故。
在换反应器垫片时,由于高温的已二腈喷出,致使3名维修工人烫伤而中毒死亡。
2.2半腈蒸发器半腈蒸发器是用DO热油加热,氨逸出有火灾危险。
排放焦油时易发生着火和烫伤。
2.3DO热油系统DO热油是联苯、联苯醚的混合物。
用于加热的是340℃的DO热油蒸气,因此泄漏DO油有着火危险。
DO热油的闪蒸罐,如果操作不当,压力不稳,危险性更大。
3安全要点3.1反应器3.1.1反应温度控制平稳,不能超过290℃。
己二腈的清洁生产设计书1.项目背景己二腈是一种重要的化学原料,广泛应用于医药、染料、合成树脂等领域。
然而,传统的己二腈生产工艺存在环境污染问题,如生成氰化物、废水中含有大量有机物等。
因此,清洁生产对于己二腈生产工艺的设计具有重要意义。
2.清洁生产设计原则根据清洁生产的原则,己二腈的生产工艺应考虑以下方面:2.1 原料使用选择符合国家相关规定、质量可控的优良原料,尽量减少原料使用量,减小资源浪费和生产成本。
例如,选择高纯度的硅烷作为反应原料,可以降低氮气用量,减少产生氰化物的可能性。
2.2 反应工艺采用环保技术,消除或减少有害物质的产生,如使用催化剂减少有机物的副反应,降低反应温度和反应时间,控制反应条件,降低废气和废水排放。
同时,采用闭合式生产,指定专人负责,保证反应过程中操作规范,减少事故和污染的可能性。
2.3 能源利用充分利用余热、余压等能源,节约能源消耗,降低生产成本和环境污染。
例如,采用蒸汽回收,回收废气中的热量,进行原料的预热和反应加热。
3.清洁生产设计方案根据上述原则,设计出己二腈的清洁生产工艺方案如下:3.1 原料选择选择高纯度的硅烷作为反应原料,采用国家安全生产标准规定的氮气作为气体反应载体。
3.2 反应工艺反应采用固液相复合反应,催化剂选用活性炭,通过研究确定最佳反应温度、反应时间等,降低反应生成的废水和废气。
同时,采用自动化控制技术,实现反应的闭合生产。
3.3 能源利用回收废气中的热量,进行原料预热和反应加热,降低消耗的能源,并且减少废气的排放。
4.预期效果采用该清洁生产工艺方案,可以实现环境友好、资源节约的生产方式,减少有机物和氰化物的排放,是一种可持续的生产方式。
同时,该方案可以降低生产成本,提高生产效率,具有广阔的应用前景。
丙烯腈电解法生产己二腈工艺流程下载温馨提示:该文档是我店铺精心编制而成,希望大家下载以后,能够帮助大家解决实际的问题。
文档下载后可定制随意修改,请根据实际需要进行相应的调整和使用,谢谢!并且,本店铺为大家提供各种各样类型的实用资料,如教育随笔、日记赏析、句子摘抄、古诗大全、经典美文、话题作文、工作总结、词语解析、文案摘录、其他资料等等,如想了解不同资料格式和写法,敬请关注!Download tips: This document is carefully compiled by theeditor. I hope that after you download them,they can help yousolve practical problems. The document can be customized andmodified after downloading,please adjust and use it according toactual needs, thank you!In addition, our shop provides you with various types ofpractical materials,such as educational essays, diaryappreciation,sentence excerpts,ancient poems,classic articles,topic composition,work summary,word parsing,copy excerpts,other materials and so on,want to know different data formats andwriting methods,please pay attention!丙烯腈电解法生产己二腈工艺流程一、原料准备阶段。
在进行丙烯腈电解法生产己二腈之前,需要进行原料准备工作。
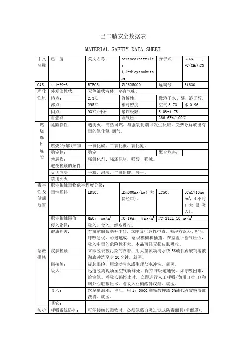
第1部分化学品及企业标识化学品中文名:己二腈化学品英文名:AdiponitrileCAS号:111-69-3分子式:C6H8N2分子量:108.14产品推荐及限制用途:工业及科研用途。
第2部分危险性概述紧急情况概述:吞咽会中毒。
吸入有害。
GHS危险性类别:急性经口毒性类别3急性吸入毒性类别4标签要素:象形图:警示词:危险危险性说明:H301吞咽会中毒H332吸入有害防范说明:•预防措施:——P264作业后彻底清洗。
——P270使用本产品时不要进食、饮水或吸烟。
——P261避免吸入粉尘/烟/气体/烟雾/蒸气/喷雾。
——P271只能在室外或通风良好处使用。
•事故响应:——P301+P310如误吞咽:立即呼叫解毒中心/医生——P330漱口。
——P304+P340如误吸入:将人转移到空气新鲜处,保持呼吸舒适体位。
——P312如感觉不适,呼叫解毒中心/医生•安全储存:——P405存放处须加锁。
•废弃处置:——P501按当地法规处置内装物/容器。
物理和化学危险:无资料健康危害:吞咽会中毒。
吸入有害。
环境危害:无资料第3部分成分/组成信息第4部分急救措施急救:吸入:迅速脱离现场至空气新鲜处。
保持呼吸道通畅。
如呼吸困难,给输氧。
呼吸、心跳停止,立即进行心肺复苏术。
就医皮肤接触:立即脱去污染的衣着,用肥皂水和清水彻底冲洗。
就医眼晴接触:立即分开眼睑,用流动清水或生理盐水彻底冲洗。
就医食入:催吐,给服活性炭悬液。
就医亚硝酸异戊酯吸入,接着静脉注射亚硝酸钠和硫代硫酸钠解毒剂。
也可肌注4-二甲氨基酚加口服对氨基苯丙酮对保护施救者的忠告:将患者转移到安全的场所。
咨询医生。
出示此化学品安全技术说明书给到现场的医生看。
对医生的特别提示:无资料第5部分消防措施灭火剂:用水雾、干粉、泡沫或二氧化碳灭火剂灭火。
避免使用直流水灭火,直流水可能导致可燃性液体的飞溅,使火势扩散。
特别危险性:可燃。
蒸气与空气能形成爆炸性混合物。
受高热或燃烧发生分解放出有毒气体灭火注意事项及防护措施:消防人员须佩戴防毒面具,穿全身消防服,在上风向灭火。
己二睛安全生产要点己二庸是一种重要的有机化学品,广泛应用于合成染料、农药、医药和涂料等行业。
由于其具有毒性、易燃、易爆和刺激性等危险性质,必须严格控制其生产、运输和使用过程中的安全风险。
本文将介绍己二月青安全生产的要点,以帮助相关企业和从业人员做好安全防护工作。
己二脑的特性和危害特性•己二睛的分子式为C6H4(CN)2,分子量为136.15;•己二晴是一种无色液体,在标准大气压下沸点为254T,密度为1.13g∕cm3;•己二储具有毒性、刺激性、易燃、易爆等危险特性。
危害•己二庸对眼睛、皮肤、呼吸道等有刺激性和腐蚀性;•长期暴露下可能会引起慢性损害,如肝、肾、神经等器官的病变;•工业生产和储运过程中,己二腾可能发生泄漏、燃烧、爆炸等事故,对人身安全和环境造成损害。
己二般安全生产要点生产过程中•安全生产是首要任务,必须遵循相关法律法规和标准,建立健全的安全管理制度;•加强培训,提高员工的安全意识和技能,确保生产过程中的操作规范和安全可靠;•采取防爆、防火、防毒等措施,确保工厂设备的安全性和稳定性;•加强现场监测,及时发现问题,做好应急处理。
运输过程中•严格执行国家和地方的运输标准和要求;•汽车、火车、船舶等运输工具必须符合运输要求,装载和运输过程中应采取相关安全措施;•货物应正确标识,明确危险特性,避免在运输过程中发生泄漏或爆炸等事故。
使用过程中•严格按照产品说明、标签和相关要求进行使用;•使用前应进行充分的安全评估,确认安全措施的可靠性和有效性;•使用时应戴防护眼镜、手套、呼吸器等防护用品,确保个人安全;•避免与其他化学物品混存或混用,避免发生化学反应。
己二庸事故应急处理•工厂应建立健全的突发事件应急预案,迅速启动应急响应机制,采取必要的措施进行处置;•在事故中应优先保障人员的生命安全,及时疏散人员,使用适当的应急装备进行抢险救援;•组织专业队伍进行泄露物的清理和处理,防止对环境造成污染和破坏;•事故处理过程中应与相关部门进行及时沟通和信息共享,确保应急处置的协同和有效性。
第一部分化学品及企业标识化学品中文名:己二腈化学品英文名:adiponitrile;1,4-dicyanobutane化学品别名:1,4-二氰基丁烷;氰化四亚甲基CAS No.:111-69-3EC No.:203-896-3分子式:C6H8N2第二部分危险性概述| 紧急情况概述液体。
吞食后有毒。
跟皮肤接触有毒。
对眼睛有刺激性。
短期暴露有严重损伤健康的危险。
长期暴露有损伤健康的危险。
| GHS 危险性类别根据《危险化学品分类信息表》(2015)危险性类别判定,该产品分类如下:急毒性-口服,类别3;急毒性-皮肤,类别3;眼损伤/眼刺激,类别2B;特定目标器官毒性-单次接触,类别1;特定目标器官毒性-重复接触,类别2。
| 标签要素象形图警示词:危险危险信息:吞咽会中毒,皮肤接触会中毒,造成眼刺激,对器官造成损害,长期或重复接触可能对器官造成伤害。
预防措施:不要吸入粉尘/烟/气体/烟雾/蒸气/喷雾。
作业后彻底清洗。
使用本产品时不要进食、饮水或吸烟。
戴防护手套/穿防护服/戴防护眼罩/戴防护面具。
事故响应:如感觉不适,呼叫中毒急救中心/医生。
如感觉不适,须求医/就诊。
漱口。
如误吞咽:立即呼叫中毒急救中心/医生。
如接触到:呼叫中毒急救中心/医生。
如仍觉眼刺激:求医/就诊。
立即脱掉所有沾染的衣服,清洗后方可重新使用。
如进入眼睛:用水小心冲洗几分钟。
如戴隐形眼镜并可方便地取出,取出隐形眼镜。
继续冲洗。
安全储存:存放处须加锁。
废弃处置:按照地方/区域/国家/国际规章处置内装物/容器。
物理化学危险:无资料健康危害:吸入该物质可能会引起对健康有害的影响或呼吸道不适。
意外食入本品可能引起毒害作用。
意外食入本品可能对个体健康有害。
皮肤接触会中毒,吸收后可导致全身发生反应。
通过割伤、擦伤或病变处进入血液,可能产生全身损伤的有害作用。
本品对眼睛有轻微刺激。
眼睛直接接触本品可导致暂时不适。
环境危害:无资料。
第三部分成分/组成信息第四部分急救措施| 急救措施描述一般性建议:急救措施通常是需要的,请将本 SDS 出示给到达现场的医生。
己二腈安全生产要点1工艺简述该装置以已二酸为原料,与氮进行反应生产已二腈。
简要工艺流程是将工业已二酸和氨加入反应器中,在催化剂磷酸的作用下进行反应,生成已二腈。
反应产物送入分离塔,塔底分离出的半腈,送入半腈蒸发器;塔上部分离出的粗已二腈,经洗涤、过滤、脱水、拨顶、脱尾得到已二腈。
该装置的物料已二酸可燃、可爆、有轻毒;氨可燃、可爆、有毒;已二腈可燃、可爆、有毒;DO热油可燃、可爆、有毒。
2重点部位2.1反应器已二酸与氨的反应在反应器中进行,反应温度250-290℃,反应压力0.3MPa。
反应所需热由DO热油供给。
氨有爆炸危险性。
反应产物已二腈毒性大,高温的已二腈喷溅到人身上,会使人烫伤而中毒致死。
该装置就曾发生过此类事故。
在换反应器垫片时,由于高温的已二腈喷出,致使3名维修工人烫伤而中毒死亡。
2.2半腈蒸发器半腈蒸发器是用DO热油加热,氨逸出有火灾危险。
排放焦油时易发生着火和烫伤。
2.3DO热油系统DO热油是联苯、联苯醚的混合物。
用于加热的是340℃的DO热油蒸气,因此泄漏DO 油有着火危险。
DO热油的闪蒸罐,如果操作不当,压力不稳,危险性更大。
3安全要点3.1反应器3.1.1反应温度控制平稳,不能超过290℃。
3.1.2进行检修时,必须做好工艺处理。
以防已二腈溅出伤人。
3.1.3进行清焦时,必须按规程操作,穿好防护用品。
3.2半腈蒸发器3.2.1半腈蒸发器不能有泄漏,有泄漏就有着火危险。
因此发现有漏点,必须立即堵漏。
3.2.2排放焦油时,做好上下联系,做好防护措施,避免伤人。
3.3DO热油系统3.3.1DO 热油的加热炉要保证平稳运行,避免出现干烧现象。
3.3.2DO热油的闪蒸罐要压力稳定,安全装备好用,不能有泄漏。
3.3.3DO热油渗漏到保温棉里,时间一长能引起着火。
因此发现有DO热油渗漏的地方,要及时扒掉保温棉,更换新的,并要马上堵住漏点。
2024年第二季度安全生产工作要点 (3)2024年第二季度安全生产工作要点 (3)精选2篇(一)2024年第二季度安全生产工作的要点可以包括:1. 加强安全管理体系建设,完善相关制度和规章,确保其科学、健全、可操作性强。
2. 加强安全培训和教育,提高员工的安全意识和安全技能,确保员工能够正确应对各类安全风险。
3. 完善隐患排查整改制度,定期开展隐患排查,及时发现并整改生产过程中存在的安全隐患。
4. 加强现场监督检查,对生产过程进行全面监控,确保设备设施的正常运行和生产环境的安全。
5. 加强职业卫生管理,定期开展职业病防治工作,进行职业病危害评价和监测,确保员工身体健康。
6. 加强应急救援能力建设,制定完善应急预案和救援预案,定期开展应急演练,提高组织应对各类突发事件的能力。
7. 加强与相关部门的联动协作,及时了解各种安全法规政策的动态,加强沟通和协调,确保安全工作能够顺利开展。
以上是2024年第二季度安全生产工作的要点,旨在提高员工安全意识和技能,预防和减少安全事故的发生,确保生产过程的安全稳定。
2024年第二季度安全生产工作要点 (3)精选2篇(二)2024年第二季度安全生产工作的要点包括:1. 加强基础设施安全管理:对企业的设备、设施以及相关设备进行全面检查和维护,确保其安全稳定运行。
2. 提高员工安全意识:加强员工安全培训,提高他们的安全意识和危险判断能力,确保员工在工作中能够及时发现并应对安全隐患。
3. 预防化学品事故:严格执行相关规章制度,加强对化学品的储存、使用和处理管理,防止化学品泄漏、爆炸等事故的发生。
4. 推行安全责任制:建立和完善企业部门间的安全责任制,明确各部门在安全生产中的职责和义务,确保责任到人。
5. 加强监督检查:加强对企业的安全生产工作的监督检查,及时发现和纠正违规行为,确保安全生产的落实。
6. 防范火灾风险:加强火灾隐患排查,加强火灾控制措施和应急预案的制定和实施,保障员工的人身安全和财产安全。
己二腈产品标准近年来,随着人们对健康的要求越来越高,对于食品、药品等生活必需品的质量要求也越来越高。
其中,腈类化合物作为一种重要的中间体,广泛应用于化工、医药、印染等领域。
而己二腈作为其中的一种,其产品标准的制定和实施,对于保障人民群众健康和促进化工产业的发展至关重要。
一、己二腈的概述己二腈,也称为1,6-己二腈,是一种无色液体,分子式为C6H10N2,分子量为110.16。
它是一种重要的有机合成原料,可用于制备染料、橡胶助剂、医药中间体等。
此外,己二腈还可用作有机溶剂、润滑剂、防冻剂等。
二、己二腈的生产工艺己二腈的生产工艺主要有两种:一是采用氰化物为原料,通过氰化反应制备;二是采用己烯为原料,通过氢氰酸加成反应制备。
其中,以氰化物为原料的生产工艺成本较低,但氰化物本身具有毒性,存在安全隐患;而以己烯为原料的生产工艺成本较高,但反应过程相对安全。
三、己二腈产品标准的制定己二腈产品标准的制定,旨在规范己二腈的生产和使用,保障人民群众的健康和生命安全。
目前,我国对己二腈产品的质量标准主要包括以下几个方面:1. 外观:己二腈产品应为无色透明液体,无悬浮物和机械杂质。
2. 含量:己二腈产品的含量应符合国家标准,一般不低于99%。
3. 酸度:己二腈产品的酸度应符合国家标准,一般不大于0.01%。
4. 水分:己二腈产品的水分含量应符合国家标准,一般不大于0.1%。
5. 高沸点物:己二腈产品中的高沸点物含量应符合国家标准,一般不大于0.1%。
6. 重金属:己二腈产品中的重金属含量应符合国家标准,一般不大于10ppm。
四、己二腈产品标准的实施为了保障己二腈产品质量,我国对己二腈产品标准的实施采取了以下措施:1. 生产企业应建立完善的质量管理体系,严格执行己二腈产品标准,确保产品质量符合标准要求。
2. 监管部门应加强对己二腈产品的监管,对生产企业进行定期检查和抽检,确保产品质量符合标准要求。
3. 消费者应选择正规渠道购买己二腈产品,避免购买假冒伪劣产品,对于发现质量问题的产品应及时向相关部门举报。
operating procedures that 己二酸安全生产要点(最新版) Safety operating procedures refer to documents describing all aspects of work steps and comply with production safety laws and regulations.(操作规程)单位: _____________________姓名: _____________________日期: _____________________精品文档/ Word 文档/文字可改石油化工己二酸安全生产要点(最新版)r ....................................................................................................................................................................................................................................... ;「备注:安全操作规程表达的是根据物料性质、工艺流程、利用设备或工具进行II生产工作时,就如何使用和材料准备,环境安全,质量保证等方而的工作步骤I I进行描述的文件和符合安全生产法律法规的操作程序。
I1工艺简述该装置以醇酮为原料,用硝酸进行氧化生产已二酸。
简要工艺流程是将醇酮(环已醇与环已酮的混合物)与氧化硝酸(新鲜硝酸与回收硝酸配制的氧化硝酸)加入氧化反应器屮,在催化剂铜和五氧化二锐的作用下,进行氧化反应,生成已二酸。
氧化反应器有6 台,串联使用。
6台氧化反应器的反应温度依次是70°C、74°C、78°C、82°C、86°C、90°C,反应压力常压。
丁二烯制己二腈初步设计说明书丁二烯制己二腈初步设计说明书一、背景介绍己二腈是一种重要的有机合成原料,广泛应用于涂料、染料、药物等领域。
目前,己二腈的生产大多采用丁腈为原料经过氢化反应得到。
然而,丁腈的市场价格波动较大,且丁腈产量有限。
为了满足己二腈的稳定供应需求,本设计拟采用丁二烯为原料制备己二腈。
二、设计方案1. 原料准备本设计将采用纯度高、含量稳定的丁二烯作为原料。
丁二烯是一种常见的烯烃类化合物,可通过汽油和液化石油气分馏获得。
2. 反应步骤(1)氢化反应:将丁二烯与一定浓度的氢气在催化剂存在下进行反应,生成丁腈。
催化剂的选择需考虑活性高、寿命长及无毒性等因素。
(2)分离纯化:反应后得到的反应液中含有丁腈、副产物及未反应的丁二烯等。
通过适当的分离纯化工艺,可将目标产物纯化至一定纯度,同时回收未反应的丁二烯供后续反应使用。
3. 反应条件(1)氢化反应温度:根据实验数据和反应动力学参数,确定适宜的反应温度,保证反应速率和选择性。
(2)氢化反应压力:通过调节反应压力,控制氢气在反应体系中的溶解度,提高氢化反应的效果。
4. 设备选择(1)反应器:根据反应规模和反应条件选用适当的反应器。
需考虑反应器的密封性、耐腐蚀性,以及对反应物和产物的传质、传热性能。
(2)分离装置:采用适当的分离装置,如蒸馏柱、萃取塔等,实现目标产物的分离纯化。
5. 安全环保在实施反应过程中,需注意安全生产和环保要求。
采用催化剂催化反应,可以减少反应温度和压力,降低能耗。
同时,对废水、废气进行合理处理,确保环保要求得到满足。
三、实施建议1. 实验验证:在正式生产之前,进行小试小批量试验,验证丁二烯制己二腈的可行性,以便调整设计方案。
2. 工艺优化:通过不断优化反应条件和纯化工艺,提高产物纯度和产率。
3. 资源利用:充分利用未反应的丁二烯,避免浪费。
在分离纯化过程中,采取合理的回收措施,提高资源利用率。
4. 安全生产:设置完善的安全管理体系,建立应急预案,确保生产过程中的安全。
己二胺安全生产要点己二胺是一种极易燃易爆的有机化合物,被广泛地用于合成各种农药和药物。
然而,己二胺的特性使其在生产过程中存在安全隐患,需要严格控制和管理。
本文将介绍己二胺安全生产的几个要点。
安全意识教育和培训己二胺生产企业应加强从事己二胺生产及操作工作的员工的安全意识教育和培训,确保员工了解己二胺的危害性、安全注意事项和应急处理措施等内容。
员工应掌握安全生产相关法律法规和操作规程,严格遵守企业的安全生产制度,做到安全第一、预防为主,从而减少和避免事故的发生。
作业环境控制和安全设施具体包括如下措施:1.实行严格的现场管理、现场查看、现场指导、现场监督等措施,确保作业人员操作规范、操作步骤正确、操作方式安全,严格遵守安全生产制度。
2.安排专人负责己二胺生产现场的监控和管理,对生产过程中的异常情况及时处置,确保生产现场安全。
3.设立专门的存储区域,对己二胺进行分类、分储存,以防止发生事故。
4.采取防火防爆措施,如灭火设备和火灾自动报警装置等,以防止发生火灾和爆炸事故。
5.排除工作场所、车间及上下料台阶面的积水、杂物及易燃易爆物品,避免引起火灾、爆炸等事故。
人员防护措施具体措施如下:1.工作地点应保证通风、良好、明亮等,以避免己二胺浓度过高对人体健康造成的影响。
2.工作人员应佩戴防护用品,如防护服、手套、眼镜、呼吸器等,避免直接接触己二胺。
3.入口处应配备应急设备,如洗眼器、紧急淋浴等,以备不时之需。
4.在每次操作己二胺前,都应经过严格的安全检查和确认,确保在安全的状态做好相应的防护。
应急处理措施应急处理是安全生产的重要环节,主要措施如下:1.操作人员必须熟练掌握应急预案,发生事故时掌握逃生路线并进行紧急处理。
2.发现异常情况应当立即停车、切断电源、封闭进、出口等措施,避免事态扩大影响。
3.对于发生泄露、溢漏、爆炸等事故,应立即进行沙袋封堵、抽取、收容,避免事故的扩散。
4.在出现严重的燃烧爆炸事故时,应及时启动防火分区和备用电源,保证生产安全。
编订:__________________
单位:__________________
时间:__________________
己二腈安全生产要点(正
式)
Standardize The Management Mechanism To Make The Personnel In The Organization Operate According To The Established Standards And Reach The Expected Level.
Word格式 / 完整 / 可编辑
文件编号:KG-AO-8620-43 己二腈安全生产要点(正式)
使用备注:本文档可用在日常工作场景,通过对管理机制、管理原则、管理方法以及管理机构进行设置固定的规范,从而使得组织内人员按照既定标准、规范的要求进行操作,使日常工作或活动达到预期的水平。
下载后就可自由编辑。
1工艺简述
该装置以已二酸为原料,与氮进行反应生产已二腈。
简要工艺流程是将工业已二酸和氨加入反应器中,在催化剂磷酸的作用下进行反应,生成已二腈。
反应产物送入分离塔,塔底分离出的半腈,送入半腈蒸发器;塔上部分离出的粗已二腈,经洗涤、过滤、脱水、拨顶、脱尾得到已二腈。
该装置的物料已二酸可燃、可爆、有轻毒;氨可燃、可爆、有毒;已二腈可燃、可爆、有毒;DO热油(联苯、联苯醚的混合物)可燃、可爆、有毒。
2重点部位
2.1反应器已二酸与氨的反应在反应器中进行,反应温度250-290℃,反应压力0.3MPa。
反应所需热由DO热油供给。
氨有爆炸危险性。
反应产物已二腈毒
性大,高温的已二腈喷溅到人身上,会使人烫伤而中毒致死。
该装置就曾发生过此类事故。
在换反应器垫片时,由于高温的已二腈喷出,致使3名维修工人烫伤而中毒死亡。
2.2半腈蒸发器半腈蒸发器是用DO热油加热,氨逸出有火灾危险。
排放焦油时易发生着火和烫伤。
2.3DO热油系统DO热油是联苯、联苯醚的混合物。
用于加热的是340℃的DO热油蒸气,因此泄漏DO 油有着火危险。
DO热油的闪蒸罐,如果操作不当,压力不稳,危险性更大。
3安全要点
3.1反应器
3.1.1反应温度控制平稳,不能超过290℃。
3.1.2进行检修时,必须做好工艺处理。
以防已二腈溅出伤人。
3.1.3进行清焦时,必须按规程操作,穿好防护用品。
3.2半腈蒸发器
3.2.1半腈蒸发器不能有泄漏,有泄漏就有着火危险。
因此发现有漏点,必须立即堵漏。
3.2.2排放焦油时,做好上下联系,做好防护措施,避免伤人。
3.3DO热油系统
3.3.1DO热油的加热炉要保证平稳运行,避免出现干烧现象。
3.3.2DO热油的闪蒸罐要压力稳定,安全装备好用,不能有泄漏。
3.3.3DO热油渗漏到保温棉里,时间一长能引起着火。
因此发现有DO热油渗漏的地方,要及时扒掉保温棉,更换新的,并要马上堵住漏点。
请在这里输入公司或组织的名字
Enter The Name Of The Company Or Organization Here。