某别墅照明供电系统设计_毕业设计
- 格式:doc
- 大小:262.00 KB
- 文档页数:33
别墅小区供电系统设计实例分析摘要:本文结合某别墅小区供电系统设计方案及作者的工作实践,阐述了别墅小区供电的特点,并跟据特点对该小区供电方案提出了一种技术可行、经济合理的优化设计方案,使别墅小区的供电系统更经济、可靠、安全、适用。
关键词:别墅小区;供电系统;设计;优化组合Abstract: combining with some villa area power supply system design scheme and the author’s working practice, this p aper expounds the characteristics of the villa area power supply, and the characteristics of the district with the power supply project put forward a feasible in technology, economic and reasonable optimum design of villa district to more economic power supply system, reliable, safe and applicable.Keywords: villa district; Power supply system; Design; Optimized combination国民经济的飞速发展和中国房地产业产业水平的大幅提高,带动了人民对更高生活水平的需求。
特别是近几年来,别墅小区如雨后春笋般的在中国一二线城市中遍地开花。
同时也对别墅小区的设计水平提出了更高的要求。
别墅小区的特点是占地面积大,容积率低,别墅之间有较大的空间。
加之绿地、曲径、小品、水系,以及灯饰,丰富了庭园的内涵,还充分体现了环境、建筑及人居的统一和谐。
根据上述特点,它的供电与一般多层、高层小区不同,必须采取新的配电思路和方式来满足其功能的要求。
别墅小区供电系统设计实例分析摘要:本文结合某别墅小区供电系统设计方案及作者的工作实践,阐述了别墅小区供电的特点,并跟据特点对该小区供电方案提出了一种技术可行、经济合理的优化设计方案,使别墅小区的供电系统更经济、可靠、安全、适用。
关键词:别墅小区;供电系统;设计;优化组合Abstract: combining with some villa area power supply system design scheme and the author’s working practice, this p aper expounds the characteristics of the villa area power supply, and the characteristics of the district with the power supply project put forward a feasible in technology, economic and reasonable optimum design of villa district to more economic power supply system, reliable, safe and applicable.Keywords: villa district; Power supply system; Design; Optimized combination国民经济的飞速发展和中国房地产业产业水平的大幅提高,带动了人民对更高生活水平的需求。
特别是近几年来,别墅小区如雨后春笋般的在中国一二线城市中遍地开花。
同时也对别墅小区的设计水平提出了更高的要求。
别墅小区的特点是占地面积大,容积率低,别墅之间有较大的空间。
加之绿地、曲径、小品、水系,以及灯饰,丰富了庭园的内涵,还充分体现了环境、建筑及人居的统一和谐。
根据上述特点,它的供电与一般多层、高层小区不同,必须采取新的配电思路和方式来满足其功能的要求。
本科毕业设计题目:某别墅电气设计专题:毕业设计(论文)原创性声明和使用授权说明原创性声明本人郑重承诺:所呈交的毕业设计(论文),是我个人在指导教师的指导下进行的研究工作及取得的成果。
尽我所知,除文中特别加以标注和致谢的地方外,不包含其他人或组织已经发表或公布过的研究成果,也不包含我为获得及其它教育机构的学位或学历而使用过的材料。
对本研究提供过帮助和做出过贡献的个人或集体,均已在文中作了明确的说明并表示了谢意。
作者签名:日期:指导教师签名:日期:使用授权说明本人完全了解大学关于收集、保存、使用毕业设计(论文)的规定,即:按照学校要求提交毕业设计(论文)的印刷本和电子版本;学校有权保存毕业设计(论文)的印刷本和电子版,并提供目录检索与阅览服务;学校可以采用影印、缩印、数字化或其它复制手段保存论文;在不以赢利为目的前提下,学校可以公布论文的部分或全部内容。
作者签名:日期:学位论文原创性声明本人郑重声明:所呈交的论文是本人在导师的指导下独立进行研究所取得的研究成果。
除了文中特别加以标注引用的内容外,本论文不包含任何其他个人或集体已经发表或撰写的成果作品。
对本文的研究做出重要贡献的个人和集体,均已在文中以明确方式标明。
本人完全意识到本声明的法律后果由本人承担。
作者签名:日期:年月日学位论文版权使用授权书本学位论文作者完全了解学校有关保留、使用学位论文的规定,同意学校保留并向国家有关部门或机构送交论文的复印件和电子版,允许论文被查阅和借阅。
本人授权大学可以将本学位论文的全部或部分内容编入有关数据库进行检索,可以采用影印、缩印或扫描等复制手段保存和汇编本学位论文。
涉密论文按学校规定处理。
作者签名:日期:年月日导师签名:日期:年月日注意事项1.设计(论文)的内容包括:1)封面(按教务处制定的标准封面格式制作)2)原创性声明3)中文摘要(300字左右)、关键词4)外文摘要、关键词5)目次页(附件不统一编入)6)论文主体部分:引言(或绪论)、正文、结论7)参考文献8)致谢9)附录(对论文支持必要时)2.论文字数要求:理工类设计(论文)正文字数不少于1万字(不包括图纸、程序清单等),文科类论文正文字数不少于1.2万字。
摘要本论文主要阐述了某住宅楼各系统电气设计的设计依据、原则和方法及设计选择的结论。
本论文共包括5章内容,前四章主要包括强电部分设计;第五章主要包括弱电部分。
强电部分主要内容包括:低压配电系统、照明系统及防雷接地系统的设计,其中包括负荷计算、照度计算等。
弱电部分主要内容包括:有线电视、综合布线系统的设计。
本次设计完成图纸共13幅,绘图采用AUTOCAD软件绘制。
随着人们生活水平的不断提高,更加实用美观和廉价的住房无疑是人们追求的目标之一,所以建筑电气设计不仅仅局限于可以使用,应该采用更加环保节能的新产品。
本次设计在很多方面在美观的同时,兼顾了低廉的价格,有很高的实用价值。
本住宅楼电气设计为毕业设计,其目的是通过设计实践,综合运用所学知识,理论联系实际,锻炼独立分析和解决建筑电气设计问题的能力,为未来的工作奠定坚实的基础。
关键词: 照度;有线电视;综合布线。
AbstractIn this paper, a main residential building on the electrical design of the system design based on principles and methods and the conclusions of design options.In this paper, a total of 5 chapters, including the first four chapters of the main part of strong electrical design; fifth chapter includes some weak.Strong electric part of the main contents include: low-voltage distribution system, lighting system and lightning protection grounding system design, including load calculation, illumination calculation.Weak part of the main contents include: cable television, the design of integrated wiring system. The design is completed a total of 13 drawings,Drawing graphics using AUTOCAD software.With the continuous improvement of people's living standards, more practical beautiful and cheap housing is undoubtedly one of the objectives pursued by the people, so construction is not limited to electrical design can be used, should adopt more environmentally-friendly energy-saving products. This design in many In the handsome, while keeping a low price, high practical value.Electrical design of the residential buildings designed for graduates with the aim of design practice through the comprehensive use of the knowledge, theory with practice, exercise an independent analysis and resolution of the issue of building the capacity of the electrical design for the future work to lay a solid foundation.Keywords,illumination, cable television, integrated wiring.目录摘要 (I)Abstract (II)1 绪论 (1)1.1工程概况 (1)1.2设计目的 (1)1.3设计要求 (1)1.4设计依据 (2)2 方案论证 (3)2.1照明系统方案论证 (3)2.2电视电话系统方案论证 (4)2.2.1有线电视系统 (4)2.2.2电话系统 (4)2.3防雷接地方案论证 (4)3照明系统 (5)3.1照度计算 (10)3.1.1照度计算公式 (10)3.1.2各类房间照度计算 (11)3.2 照明平面图布置 (14)3.2.1室内灯具布置要求 (14)3.2.2室内插座布置要求 (14)3.2.3配电箱布置 (16)3.3负荷计算 (16)3.4设备选型 (18)3.4.1断路器选择 (18)3.4.2隔离开关断选择 (18)3.4.3线缆选择 (19)3.4.4配电箱选择 (19)4电视电话系统 (20)4.1电视系统设计 (20)4.1.1有线电视系统设计的原则及要求 (20)4.2电话系统设计 (29)5防雷与接地 (31)5.1防雷 (31)5.1.1 防雷等级 (31)5.1.2 三级防雷建筑物的保护措施 (32)5.2保护接地 (34)5.2.1 接地系统分类 (34)5.2.2 接地系统 (35)5.2.3 接地电阻 (37)结论 (38)参考文献 (40)附录1 绪论随着科学技术的发展和人民生活水平的不断提高,人们对对有关供配电、照明、消防、防雷接地、通信、有线电视等系统的要求越来越高,使得建筑开始走向高品质、多功能领域,并进一步向多功能的纵深方向和综合应用方向发展。
郑州轻工业学院课程设计说明书题目:别墅建筑2电气照明系统设计姓名:XXXXXXX院(系):XXXXXXXXXXX专业班级:XXXXXXXXXX学号:XXXXXXXXXX指导教师:XXXXXXXXX成绩:时间:20XX 年6月22日至20XX 年6 月26 日《电气照明技术》课程设计任务书一、设计题目某别墅电气照明系统设计二、设计资料1.基本概况本工程是一栋三层高的别墅楼,设计内容为电气照明系统。
(1)建筑为三层别墅楼,建筑高度12.9米,地上三层,一层高4.9米,二层高4.1米,三层高3.9米。
(2)建筑面积972.26平方米给定资料:各层建筑平面图。
2.参考资料1)民用建筑电气设计规范及条文解释2)2009全国民用建筑工程设计技术措施电气3)建筑电气设计手册4)国家标准电气制图电气图形符号应用示例图册5)有关产品样本6)建筑电气施工验收规范7)供配电系统设计规范8)低压配电系统设计规范9)建筑照明设计标准三、设计成果1、计算书内容包括:照度计算、负荷计算、线缆及保护管的选择、配电箱的选择、低压电器的选择。
2、图纸1)设计说明、图例、图纸目录2)各层照明平面图(1:100)和各层插座平面图(1:100)3)供电干线平面图(1:100)4)供电干线系统图(1:100)5)照明配电箱系统图3、课程设计说明书四、设计步骤1.熟悉资料、设计规范。
对已给资料进行整理。
根据建筑物的特点,确定供电等级:根据建筑平面图,拟定各户配电箱具体位置;根据外线情况确定进户总箱位置;并在平面图上绘出。
2.绘制照明平面图(包括楼梯间设照明)根据建筑平面图针对不同的使用功能,按照电气照明设计规范进行照度设计.以满足使用对照度及功能要求.(1)根据房间的用途确定灯具的种类、型号及安装高度。
(2)查出各房间的照度标准,进行照度计算。
(3)根据计算结果绘出照明平面布置图。
(4)绘出线缆(单线图)。
3.根据房间的用途确定插座的种类、型号及安装高度(1)绘出插座平面布置图。
高档别墅区供配电系统设计摘要本次设计题目为小区供配电系统设计,该系统通过降压变压器与10kv公共电源干线相连,然后向学校供给电能。
该小区包括了别墅区,用电负荷较大,对供电可靠性要求也较高。
因此,必须采用可靠性较高的接线形式。
本次设计主要内容包括:负荷计算、短路电流计算、电气主接线的设计、电气设备的选择与校验(包括主变压器的选择、断路器及隔离开关的选择与校验、导体的选择与校验、电流互感器的选择与校验、电压互感器的选择和避雷器的选择等)和变配电所的布置与结构设计。
其中,主接线代表了变配电所主体结构,它对各种电气设备的选择、配电装置的布置、继电保护、自动装置和控制方式的拟定都有决定性的关系,并将长期影响电力系统运行的可靠性、安全性、灵活性和经济性。
在设计的过程中,本人参阅了大量的供配电系统设计、变配电所设计、建筑电气设计规X等相关的规X和设计手册,最后对该校供配电系统进行了初步设计。
本设计为毕业设计,其目的是通过设计实践,综合运用所学知识,理论联系实际,锻炼独立分析和解决电气设计问题的能力,为未来的工作奠定坚实的基础。
关键词:变压器、电气主接线、电气设备、继电保护AbstractThis design topic is the power supply and distribution system for a residence munity, this system is connected with the public line of 10kV through step-down transformers, and distribute electrical power to the residence munity. The residence munity includeVilla area section. The electrical charge is big , and the residence munity’ demand of reliability of power supply is high, using the high reliable wiring form.This design main content includes: the charge putation, short-circuit current putation, electrical main wiring design, electrical equipment choice and verification (including main voltage transformer choice, circuit breaker and disconnecting switch with check-up, conductor choice with check-up, current transformer choice with check-up, voltage transformerchoice with check-up and lightning protector choice and so on),the disposal and configuration of the transformer substation design. Between them, the electrical main wiring has represented the main bodies structure of the substation, it has the decisive relations about the electrical equipment choice, the power distribution equipment arrangement, the relay protection, the decision of automatic device and the control mode ,and it has long-term influence about the reliability,security,flexibility and efficiency of the electrical power system movement.In order to finish the design, I referring to the power supply and distribution design standard, the transformer substation design standard,the electrical design standard of architecture and so on, carry on the preliminary design to this power system. This design is a graduation design .The purpose of this design is to give us a chance of synthetical usage of the knowledge we have learned. Besides, it can train our ability to analyze and solve practical problems in Construct electricity in dependently so that the theory is connected with practice and a solid base is made in favor of future work.Key word: transformer, electrical main wiring,electrical equipment,electrical equipment目录摘要 (1)Abstract (2)第一章概述 (6)第一节设计的对象和主要任务 (6)第二节设计的原则和资料 (6)第二章供配电系统设计 (7)第一节负荷计算 (7)第二节无功补偿功率 (10)第三章变电所位置和型式的选择 (12)第四章变电所主变压器和主结线方案的选择 (13)第一节变电所主变压器的选择 (13)第二节变电所主结线方案选择 (14)第五章短路电流计算 (16)第一节短路电流计算的目的及方法 (16)第二节短路电流计算 (16)第六章电气设备的选择 (18)第一节电气设备选择原则 (18)第二节电气设备选择 (21)第三节高低压母线的选择 (24)第七章变电所进出线和邻近单位联络线的选择 (25)第一节 10KV高压进线和引入电缆的选择 (25)第二节 380V低压出线的选择 (25)第三节作为备用电源的高压联络线的选择校验 (31)第八章变配电所二次回路方案的选择与继电保护的整定 (33)第一节高压断路器的操动机构控制与信号回路 (33)第二节高低压侧的电能计量回路 (33)第三节变配电所的测量和绝缘监察回路 (34)第四节变配电所的保护装置 (35)第九章变配电所的防雷保护与接地装置的设计 (38)第一节变配电所的防雷保护 (38)第二节变配电所公共接地装置的设计 (38)第十章变配电所的布置与结构设计 (41)第一节变配电所总体布置方案的设计要求 (41)第二节变配电所各室的具体布置与结构要求 (41)第三节变配电所布置方案的确定 (44)总结 (45)致谢 (46)参考文献 (47)附录 (48)附录一外文资料翻译 (48)1.1 原文 (48)1.2 译文 (55)附录二小区平面图 (58)附录三主接线图 (59)3.1 主接线图一 (59)3.2 主接线图二 (60)附录四变配电所布置图 (61)第一章概述第一节设计的对象和主要任务1、设计的对象本次设计的对象——“高档住宅小区”,它分为别墅区、公园、银行、医院等七部分,全小区总面积约490000平方米。
一设计内容简述:设计内容是为某一三层别墅进行照明、配电设计。
供电方式为放射式,电源供电采用三相四线380/220V制。
设计内容包括照明灯具的计算、选择和布置(采用单位容量法计算照度,厨房、卫生间、楼道、大门外采用平圆形吸顶灯,其他地方采用YG2-1控照式荧光灯),以及开关、插座和配电箱的布置,电气管线选用,以及总配电箱和分配电箱的布置。
二、别墅照明设计(一).照明灯具选用及布置1、照明灯具选用:厨房、卫生间、楼道、大门外采用平圆形吸顶灯(白炽灯,60W)其他地方采用YG2-1控照式荧光灯(荧光灯,40W)2、照明灯具计算选择表(二).开关选用布置为方便使用,开关一般安装在房间的入口距地1.4m处,目前较常用的是翘板式开关,可根据布灯情况选择单控、双控、单极或双极开关等。
在同一处分别控制多盏灯具时应尽量采用多极开关。
客厅、餐厅的灯具可采用双极开关控制。
卫生间的开关宜设置在门外。
楼梯间宜选用双控开关。
(三).插座选用及布置1、插座选用按照国家行业标准关于照明系统中的每一单相回路,不宜超过16A,灯具数量不宜超过25个每一单相插座回路的插座数量不宜超过10个(组)的有关规定进行负荷计算。
2.各房间插座布置卧室两侧墙上至少各设1组,厅的每面墙上各设一组,按家电设备可能的安放位置预留足够数量的插孔。
厨房、热水器、空调、洗衣机设供电专线切配单项带接地的三孔插座。
一般插座安装高度为0.3m,热水器插座距地2.3m,洗衣机插座距地1.5m,空调插座距地1.8m。
(插座布置具体情况见插座布置表)。
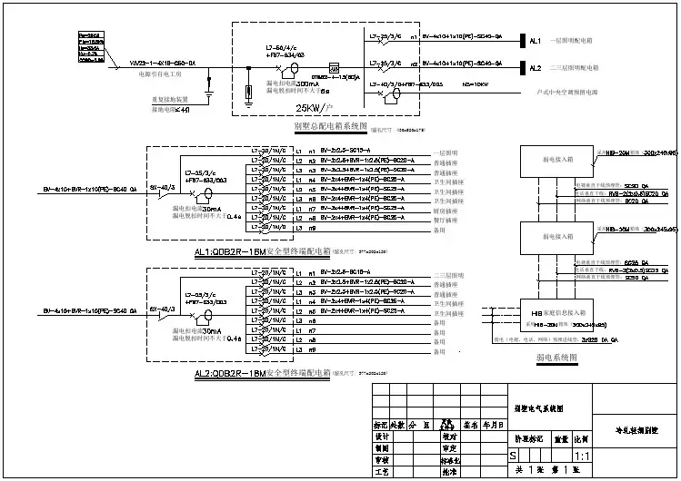
三、别墅电气线路设计1、供电方式本工程选用放射式,即由室外配电柜引来380/220V三相四线电源,采用电缆直埋地方式引进,进线电缆选用聚氯乙烯绝缘电力电缆,过基础穿阻燃硬塑料管保护,引至一层的AL总配电箱,然后由AL总箱分别引至一层、二层和三层的各分配电箱(AL1,AL2,AL3)。
2、线路敷设进户线长度:80m电缆选用聚氯乙烯绝缘电力电缆,低压配电主干线选用铜芯聚氯乙烯绝缘导线穿阻燃硬塑料管沿墙暗敷设;支线选用铜芯电线穿阻燃硬塑料管沿建筑物墙地面、顶板暗敷。
天津城市建设管理职业技术学院毕业设计说明书题目:某别墅照明供电系统设计作者:原金涛系别:能源机电系专业:建筑电气工程技术学号: 081002043指导教师:白秀生2011 年 5 月目录内容摘要 (1)一、绪论 (2)(一)花园式别墅概述 (2)(二)工程概述 (2)二、电气照明设计 (3)(一)照明设计概述 (3)(二)照明设计步骤 (4)(三)别墅各部分照明对设计的要求 (4)(四)照明设计的注意事项 (5)(五)照明设计的计算 (6)(六)插座设计 (12)三、配电系统的设计 (14)(一)配电系统概述 (14)(二)别墅配电设计要求 (14)(三)建筑供配电的负荷计算 (15)四、技术经济分析 (17)致谢 (19)参考文献 (20)内容摘要别墅照明节能一直是人们关心的问题,本建筑成功的降低功耗,节约成本。
但不减人们对建筑美感,舒适度。
本设计为花园式别墅2#楼电气设计,主要是强电:包括供配电系统设计、照明设计(灯具数量和种类的选择、照度计算及开关和插座的选择等)。
选题的性质、难度、份量本设计为花园式别墅 2#楼电气设计,与实际工程紧密结合,具有较强的实用价值。
选题的综合训练要求。
强电主要是了解了供配电系统的进线、配线方式,负荷计算;照明系统的灯具选择和开关控制。
关键词:电气,照度计算,照明配电系统的计算某别墅照明供电系统设计一、绪论随着人民生活水平的提高,居民家用电器的种类和数量也迅速增加,使生活用电量增长较快,以前别墅电气设计的容量选择及布线等方法已不能适应当前的实际情况,因此有必要就当前别墅的电气设计提出一些新的看法。
(一)花园式别墅概述花园式别墅的建设应从使用功能上为出发,以居民的“舒适、安全、方便”为目标,在此基础上做到“以人为本”、“节能为重”和“环境优先”;别墅智能化使物业管理更加高效、周到和系统,能够更好的为居民服务。
使得别墅智能化和建筑设计的初衷融汇一体,达到统一。
随着科学技术和信息技术的发展人们对居住和工作环境条件的改善会有更高的要求。
住宅小区照明供配电系统设计毕业设计论文住宅小区照明供配电系统设计摘要本设计为兰州铁路局下西院住宅小区12号楼照明供配电系统设计。
设计负荷等级为三级,进线电压为380/220V,户用电负荷为6kW。
设计内容包括:照度计算、负荷计算、导线及其截面的选择、低压断路器电流整定、设备制作及安装、等电位联接安装及防雷与接地系统设计。
本设计采用单位容量法进行照度计算,采用需用系数法进行负荷计算,按导线长期允许温升和电压损失选择导线截面,按线路最大工作电流和线路保护选择低压断路器。
照明回路和插座回路分别由不同回路供电,并在插座回路安装剩余电流保护器。
按三类防雷建筑物进行防雷设计,接地采用TN-S系统,并设计总等电位联结和局部等电位联结系统。
设计符合国家相关技术规程规范要求,设备选型合理,满足使用功能要求,能较好地指导施工。
关键词:住宅;照明;负荷计算;供配电系统;防雷AbstractThe design is entitled with electrical illumination design on the 12th residential building located in Xiaxi Courtyard of Lanzhou RailwayBureau. The load level of the project is designed as the 3rd hierarchy, and input voltage level is presented by 380/220V, and household load is designed as 6kW. The design contents include illumination calculation, load calculation, and the selection of circuits and cross sections, and the current setting of low voltage breaker, and equipments making and installation, and equiotential bonding, and as well as lighting protection and grounding system and so on.Firstly, unit capacity method is applied to implement illumination calculation, and the needed coefficient method is applied to implement the load calculation, and the cross sections of the circuits are selected according to long-term allowable temperature rise and voltage loss, and the low-voltage breakers are selected according to the imum working current and line protection conditions. Socket and lighting circuits are arranged in different supply loop, and leakage protection breaker is applied in socket loop. Lighting protection with the 3rd level is designed in accordance with specifications, and grounding system adopts TN-S system, and general equipotential connection, together local equipotential connection is designed.The overall design accords with the relevant technical regulation requirements. Equipments selection is reasonable so as to better meet the applicable functions, and be able to better guide the construction.Key Words:Residential,Illumination,Load calculation,Supply and distribution system,Thunder protection目录摘要IAbstract II目录III1 绪论11.1 工程背景 11.2 设计范围 11.3 设计依据 11.4 设计目标 11.5 本文的主要工作 22 照明平面图 32.1 单元照明平面图设计 32.1.1 照度确定 32.1.2 光源和灯具的选择 32.1.3 单位容量法计算各房间负荷 42.1.4 开关的选择 62.2 单元插座平面图设计 62.2.1 插座的配置 62.2.2 插座的选择 73 照明配电系统图 93.1 照明负荷计算 93.1.1 需用系数法 93.1.2 负荷计算103.2 导线、电缆及低压电器的设计 123.2.1 导线、电缆及低压电器设计原则123.2.2 导线、电缆及低压电器选择 134 箱体制作及安装 174.1 总配电箱的制作及安装174.2 分配电箱的制作及安装174.3 分户箱的制作及安装185 防雷接地系统与等电位联结安装 195.1 防雷接地系统设计195.2 等电位联结系统设计195.2.1 总等电位联接系统设计195.2.2 卫生间局部等电位联接系统设计19结论20致谢21参考文献22附录兰铁下西院住宅工程项目12号楼电气设计施工图231 绪论1.1 工程背景本设计为兰州铁路局下西院住宅小区工程项目12号楼的电气设计。
某别墅的电气设计毕业论文目录1 绪论 (1)1.1目的及意义 (1)1.2研究现状分析 (1)1.3基本任务 (1)2 电气照明系统设计 (3)2.1电气照明概述 (3)2.1.1照明的概述 (3)2.1.2照明设计的要求和一些应注意的问题 (3)2.2照明设计的目的和原则 (3)2.2.1照明设计的目的 (3)2.2.2照明的设计原则 (4)2.3照明的方式和种类 (4)2.3.1照明方式 (4)2.3.2照明分类 (4)2.4照明灯具的选择 (5)2.5照明计算 (6)2.5.1照明计算的依据 (6)2.5.2照度的计算 (7)3 开关和插座的选择 (9)3.1开关和插座的种类 (9)3.1.1开关的种类 (9)3.1.2插座的种类 (9)3.2开关和插座的安装要求 (10)3.3设计方案 (10)4 供配电系统设计 (12)4.1住宅配电设计要求 (12)4.2配电线路的保护 (12)4.3配电回路及其保护措施方案选择 (13)4.4负荷分级 (15)4.4.1供电系统的负荷分级 (15)4.5负荷计算 (16)4.5.1负荷计算的原则 (16)4.5.2负荷计算的方法 (17)4.5.3负荷计算 (18)4.6导线及断路器的选择 (22)5 防雷接地系统设计 (30)5.1防雷与接地系统概述 (30)5.1.1建筑物的防雷等级 (30)5.1.2一般的防雷措施 (31)5.1.3三级防雷建筑物的防雷措施 (31)5.2建筑物的防雷装置 (31)5.2.1引下线 (32)5.2.2接地装置 (32)5.2.3接地方式 (32)5.3建筑物年预计雷击次数 (34)6 火灾自动报警及消防联动控制系统 (35)6.1总则 (35)6.1.1消防系统的组成 (35)6.1.2消防系统的分类 (35)6.1.3消防系统的工作原理 (36)6.2火灾自动报警系统 (36)6.2.1火灾探测器 (36)6.2.2探测器数目的确定 (37)6.2.3探测器与区域报警器的连接方式 (37)6.2.4手动火灾报警按钮 (38)6.3消防联动控制系统 (38)6.3.1消防控制室 (38)6.3.2消防控制设备对消防系统或设备应有以下控制显示功能 (38)6.3.3线路的敷设 (38)7 弱电系统 (40)7.1有线电视系统 (40)7.1.1有线电视系统简介 (40)7.1.2系统的组成 (40)7.1.3有线电视系统的设计方法 (41)7.2电话通信系统 (41)7.2.1系统概述 (41)7.3对讲系统设计 (42)7.3.1系统结构和功能 (42)结论 (44)致谢 (45)参考文献 (46)附录A (47)附录B (49)附录C (56)1 绪论1.1目的及意义本设计过程是对本专业所学的内容进行一次全面系统的复习总结,并完善各个知识要点,可以更好地掌握本专业的基本理论和基本技能。
别墅亮化布线设计方案一、背景介绍在别墅亮化布线设计中,合理规划布线方案对于营造理想的照明效果和整体美观至关重要。
正确的布线设计不仅能提高照明设备的使用寿命,还能提高居住体验和生活质量。
本文将针对别墅亮化布线设计方案进行详细讲解,以期为读者提供有价值的参考和指导。
二、整体布线原则1. 以功能为导向:根据不同功能区域的需求,合理划分亮化布线区域,确保每个区域都能得到良好的照明效果。
2. 线路优化:采用最短线路连接照明设备,减少线路损耗,并降低安全隐患。
同时,合理规划线路容量,确保供电充足。
3. 安全可靠性:鉴于别墅居住需求较大,亮化布线设计时应确保电线、插座等设备的稳定性和安全性,防止过载和短路等问题的发生。
4. 全局协调:在布线设计中,注意与整体家居装饰风格相协调,避免出现过于随意或拥挤的线路布局。
三、不同区域的布线设计1. 室外照明区域:- 入口区:设置安全照明,包括门灯、门廊灯等,以便进出别墅时提供合适的照明亮度。
- 花园区:布置景观灯、地埋灯等,突出花园的美感,并提供合适的照明效果。
- 泳池区:设置池灯,使泳池更加显眼,同时保证夜间使用的安全。
2. 室内照明区域:- 走廊与过道:设置走廊灯,保证在夜间行走时的照明需求。
- 客厅与餐厅区:设计合理的顶灯、吊灯或落地灯,提供充足的照明亮度,营造温馨的氛围。
- 卧室与书房区:根据个人需求,选择合适的台灯、床头灯等,提供适宜的阅读和休息照明。
- 厨房与卫生间区:采用照明灯、吸顶灯等,确保工作台面和洗漱区域的照明明亮。
- 娱乐区:设置特殊照明设备,如背景灯、色彩灯等,创造出舒适愉悦的娱乐环境。
四、布线设计技巧1. 尽量避免暗角:在布线规划中,注意避免室内出现暗角,提高整体照明亮度。
2. 照明灯具的选择:根据功能需要,选择适合的照明灯具,并合理规划安装位置,使光线能够均匀照射到需要的区域。
3. 空间利用:合理利用墙面空间安装壁灯、装饰灯等,既美观又占用较少空间。
目录摘要 (1)ABSTRACT (2)第一章绪论 (3)1.1建筑电气技术概述 (3)1.2建筑电气技术的内涵 (3)1.3建筑电气的产业链形成 (4)1.4建筑电气技术的发展趋势 (5)第二章电气设计概述 (6)强点系统设计 (6)第三章照明系统设计 (7)3.1照明设计标准 (7)3.2照明质量 (8)3.3照明方式和种类 (10)3.4照明设计的步骤 (11)3.5照明电光源 (12)3.6照明控制系统 (15)第四章办公楼照明设计 (17)4.1确定照度标准值 (17)4.2照度计算 (18)4.3灯具的选择及计算 (19)4.4照明系统图说明 (22)第五章照明设计存在的问题及展望 (26)5.1设计总结 (26)5.2 照明设计展望 (26)参考文献 (30)摘要随着建筑技术的迅速发展和现代化建筑的不断出现,建筑电气所涉及的范围愈来愈广,所跨的学科也进一步加深加宽。
它已由单一的供配电、照明、防雷和接地,逐步发展成以近代物理学、电工学、机械电子学、光学、声学、自动控制、计算机技术等科学为基础的一门新兴学科。
本文主要针对设计对象(某高校一栋教学办公大楼照明工程的设计)论述建筑电气技术的现状及今后的发展趋势;电气照明技术的相关理论知识;电气照明设计的相关设计规范;照明设计相关的设计计算及设备的选择。
其中重点阐述了依据相关设计规范进行的灯具选择,灯具布置,导线断路器的选择。
最后总结了设计内容,并阐述了建筑电气设计新的发展方向—智能建筑。
围绕智能建筑的发展,介绍一些新兴技术在建筑电气设计中的运用,其中重点介绍了建筑电气照明新的发展趋势及相关照明智能控制的内容。
关键词:建筑电气设计照明设计智能照明AbstractWith the construction technology rapid development and the modernized construction unceasing appearance, the scope which the construction electricity involves is increasingly broad and this discipline is also much deeper and wider. It has been a newly arisen course from previous single power distribution illumination, anti-radar and earth to now science physics, electrical engineering, mechanical electronics, optics, acoustics, automatic control, computer technology and so on.The thesis mainly aiming at the design object ( Electric lighting about teaching administration building of five floors)elaborates the present situation of the construction electricity technology and the next development tendency and relates theory knowledge of Electric lighting technology , the correlation design standard of Electric lighting design and Illumination design relates design calculation and equipment choice. It is the most important to elaborate lamps and lanterns 、the lamps and lanterns arrangement and also the wire circuit breaker choice by the correlation design standard in the thesis.Finally, the thesis conclude the design contents and elaborate the new development direction of constructing the electricity – intelligent building. Around the development of the intelligent building, the usage of some newly arisen techniques are referred in the construction electricity design, mainly introduce the new development trend of the building electricity illumination and the contents about lighting intelligent control.Key words:Civil Building Illumination design Intelligence lighting第一章绪论建筑电气技术的发展,是随着建筑技术的发展、电气科技的发展而同步的。
天津城市建设管理职业技术学院毕业设计说明书题目:某别墅照明供电系统设计目录内容摘要 (1)一、绪论 (2)(一)花园式别墅概述 (2)(二)工程概述 (2)二、电气照明设计 (3)(一)照明设计概述 (3)(二)照明设计步骤 (4)(三)别墅各部分照明对设计的要求 (4)(四)照明设计的注意事项 (5)(五)照明设计的计算 (6)(六)插座设计 (12)三、配电系统的设计 (14)(一)配电系统概述 (14)(二)别墅配电设计要求 (14)(三)建筑供配电的负荷计算 (15)四、技术经济分析 (17)致谢 (19)参考文献 (20)内容摘要别墅照明节能一直是人们关心的问题,本建筑成功的降低功耗,节约成本。
但不减人们对建筑美感,舒适度。
本设计为花园式别墅2#楼电气设计,主要是强电:包括供配电系统设计、照明设计(灯具数量和种类的选择、照度计算及开关和插座的选择等)。
选题的性质、难度、份量本设计为花园式别墅 2#楼电气设计,与实际工程紧密结合,具有较强的实用价值。
选题的综合训练要求。
强电主要是了解了供配电系统的进线、配线方式,负荷计算;照明系统的灯具选择和开关控制。
关键词:电气,照度计算,照明配电系统的计算某别墅照明供电系统设计一、绪论随着人民生活水平的提高,居民家用电器的种类和数量也迅速增加,使生活用电量增长较快,以前别墅电气设计的容量选择及布线等方法已不能适应当前的实际情况,因此有必要就当前别墅的电气设计提出一些新的看法。
(一)花园式别墅概述花园式别墅的建设应从使用功能上为出发,以居民的“舒适、安全、方便”为目标,在此基础上做到“以人为本”、“节能为重”和“环境优先”;别墅智能化使物业管理更加高效、周到和系统,能够更好的为居民服务。
使得别墅智能化和建筑设计的初衷融汇一体,达到统一。
随着科学技术和信息技术的发展人们对居住和工作环境条件的改善会有更高的要求。
建筑电气工程必须与之相适应才能充分发挥现代建筑的功能,满足人民日益增长的物质文化生活的需要。
建筑电气设计要突出以人为本的设计原则。
设计不但要做到适用、安全、节能、经济、方便、美观、便于安装与维修,而且还要适应时代的发展在经济条件许可的情况下设计尽可能高起点、具有超前性并采用经过国家认定评估推荐的新材料和新产品,运用研究开发的新技术成果提高科技含量。
(二)工程概况国内现状:别墅的电气设计是别墅设计的一个重要组成部分,他对于别墅建筑的美观、实现别墅建筑的使用功能、保障居住者的生命财产安全、降低别墅造价,均具有一定的影响。
目前,别墅电气设计的理论体系和实践经验虽然日趋成熟,但在别墅电气设计实践中,仍有一些问题值得进一步探讨。
近年来随着国民经济的发展,人民生活水平的提高,全国各地尤其是人口密集的大城市为了改善人们的居住条件,其房地产业、安居工程不断扩大和发展。
一些富裕起来的人们都相继搬进了新居。
这无疑是件大好事,但有关部门的调查回访得到的信息是房屋电气的设计容量往往偏小,经常出现过负荷跳闸或导线被烧现象;有的房间插座偏少,插座布置不合理;还有的忽视了浴室的辅助电位联结。
某些高层别墅地下室人防工程,可能是开发商为了减少投资,也可能是设计上的不合理,有些人防工程战时预留管线和设备不到位,位置走向不合理,有些管线竖井强电、弱布线没有采取隔断措施,有些在管道井敷设的电缆仍采用含卤浓度较高的聚氯乙烯电缆。
在全国乃至世界,对火灾事故的调查结果表明,其电线绝缘老化,引起短路着火比例占火灾事故的一半以上。
本设计为花园式别墅 2#楼的电气设计。
该楼占地面积约 300 平方米,本设计强电部分为:配电系统设计、电气照明及插座设计设计。
本设计图纸共二张(见附图1附图2),即二张照明平面图供配电设计:旧的别墅供电方式一般都在附近 10kV 变压器台低压侧直接引电源至小区,而且一个变压器台所带的负荷也比较大,大多数变压器台同时供应几个小区和一些零散的别墅群的生活用电,造成变压器台经常过载,在夏季用电高峰期更加严重,经常造成 10kV 线路过载跳闸,甚至有时造成变压器过载烧坏。
另外,人们对供电可靠性(这里指停电时间)要求也不断提高。
因此,我们对新建别墅的供电方式应该有所改变。
(1)在新建别墅内配套建配电房。
配电房由配电室和变压器室组成,高、低压进出线均采用电缆并敷设于电缆沟或电缆保护管内。
如果一些别墅公用面积较小,也可以采用预装式变电站(美式箱变),这样可以节约用电,但投资比前者大些。
(2)供电方式有多种选择。
其一,10kV 高压侧双电源进线(该方式可以通过分段开关或箱式变的四工位开关来实现环网功能),经联络开关柜后至变压器;低压侧采用单母线分段,正常情况下分段运行。
其二,10kV 高压侧单电源进线,低压侧单母线分段或不分段。
前一种方式可靠性较高,但投资大,适用于较高档的别墅,特别是有高层建筑的别墅;后一种方式可靠性较前一种低,但投资省。
从目前的情况来看,后一种方式的供电可靠性已能够满足普通的生活用电,一般采用后种方式,但考虑以后的发展,配电室应该预留有安装高压进线柜的位置。
综合以上两点,当前别墅应该配套建立配电房或箱式变;同时,10kV电源进线应该预留 2 回进线位置(以保证供电可靠性及环网功能的实现),首期可以根据实际情况只接入 1 回 10kV 进线。
本设计采用需用系数法计算并确定用户的计算负荷和短路电流,并将其作为选择断路器、电线电缆、电度表、隔离开关等低压电器设备的依据。
电气照明及插座:照明系统的设计是在照度要素和要求的基础上,满足照度均匀度,亮度均匀度,眩光的限制与利用,颜色对比,阴影的处理,照度的稳定性等的要求,利用单位容量法对光源和灯具进行选择和布置。
然后根据各回路的计算电流来选择使用的开关,插座,导线,断路器等器件。
根据规范要求对别墅内的插座进行布置,其中热水器、燃气炉和空调插座由单独回路供电。
节电的设计方案,应根据技术先进、安全适用、经济合理、节约能源和保护环境的原则确定。
采用合理的配电方式,采用高效率变压器、电动机和照明光源、无功功率补偿装置和设备监控电脑系统等措施。
这里就涉及到供电电源要求、高低压配电线路、变电所、用电设备等一系列的问题。
二、电气照明设计(一)照明设计概述如今的城市,缺少了夜生活几乎是不能想象的。
这其中,照明技术做了不可替代的作用。
天然照明受到自然条件的限制,不能根据人们的需求得到随时可用,明暗可调,光线稳定的采光。
当黑暗来临或光线不足时,往往需要工人照明,在有些场合,为了突出某种特定气氛,也采用人工照明的方法。
建筑电气照明设计能保证人们从事正常的生产、生活、延长人们享受生活的时间。
本设计的照明设计的主要任务是根据实际生活条件和要求,结合经济技术的可能性,选择配光合理的光源,合理的照度分布,从而达到美观、舒适的效果。
内容主要包括光源的选择、灯具的布置、照度计算等方面,目的是要增强整个设计方案的适用性、安全性、现代性和可拓展性,符合以人为本的宗旨。
⑴照明的组成:电气照明是有照明和灯具设计和照明灯具设计两部分组成的。
照明供电包括电能的生产、输送、分配、控制。
它由电源、导线、控制和保护设备及用电设备组成。
照明灯具设计包括选择光能的产生、传播、分配和消耗吸收,它由光电源、灯具、室内外空间、建筑物表面和人的工作面组成。
⑵照明设计的内容:建筑电气照明设计包括确定电源和供电方式,选择照明配电网形式,选择电气设备、导线和敷设方式。
照明灯具设计应包括内容有:选择照明方式、选择电源、确定照度标准选择照明灯具并进行布置、进行照度计算和确定光源的功率。
⑶照明设计的原则:电气照明设计的原则是安全、适用、经济、美观。
即电气设计首先要考虑的是安全、运行可靠、安装和维护方便。
适用是指能够提供必要的照明质量以满足工作、生活和学习的需要。
经济性包括两方面:一是采用先进的科学技术充分发挥照明设备的效益,以减少费用获得较大的照明效果;照明器具具装饰房间、美化环境的作用应结合建筑设计作合理的安排。
(二)照明设计的步骤本设计中电气照明设计的基本步骤:⑴根据规范要求对照明场所的视觉工作要求以及室内环境情况确定设计照度。
⑵综合规范要求以及室内装饰的色彩对配光和光色的要求选择光源和灯具。
⑶综合考虑住户要求来选择照明方式和布置灯具的方案,使室内照明场的所光照环境更为理想。
⑷按照综合布灯方案,验算室内的照度值并确定照明场所的灯具容量和数量。
⑸综合上述因素确定照明控制方案和配电系统方案。
⑹计算各支线、支干线的计算电流。
选定导线型号和截面,穿线保护管的材质和管径。
⑺选择空气断路器、电度表以及其他保护装置的规格和型号。
⑻绘制照明设计平面图。
(三)别墅各部分照明对设计的要求1、起居室的照明设计起居室或客厅是招待客人、朋友聚会以及进行其他一些活动场所,有的还具备餐厅功能。
因为其人员活动较多,所以对照明的要求也较高。
照明要适应环境亮度和气氛的变化而选用不同的光源。
照明灯具的选择也应和吊顶取得一致,如果顶棚装饰豪华,最好选用光线可以达到顶棚的悬挂式或吸顶式照明器;对室内重点照明可以辅以局部照明,如投光灯,窗帷照明等。
如果要造成欢乐的气氛,还可以采用花灯照明。
照明控制应满足不同需要时的启闭,所以开关位置应设在出入口或便于出入启闭照明灯的地方。
以便人们能方便的对灯具进行控制。
2、卧室的照明设计:卧室是睡眠和休息的场所。
因其功能的不同对照明的要求也不同:睡眠时室内光线要低柔,可以选用床边脚灯;穿衣时,要求匀质光,光源要从衣镜和人的前方上部照射,避免产生逆光;卧室通常还兼做家庭主妇的化妆用房,化妆时的照明要尽可能选用显色性好的光源不要从正前方照射脸部,最好两侧也有辅助灯光防止化装不均匀。
人们在卧室内往往还要进行一些家务或阅读书报活动,因此应设置一些插座,便于增设台灯,作为辅助光源。
3、厨房的照明设计:厨房实际上是一种工作室,因此它需要事实上无阴影的常规照明。
要照亮所有的表面,不仅是水平工作面,还包括垂直工作面以方便在碗碟橱中寻找东西。
隐藏式顶棚灯或向上照射的灯能够提供基本的背景光。
使用灯具的数目决定于房间的大小。
工作面上的条形照明提供了工作所需的明亮的光。
它们大多通常隐藏在安装在墙壁上的装置之下。
光源安置在这些装置之上,光线有装饰顶棚的效果。
聚光灯可以被用来突出某一特征,或者在.炊具或排放着碟子。
如果您有一个两倍饭厅那么大的厨房,可以用照明来模糊它与烹饪区的界线,并将它们分离开来。
例如,贴近桌面向下照射在其上的温暖的光将创造出一个亲密的空间,并将人们吸引到桌子周围。
侧灯、台灯或立式灯,多半带有一个浅褐色或陶器颜色的灯,将提供一个完全不同的,柔和的就餐氛围。
最后的技巧-卤素照明充分利用了您的食物的本来颜色。
自然的白光确实使您的食物看起来更加多彩而可口。
如果厨房内有专用的配菜台或厨房用餐,则在它的上方应采用悬式照明器。