冷冲压期末考试及答案
- 格式:doc
- 大小:656.00 KB
- 文档页数:3
2、压力机的型号是JA31-25,压力机的公称压力为 D 。
A、31KNB、250KNC、2500KND、以上都不是3、冲裁模的凸、凹模间隙增大时,冲裁力会 B 。
A、增大B、减小C、没影响D、不能确定4、冲裁件的端面粗糙度Ra一般可达到 D 。
A、小于1.6μmB、小于6.3μmC、3.2~12.5μmD、大于12.5μm5、材料的塑性越好,材料的最小相对弯曲半径 A 。
A、越小B、越大C、没影响D、不确定。
6、弯曲U形件时,凸、凹模之间隙值越大,回弹角 B 。
A、越小B、越大C、没影响D、不确定。
7、加工一个弯曲件,要做一套弯曲模,一套落料模,制造顺序一般是 C 。
A、先做好落料模,后做弯曲模B、先后顺序没什么影响C、先做好弯曲模,试模确定坯料尺寸后再做落料模D、不能确定。
8、复合模中同时具有落料凸模和冲孔凹模作用的零件称为 C 。
A、凹模B、凸模C、凸凹模D、不确定。
9、冲裁时,板料内裂纹首先出现在 B 模侧。
A、凹外B、凹内C、凸下D、凸外10、弯曲件回弹量主要决定于材料的 A 。
A、屈服极限B、外表颜色C、剪切强度D、其它11、斜刃冲裁比平刃冲裁有 C 的优点。
A、模具制造简单B、冲件外形复杂 C 、冲裁力小D、冲裁力大12、金属应力状态中,如果压应力个数 A ,数值,则塑性好。
A、多大B、少小C、多小D、少大13、落料指用落料模沿封闭轮廓冲裁工件或毛坯,冲掉部分是 A 。
A、零件B、既是零件又是废料C、既不是零件又不是废料D、废料14、冲裁模中的凸凹模属于 A 。
A、工作零件B、定位零件C、导向零件D、支承零件1、冷冲压工艺方法可分为分离工序、成型工序。
2、冲裁变形过程分为:弹性变形、塑性变形、断裂分离三阶段。
3、冲裁件的断面分为:塌角、光面、毛面、毛刺4、变形温度对金属塑性的影响很大,一般来说,随着变形温度的升高,塑性提高,变形抗力降低。
56、弯曲件的坯料长度应等于中性层的展开长度。
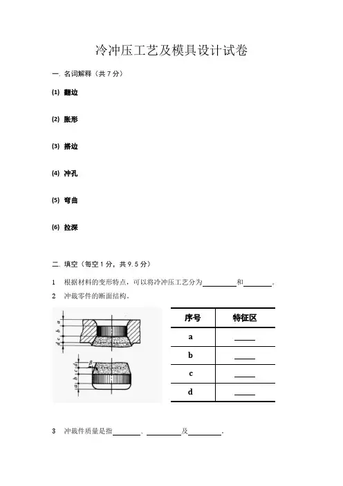
冷冲压工艺及模具设计试卷一.名词解释(共7分)(1)翻边(2)胀形(3)搭边(4)冲孔(5)弯曲(6)拉深二.填空(每空1分,共9.5分)12冲裁零件的断面结构。
3冲裁件质量是指、及。
4板料弯曲时,不产生拉变形和压变形的区域是。
弯曲件毛坯展开长度的计算依据是。
5圆筒件拉深件的毛坯尺寸计算原则是和原则。
6拉深过程中的辅助工序有、、。
7圆筒拉深过程中的质量问题主要是凸缘变形区的和筒壁传力区的。
8称为最小相对弯曲半径,它是衡量弯曲变形程度大小的重要指标。
三.判断题(共7分)(1)凸模做成阶梯形,可以增加强度。
(2)固定卸料装置兼卸料及压料作用,冲件质量较好,平直度较高。
(3)胀形、内孔翻边均属于伸长类变形,其主要质量问题是拉裂。
(4)冲裁间隙过大时,断面将出现二次光亮带。
(5)复合模的凸凹模壁厚最小值与冲模结构有关,正装复合模所允许的凸凹模最小壁厚比倒装复合模所允许的凸凹模最小壁厚大。
(6)从应力状态来看,窄板弯曲时的应力状态是平面的,而宽板弯曲时的应力状态则是立体的。
(7)拉深件的壁厚不均匀的,下部壁厚略有增厚,上部有所减薄。
四.影响因素分析(共16分)1下图分别出现了什么工艺质量问题,如何防止此类问题出现?(10分)2下面塑性弯曲时会产生什么现象?影响因素是什么?防止的措施是什么?(6分)五.工艺计算(第1题5分,第2题10分,共15分)1计算图示圆筒件(材料:08F,料厚为1mm)所需的拉深次数和各次拉深的直径。
(毛坯直径为83㎜,各次极限拉深系数m1=0.515、m2=0.755、m3=0.785、m4=0.805)2如图所示零件,材料为D42硅钢板,材料厚度为0.35mm。
用配做加工方法,试确定落料凸、凹模的刃口尺寸。
六.简答题(共11分)1降低冲裁力的方法有哪些?(3分)2试述冲裁间隙大小与冲裁件断面质量的关系。
(4分)3倒装式复合模和正装式复合模的区别是什么?说出各自的特点。
(4分)七. 应力应变分析(共11.5分) 1 冲裁应力应变分析。
复习题:1.根据虫产统计,正常搭边比无搭边冲裁时对模具寿命影响小。
2.降低冲裁力方法。
(1)阶梯凸模冲裁(2)斜刃冲裁(3)加热冲裁3.送料导向、送料步距。
在与条料方向垂H的方向上的限位,保证条料沿正确的方向送进,称为送进导向。
在送料方向上的限位,控制条料一次送进的距离,称为送料步距。
4.筒件拉深过程中,主要变形区足?平面凸缘部分5.总的拉深系数小于极限拉深系数,是否可以一次拉深成型。
不能6.拉深过程中,凸缘平而部分材料在径向和切向应力的性质(拉应力还是压应力?径向拉应力,切向压应力)7.內孔翻边特点是:坐标网络由扇形变成丫矩形,说明金属沿切向仲长,越靠近孔门仲氏越大。
金属在径14 变形很小。
竖边的擅厚冇所减薄,尤其在孔门处减薄较刃敁著。
8.—般米说,弯曲件愈复杂,一次弯曲成形角的数量愈多,则弯曲吋各部分相互牵制作用愈人,问弹人小?回弹越小9.弯曲件的弯曲线与板料的纤维方向平行时(或乖直)时,ii小弯曲半径大小关系。
如果折弯线与板料纤维方向平行,nnin/t的数值最大;垂直时,最小相对弯曲半径rmin/t的数值最小。
10.金属材料发生塑性变形吋,体积会发虫变化,“伸长类”和“压缩类”变形会使体积增大还是减小?增大10.材料的屈强比与材料变形抗力小、抵抗破坏的能力、对冷冲压成形工艺利弊?一般来说,材料的屈强比小,说明材料变形抗力小,而抵抗破坏的能力强,这样对冷冲压.成形T艺宥弊:相反,屈强比大,则冇利。
11.冲裁模具间隙设计的原则是:间隙值的大、小与模具寿命关系。
间隙值越小,磨损越严重,夯命越短;较人的合理间隙可使凸模侧而及材料间的摩檫减小,并减缓制造和装配精度的限制而出现间隙不均匀的不利影响,从而提高模其寿命。
12.冲裁模的弹性卸料装置一般通过弹簧或齐橡皮的作用来进行卸料,在冲压时弹性卸料装置既可以卸料又可以压料,特別适合于在制件耍求平整的复合模具上使用。
(V)13.复合冲裁模正装式冲裁模,还是倒装。
基础冷冲压试题及答案一、单项选择题1. 冷冲压加工中,材料的塑性变形主要发生在哪个阶段?A. 加载阶段B. 卸载阶段C. 弹性变形阶段D. 塑性变形阶段答案:D2. 冷冲压加工中,材料的塑性变形一般不发生在哪个阶段?A. 加载阶段B. 卸载阶段C. 弹性变形阶段D. 塑性变形阶段答案:B3. 冷冲压加工时,材料的塑性变形与弹性变形的主要区别是什么?A. 塑性变形可逆B. 弹性变形不可逆C. 塑性变形不可逆D. 弹性变形可逆答案:C4. 冷冲压加工时,材料的塑性变形与弹性变形的主要区别是什么?A. 塑性变形可逆B. 弹性变形不可逆C. 塑性变形不可逆D. 弹性变形可逆答案:D5. 冷冲压加工中,材料的塑性变形发生在哪个阶段?A. 加载阶段B. 卸载阶段C. 弹性变形阶段D. 塑性变形阶段答案:D二、多项选择题1. 冷冲压加工中,影响材料塑性变形的因素包括哪些?A. 材料的化学成分B. 材料的微观组织C. 加工温度D. 加工速度答案:ABCD2. 冷冲压加工时,以下哪些因素会影响材料的塑性变形?A. 材料的化学成分B. 材料的微观组织C. 加工温度D. 加工速度答案:ABCD三、判断题1. 冷冲压加工中,材料的塑性变形是可逆的。
答案:错误2. 冷冲压加工中,材料的弹性变形是不可逆的。
答案:错误3. 冷冲压加工时,材料的塑性变形与弹性变形的主要区别在于塑性变形不可逆。
答案:正确4. 冷冲压加工中,材料的塑性变形发生在加载阶段。
答案:正确四、简答题1. 简述冷冲压加工中材料塑性变形的特点。
答案:冷冲压加工中,材料的塑性变形是在材料的屈服点以上进行的,此时材料发生永久变形,且变形不可逆。
塑性变形通常伴随着材料的硬化,即随着变形量的增加,材料的屈服强度也会增加。
2. 描述冷冲压加工中材料弹性变形与塑性变形的区别。
答案:弹性变形是指材料在外力作用下发生形变,当外力去除后,材料能够恢复到原来的形状和尺寸。
而塑性变形是指材料在外力作用下发生永久性的形变,即使外力去除后,材料也不能恢复到原来的形状和尺寸。
欢迎共阅《冷冲压工艺及模具设计》考试试题(1)适用专业模具专业时量:120min 闭卷记分学生班级姓名学号一、填空:(每小题2分,共20分)1、冷冲压工艺有两大类,一类是,另一类是工序。
2345678910、在JB23-1、冲裁:2、连续模:31、指出下面OA段:BC段:23(15分)五、计算题:(24分)1、计算下例弯曲件毛坯尺寸,并确定凸凹模尺寸。
材料为Q235,t=2.0mm,尺寸32为未注公差Δ=0.62,δd=0.03,δp=0.02,Z=1.1t,C=3.0。
(12分)2、确定下例拉深件需几次才能拉深完成,并确定各次拉深系数。
拉深系数值见下表示,材料为08钢,t=2mm,毛坯直径D=283mm,零件图如下图示。
(12′)六、编织加工下例零件时的合理工艺路线,并说明各道工序采用何种类型的模具?材料为08钢。
(14分)《冷冲压工艺及模具设计》考试试题(2)一、填空:(每小题123456、冲裁力是对板料的压力。
7、设计冲孔模时以为基准,间隙取在8、弯曲时,零件尺寸标注在内侧时凸凹模尺寸计算以为基准9、在JB23-63型压力机的型号中,63表示。
10、上模板与导套的配合为,导柱与导套的配合为。
二、判断题:(每小题2分,共10分)(对的打√,错的打×)1、拉深工序中的退火主要是为了降低硬度提高塑性。
()2、在确定工序顺序时,一般是先冲孔再拉深。
()3、冷冲压加工是属于无屑加工。
()4、一个直径为D的圆形零件,在中心胀形后其直径不变。
()5三、名词解释:(每小题4分,共16分)1、模具闭合高度;2、冲裁精度;3、连续模;4、冷冲压;五、计算题:(27分)=0.03,δp=0.02,Z=1.1t,C=3.0。
(12′)d,毛坯直径D=283mm,零件直径φ=90,零件图如下图示。
(15分)《冷冲压工艺及模具设计》考试试题(3)适用专业模具专业时量:120min 闭卷记分学生班级姓名学号一、填空:(每小题2分,共20分)1、拉深时拉深件不能一次拉深成形的条件是。
冷冲压复习(有答案)一、填空题1、冷冲压是利用安装在压力机上的冲模对施加压力,使其产生或者,通常在温下进行。
4、伸展件的伸展回转就是指制件伸展后和出现发生改变,存有回转和回转,设计模具时首先必须确认值。
6、拉深制件的变形程度既可用来表示,也可用拉深制件的来表示,当m>〔m1〕(换算值),可以推论制件拉深次即可。
7、旋转体拉深件毛坯尺寸计算原则是、。
8、冲裁模具刃口尺寸的计算方法存有和,通常建议其加工精度比制件加工精度高级,生产中常使用做为配作件。
9、冲压加工的三大基本工序是、和。
11、制件排样的目的是一般排样可用来表示。
12、弯曲是指,弯曲制件最易出现的缺陷是和。
13、降低冲裁力常采用的措施有、、。
14、相乎的促进作用就是、、等,通常用法确认该值,其值的大小影响了材料的。
15、生产中常用来表示拉深的变形程度,该工艺常出现的问题是和,增加压边圈可控制。
17、无论什么类型的模具,基本结构通常存有、、、和。
18、落料凹模在上模的叫做无机模,而落料凹模在下模的叫做无机模。
19、普通模架在“国家标准”中,按照导柱导套的数量和位置不同可分为:对角导柱、中间导柱、四角导柱、后侧导柱四种模架。
20、模具的压力中心就是跳压力的合力的作用点,谋压力中心的方法就是谋空间平行力系的合力的作用点。
21、要使冷冲压模具正常而平稳地工作,必须使模具压力中心与模柄的轴心线重合(或偏移不大)。
22、弹性卸料装置除了起卸料作用外,还兼起压料作用。
它一般用于材料厚度相对较薄材料的卸料。
23、侧刃常被用于定距精度和生产效率要求高的连续模,其作用是控制条料进给方向上的进给步距。
24、在连续模中,条料进给方向的定位有多种方法,当进距较小,材料较薄,而生产率较高时,一般选用侧刃定位较合理。
25、普通冲裁件断面具备圆角拎、明亮拎、断裂带、和毛刺区四个显著区域。
26、伸展件最难发生影响工件质量的问题存有弯裂、偏转和回转等。
27、伸展校正力的计算公式就是f校=ap,其中p则表示单位校正压力。
冲压工考试:冲压工考试考试题及答案(最新版) 考试时间:120分钟 考试总分:100分遵守考场纪律,维护知识尊严,杜绝违纪行为,确保考试结果公正。
1、填空题 冷冲压工序分为( )工序和( )工序两大类。
本题答案: 2、填空题 冷冲模按工序组合形式可分为( )和( )。
本题答案: 3、判断题 下料模具之冲剪间隙与工件无密切关系。
( ) 本题答案: 4、问答题 什么是冷冲压?什么是热冲压?各有什么优缺点? 本题答案: 5、单项选择题 冲制正三角形成品(材料厚度为1mm ),每边80mm ,材料的抗剪强度为360N/mm2冲裁力大概是多少( )。
A.7.8吨 B.8.7吨 C.9.2吨 D.10吨 本题答案: 6、判断题 板料的弯曲半径与其厚度的比值称为最小弯曲半径。
( )姓名:________________ 班级:________________ 学号:________________--------------------密----------------------------------封 ----------------------------------------------线----------------------本题答案:7、判断题冲压机床只能双手按钮。
()本题答案:8、单项选择题多工位级进模适合于冲件尺寸较()。
A.大B.小C.高D.低本题答案:9、判断题模具不用时,为了储存方便,最好是上、下模具折开,分别放置。
()本题答案:10、填空题模具安装前,应先检查机床台面上及冲枕底面是否有()或者()。
本题答案:11、填空题成形工序是指坯料在()而获得一定形状工件的加工方法。
本题答案:12、填空题冲压设备有很多种类,一般可分为()压力机、()压力机、()压力机和()压力机分类。
本题答案:13、填空题回复是指在不太高的加热温度下,金属的强度稍有(),塑性稍有()的现象。
这时晶粒的大小和形状都没有改变,只是由于加热后使原子活动能力增强,从不稳定的位置恢复到较为稳定的位置。
一、填空题1、一般常用的金属材料在冷塑性变形时,随变形程度的增加,所有强度指标均(增加),硬度(增加),塑性指标(降低)称加工硬化现象。
2、屈强比,(屈强比小),对所有冲压成型工艺有利。
3、冷冲压工序分(分离工序)、(成形工序)。
4、冲裁,冲裁工艺分(冲孔)和(落料)。
5、冲裁变形大致可分为(弹性变形)(塑性变形)(断裂分离)三个阶段。
6、冲裁断面由(圆角带)(光亮带)(剪裂带)(毛刺)组成。
7、(模具压力中心)与模柄轴心重合。
8、“国家标准”中模架分为(对角导柱)(中间导柱)(四角导柱)(后侧导柱)。
9、压边装置分为(橡胶压边装置)(弹簧压边装置)(气垫压边装置)。
10、落料时,以凹模为基准配制凸模。
11、冲孔时,以凸模为基准配制凹模。
12、按工序组合程度分(单工序模)(复合模)和(级进模)。
13、复合模在结构上的主要特征有一个既是冲孔的凹模又是落料的凸模,称凹凸模。
14、相对弯曲半径(r/t)表示弯曲程度。
15、弯曲时,当外载荷去除后,塑性变形保留下来而弹性变形会完全消失,使弯曲件的形状和尺寸发生变化而与模具尺寸不一致这种现象叫(回弹),其表现形式有(曲率减小),(弯曲中心角减小)两个方面。
16、弯曲件最容易出现影响工件质量的问题(弯裂)(回弹)(偏移)。
17、在筒形件拉深中如材料板平面各导向性指数△r越大则凸耳的高度(越大)。
18、拉深件的壁厚不均匀,下部壁厚略有(减薄)上部(增厚)。
19、拉深后的工作直径和毛坯直径比,称拉深系数m’,m’越小变形程度越大。
20、材料组织均匀屈强比(小)塑性好、板平面方向性小板厚方向系数大、硬化指数大的板料,极限拉深系数小。
21、拉深变形程度用(拉深系数m’)表示。
22、拉深模中压边圈的作用是防止工作在变形过程中发生(起皱)。
23、拉深工序易出现缺陷为(起皱)(拉裂)等。
二、选择题1、在冲裁模的结构类型中精度最高的是(复合模)。
2、冷冲模上模座通过(模柄)安装在压力机的滑块上。
得分一、判断题(正确的打√,错误的打×)(每题2分,共20分)1.()冲模的制造一般是单件小批量生产,因此冲压件也是单件小批量生产。
2.()压力机在一次行程只完成一道工序的冲模都是单工序模。
3.()无模柄的冲模,可以不考虑压力中心的问题。
4.()落料是用冲模沿封闭线冲切板料,冲下来的部分为废料。
5.()冲裁时,冲压力是由冲裁力、卸料力、推料力及顶料力四部分组成。
6.()当弯曲件的弯曲线与板料的纤维方向平行时,可具有较小的最小弯曲半径。
7.()自由弯曲比校正弯曲有利于减小回弹。
8.()拉深系数 m 恒小于 1 , m 愈小,则拉深变形程度愈大。
9.()拉深时,拉深件的壁厚是不均匀的,上部增厚,愈接近口部增厚愈多,下部变薄,愈接近凸模圆角变薄愈大。
壁部与圆角相切处变薄最严重。
10.()材料塑性越好,所允许的最小相对弯曲半径值越大。
得分二、填空题(将正确的答案填到题目的空格处)(每空2分,共20分)1.冷冲压是建立在金属塑性变形的基础上,在常温下利用安装在上的对施加压力,使其产生或,从而获得一定形状、尺寸和性能的零件的一种压力加工方法。
2.卸料板分为卸料板和卸料板两种形式。
3.复合冲裁模中的凸凹模是兼有冲孔和作用的工作零件。
4.弯曲模的弯曲角度、弯曲半径,常需在中修正。
5.把毛坯拉压成空心体,或者将空心体拉压成外形更小而板厚没有明显变化的空心体的冲模称为模。
得分三、选择题(将正确的答案序号填到题目的空格处)(每题2分,共20分)1.以下项不是冷冲压加工的特点。
A、材料利用率高B、适合批量化生产C、易于实现机械化与自动化D、制品成本较高2.冲裁件外形和内形有较高的位置精度要求,宜采用___ __ 。
A 、导板模B 、级进模C 、复合模3.对角导柱模架上、下模座工作平面的横向尺寸一般 __ __ 纵向尺寸,A 、小B 、大4.凸模与凸模固定板之间采用_ _配合,装配后将凸模端面与固定板一起磨平。
《冷冲压模具设计Ⅱ》课程考试试卷(A卷)五、计算题(10分)已知中性层系数x=0.27,计算如图所示工件坯料的展开长度。
(单位:mm)六、看图回答问题(20分)如图所示是一套级进模,请写出数字1-7代表的零件名称(7分),并叙述该套模具的工作过程(13分)。
《冷冲压模具设计II 》课程考试试卷评分标准及参考答案一、选择题(每小题2分,共20分)1.A 2.B 3.C 4.B 5.C 6.C 7.A 8.A 9.B 10.A二、填空题(20分)1.分离工序,成形工序 2.曲柄压力机,摩擦压力机,油压机 3.过小、过大 4.排样5.0D +∆,0d -∆ 6.冲模的压力中心,重合 7.2 8.导正销、挡料销、侧刃 9.垂直10.两端,中间,定位三、判断题(每小题1分,共10分)1.√ 2.× 3.√ 4.× 5.× 6.√ 7.√ 8.√ 9.× 10. ×四、 简答题(共20分)1.请叙述冷冲压加工的特点,试例举三个冷冲压的应用实例。
(6分)1)冷冲压加工是少、无切屑加工方法之一,是一种省能、低耗、高效的加工方法,因而冲件的成本较低。
2)冷冲压件的尺寸公差由模具保证,具有“一模一样”的特征。
3)冷冲压可以加工壁薄、重量轻、形状复杂、表面质量好、刚性好的零件。
4)可以节省材料。
5)冲压加工生产效率高。
6)操作简单,容易,非熟练人员也能操作。
2、回弹的表现形式有哪些?(请作图并用文字叙述)(9分)表现形式:(1)弯曲半径增大 (2)弯曲件角度增大3、在拉深过程中坯料产生起皱现象的根本原因是什么?防止起皱的方法有哪些?(5分)材料所受切向压应力过大所造成起皱。
防皱:加压边圈(弹性和刚性),加大压边力,改进工序件的形状。
五、计算题(10分)=(20-2-2.5)x2+(32-2x2-2.5x2)+3.14x90/180(2.5+0.27x2)x2 =63.5mm 六、看图回答问题(20分)如图所示是一套级进模,请写出数字1-7代表的零件名称(7分),并叙述该套模具的工作过程(13分)。
《冷冲压工艺与模具设计》试卷(课程代码:01622)一、选择题( 每题2分,共20分)1.冷冲压工序分为___工序两大类。
A分离工序;B冲裁;C拉深;D塑性变形2.冲裁模的间隙应当___模具导向件的间隙。
A、小于;B、等于;C、大于;D、小于等于。
3 、落料时,其刃口尺寸计算原则是先确定___ 。
A 、凹模刃口尺寸B 、凸模刃口尺寸C 、凸、凹模尺寸公差4.在连续模中,条料进给方向的定位有多种方法,当进距较小,材料较薄,而生产效率高时,一般选用___定位较合理。
A、挡料销,B、导正销,C、侧刃,D、初始挡料销.5.冲裁间隙对冲裁件的尺寸精度有一定影晌。
一般情况下,若采用间隙过大时,落料件尺寸___凹模尺寸。
A 大于; B、小于; C、等于;D大于等于6 、对T 形件,为提高材料的利用率,应采用___ 。
A 、多排B 、直对排C 、斜对排7 、为使冲裁过程的顺利进行,将梗塞在凹模内的冲件或废料顺冲裁方向从凹模孔中推出,所需要的力称为____ 。
A 、推料力B 、卸料力C 、顶件力8 、冲裁件外形和内形有较高的位置精度要求,宜采用___ 。
A 、导板模B 、级进模C 、复合模9 、弯曲件在变形区的切向外侧部分___。
A 、受拉应力B 、受压应力C 、不受力10.相对弯曲半径r/t表示___A、材料的弯曲变形极限:B、零件的弯曲变形程度,C、弯曲难易程度。
二、填空题(每题2分,共20分)1.冷冲压工艺是在常温下,在压力机上,利用模具对材料施加压力,使其产生_________从而获得所需零件的一种压力加工方法。
2.要使冷冲压模具正常而平稳地工作,必须要求____________与模柄的轴心线要求_______。
3.普通冲裁件断面具有________________________和______区四个明显区域4.落料时,应以______为基准配制______,凹模刃口尺寸按磨损的变化规律分别进行计算。
5.冲孔时,应以______为基准配制______,凸模刃口尺寸按磨损的变化规律分别进行计算。
影响金属塑性的因素有__金属成分和组织结构、_变形温度、_变形速度、_应力状态、_尺寸因素。
一般常用的金属材料在冷塑性变形时,随变形程度的增加,所有强度指标均_增加,硬度也_增加,塑性指标_降低,这种现象称为加工硬化。
冲裁变形的过程大致可以分为_弹性变形,_塑性变形,_断裂分离三个阶段。
在压力机的一次行程中,_完成一道_冲压工序的冲模称为单工序模。
在条料的送进方向上,具有__两个以上的工位_,并在压力机的一次行程中,在不同的工位上完成_两道或两道以上_的冲压工序的冲模称为级进模。
在压力机的一次行程中,在模具的__同一位置_,完成__两道或两道以上的工序_,叫复合模。
级进模中,典型的定位结构有_挡料钉及导正销和__侧刃等两种。
采用弹压卸料装置和下出件方式冲裁时,冲压力等于__冲裁力_、_卸料力__、___推料力之和;采用刚性卸料装置和下出料方式冲裁时,冲压力等于__冲裁力_、_推料力_之和;采用弹性卸料装置和上出料方式冲裁时,冲压力等于____冲裁力_、_卸料力__、___推料力、顶料力__之和。
(5)拉深件的毛坯尺寸确定依据是_面积相等的原则___。
(6)拉深件的壁厚__不均匀_。
下部壁厚略有_减薄__,上部却有所___增厚__。
(17)有凸缘圆筒件的总拉深系数_m大于___极限拉深系数时,或零件的相对高度_h/d 小于___极限相对高度时,则凸缘圆筒件可以一次拉深成形。
(5)弯曲时,用_相对弯曲半径__表示板料弯曲变形程度,不致使材料破坏的弯曲极限半径称_最小弯曲半径_。
(11)弯曲时,当外载荷去除后,塑性变形_保留下来___,而弹性变形__会完全消失_____,使弯曲件_的形状和尺寸发生变化与模具尺寸不一致__,这种现象叫回弹。
其表现形式有_曲率减小_、弯曲中心角减小_两个方面。
(13)弯曲变形程度用_r / t_来表示。
弯曲变形程度越大,回弹___愈小_,弯曲变形程度越小,回弹__愈大__。
《冷冲模设计》期末考试试卷附答案一、名词解释(每小题5分,共20分)1.塑性条件——2.变形趋向性——3.变形抗力——4.加工硬化——二、填空题(每空3分,共30分)1、冷冲压基本工序按其材料的性质可分为和变形工序两大类。
2、在不同的平面应力状态的作用下所产生的变形可概括为和压缩类变形两大类。
3、反映材料塑性变形的能力,变形抗力反映材料产生塑性变性的难易程度。
4、压力机闭合高度是指在死点时,滑块下表面到工作台上表面的距离。
5、冲模一般由以下几个部分组成:零件、定位零件、压料装置、卸料与顶料装置、导向装置、基础和连接零件等。
6、板料的分离过程经历了、塑性变形和断裂分离等3个阶段。
7、为了减小冲裁时所需的冲裁力,设计冲模时,通常采用以下几种方法降低冲裁力:冲裁法、阶梯凸模冲裁法和加热冲裁法。
8、冲裁模按工序的组合程度可分为单工序模、和复合模等。
9、复合冲裁模按落料凹模安装的位置不同分为两种,如果落料凹模安装在上模座,则称作倒装式复合模。
10、冲压工艺力是冲裁时压力机应具有的压力。
而冲裁力是使板料发生分离的力。
三、判断题(每小题2分,共10分)1、凡是软的金属,其塑性一定好。
()2、在不同的应力状态下,压应力数目越多,且数值越大,金属的属性就越好。
()3、材料的屈服极限δs和强度极限δb越大,其变形抗力就越大。
()4、屈强比大的材料,易产生塑性变形,且变形过程中断裂的可能性较小。
()5、压力机的最小装模高度就是其闭合高度。
()四、计算题(每小题20分,共40分)1.知某曲轴式压力机的曲柄长度为60mm,连杆调节范围为80mm,最大开启高度为480mm,求该压力机的行程与最大闭合高度和最小闭合高度。
2.如图所示冲件,材料为45钢,厚度为2mm,试计算该冲件的压力中心,并分别计算落料和冲孔所需的冲裁力。
(提示:σb=450Mpa)冷冲模设计参考答案:一、名词解释:1.塑性条件——材料进入并保持塑性状态的条件称为塑性条件。
冷冲压试题(120道试题)一.填空1.整形冲时,为避免粘片和影响氧化质量,每冲(50~100 )次涂油一次。
2.整形冲时,每隔(30 )分钟,对冲片抽检一次,每次不少于( 2 )片,每隔( 4 )小时停机紧固模具一次。
3.对冲压件而言,一般情况下压力机公称压力需大于冲件所需冲裁力( 1.3 )倍,允许冲压。
4.小型工段冲压联线使用时,根据工艺规定,硅钢片条料长度不得大于(1 )米。
5.外装压冲片与机座的配合为(过渡)配合,内装压冲片心与机座的配合为(间隙)配合。
6.齿压条点焊时调整的四个主要参数为(热量选择)、(预压时间)、(通电时间)、(维持时间)。
7.目前冲剪车间常用的冷作模具钢有两种,牌号分别是( Cr12 )和(GW1)。
8.目前我厂中型电机的冲片制造工艺有(一落二)和(一落三)两种。
9.我厂的冲槽机分度机构有(牙盘)、(福开森机构)和(伺服分度)三种。
10.冲片的(同槽)精度对装压后的铁心整齐度有影响。
11.铁心损耗包括(磁滞)损耗和(涡流)损耗。
12.目前我厂电机冲片的绝缘处理主要有(涂漆)和(氧化)两种方法。
13.冲片毛刺超差的主要原因有凸凹模(间隙)过大或过小和(刃口)变钝导致的。
14.冲孔件的尺寸由(凸模)刃口尺寸决定。
15.落料件的尺寸由(凹模)刃口尺寸决定。
16.我厂的Cr12材质的槽冲模凸凹模间隙取(0.04-0.06)㎜。
17.我厂的冲片模具的卸料方式有(固定)卸料和(弹性)卸料两种。
18.模具的导柱、导套有(滑动)式和(滚动)式两种。
19.我厂Cr12材质的模具热处理硬度为HRC(58-62)。
20.压力机按床身形式分为(开式)和(闭式)两种。
21.定子铁心结构按照压装方式可分为(外装压)与(内装压)两种。
22.铁心装压后的槽形允许比冲片槽形尺寸小(0.2) mm。
23.铁心装压主要三个工艺参数是指铁心的(重量)、(长度)和叠压(压力)。
24.叠压系数是指在规定压力作用下,(净铁心长度)和(实际铁心长度)的比值。
冷冲压工艺试题及答案一、单选题1. 冷冲压加工过程中,材料的塑性变形是通过以下哪种方式实现的?A. 热处理B. 冷加工C. 焊接D. 铸造答案:B2. 在冷冲压过程中,材料的塑性变形不包括以下哪种变形?A. 拉伸B. 压缩C. 剪切D. 热膨胀答案:D3. 冷冲压工艺中,用于确定材料厚度的参数是:A. 材料硬度B. 材料屈服强度C. 材料厚度D. 材料密度答案:C4. 冷冲压工艺中,以下哪个不是冲压模具的主要组成部分?A. 冲头B. 冲孔C. 压边圈D. 冲压机答案:D5. 冷冲压工艺中,以下哪个参数不会影响材料的冲压性能?A. 材料的弹性模量B. 材料的屈服强度C. 材料的硬度D. 冲压速度答案:D二、多选题1. 冷冲压工艺中,以下哪些因素会影响冲压件的质量?A. 材料的表面质量B. 冲压速度C. 模具的精度D. 冲压机的稳定性答案:A, B, C, D2. 在冷冲压工艺中,以下哪些操作可以提高材料的塑性变形能力?A. 提高冲压速度B. 提高材料温度C. 使用润滑剂D. 增加冲压压力答案:B, C三、判断题1. 冷冲压工艺只能在室温条件下进行。
(对/错)答案:对2. 冷冲压过程中,材料的塑性变形是可逆的。
(对/错)答案:错3. 冷冲压工艺中,冲压机的稳定性对冲压件的质量没有影响。
(对/错)答案:错四、简答题1. 简述冷冲压工艺中材料塑性变形的基本原理。
答案:冷冲压工艺中材料塑性变形的基本原理是利用外力使材料在低于其再结晶温度下产生塑性变形,从而获得所需的形状和尺寸。
这种变形是通过材料内部晶粒的滑移和转动实现的。
2. 冷冲压工艺中,为什么需要对材料进行润滑?答案:在冷冲压工艺中,对材料进行润滑可以减少冲压过程中的摩擦力,降低冲压力,提高冲压速度,减少材料的磨损和模具的磨损,同时还可以提高冲压件的表面质量。
五、计算题1. 已知一块厚度为1mm的冷轧钢板,其屈服强度为250MPa,试计算在冷冲压过程中,该钢板的最大冲压力是多少?答案:冲压力的计算公式为F = A * σ,其中F为冲压力,A为受力面积,σ为材料的屈服强度。
<<冲压工艺与模具设计>>试题库及答案一填空题1.冷冲压的优点有:生产率高、操作简便,尺寸稳定、互换性好,材料利用率高。
2.冷冲压是利用安装在压力机上的模具对材料施加压力,使其产生分离或塑性变形,从而获得所需零件的一种加工方法。
3.一般的金属材料在冷塑变形时会引起材料性能的变化。
随着变形程度的增加,所有的强度、硬度都提高,同时塑性指标降低,这种现象称为冷作硬化。
4.拉深时变形程度以拉深系数m 表示,其值越小,变形程度越大。
5.材料的屈强比小,均匀延伸率大有利于成形极限的提高。
11.落料和冲孔属于分离工序,拉深和弯曲属于成形工序。
12.变形温度对金属塑性的影响很大,一般来说,随着变形温度的升高,塑性提高,变形抗力降低。
14.材料在塑性变形中,变形前的体积等于变形后的体积,用公式来表示即:ε1+ε2+ε3=0 。
15.冲裁的变形过程分为弹性变形,塑性变形,断裂分离三个阶段。
16.冲裁模工作零件刃口尺寸计算时,落料以凹模为基准,冲孔以凸模为基准,凸模和凹模的制造精度比工件高2-3级。
17.冲裁件之间及冲裁件与条料侧边之间留下的余料称作搭边。
它能补偿条料送进时的定位误差和下料误差,确保冲出合格的制件18.弯曲零件的尺寸与模具工作零件尺寸不一致是由于弯曲回弹而引起的,校正弯曲比自由弯曲时零件的尺寸精度要高。
19.拉深时可能产生的质量问题是起皱和开裂21用于实现冷冲压工艺的一种工艺装备称为冲压模具。
22冲压工艺分为两大类,一类叫分离工序,一类是变形工序。
23物体在外力作用下会产生变形,若外力去除以后,物体并不能完全恢复自己的原有形状和尺寸,称为塑性变形。
24变形温度对金属的塑性有重大影响。
就大多数金属而言,其总的趋势是:随着温度的升高,塑性增加,变形抗力降低。
25以主应力表示点的应力状态称为主应力状态,表示主应力个数及其符号的简图称为主应力图。
可能出现的主应力图共有九种。
27加工硬化是指一般常用的金属材料,随着塑性变形程度的增加,其强度、硬度和变形抗力逐渐增加,而塑性和韧性逐渐降低。
复习题:
1.根据生产统计,正常搭边比无搭边冲裁时对模具寿命影响小。
2.降低冲裁力方法。
(1)阶梯凸模冲裁(2)斜刃冲裁(3)加热冲裁
3.送料导向、送料步距。
在与条料方向垂直的方向上的限位,保证条料沿正确的方向送进,称为送进导向。
在送料方向上的限位,控制条料一次送进的距离,称为送料步距。
4.筒件拉深过程中,主要变形区是?平面凸缘部分
5.总的拉深系数小于极限拉深系数,是否可以一次拉深成型。
不能
6.拉深过程中,凸缘平面部分材料在径向和切向应力的性质(拉应力还是压应力?径向拉应力,切向压应力)
7.内孔翻边特点是:坐标网络由扇形变成了矩形,说明金属沿切向伸长,越靠近孔口伸长越大。
金属在径向变形很小。
竖边的壁厚有所减薄,尤其在孔口处减薄较为显著。
8.一般来说,弯曲件愈复杂,一次弯曲成形角的数量愈多,则弯曲时各部分相互牵制作用愈大,回弹大小?回弹越小
9.弯曲件的弯曲线与板料的纤维方向平行时(或垂直)时,最小弯曲半径大小关系。
如果折弯线与板料纤维方向平行,rmin/t的数值最大;垂直时,最小相对弯曲半径rmin/t的数值最小。
10.金属材料发生塑性变形时,体积会发生变化,“伸长类”和“压缩类”变形会使体积增大还是减小?增大
10.材料的屈强比与材料变形抗力小、抵抗破坏的能力、对冷冲压成形工艺利弊?
一般来说,材料的屈强比小,说明材料变形抗力小,而抵抗破坏的能力强,这样对冷冲压成形工艺有弊;相反,屈强比大,则有利。
11.冲裁模具间隙设计的原则是:间隙值的大、小与模具寿命关系。
间隙值越小,磨损越严重,寿命越短;较大的合理间隙可使凸模侧面及材料间的摩擦减小,并减缓制造和装配精度的限制而出现间隙不均匀的不利影响,从而提高模具寿命。
12.冲裁模的弹性卸料装置一般通过弹簧或者橡皮的作用来进行卸料,在冲压时弹性卸料装置既可以卸料又可以压料,特别适合于在制件要求平整的复合模具上使用。
(√)
13.复合冲裁模正装式冲裁模,还是倒装。
复合冲裁模的落料凹模安装在上模时,称为倒装式冲裁模。
14.弯曲变形主要发生在弯曲件的圆角部分,弯曲变形区会发生板料厚度变薄的现象。
(√)
15.在级进模中,落料或切断工步一般安排在最后工位上。
(√)
16.小螺纹底孔翻孔工艺是一种变薄翻边工艺。
(√)
17.冲压工艺制定时,若发现制件的冲压工艺性不良,工艺设计人员应在不影响制件使用的前提下,对制件的形状、尺寸及涉及的问题进行修改,使其既满足使用性能,又符合冲压工艺要求。
(×)
18.冲裁变形过程中的塑性变形阶段形成了哪一部分?光亮带
19.模具的合理间隙是指:只要间隙在这个范围内,就能得到质量合格的冲裁件和较长的模具寿命。
20.模具的压力中心是指冲压时各冲压力合力的作用点位置。
21.弯曲件在变形区的切向内侧部分拉应力还是压应力?压应力
22.以后各工序拉深模的常用定位方式不包括( C )
A.凹模上加工出供半成品定位的凹窝
B.采用特定的定位板
C.利用半成品底部的工艺孔定位
D.利用半成品的内孔用凸模外形来定位
23.拉深润滑部位?压料板与坏料的接触面和凹模与坏料的接触面
24.编制冲压工艺方案的内容主要包括:确定工序顺序和工序数目;模具类型与结构;选择合适冲压设备25在模具间隙正常情况下,冲裁变形过程分哪几个阶段?
弹性变形阶段、塑性变形阶段、断裂分离阶段。
26相对弯曲半径r/t大小与弯曲时回弹的关系?
相对弯曲半径越小,回弹值越小;相反,相对弯曲半径越大,则变形程度越小,产生较大的回弹,以致无法弯曲。
27小的凸模可以采用什么方法来增强刚性。
可采用淬火或改用其它的高合金材料来改变其性能!。
28.冷冲压工序中属于成形工序的是:冲裁、弯曲、拉深、翻边,胀形,立体压制等。
29.对T形件,为提高材料的利用率,排样方法?直对排和斜对排。
30.对步距要求高的级进模,采用?的定位方法。
(侧刃加导正销)
31.与凸模圆角接触的板料部分,拉深时厚度变化情况?变薄
32.在宽凸缘的多次拉深时,必须使第一次拉深成形的凸缘外径等于_____的直径。
(成品零件的凸缘)
34.关于冲裁间隙对冲裁件断面质量的影响,下列哪一种说法是正确?( D )
A.当冲裁间隙过大时,光亮带变宽,断裂带、圆角带变窄,毛刺和斜度减小
B.当冲裁间隙过大时,光亮带变窄,断裂带、圆角带变宽,毛刺和斜度减小
C.当冲裁间隙过大时,光亮带变宽,断裂带、圆角带变窄,毛刺和斜度增大
D.当冲裁间隙过大时,光亮带变窄,断裂带、圆角带变宽,毛刺和斜度增大
35.降低冲裁力的方法有哪些?(1)阶梯凸模冲裁(2)斜刃冲裁(3)加热冲裁
36..请比较说明送料定距有哪几种方法?分别用于什么场合下?
挡料销:固定挡料销广泛用于冲制中小型冲裁件的挡料定距;活动挡料销用于倒装复合膜;始用挡料销用于级进模中开始定位;导正销用于级进模中,与挡料销配合使用,减小定位误差,保证孔与外形的相对位置尺寸要求;侧刃,在级进模中,为了限定条料送进距离。
37冲裁件的断面明显地分成哪几个特征区?圆角带a,光亮带b,断裂带c与毛刺区d。
38.在冲压生产中,除冲裁、弯曲和拉深工序以外,还有其它哪几种冲压成形工序?至少列出三种。
翻边,胀形,立体压制。
39..按工序组合程度分冲压模具有哪几类?单工序模,复合模和级进模。
40.在拉深变形过程中,根据应力与应变状态不同可将坯料划分为哪几个部分?
凸缘的平面部分,凸缘的圆角部分,筒壁部分,底部圆角部分,筒底部分。
39.什么是冲裁间隙?冲裁间隙对冲裁有哪些影响?
冲裁间隙是指冲裁模中凹模刃口尺寸和凸模刃口尺寸的差值;间隙值越小,磨损越严重,寿命越短;较大的合理间隙可使凸模侧面及材料间的摩擦减小,并减缓制造和装配精度的限制而出现间隙不均匀的不利影响,从而提高模具寿命
40
(1). 写出模具完成的工序内容及模具的种类。
冲孔,落料。
正装复合膜
(2).说明下列零件的名称及作用。
6凸模,7卸料板,8凹模,9顶件块,11凸模,12挡料销。
(3).本模具中,条料如何定位?条料、制件、废料如何取下?条料由12,13定位,条料由7卸料板卸下,制件由9顶件块顶出,废料由9顶件块顶出.
41.图中U 形弯曲件内形尺寸为?,深度H=?mm ,弯曲圆角半径R=5mm,角度为90°,两边对称,板料厚度t=2.0mm ;求解弯曲件坯料尺寸L 注:圆弧长度计算公式
)(180
xt R Ai +︒=πα,中性层位移系数x 值列表如下:
42..冲孔件材料为Q235钢,料厚t=0.5mm ,尺寸如图所示,请查询表格中提供的参数,计算模具分开加工时,实现φ0.120
6+冲孔工艺的凸、凹模刃口尺寸及公差。
43.拉深件厚度t=2mm,形状如图(a )所示,请根据图(c )所提供的条件确定该拉深件的修改余量,计算其毛料尺寸,并确定拉深次数。
提示:①拉深件尺寸如图(b )所示时,毛料尺寸计算公式为:
h 4d 8r r 6.28d d d 212102+++= ②拉深系数取:m 1=0.58,m 2=0.75,m 3=0.80,m 4=0.84,m 5=0.87,
R/t
1.3 1.5 2
2.5 x
0.34 0.36 0.38 0.39。