通风工程施工方法与技术措施
- 格式:docx
- 大小:539.56 KB
- 文档页数:12
标题:消防通风工程施工消防通风工程是建筑物中至关重要的组成部分,它关系到建筑物的消防安全和室内空气质量。
在施工过程中,必须严格按照相关规范和标准进行,确保通风系统的正常运行和消防安全。
本文将从消防通风工程施工的组织部署、进度计划、技术措施、质量保证、安全生产、文明施工等方面进行详细阐述。
一、施工组织部署1. 成立施工项目部,明确项目负责人,负责全面协调施工过程中的各项工作。
2. 编制施工组织设计,明确施工流程、施工方法、施工人员分工等。
3. 建立施工队伍,对施工人员进行技术培训和安全教育,确保施工人员具备相应的技能和安全意识。
4. 加强与建设、设计、监理等单位的沟通与协作,确保施工顺利进行。
二、施工进度计划及保证措施1. 编制详细的施工进度计划,明确各阶段施工时间节点。
2. 合理配置施工资源,确保施工材料、设备及时到位。
3. 加强对施工进度的监控,及时发现和解决问题,确保工程按计划推进。
4. 落实进度保证措施,对影响进度的因素进行预测和预防,确保施工顺利进行。
三、施工技术措施1. 依据设计图纸和施工规范,确保通风管道、风阀、风口等设备安装位置准确。
2. 采用合适的施工方法,确保通风管道连接严密,风管内部光滑,阻力符合要求。
3. 加强对通风设备的验收和调试,确保设备性能稳定,满足使用需求。
4. 注重施工细节,如防火、防腐蚀等处理,确保通风系统的安全性和耐用性。
四、施工质量保证措施1. 严格执行施工规范和质量标准,确保施工过程中的质量控制。
2. 加强对施工过程中的监督检查,及时发现和纠正质量问题。
3. 做好施工记录,为工程验收和维护提供依据。
4. 定期对施工质量进行自检、互检和交接检,确保工程质量。
五、保证安全生产措施1. 严格执行安全生产法规,落实安全生产责任制。
2. 对施工现场进行定期安全检查,及时发现和消除安全隐患。
3. 加强对施工人员的安全教育,提高施工人员的安全意识。
4. 配备完善的防护设施,如安全帽、安全带、防护网等。
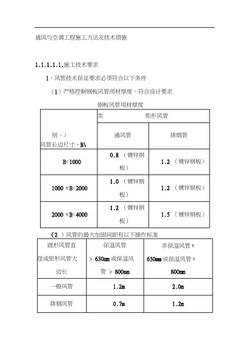
通风与空调工程施工方法及技术措施1.1.1.1.1.施工技术要求1、风管技术保证要求必须符合以下条件(1)严格控制钢板风管用材厚度,符合设计要求钢板风管用材厚度(2 )风管的最大加固间距有以下操作标准(3 )保温及不保温风管管道支吊架的间距及作法按如下规定进行:①水平安装:风管大边小于400mm间距为3.5m,大于等于400mm 间距为3m。
①垂直安装:间距为3m但每条立管的固定件不应少于2个。
2、空调及制冷系统管道及部件安装(1)管道布设原则:管道成排安装时应保证其平行、等距,交叉安装时,小管服从大管。
(2)管道支架安装满足施工设计要求,最大间距以以下表格为准。
管道支架最大间距表管道支、吊、托架及管座的安装应保证构造正确,埋设平整牢固,排列整齐,支架与管子接触紧密。
(3)管道坡度符合设计要求。
(4)管道螺纹连接应保证螺纹无断丝,防腐性能好,镀锌钢管及配件镀锌层无破损,接口处无外露油麻等缺陷5)管道焊接应保证焊口平直度,焊缝加强面符合施工规范规定,焊波均匀一致,焊缝表面无结瘤、夹渣和气孔。
(6)管道连接保证对接紧密,管子中心线一致,法兰连接螺母在同侧,螺杆露出长度一致,不大于螺杆直径的胶垫材质符合设1/2计要求和规范规定,无双层。
1.1.1.1.2. 风管制作与安装A、施工准备(1)板材验收镀锌钢板、彩钢复合板、冷冻水管、保温棉、风口及其它辅材到工地后,材料员应按材料进场规定报驻地监理进行验收,并作好记录,入库分类标识。
并把验收结果向通风空调施工主管汇报。
(2)机具检查施工前,质安员应按《施工机具管理制度》对施工机具进行全面检查只有合格才可用于施工,并作记录。
B 、材料选用风管材料选用严格按照设计说明、招标文件及业主的要求来进行选材。
C、风管制作工艺(1)镀锌风管制作安装工艺①镀锌风管制作施工流程②锌钢板风管制作a本工程风管采用现场制作b开料控制偏差在展开下料过程中,应对矩形板料严格检查,对每片板料的长度、宽度及对角线进行检验,使其在误差范围内。
通风工程施工方案(2)一、背景介绍随着城市建设的不断发展,各类建筑物也越来越多,而通风工程在其中起着至关重要的作用。
为了确保建筑物内空气的流通和质量,必须进行科学规划和施工。
二、目标本施工方案的目标是为确保建筑物内部空气质量,提供合理的通风系统设计和施工方案。
三、施工方案3.1 工程前期准备在进行通风工程施工之前,首先需要进行工程前期准备工作。
这包括对建筑结构的认真检查和评估,确定通风系统的布局和各部件位置,选择合适的通风设备等。
3.2 施工流程1.材料准备:根据设计方案需求,准备好所需的通风设备、管道、连接件等材料。
2.布局设计:根据建筑结构和通风需求,设计好通风系统的布局,并确定各部件的安装位置。
3.管道安装:按照设计图纸要求,安装通风管道,并确保管道连接紧密、无漏气。
4.设备安装:安装通风设备,如通风机、风口等,确保设备安装正确、安全可靠。
5.电气连接:进行通风设备的电气连接,确保设备正常运行。
6.调试检测:对通风系统进行调试和检测,保证系统运行正常,达到设计要求。
3.3 施工注意事项1.安全第一:施工过程中要严格遵守安全规定,确保施工人员和建筑物的安全。
2.质量控制:施工过程中要进行严格的质量控制,确保通风系统的质量达标。
3.环保要求:施工过程中要遵守环保要求,确保不影响周围环境。
四、总结通风工程施工是确保建筑物内空气质量的重要环节,只有经过科学的规划和合理的施工,才能达到良好的通风效果。
通过本方案的实施,可以提高建筑物内部空气质量,保障人员健康。
以上是关于通风工程施工方案的内容,希望对相关工作有所帮助。
通风系统安装工程施工方案及主要技术措施一、工程施工方案1.前期准备工作(1)确定通风系统的设计方案,包括通风设备的选型、各个通风口的布置位置等。
(2)准备所需的施工材料和设备。
(3)将施工区域进行清理,确保施工区域的整洁。
2.通风管道的安装(1)根据设计方案确定通风管道的尺寸和长度,将通风管道进行切割和连接。
(2)安装通风管道支架,确保通风管道的稳固性。
(3)根据需要,采取隔音措施,将隔音材料进行粘贴或包裹,以减少噪音的传播。
3.通风设备的安装(1)选择合适的位置安装通风设备,如风机、空气处理设备等。
(2)进行电气接线,确保通风设备正常运行。
(3)对通风设备进行调试,调整风量、风速等参数,确保通风效果符合要求。
4.通风口的安装(1)根据设计方案确定通风口的位置和尺寸。
(2)进行开孔,将通风口安装在墙壁或天花板上。
(3)对通风口进行密封处理,避免漏风或渗水。
5.通风系统的测试和调试(1)使用相关仪器对通风系统进行测试,如测量风量、风速等。
(2)根据测试结果进行调整和优化,以确保通风系统的运行效果符合要求。
6.施工后的清理和验收(1)将施工现场进行清理,将废弃物和杂物进行处理。
(2)进行通风系统的验收,确保通风系统的安装质量和性能达到规定标准。
1.管道的密封处理在通风系统工程施工中,管道的密封处理非常关键。
可以采用密封胶、密封带等材料进行管道连接处的密封处理,以确保通风系统的密封性和正常运行。
2.隔音措施为了降低通风系统的噪音,可以在通风管道周围和通风设备周围采取隔音措施。
常用的隔音材料有吸音棉、隔音板等,可以有效地减少噪音的传播。
3.风道防锈处理通风系统的风道暴露在空气中,容易产生腐蚀。
为了延长风道的使用寿命,可以对风道进行防锈处理。
常用的方法包括喷涂防锈漆、进行镀锌处理等。
4.风道的保温处理在一些情况下,为了减少风道内的能量损失和避免冷凝,需要对风道进行保温处理。
常见的保温材料有玻璃棉、岩棉等,可以有效地减少能量损失。
通风工程施工技术一、施工准备(一)、作业条件1、一般送风机系统的安装,要在建筑物围护结构施工完,障碍物已清理,地面无杂物的条件下进行。
2、对空气洁净系统的安装,应在建筑物内部安装部件的地面已做好,墙面已抹灰完毕,室内无灰尘飞扬或有防尘措施的条件下进行。
3、一般除尘系统风管安装宜在工艺设备安装完或设备基础已确定,设备连接器、罩体方位已知的情况下进行。
4、检查现场预留孔洞位置、尺寸应符合图纸要求,每边比实际截面大100mm。
5、作业地点要有相应的辅助设施,如梯子、架子、安全防护、消防器材,并有施工员的技术、质量、安全交底。
(二)材质要求1、各种安装材料应具有出厂合格证明书或质量鉴定文件及产品清单。
2、风管成品不允许有变形、扭曲、开裂、孔洞、法兰脱落、开焊、漏铆、漏打螺栓孔等缺陷:3、安装的阀体、风口等部件应检查调节装置是否灵活,消声片、油漆层有无损伤。
4、安装使用的材料:螺栓、螺母、垫圈、垫料、密封条、自攻螺钉,拉铆钉,焊条、各种帆布、无纺布、射钉、膨胀螺栓应符合产品质量要求。
(三)工器具主要工器具有:手锤、电锤、手电钻、手锯、电动双刃剪、砂轮锯、角向磨光机、台钻、电气焊具、扳手、改锥、手剪、倒链、高凳、大绳、尖冲、射钉枪、刷子等。
二、质量要求(一)、主控项目(1)在风管穿过需要封闭的防火、防爆的墙体或楼板时,应设预埋管或防护套管,其钢板厚度不应小于1.6mm。
风管与防护套管之间,应用不燃且对人体无危害的柔性材料封堵。
(2)风管内严禁其他管线穿越;(3)风管部件安装必须符合下列规定:1)各类风管部件及操作机构的安装,应能保证其正常的使用功能,并便于操作;2)斜插板风阀的安装,阀板必须为向上拉启;水平安装时,阀板还应为顺气流方向插入;3)止回风阀、自动排气活门的安装方向应正确。
(1)防火阀、排烟阀(口)的安装方向、位置应正确。
防火分区隔墙两侧的防火阀,距墙表面不应大于200mm。
(2)手动密闭阀安装,阀门上标志的箭头方向必须与受冲击波方向一致。
通风施工工序通风施工是建筑工程中非常重要的工序之一,它不仅能确保施工现场的空气流通,降低安全隐患,还能提高工人的工作效率。
合理的通风施工工序能够保障施工进度,提升施工质量。
接下来将详细介绍通风施工的工序及注意事项。
1. 施工前准备在进行通风施工之前,首先需要对施工现场进行评估,确定通风设备的种类和数量,确保通风系统的安装位置和管道布局符合施工要求。
同时,需要指定专人负责通风设备的搭建和调试工作,保证通风系统正常运行。
2. 通风设备安装通风设备安装是通风施工的关键环节,需要严格按照设计要求进行安装。
安装过程中应注意设备的稳固性和密封性,防止漏风现象的发生。
安装结束后,需进行通风系统的调试,确保各部件正常运行,达到通风效果。
3. 施工过程中的通风管理在施工过程中,通风系统的管理尤为关键。
施工现场需要定期清洁通风口和过滤器,确保通风系统畅通。
同时,要加强对通风设备的日常维护,及时发现并解决设备故障,保证施工现场空气质量和安全。
4. 施工后验收通风施工完成后,需要进行通风系统的验收工作。
验收人员应仔细检查通风系统的安装质量和运行状况,确保符合设计要求。
同时,还需进行通风效果的检测,确保施工现场的空气质量良好。
5. 安全注意事项在进行通风施工时,工人需严格遵守相关安全规定,佩戴好防护用具,避免设备运行时发生意外。
在通风系统运行过程中,需定期检查设备运转情况,如发现异常应及时处理,确保施工现场的安全。
综上所述,通风施工工序是建筑工程中不可或缺的环节,它对施工现场的空气质量和工人的健康具有重要影响。
通过合理的通风施工工序,可以提高施工效率,保障施工质量,确保施工现场的安全。
希望施工单位和工人能够充分重视通风施工,做好通风设备的安装和管理工作,共同营造一个安全、舒适的施工环境。
通风工程施工方案(通风)(1)
摘要
本文档旨在探讨通风工程的施工方案,从施工策略、安全措施到施工流程等方
面进行详细介绍,以确保通风工程施工的顺利进行。
一、施工策略
通风工程的施工策略应当充分考虑到工程的特点,包括通风设备的种类、布置
位置、施工周期等因素。
施工过程中应严格按照设计图纸和相关规范进行操作,确保工程质量。
二、安全措施
在通风工程的施工中,安全是至关重要的。
施工人员应全面了解相关安全规定,佩戴好安全防护用具,并制定详细的安全计划。
施工现场应保持整洁有序,定期进行安全检查,确保施工过程中不发生安全事故。
三、施工流程
1.准备工作:确定施工方案、准备所需设备和材料。
2.现场布置:按照设计要求设置通风设备的位置,并确保管道连接正
确。
3.安装设备:按照设计图纸安装通风设备,注意连接紧固,避免漏风。
4.调试检验:完成设备安装后,进行设备调试和检验,确保通风效果
满足设计要求。
5.竣工验收:通风工程竣工后,进行验收工作,确保工程质量符合标
准。
四、施工质量控制
通风工程施工质量直接关系到建筑物内空气质量和人员健康,因此质量控制至
关重要。
在施工过程中,应严格按照相关规范进行,加强工地管理,确保施工质量。
五、施工总结
通风工程施工是一项复杂的工程,需要施工人员具备扎实的业务技能和丰富的
施工经验。
通过本文档对通风工程施工方案的介绍,希望可以为施工人员提供一些参考,让通风工程施工更加顺利高效。
以上是关于通风工程施工方案的简要介绍,希望对相关人员有所帮助。
通风工程施工一、施工准备工作1.1 审查设计文件在进行通风工程施工前,首先要认真审查设计文件,了解工程的具体要求和施工标准,熟悉施工图纸,确保施工过程中不会出现偏差。
1.2 确定施工方案根据设计文件和实际情况,制定详细的施工方案,确定施工流程和工期,合理安排施工人员和机械设备,做好施工准备工作。
1.3 现场勘测在施工前,需要对施工现场进行详细勘测,了解地形和地貌情况,确定施工位置和工作范围,为后续施工工作提供准确的数据支持。
1.4 安全防护措施在施工现场设置安全标志和警示标志,配备必要的安全防护设备,确保施工人员的安全,避免发生意外事故。
二、施工工序2.1 开挖基坑根据设计要求,在施工现场进行基坑开挖工作,保持基坑的稳定性,确保施工安全,做好基坑支护工作,为后续工序的进行提供条件。
2.2 安装通风设备根据设计要求,安装通风设备,如通风管道、风口、排风扇等,根据图纸要求进行精确的定位和安装,保证设备的正常运行和使用。
2.3 连接管路根据通风管道设计,进行管路的连接和焊接工作,确保管路的密封性和稳固性,保证通风系统正常运行,对管路进行排气试验,进行检查和修复。
2.4 敷设绝缘层根据设计要求,在通风管道上敷设绝缘层,确保管道在运行时能够达到正常工作温度和保护管道设备,增加通风系统的使用寿命。
2.5 完善系统最后,进行通风系统的调试和检查工作,确保系统正常运行,检查通风设备的安装位置和接头,对系统进行调整和维护。
三、施工质量3.1 施工技术在通风工程施工过程中,施工人员要具备一定的技术和经验,按照施工要求精心操作,确保施工质量,提高工程的可靠性和稳定性。
3.2 施工标准施工过程中要严格按照国家相关标准和规范进行操作,保证通风系统的设计和施工符合标准要求,确保通风系统的正常运行和使用。
3.3 施工监督在施工过程中,要加强对施工质量的监督和检查,发现问题及时处理,确保施工质量,提高工程的可靠性和稳定性。
四、施工验收4.1 施工结束后,进行通风工程的验收工作,由专业检测人员对通风系统进行全面检查和测试,确保通风系统正常运行,符合设计要求。
空调通风工程施工技术措施和施工方案ﻫ一、施工准备ﻫ(一)、作业条件ﻫ1、一般送风机系统和空调系统的安装,要在建筑物围护结构施工完,障碍物已清理,地面无杂物的条件下进行。
2、对空气洁净系统的安装,应在建筑物内部安装部件的地面已做好,墙面已抹灰完毕,室内无灰尘飞扬或有防尘措施的条件下进行。
ﻫ3、一般除尘系统风管安装宜在厂房的工艺设备安装完或设备基础已确定,设备连接器、罩体方位已知的情况下进行。
4、检查现场预留孔洞位置、尺寸应符合图纸要求,每边比实际截面大100mm。
5、作业地点要有相应的辅助设施,如梯子、架子、安全防护、消防器材,并有施工员的技术、质量、安全交底。
ﻫ(二)材质要求ﻫ1、各种安装材料应具有出厂合格证明书或质量鉴定文件及产品清单。
2、风管成品不允许有变形、扭曲、开裂、孔洞、法兰脱落、开焊、漏铆、漏打螺栓孔等缺陷:3、安装的阀体、风口等部件应检查调节装置是否灵活,消声片、油漆层有无损伤。
4、安装使用的材料:螺栓、螺母、垫圈、垫料、密封条、自攻螺钉,拉铆钉,焊条、各种帆布、无纺布、射钉、膨胀螺栓应符合产品质量要求。
ﻫ(三)工器具主要工器具有:手锤、电锤、手电钻、手锯、电动双刃剪、砂轮锯、角向磨光机、台钻、电气焊具、扳手、改锥、手剪、倒链、高凳、大绳、尖冲、射钉枪、刷子等。
二、质量要求ﻫ送、排风,防排烟,除尘系统ﻫ1、主控项目(1)在风管穿过需要封闭的防火、防爆的墙体或楼板时,应设预埋管或防护套管,其钢板厚度不应小于1.6mm。
风管与防护套管之间,应用不燃且对人体无危害的柔性材料封堵。
(2)风管安装必须符合下列规定:1)风管内严禁其他管线穿越;2)输送含有易燃、易爆气体或安装在易燃、易爆环境的风管系统应有良好的接地,通过生活区或其他辅助生产房间时必须严密,并不得设置接口;3)室外立管的固定拉索严禁拉在避雷针或避雷网上。
ﻫ(3)输送空气温度高于80℃的风管,应按设计规定采取防护措施。
ﻫ(4)风管部件安装必须符合下列规定:1)各类风管部件及操作机构的安装,应能保证其正常的使用功能,并便于操作; ﻫ2)斜插板风阀的安装,阀板必须为向上拉启;水平安装时,阀板还应为顺气流方向插入;3)止回风阀、自动排气活门的安装方向应正确。
通风工程的安全生产技术措施通风工程是现代建筑中非常重要的一个环节,它不仅可以保证人们的健康和舒适生活环境,还可以有效地提高建筑物的能源利用率。
然而,通风工程在建设和运营过程中也存在一些安全隐患。
因此,制定科学合理的安全生产技术措施对于保障通风工程的安全实现非常重要。
一、工程前期设计阶段通风工程在工程前期设计阶段是最难防范事故的阶段,这就要求设计单位必须加强设计的安全性。
首先,根据通风工程的实际情况,进行科学的设计,合理配置通风设备,尽量减少设备的不必要冗余,以减少设备运行时的安全隐患。
其次,对于建筑设备的使用寿命与安全性问题要事先考虑,通过科学合理的选择来保障设备的安全运行。
此外,在建设过程中,要做好施工现场安全措施,加强施工现场管理,注重施工安全,安排作业人员必须通过职业技能培训,合格后方可上岗作业。
二、施工阶段在通风工程施工阶段,应严格按照设计方案进行施工,并在施工过程中加强安全生产技术措施,尽可能减少人员伤亡和设备事故。
首先,要确保施工人员持有相应的安全防护资格,在施工现场实施安全生产制度,要求遵守安全操作规程,加强监督管理。
其次,设备的安装、维护和保养应按照标准规定进行,不得擅自改动,否则将对设施和人员安全造成不可预测的危险。
三、运行维护阶段在通风工程的运行维护阶段,需要根据工程具体特点设置相应的安全生产监管制度,确保设备安全运行。
首先,要做好设备的定期检查和维护,及时排除设备运行中的安全隐患。
其次,在进行设备检查和维护工作时,要进行必要的隔离、夹锁、挂牌等安全措施。
此外,要加强设备使用和维护人员的培训,确保他们具备相应的安全技能和知识,能够熟练掌握设备操作规程。
四、应急措施在通风工程运行过程中,难免会遇到一些意外情况和突发事件,需要及时进行处置。
因此,在通风工程的安全生产技术措施中应加强对应急措施的考虑。
首先,要建立健全应急预案和相应的应急机制,保证在应急情况下及时处理。
其次,应加强演练和练习,让维保人员和作业人员熟悉应急操作规程和应急预案,确保一旦发生紧急情况,可以做到迅速有效地处理和处置。
通风工程施工方案和技术措施一、系统概况(一)隧道通风正常交通情况时通风系统稀释通道内的CO、废气和烟雾,为乘用人员、维修人员提供合理的通风卫生环境,为安全行车提供良好的空气清晰视度。
火灾事故情况时,通风系统应具备有防排烟功能,能控制烟雾和热量的扩散,为滞留在通道内的乘用人员、消防人员提供一定的新风量,以利于安全疏散和消防灭火。
在确保通风可靠性及节能运行、节约工程投资的前提下优选适当的通风方式。
本工程隧道采用射流风机诱导型纵向通风方式。
新风在车辆活塞作用和射流风机诱导作用下沿车行方向流动;污染空气由出洞口排出。
正常运行时,车辆行驶形成的活塞风气流将有助于纵向通风,当车速下降形成活塞风减小到不能满足稀释通道内的污染物时,开启悬挂安装于通道顶部的射流风机,从洞口补充新风以维持通道内空气环境不低于设计标准。
(二)设备及管理用房通风设备附属用房采用自然进风、机械排风的通风方式。
轴流风机配百叶风口及防护网,补风洞需加防烟防火阀及百叶风口。
主变配电站通风系统兼排烟系统。
排水泵房、雨水泵房设置通风系统。
二、通风系统安装通风系统安装工艺流程:施工准备→风管制作→支吊架安装→风管安装→阀部件安装→风机安装→系统漏光、漏风量试验→风口安装→设备单机试车→风量测试→系统调试1、镀锌钢板风管制作(1)型钢法兰风管加工流程图:选料→下料→剪切→咬口→折方→成型→法兰制作→铆接→翻边→检验风管和部件的板材应按设计要求选用,各系统的板材厚度应符合设计要求,制作前,首先检查所用材料必须有产品合格证明材质证明,若无上述文件,不得使用。
镀锌钢板应为优质镀锌板,不得有锈斑;外观上无氧化物和针孔、麻点、起皮等缺陷,且镀锌板的厚度必须满做足《通风与空调工程施工及质量验收规范》的最小厚度要求而制造。
其他辅材不能因具有缺陷导致产品强度的降低或影响使用效能。
钢板风管板材厚度(mm)金属矩形风管法兰及螺栓规格(mm)接到加工单后,负责加工制作的责任师必须预先计算分析所需材料的数量,材料部门严格把关,确保节约材料。
钢结构厂房工程通风工程施工方案及技术措施1.1工程主要施工方法本工程拟采用在加工厂内制作成品风道,运至施工现场进行安装;先进行设备安装,设备安装完成安装风道,最后安装通风附件。
随主体施工进度,合理安排施工工期、施工人员、施工机具,做到具备安装条件后立即进行安装。
12施工准备施工前的准备工作,不容忽视,施工前准备的好坏,直接影响到以后施工的进度,质量、经济效益和社会效益,施工前的准备工作是保证施工质量、施工进度的前提,它包括施工技术资料的准备;施工技术力量的组织与调配,施工机具的调遣及施工现场等。
1.2.1施工前必须具备下列技术资料:12.11随机说明书、设备出厂合格证书。
1.2.1.2设备、零部件装箱清单及零部件明细表。
12.13制造图、施工图样等。
1.2.1.4制造厂提供的安装手册、操作维修手册及施工技术要求等。
1.2.1.5建筑工程中间交接记录、基础沉陷观测记录等。
12.16设备、零部件制造厂商的技术交底等。
1.2.2施工现场应具备下述条件:为确保该项目工程的安装质量,以高质量、高水平向业主交工,施工现场必须具备下列条件,方可进行设备、风道的安装:1.2.2.1建筑物内所有基础工程应按照设计要求全部完工,并具有中间交接技术资料证明交出的基础是合格的;12.2.2地坪要合乎要求,房顶作完防水层,墙体工程全部完工;12.2.3机器基础已埋设沉降观测点,并有详细的沉降观测记录,且沉降已达到稳定状态;1.2.2.4临时给排水设施、压缩空气气源、电源、室内照明及消防水设施均已具备使用条件;12.2.5防尘设施已具备,物资已供应到现场。
1.2.3施工技术力量的组织与调配根据该通风项目工程的技术要求及安装工作量,调整班组进行技术力量的搭配,施工前必须组织施工人员熟悉有关图纸资料、规范及编制施工组织设计和施工方案。
12.4施工机具的准备做好施工机具的调整和调配,妥善保管随机带来的专用工具,要按装箱单清点,并妥善保管。
空调通风工程施工技术措施和施工方案一、引言随着现代建筑的发展,空调通风工程在建筑中扮演着越来越重要的角色。
良好的空调通风系统不仅可以提高建筑物的舒适度,还可以提高室内空气质量,保障人们的健康。
为了保证空调通风工程施工质量,制定科学的技术措施和施工方案至关重要。
二、技术措施1. 设计方案审查在施工前,需要对空调通风系统的设计方案进行严格审查。
确保设计方案符合相关标准和规定,合理性强,能够满足建筑物的需求。
如有不合理或存在问题的设计,需要及时提出修改建议。
2. 施工人员培训施工前,对参与施工的人员进行专业培训和技术指导,确保他们具备足够的技术水平和操作能力。
只有经过培训合格的施工人员才能参与空调通风工程的施工工作,保证施工质量。
3. 施工过程监控在施工过程中,需要对施工进度和质量进行实时监控和检查。
确保施工质量符合设计要求,及时处理发现的问题并做好记录,以便后续追溯。
三、施工方案1. 施工准备在施工开始之前,需要做好充分的准备工作。
包括准备施工所需的设备、材料和人员,制定详细的施工计划和安全措施,确保施工顺利进行。
2. 施工流程根据设计方案和技术要求,制定合理的施工流程。
确保施工过程中的每个环节都按照标准操作,保证施工质量和施工进度。
3. 施工验收施工完成后需要进行严格的验收工作,检查每个细节是否符合要求。
只有通过验收合格的工程才能投入使用,确保空调通风系统的正常运行。
结语空调通风工程施工技术措施和施工方案的制定是保证工程质量的关键环节。
通过科学合理的技术措施和施工方案,可以提高空调通风工程的施工质量,确保建筑物的舒适度和室内空气质量。
通风工程施工方法与技术措施1通风系统概况1)本工程一般通风管道采用共板法兰连接技术,消防防排烟风管采用传统的角钢法兰连接工艺。
2)本工程采用散热器采暖,采暖系统不分区.场馆内散热器系统为下分式水平双管系统,为独立采暖环路,本工程采用散热器采暖,采暖系统不分区。
场馆内散热器系统为下分式水平双管系统,为独立采暖环路。
3)管材要求:散热器采暖管道采用焊接钢管。
公称直径≦DN32,采用丝接连接,公称直径>DN32,采用焊接。
4)阀门:供水干管及立管均用手动调节阀.回水干管及立管管径<DN40,采用丝扣连接的铜质闸阀,管径≥DN40采用法兰连接铸钢闸阀。
采暖系统中阀门工作压力均为1.0MPa。
手动调节阀型号为T40H。
散热器支管设置恒温控制阀手动调节阀型号为阀门的调节范围为0~100%,所有阀门应安装在便于维修的部位。
5)通风工程的总体安排思路是,抓紧前期通风管道的预制和现场支吊架的安装,紧密配合土建总包做好预留预埋工作,按照优化设计图纸的要求做好通风管道的排版大样图,利用机械化流水线完成通风管道的预制;通盘考虑通风空调设备的进场计划安排,抓紧有利时机突击完成设备安装作业,为管道配管创造条件。
充分利用施工预制场地做好管道及支吊架的预制工作,为安装高峰期迅速展开工作面创造条件。
管道的试压和冲洗保温等工作应紧密配合土建,在不影响隐蔽工程的前提下,分段进行。
2通风系统施工2.1工艺流程施工准备风管、管配件预制空调设备安装风管系统安装空气系统严密行测试风管油漆、保温风口安装及收尾单机、系统试运转系统调试自控系统联动调试综合性能测试交工验收2.2材料准备1、所使用板材、型钢材料(包括附材)应具有出厂合格证书或质量鉴定文件。
使用的板材、型钢及保温材料等必须符合设计及施工规范要求,同时应具有出厂合格证明书和质量鉴定文件。
2、系统部件如风口、消声器、静压箱、防火阀等应具有出厂合格证明书、质量鉴定文件和产品清单。
3、系统部件不允许有变形、扭曲、开裂等缺陷,转动部件要灵活可靠,应符合设计技术规格书及施工规范要求。
4、通风空调设备如空调机组、风机盘管、风机、风机箱等应具有出厂合格证明书、质量鉴定文件;进口设备应具有商检报告及开箱检验报告。
2.3风管制作工艺流程2.4风管制作镀锌铁皮通风管必须依照下列标准的最少厚度制造。
风管直径D 大边长尺寸b 圆形风管厚度(mm )矩形风管厚度(mm ) 中、低压系统高压系统 D(b)≤320 0.5 0.5 0.75 320<D(b)≤450 0.6 0.6 0.75 450<D(b)≤630 0.75 0.6 0.75 630<D(b)≤1000 0.75 0.75 1.0 1000<D(b)≤1250 1.0 1.0 1.0 1250<D(b)≤2000 1.2 1.0 1.2 2000<D(b)≤40001.21.21.2深化设计绘制风管系统分解图风管工厂化预制加工成“L ”形单片风管风管合缝成型安装法兰角 安装角铁法兰风管加固风管密封风管检验1、组合法兰制作工艺组合式法兰具有成本低、密封性能好,安装方便简捷的特点,特别造用于截面面积不大的通风管道生产。
其连接形式如下表所示。
组合式法兰及连接附件示意图符号说明: 1-法兰条 2-法兰角 3-法兰夹 4-风管2、组合式法兰连接制作工艺概况组合式法兰连接工艺为薄钢板法兰连接工艺中的一种,是现时工程上应用比较广泛的一种风管连接工艺,适用于中、低压通风及空调工程中的送、排风系统。
工艺说明在使用时根据风管长度下料制作法兰,插入制作好的风管管壁端部,再用铆(压)接连为一体。
组合式法兰连接工艺具有施工简单、操作方便、管道连接紧固、密封性能好等优点。
制作由组合式法兰机制作。
制作时先设定法兰长度,由机组的切割装置一次切到风管长度要求。
法兰角由设在加工车间内的冲床冲压而成,采用的镀锌钢板厚度不小于1.0mm 。
3、组合式法兰连接制作工艺231113241共板法兰安装示意图安装后法兰侧视安装前角码安装(一)角码安装(二)角码安装(三)角码安装后示意共板法兰密封垫安装示意共板法兰安装总成4、角钢法兰管制作工艺风管与法兰铆接前先进行技术质量复核,合格后将法兰套在风管上,风管折方线与法兰平面应垂直,然后使用液压铆钉钳或手动夹眼钳用5×10铆钉将风管铆固,并将四周翻边;翻边应平整,不应小于6mm,四角应铲平,不应出现豁口,以免漏风。
2.5风管安装1、工艺流程2、风管支架安装本工程采用的风管支吊架形式及安装如下表所示:水平并列安装风管的吊架示意图竖向并列安装风管的吊架示意图穿楼板立管或管井的立管支架示意图封闭管井的立管支架示意图沿墙穿楼板的立管支架示意图楼楼楼板3、风管加固本工程采取3种措施对风管进行加固,即压筋加固、外框加固和点加固。
通过三种加固方式,使风管达到相应刚度要求。
4、水平风管吊装将已组装好的水平风管通过手动葫芦或提升架提升至安装高度之上,提升风管至比最终标高高出150mm左右,拉水平线紧固支架横担,放下风管至横担上,确定安装高度。
风管水平安装水平度的允许偏差每m不应大于3mm,总偏差不应大于20mm。
与具有转动部件的设备相连的软接头的质量应符合设计与规范要求。
5、风管立管安装采取自下而上逐节安装、逐节连接、逐段固定的方法。
立管安装要注意的是与水平管接口处需在安装水平管时即考虑预留出1~1.5m的水平安装距离。
风管垂直安装,垂直度的允许偏差每m不应大于2mm,总偏差不应大于20mm。
6、风管过楼板做法风管过楼板做法见下图所示:风管过楼板做法示意图2.6风管部件安装1、风口风口采购成品风口,验收合格后运至现场安装,其中矩形风口两对角线之差不应大于3mm。
风口与风管的连接应严密、牢固;边框与建筑装饰面贴实,外表面应平整不变形,调节应灵活。
风口水平安装其水平度的偏差不应大于3/1000,风口垂直安装其垂直度的偏差不应大于2/1000。
2、风阀阀门安装应单独设吊架,阀门安装在吊顶或墙体内侧时,要在易于检查阀门开启状态和进行手动复位的位置设置检查口,并定期检查。
风管穿越防火分区需安装防火阀,阀门与防火墙之间的风管应用1.6mm或以上的钢板制作,并在风管与防护套管之间采用不燃柔性材料封堵。
防火阀安装时,注意熔断器应在阀门入气口,即迎气流方向。
防火阀过墙过楼板做法如下图所示。
2.7质量控制标准1、系统风管宜采用分段检测,汇总分析的方法。
2、本项目风管均为中低压风管,在进行风管严密性检测前,必须先根据图纸的设计参数将中压系统风管和低压系统风管分开。
低压风管进行漏光检测,风管的抽检率为5%,且抽检不得少于一个系统;中压系统风管除进行漏光检测外,对系统风管进行漏风量测试,抽检率按系统为20%。
3、风管漏光法检测:采用100W带保护罩的低压照明灯作漏光检测的光源。
白天检测时,光源置于风管外侧;晚上检测时,光源置于风管内侧。
将检测光源沿被检测部位与接缝作缓慢移动,在另一侧进行观察。
当发现有光线射出,则说明查到明显漏光部位,并做好记录。
采用漏光法检测系统,低压系统风管每10m接缝,漏光点不得超过2处,且100m接缝平均不大于16处;对中压风管每10m接缝,漏光点不得超过1处,且100m接缝平均不大于8处为合格。
漏光检测中如发现条缝形漏光,则需视不同的漏光部位进行处理。
若是法兰处,则用拧紧螺栓、更换密封垫方法;如是咬缝处,则用密封胶密封等方法。
如咬缝漏光严重,则重新制作安装该段风管,并重新作漏光测试。
4、风管漏风量检测:将被测段风管密封,进风端用软管连接到风管漏风量检测仪的风机出口处。
开动并逐渐提高漏风量检测仪风机转速,向被测风管段注入空气,使其内部压力上升至测试压力,调整风机转速保持风管内风压恒定,读出检测仪上倾斜式微压计上的孔板压差读数,然后利用风量与孔板压差的公式计算出被测风管的漏风量。
当中压系统允许漏风量Q≤0.0352P0.65(P指风管工作压力),则该段风管的漏风量检测合格。
反之则对该段风管重新检查,找出漏风点并进行整改直到检测合格为止。
5、风管的安装应符合下列规定:a、风管安装前,应清除内、外杂物,并做好清洁和保护工作;b、风管安装的位置、标高、走向,应符合设计要求。
现场风管接口的配置,不得缩小其有效截面;c、连接法兰的螺栓应均匀拧紧,其螺母宜在同一侧;d、风管接口的连接应严密、牢固。
风管法兰的垫片材质应符合系统功能的要求,厚度不应小于3mm。
垫片不应凸入管内,亦不宜突出法兰外。
e、柔性短管的安装,应松紧适度,无明显扭曲;f、可伸缩性金属或非金属软风管的长度不宜超过2m,并不应有死弯或塌凹;g、风管与砖、混凝土风道的连接接口,应顺着气流方向插入,并应采取密封措施。
风管穿出屋面处应设有防雨装置;h、不锈钢板、铝板风管与碳素钢支架的接触处,应有隔绝或防腐绝缘措施。
i、风管的连接应平直、不扭曲。
明装风管水平安装,水平度的允许偏差为3/1000,总偏差不应大于20mm。
明装风管垂直安装,垂直度的允许偏差为2/1000,总偏差不应大于20mm。
暗装风管的位置,应正确、无明显偏差。
除尘系统的风管,宜垂直或倾斜敷设,与水平夹角宜大于或等于45°,小坡度和水平管应尽量短。
检查数量:按数量抽查10%,不得少于1个系统。
检查方法:尺量、观察检查。
6、风管支、吊架的安装应符合下列规定:a、风管水平安装,直径或长边尺寸小于等于400mm,间距不应大于4m;大于400mm,不应大于3m。
螺旋风管的支、吊架间距可分别延长至5m和3.75m;对于薄钢板法兰的风管,其支、吊架间距不应大于3m。
b、风管垂直安装,间距不应大于4m,单根直管至少应有2个固定点。
c、风管支、吊架宜按国标图集与规范选用强度和刚度相适应的形式和规格。
对于直径或边长大于2500mm的超宽、超重等特殊风管的支、吊架应按设计规定。
d、支、吊架不宜设置在风口、阀门、检查门及自控机构处,离风口或插接管的距离不宜小于200mm。
e、当水平悬吊的主、干风管长度超过20m时,应设置防止摆动的固定点,每个系统不应少于1个。
f、吊架的螺孔应采用机械加工。
吊杆应平直,螺纹完整、光洁。
安装后各副支、吊架的受力应均匀,无明显变形。
风管或空调设备使用的可调隔振支、吊架的拉伸或压缩量应按设计的要求进行调整。
g、抱箍支架,折角应平直,抱箍应紧贴并箍紧风管。
安装在支架上的圆形风管应设托座和抱箍,其圆弧应均匀,且与风管外径相一致。