檩条计算书
- 格式:doc
- 大小:52.50 KB
- 文档页数:11
木檩条计算书项目名称_____________日期_____________设计者_____________校对者_____________一、构件编号: LT-1二、计算简图三、依据规范《建筑结构荷载规范》GB50009-2012《木结构设计规范》GB50005-2003四、计算信息1.几何参数连接形式1:计算跨度: L = 6035 mm;连接形式2:计算跨度: L = 600 mm;2.材料信息樟子松力学性能: 由《木结构设计规范》GB50005-2003查得樟子松强度等级为TC13-B查表4.2.1-3可得木望板抗弯强度设计值fm=13 顺纹抗剪强度设计值1.4弹性模量E为90003.荷载信息(均布荷载)永久荷载标准值:1.300 kN/m2可变荷载标准值:屋面活荷载0.500 kN/m2施工荷载 1.000 kN/m2雪荷载:基本雪压SO:0.40 KN/m²屋面积雪分布系数μr:1.0雪荷载标准值:Sk=μr SO 式(2-2)=0.40x1.0=0.40 KN/m²永久荷载分项系数: γG = 1.200可变荷载分项系数: γQ = 1.400准永久值系数: ψq = 1.0004.计算方法:弹性杆5.边界条件(上端/下端/左端/右端):固定/自由/自由/自由6.设计参数结构重要性系数: γo = 1.00泊松比:μ = 0.200注:雪荷载与活荷载取较大值考虑,施工荷载不与风荷载、雪荷载同时考虑。
五、荷载组合工况1:1.35*恒+1.4*0.7*max(屋面活,雪荷载,施工荷载)工况2:1.2*恒+1.4*max(屋面活,雪荷载,施工荷载)(1)、连接形式1恒载:q=1.3×1.1=1.43kN/m活载:q=1.0×1.1=1.1kN/m工况1:1.35x永久荷载+1.4x0.7 x施工荷载标准值:1x1.43+1x1.1=2.53kN/m设计值:q =1.35x1.43+1.4x0.7x1.1=3.01kN/m工况2:1.2x永久荷载+1.4x屋面活荷载标准值:1x1.43+1x1.1=2.53kN/m设计值:q =1.2x1.43+1.4x1.1=3.26kN/m故取第二种荷载组合内力验算结构qx=3.26*sin25°=1.38 kN/mqy=3.26*cos25°=2.95 kN/m(2)、连接形式2恒载:q=1.3×1.2=1.56kN/m活载:q=1.0×1.2=1.2kN/m工况1:1.35x永久荷载+1.4x0.7 x施工荷载标准值:1x1.56+1x1.2=2.76kN/m设计值:q =1.35x1.56+1.4x0.7x1.2=3.28kN/m工况2:1.2x永久荷载+1.4x屋面活荷载标准值:1x1.56+1x1.2=2.76kN/m设计值:q =1.2x1.56+1.4x1.2=3.55kN/m故取第二种荷载组合内力验算结构qx=3.55*sin25°=1.50 kN/mqy=3.55*cos25°=3.22 kN/m六、内力分析经分析可知,两种杆件连接形式都由第二种荷载组合引起的内力起控制作用。
----- 设计信息-----钢材:Q235檩条间距(m):0.717连续檩条跨数:4 跨边跨跨度(m):3.600中间跨跨度(m):3.560设置拉条数:1拉条作用:约束上翼缘屋面倾角(度):5.711屋面材料:压型钢板屋面(无吊顶)验算规范:《冷弯薄壁型钢结构技术规范》(GB 50018-2002)容许挠度限值[υ]: l/200边跨挠度限值: 18.000 (mm)中跨挠度限值: 17.800 (mm)屋面板能否阻止檩条上翼缘受压侧向失稳:能是否采用构造保证檩条风吸力下翼缘受压侧向失稳:不采用计算檩条截面自重作用: 计算活荷作用方式: 考虑最不利布置强度计算净截面系数:1.000搭接双檩刚度折减系数:0.500支座负弯矩调幅系数:0.900檩条截面:C100X50X15X2.5边跨支座搭接长度:0.720 (边跨端:0.360;中间跨端:0.360)中间跨支座搭接长度:0.720 (支座两边均分)----- 设计依据-----《建筑结构荷载规范》(GB 50009-2001)《冷弯薄壁型钢结构技术规范》(GB 50018-2002)----- 檩条作用与验算-----1、截面特性计算檩条截面:C100X50X15X2.5b = 50.00; h = 100.00;c = 15.00; t = 2.50;A =5.2300e-004; Ix =8.1340e-007; Iy =1.7190e-007;Wx1=1.6270e-005; Wx2=1.6270e-005; Wy1=1.0080e-005; Wy2=5.2200e-006;2、檩条上荷载作用△恒荷载屋面自重(KN/m2) :0.2000;檩条自重作用折算均布线荷(KN/m): 0.0411;檩条计算恒荷线荷标准值(KN/m): 0.1845;△活荷载(包括雪荷与施工荷载)屋面活载(KN/m2) :0.500;屋面雪载(KN/m2) :0.000;施工荷载(KN) :1.000;施工荷载起到控制作用;△风荷载建筑形式:封闭式;风压高度变化系数μz :1.000;基本风压W0(kN/m2) :0.700;边跨檩条作用风载分区:中间区;边跨檩条作用风载体型系数μs1:-1.150;中间跨檩条作用风载分区:中间区;中间跨檩条作用风载体型系数μs2:-1.150;边跨檩条作用风荷载线荷标准值(KN/m): -0.5772;中间跨檩条作用风荷载线荷标准值(KN/m): -0.5772;说明: 作用分析采用檩条截面主惯性轴面计算,荷载作用也按主惯性轴分解;檩条截面主惯性轴面与竖直面的夹角为:5.711 (单位:度,向檐口方向偏为正);3、荷载效应组合△基本组合△组合1:1.2恒+ 1.4活+ 0.9*1.4*积灰+ 0.6*1.4*风压△组合2:1.2恒+ 0.7*1.4*活+ 1.4积灰+ 0.6*1.4*风压△组合3:1.2恒+ 0.7*1.4*活+ 0.9*1.4*积灰+ 1.4风压△组合4:1.35恒+ 0.7*1.4*活+ 0.9*1.4*积灰+ 0.6*1.4*风压△组合5:1.0恒+ 1.4风吸△标准组合△组合6:1.0恒+ 1.0活+ 0.9*1.0*积灰+ 0.6*1.0*风压4、边跨跨中单檩强度、稳定验算强度计算控制截面:跨中截面强度验算控制内力(kN.m):Mx=0.943 ;My=-0.028(组合:1)有效截面计算结果:全截面有效。
简支屋檩计算书一. 设计资料采用规范:《门式刚架轻型房屋钢结构技术规程 CECS 102:2002》(2012年版)《冷弯薄壁型钢结构技术规范 GB 50018-2002》檩条间距为1.5m;檩条的跨度为8.5m;檩条截面采用:C-220*75*20*5.0-Q235;以下为截面的基本参数:A(cm^2)=11.71 e0(cm)=4.637I x(cm^4)=1340 i x(cm)=10.7W x(cm^3)=95.74I y(cm^4)=81.54 i y(cm)=2.638W y1(cm^3)=43.07W y2(cm^3)=14.54 I t(cm^4)=0.2357 I w(cm^6)=1.119e+004 跨度中等间距的布置2道拉条;屋面的坡度角为5.71度;净截面折减系数为0.98;屋面板能阻止檩条上翼缘的侧向失稳;能构造保证檩条下翼缘在风吸力下的稳定性;简图如下所示:二. 荷载组合及荷载标准值考虑恒载工况(D)、活载工况(L)、风载工况(W);强度验算时考虑以下荷载工况组合:1.2D+1.4L1.2D+1.4L+0.84W1.2D+0.98L+1.4W1.35D+0.98LD+1.4W挠度验算时考虑以下荷载工况组合:D+LD+W恒载:面板自重: 0.35kN/m^2不考虑檩条自重;活载:屋面活载: 0.5kN/m^2雪荷载: 0.4kN/m风载:基本风压: 0.55kN/m^2中间体型系数(-1.15),风压高度变化系数1阵风系数1;风压综合调整系数1.05;中间风载标准值:(-1.15)×1×1×1.05×0.55=(-0.6641)kN/m^2;三. 验算结果一览整体验算结果输出受弯强度 1.2D+1.4L 173.306 205 通过挠度 D+L 31.6641 56.6667 通过 Y轴长细比- 107.392 200 通过 X轴长细比 - 79.4629 200 通过按跨验算结果输出第1跨 173.3(205) -31.66(56.66)四. 受弯强度验算最不利工况为:1.2D+1.4L最不利截面位于,离开首端4250mm绕x轴弯矩:M x= 15.094kN·m绕y轴弯矩:M y= 0.03351kN·m计算当前受力下有效截面:毛截面应力计算σ1=15.094/95.743×1000-(0.03351)/43.068×1000=156.87N/mm^2(上翼缘支承边)σ2=15.094/95.743×1000+(0.03351)/14.544×1000=159.95N/mm^2(上翼缘卷边边)σ3=-(15.094)/95.743×1000-(0.03351)/43.068×1000=(-158.43)N/mm^2(下翼缘支承边)σ4=-(15.094)/95.743×1000+(0.03351)/14.544×1000=(-155.35)N/mm^2(下翼缘卷边边)计算上翼缘板件受压稳定系数k支承边应力:σ1=156.872N/mm^2非支承边应力:σ2=159.954N/mm^2较大的应力:σmax=159.954N/mm^2较小的应力:σmin=156.872N/mm^2较大的应力出现在非支承边压应力分布不均匀系数:ψ=σmin/σmax=156.872/159.954=0.980731部分加劲板件,较大应力出现在非支承边,ψ≥-1时,k=1.15-0.22ψ+0.045ψ^2=1.15-0.22×0.980731+0.045×0.980731^2=0.977522计算下翼缘板件受压稳定系数k支承边应力:σ1=(-158.428)N/mm^2非支承边应力:σ2=(-155.346)N/mm^2全部受拉,不计算板件受压稳定系数计算腹板板件受压稳定系数k第一点应力:σ1=(-158.428)N/mm^2第二点应力:σ2=156.872N/mm^2较大的应力:σmax=156.872N/mm^2较小的应力:σmin=(-158.428)N/mm^2压应力分布不均匀系数:ψ=σmin/σmax=(-158.428)/156.872=(-1.00992)在计算k时,当ψ<-1时,取ψ值为-1。
2 网架屋面主檩条计算采用140x80x4钢通檩条,按3.6m跨度的连续梁计算,檩距3.7m,檩条材料的屈服强度为215MPa,其毛截面特性为:A=16.96cm²Ix=449.35cm4Iy=186.76cm4Wx=64.19cm³Wy=46.696cm³g=13.32kg/m倾角取最大处倾角 a=4゜,由于角度太小,故不考虑角度对荷载的影响。
(1) 荷载计算1) 恒荷载屋面系统自重0.5kN/m²小计0.5kN/m²×3.7m = 1.85kN/m配件0.1kN/m檩条自重0.1332kN/m合计 2.0832kN/m2) 活荷载0.5Kpa×3.7m = 1.85kN/m3) 风荷载基本风压:0.7kN/m²体型系数:-1.2负风压标准值wk1=-2.0827kN/m²正风压标准值wk2=0.5kN/m²负风压-2.0827× 3.7=-7.706kN/m正风压0.5× 3.7= 1.85kN/m4).雪荷载雪压标准值 sk=0Kpa雪压0× 3.7=0kN/m(2) 荷载组合向下最不利组合值:恒+风+雪= 2.0832×1.2+1.85×1.4×0.6+0×1.4= 4.053kN/m 恒+风+活= 2.0832×1.2+1.85×1.4×0.6+1.85×1.4= 6.643kN/m 向下最不利标准值:恒+风+雪= 2.0832×1.0+1.85×1.0×0.6+0×1.0= 3.193kN/m 恒+风+活= 2.0832×1.2+1.85×1.4×0.6+1.85×1.4= 5.043kN/m向上最不利组合值:恒+风= 2.0832×1.0-7.706×1.4=-8.705kN/m 向上最不利标准值:恒+风= 2.0832×1.0-7.706×1.0=-5.622kN/m所以最不利的荷载为:向下:最不利荷载设计值Wf= 6.643kN/m最不利荷载标准值Wk= 5.043kN/m向上:最不利荷载设计值Wf=-8.705kN/m最不利荷载标准值Wk=-5.622kN/m(3) 内力计算(按多跨连续梁计算)M xmax=0.105×Wf×L²=0.105×8.705×3.6×3.6=11.85kN.m(4) 强度计算σ=Mxmax/W=11.85×1000000/64.19/1000=184.61N/mm²< f=215 N/mm²强度满足要求(5) 挠度计算(按多跨连续梁计算)v max=0.644×Wk×L^4/100EI=0.644×5.622×3600^4/100/206000/449.35/1000= 6.56mm< [v] =L/250=3600/250=14.4mm 刚度满足要求3 网架屋面次檩条计算采用C120x60x20x2.0冷弯薄壁檩条,按4m跨度的连续梁计算,檩距1m,檩条材料的屈服强度为215MPa,其毛截面特性为:A= 5.44cm²Ix=127.04cm4Iy=28.81cm4Wx=21.17cm³Wy=13.42cm³g= 4.28kg/m倾角取最大处倾角 a=4゜,由于角度太小,故不考虑角度对荷载的影响。
C型檩条计算书2 网架屋面主檩条计算采用140x80x4钢通檩条,按3.6m跨度的连续梁计算,檩距3.7m,檩条材料的屈服强度为215MPa,其毛截面特性为:A=16.96cm2Ix=449.35cm4Iy=186.76cm4Wx=64.19cm3Wy=46.696cm3g=13.32kg/m倾角取最大处倾角a=4゜,由于角度太小,故不考虑角度对荷载的影响。
(1) 荷载计算1) 恒荷载屋面系统自重0.5kN/m2小计0.5kN/m2×3.7m = 1.85kN/m配件0.1kN/m檩条自重0.1332kN/m合计 2.0832kN/m2) 活荷载0.5Kpa×3.7m = 1.85kN/m3) 风荷载基本风压:0.7kN/m2体型系数:-1.2负风压标准值wk1=-2.0827kN/m2正风压标准值wk2=0.5kN/m2负风压-2.0827× 3.7=-7.706kN/m正风压0.5× 3.7= 1.85kN/m4).雪荷载雪压标准值 sk=0Kpa雪压0× 3.7=0kN/m(2) 荷载组合向下最不利组合值:恒+风+雪= 2.0832×1.2+1.85×1.4×0.6+0×1.4= 4.053kN/m 恒+风+活= 2.0832×1.2+1.85×1.4×0.6+1.85×1.4= 6.643kN/m 向下最不利标准值:恒+风+雪= 2.0832×1.0+1.85×1.0×0.6+0×1.0= 3.193kN/m 恒+风+活= 2.0832×1.2+1.85×1.4×0.6+1.85×1.4= 5.043kN/m 向上最不利组合值:恒+风= 2.0832×1.0-7.706×1.4=-8.705kN/m 向上最不利标准值:恒+风= 2.0832×1.0-7.706×1.0=-5.622kN/m所以最不利的荷载为:向下:最不利荷载设计值Wf= 6.643kN/m最不利荷载标准值Wk= 5.043kN/m向上:最不利荷载设计值Wf=-8.705kN/m最不利荷载标准值Wk=-5.622kN/m(3) 内力计算(按多跨连续梁计算)M xmax=0.105×Wf×L2=0.105×8.705×3.6×3.6=11.85kN.m(4) 强度计算σ=Mxmax/W=11.85×1000000/64.19/1000=184.61N/mm2< f=215 N/mm2强度满足要求(5) 挠度计算(按多跨连续梁计算)v max=0.644×Wk×L^4/100EI=0.644×5.622×3600^4/100/206000/449.35/1000= 6.56mm< [v] =L/250=3600/250=14.4mm 刚度满足要求3 网架屋面次檩条计算采用C120x60x20x2.0冷弯薄壁檩条,按4m跨度的连续梁计算,檩距1m,檩条材料的屈服强度为215MPa,其毛截面特性为:A= 5.44cm2Ix=127.04cm4Iy=28.81cm4Wx=21.17cm3Wy=13.42cm3g= 4.28kg/m倾角取最大处倾角a=4゜,由于角度太小,故不考虑角度对荷载的影响。
简支橡条计算书输入数据文件:1T输出结果文件:1T-20231216131748,docx计算书生成时间:2023年12月16日13时17分48秒1设计依据《建筑结构荷载规范》(GB50009-2012)《冷弯薄壁型钢结构技术规范》(GB50018-2002)《工程结构通用规范》(GB55001—2023)2设计数据4)变形控制:压型钢板屋面,挠度限值为,1∕200o 3截面及材料特性钢材钢号:Q235屈服强度fy=235.000强度设计值f=205.0004截面验算(1)使用阶段:承载力验算:截面正应力(GB50018-20025.3.1):σmax=Μx∕W enx+M y∕W eny=(16.471/6.346E-05+0.034/3.490F-05)/1.00=260529.359(kN∕τ∏2)=260.529(∕V∕τnτn2)σmax=260.529(N∕mm2)>205.000(N∕mm2)强度验算不满足!1O恒载+1.5风载(吸力)组合承载力验算:截面正应力(GB50018-20025.3.1):^max=M x∕W enx+M y∕W eny=(0.998/7.619E-05+0.043/1.281F-05)/1.00=16453.029(ZcJV∕m2)=16.453(N∕mm2)σmax=16.453(∕V∕τnτn2)<205.000(∕V∕τnτn2)强度验算满足!整体稳定应力(GB51022-20155.3.1):GbW=Mχ∣Mχ∣Weχ+M y∕W ey=0.998/0.945/7.619E-05+0.043/1.281F-05=17219.559(kN∕m2)=17.220(N∕mm z)σbw=17.220(Λ∕∕mm2)<205.000(Λ∕∕mm2)整体稳定验算满足!(2)施工阶段:承载力验算:截面正应力(GB50018-20025.3.1):(^max=M x∕W enx+M y∕W eny=(9.269/7.242E-05+0.021/3.687F-05)/1.00=128552.984(∕cΛ∕∕m2)=128.553(∕V∕mm2)σmax=128.553(∕V∕mm2)<205.000(∕V∕mm2)强度验算满足!5荷载标准值作用下,挠度计算垂直于屋面的挠度(mm):V=36.715<=40.000,满足要求。
屋面檩条计设计(1)设计资料檩条跨度6m ,最大檩条间距1.5m ,跨中设一道拉条。
屋面坡度为i=1/9( 6.34α=︒)。
檩条采用冷弯薄壁C 型钢檩条,钢材采用Q235B ,2f=205N/mm 。
焊条采用E43型。
(2)荷载情况◆恒载夹芯屋面板(100厚) 20.14KN/m檩条 20.05KN/m20.19KN/m◆可变荷载屋面活载标准值为20.50KN/m ;雪荷载标20 1.00.400.40KN/m k r S S μ==⨯=取屋面活载与雪荷载中的较大值 20.50KN/m 。
屋面积灰荷载为 20.30KN/m 。
◆风荷载风荷载标准值()2k 0 1.7680.6 1.030.45 1.050.52KN/m z z s ωβμμω==⨯-⨯⨯⨯=-(3)内力情况恒载和活载组合情况下荷载大于恒载与施工检修荷载组合情况下荷载,则仅须验算前者。
()q=1.20.19+0.9 1.40.50+0.30 1.5 1.85KN/m ⨯⨯⨯=⎡⎤⎣⎦()k q =0.19+0.90.50+0.30 1.5 1.37KN/m ⨯⨯=⎡⎤⎣⎦x q .sin 1.85sin 6.340.204KN/m q α==⨯︒=y q .cos 1.85cos 6.34 1.839KN/m q α==⨯︒=对于x 轴22/8 1.8396/88.276KN.m x y M q l ==⨯=对于y 轴,檩条跨中设有一道拉条,考虑为侧向支承点,则跨中负弯矩为22y M /320.2046/320.230KN.m x q l ==⨯=(3)截面 选择及其截面几何性质选用截面尺寸为C 1807020 2.5⨯⨯⨯,截面几何特性如下:2848A mm =,434.66910x W mm =⨯,43max 2.58210y W mm =⨯,43min 1.11210y W mm =⨯,70.4x i mm =,644.20210x I mm =⨯,25.3y i mm =,545.44210y I mm =⨯,341.76710t I mm =⨯,963.49210w I mm =⨯,051.0e mm =,021.1x mm =(5)有效截面计算180 2.57 3.070h b ==<,702052831312.5205b t ==<=,且2082.5a t ==,故檩条全截面有效。
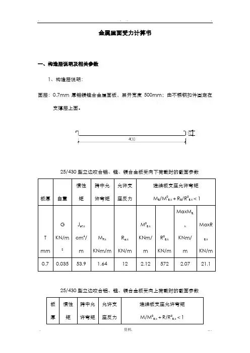
金属屋面受力计算书一、构造层说明及相关参数1、构造层说明:面层:0.7mm厚铝镁锰合金屋面板,展开宽度500mm;由不锈钢扣件固定在支撑层上面。
25/430型立边咬合铝、锰、镁合金板受向下荷载时的截面参数25/430型立边咬合铝、锰、镁合金板受向上荷载时的截面参数降噪层:6mm厚通风降噪丝网;防水层:自粘性防水卷材;找平层:1mm厚镀锌找平钢带(间距400~450mm);支撑层:0.5mm厚VP125型压型钢承板;保温层:100厚12k保温棉满铺;檩条:□40x40x4.0方通檩条,横截面积:576mm2;间距1000mm;□40x40x4.0 方通檩条截面特性2、计算依据:《建筑结构荷载规范》(GB50009-2001)《冷弯薄壁型钢结构技术规范》(GB50018-2002)《钢结构设计规范》(GB50017-2003)3、设计参数钢密度:78.5 KN/m3铝合金密度:28 KN/m3玻璃棉容重:0.12 KN/m3檩条钢材材质为:Q235强度设计值:冷弯薄壁型钢的f(拉、压、弯)设计值为:205N/mm2屋面铝板铝合金牌号为:3004H14,抗拉强度σb≥220(N/mm2)非比例伸长应力σRP0.2≥170(N/mm2)T码铝合金牌号为6063-T5 抗拉强度σb≥160(N/mm2)非比例伸长应力σRP0.2≥110(N/mm2)ST5.5*35六角法兰钻尾钉材质为SWRCH22A,最小破坏力矩为10N·m破坏拉力荷载为13.2KN材料弹性模量及线胀系数:材料弹性模量E(N/mm2)线胀系数(10-5)钢 2.06*105 1铝合金0.70*105 2.35结构重要性系数:λ=1.14、荷载4.1、恒荷载:0.7厚25/430型立边咬合铝镁锰合金屋面板0.035 KN/m26mm厚通风降噪丝网0.005 KN/m2自粘性防水卷材0.05KN/㎡1mm厚找平钢板0.08 KN/m20.5mm厚压型钢板0.04 KN/m2□40x40x4檩条0.05 KN/m其他连接附件0.005 KN/m2合计0.265KN/m24.2、活荷载(按不上人屋面):0.5 KN/m24.3、风荷载:按《建筑结构荷载规范》GB50009-2001,计算嘉兴地区的风载为:50年一遇基本风压:w0 = 0.50 kN/m2,地面粗糙类别B类,建筑物高度按20m计算,按封闭式屋面取体形系数。
檩条设计 1. 设计资料采用规范:《冷弯薄壁型钢结构技术规范 GB 50018-2002》按檩条高度l h )501~351(,从而初选C 形檩条采用C-120*60*20*3截面,材料为Q235; 檩条跨度为4m ,檩条间距为2m ; 檩条跨度不大于4m ,故不布置拉条; 屋面板采用彩色钢板波形瓦,0.6mm 厚彩色钢板,自重0.12KN/m ²屋面的坡度角为3.43度; 檩条按简支构件模型计算;屋面板能阻止檩条的侧向失稳;2. 截面参数A(cm 2)=7.65 e 0(cm)=4.87 I x (cm 4)=170.68 i x (cm)=4.72 W x (cm 3)=28.45 I y (cm 4)=37.36 i y (cm)=2.21 W y1(cm 3)=17.74 W y2(cm 3)=9.59I t (cm 4)=0.2296I w (cm 6)=1153.23. 荷载标准值恒载: 面板自重: 0.12kN/m 2 檩条自重: 0.04106kN/m 活载: 屋面活载: 0.5kN/m 2 雪荷载: 0.6kN/m 施工荷载: 1kN风载: 基本风压: 0.35kN/m 2 体型系数-1.3,风压高度变化系数1.1 风振系数为1;风压综合调整系数1.05;风载标准值:-1.3×1.1×1×1.05×0.35=-0.5005kN/m 2;注:雪荷载与活荷载取较大值考虑,施工荷载不与风荷载、雪荷载同时考虑。
4. 荷载组合恒载: q d =0.12×2+0.04106=0.2811kN/m 活载: q l =0.6×2=1.2kN/m风载: qw=-0.5005×2=-1.001kN/m工况1:1.2x 永久荷载+1.4x 屋面活荷载标准值:1x0.2811+1x1.2=1.4811 kN/m设计值:q =1.2x0.2811+1.4x1.2=2.017 3kN/mqx=q*sin3.43=0.1207 kN/m qy=q*cos3.43=2.0137 kN/m 工况2:1.0x 永久荷载+1.4x 风吸力荷载标准值:1x0.2811+1x (-1.001)=-0.7199 kN/m设计值:q =1x0.2811+1.4x (-1.001)=-1.1203 kN/mqx=q*sin3.43=0.067 kN/mqy=q*cos3.43=1.1183 kN/m5. 内力分析经分析可知,由第一种荷载组合引起的内力起控制作用。
北京奥邦焊业有限公司二期生产车间檩条计算书===== 设计依据======建筑结构荷载规范(GB 50009--2001)冷弯薄壁型钢结构技术规范(GB 50018-2002)门式刚架轻型房屋钢结构技术规程(CECS102:2002)设计软件: :STS钢结构工具箱一、主跨部分檩条===== 设计数据======屋面坡度(度): 3.820檩条跨度(m): 6.800檩条间距(m): 1.900设计规范: 门式刚架规程CECS102:2002风吸力下翼缘受压稳定验算:按附录E验算檩条形式: 卷边槽形冷弯型钢C220X75X20X2.5钢材钢号:Q235钢拉条设置: 设置两道拉条拉条作用: 能约束檩条上翼缘净截面系数: 1.000檩条仅支承压型钢板屋面(承受活荷载或雪荷载),挠度限值为1/150屋面板为两跨或两跨以上面板屋面板能阻止檩条侧向失稳构造不能保证风吸力作用下翼缘受压的稳定性每米宽度屋面板的惯性矩(m4): 0.200000E-06建筑类型: 封闭式建筑分区: 中间区基本风压: 0.450风荷载高度变化系数: 1.050风荷载体型系数: -1.150风荷载标准值(kN/m2): -0.543屋面自重标准值(kN/m2): 0.200活荷载标准值(kN/m2): 0.500雪荷载标准值(kN/m2): 0.400积灰荷载标准值(kN/m2): 0.000检修荷载标准值(kN): 1.000===== 截面及材料特性======檩条形式: 卷边槽形冷弯型钢C220X75X20X2.5b = 75.000 h = 220.000c = 20.000 t = 2.500A = 0.9730E-03 Ix = 0.7038E-05 Iy = 0.6866E-06It = 0.2028E-08 Iw = 0.6351E-08Wx1 = 0.6398E-04 Wx2 = 0.6398E-04 Wy1 = 0.3311E-04 Wy2 = 0.1265E-04钢材钢号:Q235钢fy = 235.000 f = 205.000 ff = 216.799-----------------------------------------------------------------------------===== 截面验算======-----------------------------------------------| 1.2恒载+1.4(活载+0.9积灰+0.6风载(压力))组合|-----------------------------------------------弯矩设计值(kN.m): Mx = 10.829弯矩设计值(kN.m): My = 0.016有效截面计算结果:Ae = 0.9204E-03 Iex = 0.6572E-05 Iey = 0.6741E-06Wex1 = 0.5711E-04 Wex2 = 0.5711E-04 Wex3 = 0.6264E-04 Wex4 = 0.6264E-04 Wey1 = 0.3230E-04 Wey2 = 0.1245E-04 Wey3 = 0.3230E-04 Wey4 = 0.1245E-04 截面强度(N/mm2) : Sgmmax = 190.113 <= 205.000-----------------------------| 1.0恒载+1.4风载(吸力)组合|-----------------------------弯矩设计值(kN.m) : Mxw = -5.722弯矩设计值(kN.m) : Myw = 0.004有效截面计算结果:全截面有效。
光伏⽀架檩条计算书编号:ATEC-FCG-JSS01Project Name:Project Location:Made By:审核:设计:校对:Date:A.设计资料:ω0 - 项⽬所在地基本风压 =0.50kN/m2地⾯粗糙度类别A 类连续墙梁跨数4跨,其中边跨 L= 2.8m设计计算⾼度为 H=5.0md - 檩条间距 =1.檩条采⽤截⾯截⾯基本参数为2.简图如下所⽰B.荷载组合及荷载标准值:1. 恒载(垂直地⾯)1650*990 电池组件0.119kN/m 2檩条0.042kN/m 2其它配件0.005kN/m 2⾃重 qy =0.166kN/m 2雪载⾃重xy = 0.150kN/m 20.50kN/m 2-0.7kN/m 2计算简图2012年6⽉26⽇国电敦煌9MW项⽬连续檩条计算⾃重⾃重wy1 - 风压⼒标准值 =βz*µs*µz*ω0 =wy2 - 风吸⼒标准值 =βz*µs*µz*ω0 =3. 荷载组合1强度验算时最不利荷载组合(向下压⼒):1.2*qy+1.4*xy+1.4*0.6*wy1(由雪荷载起控制作⽤的组合)2强度验算时最不利荷载组合(向上吸⼒):1.0*qy+1.4*wy2(由风吸荷载起控制作⽤的组合)3挠度验算时最不利荷载组合:1.0*qy+1.0*xy+1.0*0.6*wy1(标准组合)(1)垂直于 x 轴(屋⾯)的荷载1Py -设计值P y = 1*d =0.68kN/m (由雪荷载起控制作⽤的组合)2Py -设计值P y = 1*d =-0.67kN/m (由风吸荷载起控制作⽤的组合)3Pky -标准值P kx = 1*d =0.51kN/m(标准组合)C.受弯强度验算:通过静⼒结构计算⼿册,按弯矩公式得出弯矩值Mx=1/8qL 20.67kn.m (该为简⽀梁的弯矩公式)Mx=1/10qL20.53kn.m(该为连续梁的弯矩公式)1.第1跨截⾯为6040,考虑到截⾯消弱系数取0.9,验算其正应⼒M x =0.67kN-m应⼒σ=119.59Mpa<f =153Mpa 通过 !D.挠度验算:通过静⼒结构计算⼿册,按饶度公式得出弯矩值E:206GPA10.17mm(该为简⽀梁的挠度公式)1.第1跨跨度为2.8m,最⼤挠度变形位于1.4m 处,验算得:υx =10.17mm<L/200 =14.00mm 通过!E.结论:当檩条间距为0.82m 时,满⾜设计要求Mx=5/384(ql^2/EI)σ= M x / W en x ≤ fυx ≤ [υ]4 跨连续梁,在⽴⾯ 5m 标⾼处檩条截⾯边跨采⽤ 6040 型檩条,中跨采⽤ 6040 型檩条,。
屋面檩条计算书一、参考规范《GB 50017-2003 钢结构设计规范》《GB 50009-2001 建筑结构荷载规范》《CECS 102:2002 门式钢架轻型钢结构设计规程》二、构件几何信息1)几何尺寸檩条截面类型:内卷边C型截面高度H:280 mm截面宽度B:75 mm卷边宽度A:20mm 檩条厚度T:2.5 mm檩条跨度s:7000 mm檩条间距:1500.0 mm屋面坡度5.00%2)计算条件墙梁类型:简支拉条数量:2墙梁开口方向:开口向下墙梁端部连接孔数量:2墙梁端部连接孔直径:13.5 mm墙面板能否阻止外翼缘侧向失稳:是墙面板能否阻止内翼缘侧向失稳:否3)荷载信息恒载标准值(含檩条自重):0.600 kN/m^2活载标准值:0.500 kN/m^2基本风压:0.650 kN/m^2地面粗糙度类别:B屋脊标高:10.20 m三、材料特性材料牌号:Q235B屈服强度f y:235.0 MPa抗拉强度设计值f:205MPa抗剪强度设计值f:120 MPa弹性模量E:2.06x105 MPa四、验算1)“1.2恒载+1.4活载”作用下的强度验算A)抗弯强度验算角点1的应力σ1=Mx/Wxe1+My/Wye2:-162.04 MPa角点2的应力σ2=Mx/Wxe1-My/Wye1:-160.51 MPa角点3的应力σ3=-Mx/Wxe2-My/Wye1:149.53MPa角点4的应力σ4=-Mx/Wxe2+My/Wye2:148.00 MPa截面上的最大压应力σc_max:-162.04 MPa截面上的最大拉应力σt_max:149.53MPa截面上的最大正应力σmax :162.04MPa钢材强度设计值f :205.00 MPa抗弯强度验算应力比0.7904,满足条件B)抗剪强度验算檩条端部腹板净截面An:632.50 mm^2剪应力τ=V/An:11.77MPa钢材抗剪强度设计值fv:120.00 MPa抗剪强度验算应力比:0.0981,满足条件C)构造验算:卷边刚度校核卷边宽厚比:8.00翼缘宽厚比:30.00卷边最小宽厚比:8.0卷边最大宽厚比:12.0满足要求2)“1.0恒载+1.4风载”作用下的整体稳定性验算A)檩条的整体稳定性计算角点1的整体稳定验算应力σ1:54.16 MPa角点2的整体稳定验算应力σ2 :54.78 MPa角点3的整体稳定验算应力σ3 :-54.48MPa角点4的整体稳定验算应力σ4:-55.10MPa截面上的最大压应力σc_max:-55.10 MPa截面上的最大拉应力σt_max:54.78MPa截面上的最大正应力σmax:55.10MPa钢材强度设计值f :205.00 MPa整体稳定验算应力比0.2688,满足条件3)挠度验算仅验算“1.0恒载+1.0活载”作用下的沿强轴的挠度恒荷载标准值q_d 0.900 kN/m活荷载标准值q_L 0.750 kN/m线荷载设计值q 1.650 kN/m屋面倾角θ度 2.862沿弱轴线荷载qy 1.648 kN/m绕强轴的截面惯性矩Ix m m^4 12480106.2跨中最大挠度v 20.0mm容许挠度[v] 46.667 mm挠度验算应力比:0.429满足条件。
材料 (输入)Q235荷载 (输入)屋面自重恒载(双层板+檩条+保温层)DL 0.2KN/m 2 屋面悬挂吊载CL 0.1KN/m 2 屋面活载LL 0.3KN/m 2 屋面风载Us 屋面风载μs 1.2 μz1 ω00.4KN/m2 μs*μz*ωo=ωk0.48KN/m 20KN几何条件(输入) 檩跨L 7.5m 檩距S 1.5m 屋面坡度P 0.05 截面形式选用型号(输入)C20020D 200mm B 76mm t 2mm x c20.9mm 面积A751mm 24.75E+06mm 45.61E+05mm 447500mm 31.02E+04mm 326318.96mm 32:荷载组合条件标准值DL+CL+LLq k '0.6KN/m 2 设计值(1)1.2(DL+CL)+1.4LL q 1'0.78KN/m 2q 2'0.372KN/m 23:计算简图檩条线荷载标准值S x q k 'q k 0.9KN/m 檩条线载设计值S x *MAX(q 1',q 2')q 1.17KN/m q x 0.058427KN/m q y1.16854KN/m 压力设计值N 0KN4:内力计算计算跨中最大弯矩Mx 8.216299KN.m抗弯模量WxW 1y W 2y檩条所受压力N k 1:已知条件设 计:校 核:( 2 ) 1.4WL-1.0(DL+CL) D 惯性矩Ix 惯性矩IyMy0.036517KN.m 5:有效截面面积计算上翼缘σ1,2172.9747N/mm2翼缘宽厚比B/t38翼缘有效宽厚比B ef/t32B ef64mm下翼缘受拉全截面有效腹板σ1172.9747σ3-172.975N/mm2应力梯度α2腹板宽厚比D/t100腹板有效宽厚比D ef/t100D ef200mm非全截面有效有效截面面积A656mm2有效截面抗弯模量W ef x42695mm3 Xc'20.9711mmW efy126438.22mm3W efy29838mm3全截面有效时考虑冷弯效应的钢材强度设计值f y'成型方式系数η1抗拉强度与屈服点之比γ 1.58截面中心线长度L376mm强度设计值f205N/mm2f y'214.7702N/mm2 7:强度计算σ1193.8229N/mm2σ2191.0605N/mm2σ3-191.06N/mm2σ4-193.823N/mm2最大应力193.8229N/mm2满足8:挠度验算檩条垂直于屋面的挠度v 3.78E+01mm容许挠度值[v]50mm满足。
工程墙(屋)面檩条计算一、已知条件:1.恒载标准值为:qD=.12KN/m22.活载标准值为:qL=.5KN/m23.雪荷载标准值为:qS=.4KN/m24.积灰荷载标准值为:qA=0KN/m25.施工荷载标准值为:Q=0KN6.风压标准值为:qW=.6KN/m27.风压高度变化系数为:μz=18.风压体形系数为:μs=-.59.屋面坡度为:α=3.43度10.檩条计算长度为:L=3.5m11.檩条间距为:a=1.2m12.跨中拉条数量为:n=0根13.檩条抗拉强度设计值为:fy=215MPa14.檩条抗剪强度设计值为:fv=125MPa15.檩条弹性模量为:E=206000MPa16.檩条规格:C100X50X20X2.517.檩条截面特性为:A=548.17mm2z0=18.75mmIx=851417mm4Iy=195283mm4It=1142mm4Iω=521156465mm6d=27.56mme0=46.31mmUy=7545572mm518.计算规范:门式钢架轻型房屋钢结构技术规程CECS102:9819.风荷载调整系数fcw=1.1二、线荷载设计值计算A.荷载组合一<1.2恒+1.4活+1.4雪>1.恒载设计值为:q0=1.2*qD*a=1.2*.12*1.2=.1728KN/m2.活载设计值为:q1=1.4*qL*a=1.4*.5*1.2=.84KN/m3.雪载设计值为:q2=1.4*qS*a=1.4*.4*1.2=.672KN/m荷载组合一线荷载设计值为:qA=q0+q1+q2=.1728+.84+.672=1.6848KN/mx方向线荷载设计值为:qx=qA*sin(α)=1.6848*sin(3.43)=.09KN/my方向线荷载设计值为:qy=qA*cos(α)=1.6848*cos(3.43)=1.68KN/mB.荷载组合二<1.2恒+1.4活+1.4积灰>1.恒载设计值为:q0=1.2*qD*a=1.2*.12*1.2=.1728KN/m2.活载设计值为:q1=1.4*qL*a=1.4*.5*1.2=.84KN/m3.积灰载设计值为:q2=1.4*qS*a=1.4*0*1.2=0KN/m荷载组合二线荷载设计值为:qB=q0+q1+q2=.1728+.84+0=1.0128KN/mx方向线荷载设计值为:qx=qB*sin(α)=1.0128*sin(3.43)=.05KN/my方向线荷载设计值为:qy=qB*cos(α)=1.0128*cos(3.43)=1.01KN/mC.荷载组合三<1.0恒+1.4风>1.恒载设计值为:q0=1.0*qD*a=1.0*.12*1.2=.144KN/m2.风荷载设计值为:q1=1.4*qW*μs*fcw*a=1.4*.6*(-.5)*1.1*1.2=-.5544KN/m(负号表示垂直屋面向上吸力)荷载组合三线荷载设计值为:x方向线荷载设计值为:qx=q0*sin(α)=.144*sin(3.43)=0KN/my方向线荷载设计值为:qy=q0*cos(α)+q1=.144*cos(3.43)+(-.5544)=-.42KN/mD.荷载组合四<1.2恒+0.85(1.4活+1.4雪+1.4风)>1.恒载设计值为:q0=1.2*qD*a=1.2*.12*1.2=.1728KN/m2.活载设计值为:q1=0.85*1.4*qL*a=0.85*1.4*.5*1.2=.714KN/m3.雪荷载设计值为:q2=0.85*1.4*qS*a=0.85*1.4*.4*1.2=.5712KN/m4.风荷载设计值为:q3=0.85*1.4*qW*μs*μz*fcw*a=0.85*1.4*.6*(-.5)*1*1.1*1.2=-.47124KN/m(负号表示垂直屋面向上吸力)荷载组合四线荷载设计值为:x方向线荷载设计值为:qx=(q0+q1+q2)*sin(α)=(.1728+.714+.5712)*sin(3.43)=.08KN/ my方向线荷载设计值为:qy=(q0+q1+q2)*cos(α)+q3=(.1728+.714+.5712)*cos(3.43)+(-. 47124)=.98KN/mE.荷载组合五<1.2恒+0.85(1.4活+1.4积灰+1.4风)>1.恒载设计值为:q0=1.2*qD*a=1.2*.12*1.2=.1728KN/m2.活载设计值为:q1=0.85*1.4*qL*a=0.85*1.4*.5*1.2=.714KN/m3.积灰荷载设计值为:q2=0.85*1.4*qA*a=0.85*1.4*0*1.2=0KN/m4.风荷载设计值为:q3=0.85*1.4*qW*μs*μz*fcw*a=0.85*1.4*.6*(-.5)*1*1.1*1.2=-.47124KN/m(负号表示垂直屋面向上吸力)荷载组合五线荷载设计值为:x方向线荷载设计值为:qx=(q0+q1+q2)*sin(α)=(.1728+.714+0)*sin(3.43)=.05KN/m y方向线荷载设计值为:qy=(q0+q1+q2)*cos(α)+q3=(.1728+.714+0)*cos(3.43)+(-.47124)=.41KN/mF.荷载组合六<1.2恒+1.4活+1.4施工荷载>1.恒载设计值为:q0=1.2*qD*a=1.2*.12*1.2=.1728KN/m2.活载设计值为:q1=1.4*qL*a=1.4*.5*1.2=.84KN/m3.施工荷载设计值为:Q=1.4*Qc=1.4*0=0KN荷载组合六线荷载设计值为:qE=q0+q1=.1728+.84=1.0128KN/mx方向线荷载设计值为:qx=qE*sin(α)=1.0128*sin(3.43)=.05KN/my方向线荷载设计值为:qy=qE*cos(α)=1.0128*cos(3.43)=1.01KN/m 跨中集中荷载设计值为:Q=0KN三、檩条强度计算因为荷载组合一设计值大于等于组合二、三、四、五、六设计值,因此选取组合一进行强度计算<一>荷载组合一强度计算强轴弯矩设计值为:Mx=qy*L^2/8=1.68*3.5^2/8=2.57KN.m弱轴弯矩设计值为:My=qx*L^2/8=.09*3.5^2/8=.13KN.m1.檩条上翼缘为一边支撑一边卷边非均匀受压板件,计算板端点7、8处应力(压应力为正值,拉应力为负值):A.点7处应力为:σ7=mx/ix*h/2-my/iy*x0=2570000/851417*100/2-130000/195283*17.25=139.44MPaB.点8处应力为:σ8=mx/ix*h/2+my/iy*(b-x0)=2570000/851417*100/2+130000/1952 83*(50-17.25)=172.72MPa截面边缘正应力比值β=σ7/σ8=139.44/172.72=.807kσ=16/(sqrt((1+β)^2+0.112*(1-β^2))^0.5+(1+β))=4.414λp=b/(t*28.1*kσ^0.5*(235/fy)^0.5)=.324因为λp<=0.8,ρ=1.000截面全部受压,be=ρ*bw=1*50=50be11=2*be/(5-β)=2*50/(5-.807)=23.84be12= be-be11=50-26.14=26.15be11+be12=23.84+26.15=49.98>=b=50并且σ7<σ8<fy=215MPa上翼缘满足强度要求!2.檩条下翼缘为一边支撑一边卷边受拉板件,计算板端点3、4处应力(压应力为正值,拉应力为负值):A.点3处应力为:σ3=-mx/ix*h/2+my/iy*(b-x0)=-2570000/851417*100/2+130000/19 5283*(50-17.25)=-129.13MPaB.点4处应力为:σ4=-mx/ix*h/2-my/iy*x0=-2570000/851417*100/2-130000/195283 *17.25=-162.41MPa檩条下翼缘最大应力σ4<=fy=215MPa,下翼缘满足要求!3.檩条腹板为两边支撑非均匀受压板件,板端点4、7处应力(压应力为正值,拉应力为负值):A.点4处应力为:σ4=-mx/ix*h/2+my/iy*z0=2570000/851417*100/2+130000/195283*18.75=-162.41MPaB.点7处应力为:σ7=mx/ix*h/2-my/iy*z0=2570000/851417*100/2-130000/195283*1 8.75=139.44MPa截面边缘正应力比值β=σ7/σ4=139.44/-162.41=-.859kσ=16/(sqrt((1+β)^2+0.112*(1-β^2))^0.5+(1+β))=44.089λp=b/(t*28.1*kσ^0.5*(235/fy)^0.5)=.205因为λp<=0.8,ρ=1.000截面部分受压,he=ρ*hc=1*46.19=46.19he1=0.6*he+h-hc=.6*46.19+100-46.19=18.47 he2=0.4*he=.4*46.19=81.51he1+he2=18.47+81.51=99.98>=h=100并且σ3<σ4<fy=215MPa腹板缘满足强度要求!该荷载组合满足工程强度要求!四、檩条稳定计算因为屋面板能阻止檩条的侧向失稳,因此荷载组合一及二不必计算满足稳定要求![因为荷载组合三设计值大于等于荷载组合四、五设计值,因此选载组合三进行檩条稳定计算]<二>荷载组合三稳定计算檩条跨间无侧向支撑点的稳定计算参数为:ζ1=1.13; ζ2=0.46; ζ3=0.53檩条侧向计算长度为L0=μb*L=1*3500=3500mm檩条弯矩作用平面外的长细比λy=L0/Sqr(Iy/A)=3500/Sqr(195283/548.17)=185.4βx=Uy/(2*Iy)-e0=7545572/(2*195283)-46.31=-27ζ=4*Iω/(h^2*Iy)+0.156*It/Iy*(L0/h)^2=4*521156465/(100^2*195283) +0.156*1142/195283*(3500/100)^2=2.185η=2*(-ζ2*e0+ζ3*βx)/h=2*(-.46*46.31+.53*-27)/100=-.713ψb=4320*A*h*ζ1/(λy^2*Ix)*h/2*(Sqr(η^2+ζ)+η)*(235/fy)=4320*548.17*100*1.13/(185.4^2*851417)*100/2*(Sqr(-.713^2 +2.185)+-.713)*(235/215)=.464最大应力为σ3=-mx*h/(2*ψb * ix)+my/iy*(b-x0)=--650000*100/(2*.464*851417)+0/195283*(50-17.251160226748 3)=82.26<=fy本荷载组合满足檩条稳定要求!五、檩条构造以及变形计算<一>长细比计算强轴平面内计算长度为Lx=3500mm强轴平面外计算长度为Ly=1*3500=3500mm檩条弯矩作用平面内的长细比λx=Lx/Sqr(Ix/A)=3500/Sqr(851417/548.17)=88.8<=[220],满足要求!檩条弯矩作用平面外的长细比λy=Ly/Sqr(Iy/A)=3500/Sqr(195283/548.17)=185.43<=[220],满足要求!<二>在恒载、活载、雪载作用下的变形计算线荷载标准值为:qk=(qD+qL+qS)*a*cos(α)=(.12+.5+.4)*1.2*cos(3.43)=1.22KN/ mf=5*qk*L^4/(384*E*Ix)=5*1220*3500^4/(384*206000*851417)=1 3.59mmf/L=13.59/3500=1/257.5<=1/240,挠度满足要求!<三>在恒载、风载作用下的变形计算线荷载标准值为:qk=qD*a*cos(α)+μs*μz*qW*a=.12*1.2*cos(3.43)-.5*1*.6*1.2=-.22KN/mf=5*qk*L^4/(384*E*Ix)=5*-220*3500^4/(384*206000*851417)=-2.46mmf/L=-2.46/3500=1/1428.1<=1/240,挠度满足要求!。
墙梁一:双卷边槽形口对口C250X75X20X3.0 ===== 设计依据======建筑结构荷载规范(GB 50009--2012)冷弯薄壁型钢结构技术规范(GB 50018-2002)===== 设计数据======墙梁跨度(m): 9.700墙梁间距(m): 2.800设计规范: 冷弯薄壁型钢规范GB50018-2002檩条形式: [] 双卷边槽形口对口C250X75X20X3.0钢材钢号:Q345钢拉条设置: 设置四道拉条拉条作用: 约束墙梁外翼缘净截面系数: 1.000墙梁支承压型钢板墙,水平挠度限值为1/150墙板不能阻止墙梁侧向失稳构造不能保证风吸力作用墙梁内翼缘受压的稳定性墙梁支撑墙板重量单侧挂墙板墙梁上方一侧板重(kN/m) : 0.400建筑类型: 封闭式建筑分区: 中间区基本风压: 0.740风荷载高度变化系数: 1.200迎风风荷载体型系数: 1.000背风风荷载体型系数: -1.100迎风风荷载标准值(kN/m2): 0.888背风风荷载标准值(kN/m2): -0.977===== 截面及材料特性======墙梁形式: [] 双卷边槽形口对口C250X75X20X3.0b = 75.000 h = 250.000c = 20.000 t = 3.000A = 0.2568E-02 Ix = 0.2362E-04 Iy = 0.1003E-04It = 0.2109E-04 Iw = 0.7031E-07Wx1 = 0.1889E-03 Wx2 = 0.1889E-03 Wy1 = 0.1337E-03 Wy2 = 0.1337E-03钢材钢号:Q345钢屈服强度fy= 345.000强度设计值f= 300.000考虑冷弯效应强度f'= 308.159===== 设计内力======-------------------------| 1.2恒载+1.4风压力组合|-------------------------绕主惯性轴强轴弯矩设计值(kN.m): Mx = 40.940绕主惯性轴弱轴弯矩设计值(kN.m): My = 0.226水平剪力设计值(kN) : Vx = 16.883竖向剪力设计值(kN) : Vy = 0.849-------------------------| 1.35恒载|-------------------------绕主惯性轴强轴弯矩设计值(kN.m): Mx1 = 0.000绕主惯性轴弱轴弯矩设计值(kN.m): My1 = 0.255水平剪力设计值(kN) : Vx1 = 0.000竖向剪力设计值(kN) : Vy1 = 0.955-------------------------| 1.2恒载+1.4风吸力组合|-------------------------绕主惯性轴强轴弯矩设计值(kN.m): Mx2 = -45.034绕主惯性轴弱轴弯矩设计值(kN.m): My2 = 0.226水平剪力设计值(kN) : Vxw = 18.571竖向剪力设计值(kN) : Vyw = 0.849-----------------------------------------------------------------------------===== 风压力作用验算======抗弯控制组合:1.2恒载+1.4风压力组合有效截面特性计算结果:Ae = 0.2456E-02 θe = 0.0000E+00 Iex = 0.2233E-04 Iey = 0.9666E-05 Wex1 = 0.1722E-03 Wex2 = 0.1722E-03 Wex3 = 0.1856E-03 Wex4 = 0.1856E-03 Wey1 = 0.1293E-03 Wey2 = 0.1284E-03 Wey3 = 0.1293E-03 Wey4 = 0.1284E-03截面强度(N/mm2) : σmax = 239.499 <= 300.000整体稳定系数: Faib = 1.000整体稳定应力(N/mm2) : fstab = 239.499 <= 300.000===== 风吸力作用验算======组合: 1.2恒载+1.4风吸力有效截面特性计算结果:Ae = 0.2427E-02 θe = 0.0000E+00 Iex = 0.2205E-04 Iey = 0.9553E-05 Wex1 = 0.1850E-03 Wex2 = 0.1850E-03 Wex3 = 0.1686E-03 Wex4 = 0.1686E-03 Wey1 = 0.1279E-03 Wey2 = 0.1269E-03 Wey3 = 0.1279E-03 Wey4 = 0.1269E-03截面强度(N/mm2) : σmaxw = 268.876 <= 300.000内翼缘受压稳定性验算:整体稳定系数: Faib = 1.000整体稳定应力(N/mm2): fstabw = 268.876 <= 300.000===== 荷载标准值作用下,挠度验算======竖向挠度(mm) : fy = 0.027 <= 10.000水平挠度(mm) : fx = 58.913 <= 64.667-----------------------------------------------------------------------------===== 计算满足======-----------------------------------------------------------------------------===== 计算结束======墙梁二:双卷边槽形口对口C280X80X20X3.0===== 设计依据======建筑结构荷载规范(GB 50009--2012)冷弯薄壁型钢结构技术规范(GB 50018-2002)===== 设计数据======墙梁跨度(m): 9.700墙梁间距(m): 3.100设计规范: 冷弯薄壁型钢规范GB50018-2002檩条形式: [] 双卷边槽形口对口C280X80X20X3.0钢材钢号:Q345钢拉条设置: 设置四道拉条拉条作用: 约束墙梁外翼缘净截面系数: 1.000墙梁支承压型钢板墙,水平挠度限值为1/150墙板不能阻止墙梁侧向失稳构造不能保证风吸力作用墙梁内翼缘受压的稳定性墙梁支撑墙板重量单侧挂墙板墙梁上方一侧板重(kN/m) : 0.400建筑类型: 封闭式建筑分区: 中间区基本风压: 0.740风荷载高度变化系数: 1.200迎风风荷载体型系数: 1.000背风风荷载体型系数: -1.100迎风风荷载标准值(kN/m2): 0.888背风风荷载标准值(kN/m2): -0.977===== 截面及材料特性======墙梁形式: [] 双卷边槽形口对口C280X80X20X3.0b = 80.000 h = 280.000c = 20.000 t = 3.000A = 0.2666E-02 Ix = 0.2982E-04 Iy = 0.1196E-04It = 0.2737E-04 Iw = 0.1104E-06Wx1 = 0.2130E-03 Wx2 = 0.2130E-03 Wy1 = 0.1495E-03 Wy2 = 0.1495E-03钢材钢号:Q345钢屈服强度fy= 345.000强度设计值f= 300.000考虑冷弯效应强度f'= 307.859===== 设计内力======-------------------------| 1.2恒载+1.4风压力组合|-------------------------绕主惯性轴强轴弯矩设计值(kN.m): Mx = 45.327绕主惯性轴弱轴弯矩设计值(kN.m): My = 0.229水平剪力设计值(kN) : Vx = 18.692竖向剪力设计值(kN) : Vy = 0.860-------------------------| 1.35恒载|-------------------------绕主惯性轴强轴弯矩设计值(kN.m): Mx1 = 0.000绕主惯性轴弱轴弯矩设计值(kN.m): My1 = 0.258水平剪力设计值(kN) : Vx1 = 0.000竖向剪力设计值(kN) : Vy1 = 0.967-------------------------| 1.2恒载+1.4风吸力组合|-------------------------绕主惯性轴强轴弯矩设计值(kN.m): Mx2 = -49.860绕主惯性轴弱轴弯矩设计值(kN.m): My2 = 0.229水平剪力设计值(kN) : Vxw = 20.561竖向剪力设计值(kN) : Vyw = 0.860-----------------------------------------------------------------------------===== 风压力作用验算======抗弯控制组合:1.2恒载+1.4风压力组合有效截面特性计算结果:Ae = 0.2501E-02 θe = 0.0000E+00 Iex = 0.2754E-04 Iey = 0.1131E-04 Wex1 = 0.1870E-03 Wex2 = 0.1870E-03 Wex3 = 0.2075E-03 Wex4 = 0.2075E-03 Wey1 = 0.1420E-03 Wey2 = 0.1408E-03 Wey3 = 0.1420E-03 Wey4 = 0.1408E-03截面强度(N/mm2) : σmax = 244.011 <= 300.000整体稳定系数: Faib = 1.000整体稳定应力(N/mm2) : fstab = 244.011 <= 300.000===== 风吸力作用验算======组合: 1.2恒载+1.4风吸力有效截面特性计算结果:Ae = 0.2471E-02 θe = 0.0000E+00 Iex = 0.2716E-04 Iey = 0.1118E-04 Wex1 = 0.2067E-03 Wex2 = 0.2067E-03 Wex3 = 0.1828E-03 Wex4 = 0.1828E-03 Wey1 = 0.1403E-03 Wey2 = 0.1391E-03 Wey3 = 0.1403E-03 Wey4 = 0.1391E-03截面强度(N/mm2) : σmaxw = 274.420 <= 300.000内翼缘受压稳定性验算:整体稳定系数: Faib = 1.000整体稳定应力(N/mm2): fstabw = 274.420 <= 300.000===== 荷载标准值作用下,挠度验算======竖向挠度(mm) : fy = 0.023 <= 10.000水平挠度(mm) : fx = 51.654 <= 64.667-----------------------------------------------------------------------------===== 计算满足======-----------------------------------------------------------------------------===== 计算结束======竖向檩条:冷弯薄壁卷边槽钢:C160X60X20X2.0钢材等级:Q345柱距(m):2.000柱高(m):3.000柱截面:冷弯薄壁卷边槽钢:C160X60X20X2.0H*B*A*T=160*60*20*2.00铰接信息:两端铰接柱平面内计算长度系数:1.000柱平面外计算长度:3.000强度计算净截面系数:1.000设计规范:《钢结构设计规范》容许挠度限值[υ]: l/200 = 15.000 (mm)风载信息:基本风压W0(kN/m2):0.740风压力体形系数μs1:1.000风吸力体形系数μs2:-1.100风压高度变化系数μz:1.200柱顶恒载(kN):0.000柱顶活载(kN):0.000墙板自承重风载作用起始高度y0(m):0.000----- 设计依据-----1、《建筑结构荷载规范》(GB 50009-2012)2、《钢结构设计规范》(GB 50017-2003)3、《冷弯薄壁型钢结构技术规范》(GB 50018-2002)----- 抗风柱设计-----1、截面特性计算A =6.0700e-004; Xc =1.8500e-002; Yc =8.0000e-002;Ix =2.3659e-006; Iy =2.9990e-007;ix =6.2400e-002; iy =2.2200e-002;W1x=2.9570e-005; W2x=2.9570e-005;W1y=1.6190e-005; W2y=7.2300e-006;2、风载计算抗风柱上风压力作用均布风载标准值(kN/m): 1.776抗风柱上风吸力作用均布风载标准值(kN/m): -1.9543、柱上各断面内力计算结果△组合号1:1.35恒+0.7*1.4活断面号: 1 2 3 4 5 6 7 弯矩(kN.m):0.000 0.000 0.000 0.000 0.000 0.000 0.000 轴力(kN) :0.192 0.176 0.160 0.144 0.128 0.112 0.096断面号:8 9 10 11 12 13弯矩(kN.m):0.000 0.000 0.000 0.000 0.000 0.000轴力(kN) :0.080 0.064 0.048 0.032 0.016 0.000△组合号2:1.2恒+1.4风压+0.7*1.4活断面号: 1 2 3 4 5 6 7 弯矩(kN.m):0.000 -0.855 -1.554 -2.098 -2.486 -2.720 -2.797 轴力(kN) :0.170 0.156 0.142 0.128 0.114 0.099 0.085断面号:8 9 10 11 12 13弯矩(kN.m):-2.720 -2.486 -2.098 -1.554 -0.855 0.000轴力(kN) :0.071 0.057 0.043 0.028 0.014 0.000△组合号3:1.2恒+0.6*1.4风压+1.4活断面号: 1 2 3 4 5 6 7 弯矩(kN.m):0.000 -0.513 -0.932 -1.259 -1.492 -1.632 -1.678 轴力(kN) :0.170 0.156 0.142 0.128 0.114 0.099 0.085断面号:8 9 10 11 12 13弯矩(kN.m):-1.632 -1.492 -1.259 -0.932 -0.513 0.000轴力(kN) :0.071 0.057 0.043 0.028 0.014 0.000△组合号4:1.2恒+1.4风吸+0.7*1.4活断面号: 1 2 3 4 5 6 7 弯矩(kN.m):0.000 0.940 1.709 2.308 2.735 2.991 3.077 轴力(kN) :0.170 0.156 0.142 0.128 0.114 0.099 0.085断面号:8 9 10 11 12 13弯矩(kN.m): 2.991 2.735 2.308 1.709 0.940 0.000轴力(kN) :0.071 0.057 0.043 0.028 0.014 0.000△组合号5:1.2恒+0.6*1.4风吸+1.4活断面号: 1 2 3 4 5 6 7 弯矩(kN.m):0.000 0.564 1.026 1.385 1.641 1.795 1.846 轴力(kN) :0.170 0.156 0.142 0.128 0.114 0.099 0.085断面号:8 9 10 11 12 13弯矩(kN.m): 1.795 1.641 1.385 1.026 0.564 0.000轴力(kN) :0.071 0.057 0.043 0.028 0.014 0.000柱底剪力设计值:风压力作用(kN): 3.730风吸力作用(kN): -4.1034、抗风柱强度验算结果控制组合:4设计内力:弯矩(kN.m):3.077; 轴力(kN):0.170有效截面特性计算:Ae =5.4139e-004 We1x=2.3550e-005 We2x=2.8460e-005抗风柱强度计算最大应力(N/mm2): 130.970 < f=300.000抗风柱强度验算满足。