搅拌器参数选型表
- 格式:doc
- 大小:130.50 KB
- 文档页数:3
搅拌装置设计1、电动机选择:1)型号和额定功率要满足搅拌装置设备开车时启动功率增大的要求;2)对于气体或蒸汽爆炸危险环境没根据爆炸危险环境的分区等级或爆炸范围危险区域内气体或蒸汽的级别、组别和电动机的使用条件,选择防爆电动机的机构形式和相应的级别、组别;3)处在化学腐蚀环境时,根据腐蚀环境的分类选择相适应的电动机;4)还应考虑可能引起机械和电器损坏的环境(灰尘、温度、雨水、潮湿等);对于高防爆、小尺寸以及适应不同扭矩性能可选用液压及启动马达;2、减速机的选择:1)选用标准减速机以及专业厂家的产品;2)应考虑减速机在震动和载荷变化情况下的平稳性,并连续工作,一般选择传动效率较高的齿轮减速机;3)出轴旋转方向要求正反双向传动的,不宜选用涡轮蜗杆减速机;4)易燃易爆环境,一般不采用皮带传动减速,就否则必须有防静电措施;5)搅拌轴向力原则上不应由减速机轴承承受,否则需要经验算核定;6)减速机额定功率应大于或等于正常运行中减速机输出轴的传动功率,同时需满足搅拌设备开车时启动轴功率增大的要求;7)输入轴转速应与电动机转速相匹配,输出轴转速应与工作要求的搅拌转速相一致;8)输入和输出轴相对位置的选择应适合斧顶或斧底传动布置的要求;9)减速机润滑冷却方式的选择(膨胀油箱、自冷、风冷、水冷、油泵外循环);10)服务系数的选择,如无特别要求,中小功率搅拌≥1.5,大功率搅拌≥1.8;3、机架的选择:1)应选用标准型的机架;2)无支点机架一般仅适用于小传递小功率和小的轴向载荷,电动机或减速机具有两个支点,并经核算确认轴承能够承受由搅拌轴传递而来的径向和轴向载荷时刻选用无支点机架;3)具有以下条件之一,可以选用单支点机架:a 电动机或减速机有一个支点,经核算可以承受搅拌轴的载荷;b 设置底轴承,作为一个支点;c 轴封本体设有可以作为支点的轴承;d 在搅拌容器内、轴中部设有导向导向轴承,可作为一个支点;4)当不具备选用无支点或单支点机架条件时,应选用双支点机架;5)根据传递的搅拌轴载荷大小、方向以及对传动装置上各支点的总体对中要求等诸因素合理选择机架或搅拌轴上的轴承形式;6)采用柔性轴时应考虑到机架与搅拌容器之间是否需要隔振的问题;4、联轴器的选择:1)应选用标准型联轴器;2)采用无支点机架,并且除电动机或减速机支点外无其他支点时,必须用刚性联轴器;3)在中间轴承、地轴承和轴封不作为支点的情况下,单支点机架应选用刚性联轴器;4)采用双支点机架应选用弹性联轴器;5)搅拌轴分段时,其自身连接必须采用刚性联轴器;【刚性联轴器,弹性联轴器,液力偶合器】5、搅拌轴的选择:1)一般选用塑性好的材料加工制作而成;2)根据安装和维修需求,插入容器部分的搅拌轴可设计成分段结构,采用“(釜内)联轴器”连接,容器外搅拌轴头与减速机出轴之间也可以采用“带短节联轴器”连接;3)对顶插式轴,必要时应考虑在轴头设计吊轴结构,以防止检修中搅拌轴下滑;4)设计搅拌轴时应计算轴的强度和临界转速,必要时计算轴的刚度;5)按柔性轴设计搅拌时应符合以下条件:a 除单跨轴跨间段应是等直径轴段外,悬臂轴的跨间和悬臂两个轴段的直径也必须相等;b 在轴的计算长度范围内不应装设可拆的联轴器;c 轴上只允许安装三叶后掠式、开启涡轮式、圆盘涡轮式及推进式搅拌器等转速较高的搅拌器;d 原则上不允许在无折挡板的容器内安装其他内件;e 原则上不能再气体介质和气-液介质中使用;f 搅拌器充液高度应不低于1/2容器直径;g 斗状漩涡液面凹下深度不应超过1/2充液高度,且漩涡最低液面不得低于搅拌器;h 当搅拌器旋转使介质缠上轴向流时,应保证搅拌轴仅受拉力;【轴封:机械密封,填料箱,唇封,液封】6、搅拌器种类:1)二叶浆式搅拌器(平直叶浆式、斜叶浆式、弧叶浆式、双折叶浆式、复合折叶浆式、螺旋叶浆式、曲边斜叶、菱臂弧叶、花板孔式)2)开启涡轮式搅拌器(斜叶开启涡轮、平直叶开启涡轮、弯叶开启涡轮、三直叶锥底式、后掠式、布鲁马金式)3)圆盘涡轮式搅拌器(平直叶圆盘涡轮、单向圆盘涡轮、弯叶圆盘涡轮、斜叶圆盘涡轮、箭叶式圆盘涡轮、半管及抛物线圆盘涡轮)4)推进式搅拌器(三/四推进式)5)旋桨式搅拌器(变截面旋浆式、高效轴流浆式、三/四宽叶旋浆式)6)高速分散式搅拌器(三叶后齿/翘曲式、齿形圆盘)7)稳定环;8)特殊用途搅拌器(曝气叶轮);9)螺杆式搅拌器;10)大直径式搅拌器(螺杆螺带式搅拌器、框式搅拌器、高效轴流旋浆式、耙式搅拌器)7、电机粗选:8、减速机粗选9、搅拌器特点搅拌设备选型参数表单位:河北健民淀粉糖业有限公司地址:河北省邢台市宁晋县西城区晶龙街项目名称:硫酸链霉素氢化罐、炭处理罐、脱色罐1、根据搅拌介质或物料的物理特性,结合用户的搅拌目的,确定搅拌器型式,主要是轴流式节能桨叶搅拌器(俗称螺旋桨)、螺带搅拌杆搅拌器、分散盘、框式或锚式搅拌器。
搅拌器设计选型绪论搅拌可以使两种或多种不同的物质在彼此之中互相分散,从而达到均匀混合;也可以加速传热和传质过程。
在工业生产中,搅拌操作时从化学工业开始的,围绕食品、纤维、造纸、石油、水处理等,作为工艺过程的一部分而被广泛应用。
搅拌操作分为机械搅拌与气流搅拌。
气流搅拌是利用气体鼓泡通过液体层,对液体产生搅拌作用,或使气泡群一密集状态上升借所谓上升作用促进液体产生对流循环。
与机械搅拌相比,仅气泡的作用对液体进行的搅拌时比较弱的,对于几千毫帕秒以上的高粘度液体是难于使用的。
但气流搅拌无运动部件,所以在处理腐蚀性液体,高温高压条件下的反应液体的搅拌时比较便利的。
在工业生产中,大多数的搅拌操作均系机械搅拌,以中、低压立式钢制容器的搅拌设备为主。
搅拌设备主要由搅拌装置、轴封和搅拌罐三大部分组成。
其结构形式如下图:电动机搅拌装置结构图底轴承第一章搅拌装置第一节搅拌装置的使用范围及作用搅拌设备在工业生产中的应用范围很广,尤其是化学工业中,很多的化工生产都或多或少地应用着搅拌操作。
搅拌设备在许多场合时作为反应器来应用的。
例如在三大合成材料的生产中,搅拌设备作为反应器约占反应器总数的99%。
搅拌设备的应用范围之所以这样广泛,还因搅拌设备操作条件(如浓度、温度、停留时间等)的可控范围较广,又能适应多样化的生产。
搅拌设备的作用如下:①使物料混合均匀;②使气体在液相中很好的分散;③使固体粒子(如催化剂)在液相中均匀的悬浮;④使不相溶的另一液相均匀悬浮或充分乳化;⑤强化相间的传质(如吸收等);⑥强化传热。
搅拌设备在石油化工生产中被用于物料混合、溶解、传热、植被悬浮液、聚合反应、制备催化剂等。
例如石油工业中,异种原油的混合调整和精制,汽油中添加四乙基铅等添加物而进行混合使原料液或产品均匀化。
化工生产中,制造苯乙烯、乙烯、高压聚乙烯、聚丙烯、合成橡胶、苯胺燃料和油漆颜料等工艺过程,都装备着各种型式的搅拌设备。
第二节搅拌物料的种类及特性搅拌物料的种类主要是指流体。
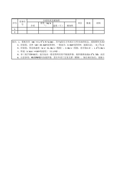
备注:1、桨板直径(mm)=(1/3~2/3)*A(mm),其中A取长方形或正方形水池的短边,或取圆形水池的
2、经验值:功率(kw)=0.2kw*池体积V,一般混合;0.3kw*池体积V,混凝沉淀;(0.4~0.5)
3、经验值:周边线速度(m/s)=1.5m/s(慢搅);2.5m/s(快搅,也可取2.0);1.5~2.5m/s(
4、转速(r/min)=(60*线速度)/(3.14*D)。
5、参三废手册P438页:混合池内一般设带两页的平板搅拌器,搅拌器离池底0.5~0.75D;高径比
6、注意事项:PE或FRP罐内加搅拌器,需在外设门支架支撑(槽钢),轴长相应加长;混凝土水
水池的直径D。
0.5)kw*池体积V,石灰乳配置槽。
5m/s(3~5级多级搅拌)。
框式搅拌属于慢搅,起防止沉淀作用。
高径比(有效高度)≤1.2设一层,>1.3设两层,比例很大可多设几层。
凝土水池加搅拌器,池中心设预埋铁。
搅拌器选型参数表
单位地址
姓名电话传真
手机E-mail其它联系方式
项目名称设备名称位号
容器参数:方形槽长mm 宽mm深mm,封头型式
圆形槽ø×mm(直边)封头型式
高/低液面高度mm(至下封头焊疑线或离底)
档板容器人孔大小连接口尺寸要求安装高度要求
容器操作/设计温度容器操作/设计压力操作要求时/天/批次
安装环境:室内□室外□粉尘□高温□高温度□
搅拌安装位置:顶入□底入□偏心□侧入□其它
搅拌条件:
物料相态;液-液□液-固□气-液□固-固□气-液-固□
搅拌强度:温和(1~3级)□适中(3~5级)□强烈(6~8级)□剧烈(9~10级□)工艺要求:
应用过程:混匀□分散□悬浮□溶解□乳化□发酵□
结晶□萃取□吸收□传热□聚合□浸取□
曝气□稀释□防沉淀□刮泥□反应□其它□
物料物性:
序号组分重量/体积% 粘度比重温度固体粒径液体特性
1.
2.
3.
生成物
搅拌过程体系粘度变化过程
装置设计要求:
动力源:气动/液压马达□电机□电源:VPHHZKW
防护等级防爆等级变频调速
减速装置:摆线□齿轮□皮带□蜗轮□其它
出轴转速:rpm 出轴扭矩:N·M 其它
与物料接触材质:中间底轴承:可有□不用□
搅拌器型式釜内联轴器:有□无□
防污染要求:卫生级□工业级□
注:1、容器参数、搅拌条件、物料特性等条件用户尽量提供。
2、装置设计要求我公司可设计,也可用户指定。
搅拌器选型参数表单位地址姓名电话传真手机E-mail 其它联系方式项目名称设备名称位号容器参数:方形槽长mm 宽mm 深mm,封头型式圆形槽ø× mm(直边)封头型式高/低液面高度 mm(至下封头焊疑线或离底)档板容器人孔大小连接口尺寸要求安装高度要求容器操作/设计温度容器操作/设计压力操作要求时/天/批次安装环境:室内□室外□粉尘□高温□高温度□搅拌安装位置:顶入□底入□偏心□侧入□其它搅拌条件:物料相态;液-液□液-固□气-液□固-固□气-液-固□搅拌强度:温和(1~3级)□适中(3~5级)□强烈(6~8级)□剧烈(9~10级□)工艺要求:应用过程:混匀□分散□悬浮□溶解□乳化□发酵□结晶□萃取□吸收□传热□聚合□浸取□曝气□稀释□防沉淀□刮泥□反应□其它□物料物性:序号组分重量/体积% 粘度比重温度固体粒径液体特性1.2.3.生成物搅拌过程体系粘度变化过程装置设计要求:动力源:气动/液压马达□电机□电源: V PH HZ KW 防护等级防爆等级变频调速减速装置:摆线□齿轮□皮带□蜗轮□其它出轴转速: rpm 出轴扭矩: N·M 其它与物料接触材质:中间底轴承:可有□不用□搅拌器型式釜内联轴器:有□无□防污染要求:卫生级□工业级□注:1、容器参数、搅拌条件、物料特性等条件用户尽量提供。
2、装置设计要求我公司可设计,也可用户指定。
父亲的格局决定家庭的方向一个家庭的福气运道,不是凭空出现的,它是家庭成员共同努力得来的。
家庭要想和谐兴旺,首先要走对方向,父亲的格局就决定着家庭的发展方向。
曾国藩曾说:“谋大事者首重格局”,心中格局的大小,决定了眼光是否长远,眼光是否长远又决定了事物的成败。
家庭的发展不是一个一蹴而就的过程,家庭需要经营,需要规划。
由于社会分工的不同,父亲作为家庭中的男性,承担着家庭领导者的职能,是家庭“权威”的代表。
作为家庭列车的火车头,父亲的眼光要远,格局要大,只有父亲的格局大,才能确保家庭的发展方向不出错。