醋酸丁酯MSDS
- 格式:doc
- 大小:31.00 KB
- 文档页数:1
醋酸正丁酯---MSDS1.物质的理化常数:国标编号32130CAS号123-86-4中文名称乙酸正丁酯英文名称butyl acetate ;butyl ethanoate别名醋酸正丁酯;乙酸丁酯外观分子式C6H1 2O2;C H3COO(C2H)3C H3与性无色透明液体,有果子香味状分子量116.16 蒸汽压2.00kPa/25 ℃闪点:22℃熔点- 73.5℃沸点:126.1℃溶解性微溶于水,溶于醇、醚等多数有机溶剂密度相对密度( 水=1)0.88;相对密度( 空气=1)4.1稳定性稳定危险标记7(中闪点易燃液体)主要用途用作喷漆、人造革、胶片、硝化棉、树胶等溶剂及用于调制香料和药物2. 对环境的影响:一、健康危害侵入途径:吸入、食入、经皮吸收。
健康危害:对眼及上呼吸道均有强烈的刺激作用,有麻醉作用。
吸入高浓度本品出现流泪、咽痛、咳嗽、胸闷、气短等,严重者出现心血管和神经系统的症状可引起结膜炎、角膜炎,角膜上皮有空泡形成。
皮肤接触可引起皮肤干燥。
二、毒理学资料及环境行为急性毒性:LD5013100mg/kg(大鼠经口);LC509480mg/kg(大鼠经口);人吸入3300ppm×短暂,对眼鼻有明显刺激;人吸入200~300ppm×短暂,对眼、鼻有轻度刺激。
刺激性:家兔经皮开放性刺激试验:500mg,轻度刺激。
亚急性和慢性毒性:猫吸入4200ppm,6 小时/ 天,6 天,衰弱,体重减轻,轻度血液变化。
危险特性:易燃,其蒸气与空气可形成爆炸性混合物。
遇明火、高热能引起燃烧爆炸。
与氧化剂能发生强烈反应。
其蒸气比空气重,能在较低处扩散到相当远的地方,遇明火会引着回燃。
燃烧( 分解)产物:一氧化碳、二氧化碳。
3.现场应急监测方法:气体检测管法4.实验室监测方法:气相色谱法《空气和废气监测分析方法》国家环保局编羟胺- 氯化铁比色法《空气中有害物的测定方法》( 第二版),杭士平主编5.环境标准:中国(TJ36-79 )车间空气中有害物质的最高容许浓度3300mg/m前苏联(1975)居民区大气中最大允许浓度0.1mg/m3( 最大值)3( 最大值)0.1mg/m3( 日均值)前苏联(1975)水体中有害物质最高允许浓度0.1mg/L6.应急处理处置方法:一、泄漏应急处理迅速撤离泄漏污染区人员至安全区,并进行隔离,严格限制出入。
1、物质的理化常数2.对环境的影响:一、健康危害侵入途径:吸入、食入、经皮吸收。
健康危害:对眼及上呼吸道均有强烈的刺激作用,有麻醉作用。
吸入高浓度本品出现流泪、咽痛、咳嗽、胸闷、气短等,严重者出现心血管和神经系统的症状可引起结膜炎、角膜炎,角膜上皮有空泡形成。
皮肤接触可引起皮肤干燥。
二、毒理学资料及环境行为急性毒性:LD5013100mg/kg(大鼠经口);LC509480mg/kg(大鼠经口);人吸入3300ppm×短暂,对眼鼻有明显刺激;人吸入200~300ppm×短暂,对眼、鼻有轻度刺激。
刺激性:家兔经皮开放性刺激试验:500mg,轻度刺激。
亚急性和慢性毒性:猫吸入4200ppm,6小时/天,6天,衰弱,体重减轻,轻度血液变化。
危险特性:易燃,其蒸气与空气可形成爆炸性混合物。
遇明火、高热能引起燃烧爆炸。
与氧化剂能发生强烈反应。
其蒸气比空气重,能在较低处扩散到相当远的地方,遇明火会引着回燃。
燃烧(分解)产物:一氧化碳、二氧化碳。
3.现场应急监测方法:气体检测管法4.实验室监测方法:气相色谱法《空气和废气监测分析方法》国家环保局编羟胺-氯化铁比色法《空气中有害物的测定方法》(第二版),杭士平主编5.环境标准:6.应急处理处置方法:一、泄漏应急处理迅速撤离泄漏污染区人员至安全区,并进行隔离,严格限制出入。
切断火源。
建议应急处理人员戴自给正压式呼吸器,穿消防防护服。
尽可能切断泄漏源,防止进入下水道、排洪沟等限制性空间。
小量泄漏:用活性炭或其它惰性材料吸收。
也可以用大量水冲洗,洗水稀释后放入废水系统。
大量泄漏:构筑围堤或挖坑收容;用泡沫覆盖,降低蒸气灾害。
用防爆泵转移至槽车或专用收集器内,回收或运至废物处理场所处置。
二、防护措施呼吸系统防护:可能接触其蒸气时,应该佩戴自吸过滤式防毒面具(半面罩)。
紧急事态抢救或撤离时,建议佩戴空气呼吸器。
眼睛防护:戴化学安全防护眼镜。
身体防护:穿防静电工作服。
化学品平安技术说明书版本 3.2〔〕/GHS 修订时间:2016年6月30日一、化学品及企业标识五、消防措施七、平安处置及储藏方法注:ACGIH是指美国政府工业卫生专家会议推荐的接触限值。
TWA〔时间加权平均阈限值〕是指八小时工作日的时间加权平均浓度规定的阈限值。
STEL〔短时间接触阈限值〕是指每次接触时间不得超过15分钟的时间加权平均接触限值,每天接触不超过4次,且前后两次接触至少要间隔60分钟。
同时当日的时间加权平均阈限值亦不得超过。
BEI (生物接触指数):ACGIH推荐的最高容许生物浓度。
中国最高容许浓度是指任何有代表性的采样测定均不得超过的浓度。
十一、毒性资料十二、生态资料十三、废弃处置方法十四、运输资料国际运输规定:1、DOT 49 CFR将其列为第3类易燃液体,包装等级Ⅲ〔美国交通部〕2、IATA/ICAO分级:3〔国际航运组织〕3、IMDG分级:3〔国际海运组织〕联合国:1123国运输规定:1、化学危险物品平安管理条例〔1987年2月17日国务院发布〕,针对化学危险品的平安生产、使用、储存、运输、装卸等方面均作了相应规定。
2、"常用危险化学品的分类及标志"〔GB13690-92〕,将其划为第3.2 易燃液体类中闪点液体。
包装标志:危险货物:32130特殊运输方法及考前须知:-十五、法规资料适用法规:化学危险物品平安管理条例(实施细则)常用化学危险品贮存通则〔GB15603-1995〕工作场所平安使用化学品的规定中华人民国大气污染防治法中华人民国环境保护法常用危险化学品的分类及标志(GB13690-92)第十六局部其他信息其它重要信息:最新修改日期:2016年6月30日参考文献: 1、"危险化学品平安管理条例"。
2、"常用危险化学品的分类及标志"〔GB13690-2009〕3、"化学品平安技术说明书编写指南"(GB/T 17519-2013)。
1、物质的理化常数2.对环境的影响:一、健康危害侵入途径:吸入、食入、经皮吸收。
健康危害:对眼及上呼吸道均有强烈的刺激作用,有麻醉作用。
吸入高浓度本品出现流泪、咽痛、咳嗽、胸闷、气短等,严重者出现心血管和神经系统的症状可引起结膜炎、角膜炎,角膜上皮有空泡形成。
皮肤接触可引起皮肤干燥。
二、毒理学资料及环境行为急性毒性:LD5013100mg/kg(大鼠经口);LC509480mg/kg(大鼠经口);人吸入3300ppm×短暂,对眼鼻有明显刺激;人吸入200~300ppm×短暂,对眼、鼻有轻度刺激。
刺激性:家兔经皮开放性刺激试验:500mg,轻度刺激。
亚急性和慢性毒性:猫吸入4200ppm,6小时/天,6天,衰弱,体重减轻,轻度血液变化。
危险特性:易燃,其蒸气与空气可形成爆炸性混合物。
遇明火、高热能引起燃烧爆炸。
与氧化剂能发生强烈反应。
其蒸气比空气重,能在较低处扩散到相当远的地方,遇明火会引着回燃。
燃烧(分解)产物:一氧化碳、二氧化碳。
3.现场应急监测方法:气体检测管法4.实验室监测方法:气相色谱法《空气和废气监测分析方法》国家环保局编羟胺-氯化铁比色法《空气中有害物的测定方法》(第二版),杭士平主编5.环境标准:6.应急处理处置方法:一、泄漏应急处理迅速撤离泄漏污染区人员至安全区,并进行隔离,严格限制出入。
切断火源。
建议应急处理人员戴自给正压式呼吸器,穿消防防护服。
尽可能切断泄漏源,防止进入下水道、排洪沟等限制性空间。
小量泄漏:用活性炭或其它惰性材料吸收。
也可以用大量水冲洗,洗水稀释后放入废水系统。
大量泄漏:构筑围堤或挖坑收容;用泡沫覆盖,降低蒸气灾害。
用防爆泵转移至槽车或专用收集器内,回收或运至废物处理场所处置。
二、防护措施呼吸系统防护:可能接触其蒸气时,应该佩戴自吸过滤式防毒面具(半面罩)。
紧急事态抢救或撤离时,建议佩戴空气呼吸器。
眼睛防护:戴化学安全防护眼镜。
身体防护:穿防静电工作服。
化学品安全技术说明书
版本 3.2(CN)/GHS 修订时间:2016年6月30日一、化学品及企业标识
二、危险性概述
四、急救措施
五、消防措施
六、泄露处理方法
七、安全处置及储藏方法
八、暴露预防措施
注:ACGIH是指美国政府工业卫生专家会议推荐的接触限值。
TWA(时间加权平均阈限值)是指八小时工作日的时间加权平均浓度规定的阈限值。
STEL(短时间接触阈限值)是指每次接触时间不得超过15分钟的时间加权平均接触限值,每天接触不超过4次,且前后两次接触至少要间隔60分钟。
同时当日的时间加权平均阈限值亦不得超过。
BEI (生物接触指数):ACGIH推荐的最高容许生物浓度。
中国最高容许浓度是指任何有代表性的采样测定均不得超过的浓度。
九、物理及化学性质
十、稳定性及反应性
十一、毒性资料
十二、生态资料
十三、废弃处置方法
十四、运输资料
十五、法规资料
第十六部分其他信息
其它重要信息:最新修改日期:2016年6月30日
参考文献: 1、《危险化学品安全管理条例》。
2、《常用危险化学品的分类及标志》(GB13690-2009)
3、《化学品安全技术说明书编写指南》(GB/T 17519-2013)。
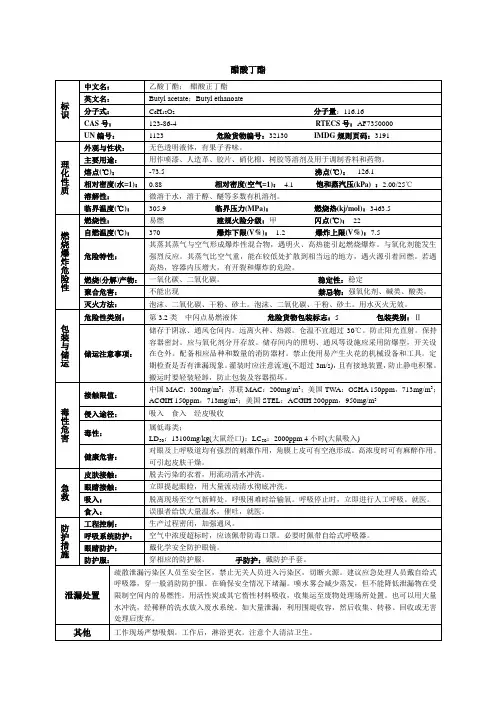
醋酸丁酯的物化性质与危险、有害特性表标识中文名:乙酸丁酯;醋酸正丁酯英文名:butyl acetate;butylethanoate分子式:C6H12O2分子量:116.16危规号:32130 UN编号:1123 CAS号:123-86-4理化性质性状:无色透明液体,有果子香味。
熔点(℃):-73.5 溶解性:微溶于水,溶于醇、醚等多数有机溶剂。
沸点(℃):126.1 相对密度(水=1):0.88饱和蒸气压(kPa):2.00(25℃)相对密度(空气=1):4.1临界温度(℃):305.9 燃烧热(kJ·mol-1):3463.5临界压力(Mpa):无资料最小引燃能量/mJ:无资料燃烧爆炸危险性燃烧性:易燃燃烧分解产物:一氧化碳、二氧化碳闪点(℃):22 聚合危害:不聚合爆炸极限(体积分数)/%:1.2-7.5 稳定性:稳定引燃温度(℃):370 禁忌物:强氧化剂、碱类、酸类·危险特性:易燃,其蒸气与空气可形成爆炸性混合物,遇明火、高热能引起燃烧爆炸。
与氧化剂能发生强烈反应。
其蒸气比空气重,能在较低处扩散到相当远的地方,遇火源会着火回燃。
·灭火方法:灭火剂:采用抗溶性泡沫、二氧化碳、干粉、砂土灭火。
用水灭火无效,但可用水保持火场中容器冷却。
毒性急性毒性:LD50:13100 mg/kg(大鼠经口);LC50:9480 mg/kg(大鼠经口)。
·接触限值:中国:PC-TWA:200mg/m3;PC-STEL:300mg/m3;前苏联 MAC:200mg/m3;TVL-TWA:OSHA150ppm,713mg/m3;ACGIH:20ppm,,95mg/m3;健康危害对眼及上呼吸道均有强烈的刺激作用,有麻醉作用。
吸入高浓度本品出现流泪、咽痛、咳嗽、胸闷、气短等,严重者出现心血管和神经系统的症状。
可引起结膜炎、角膜炎,角膜上皮有空泡形成。
皮肤接触可引起皮肤干燥。
急救·皮肤接触:脱去被污染的衣着,用肥皂水和清水彻底冲洗皮肤;·眼睛接触:立即提起眼睑,用大量流动清水或生理盐水彻底冲洗至少15分钟。
化学品安全技术说明书版本 3.2(CN)/GHS 修订时间:2016年6月30日一、化学品及企业标识化学品中文名称:乙酸正丁酯化学品英文名称:n-BUTYL ACETATE供应商名称、地址及电话::紧急联络电话:传真:国家应急电话:110,119,120产品用途:是一种非常重要的有机化工原料和极好的工业溶剂,被广泛用于醋酸纤维、乙基纤维、氯化橡胶、乙烯树脂、乙酸纤维树酯、合成橡胶、涂料及油漆等的生产过程中。
二、危险性概述三、组分信息中(英)文名称:乙酸正丁酯(n-BUTYL ACETATE)同义名称:醋酸丁酯(ACETIC ACID, n-BUTYL ESTER、1-BUTYL ACETATE、BUTYL ACETATE、BUTYL ETHANOTAE化学式:CH3COO(CH2)3CH3化学文摘社登记号码(CAS No.):123-86-4危害物质成份(成分百分比):100四、急救措施不同暴露途径的急救方法:吸入:1、施救前先做好自身的防护措施,以确保自身的安全。
2、移除污染源或将患者移至新鲜空气处。
3、如果呼吸停止,立即由受过训的人施行人工呼吸;心跳停止则施行心肺复苏术。
4、立即就医。
皮肤接触:1、立即缓和的刷掉或吸掉多余的化学品。
2、用水和非磨砂性肥皂彻底缓和的清洗至少20分钟或直到污染物去除。
3、冲水的同时脱掉受污染的衣物、鞋子和皮饰品(如表带皮带)。
4、如冲洗后刺激感持续,立即就医。
5、受污染的衣服、鞋子及皮饰品需完全洗净除污后方可再用或丢弃。
眼睛接触:1、立即将眼皮撑开,用缓和流动的温水冲洗污染的眼睛20分钟。
2、小心冲洗,勿使清洗水进入未受影响的眼睛。
3、如果刺激感持续,反复冲洗。
4、立即就医。
食入:1、若患者即将丧失意识、已失去意识或痉孪,不可经口喂食任何东西。
2、若患者意识清楚,让其用水彻底漱口。
3、切勿催吐。
4、给患者喝下240-300毫升的水。
5、若患者自发性呕吐,让其身体向前倾以减低吸入危险,并让其漱口且反复给水。
乙酸丁酯(醋酸正丁酯)安全技术说明书标识中文名:乙酸丁酯英文名:butyl acetate分子式:C6H12O2分子量:116.16 CAS号:123-86-4 危规号:32130理化性质性状:无色透明液体,有果子香味。
溶解性:微溶于水,溶于醇、醚等多数有机溶剂。
熔点(℃):-73.6 沸点(℃):126.1 相对密度(水=1):0.88临界温度(℃):305.9 临界压力(MPa):相对密度(空气=1):4.1燃烧热(KJ/mol):3463.5 最小点火能(mJ):饱和蒸汽压(kPa):2.00(25℃)燃烧爆炸危险性燃烧性:易燃燃烧分解产物:一氧化碳、二氧化碳。
闪点(℃):22 聚合危害:不聚合爆炸下限(%):1.2 稳定性:稳定爆炸上限(%):7.5 最大爆炸压力(MPa):引燃温度(℃):370 禁忌物:强氧化剂、酸类、碱类。
危险特性:易燃,其蒸气与空气可形成爆炸性混合物。
遇明火、高热能引起燃烧爆炸。
与氧化剂接触发生化学强烈反应。
其蒸气比空气重,能在较低处扩散到相当远的地方,遇明火会引着回燃。
灭火方法:灭火剂:抗溶性泡沫、干粉、二氧化碳、砂土。
用水灭火无效,但可用水保持火场中容器冷却。
毒性接触限值:中国MAC:300mg/m3苏联MAC:200mg/m3美国TWA:OSHA 150ppm,713mg/m3;ACGIH 150ppm,713mg/m3美国STEL:ACGIH 200ppm,950mg/m3急性毒性:LD50:13100mg/kg(大鼠经口);LC50 :9480mg/kg(大鼠经口)健康危害侵入途径:吸入、食入、经皮肤吸收。
健康危害:对眼及上呼吸道有强烈的刺激作用,有麻醉作用。
吸入高浓度本品出现流泪、咽痛、咳嗽、胸闷、气短等,严重者出现心血管和神经系统的症状。
可引起结膜炎、角膜炎,角膜上皮有空泡形成。
皮肤接触可引起皮肤干燥。
急救皮肤接触:脱去被污染的衣着,用肥皂水和清水彻底冲洗皮肤。