地层与地质年代符号及色标
- 格式:doc
- 大小:309.00 KB
- 文档页数:14
地质成因及符号ml—-人工填土ﻫpd-—植物层ﻫal--冲击层pl--洪积层dl-坡积层ﻫel—-残积层eol——风积层ﻫl——湖积层h-—沼泽沉积层ﻫm--海相沉积层mc--海相交互相沉积层gl-—冰积层fgl—-冰水积层b--火山堆积层col--崩积层ﻫdel--滑坡堆积set-—泥石流ﻫo——生物堆积ﻫch--化学堆积物pr-—成因不明沉积ﻫ人工填土(ml) ﻫ冲击(al) ﻫ洪积(pl) ﻫ坡积(dl) ﻫ沼泽沉积(h)海相沉积(m) ﻫ海陆交互相(mc)冲积物(al) alluvial deposit ﻫ河流在平缓地段所堆积下来得碎屑物,称为冲积物、冲积物根据其形成条件,可分为: ﻫ (1)山区河谷冲积物大部分由卵石、碎石等粗颗粒组成,分选性较差,大小不同得砾石互相交替,成为水平排列得透镜体或不规则得夹层,厚度一般不大。
一般地说,山区河谷得堆积物颗粒大,承载力高,但由于河流侧向侵蚀得结果也带来了大量得细小颗粒,特别就是当河流两旁有许多冲沟支岔时,这些冲沟支岔带来得细小颗粒往往与冲积得粗大颗粒交错堆积在一起,承载力也因而降低。
ﻫ(2)平原河谷冲积物ﻫ河流上游得冲积物一般颗粒粗大,向下游逐渐变细。
冲积层一般呈条带状,具有水平层理,有时也成流水层或湍流层得交错层理、在每一个小层中,岩性得成分就比较均匀,有极良好得分选性。
冲积物得颗粒形状一般为亚圆形或圆形,搬运得距离愈长,颗粒得浑圆度越好。
平原河谷冲积物可分为:河床冲积物、河漫滩冲积物、牛轭湖冲积物与阶地冲积物。
河床冲积物、河漫滩冲积物多为磨圆度较好得漂石、卵石、圆砾与各种砂类土,有时也有粉土、粘性土存在。
在同一地段上,河漫滩冲积物得粒度一般较河床冲积物为小。
在同一河漫滩上,靠河床近得冲积物得粒度比距河床远得为大、牛轭湖冲积物只有当洪水期间成为溢洪区时才能形成,此时,细砂或粉质粘土就直接覆盖在原来已形成得泥炭或淤泥层上。
阶地冲积物得粒度常较河漫滩得为小,一般由粉质粘土、粉土与各种砂土所构成,有时也有卵石、圆砾得夹层。
地层与年代符号和用色导向
2018年整理(本资料仅供参考)
目录
地层与地质年代符号及色标 (1)
第四纪地层的成因类型符号及色标 (2)
岩浆岩符号及色标 (2)
岩石地层用色对比表 (3)
非正式岩石地层用色 (28)
变质深成岩用色 (29)
杂岩混合岩用色 (30)
岩石谱系单位用色 (30)
地层与地质年代符号及色标
第四纪地层的成因类型符号及色标
岩浆岩符号及色标
岩石地层用色对比表
非正式岩石地层用色
变质深成岩用色
杂岩混合岩用色
岩石谱系单位用色
其中(*)表示该种颜色组合使用了专色.
《地质图用色标准及用色原则》(DZ/T 0179—1997)转换为RGB中的解释:
四个基本色:1,2,3,4号色分别对应CMYK色彩模式的Y(Yellow),M(Magenta),C(Cyan),K(Black),而两个专色5号和6号分别按M: 100%,Y: 100%及M: 50%,Y: 100%计。
地质年代表一,概念按时代早晚顺序表示地史时期的相对地质年代和同位素年龄值的表格。
计算地质年龄的方法有两种:①根据生物的发展和岩石形成顺序,将地壳历史划分为对应生物发展的一些自然阶段,即相对地质年代。
它可以表示地质事件发生的顺序、地质历史的自然分期和地壳发展的阶段;②根据岩层中放射性同位素蜕变产物的含量,测定出地层形成和地质事件发生的年代,即绝对地质年代。
据此可以编制出地质年代表。
二,中国地质年代表-----------------------------------------------------------------------------------------代纪世代号起始时间(百万年) 生物开始出现类型------------------------------------------------------------------------------------------新生代第四纪全新世Qh 0.01 人类出现晚更新世Qp中更新世Qp2早更新世Qp1 1.64新近纪上新世N2 5.00中新世N1 23.3 近代哺乳类出现古近纪渐新世E3 37.5始新世E2 50古新世E1 65 鱼类出现-------------------------------中生代白垩纪K 135 被子植物,浮游钙藻出现侏罗纪J 208 鸟类哺乳类出现三叠纪T 250 蜥龙鱼龙出现-------------------------------晚古生代二叠纪P 290 兽行型类裸子植物出现石炭纪C 362 坚孔类种子蕨科达类出现泥盆纪D 410 总鳍鱼类节蕨石松真蕨植物出现早古生代志留纪S 439 裸蕨植物出现奥陶纪O 510 无颌类出现寒武纪-- 570 硬壳动物出现-----------------------------新元古代震旦纪Z 680 不具硬壳动物出现南华纪Nh 800青白口纪Qb 1000 多细胞动物高级藻类出现中元古代蓟县纪JX 1 400 真核动物出现(绿藻)长城纪Ch 1800古元古代滹沱纪Hl 2300五台纪Wt 2500-----------------------------新太古代Ar3 2800 原核生物出现(菌类及蓝藻)中太古代Ar2 3200古太古代Ar1 3600 生命现象开始出现始太古代Ar0 45oo----------------------------------------------------------------------------------------------------------------------关于地质年代表的阅读解析:地理教学大纲中的“基本训练要求”指出:“学会阅读地质年代表,记住代、纪的名称和序列。
地层与地质年代符号及色标地质年代表一,概念按时代早晚顺序表示地史时期的相对地质年代和同位素年龄值的表格。
计算地质年龄的方法有两种:①根据生物的开展和岩石形成顺序,将地壳历史划分为对应生物开展的一些自然阶段,即相对地质年代。
它可以表示地质事件发生的顺序、地质历史的自然分期和地壳开展的阶段;②根据岩层中放射性同位素蜕变产物的含量,测定出地层形成和地质事件发生的年代,即绝对地质年代。
据此可以编制出地质年代表。
二,中国地质年代表----------------------------------------------------------------------------------------- 代纪世代号起始时间(百万年) 生物开始出现类型------------------------------------------------------------------------------------------ 新生代第四纪全新世 Qh 0.01 人类出现晚更新世Qp 中更新世 Qp2早更新世 Qp1 1.64新近纪上新世 N2 5.00中新世 N1 23.3 近代哺乳类出现古近纪渐新世 E3 37.5 始新世 E2 50 古新世 E1 65 鱼类出现-------------------------------中生代白垩纪 K 135 被子植物,浮游钙藻出现侏罗纪 J 208 鸟类哺乳类出现三叠纪 T 250 蜥龙鱼龙出现-------------------------------晚古生代二叠纪 P 290 兽行型类裸子植物出现石炭纪 C 362 坚孔类种子蕨科达类出现泥盆纪 D 410 总鳍鱼类节蕨石松真蕨植物出现早古生代志留纪 S 439 裸蕨植物出现奥陶纪 O 510 无颌类出现寒武纪 -- 570 硬壳动物出现-----------------------------新元古代震旦纪 Z 680 不具硬壳动物出现南华纪 Nh 800青白口纪 Qb 1000 多细胞动物高级藻类出现中元古代蓟县纪 JX 1 400 真核动物出现 (绿藻) 长城纪 Ch 1800古元古代滹沱纪 Hl 2300 五台纪 Wt 2500-----------------------------新太古代 Ar3 2800 原核生物出现 (菌类及蓝藻) 中太古代 Ar2 3200 古太古代 Ar1 3600 生命现象开始出现始太古代 Ar0 45oo----------------------------------------------------------------------------------------------------------------------关于地质年代表的阅读解析:地理教学大纲中的“根本训练要求〞指出:“学会阅读地质年代表,记住代、纪的名称和序列。
地质年代表一,概念按时代早晚顺序表示地史时期的相对地质年代和同位素年龄值的表格。
计算地质年龄的方法有两种:①根据生物的发展和岩石形成顺序,将地壳历史划分为对应生物发展的一些自然阶段,即相对地质年代。
它可以表示地质事件发生的顺序、地质历史的自然分期和地壳发展的阶段;②根据岩层中放射性同位素蜕变产物的含量,测定出地层形成和地质事件发生的年代,即绝对地质年代。
据此可以编制出地质年代表。
二,中国地质年代表-----------------------------------------------------------------------------------------代纪世代号起始时间(百万年) 生物开始出现类型------------------------------------------------------------------------------------------新生代第四纪全新世Qh 0.01 人类出现晚更新世Qp中更新世Qp2早更新世Qp1 1.64新近纪上新世N2 5.00中新世N1 23.3 近代哺乳类出现古近纪渐新世E3 37.5始新世E2 50古新世E1 65 鱼类出现-------------------------------中生代白垩纪K 135 被子植物,浮游钙藻出现侏罗纪J 208 鸟类哺乳类出现三叠纪T 250 蜥龙鱼龙出现-------------------------------晚古生代二叠纪P 290 兽行型类裸子植物出现石炭纪C 362 坚孔类种子蕨科达类出现泥盆纪D 410 总鳍鱼类节蕨石松真蕨植物出现早古生代志留纪S 439 裸蕨植物出现奥陶纪O 510 无颌类出现寒武纪-- 570 硬壳动物出现-----------------------------新元古代震旦纪Z 680 不具硬壳动物出现南华纪Nh 800青白口纪Qb 1000 多细胞动物高级藻类出现中元古代蓟县纪JX 1 400 真核动物出现(绿藻)长城纪Ch 1800古元古代滹沱纪Hl 2300五台纪Wt 2500-----------------------------新太古代Ar3 2800 原核生物出现(菌类及蓝藻)中太古代Ar2 3200古太古代Ar1 3600 生命现象开始出现始太古代Ar0 45oo----------------------------------------------------------------------------------------------------------------------关于地质年代表的阅读解析:地理教学大纲中的“基本训练要求”指出:“学会阅读地质年代表,记住代、纪的名称和序列。
地层与地质年代符号及色标地质年代表一,概念按时代早晚顺序则表示地史时期的相对地质年代和同位素年龄值的表格。
排序地质年龄的方法存有两种:①根据生物的发展和岩石构成顺序,将地壳历史分割为对应生物发展的一些自然阶段,即为相对地质年代。
它可以则表示地质事件出现的顺序、地质历史的自然分期和地壳发展的阶段;②根据岩层中放射性同位素脱胎换骨产物的含量,测量出来地层构成和地质事件出现的年代,即为绝对地质年代。
据此可以基本建设出来地质年代表。
二,中国地质年代表-----------------------------------------------------------------------------------------代纪世代号初始时间(百万年)生物已经开始发生类型------------------------------------------------------------------------------------------新生代第四纪全新世qh0.01人类出现晚更新世qp中更新世qp2晚更新世qp11.64新近纪上新世n25.00中新世n123.3近代哺乳类发生古近纪渐新世e337.5始新世e250古新世e165鱼类出现-------------------------------中生代白垩纪k135被子植物,浮游钙藻发生侏罗纪j208鸟类哺乳类发生三叠纪t250蜥龙鱼龙发生-------------------------------晚古生代二叠纪p290兽行型类裸子植物出现石炭纪c362坚孔类种子蕨科达类出现泥盆纪d410总鳍鱼类节蕨石松真蕨植物发生晚古生代志留纪s439裸蕨植物发生奥陶纪o510无颌类发生寒武纪--570硬壳动物发生-----------------------------新元古代震旦纪z680不具硬壳动物出现南华纪nh800青白口纪qb1000多细胞动物高级藻类发生中元古代蓟县纪jx1400真核动物发生(绿藻)长城纪ch1800古元古代滹沱纪hl2300五台纪wt2500-----------------------------崭新太古代ar32800原核生物发生(菌类及蓝藻)中太古代ar23200古太古代ar13600生命现象开始出现始太古代ar045oo----------------------------------------------------------------------------------------------------------------------关于地质年代表的阅读解析:地理教学大纲中的“基本训练建议”表示:“学会写作地质年代表,忘记代、纪的名称和序列。
地层与年代符号和用色导向2018年整理(本资料仅供参考)
目录
地层与地质年代符号及色标 (1)
第四纪地层的成因类型符号及色标 (2)
岩浆岩符号及色标 (2)
岩石地层用色对比表 (3)
非正式岩石地层用色 (15)
变质深成岩用色 (16)
杂岩混合岩用色 (16)
岩石谱系单位用色 (16)
地层与地质年代符号及色标
第四纪地层的成因类型符号及色标
岩浆岩符号及色标
岩石地层用色对比表
非正式岩石地层用色
变质深成岩用色
杂岩混合岩用色
岩石谱系单位用色
其中(*)表示该种颜色组合使用了专色.
《地质图用色标准及用色原则》(DZ/T 0179—1997)转换为RGB中的解释:
四个基本色:1,2,3,4号色分别对应CMYK色彩模式的Y(Yellow),M(Magenta),C(Cyan),K(Black),而两个专色5号和6号分别按M: 100%,Y: 100%及M: 50%,Y: 100%计
(注:范文素材和资料部分来自网络,供参考。
请预览后才下载,期待你的好评与关注。
)。
地质成因及符号ml--人工填土pd--植物层al--冲击层pl--洪积层dl-坡积层el--残积层eol--风积层l--湖积层h--沼泽沉积层m--海相沉积层mc--海相交互相沉积层gl--冰积层fgl--冰水积层b--火山堆积层col--崩积层del--滑坡堆积set--泥石流o--生物堆积ch--化学堆积物pr--成因不明沉积人工填土(ml)冲击(al)洪积(pl)坡积(dl)沼泽沉积(h)海相沉积(m)海陆交互相(mc)冲积物(al) alluvial deposit河流在平缓地段所堆积下来的碎屑物,称为冲积物。
冲积物根据其形成条件,可分为:(1)山区河谷冲积物大部分由卵石、碎石等粗颗粒组成,分选性较差,大小不同的砾石互相交替,成为水平排列的透镜体或不规则的夹层,厚度一般不大。
一般地说,山区河谷的堆积物颗粒大,承载力高,但由于河流侧向侵蚀的结果也带来了大量的细小颗粒,特别是当河流两旁有许多冲沟支岔时,这些冲沟支岔带来的细小颗粒往往和冲积的粗大颗粒交错堆积在一起,承载力也因而降低。
(2)平原河谷冲积物河流上游的冲积物一般颗粒粗大,向下游逐渐变细。
冲积层一般呈条带状,具有水平层理,有时也成流水层或湍流层的交错层理。
在每一个小层中,岩性的成分就比较均匀,有极良好的分选性。
冲积物的颗粒形状一般为亚圆形或圆形,搬运的距离愈长,颗粒的浑圆度越好。
平原河谷冲积物可分为:河床冲积物、河漫滩冲积物、牛轭湖冲积物和阶地冲积物。
河床冲积物、河漫滩冲积物多为磨圆度较好的漂石、卵石、圆砾和各种砂类土,有时也有粉土、粘性土存在。
在同一地段上,河漫滩冲积物的粒度一般较河床冲积物为小。
在同一河漫滩上,靠河床近的冲积物的粒度比距河床远的为大。
牛轭湖冲积物只有当洪水期间成为溢洪区时才能形成,此时,细砂或粉质粘土就直接覆盖在原来已形成的泥炭或淤泥层上。
阶地冲积物的粒度常较河漫滩的为小,一般由粉质粘土、粉土和各种砂土所构成,有时也有卵石、圆砾的夹层。
地质成因及符号ml--人工填土pd--植物层al--冲击层pl--洪积层dl-坡积层el--残积层eol--风积层l--湖积层h--沼泽沉积层m--海相沉积层mc--海相交互相沉积层gl--冰积层fgl--冰水积层b--火山堆积层col--崩积层del--滑坡堆积set--泥石流o--生物堆积ch--化学堆积物pr--成因不明沉积人工填土(ml)冲击(al)洪积(pl)坡积(dl)沼泽沉积(h)海相沉积(m)海陆交互相(mc)冲积物(al) alluvial deposit河流在平缓地段所堆积下来的碎屑物,称为冲积物。
冲积物根据其形成条件,可分为:(1)山区河谷冲积物大部分由卵石、碎石等粗颗粒组成,分选性较差,大小不同的砾石互相交替,成为水平排列的透镜体或不规则的夹层,厚度一般不大。
一般地说,山区河谷的堆积物颗粒大,承载力高,但由于河流侧向侵蚀的结果也带来了大量的细小颗粒,特别是当河流两旁有许多冲沟支岔时,这些冲沟支岔带来的细小颗粒往往和冲积的粗大颗粒交错堆积在一起,承载力也因而降低。
(2)平原河谷冲积物河流上游的冲积物一般颗粒粗大,向下游逐渐变细。
冲积层一般呈条带状,具有水平层理,有时也成流水层或湍流层的交错层理。
在每一个小层中,岩性的成分就比较均匀,有极良好的分选性。
冲积物的颗粒形状一般为亚圆形或圆形,搬运的距离愈长,颗粒的浑圆度越好。
平原河谷冲积物可分为:河床冲积物、河漫滩冲积物、牛轭湖冲积物和阶地冲积物。
河床冲积物、河漫滩冲积物多为磨圆度较好的漂石、卵石、圆砾和各种砂类土,有时也有粉土、粘性土存在。
在同一地段上,河漫滩冲积物的粒度一般较河床冲积物为小。
在同一河漫滩上,靠河床近的冲积物的粒度比距河床远的为大。
牛轭湖冲积物只有当洪水期间成为溢洪区时才能形成,此时,细砂或粉质粘土就直接覆盖在原来已形成的泥炭或淤泥层上。
阶地冲积物的粒度常较河漫滩的为小,一般由粉质粘土、粉土和各种砂土所构成,有时也有卵石、圆砾的夹层。
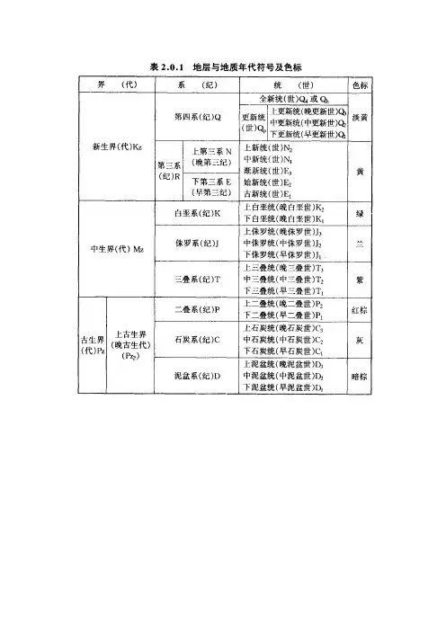
地质年代与地质纪符号及色标
地质年代是研究地球历史的一部分,通过年代学方法,可以将
地球历史划分为不同的地质年代和地质纪。
地质纪符号和色标则是
用来表示不同年代和纪的标志。
地质年代
地质年代是根据地质事件的发生顺序和时代关系进行划分的。
常用的地质年代包括古生代、中生代、新生代等。
每个地质年代代
表着一段特定的地质历史时期。
地质纪符号
地质纪符号是一种用来表示地质纪的图形符号。
常用的地质纪
符号有三个基本形状:⊙、∪、∩。
⊙表示古生代,∪表示中生代,∩表示新生代。
地质纪符号通常用来标识地质地层、地球化石等。
色标
色标是用来表示不同地质年代和纪的颜色标志。
常用的色标有绿色、黄色、红色等。
绿色表示古生代,黄色表示中生代,红色表示新生代。
色标在地质研究、地质图绘制等领域中起到了重要的作用。
总结:地质年代和地质纪符号及色标是地质学研究中的重要概念。
地质年代通过年代学方法划分了地球历史的不同时期,而地质纪符号和色标则用来标示不同年代和纪的图形符号和颜色标志。
这些概念在地质研究和地质图绘制中具有重要意义。
地层与年代符号和用色导向2018年整理(本资料仅供参考)
目录
地层与地质年代符号及色标 (1)
第四纪地层的成因类型符号及色标 (2)
岩浆岩符号及色标 (2)
岩石地层用色对比表 (3)
非正式岩石地层用色 (15)
变质深成岩用色 (16)
杂岩混合岩用色 (16)
岩石谱系单位用色 (16)
地层与地质年代符号及色标
第四纪地层的成因类型符号及色标
岩浆岩符号及色标
岩石地层用色对比表
非正式岩石地层用色
变质深成岩用色
杂岩混合岩用色
岩石谱系单位用色
其中(*)表示该种颜色组合使用了专色.
《地质图用色标准及用色原则》(DZ/T 0179—1997)转换为RGB中的解释:
四个基本色:1,2,3,4号色分别对应CMYK色彩模式的Y(Yellow),M(Magenta),C(Cyan),K(Black),而两个专色5号和6号分别按M: 100%,Y: 100%及M: 50%,Y: 100%计
(注:文档可能无法思考全面,请浏览后下载,供参考。
可复制、编制,期待你的好评与关注)。
地质成因及符号ml--人工填土pd--植物层al--冲击层pl--洪积层dl-坡积层el--残积层eol--风积层l--湖积层h--沼泽沉积层m--海相沉积层mc--海相交互相沉积层gl--冰积层fgl--冰水积层b--火山堆积层col--崩积层del--滑坡堆积set--泥石流o--生物堆积ch--化学堆积物pr--成因不明沉积人工填土(ml)冲击(al)洪积(pl)坡积(dl)沼泽沉积(h)海相沉积(m)海陆交互相(mc)冲积物(al) alluvial deposit河流在平缓地段所堆积下来的碎屑物,称为冲积物。
冲积物根据其形成条件,可分为:(1)山区河谷冲积物大部分由卵石、碎石等粗颗粒组成,分选性较差,大小不同的砾石互相交替,成为水平排列的透镜体或不规则的夹层,厚度一般不大。
一般地说,山区河谷的堆积物颗粒大,承载力高,但由于河流侧向侵蚀的结果也带来了大量的细小颗粒,特别是当河流两旁有许多冲沟支岔时,这些冲沟支岔带来的细小颗粒往往和冲积的粗大颗粒交错堆积在一起,承载力也因而降低。
(2)平原河谷冲积物河流上游的冲积物一般颗粒粗大,向下游逐渐变细。
冲积层一般呈条带状,具有水平层理,有时也成流水层或湍流层的交错层理。
在每一个小层中,岩性的成分就比较均匀,有极良好的分选性。
冲积物的颗粒形状一般为亚圆形或圆形,搬运的距离愈长,颗粒的浑圆度越好。
平原河谷冲积物可分为:河床冲积物、河漫滩冲积物、牛轭湖冲积物和阶地冲积物。
河床冲积物、河漫滩冲积物多为磨圆度较好的漂石、卵石、圆砾和各种砂类土,有时也有粉土、粘性土存在。
在同一地段上,河漫滩冲积物的粒度一般较河床冲积物为小。
在同一河漫滩上,靠河床近的冲积物的粒度比距河床远的为大。
牛轭湖冲积物只有当洪水期间成为溢洪区时才能形成,此时,细砂或粉质粘土就直接覆盖在原来已形成的泥炭或淤泥层上。
阶地冲积物的粒度常较河漫滩的为小,一般由粉质粘土、粉土和各种砂土所构成,有时也有卵石、圆砾的夹层。
地质成因及符号ml--人工填土pd--植物层al--冲击层pl--洪积层dl-坡积层el--残积层eol--风积层l--湖积层h--沼泽沉积层m--海相沉积层mc--海相交互相沉积层gl--冰积层fgl--冰水积层b--火山堆积层col--崩积层del--滑坡堆积set--泥石流o--生物堆积ch--化学堆积物pr--成因不明沉积人工填土(ml)冲击(al)洪积(pl)坡积(dl)沼泽沉积(h)海相沉积(m)海陆交互相(mc)冲积物(al) alluvial deposit河流在平缓地段所堆积下来的碎屑物,称为冲积物。
冲积物根据其形成条件,可分为:(1)山区河谷冲积物大部分由卵石、碎石等粗颗粒组成,分选性较差,大小不同的砾石互相交替,成为水平排列的透镜体或不规则的夹层,厚度一般不大。
一般地说,山区河谷的堆积物颗粒大,承载力高,但由于河流侧向侵蚀的结果也带来了大量的细小颗粒,特别是当河流两旁有许多冲沟支岔时,这些冲沟支岔带来的细小颗粒往往和冲积的粗大颗粒交错堆积在一起,承载力也因而降低。
(2)平原河谷冲积物河流上游的冲积物一般颗粒粗大,向下游逐渐变细。
冲积层一般呈条带状,具有水平层理,有时也成流水层或湍流层的交错层理。
在每一个小层中,岩性的成分就比较均匀,有极良好的分选性。
冲积物的颗粒形状一般为亚圆形或圆形,搬运的距离愈长,颗粒的浑圆度越好。
平原河谷冲积物可分为:河床冲积物、河漫滩冲积物、牛轭湖冲积物和阶地冲积物。
河床冲积物、河漫滩冲积物多为磨圆度较好的漂石、卵石、圆砾和各种砂类土,有时也有粉土、粘性土存在。
在同一地段上,河漫滩冲积物的粒度一般较河床冲积物为小。
在同一河漫滩上,靠河床近的冲积物的粒度比距河床远的为大。
牛轭湖冲积物只有当洪水期间成为溢洪区时才能形成,此时,细砂或粉质粘土就直接覆盖在原来已形成的泥炭或淤泥层上。
阶地冲积物的粒度常较河漫滩的为小,一般由粉质粘土、粉土和各种砂土所构成,有时也有卵石、圆砾的夹层。
地层与地质年代符号及色标地质年代表一,概念按时代早晚顺序表示地史时期的相对地质年代和同位素年龄值的表格。
计算地质年龄的方法有两种:①根据生物的发展和岩石形成顺序,将地壳历史划分为对应生物发展的一些自然阶段,即相对地质年代。
它可以表示地质事件发生的顺序、地质历史的自然分期和地壳发展的阶段;②根据岩层中放射性同位素蜕变产物的含量,测定出地层形成和地质事件发生的年代,即绝对地质年代。
据此可以编制出地质年代表。
二,中国地质年代表----------------------------------------------------------------------------------------- 代纪世代号起始时间(百万年) 生物开始出现类型------------------------------------------------------------------------------------------ 新生代第四纪全新世Qh 0.01 人类出现晚更新世Qp 中更新世Qp2早更新世Qp1 1.64新近纪上新世N2 5.00中新世N1 23.3 近代哺乳类出现古近纪渐新世E3 37.5 始新世E2 50古新世E1 65 鱼类出现-------------------------------中生代白垩纪K 135 被子植物,浮游钙藻出现侏罗纪J 208 鸟类哺乳类出现三叠纪T 250 蜥龙鱼龙出现-------------------------------晚古生代二叠纪P 290 兽行型类裸子植物出现石炭纪 C 362 坚孔类种子蕨科达类出现泥盆纪D 410 总鳍鱼类节蕨石松真蕨植物出现早古生代志留纪S 439 裸蕨植物出现奥陶纪O 510 无颌类出现寒武纪-- 570 硬壳动物出现-----------------------------新元古代震旦纪Z 680 不具硬壳动物出现南华纪Nh 800青白口纪Qb 1000 多细胞动物高级藻类出现中元古代蓟县纪JX 1 400 真核动物出现(绿藻) 长城纪Ch 1800古元古代滹沱纪Hl 2300 五台纪Wt 2500-----------------------------新太古代Ar3 2800 原核生物出现(菌类及蓝藻) 中太古代Ar2 3200古太古代Ar1 3600 生命现象开始出现始太古代Ar0 45oo----------------------------------------------------------------------------------------------------------------------关于地质年代表的阅读解析:地理教学大纲中的“基本训练要求”指出:“学会阅读地质年代表,记住代、纪的名称和序列。
地质成因及符号ml--人工填土pd--植物层al--冲击层pl--洪积层dl-坡积层el--残积层eol--风积层l--湖积层h--沼泽沉积层m--海相沉积层mc--海相交互相沉积层gl--冰积层fgl--冰水积层b--火山堆积层col--崩积层del--滑坡堆积set--泥石流o--生物堆积ch--化学堆积物pr--成因不明沉积人工填土(ml)冲击(al)洪积(pl)坡积(dl)沼泽沉积(h)海相沉积(m)海陆交互相(mc)冲积物(al) alluvial deposit河流在平缓地段所堆积下来的碎屑物,称为冲积物。
冲积物根据其形成条件,可分为:(1)山区河谷冲积物大部分由卵石、碎石等粗颗粒组成,分选性较差,大小不同的砾石互相交替,成为水平排列的透镜体或不规则的夹层,厚度一般不大。
一般地说,山区河谷的堆积物颗粒大,承载力高,但由于河流侧向侵蚀的结果也带来了大量的细小颗粒,特别就是当河流两旁有许多冲沟支岔时,这些冲沟支岔带来的细小颗粒往往与冲积的粗大颗粒交错堆积在一起,承载力也因而降低。
(2)平原河谷冲积物河流上游的冲积物一般颗粒粗大,向下游逐渐变细。
冲积层一般呈条带状,具有水平层理,有时也成流水层或湍流层的交错层理。
在每一个小层中,岩性的成分就比较均匀,有极良好的分选性。
冲积物的颗粒形状一般为亚圆形或圆形,搬运的距离愈长,颗粒的浑圆度越好。
平原河谷冲积物可分为:河床冲积物、河漫滩冲积物、牛轭湖冲积物与阶地冲积物。
河床冲积物、河漫滩冲积物多为磨圆度较好的漂石、卵石、圆砾与各种砂类土,有时也有粉土、粘性土存在。
在同一地段上,河漫滩冲积物的粒度一般较河床冲积物为小。
在同一河漫滩上,靠河床近的冲积物的粒度比距河床远的为大。
牛轭湖冲积物只有当洪水期间成为溢洪区时才能形成,此时,细砂或粉质粘土就直接覆盖在原来已形成的泥炭或淤泥层上。
阶地冲积物的粒度常较河漫滩的为小,一般由粉质粘土、粉土与各种砂土所构成,有时也有卵石、圆砾的夹层。
地质年代表一,概念按时代早晚顺序表示地史时期的相对地质年代和同位素年龄值的表格。
计算地质年龄的方法有两种:①根据生物的发展和岩石形成顺序,将地壳历史划分为对应生物发展的一些自然阶段,即相对地质年代。
它可以表示地质事件发生的顺序、地质历史的自然分期和地壳发展的阶段;②根据岩层中放射性同位素蜕变产物的含量,测定出地层形成和地质事件发生的年代,即绝对地质年代。
据此可以编制出地质年代表。
二,中国地质年代表-----------------------------------------------------------------------------------------代纪世代号起始时间(百万年) 生物开始出现类型------------------------------------------------------------------------------------------新生代第四纪全新世Qh 0.01 人类出现晚更新世Qp中更新世Qp2早更新世Qp1 1.64新近纪上新世N2 5.00中新世N1 23.3 近代哺乳类出现古近纪渐新世E3 37.5始新世E2 50古新世E1 65 鱼类出现-------------------------------中生代白垩纪K 135 被子植物,浮游钙藻出现侏罗纪J 208 鸟类哺乳类出现三叠纪T 250 蜥龙鱼龙出现-------------------------------晚古生代二叠纪P 290 兽行型类裸子植物出现石炭纪C 362 坚孔类种子蕨科达类出现泥盆纪D 410 总鳍鱼类节蕨石松真蕨植物出现早古生代志留纪S 439 裸蕨植物出现奥陶纪O 510 无颌类出现寒武纪-- 570 硬壳动物出现-----------------------------新元古代震旦纪Z 680 不具硬壳动物出现南华纪Nh 800青白口纪Qb 1000 多细胞动物高级藻类出现中元古代蓟县纪JX 1 400 真核动物出现(绿藻)长城纪Ch 1800古元古代滹沱纪Hl 2300五台纪Wt 2500-----------------------------新太古代Ar3 2800 原核生物出现(菌类及蓝藻)中太古代Ar2 3200古太古代Ar1 3600 生命现象开始出现始太古代Ar0 45oo----------------------------------------------------------------------------------------------------------------------关于地质年代表的阅读解析:地理教学大纲中的“基本训练要求”指出:“学会阅读地质年代表,记住代、纪的名称和序列。
地层与地质年代符号及色标地质成因及符号ml--人工填土pd--植物层al--冲击层pl--洪积层dl-坡积层el--残积层eol--风积层l--湖积层h--沼泽沉积层m--海相沉积层mc--海相交互相沉积层gl--冰积层fgl--冰水积层b--火山堆积层col--崩积层del--滑坡堆积set--泥石流o--生物堆积ch--化学堆积物pr--成因不明沉积人工填土(ml)冲击(al)洪积(pl)坡积(dl)沼泽沉积(h)海相沉积(m)海陆交互相(mc)冲积物(al) alluvial deposit河流在平缓地段所堆积下来的碎屑物,称为冲积物。
冲积物根据其形成条件,可分为:(1)山区河谷冲积物大部分由卵石、碎石等粗颗粒组成,分选性较差,大小不同的砾石互相交替,成为水平排列的透镜体或不规则的夹层,厚度一般不大。
一般地说,山区河谷的堆积物颗粒大,承载力高,但由于河流侧向侵蚀的结果也带来了大量的细小颗粒,特别是当河流两旁有许多冲沟支岔时,这些冲沟支岔带来的细小颗粒往往和冲积的粗大颗粒交错堆积在一起,承载力也因而降低。
(2)平原河谷冲积物河流上游的冲积物一般颗粒粗大,向下游逐渐变细。
冲积层一般呈条带状,具有水平层理,有时也成流水层或湍流层的交错层理。
在每一个小层中,岩性的成分就比较均匀,有极良好的分选性。
冲积物的颗粒形状一般为亚圆形或圆形,搬运的距离愈长,颗粒的浑圆度越好。
平原河谷冲积物可分为:河床冲积物、河漫滩冲积物、牛轭湖冲积物和阶地冲积物。
河床冲积物、河漫滩冲积物多为磨圆度较好的漂石、卵石、圆砾和各种砂类土,有时也有粉土、粘性土存在。
在同一地段上,河漫滩冲积物的粒度一般较河床冲积物为小。
在同一河漫滩上,靠河床近的冲积物的粒度比距河床远的为大。
牛轭湖冲积物只有当洪水期间成为溢洪区时才能形成,此时,细砂或粉质粘土就直接覆盖在原来已形成的泥炭或淤泥层上。
阶地冲积物的粒度常较河漫滩的为小,一般由粉质粘土、粉土和各种砂土所构成,有时也有卵石、圆砾的夹层。
在黄土地区,阶地则往往为各个不同地质时期的黄土所分布。
平原河谷冲积层中的地下水一般为潜水,由高阶地补给低阶地,再由河漫滩补给河水。
平原河谷冲积物(除牛轭湖外),一般是较好的地基。
粗颗粒的冲积物其承载力较高,细颗粒的稍低,但要注意冲积砂的密实度和振动液化的问题。
(3)三角洲冲积物三角洲冲积物是河流搬运的大量细小碎屑物在河流人海或入湖的地方堆积而成。
一般分为水上及水下两部分:水上部分主要是河床和河漫滩冲积物,如砂、粉土、粉质粘土、粘土等等,一般呈层状或透镜体。
水下部分则由河流冲积物和海相或湖相的堆积物混合组成,呈倾斜的沉积层。
三角洲冲积物中的地下水一般为潜水,埋藏比较浅。
三角洲冲积物的厚度很大,分布面积也很广。
由于三角洲冲积物的颗粒均较细,含水量大,土呈饱和状态,承载力较低,有的还有淤泥分布。
在三角洲冲积物的最上层,由于经过长期的压实和干燥,形成所谓硬壳,承载力较下面的为高。
洪积(pl) pluvial山区或高地上的暂时水流将大量的风化碎屑物挟带下来,堆积在前缘的平缓地带,这种堆积物称为洪积物。
洪积物具有一定的分选作用。
距山区或高地近的地方,堆积物的颗粒粗大,碎块多呈亚角形;离山区或高地较远的地方,堆积物的颗粒逐渐变细,颗粒形状由亚角形逐渐变成亚圆形或圆形。
在离山区或高地更远一些的地方,洪积物中则往往有淤泥等细颗粒土的分布。
但是,由于每次暂时水流的搬运能力不等,在粗大颗粒的孔隙中往往填充了细小颗粒,而在细小颗粒层中有时会出现粗大的颗粒,粗细颗粒间没有明显的分界线。
洪积物具有比较明显的层理,但在靠山区或高地近的地方,层理紊乱,往往成为交错层理;在离山区或高地远的地方,层理逐渐清楚,一般成为水平层理或湍流层的交错层理。
洪积物中的地下水一般属于潜水,由山区或高地前缘向平原补给。
由于山区或高地前缘地形高,潜水埋藏深,离山区或高地较_远的地方,地形低,潜水浅;在局部低洼地段,潜水可能溢出地表。
此外,如粗大颗粒的洪积物尖灭在细小颗粒的上面时,潜水也可能在粗细颗粒的交接处溢出地表。
洪积物的厚度一般是离山区或高地近的地方厚度大,远的地方厚度小。
在局部范围内的变化不大。
坡积(dl) diluvium高处的风化碎屑物由于雨水或雪水的搬运,或者由于本身的重力作用,堆积在斜坡或坡脚,这种堆积物称为坡积物。
坡积物的岩性成分是多种多样的,但与高处的岩性组成有直接关系。
坡积物一般具有棱角,但由于经过一段距离的搬运,往往成为亚角形。
坡积物没有经过良好的分选作用,细小或粗大的碎块往往夹杂在一起。
但由于重力作用,比较粗大的颗粒一般堆积在紧靠斜坡的部位,而细小的颗粒则分布在离开斜坡稍远的地方。
坡积物中一般见不到层理,但有时也具有局部的不清晰的层理。
新近堆积的坡积物经常具有垂直的孔隙,结构显得比较疏松。
一般具有较高的压缩性,在水中很易崩解。
坡积形成的黄土,其湿陷性一般比洪积或冲积形成的黄土要高得多。
坡积层中的地下水一般属于潜水,在坡积物非常复杂的地区,有时形成上层滞水。
坡积物的厚度变化较大,由几厘米到一二十米。
在斜坡较陡的地段厚度较薄,在坡脚地段堆积较厚。
一般当斜坡的坡度愈陡时,坡脚坡积物的范围愈大。
沼泽沉积(h)在地表水聚集或地下水出露的洼地内,由植物死亡后腐烂分解的残杂物所形成的堆积物,称为沼泽堆积物。
沼泽堆积物主要为泥炭所堆积,而泥炭为有机生成物,呈黑褐或深褐色,其中还包含有部分粘土和细砂。
泥炭的性质和含水量关系很大,干燥压密的泥炭较坚硬,湿的泥炭压缩性较高。
泥炭是尚未完全分解的有机物,在作为建筑物持力层时尚需考虑今后继续分解的可能性。
海相沉积(m)、海陆交互相(mc)实际上又可分为1、滨海堆积(海浪及岸流的堆积作用)2、浅海堆积(浅海相动荡及静水的混合堆积作用)3、深海堆积(深海相静水的堆积作用)4、三角洲堆积(河~海)(河水、海水混合堆积作用) 。
人工填土(ml)就不详细解释了,实际上人工填土又可分为素填土和杂填土地质年代表一,概念按时代早晚顺序表示地史时期的相对地质年代和同位素年龄值的表格。
计算地质年龄的方法有两种:①根据生物的发展和岩石形成顺序,将地壳历史划分为对应生物发展的一些自然阶段,即相对地质年代。
它可以表示地质事件发生的顺序、地质历史的自然分期和地壳发展的阶段;②根据岩层中放射性同位素蜕变产物的含量,测定出地层形成和地质事件发生的年代,即绝对地质年代。
据此可以编制出地质年代表。
二,中国地质年代表-----------------------------------------------------------------------------------------代纪世代号起始时间(百万年) 生物开始出现类型------------------------------------------------------------------------------------------新生代第四纪全新世Qh 0.01 人类出现晚更新世Qp中更新世Qp2早更新世Qp1 1.64新近纪上新世N2 5.00中新世N1 23.3 近代哺乳类出现古近纪渐新世E3 37.5始新世E2 50古新世E1 65 鱼类出现-------------------------------中生代白垩纪K 135 被子植物,浮游钙藻出现侏罗纪J 208 鸟类哺乳类出现三叠纪T 250 蜥龙鱼龙出现-------------------------------晚古生代二叠纪P 290 兽行型类裸子植物出现石炭纪C 362 坚孔类种子蕨科达类出现泥盆纪D 410 总鳍鱼类节蕨石松真蕨植物出现早古生代志留纪S 439 裸蕨植物出现奥陶纪O 510 无颌类出现寒武纪-- 570 硬壳动物出现-----------------------------新元古代震旦纪Z 680 不具硬壳动物出现南华纪Nh 800青白口纪Qb 1000 多细胞动物高级藻类出现中元古代蓟县纪JX 1 400 真核动物出现(绿藻)长城纪Ch 1800古元古代滹沱纪Hl 2300五台纪Wt 2500-----------------------------新太古代Ar3 2800 原核生物出现(菌类及蓝藻)中太古代Ar2 3200古太古代Ar1 3600 生命现象开始出现始太古代Ar0 45oo----------------------------------------------------------------------------------------------------------------------关于地质年代表的阅读解析:地理教学大纲中的“基本训练要求”指出:“学会阅读地质年代表,记住代、纪的名称和序列。
”同学们感到不好记,特别是感到“纪”的名称不好记。
研究地壳历史时,仿用了人类历史研究中划分社会发展阶段的方法,把地史划分为5个代,代以下再分纪、世等;与地质时代单位相应的地层单位称界、系、统等。
地层单位分国际性地层单位、全国性或大区域性地层单位和地方性地层单位。
国际性地层单位适用于全世界,是根据生物演化阶段划分的。
因为生物门类(纲、目、科)的演化阶段,全世界是一致的。
所以据此划分的地层单位必然适用于世界,称国际性地层单位,包括界、系、统。
界——国际性通用的最大的地层单位,包括一个代的时间内所形成的地层。
系——界的一部分,是国际地层表中的第二级单位,代表一个纪的时间内所形成的地层。
系一般是根据首次研究的典型地区的古地名、古民族名或岩性特征等命名的,如寒武系、奥陶系、石炭系、白垩系等。
统——系的一部分,是国际地层表中的第三级单位,代表一个世的时间内所形成的地层。
全国性或大区域性地层单位有阶、时带,地方性地层单位有群、组、段、层。
地质时代单位有代、纪、世、期、时。
代——地质时代的最大单位,在代的时间内形成界的地层。
代的名称和界的名称相符合,如,太古代、元古代、古生代、中生代和新生代。
纪——代的一部分,代表形成一个系的地层所占的时间。
纪的名称和系的名称符合,如寒武纪、奥陶纪等。
震旦纪——很早以前,在我国(特别在北方)就发现在古老变质岩系(即前震旦亚界)之上,含有丰富化石的寒武系之下,发育了一套巨厚的完整的没有变质的或变质程度很低的沉积岩系,其中除含有大量藻类化石外,很少发现其他生物遗迹,当初就把这套地层命名为震旦系,其时代称震旦纪。
震旦是中国的古称。
中国是震旦系发育最好的国家,地层完整,剖面清楚,分布广泛。
因此,我国很早就把震旦系列入我国地质年代表中。
寒武纪——是因英国的寒武山脉(今译坎布连山脉)而得名。
奥陶纪和志留纪——是根据英国威尔士一个古代民族居住的地方名称和古代民族名称命名。