电机配线开关标准
- 格式:docx
- 大小:15.76 KB
- 文档页数:2
电气接(配)线规范及标准一、电气布管配线六步走第一步:电气识图“线路从什么地方来,到什么地方去”识图顺序:看标题栏和图纸目录→看总说明→看系统图→看平面布置图→看安装接线头图→看安装大样图→看设备材料表第二步:布管作为穿线管有两类,一是钢管,二是PVC管。
在布管中要求横平竖直,转弯处有一定的转弯半径。
如果线路很长,中间要设计过度接线盒。
在布管中每隔1.5—2.5米要有一个固定装置。
管中穿线余留空间不得少于60%电气布管工艺流程:弹线定位→加工管弯→稳住盒箱→暗管敷设第四步:对线对线的方法有很多,常用的有“两人对线法,高效的是单人对线法”第五步:导线连接(1)导线接头要紧密,牢固不能增加导线的电阻值。
(2)导线接头受力时的机械强度不能低于原导线的机械强度。
(3)导线接头包缠绝缘强度不能低于原导线绝缘强度,连接要牢固、紧密、包扎要良好。
二、电气配线原则低压电器配线原则手工布线时,应符合平直,整齐,紧贴敷设面,走线合理及接点不得松动便于检修等要求。
1、走线通道应尽可能少,同一通道中的沉底导线,按主.控电路分类集中,单层平行密排或成束,应紧贴敷设面。
2、同一平面的导线应高低一致或前后一致,不能交叉。
当必须交叉时,可水平架空跨越,但必须走线合理。
3、布线应横平竖直,变换走向应垂直90度。
4、上下触电若不在同一垂直线下,不应采用斜线连接。
5、导线与接线端子连接时,应不压绝缘层。
不反圈及露铜不大于1mm。
并做到同一元件.同一回来的不同接点的导线间距离保持一致。
6、一个接线端子上的连接导线不得超过两根。
7、布线时,严禁损伤线芯和导线绝缘。
8、导线截面不同时,应将截面大的放在下层,截面小的放在下层。
9、如果线路简单可不套编码套管。
元器件的安装1、组装前首先看明图纸及技术要求2、检查产品型号、元器件型号、规格、数量等与图纸是否相符3、检查元器件有无损坏4、必须按图安装(如果有图)5、元器件组装顺序应从板前视,由左至右,由上至下6、同一型号产品应保证组装一致性7、面板、门板上的元件中心线的高度应符合规定组装产品应符合以下条件:1、操作方便。
For personal use only in study and research; not for commercialuse电气控制柜元件安装接线配线的规范(图解)?? 1 元器件安装???? 1.1 前提:所有元器件应按制造厂规定的安装条件进行安装。
???? ?? 适用条件???? ?? 需要的灭弧距离???? ?? 拆卸灭弧栅需要的空间等,对于手动开关的安装,必须保证开关的电弧对操作者不产生危险???? 1.2 组装前首先看明图纸及技术要求???? 1.3 检查产品型号、元器件型号、规格、数量等与图纸是否相符???? 1.4 检查元器件有无损坏???? 1.5 必须按图安装(如果有图)???? 1.6 元器件组装顺序应从板前视,由左至右,由上至下???? 1.7 同一型号产品应保证组装一致性???? 1.8 面板、门板上的元件中心线的高度应符合规定???? 元件名称安装高度(m)???? 指示仪表、指示灯0.6-2.0???? 电能计量仪表0.6-1.8???? 控制开关、按钮0.6-2.0???? 紧急操作件0.8-1.6???? 组装产品应符合以下条件:???? ?? 操作方便。
元器件在操作时,不应受到空间的防碍,不应有触及带电体的可能。
???? ?? 维修容易。
能够较方便地更换元器件及维修连线。
???? ?? 各种电气元件和装置的电气间隙、爬电距离应符合4.4 条的规定。
???? ?? 保证一、二次线的安装距离。
???? 1.9 组装所用紧固件及金属零部件均应有防护层,对螺钉过孔、边缘及表面的毛刺、尖锋应打磨平整后再涂敷导电膏。
???? 1.10 对于螺栓的紧固应选择适当的工具,不得破坏紧固件的防护层,并注意相应的扭距。
???? 1.11 主回路上面的元器件,一般电抗器,变压器需要接地,断路器不需要接地,下图中为电抗器接地。
???????????? 1.12 对于发热元件(例如管形电阻、散热片等) 的安装应考虑其散热情况,安装距离应符合元件规定。
电气接(配)线规范及标准一、电气布管配线六步走第一步:电气识图“线路从什么地方来,到什么地方去”识图顺序:看标题栏和图纸目录→看总说明→看系统图→看平面布置图→看安装接线头图→看安装大样图→看设备材料表第二步:布管作为穿线管有两类,一是钢管,二是PVC管。
在布管中要求横平竖直,转弯处有一定的转弯半径。
如果线路很长,中间要设计过度接线盒。
在布管中每隔1.5—2.5米要有一个固定装置。
管中穿线余留空间不得少于60%电气布管工艺流程:弹线定位→加工管弯→稳住盒箱→暗管敷设第四步:对线对线的方法有很多,常用的有“两人对线法,高效的是单人对线法”第五步:导线连接(1)导线接头要紧密,牢固不能增加导线的电阻值。
(2)导线接头受力时的机械强度不能低于原导线的机械强度。
(3)导线接头包缠绝缘强度不能低于原导线绝缘强度,连接要牢固、紧密、包扎要良好。
二、电气配线原则低压电器配线原则手工布线时,应符合平直,整齐,紧贴敷设面,走线合理及接点不得松动便于检修等要求。
1、走线通道应尽可能少,同一通道中的沉底导线,按主.控电路分类集中,单层平行密排或成束,应紧贴敷设面。
2、同一平面的导线应高低一致或前后一致,不能交叉。
当必须交叉时,可水平架空跨越,但必须走线合理。
3、布线应横平竖直,变换走向应垂直90度。
4、上下触电若不在同一垂直线下,不应采用斜线连接。
5、导线与接线端子连接时,应不压绝缘层。
不反圈及露铜不大于1mm。
并做到同一元件.同一回来的不同接点的导线间距离保持一致。
6、一个接线端子上的连接导线不得超过两根。
7、布线时,严禁损伤线芯和导线绝缘。
8、导线截面不同时,应将截面大的放在下层,截面小的放在下层。
9、如果线路简单可不套编码套管。
元器件的安装1、组装前首先看明图纸及技术要求2、检查产品型号、元器件型号、规格、数量等与图纸是否相符3、检查元器件有无损坏4、必须按图安装(如果有图)5、元器件组装顺序应从板前视,由左至右,由上至下6、同一型号产品应保证组装一致性7、面板、门板上的元件中心线的高度应符合规定组装产品应符合以下条件:1、操作方便。
电气控制柜元件安装接线配线的规范【图解】该系列配电箱(柜)适用于施工现场及户外临时用电,应满足“三级配电、二级漏电保护、一机一闸、一漏一箱”配电及保护的使用要求。
配电箱(柜)、开关箱的材质选用、制作工艺、箱内电气元件的选择、配置应符合国家相关标准,以及建设部“十一五”推广应用技术的规定,产品应通过CCC认证。
配电箱(柜)的壳体采用冷轧钢板制作,防雨、防尘、户外型,采用钢板厚度符合JGJ-2005标准,经久耐用。
一、基本要求(一)配电箱(柜)的生产制造应符合《低压成套开关设备和控制设备》第四部分GB7251.4对建筑工地用成套设备(ACS)的特殊要求及《施工现场临时用电安全技术规范》JGJ46-2005的标准要求。
(二)配电箱(柜)、开关箱安装使用应符合《施工现场临时用电安全技术规范》JGJ46-2005标准及《用电安全导则》GB/T13869标准化要求。
(三)配电箱(柜)、开关箱应分设N线、PE线端子板,进出线必须通过端子板做可靠连接。
N线端子板必须与金属电器安装板绝缘;PE线端子板必须与金属电器安装板做电气连接。
进出线中的N线必须通过N线端子板连接;PE线必须通过PE线端子板连接。
PE线与端子板连接必须采用电气连接,电气连接点的数量应比箱体内回路数量多2个,1个为PE线进箱体的连接点,1个为重复接地的连接点。
(四)电器元件应选用符合GB/14048.2-2001、GB6829以及JGJ46-2005标准的产品,并符合建设部“十一五”推广应用技术要求。
二、总配电箱(柜)内设400A-630A具有隔离功能的DZ20型透明塑壳断路器作为主开关,分路设置4-8路采用具有隔离功能的DZ20系列160A-250A透明塑壳断路器,配备DZ20L(DZ15L)透明漏电开关或LBM-1系列作为漏电保护装置,使之具有欠压、过载、短路、漏电、断相保护功能,同时配备电度表、电压表、电流表、两组电流互盛器。
漏电保护装置的额定漏电动作电流与额定漏电动作时间的乘积不大于30mA.S。
最佳答案三相电机按1kw2A电流然后按以下口诀计算二点五下乘以九,往上减一顺号走。
三十五乘三点五,双双成组减点五。
条件有变加折算,高温九折铜升级。
穿管根数二三四,八七六折满载流。
说明:(1)本节口诀对各种绝缘线(橡皮和塑料绝缘线)的载流量(安全电流)不是直接指出,而是“截面乘上一定的倍数”来表示,通过心算而得。
由表53可以看出:倍数随截面的增大而减小。
“二点五下乘以九,往上减一顺号走”说的是2.5mm’及以下的各种截面铝芯绝缘线,其载流量约为截面数的9倍。
如2.5mm’导线,载流量为2.5×9=22.5(A)。
从4mm’及以上导线的载流量和截面数的倍数关系是顺着线号往上排,倍数逐次减l,即4×8、6×7、10×6、16×5、25×4。
“三十五乘三点五,双双成组减点五”,说的是35mm”的导线载流量为截面数的3.5倍,即35×3.5=122.5(A)。
从50mm’及以上的导线,其载流量与截面数之间的倍数关系变为两个两个线号成一组,倍数依次减0.5。
即50、70mm’导线的载流量为截面数的3倍;95、120mm”导线载流量是其截面积数的2.5倍,依次类推。
“条件有变加折算,高温九折铜升级”。
上述口诀是铝芯绝缘线、明敷在环境温度25℃的条件下而定的。
若铝芯绝缘线明敷在环境温度长期高于25℃的地区,导线载流量可按上述口诀计算方法算出,然后再打九折即可;当使用的不是铝线而是铜芯绝缘线,它的载流量要比同规格铝线略大一些,可按上述口诀方法算出比铝线加大一个线号的载流量。
如16mm’铜线的载流量,可按25mm2铝线计算知用电设备的功率要怎样说它的电流是多少?有没有公式呀???补充问题三相设备又怎样计算的呢?最佳答案此答案由提问者自己选择,并不代表爱问知识人的观点┆[学长]电流I=功率P/电压U*功率因数cosФ.三相设备电流I=功率P/(电压U*功率因数cosФ*根号3).你可从公式P=IUcosФ得出结果.(三相是P=IUcosФ*根号3)回答:2006-08-0318:49提问者对答案的评价:其他回答共7条回答[新手]家庭电压220v,用功率除以电压,考虑功率因数的话再除0。
电气接(配)线规范及标准一、电气布管配线六步走第一步:电气识图“线路从什么地方来,到什么地方去”识图顺序:看标题栏和图纸目录→看总说明→看系统图→看平面布置图→看安装接线头图→看安装大样图→看设备材料表第二步:布管作为穿线管有两类,一是钢管,二是PVC管。
在布管中要求横平竖直,转弯处有一定的转弯半径。
如果线路很长,中间要设计过度接线盒。
在布管中每隔1.5—2.5米要有一个固定装置。
管中穿线余留空间不得少于60%电气布管工艺流程:弹线定位→加工管弯→稳住盒箱→暗管敷设第四步:对线对线的方法有很多,常用的有“两人对线法,高效的是单人对线法”第五步:导线连接(1)导线接头要紧密,牢固不能增加导线的电阻值。
(2)导线接头受力时的机械强度不能低于原导线的机械强度。
(3)导线接头包缠绝缘强度不能低于原导线绝缘强度,连接要牢固、紧密、包扎要良好。
二、电气配线原则低压电器配线原则手工布线时,应符合平直,整齐,紧贴敷设面,走线合理及接点不得松动便于检修等要求。
1、走线通道应尽可能少,同一通道中的沉底导线,按主.控电路分类集中,单层平行密排或成束,应紧贴敷设面。
2、同一平面的导线应高低一致或前后一致,不能交叉。
当必须交叉时,可水平架空跨越,但必须走线合理。
3、布线应横平竖直,变换走向应垂直90度。
4、上下触电若不在同一垂直线下,不应采用斜线连接。
5、导线与接线端子连接时,应不压绝缘层。
不反圈及露铜不大于1mm。
并做到同一元件.同一回来的不同接点的导线间距离保持一致。
6、一个接线端子上的连接导线不得超过两根。
7、布线时,严禁损伤线芯和导线绝缘。
8、导线截面不同时,应将截面大的放在下层,截面小的放在下层。
9、如果线路简单可不套编码套管。
元器件的安装1、组装前首先看明图纸及技术要求2、检查产品型号、元器件型号、规格、数量等与图纸是否相符3、检查元器件有无损坏4、必须按图安装(如果有图)5、元器件组装顺序应从板前视,由左至右,由上至下6、同一型号产品应保证组装一致性7、面板、门板上的元件中心线的高度应符合规定组装产品应符合以下条件:1、操作方便。
电气控制柜元件安装接线配线的规范(图解)以下是一个图文并茂的配电柜接线工艺规范教程1 元器件安装1.1 前提:所有元器件应按制造厂规定的安装条件进行安装。
适用条件需要的灭弧距离拆卸灭弧栅需要的空间等,对于手动开关的安装,必须保证开关的电弧对操作者不产生危险1.2 组装前首先看明图纸及技术要求1。
3 检查产品型号、元器件型号、规格、数量等与图纸是否相符1.4 检查元器件有无损坏1。
5 必须按图安装(如果有图)1。
6 元器件组装顺序应从板前视,由左至右,由上至下1.7 同一型号产品应保证组装一致性1.8 面板、门板上的元件中心线的高度应符合规定元件名称安装高度(m)指示仪表、指示灯0。
6-2.0电能计量仪表0.6—1。
8控制开关、按钮0.6—2。
0紧急操作件0.8-1.6组装产品应符合以下条件:操作方便.元器件在操作时,不应受到空间的防碍,不应有触及带电体的可能。
维修容易。
能够较方便地更换元器件及维修连线。
各种电气元件和装置的电气间隙、爬电距离应符合4。
4 条的规定。
保证一、二次线的安装距离。
1.9 组装所用紧固件及金属零部件均应有防护层,对螺钉过孔、边缘及表面的毛刺、尖锋应打磨平整后再涂敷导电膏。
1.10 对于螺栓的紧固应选择适当的工具,不得破坏紧固件的防护层,并注意相应的扭距。
1。
11 主回路上面的元器件,一般电抗器,变压器需要接地,断路器不需要接地,下图中为电抗器接地。
1。
12 对于发热元件(例如管形电阻、散热片等)的安装应考虑其散热情况,安装距离应符合元件规定。
额定功率为75W 及以上的管形电阻器应横装,不得垂直地面竖向安装。
下图为错误接法1.13 所有电器元件及附件,均应固定安装在支架或底板上,不得悬吊在电器及连线上。
1。
14 接线面每个元件的附近有标牌,标注应与图纸相符。
除元件本身附有供填写的标志牌外,标志牌不得固定在元件本体上.a) 端子的标识1。
15 标号应完整、清晰、牢固。
标号粘贴位置应明确、醒目b) 双重的标识1.16 安装于面板、门板上的元件、其标号应粘贴于面板及门板背面元件下方,如下方无位置时可贴于左方,但粘贴位置尽可能一致,c) 门上的器件1.17 保护接地连续性保护接地连续性利用有效接线来保证。
电气控制柜元件安装接线配线的规范(图解)以下是一个图文并茂的配电柜接线工艺规范教程1 元器件安装1.1 前提:所有元器件应按制造厂规定的安装条件进行安装。
适用条件需要的灭弧距离拆卸灭弧栅需要的空间等,对于手动开关的安装,必须保证开关的电弧对操作者不产生危险1.2 组装前首先看明图纸及技术要求1.3 检查产品型号、元器件型号、规格、数量等与图纸是否相符1.4 检查元器件有无损坏1.5 必须按图安装(如果有图)1.6 元器件组装顺序应从板前视,由左至右,由上至下1.7 同一型号产品应保证组装一致性1.8 面板、门板上的元件中心线的高度应符合规定元件名称安装高度(m)指示仪表、指示灯0.6-2.0电能计量仪表0.6-1.8控制开关、按钮0.6-2.0紧急操作件0.8-1.6组装产品应符合以下条件:操作方便。
元器件在操作时,不应受到空间的防碍,不应有触及带电体的可能。
维修容易。
能够较方便地更换元器件及维修连线。
各种电气元件和装置的电气间隙、爬电距离应符合4.4 条的规定。
保证一、二次线的安装距离。
1.9 组装所用紧固件及金属零部件均应有防护层,对螺钉过孔、边缘及表面的毛刺、尖锋应打磨平整后再涂敷导电膏。
1.10 对于螺栓的紧固应选择适当的工具,不得破坏紧固件的防护层,并注意相应的扭距。
1.11 主回路上面的元器件,一般电抗器,变压器需要接地,断路器不需要接地,下图中为电抗器接地。
1.12 对于发热元件(例如管形电阻、散热片等) 的安装应考虑其散热情况,安装距离应符合元件规定。
额定功率为75W 及以上的管形电阻器应横装,不得垂直地面竖向安装。
下图为错误接法1.13 所有电器元件及附件,均应固定安装在支架或底板上,不得悬吊在电器及连线上。
1.14 接线面每个元件的附近有标牌,标注应与图纸相符。
除元件本身附有供填写的标志牌外,标志牌不得固定在元件本体上。
a) 端子的标识1.15 标号应完整、清晰、牢固。
标号粘贴位置应明确、醒目b) 双重的标识1.16 安装于面板、门板上的元件、其标号应粘贴于面板及门板背面元件下方,如下方无位置时可贴于左方,但粘贴位置尽可能一致,c) 门上的器件1.17 保护接地连续性保护接地连续性利用有效接线来保证。
nbsp;3.4.1槽板配线宜敷设在干燥场所;槽板内、外应平整光滑、无扭曲变形;木槽板应涂绝缘漆和防火涂料;塑料槽板应经阻燃处理,并有阻燃标记;槽板应紧贴建筑物、构筑物的表面敷设,且平直整齐;多条槽板并列敷设时,应无明显缝隙;槽板底板固定点间距离应小于500mm;槽板盖板固定点间距离应小于300mm;底板距终端50mm 和盖板距终端30mm处均应固定;三线槽的槽板每个固定点均应采用双钉固定;槽板敷设时,底板接口与盖板接口应错开,其错开距离不应小于20mm;槽板的盖板在直线段上和90°转角处,应成45°斜口相接;分支处应成丁字三角叉接;盖板应无翘角,接口应严密整齐;敷设于木槽板内的导线,其额定电压不应低于500v;一条槽板内应敷设同一回路的导线;在宽槽内应敷设同一相导线;导线在槽板内不应设有接头,接头应置于接线盒或器具内;盖板不应挤伤导线的绝缘层;槽板与各种器具的底座连接时,导线应留有余量,底座应压住槽板端部;线槽配线线槽应平整、无扭曲变形,内壁应光滑、无毛刺;金属线槽应经防腐处理;塑料线槽必须经阻燃处理,外壁应有间距不大于1m的连续阻燃标记和制造厂标;线槽的敷设应符合下列要求:线槽应敷设在干燥和不易受机械损伤的场所;线槽的连接应连续无间断;每节线槽的固定点不应少于两个;在转角、分支处和端部均应有固定点,并应紧贴墙面固定;线槽接口应平直、严密,槽盖应齐全、平整、无翘角;固定或连接线槽的螺钉或其他紧固件,紧固后其端部应与线槽内表面光滑相接;线槽的出线口应位置正确、光滑、无毛刺;线槽敷设应平直整齐;水平或垂直允许偏差为其长度的2‰,且全长允许偏差为20mm;并列安装时,槽盖应便于开启;线槽内导线的敷设应符合下列规定:导线的规格和数量应符合设计规定;当设计无规定时,包括绝缘层在内的导线总截面积不应大于线槽截面积的60%;在可拆卸盖板的线槽内,包括绝缘层在内的导线接头处所有导线截面积之和,不应大于线槽截面积的75%;在不易拆卸盖板的线槽内,导线的接头应置于线槽的接线盒内;金属线槽应可靠接地或接零,但不应作为设备的接地导体;钢索配线在潮湿、有腐蚀性介质及易积贮纤维灰尘的场所,应采用带塑料护套的钢索;配线时宜采用镀锌钢索,不应采用含油芯的钢索;钢索的单根钢丝直径应小于0.5mm,并不应有扭曲和断股;钢索的终端拉环应牢固可靠,并应承受钢索在全部负载下的拉力;钢索与终端拉环应采用心形环连接;固定用的线卡不应少于2个;钢索端头应采用镀锌铁丝扎紧;当钢索长度为50m及以下时,可在其一端装花篮螺栓;当钢索长度大于50m时,两端均应装设花篮螺栓;钢索中间固定点间距不应大于12m;中间固定点吊架与钢索连接处的吊钩深度不应小于20mm,并应设置防止钢索跳出的锁定装置;在钢索上敷设导线及安装灯具后,钢索的弛度不宜大于100mm;钢索应可靠接地;钢索配线的零件间和线间距离应符合表的规定;钢索配线的零件间和线间距离mm表配线类型支持件之间最大间距支持件与灯头盒之间最大距离线间最小距离-------------------------------------------------------------------------钢管 1500 200 -硬塑料管 1000 200 -塑料护套线 200 150 -瓷柱配线 1500 100 35塑料护套线敷设塑料护套线不应直接敷设在抹灰层、吊顶、护墙板、灰幔角落内;室外受阳光直射的场所,不应明配塑料护套线;塑料护套线与接地导体或不发热管道等的紧贴交叉处,应加套绝缘保护管;敷设在易受机械损伤场所的塑料护套线,应增设钢管保护;塑料护套线的弯曲半径不应小于其外径的3倍;弯曲处护套和线芯绝缘层应完整无损伤;塑料护套线进入接线盒箱或与设备、器具连接时,护套层应引入接线盒箱内或设备、器具内;沿建筑物、构筑物表面明配的塑料护套线应符合下列要求:应平直,并不应松弛、扭绞和曲折;应采用线卡固定,固定点间距应均匀,其距离宜为150~200mm;在终端、转弯和进入盒箱、设备或器具处,均应装设线卡固定导线,线卡距终端、转弯中点、盒箱、设备或器具边缘的距离宜为50~100mm;接头应设在盒箱或器具内,在多尘和潮湿场所应采用密闭式盒箱;盒箱的配件应齐全,并固定可靠;塑料护套线或加套塑料护层的绝缘导线在空心楼板板孔内敷设时,应符合下列要求:导线穿入前,应将板孔内积水、杂物清除干净;导线穿入时,不应损伤导线的护套层,并便于更换导线;导线接头应设在盒箱内;4 工程交接验收工程交接验收时,应对下列项目进行检查:各种规定的距离;各种支持件的固定;配管的弯曲半径,盒箱设置的位置;明配线路的允许偏差值;导线的连接和绝缘电阻;非带电金属部分的接地或接零;黑色金属附件防腐情况;施工中造成的孔、洞、沟、槽的修补情况;工程在交接验收时,应提交下列技术资料和文件:竣工图;设计变更的证明文件;安装技术记录包括隐蔽工程记录;各种试验记录;主要器材、设备的合格证;附录A电气线路与管道间最小距离A01配线工程施工中,电气线路与管道间最小距离应符合表A01的规定:电气线路与管道间小距离mm表A01管道名称配线方式穿管配线绝缘导线明配线裸导线配线-------------------------------------------------------------蒸汽管平行管道上 1000 1000 1500 管道下 500 500 1500 300 300 1500暖气管、热水管平行管道上 300 300 1500 管道下 200 200 1500 交叉 100 100 1500通风、给排水及压缩空气管平行 100 200 1500 交叉 50 100 1500注:①对蒸汽管道,当在管外包隔热层后,上下平行距离可减至200mm;②暖气管、热水管应设隔热层;③对裸导线,应在裸导线处加装保护网;附录B不同敷设方式导线线芯的最小截面B01配线工程施工中,不同敷设方式导线线芯的最小截面应符合表B01的规定:不同敷设方式导线线芯的最小截面表B01敷设方式线芯最小截面mm2 铜芯软线铜线铝线-------------------------------------------------------敷设在室内绝缘支持件上的裸导线 -敷设在绝缘支持件上的绝缘导线其支持点间距Lm L≤2室内 - 室外 -2<L≤6 - 6<L≤12 -穿管敷设的绝缘导线槽板内敷设的绝缘导线 -塑料护套线明敷 -。
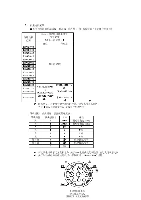
1)伺服电机配线■R系列伺服电机动力线・制动器插头型号(日本航空电子工业株式会社制)✔关于【插头+线夹型号】,是我司使用的型号。
<导线规格・插头规格引脚配置对照表>■单相AC200V [通用输出:NPN输出]■单相AC100V [通用输出:NPN输出]✔关于CN1的39~46(OUT1~OUT8)的输出逻辑,可以在[Parameter Group A]中进行设定,可以设置为ALM状态中_输出ON,或者ALM状态中_输出OFF。
✔关于CN1的39~46(OUT1~OUT8)的输出逻辑,可以在[Parameter Group A]中进行设定,可以设置为ALM状态中_输出ON,或者ALM状态中_输出OFF。
4.2电机编码器的配线1)EN1连接器名称和功能■备用电池式绝对值编码器注2)请将伺服驱动器侧的EN1连接器的金属外壳与屏蔽线(地)连接。
对于伺服电机侧的屏蔽线,如果出厂时是带电线的伺服电机,请与电线的屏蔽线连接,如果是航空插头型的伺服电机,请尽量将屏蔽线尽量覆盖到电机插头处。
采用本款编码器的电机内部,编码器电路与屏蔽线没有进行连接。
伺服驱动器侧端子号从焊接侧看✔根据连接的编码器种类不同,配线方法也不同,请注意不要接错线。
■连接器的型号(住友3M制)推荐编码器用电线规格带屏蔽多芯线电线额定值 80℃30V导体电阻 1Ω以下导体尺寸AWGサイズ26~18SQ(mm2) 0.15~0.75对于不同长度的导体的电阻值。
编码器电线长度针对不同的电源(5V,SG)线导体尺寸,电线长度的最大值.✔导体电阻根据不同的导体规格不同。
一、电动机额定电流的速算速查1.电动机额定电流的对表速查在实际工作中,往往由于电动机铭牌的损坏、丢失,或缺乏实用维修电工手册等资料,不能确切知道电动机的额定电流。
现在使用"电动机配用断路器、熔断器、接触器、电子型电动机保护器及导线选用速查表",根据电动机的额定容量,即可查出所对应的额定电流。
例如一台Y132M-4型7.5kW电动机,从速查表查得其额定电流为15.4A。
2.电动机额定电流的速算口诀及经验公式(1)速算口诀:电动机额定电流(A):"电动机功率加倍",即"一个千瓦两安培"。
通常指常用的380V、功率因数在0.8左右的三相异步电动机;将千瓦效加一倍"即电动机的额定电流。
(2)经验公式:电动机额定电流(A)=电动机容量(kW)数×2上述的速算口诀和经验公式的使用结果都是一致的,所算出的额定电流与电动机铭牌上的实际电流数值非常接近,符合实用要求,例如一台Y132S1-2型5.5kW电动机,用速算口诀或经验公式算得其额定电流:5.5×2=11A。
二、电动机配用断路器的选择低压断路器一般分为塑料外壳式(又称装置式)和框架式(又称万能式)两大类。
在水泥厂,380V、245kW及以下的电动机多选用塑壳断路器。
断路器按用途可分为保护配电线路用、保护电动机用、保护照明线路用和漏电保护用等。
1.电动机保护用断路器选用原则(1)长延时电流整定值等于电动机额定电流。
(2)瞬时整定电流:对于保护笼型电动机的断路器,瞬时整定电流等于(8~15)倍电动机额定电流,取决于被保护笼型电动机的型号、容量和起动条件。
对于保护绕线转子电动机的断路器,瞬时整定电流等于(3~6)倍电动机额定电流,取决于被保护绕线转子电动机的型号、容量及起动条件。
(3)6倍长延时电流整定值的可返回时间大干或等于电动机的起动时间。
按起动负载的轻重,可选用返回时间1s、3s、5s、8s、15s中的某一档。
配线标准(2)第4.4.16条IT系统不宜引出N线。
(Ⅴ)接地故障采用漏电电流动作保护第4.4.17条PE或PEN线严禁穿过漏电电流动作保护器中电流互感器的磁回路。
第4.4.18条漏电电流动作保护器所保护的线路及设备外露可导电部分应接地。
第4.4.19条TN系统配电线路采用漏电电流动作保护时,可选用下列接线方式之一:一、将被保护的外露可导电部分与漏电电流动作保护器电源侧的PE线相连接,并应符合本规范第4.4.6条的要求;二、将被保护的外露可导电部分接至专用的接地极上,并应符合本规范第4.4.12条的要求。
第4.4.20条IT系统中采用漏电电流动作保护器切断第二次异相接地故障时,保护器额定不动作电流,应大于第一次接地故障时的相线内流过的接地故障电流。
第4.4.21条为减少接地故障引起的电气火灾危险而装设的漏电电流动作保护器,其额定动作电流不应超过0.5A。
第4.4.22条多级装设的漏电电流动作保护器,应在时限上有选择性配合。
第五节保护电器的装设位置第4.5.1条保护电器应装设在操作维护方便,不易受机械损伤,不靠近可燃物的地方,并应采取避免保护电器运行时意外损坏对周围人员造成伤害的措施。
第4.5.2条保护电器应装设在被保护线路与电源线路的连接处,但为了操作与维护方便可设置在离开连接点的地方,并应符合下列规定:一、线路长度不超过3m;二、采取将短路危险减至最小的措施;三、不靠近可燃物。
第4.5.3条当将从高处的干线向下引接分支线路的保护电器装设在距连接点的线路长度大于3m的地方时,应满足下列要求:一、在分支线装设保护电器前的那一段线路发生短路或接地故障时,离短路点最近的上一级保护电器应能保证符合本规范规定的要求动作;二、该段分支线应敷设于不燃或难燃材料的管、槽内。
第4.5.4条短路保护电器应装设在低压配电线路不接地的各相(或极)上,但对于中性点不接地且N 线不引出的三相三线配电系统,可只在二相(或极)上装设保护电器。
我们在做具体的控制系统时,常要需要计算负载的大小来选择电缆线的规格,我们可以根据电机铭牌来确定,也可以通过一些公式来算出来,其实有一种简单的经验算法很容易估算出来,虽然不就是绝对正确,也足以用来做为选择电缆规格的依据了。
方法就是,我们常用的三相异步电机一般有两种接法,一种就是星形一种就是角形。
除较小的电机外,多数就是角形,我们就说角形的,如果就是一台380V供电的7、5KW的三相异步电机,那么它的额定每相工作电流约就是15A。
实际通过算出来可能就是比这个略小一点,我们完全可以按这个电流来选择电缆线了。
如果就是一台380V供电的4KW的三相异步电机,那么它的额定每相工作电流约就是8A。
可能我们以经瞧出来规律,也就就是1千瓦功率约需2A电流,一个75KW 的电机它的额定工作电流约就是150A。
您可以通过公式的方法算算,结果就是比较接近的。
下面我们说说怎么根据电流来选择多大截面积的电缆,我们选择的电缆为铜芯电缆。
我们举例说明,我们要给一台18、5KW的电机配线,可以算出它的额定电流为37A,也就是根据经验1平方毫米铜线可以通过4~6A的电流,我们取其中间值5A,那么电缆线的截面积应为37/5=6、4平方毫米。
我们的标准电缆有6平方毫米与平共10平方毫米的,为了保证可靠性,我们选择10平方的电缆。
其实具体选择中我们也可能会选择6平方的,这要综合考虑,负载工作时消耗的功率就是多大,如果只有额定的60%不到的话,可以这样选择,如果基本上要工作在额定功率附近,那只能选择10平方的电缆了。
电机如何配线?选用断路器,热继电器?如何根据电机的功率,考虑电机的额定电压,电流配线,选用断路器,热继电器三相二百二电机,千瓦三点五安培。
常用三百八电机,一个千瓦两安培。
低压六百六电机,千瓦一点二安培。
高压三千伏电机,四个千瓦一安培。
高压六千伏电机,八个千瓦一安培。
一台三相电机,除知道其额定电压以外,还必须知道其额定功率及额定电流,比如:一台三相异步电机,7、5KW,4极(常用一般有2、4、6级,级数不一样,其额定电流也有区别),其额定电路约为15A 。
操纵柜接线工艺标准教程1.元器件安装1.1前提:所有元器件应按制造厂的安装条件进行安装。
适用条件需要的灭弧距离拆卸灭弧栅需要的空间等,关于手动开关的安装,必须保证开关的电弧对操作者不产生危险1.2组装前首先瞧明图纸及技术要求1.3检查产品型号、元器件型号、规格、数量等与图纸是否相符1.4检查元器件有无损坏1.5必须按图安装(要是有图〕1.6元器件组装顺序应从板前视,由左至右,由上至下1.7同一型号产品应保证组装一致性1.8面板、门板上的元件中心线的高度应符合元件名称安装高度〔m〕组装产品应符合以下条件:操作方便。
元器件在操作时,不应受到空间的防碍,不应有触及带电体的可能。
维修轻易。
能够较方便地更换元器件及维修连线。
各种电气元件和装置的电气间隙、爬电距离应符合4.4条的。
保证一、二次线的安装距离。
1.9组装所用紧固件及金属零部件均应有防护层,对螺钉过孔、边缘及外表的毛刺、尖锋应打磨平坦后再涂敷导电膏。
1.10关于螺栓的紧固应选择适当的工具,不得破坏紧固件的防护层,并注重相应的扭距。
1.11主回路上面的元器件,一般电抗器,变压器需要接地,断路器不需要接地,以如下面图中为电抗器接地。
1.12关于发热元件(例如管形电阻、散热片等)的安装应考虑其散热情况,安装距离应符合元件。
额定功率为75W及以上的管形电阻器应横装,不得垂直地面竖向安装。
以如下面图为错误接法1.13所有电器元件及附件,均应固定安装在支架或底板上,不得悬吊在电器及连线上。
1.14接线面每个元件的四面有标牌,标注应与图纸相符。
除元件本身附有供填写的标志牌外,标志牌不得固定在元件本体上。
a)端子的标识1.15标号应完整、清楚、牢固。
标号粘贴位置应明确、醒目b)双重的标识1.16安装于面板、门板上的元件、其标号应粘贴于面板及门板反面元件下方,如下方无位置时可贴于左方,但粘贴位置尽可能一致,c)门上的器件1.17保卫接地连续性保卫接地连续性利用有效接线来保证。
电气接(配)线规范及标准•一、电气布管配线六步走•第一步:电气识图•“线路从什么地方来,到什么地方去”•识图顺序:看标题栏和图纸目录→看总说明→看系统图→看平面布置图→看安装接线头图→看安装大样图→看设备材料表•第二步:布管•作为穿线管有两类,一是钢管,二是PVC管。
在布管中要求横平竖直,转弯处有一定的转弯半径。
如果线路很长,中间要设计过度接线盒。
在布管中每隔1.5—2.5米要有一个固定装置。
•管中穿线余留空间不得少于60%•电气布管工艺流程:弹线定位→加工管弯→稳住盒箱→暗管敷设•第四步:对线•对线的方法有很多,常用的有“两人对线法,高效的是单人对线法”•第五步:导线连接•(1)导线接头要紧密,牢固不能增加导线的电阻值。
•(2)导线接头受力时的机械强度不能低于原导线的机械强度。
•(3)导线接头包缠绝缘强度不能低于原导线绝缘强度,连接要牢固、紧密、包扎要良好。
•二、电气配线原则低压电器配线原则手工布线时,应符合平直,整齐,紧贴敷设面,走线合理及接点不得松动便于检修等要求。
1、走线通道应尽可能少,同一通道中的沉底导线,按主.控电路分类集中,单层平行密排或成束,应紧贴敷设面。
2、同一平面的导线应高低一致或前后一致,不能交叉。
当必须交叉时,可水平架空跨越,但必须走线合理。
3、布线应横平竖直,变换走向应垂直90度。
4、上下触电若不在同一垂直线下,不应采用斜线连接。
5、导线与接线端子连接时,应不压绝缘层。
不反圈及露铜不大于1mm。
并做到同一元件.同一回来的不同接点的导线间距离保持一致。
6、一个接线端子上的连接导线不得超过两根。
7、布线时,严禁损伤线芯和导线绝缘。
8、导线截面不同时,应将截面大的放在下层,截面小的放在下层。
9、如果线路简单可不套编码套管。
元器件的安装1、组装前首先看明图纸及技术要求2、检查产品型号、元器件型号、规格、数量等与图纸是否相符3、检查元器件有无损坏4、必须按图安装(如果有图)5、元器件组装顺序应从板前视,由左至右,由上至下6、同一型号产品应保证组装一致性7、面板、门板上的元件中心线的高度应符合规定组装产品应符合以下条件:1、操作方便。
电气配线工艺规范一、接线工艺要求1.36V 电压以上/动力电源/马达回路,接线一律采用冷压线耳、冷压端子、配线。
2.控制回路/36V 以下电压,可以使用冷压线叉、线针、配线。
3.每个接线端子压接线不得大于两条以上,两条以上需要采用(背靠背)来接。
4.压接端子必须采用专用的压线钳 专用标准槽口、严禁使用非专用工具配线。
5.接地线端子使用冷压线耳配线,接地线连接必须牢固。
6.所有接线端子必须压接牢固。
7.10平方及以上的导线必须使用专业液压钳压接其端子、并根据线色选配相应颜色做绝缘热缩套管。
二、线号工艺要求1.根据线材平方来选用白色套管大小,线号要采用热印字机打码,号码套管必须长短一致(建议裁剪长度为20mm)禁止用笔书写。
2.配线时根据接线方向不同,对字码方向作如下规定。
12345123451234512345三、配线颜色工艺要求1.AC ~380V 三相五线制电线R---- 黄色S---- 绿色T---- 红色N---- 蓝色PE ---- 黄/绿双色2. AC~220V单相控制回路电线相线 ------ 红色零线 ------ 黑色3. DC直流回路电线+ --- 棕色- --- 蓝色4.接地线黄、绿双色接地线5.PLC I/O 线数字量、模拟量输入DI、AI -----绿、白、蓝数字量、模拟量输出DO、AO -----蓝、棕、黄高速计数输入输出HSC---- 根据产品颜色A、B、Z三相自定6.根据图纸标注导线截面积选取导线7.根据控制箱内元件布置图布置控制箱内部元器件要求整齐且有一定电气间隙,未经工程师同意禁止随意更改元器件位置。
元器件布置完成后应在靠近元器件处贴标识。
8.控制箱主电源进线用电缆线或专业电线,链接于控制箱电源进线端子四位端子排上,地线固定于接地螺丝上,要求用0型端子连接。
9.控制箱出线、箱内走线应走PVC线槽或配防水软管,控制线(24V电源线、PLC输入输出线、传感器线等)与动力线(马达电源线、刹车电源线、加热线等)分开配线槽及软管。
电机配线开关标准
我们在做具体的控制系统时,常要需要计算负载的大小来选择电缆线的规格,我们可以根据电机铭牌来确定,也可以通过一些公式来算出来,其实有一种简单的经验算法很容易估算出来,虽然不是绝对正确,也足以用来做为选择电缆规格的依据了。
方法是,我们常用的三相异步电机一般有两种接法,一种是星形一种是角形。
除较小的电机外,多数是角形,我们就说角形的,如果是一台380V供电的7.5KW的三相异步电机,那么它的额定每相工作电流约是15A。
实际通过算出来可能是比这个略小一点,我们完全可以按这个电流来选择电缆线了。
如果是一台380V供电的4KW的三相异步电机,那么它的额定每相工作电流约是8A。
可能我们以经看出来规律,也就是1千瓦功率约需2A电流,一个75KW的电机它的额定工作电流约是150A。
你可以通过公式的方法算算,结果是比较接近的。
下面我们说说怎么根据电流来选择多大截面积的电缆,我们选择的电缆为铜芯电缆。
我们举例说明,我们要给一台18.5KW的电机配线,可以算出它的额定电流为37A,也是根据经验1平方毫米铜线可以通过4~6A的电流,我们取其中间值5A,那么电缆线的截面积应为37/5=6.4平方毫米。
我们的标准电缆有6平方毫米和平共10平方毫米的,为了保证可靠性,我们选择10平方的电缆。
其实具体选择中我们也可能会选择6平方的,这要综合考虑,负载工作时消耗的功率是多大,如果只有额定的60%不到的话,可以这样选择,如果基本上要工作在额定功率附近,那只能选择10平方的电缆了。
电机如何配线?选用断路器,热继电器?
如何根据电机的功率,考虑电机的额定电压,电流配线,选用断路器,热继电器
三相220V电机,1KW=3.5A。
三相380V电机,1KW=2A。
低压660V电机,1KW=1.2A。
高压3000V电机,4KW=1A。
高压600V电机,8KW=1A。
一台三相电机,除知道其额定电压以外,还必须知道其额定功率及额定电流,比如:一台三相异步电机,7.5KW,4极(常用一般有2、4、6级,级数不一样,其额定电流也有区别),其额定电路约为15A 。
1、断路器:一般选用其额定电流1.5-2.5倍,常用DZ47-60 32A,
2、电线:根据电机的额定电流15A,选择合适载流量的电线,如果电机频繁启
动,选相对粗一点的线,反之可以相对细一点,载流量有相关计算口决,这里我们选择
4平方,
3、交流接触器,根据电机功率选择合适大小就行,1.5-2.5倍,一般其选型手册上有型号,这里我们选择正泰CJX2--2510,还得注意辅助触点的匹配,不要到时候买回来辅助触点不够用。
4、热继电器,其整定电流都是可以调整,一般调至电机额定电流1-1.2倍。
断路器、继电器、电机配线
电机如何配线?(1)多台电机配导线:把电机的总功率相加乘以2是它们的总电流。
(2)在线路50米以内导线截面是:总电流除4.(再适当放一点余量)
(3)线路长越过50米外导线截面:总电流除3.(再适当放一点途量)
(4)120平方以上的大电缆的电流密度要更低一些,
断路器:
(1)断路器选择:电机的额定电流乘以2.5倍,整定电流是电机的1.5倍就可以了,
这样保证频繁启动,也保证短路动作灵敏。
热继电器?热继电器的整定值是电机额定电流是1.1倍。
交流接触器:交流接触器选择是电机流的2.5倍。
这样可以保证长期频繁工作。
(22KW电机,三相,电压380V,功率因数0.8.计算的额定电流是41.8A,直接启动冲击电流4~7计算。
按照最大冲击电流可算得是292A,空气开关、接触器选用63A的就够了。
追问:
那开起来的时候会不会跳闸呢? 他这个起动电流大是瞬间的吧
回答:
启动时间很短,对开关的冲击可以不考虑,跳不跳闸看启动时电网的压降,85%以上的电压,开关都能自保持,一般情况下的变压器容量,这么小的设备启动都会是安全的。
假设变压器的电抗值是6%,那么只有在启动时经过变压器的总电流达到额定电流的2.5倍后,系统才可能跳闸。
)。