锂电池充电器电路图
- 格式:doc
- 大小:109.50 KB
- 文档页数:3
锂电池恒流定压充电电路
闲来无事,设计了一个充电电路图,用外接直流供电(点烟器接口等等),充满后关断恒流回路,静止电压下降后又自动再充电。
R1确定充电电流,W1调定再充电压,W2调定停充电压,SW1手动充电启动,SW2手动停止充电,Q3、Q4互补组成模拟可关断可控硅(C2、R4的作用是增加Q3、Q4的稳定性)。
注意元件R、R1、Q1、D1的额定电流要达到设计的指标(充电电流I=(V LED-V Q1be)/R1,图中电流理论值为(2-0.7)/2=650mA)。
由于D1的隔离作用,电池平时理论上无放电消耗回路,可以长期不取下来。
LED为充电指示灯,同时为恒流源提供基准电压源。
R起限流作用。
细节加QQ:1191789075。
自制12.6v锂电池充电器(九款电路原理图详解)12.6V锂电池是由三节4.2V锂电池串联而成,因此12.6v锂电池充电器的电路设计即可适用于锂电池充电器电路原理图。
12.6v锂电池充电器电路原理图(一)本电路带充电状态显示功能,红灯闪正在充,绿灯闪马上要充满,绿灯亮完全充满。
只要您有12V的电源就可以,接完电路后先别装电池,调右下角的可调电阻,使电池输出端为4.2V,再调左下角的可调电阻使LM358第三脚为0.16V就可以了,充电电流为380mA,超快,三个并连的二极管是降压的,防止LM317过热,且LM317须加散热片,图中的三极管可以任意型号。
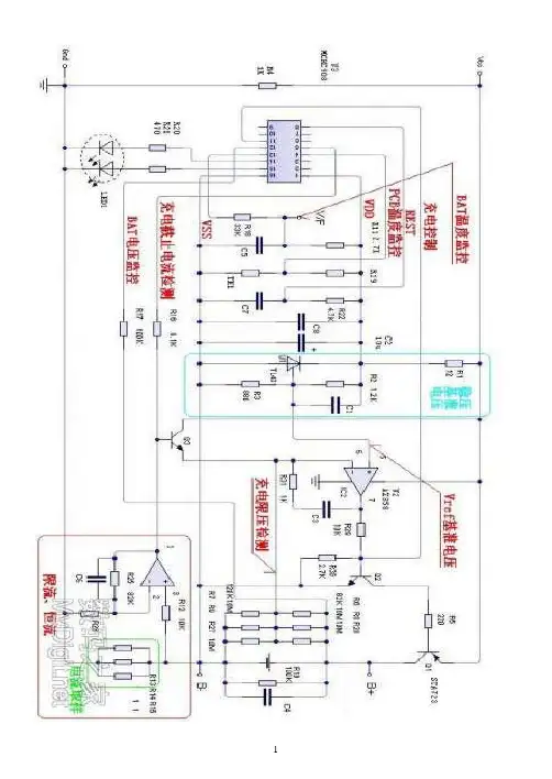
12.6v锂电池充电器电路原理图(二)如图所示是一种恒流恒压的锂电池充电控制板,图中Q1、R1、W1、TL431组成精密可调稳压电路。
Q2、W2、R2构成可调恒流电路。
Q3、R3、R4、R5、LED为充电指示电路。
随着被充电锂电池电压逐渐上升,充电电流将逐渐减小,待电池充满后R4上的压降不断减小,最终使Q3截至,LED熄灭,为了保证电池能充足,请在指示灯熄灭后继续充电1~2小时,使用时需要在Q2、Q3装适当大小的散热片。
12.6v锂电池充电器电路原理图(三)充电装置原理电路图所示,最大输出电流为20A,最高充电电压为80V.它可以从0V起进行调节,因此能对各种规格的蓄电池进行充电,还可以对相同规格的蓄电池组或串联蓄电池组进行充电,如最多可对5只串联的12V蓄电池同时进行充电。
对串联蓄电池充电,可缩短连线长度,减少线损,连接方便,因此可大幅度提高工作效率。
从图中可知,变压器T为双基极管V1提供工作电压,双基极管V1及相应外围元件组成一个振荡器,振荡频率可由RP1、RP2控制。
在本电路中,RP1、RP2取值相差较大,所以在实际工作中,RP2可起粗调作用,RP1起细调作用,这对单个电池充电时尤为重要,可避免损坏蓄电池。
由V1产生的振荡脉冲经VD3隔离,触发晶闸管VS,充电电流的大小及电压的高低取决于振荡器的输出脉冲,即由振荡频率决定。
锂电池充电器原理锂电池应用越来越广泛,今天分享一个简单实用的锂电池充电器原理,原理图如下开关电源部分:1.输入高压整流部分:CN2是交流电输入接口,F1是保险丝,RT1是浪涌吸收热敏电阻,C1 FL1 是EMC滤波电路,R1 R2是放电电阻用来放掉C1上的残留电压,BD1是整流桥 EC2是滤波电容。
2.开关控制及功率部分:经整流滤波电路后,EC2上得到直流的300V高压,电容+端直接接到变压器初级绕组的3脚,从1脚出来经过开关管Q1再到电阻R17 R18 R19到地,R17 R18 R19是电流取样电阻。
变压器5 6 脚是辅助电源绕组,感应到的电压经D2整流,R7 R8限流后到EC1滤波,再送到控制管理IC的的5脚,给IC提供电压,R3 R9是启动电阻,R14是工作频率调整电阻,R4 5 6 C2 D1 R12 13组成峰值吸收电路。
3.工作流程:电源接通后启动电阻R3 R9级电阻EC1充电,充到一定电压后控制IC U1开始工作,从6脚输出PWM控制脉冲信号,经R11 耦合到Q1的栅极,R22 Z1是开关管Q1关断加速电路,R10是放电电阻,Q1开始导通,T1 初级绕级得到3正 1负的电动势能,随着Q1导通时间的增长,T1存储的电动势能强,流过Q R17 18 19的电流增大,R17 18 19电阻两端的电压上升,经R16 送到U1 的4脚,当U1 4脚上感应到的电压升到一定值时,从6脚输出低电平经R37 Z1使Q1判断,在Q1关断的同时T1次级绕组也感应到8正11负的电动势,经过D4 EC3后输出。
4.电压控制及反馈部份:R27 VR1 RJ1是电压取样电阻,U3是电压误差放大比较器,得到的误差电压经过U2反馈到U1的2脚,来调节6脚输出的PWM,来达到电压稳定充电部分:第一阶段恒流充电,R35 D5组成一个基准源电路,使电压稳定在0.6V,R32 R*1分压电阻分压后送到U4 比较器的3脚正相输入端作为电流误差的基准,R26是输出电流取样电阻,当输出电流达到设定的电流时,R26产生的压降经R31到U4比较器的2脚反相输入端,当2脚的电压高于3脚市定的电压时,比较器返转从1脚输出低电平,经D3 R32 到光耦的发光二极管阴极,使光耦工作通过U1控制使开关管导通时间变短(关断),变压器存储的电动势能就会减小,输出能量也跟着减小,这时输出电流开始下降,当下降到小于设定值后,U4比较器2脚的电压小于3脚的电压,这时比较器反转恢复到原来的状态,光耦停止工作,U1控制开关管Q1又开始导通,偱环这样的工作,达到恒流的目的。
锂电池充电电路图2009-03-08 18:26锂电池是继镍镉、镍氢电池之后,可充电电池家族中的佼佼者.锂离子电池以其优良的特性,被广泛应用于: 手机、摄录像机、笔记本电脑、无绳电话、电动工具、遥控或电动玩具、照相机等便携式电子设备中。
一、锂电池与镍镉、镍氢可充电池:锂离子电池的负极为石墨晶体,正极通常为二氧化锂。
充电时锂离子由正极向负极运动而嵌入石墨层中。
放电时,锂离子从石墨晶体内负极表面脱离移向正极。
所以,在该电池充放电过程中锂总是以锂离子形态出现,而不是以金属锂的形态出现。
因而这种电池叫做锂离子电池,简称锂电池。
锂电池具有:体积小、容量大、重量轻、无污染、单节电压高、自放电率低、电池循环次数多等优点,但价格较贵。
镍镉电池因容量低,自放电严重,且对环境有污染,正逐步被淘汰。
镍氢电池具有较高的性能价格比,且不污染环境,但单体电压只有1.2V,因而在使用范围上受到限制。
二、锂电池的特点:1、具有更高的重量能量比、体积能量比;2、电压高,单节锂电池电压为3.6V,等于3只镍镉或镍氢充电电池的串联电压;3、自放电小可长时间存放,这是该电池最突出的优越性;4、无记忆效应。
锂电池不存在镍镉电池的所谓记忆效应,所以锂电池充电前无需放电;5、寿命长。
正常工作条件下,锂电池充/放电循环次数远大于500次;6、可以快速充电。
锂电池通常可以采用0.5~1倍容量的电流充电,使充电时间缩短至1~2小时;7、可以随意并联使用;8、由于电池中不含镉、铅、汞等重金属元素,对环境无污染,是当代最先进的绿色电池;9、成本高。
与其它可充电池相比,锂电池价格较贵。
三、锂电池的内部结构:锂电池通常有两种外型:圆柱型和长方型。
电池内部采用螺旋绕制结构,用一种非常精细而渗透性很强的聚乙烯薄膜隔离材料在正、负极间间隔而成。
正极包括由锂和二氧化钴组成的锂离子收集极及由铝薄膜组成的电流收集极。
负极由片状碳材料组成的锂离子收集极和铜薄膜组成的电流收集极组成。
四款经典3.7v锂电池充电电路图详解3.7v锂电池充电电路图(一)1、锂电池的充电:根据锂电池的结构特性,最高充电终止电压应为4.2V,不能过充,否则会因正极的锂离子拿走太多,而使电池报废。
其充放电要求较高,可采用专用的恒流、恒压充电器进行充电。
通常恒流充电至4.2V/节后转入恒压充电,当恒压充电电流降至100mA以内时,应停止充电。
充电电流(mA)=0.1~1.5倍电池容量(如1350mAh的电池,其充电电流可控制在135~2025mA之间)。
常规充电电流可选择在0.5倍电池容量左右,充电时间约为2~3小时。
2、锂电池的放电因锂电池的内部结构所致,放电时锂离子不能全部移向正极,必须保留一部分锂离子在负极,以保证在下次充电时锂离子能够畅通地嵌入通道。
否则,电池寿命就相应缩短。
为了保证石墨层中放电后留有部分锂离子,就要严格限制放电终止最低电压,也就是说锂电池不能过放电。
放电终止电压通常为3.0V/节,最低不能低于2.5V/节。
电池放电时间长短与电池容量、放电电流大小有关。
电池放电时间(小时)=电池容量/放电电流。
锂电池放电电流(mA)不应超过电池容量的3倍。
(如1000mAH电池,则放电电流应严格控制在3A以内)否则会使电池损坏。
3、锂电池的保护电路由两个场效应管和专用保护集成块S--8232组成,过充电控制管FET2和过放电控制管FET1串联于电路,由保护IC监视电池电压并进行控制,当电池电压上升至4.2V时,过充电保护管FET1截止,停止充电。
为防止误动作,一般在外电路加有延时电容。
当电池处于放电状态下,电池电压降至2.55V时,过放电控制管FET1截止,停止向负载供电。
过电流保护是在当负载上有较大电流流过时,控制FET1使其截止,停止向负载放电,目的是为了保护电池和场效应管。
4、充电电路:原理:采用恒定电压给电池充电,确保不会过充。
输入直流电压高于所充电池电压3伏即可。
R1、Q1、W1、TL431组成精密可调稳压电路,Q2、W2、R2构成可调恒流电路,Q3、R3、R4、R5、LED 为充电指示电路。
锂电池充电电路图2009-03-08 18:26锂电池是继镍镉、镍氢电池之后,可充电电池家族中的佼佼者.锂离子电池以其优良的特性,被广泛应用于: 手机、摄录像机、笔记本电脑、无绳电话、电动工具、遥控或电动玩具、照相机等便携式电子设备中。
一、锂电池与镍镉、镍氢可充电池:锂离子电池的负极为石墨晶体,正极通常为二氧化锂。
充电时锂离子由正极向负极运动而嵌入石墨层中。
放电时,锂离子从石墨晶体内负极表面脱离移向正极。
所以,在该电池充放电过程中锂总是以锂离子形态出现,而不是以金属锂的形态出现。
因而这种电池叫做锂离子电池,简称锂电池。
锂电池具有:体积小、容量大、重量轻、无污染、单节电压高、自放电率低、电池循环次数多等优点,但价格较贵。
镍镉电池因容量低,自放电严重,且对环境有污染,正逐步被淘汰。
镍氢电池具有较高的性能价格比,且不污染环境,但单体电压只有1.2V,因而在使用范围上受到限制。
二、锂电池的特点:1、具有更高的重量能量比、体积能量比;2、电压高,单节锂电池电压为3.6V,等于3只镍镉或镍氢充电电池的串联电压;3、自放电小可长时间存放,这是该电池最突出的优越性;4、无记忆效应。
锂电池不存在镍镉电池的所谓记忆效应,所以锂电池充电前无需放电;5、寿命长。
正常工作条件下,锂电池充/放电循环次数远大于500次;6、可以快速充电。
锂电池通常可以采用0.5~1倍容量的电流充电,使充电时间缩短至1~2小时;7、可以随意并联使用;8、由于电池中不含镉、铅、汞等重金属元素,对环境无污染,是当代最先进的绿色电池;9、成本高。
与其它可充电池相比,锂电池价格较贵。
三、锂电池的内部结构:锂电池通常有两种外型:圆柱型和长方型。
电池内部采用螺旋绕制结构,用一种非常精细而渗透性很强的聚乙烯薄膜隔离材料在正、负极间间隔而成。
正极包括由锂和二氧化钴组成的锂离子收集极及由铝薄膜组成的电流收集极。
负极由片状碳材料组成的锂离子收集极和铜薄膜组成的电流收集极组成。
锂电池充电电路图2009-03-08 18:26锂电池是继镍镉、镍氢电池之后,可充电电池家族中的佼佼者.锂离子电池以其优良的特性,被广泛应用于: 手机、摄录像机、笔记本电脑、无绳电话、电动工具、遥控或电动玩具、照相机等便携式电子设备中。
一、锂电池与镍镉、镍氢可充电池:锂离子电池的负极为石墨晶体,正极通常为二氧化锂。
充电时锂离子由正极向负极运动而嵌入石墨层中。
放电时,锂离子从石墨晶体内负极表面脱离移向正极。
所以,在该电池充放电过程中锂总是以锂离子形态出现,而不是以金属锂的形态出现。
因而这种电池叫做锂离子电池,简称锂电池。
锂电池具有:体积小、容量大、重量轻、无污染、单节电压高、自放电率低、电池循环次数多等优点,但价格较贵。
镍镉电池因容量低,自放电严重,且对环境有污染,正逐步被淘汰。
镍氢电池具有较高的性能价格比,且不污染环境,但单体电压只有1.2V,因而在使用范围上受到限制。
二、锂电池的特点:1、具有更高的重量能量比、体积能量比;2、电压高,单节锂电池电压为3.6V,等于3只镍镉或镍氢充电电池的串联电压;3、自放电小可长时间存放,这是该电池最突出的优越性;4、无记忆效应。
锂电池不存在镍镉电池的所谓记忆效应,所以锂电池充电前无需放电;5、寿命长。
正常工作条件下,锂电池充/放电循环次数远大于500次;6、可以快速充电。
锂电池通常可以采用0.5~1倍容量的电流充电,使充电时间缩短至1~2小时;7、可以随意并联使用;8、由于电池中不含镉、铅、汞等重金属元素,对环境无污染,是当代最先进的绿色电池;9、成本高。
与其它可充电池相比,锂电池价格较贵。
三、锂电池的内部结构:锂电池通常有两种外型:圆柱型和长方型。
电池内部采用螺旋绕制结构,用一种非常精细而渗透性很强的聚乙烯薄膜隔离材料在正、负极间间隔而成。
正极包括由锂和二氧化钴组成的锂离子收集极及由铝薄膜组成的电流收集极。
负极由片状碳材料组成的锂离子收集极和铜薄膜组成的电流收集极组成。
锂电池充电器原理图详解(附图)锂电池充电器原理图是什么呢?在充电时,手机和电动车使用的充电器多为锂电池充电器,那么你知道锂电池充电器原理图是什么呢?下面世界工厂网小编就和大家聊聊锂电池充电器原理图,也长长见识。
锂离子电池具有单只端电压高、比容量大等优点,但其充电必须使用专用充电器,因为它在过充电时极易损坏。
锂离子电池充电器之所以称“新创意”,是因为它除监视电池的充电状态外,还能分阶段控制电池的最大充电电流。
用本充电器充电开始时,充电电流从10mA依次递增至270mA,当电量充至70%左右时,自动改用最大220mA充电,然后依次改为最大170mA、120mA和70mA,最后以10mA左右的涓流结束充电。
这种充电方法可以较大限度地将锂离子电池充足。
本装置电路如附图所示。
IC1构成频率约1Hz1的多谐振荡器,IC2构成脉冲频率6分配器,IC3构成充电执行电路。
通电后IC2复位,Q0输出高电平,这时IC3输出电压仅1.25V,电路由+15V经R1给电池提供约10mA的充电电流。
通电后IC1起振,其③脚输出的脉冲触发IC2工作,使输出端Q1~Q5依次出现高电平,经不同的分压电阻分压后,IC3的输出电压按6V、7V、8V、9V、10V依次递增,充电电流也因此在70mA至270mA之间依次递增。
当Q6输出高电平时IC2被复位,此后电路在IC1输出脉冲的作用下重复上述过程。
锂电池的标称电压为3.6V,通常放电至3V即需充电,终止充电电压最高为4.2V。
IC4构成电池端电压检测电路,其门限电压即电池充电终止电压可通过RP在4~4.2V范围内设定。
电池刚充电时的端电压低于检测电路的门限电压,IC4输出低电平,这时IC2的Q0~Q5均能依次循环呈高电平,使充电电流在10门A~270门A之间阶跃循环变化,即Q0=1时充电电流约10门A,Q1=1时阶跃至约70mA……,Q5=1时阶跃至最大,约270mA。
电池充进一定电量后,其端电压升高,且大电流充电时呈现的电压比小电流充电时更高。
三星座充充磷酸铁锂3.65V完美停充之简单改装(更新成品图)简单改装见下图:在图中已焊电阻的基础上,另按图中所示R04,接一个10K电阻在图示位置,粗红色电线接待充磷酸铁锂电池正极,粗黑色电线接电池负极,即可在不过充的这前提下充满磷酸铁锂电池,3.65V左右变灯停充。
三星座充原有的保护功能仍然保留。
电池断开闪黄灯报错,电池电压低(误放AA充电电池或反接)报错,电池电压高报错等都完美保留。
R01取值范围680K-820K,也可在上面并联10M电阻微调截止电压;R02取值范围100K-180K,若接入AA镍电座充不闪黄灯,可加大此电阻;R03,2.2K即可,R04取10K;R05为扩流电阻,不扩流即可不用。
加一常开按钮开关短路R03(2.2K),按下开关一秒左右即可复位充电器。
如果XD们想兼容锂离子、锂聚及磷酸铁锂,可以分别断开R01,R02一端,分别接入双刀双掷开关。
即可切换4.2V及3.65V截止电压,兼容各种锂电池。
增加一组改好的成品图(有内部裸~照):内部接线图,不懂电路的XD可参照下面的图直接改装:看不清焊点的话可与下图对照:请问LZ:为什么要加R4呢?加了R4在充满之后,如果电池没取下来就会通过R4放电,时间长了不是又要充?电池两端并联10K电阻后,缺点是停充后,电池会通过这个电阻放电,放电电流约为0.365毫安,600mAh的磷酸铁锂,1643小时放完,不过好像影响不大对吧?变灯后即取出或放几个小时取出都可以忽略不计。
如果不并联R4,没装电池时,电源正极通过改装加上的R02,使MCU9脚电压过高,使MCU认为有电池,所以亮红灯使充电器工作在充电状态(本应闪黄灯报错)。
取电池后也一样,充电器状态不改变,不闪黄灯报错。
加上R4后,当取下电池,电池夹端电压下降,R4的作用通过板上的R14(47K)拉低了UCU 9脚电压使充电器报错,这样就保持了三星座充的原保护功能。
改铁锂充啊,那是找不到!R6上并联180K,或R6换成56K,可改截止电压为3.65V;R17上并联220K,可欺骗MCU(不行的话改成150K-220K左右从MCU 12脚引至电源正极,同时,R10上可能也要并联个20K-30K左右的电阻以保证座充原有的保护功能。
简单可靠的锂电池充电方案(电路图)A:图1电路特点:相对简单,容易理解,元件容易取得,功能完善,特性理想。
Vin是直流,蒸馏稳压即可,但需要保证最小输入比vout 高2V。
图2为改进型,从功能上,可充1~4节锂电池(通过R2来转换),充电电流0.1~3A连续可调(通过R5),方式是高精度的恒流恒压(CC/CV)。
指示方面,分别用白色、红色、橙色、绿色LED指示电源、快充、慢充、充满、提供短路保护、过电压保护、反接保护、断电保护。
CC/CV方式本身保证充电不会过呀、过流。
图2电路的设计中,感觉比较得意的有两点:1.LED1和LED2兼做"与门"罗技。
2.充满指示,与电流设定值无关,都是到最大充电电流的5%,感觉不安的有:1.LED2必须用红色,要求5mA下压降不要超过1.8V,否则短路电流(设计为很小)仍然较大。
2.还是复杂了些(主要考虑在保证性能,功能前提下的简化问题)。
Q:那直接把LM324换成IM339不久可以了?还有,那个电流源怎么做?难道真的做个恒流电路?A:是的,LM324和LM339通用,开始我的确使用OC的LM339来解决"或"关系,但后来把LED插进来,发现也可以用LM324,而且我手边只有LM324,如果省去充电指示功能(很多充电器没有或者不是真正的,例如飞毛腿),可以用8脚的双比较器LM393,并可以省去另外4个元件。
电流源可以这样做:1.用成品电流源,我手里有两个。
2.用小功率结型场效应管,直接把S和G(即源极和栅极)接到一起。
3.用1个二极管、2个电阻和一个PNP三极管。
若不用恒流源也可以凑合使用,改为一个店主(1KΩ),但效果差一些。
Q:此电路充电电流也是0.6A吗?多长时间能充满7.2V、1360mAh的锂电池?A:电流是可以通过店主来调节的。
当调节到700mA时,充满为两个多小时,一般充电电流都取0.5C,太大了对寿命不理,太小了充电时间太长。
充电电路DIY——简单实用且带充电指示灯的锂电池充电电路
本文介绍一款采用TP4057锂电池专用充电IC制作的锂电池充电电路,其可以对单节锂电池进行充电,并且带有充电指示灯和充满指示灯。
在锂电池充满电之后,整个电路自动处于微功耗省电状态。
▲ TP4057构成的锂电池充电电路。
TP4057是一款单节锂电池专用的恒流/恒压线性充电IC,其内部带有电池反接保护及防倒充电路。
该充电IC的工作电压范围为4~6V,静态工作电流仅有40μA,其输出的充电电流可由⑥脚外接的电阻R2来设定,最大充电电流为600mA。
TP4057的①脚为充电指示端,充电时①脚外接的LED1指示灯点亮;⑤脚为充满指示端,充满电时,⑤脚外接的LED2指示灯点亮。
R1为LED1和LED2的限流电阻。
R2为充电电流设定电阻,其阻值为1.6KΩ时,输出的充电电流为500mA。
本电路可以使用手机充电器或充电宝输出的5V电压供电。
▲ SOT23-6封装的TP4057。
TP4057采用SOT23-6封装,其体积很小,一般采用丝印“57b5”来表示其型号。
▲ TP4057锂电池充电板。
上图为成品的TP4057锂电池充电板,其输入电压为5V(可以使
用手机充电器输出的5V电压),输出可以给单节锂电池充电,充电终止电压为4.2V。
充电板采用的LED指示灯为共阳极的红绿双色LED指示灯。
4节镍氢镍镉锂电电池的充电器电路lm3174节镍氢、镍镉、锂电电池的充电器电路LM317利用LM317制作简易恒压恒流充电器(镍氢、镍镉、锂电、磷酸铁锂)本想做一台高级而复杂的全功能智能充电器,最后发现简单可靠实用才是真理,怎样实现简单可靠?串联充电比并联充电简单,缺点是电池要求容量比较一致,线性降压比开关降压简单,缺点是效率比较低发热大,大电流充电节约时间但是发热大电池寿命影响也不小,负斜率或者零增量侦测电池是否充满的缺点是电路复杂并且因为电池性能的关系并不可靠,目前电池的充电方式大多数推荐是恒流。
一台简单可靠的充电器要完成的功能特点应该有:能充多节电池,有恒流充电功能,有防止过充功能。
实现方法其实很简单:串联,恒压,恒流。
如果用稳压电源来充电的话,初期电流太大,若串入限流电阻的话,当电池电压升高后电阻就限制了充电电流使充电时间过长。
恒流恒压只是相对的,具体来说应该是前期恒流后期恒压,顺便说一下,这种方式非常适合给锂电池充电。
在网上找了很久,都没有找到满意的线路,猛的发现在LM317规格书内就有这个充电线路,原名叫做恒压限流充电器,真是踏破铁鞋无觅处,稍作修改就是自己需要的东西,并且可以做成万能充电器。
按照上图,我做的是一台一次充4节镍氢或者镍镉电池的充电器,经测试发现很理想,并且前期限流基本是恒流,后期恒压。
调试很简单,只要调整R2设置输出电压在你需要的电压上,比如镍氢电池充满是1.45v一节,4节就是5.8v,R2建议用那种精密可调电位器,多圈小型那种既稳定又能微调,R3的选择你需要的充电电流,现在充电电池容量都不小,不想充电速度太慢或太快,充电电流可以取适中,比如我取的2.2欧姆根据三极管导通电压约0.6v计算电流在270ma。
为了减少LM317的损耗,输入电压设置在比输出电压高3V,如1.45×4+3 约9v,如果你觉得LM317上3v损耗还是太大,可以把LM317换成1117这种1v的低压降IC(没试过), 如果你觉得串联充电不够好,可以只充一节电池,多做几组就可以了,其实对于一直成组使用的电池串联充电没有什么不好,充放电电流都是一致的。